Расчет элементов вторичного источника питания

  • Вид работы:
    Курсовая работа (т)
  • Предмет:
    Физика
  • Язык:
    Русский
    ,
    Формат файла:
    MS Word
    192,74 Кб
  • Опубликовано:
    2014-07-08
Вы можете узнать стоимость помощи в написании студенческой работы.
Помощь в написании работы, которую точно примут!

Расчет элементов вторичного источника питания













Курсовая работа по электротехнике

Расчет элементов вторичного источника питания

Содержание

Введение

. Расчёт выпрямителя и элементов фильтра

2. Расчёт трансформатора и проверка условия размещения обмоток в окне магнитопроводе, а также реальных величин потерь напряжения во всех обмотках

3. Выбор типа магнитопровода и проверка его на соответствии величин холостого тока

. Составления электрической схемы источника принципиальной

Заключение

Список использованных источников

Приложение

Введение

В современной электротехнической аппаратуре (ЭА) предъявляются разнообразные требования к качеству питающего напряжения. Выбор из большого числа типов источников вторичного электропитания оптимального варианта, удовлетворяющего всем заданным техническим требованиям, предъявляемым ЭА, и метрологическим характеристикам являются одной из наиболее сложных задач при проектировании от правильного выбора и расчёта источников вторичного электропитания завися надёжность, массогабаритные показатели, стоимость.

Общим для всех технических заданий являются оговоренные в тактико-технических требованиях на комплекс ЭА напряжение и частота питающей сети системы энергоснабжения, пределы их изменения, число фаз, способ резервирования, климатические и механические условия, в которых должна обеспечиваться работоспособность комплекса ЭА, наработка на отказ комплекса в целом. Кроме того к источникам вторичного электропитания возможны специфические требования, относящиеся только к источникам постоянного или переменного тока. Дополнительным требованием к вторичному источнику постоянного тока (напряжения) является величина или коэффициент пульсации выходного тока (напряжения).

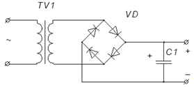
Рисунок 1. Схема вторичного источника питания.

1. Расчёт выпрямителя и элементов фильтра

Выбор принципиальной схемы в конечном счёте сводится к сравнению её с аналогичными схемами. Сохраняя все достоинства схемы со средней точкой, мостовая схема имеет особенность ту. Что габариты и масса трансформатора меньше вследствие лучшего использования обмоток по току. эта особенность мостовой схемы основана на том. что ток протекает в течении периода во всей вторичной обмотке трансформатора, а не одной её половин. В свою очередь уменьшение массы и габаритов ведёт к снижению себестоимости трансформатора и уменьшению потерь.

Конструкция трансформатора проще, так как не требуется специальный вывод от средней точки вторичной обмотки. Обратное напряжение, приходящееся на один диод, вдвое меньше. Необходимость использования в схеме четырёх диодов вместо двух в схеме со средней точкой является недостатком мостовой схемы.

Расчеты выполняются в соответствие с методическими указаниями /3/.

Выходное напряжение

U3 = 1,17*U0 = 1,17*12 = 14,04В.

Выходной ток

I3 = 96*I0 max = 0,96*1,77 = 1,6 А,

где I0 max = Iн max = 1,6 А.

Типовая мощность

S = 1,12*U0*I0 max = 1,12*P0 = 1,12*21,24= 23,788ВА

Максимальное значение обратного напряжения на вентилях:

Uобр.max =  *U3 = 1,41*14,04= 19,855В.

Среднее значение прямого тока на вентиле

Iпр.ср = I0 max / 2 = 1,77 / 2 = 0,885А

Полученные цифровые значения токов и напряжений являются исходными при выборе выпрямительных диодов и расчёта трансформа тора.

Расчёт параметров индуктивно-емкостного фильтра.

Основываясь на том, что коэффициент фильтрации двухзвенного фильтра определяется произведением обоих параметров Lф и Cф, одним из них приходится задаваться. Для наиболее рационального вы бора фильтра можно сравнивать электрические энергии, запасаемые в обоих элементах.

где Lф = 5R0max / ω0 = 5*11,76/ 628 = 0,093Гн

R0max = U0 / Iнmin = 12 / 1,02 = 11,76Ом

ω0 = 2ω = 628 1/с

где Cф = 10\0,2*R0min*ω = 10\0,2*6,779*628 / = 1174,47Ф

R0min = U0 / Iнmax = 12/ 1,77 = 6,779 Ом

В качестве первого принимаем индуктивность. Выбор второго элемента проводим по формуле:

Cф = 2,54* ( Кф + 1 ) / Lф = 2,54*( 15,227 + 1 ) / 0,035 = 1177,61мкФ

Выбираем конденсатор ёмкостью C = 1200 ± 10 % мкФ и дроссель(их двое).

Д44 индуктивностью 0,16Гн,с током подмагничивания 1,6 А, сопровлением 3,8 Ом

. Расчёт трансформатора и проверка условия размещения обмоток в окне магнитопроводе, а также реальных величин потерь напряжения во всех обмотках

Расчёт трансформатора начинается с определения типовой мощности, которая складывается из полных мощностей обоих вторичных обмоток /3/:

S = S2 + S3 = S1

= P2 / cosφ *0,85 = 250 / 0,61*0,85 = 348,36 ВА

S =348,36 + 23,.788 = 372,148 ВА

По таблице для данного значения выбираем:

плотность тока в обмотке

δ = 1,5

коэффициент заполнения окна

Ко = 0,32

коэффициент заполнения стали

Кст = 0,94

максимальная индукция с учётом отклонения сетевого напряжения в сторону увеличения:

Bmax = ( U1ном / U1max )Bmax табл = (380 / 425,6 )*1,3 = 1,162Тл

где U1max = ( 380*12 / 100 )+380 = 425,6 В

Bmax табл = 1,3 Тл

3. Выбор типа магнитопровода и проверка его на соответствии величин холостого тока

выпрямитель трансформатор магнитопровод ток

Выбор магнитопровода-численное значение произведения площади сечения стали на сечение окна /3/:

Sст Sок = Sтип 10 / 2,22 f Bmax Kст Kок δ = 372,148 *10 / 2,22*50*1,16*0,94*0,32*1,5 = 640,7 см4

На основании полученного значения Sст Sок по таблице 5 выбирается броневой пластинчатый магнитопровод марки Ш40х40 с параметрами:

a = 40 мм Mст = 3.96 кг C = 160 мм

Sст = 16см  с = 40 мм H = 140 мм

h = 100 мм Sст Sок = 640 см b = 40 мм

Активная и реактивная составляющие тока холостого хода:

I0А = pстМст / Umax1 = 2,5*3,96 / 246 = 0,040 А

где pст - удельное значение активных потерь на нагрев магнитопровода

I0p = qстМст / Umax1 = 25*3,96 /246 = 0,402 А

где qст - удельное значение мощности

qст = 25 ВА / кг

Ток холостого хода

I0 = = 0,404 А

А его относительное значение как

I0% = ( I0 / I1 ) *100% = ( 0,404 / 0,98 ) *100% = 41%

где I1 = S / Uном = 372,148/ 380 = 0,98 А

Полученное относительное значение тока холостого хода согласуется с рекомендуемым.

. Составления электрической схемы источника принципиальной

Число витков каждой обмотки определяется /3/

W1 = [U1ном (1-∆U1%10) 10] / 4,44 f Bmax Sст.акт =

[380* (1- 2*10) 10] / 4,44*50*1,16*16*0,94 = 961,5

W2 = [U2ном (1+∆U2%10 ) 10] / 4,44 f Bmax Sст.акт =

[127* (1+ 4*10) 10] / 4,44*50*1,16*16*0,94 = 341,01

W3 = [U3ном (1+∆U3%10 ) 10] / 4,44 f Bmax Sст.акт =

[14,04* (1+ 4*10) 10] / 4,44*50*1,16*16*0,94 = 37,7

где ∆U1 = 2%, ∆U2 = ∆U3 = 4%,

Ориентировочные значения сечений проводов определяются по формуле:

S1 = I1 / δ = 0.98 / 1,5 = 0,65 мм

S2 = I2 / δ = 1.7/ 1,5 = 1,13 мм

S3 = I3 / δ = 1.2 / 1,5 = 0,8 мм= P2 / U2*cosφ2 = 250 / 127*0,61 = 1,2А

По справочнику для первой обмотки подбираем провода сечением S1 = 0,6362 мм с наибольшим наружным диаметром dиз1 = 0,99 мм; для второй обмотки− S2 = 6362 мм с наибольшим наружным диаметром dиз2 = 0,99мм; для третьей обмотки− S3 = 0,6362 мм с наибольшим наружным диаметром dиз3 = 0,99 мм.,

Длины концевых изоляций обмоток:

∆из1 = 2 + 1,5 (j − 1) = 2 + 1,5 (1− 1) = 2 мм

∆из2 = 2 + 1,5 (j −1) = 2 + 1,5 (2 −1) = 3,5 мм

∆изj = 2 + 1,5 (j −1) = 2 + 1,5 (3 −1) = 5 мм

Осевые длины обмоток:

hd1 = h − 3 − ∆из1 * 2 = 100 − 3 − 2 * 2 = 93 мм

hd2 = h − 3 − ∆из2 * 2 = 100− 3 − 3,5 * 2 = 90 мм

hd3 = h − 3 − ∆из3 * 2 = 100 − 3 − 5 * 2 = 87 мм

Число витков в одном слое j − ой обмотки:

Wc1 = hd1 / dиз1 * Ку1 = 93 / 0,99 * 1,052= 98,8

Wc2 = hd2 / dиз2 * Ку2 = 90 / 0,99 * 1.057 = 96,1

Wc3 = hd3 / dиз3 * Ку3 = 87 / 0,99 * 1,051 =92,3

где Ку − коэффициент укладки

Число слоёв:

N1 = ( W1 / Wc1 ) = (961,5/ 98,8 ) =9,73= ( W2 / Wc2 ) = (341,01/ 96,1) = 3,5= ( W3 / Wc3 ) = (37,7/ 92,3 ) =0,4

Высота всех обмоток:

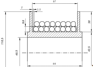
α1 = N1 * dиз1 = 9,73* 0,99 = 9,6 мм

α2 = N2 * dиз2 = 3,5 * 0,99 = 3,5 мм

α3 = N3 * dиз3 = 0,4* 0,99 =0,4 мм

Сопротивление каждой обмотки в нагретом состоянии :

R1 = ρ ( 1 + 0,004 ()) Lср1W1 / S1 = 1,75 * 10 * ( 1 + 0,004 * ()) * 0.2 * 961,5/ 0,65 = 6,52 Ом

R2 = ρ ( 1 + 0,004 ()) Lср2W2 / S2 = 1,75 * 10 * ( 1 + 0,004 * ()) *0,24 *341.01/ 1,13 =1,59 Ом

R3 = ρ ( 1 + 0,004 ()) Lср3W3 / S3 = 1,75 * 10 * ( 1 + 0,004 * ()) * 0,25 * 37,7/ 0,8 = 0.25 Ом

где средние длины витков каждой обмотки

Lср1 = ( a + b +5 ) *2 +2π (α1 / 2)) * 10 = ((40+40+5) *2 + 2 * 3,14 * (9,6 / 2)) *10 = 0,2 мм

Lср2 = (( a + b +5 ) *2 +2π (α1 + α2 / 2)) * 10 = (( 40 +40+ 5) * 2+ 2 * 3,14 *( 9,6 + 3,5 / 2)) *10 = 0,24 мм

Lср3 = (( a + b +5 ) *2 +2π (α1 + α2 + α3 / 2) * 10 = (( 40 +40+5) * 2+ 2 * 3,14 *( 9,6 + 3,5 + 0,4 / 2) *10 = 0,25 мм

Фактические величины потерь напряжения :

∆ U1 = ( R1I1 / U1 )*100% = (6,52 *0,98 / 380 )*100% = 1,6%

∆ U2 = ( R2I2 / U2 )*100% = ( 1,59 *1,7 /127 )*100% = 2,1%

∆ U3 = ( R3I3 / U3 )*100% = ( 0,25 *1,2 /14,04 )*100% =2%

Заключение

Расчёт выпрямителя, питаемого напряжением произвольной формы (несинусоидальной), при конечных значениях активного, индуктивно го и емкостного сопротивлений нагрузки с учётом внутренних (активных индуктивных) сопротивлений элементов выпрямительной схемы, а также при наличии асимметрии внутренних сопротивлений и питающих напряжений (в многофазных системах выпрямителя) является сложной и в настоящее время полностью не решённой задачей. В настоящей работе предложен один из вариантов решения этой задачи.

Литература

1.     Гершунский, Б.С. Справочник по расчету электронных схем / Б.С. Гершунский. - Киев: Вища школа, 2010. - 240 с.

2.     Лячин, В.И. Электроника: учеб. пособие /В.И. Лячин, Н.С. Савелов. - 7-е изд. перераб. и доп. - Ростов н/Д : Феникс, 2009. - 703 с.

3.      Бусел, Н.П. Методические указания к курсовой работе для студентов спец. 20 01 02 "Приборы и методы контроля качества и диагностики". - Могилев: Издательство "Белорусско-Российского университета",2011. - 25 с.

Приложение

Рисунок 2. Эскиз укладки обмоток

Рисунок 3. К определению средней длинны витков обмоток броневого трансформатора

Похожие работы на - Расчет элементов вторичного источника питания

 

Не нашли материал для своей работы?
Поможем написать уникальную работу
Без плагиата!
Без нейросетей!