Расчет электрических сетей
Федеральное агентство по образованию
Российской Федерации
Уфимский Государственный Авиационные
Технический Университет
Кумертауский филиал
Кафедра Естественные Дисциплины
Расчетно-графическая работа
по дисциплине «Электротехника»
Вариант 2010-16
Выполнил
студент гр. АТПП-308з
Амекачев И.Г.
Проверил
преподаватель
Андросов
Кумертау 2010
Содержание
ЗАДАНИЕ №1.
РАСЧЕТ ЛИНЕЙНОЙ ЦЕПИ ПОСТОЯННОГО ТОКА
1. Определить
все токи методом контурных токов
2. Определить
все токи методом узловых потенциалов, приняв потенциал 4-го узла равным нулю.
. Составить
баланс мощностей
. Определить
ток I1 методом эквивалентного генератора.
. Начертить
потенциальную диаграмму для любого контура, включающего в себя две ЭДС.
. Провести
проверку по законам Кирхгофа
ЗАДАНИЕ №2.
РАСЧЕТ ЭЛЕКТРИЧЕСКИХ ЦЕПЕЙ ОДНОФАЗНОГО СИНУСОИДАЛЬНОГО ТОКА
1. Определить
комплексные действующие значения токов.
. Определить
показания ваттметров.
. Составить
баланс активных и реактивных мощностей.
. Построить
топографическую диаграмму напряжений для всех точек схемы, совместив её с
векторной диаграммой токов.
. Записать
в общем виде уравнения Кирхгофа в дифференциальной и комплексной формах,
полагая, что между двумя индуктивностями есть магнитная связь.
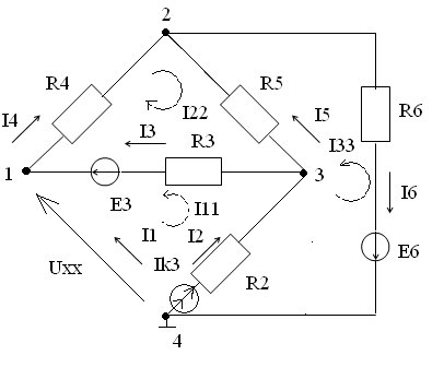
ЗАДАНИЕ №1. РАСЧЕТ ЛИНЕЙНОЙ ЦЕПИ ПОСТОЯННОГО ТОКА
Индивидуальные численные значения элементов электрической цепи:
R1=40
Ом R2=70
Ом R3=10
Ом
R4=50
Ом R5=80 Ом R6=30 Ом
E1=0 B E2=0 B E3=-60
B=0 B E5=0 B E6=-30
B1=0 А Ik2=0 А Ik3=2 А
Электросхема:
2
E4 E5
R4 R5
I4
I3
I5
R6
E3 R3
Jk1
1 3
I6
E1 E2
E6
Jk2
I1 I2
Jk3
R1
R2
4
Рис. 1
1. Расчет токов методом контурных токов
В соответствии с заданными значениями сил токов источников тока и ЭДС
схему можно упростить следующим образом:
Рис. 2
Выберем произвольно направления контурных токов в цепи (Рис. 2), назовем
их I11, I22, I33
R11= R1+R2+R3 =40+70+10=120
R12= R21 =-R3=-10= R31 =-R5=-80=
R3+R4+R5=10+50+80=140= R32 =-R2=-70=R2+R5+R6=70+80+30=180= Ik3*R2+E3
=(2)*70-60=80=- E3=-60
J33= -E6 +Ik3*R2=170
Решая
данную систему уравнений методом Крамера, получаем:
I11=0,101=0,109=-0,953
Токи в ветвях:=- I11 =-0,101 A= I11 -I33-Ik3 =
0,101+0,953-2=-0,946A= I22 + I11 = 0,109+0,101= 0,21A= I22 = 0,109 А5 = -I33 - I22 = 0,953-0,109= 0,844A
I6 =I33 =
-0,953 A
Отрицательные
значения полученных токов говорят о том, что заданные направления токов заданы
неверно, следовательно:
I1 =0,101A=0,946A=0,21А=0,109A=0,844A=0,953A
2. Расчет методом узловых потенциалов
Определяем
количество уравнений
-
1 = 3
Подставим
значения сопротивлений:
Решив
полученную систему уравнений, получаем:
=-1,396
=66,1597
Истинные значения:
I1 =0,101A=0,946A=0,21А=0,109A=0,844A=0,953A
3. Составить баланс мощности
60*0,21 +(-30)*(-0,953) = 41,23
Вт
= φ4 - φ1 =-4,056 B
=4,056*2
= 8,11Вт
=
41,23+811= 49,34 Вт
Баланс
мощностей выполняется
4. Определить ток I1 методом
эквивалентного генератора
Рассмотрим часть схемы, подключенную к исследуемой ветви с током I1, в качестве эквивалентного
источника ЭДС Еэк сопротивлением Rэк:
Eэк вычислим с
отключенной первой ветвью:
Рис. 3
Найдем потенциал узла 1 методом узловых потенциалов:
Подставим
значения сопротивлений:
Решив
полученную систему уравнений, получаем:
=7,766
Uхх=Eэк=-
=-7,766
Найдем
эквивалентное сопротивление, заменив источники ЭДС короткозамкнутыми участками:
Рис. 4
Преобразуем схему на Рис. 4 в схему на Рис. 5 по формулам преобразования
треугольника в звезду.
Рис. 5
Истинное
значение I1=0,101.
5. Начертить потенциальную диаграмму для любого
контура, включающего в себя две ЭДС
Рис. 6
Добавим точки 2 и 5 для нахождения потенциала в них. Значения потенциалов
точек 1 и 2 возьмем из второго задания. Точку 4 в начало координат и с нее
начнем отсчет:
6. Провести проверку по законам Кирхгофа
Рис. 7
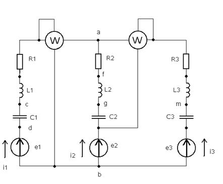
ЗАДАНИЕ №2 РАСЧЕТ ЭЛЕКТРИЧЕСКИХ ЦЕПЕЙ ОДНОФАЗНОГО СИНУСОИДАЛЬНОГО ТОКА
Схема 1
Дано:
R1 =0;
R2=74; R3=16
L1=22;
L2=36; L3=80
C1=0; C2=20; C3=87
E1=192;
E2=0; E3=343
Ф1=81; Ф2=0; Ф3=338
1. Определить комплексные действующие значения
токов
Упростим схему в соответствии с заданными значениями (Схема 2). Найдем
циклическую частоту, емкостные и индуктивные сопротивления:
Схема 2
n = 50Гц
w = 314Гц
ХL1 = wL1 =
314*22*0,001=6,908Ом
ХL2 = wL2 =
314*36*0,001=11,304Ом
ХL3 = wL3 =
314*80*0,001=25,12Ом
Для нахождения токов воспользуемся методом контурных токов.
Комплексное сопротивление первого контура:

Комплексное
сопротивление второго контура:
Найдем
комплексные ЭДС:
Составим
систему уравнений в соответствии с заданными на Схеме 2 направлениями токов:
Подставив
значения в систему уравнений, получим:
Решая
систему методом Крамера, находим контурные токи:
Истинные
токи в ветвях:
2. Определить показания ваттметров
Примем
потенциал точки b равным нулю. Напряжение между точками a и b
обозначим Uab. Это напряжение равно напряжению между точками a и g - Uag=Uab.
Показания
ваттметров: 1360,817 и 1402,891.
3. Составить баланс активных и реактивных мощностей
Значит,
баланс активных и реактивных мощностей сходится.
4. Построить топографическую диаграмму напряжений для
всех точек схемы, совместив её с векторной диаграммой токов
Заземлим
узел b, после чего разобьем схему на участки, так, чтобы на
каждом был один элемент. Далее найдем потенциалы этих точек:
5. Записать в общем виде уравнения Кирхгофа в
дифференциальной и комплексной формах, полагая, что между двумя индуктивностями
есть магнитная связь
Предположим,
что между первой и второй индуктивностями есть магнитная связь
Уравнения
Кирхгоффа в дифференциальной форме:
ток потенциал мощность кирхгофф
Уравнения Кирхгоффа в комплексной форме: