Расчет сварных соединений строительных конструкций
Министерство
образования и науки Республики Казахстан
Рудненский
индустриальный институт
Кафедра
строительства и строительного материаловедения
Расчетно-графическая
работа
по
дисциплине "Технология металлов и сварка"
Студент
Е.В. Дергунова
Группа Ст-12
Рудный
2014
Введение
сварный соединение металлический шов
Курс "Технология металлов и сварка"
изучает современные методы получения стали, ее строение, прочностные и
физико-химические свойства. Кроме того, знание курса позволяет правильно
подойти к использованию металлических материалов в строительстве в зависимости
от условий эксплуатации.
Сварка является наиболее прогрессивным
высокопроизводительным и весьма экономичным технологическим процессом получения
неразъемных соединений. Свыше 90% стальных конструкций - сварные. От прочности
и надежности сварных конструкций во многом зависит надежность и долговечность
строящихся и реконструируемых объектов.
Выполнение расчетно-графической работы ставит
своей целью:
) закрепление и углубление знаний студентами
лекционного материала;
) практического изучения существующих методов и
норм расчета сварных соединений.
В результате выполнения расчетно-графической
работы студенты должны научиться пользоваться нормативной и технической
литературой для получения необходимых сведений по вопросам расчета сварных
соединений; выполнять расчет различных видов сварных соединений; приобрести
практический опыт конструирования узлов строительных металлических конструкций.
Расчетно-графическая работа выполняется по соответствующему
варианту, оформляется и предоставляется на рецензию не позднее, чем за три дня
до сессии. Защита расчетно-графической работы проводится по контрольным
вопросам, приведённым в методических указаниях.
Предназначенные для студентов всех форм обучения
методические указания составлены на основе и в соответствии с утвержденной
программой курса "Технология металлов и сварка" по специальности
"Строительство".
Исходные данные:
сталь С235;
продольная сила N = 190 кН;
изгибающий момент M = 24 кН м;
толщина листа t = 9 мм;
ширина листа b = 490 мм;
размеры накладки, соответственно ширина и
толщина bн /tн = 360/6 мм.
1. Задание №1
Задача 1.1. Определить несущую способность N,
кН, прямого растянутого стыкового шва двух листов сечением 490 Ч9 мм, из стали
С235. Контроль качества шва - визуальный.
Рисунок 1- Схема растянутого сварного стыкового
шва
Решение. Определяем расчетное сопротивление
стали и сварного соединения, используя данные таблицы 51 [3]. Для листовой
стали С235 толщиной 9 мм расчетное сопротивление по пределу текучести Ry = 230
МПа (23кН/см2); для сварного стыкового соединения, работающего на растяжение и
при отсутствии физического контроля качества шва расчетное сопротивление по
таблице 3,[3], Rwy = 0,85Ry = 0,85·23 = 19,55 кН/см2.
Расчетная длина сварного стыкового шва
= b - 2t,= 490 - 2·9 = 472 мм.
Несущую способность стыкового шва N, кН,
определяем из условия обеспечения прочности сварных стыковых соединений,
определяемых по формуле (146) [3],

, (1)
, (2)
где t - толщина свариваемых листов, t = 0,9 см;-
расчетная длина сварного шва, lw = 47,2 см;- расчетное сопротивление стыкового
шва, Rwy = 19,55 кН/см2;
- коэффициент
условий работы, принимаемый по таблице 6, [3],
=
1;
0,9 ∙ 47,2 ∙
19,55 ∙ 1 = 830,484 кН
Ответ. Несущая способность стыкового шва
830,484
кН
Задача 1.2. Определить, какой расчетный
изгибающий момент М, кН∙м, может выдержать сварной стыковой шов двух
листов размерами 490Ч9 мм из стали С235. Сварка ручная с выводом концов шва за
пределы стыка; контроль качества сварки - физический, рисунок 2.
Рисунок 2 - Схема изгибаемого сварного стыкового
шва
Решение. В том случае, когда на стыковое
соединение действует изгибающий момент М, напряжение в сварном шве
,
/
,
определяют по формуле
, (3)
где
-
момент сопротивления свариваемого сечения,
;
- коэффициент
условий работы, принимаемый по таблице 6, [3],
=1;
- расчетное
сопротивление стыкового шва, при физическом контроле качества шва
=
.
Момент сопротивления свариваемого сечения Wω
, см3,
определяют по формуле
, (4)
где t - толщина свариваемых листов, t = 9 мм;
- расчетная длина
стыкового шва,
, так как сварка
выполнена с выводом концов шва за пределы стыка;
.
Из формулы (3) определяем расчетный изгибающий
момент М, кН∙м, по формуле
, (5)
.
Ответ. Расчетный изгибающий момент, который
может выдержать стыковой шов М = 70,4 кН∙м.
. Задание №2
Задача 2.1. На стыковое соединение листов 490Ч9
мм из стали С235 действуют момент М = 24 кН·м и поперечная сила Q = 190 кН.
Произвести поверочный расчет соединения. Контроль качества сварки -
рентгеновский, рисунок 3.
Рисунок 3 - Сварное стыковое соединение,
работающее на одновременное действие изгибающего момента и поперечной силы
Решение. Для листовой стали С235, используя
данные таблицы 51 [3], принимаем расчетное сопротивление по пределу текучести
МПа;
для сварного стыкового соединения, работающего на изгиб и при наличии
физического контроля качества шва по таблице 3 [3], расчетное сопротивление Rwy
= Ry = 230 МПа (23 кН/см2).
Коэффициент условий работы принимают по таблице
6 [3],
=
0,95.
Расчетная длина сварного стыкового шва
=
49 - 2 ∙ 0,9 = 47,2 см.
Определяем момент сопротивления по формуле (4) и
нормальные напряжения по формуле (3)
,
.
Касательные напряжения вычисляют по формуле
, (9)
.
, (10)
где
-
нормальные напряжения в шве от момента,
=
7,2 кН/см2;
- среднее значение
касательных напряжений;
, (11)
,
Ответ. Поверочный расчет показал, что прочность
сварного стыкового шва обеспечена.
Задача 2.2. На стыковое соединение двух листов
сечением 810 Ч 40 действуют изгибающий момент М = 114 кН·м и продольная сила N
= 1110 кН. Используя условия сварки предыдущей задачи, произвести поверочный
расчет соединения, рисунок 4.
Рисунок 4 - Сварное стыковое соединение,
работающее на одновременное действие изгибающего момента и продольной силы
Решение. При одновременном воздействии на
стыковое соединение изгибающего момента М и продольной силы N прочность
сварного стыкового шва проверяют по формуле
=
+
.
(12)
По условиям предыдущей задачи
=
47,2см; Wω = 334,1763; Rωy = 23 кН/см2;
γс
= 0,95.
Проверяем прочность стыкового шва по формуле
(12)
=
<
Ответ. Поверочный расчет показал, что прочность
сварного стыкового шва обеспечена.
. Задание №3
Задача 3.1.Требуется рассчитать сварной
монтажный стык балок. Материал конструкций - сталь С235, электроды Э46. Сварка
ручная. Расчетная срезающая сила N = 190 кН. Толщина ребра 20 мм, толщина
стенки примыкающей балки 40 мм.
Рисунок 5 - Сварной монтажный стык балок
Решение. По рисунку 5 видно, что шов
односторонний, угловой по всей высоте обрезанной стенки примыкающей балки длиной
l = 89 см. Сварные соединения с угловыми швами (угловые, нахлесточные,
тавровые) при действии продольной и поперечной сил рассчитывают на срез
(условный) по двум сечениям:
по металлу шва

, (13)
по металлу границы сплавления
≤
,
(14)
Определяем величину катета углового шва kf , см,
из формул (13) и (14)
, (15)
, (16)
где n - число швов в соединении, в
рассматриваемом примере он один;
βf = 0,7; βz
= 1 - для ручной электродуговой сварки по таблице 35 [3];
lω = l - 10 мм = 490
- 10 = 480 мм = 48 см;
Rωf = 180МПа = 18кН/см2,
по таблице 56 [3];
Rωz = 0,45 Run = 0,45∙370
= 166,5 Мпа = 16,65 кН/см2;- нормативное временное сопротивление стали, по
таблице 51 [3];- катет углового шва;
γωf, γωz - коэффициенты
условий работы шва, равные 1;
γс - коэффициент
условий работы, равный 1;
,
.
Ответ. Принимая большую из величин kf ,
расчетная высота шва составит 3 мм.
Задача 3.2. Рассчитать прикрепление двух
равнополочных уголков из стали С235 к фасонке из той же стали, рисунок 6.
Размер уголков ∟120
10 мм. Сила,
действующая на уголки, N = 190 кН. Сварка полуавтоматическая (в нижнем
положении) в углекислом газе проволокой Св-08Г2С, диаметром 2 мм.
Рисунок 6 - Узел крепления парных уголков к
фасонке
Принимаем катеты швов на "пере" и
"обушке" одинаковыми, равными kf = 10 мм. Определяем по таблице 56
[3], Rωf
- расчетное сопротивление угловых швов по металлу шва, Rωf
= 215 МПа = 21,5 кН/см2. По таблице 35 [3], принимаем βf,
βz
- коэффициенты,
по заданным условиям сварки βf
= 0,9; βz
= 1,05. Коэффициенты условий работы
.
Определяем суммарную длину швов lω,
см,
прикрепляющих каждый уголок, из формул (13) и (14), учитывая, что швы
двусторонние, т.е. n = 2
, (17)
, (18)
,
.
Принимаем к дальнейшему расчету максимальное
значение суммарной длины шва lω = 5,43 см,
проверяя, одновременно, требования п.12.8г [3], согласно которому, расчетная
длина шва должна быть не более
= = 85∙0,9∙1
= 76,5 см.
Распределение швов по "обушку" и
"перу" принимаем:
на "обушке"
=
,
принимаем 5 см;
на "пере"
=
.
. Задание №4
Задача 4.1. Рассчитать прикрепление ребра из
стали С235 угловыми швами к двутавровой колонне на действие эксцентрично
приложенной силы N = 190 кН. Эксцентриситет приложения силы а = 13 см, размеры
ребра 490Ч500Ч9 мм, ребро приварено к колонне двумя швами, ручной
электродуговой сваркой электродами Э42, рисунок 7.
Рисунок 7 - Узел крепления ребра к двутавровой
колонне
Решение. При действии силы на
"фасонку", прикрепленную двумя угловыми швами к колонне, на швы будут
действовать сдвигающая сила и изгибающий момент. Напряжения от силы сдвига и
момента, действующие на одну площадь швов, но в перпендикулярных направлениях
должны геометрически суммироваться:
по металлу шва
, (19)
по металлу границы сплавления
. (20)
Принимаем катеты угловых швов kf = 12 мм.
Расчетная длина угловых швов
. По таблице 56
[3], Rωf
= 180 Мпа = 18 кН/см2; Rωz = = 16,65 кН/см2.
Принимаем βf , βz
- коэффициенты,
по заданным условиям сварки βf
= 0,7; βz
= 1. Коэффициенты условий работы
.
Определяем минимальное значение из произведений
=
0,7∙18∙1 = = 12,6 кН/см2 <
=
1∙16,65∙1 = 16,65 кН/см2, следовательно, дальнейший
расчет выполняем по металлу шва.
Сначала выполняем проверку на срез от действия
силы N = 1110 кН по формуле (13)
<
.
Расчетный изгибающий момент в соединении равен
, (21)
.
Определяем момент сопротивления расчетного
сечения углового шва
, см3, по формуле
, (22)
.
, (23)
>
,
Ответ. Условие выполняется
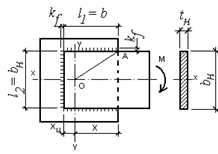
Задача 4.2. На тавровое соединение двух листов
сечением 490Ч9 мм из стали С235 действуют изгибающий момент М = 24 кН∙м и
продольная сила N = 190 кН. Проверить прочность соединения. Сварка ручная,
электродуговая, приварка листа производится двумя угловыми швами без подготовки
кромок с остающимся непроваром. Коэффициенты
,
рисунок 8.
Рисунок 8 - Тавровое соединение двух листов
Решение. В том случае, когда имеет место
неполный провар соединения (рисунок 9, а, б), прочность соединения проверяют из
условия наличия двух угловых швов и, что они работают на срез (условный)
по металлу шва
, (24)
по металлу границы сплавления
, (25)
Где
-
момент сопротивления расчетного сечения по металлу шва, см3;
- то же, по металлу
границы сплавления, см3;
- расчетное
сопротивление по металлу шва, принимаемое по таблице 56 [3] в зависимости от
марки электрода; принимая по таблице 56 [3] электроды марки Э42, получим
=
180 МПа = 18 кН/см2;
- расчетное
сопротивление по металлу границы сплавления, согласно таблице 3 [3],
=
0,45
,
тогда
=
0,45∙36 =16,2 кН/см2;
- коэффициенты
условий работы;
, (26)
, (27)
где n - число швов в соединении, n = 2;
- по таблице 35
[3], для ручной сварки;
- катет углового
шва, принимаемый по таблице 39 [3],
=
0,5 см;
- расчетная длина
шва,
=
48 см;
,
.
Проверяем прочность соединения по формулам (24)
и (25)
<
.
Ответ. Условие выполняется.
Задача 4.3. Рассчитать консоль для опирания
подкрановых балок, передающих на колонну реакцию опирания F = 190 кН на
расстоянии е = 500 мм от плоскости полки, рисунок 10. Консоль выполнена из
широкополочного двутавра №30Ш1 (Wx = 719cм3), изготовленного из
стали С235. Сварные швы выполняются вручную электродами Э60.
Решение. Расчетный изгибающий момент в опорном
сечении консоли
, (28)
.
Проверяем на прочность сварные швы по контуру
опорного сечения консоли, принимая катет шва kf = 5 мм, коэффициенты βf
= 0,7; βz
= 1.
Расчетная площадь среза углового шва по металлу
шва будет равна
, (29)
по металлу границы сплавления
, (30)
Где
-
суммарная длина сварных угловых швов по контуру опорного сечения консоли,
определяемая по рисунку 10.
Рисунок 10 - Узел крепления консоли к колонне
Расчетные длины швов определяем с учетом
требований п.11.2 [3], на 10 мм меньше их полной длины, тогда сверху и снизу
полок, ширина которых 200 мм длина шва равна
,
с внутренних сторон полок
, по боковым граням
стенки двутавра
Суммарная
расчетная длина сварных швов
.
По формуле (29) определяем расчетную площадь
среза углового шва по металлу шва
,
по формуле (30) определяем расчетную площадь
среза углового шва по металлу границы сплавления
.
Для дальнейшего расчета принимаем минимальное
значение, т.е. площадь среза по металлу шва
.
Нормальные напряжения в крайних кромках сварных
швов проверяют по формуле (149) [3]
, (31)
где
-
момент сопротивления расчетного сечения углового шва по металлу шва, см3;
Rωf = 240 МПа = 24
кН/см2, по таблице 56 [3];
γωf, - коэффициент условий
работы шва, равный 1;
γс - коэффициент
условий работы соединения, равный 1.
Для определения момента сопротивления расчетного
сечения углового шва
, см3,
по металлу шва находим момент инерции
сварного
шва по плоскости среза
Момент сопротивления расчетного сечения углового
шва по металлу шва
(32)
Где
-
высота сечения консоли,
= 29,1 см;
- катет углового
шва, kf = 5 мм;
Проверяем по формуле (31) нормальные напряжения
в крайних кромках сварных швов
Ответ. Условие выполняется.
. Задание №5
Задача 5.1. Определить катет углового шва kf ,
см, нахлесточного соединения двух листов сечением 490Ч9 мм из стали С235
соединенных лобовыми швами, нагруженного продольным усилием N = 190 кН. Сварку
производят электродами Э46, коэффициенты условий работы шва (γωf,
γωz) и конструкции (γс)
принять равными 1, рисунок 11.
Рисунок 11 - Нахлесточное соединение двух листов
Решение. Угловые швы, расположенные
перпендикулярно действующему осевому усилию, называют лобовыми. Определяем
величину катетов лобовых швов kf , см, из формул (13) и (14)
, (34)
, (35)
где n - число швов в соединении, в
рассматриваемом примере их два, снизу и сверху, рисунок 11;
lω = 48 см;
Rωf = 20 кН/см2,
по таблице 56 [3], для электродов марки Э46;
Rωz = 16,2 кН/см2;
,
.
Учитывая требования п.12.8 [3], катеты угловых
швов следует принимать не менее указанных в таблице 39 [3], принимаем kf = 5
мм.
Ответ. Катет угловых швов нахлесточного
соединения с лобовыми швами принимаем kf = 5 мм.
Задача 5.2. Рассчитать нахлесточное соединение с
фланговыми швами (определить длину накладки lн, см), на действие продольной
силы N = 190 кН. Сечение основных листов
мм
из стали С235, сечение накладок
мм из той же стали,
зазор между стыкуемыми листами а = 10 мм. Сварка ручная, электродуговая.
Коэффициенты условий работы шва и конструкции
,
рисунок 12.
Рисунок 12 - Нахлесточное соединение с
фланговыми швами
Решение. Угловые швы, расположенные параллельно
действующему осевому усилию, называют фланговыми.
Производим проверку прочности накладок по
формуле
, (36)
Где Ан - суммарная площадь поперечного сечения
накладок;
=220 МПа, по
таблице 51 [3];
γс = 1, по таблице 6
[3];
Ан = 2∙bн∙tн = 2∙36∙0,6=
43,2 см2,
<
.
Определяем длину флангового шва, учитывая, что с
одной стороны соединения их четыре (два сверху и два снизу). Из формул (13) и
(14) определяем расчетную длину флангового шва lω, см
по металлу шва

, (37)
по металлу границы сплавления
, (38)
Где
для
ручной электродуговой сварки;
- катет углового
шва, принимаемый по таблице 39 [3],
=
5 мм;
= 180 МПа = 18кН/см2;
= 16,2 кН/см2;
,
.
принимаем
=
40 мм. По рисунку 12 видно, что длина накладки lн, мм, складывается из
удвоенной длины сварного шва и зазора между соединяемыми листами а =10 мм.
Кроме того, учитывая, что полная длина сварного шва принимается больше его
расчетной длины на 10 мм, получим размер накладки
н = 2 (lω +10)
+ а , (39)н = 2 (40 + 10) + 10 = 110 мм.
Ответ. Принимаем длину накладки lн = 110 мм.
Задача 5.3. Выполнить поверочный расчет
нахлесточного комбинированного соединения, рисунок 13, нагруженного моментом М
= 24 кН∙м. Материал соединения - сталь С235. Сварка произведена
электродами Э50А. Размеры поперечного сечения привариваемого элемента 490Ч9 мм,
толщина основного элемента конструкции 9 мм. Катеты лобового и фланговых швов
одинаковы и равны 10 мм. Длина нахлеста l1 = 490 мм. Коэффициенты условий
работы швов и конструкции
.
Рисунок 13 - Нахлесточное комбинированное
соединение
Решение. Поверочный расчет соединения на
действие изгибающего момента выполним в соответствии с формулами (151), (152)
[3],
по металлу шва
, (40)
по металлу границы сплавления
, (41)
Где
и
-
моменты инерции расчетного сечения по металлу шва относительно его главных
осей;
и
-
то же, по металлу границы сплавления;
и
-
координаты точки шва, наиболее удаленной от центра тяжести расчетного сечения
швов, относительно главных осей этого сечения.
При наличии фланговых и лобовых швов
комбинированное соединение является симметричным относительно главной оси х-х,
ось у-у удалена от лобового шва на расстояние хц (х = l1 - хц ).
Расчет начинаем с определения координаты хц
, (42)
.
Определяем моменты инерции расчетного сечения по
металлу шва
и
,
см4, и по металлу границы сплавления
и
,
см4, относительно главных осей соединения по формулам
, (43)
, (44)
, (45)
, (46)
принимая для ручной электродуговой сварки
получим
,
,
,
.
Координаты точки шва наиболее удаленной от
центра тяжести расчетного сечения швов, относительно главных осей этого сечения
(точки А), х = l1 - хц = 49 - 16,1 = 32,9 см, y = l2/2 = 49/2 = 24,5 см.
Проверяем прочность комбинированного соединения
по формулам (40), (41), принимая
=
21,5кН/см2,
=16,2кН/см2,
тогда, по металлу шва
<
Ответ. Условие выполняется.
. Задание №6
Задача 6.1. Выполнить расчет узла фермы,
нагруженного силой F = 190кН, показанного на рисунке 14. Усилие N2 =N= 190 кН;
усилие N3 =1,5N = 285 кН; усилие N4 = 0,5 N =95 кН. Ферма изготовлена из парных
равнобоких уголков. Верхний пояс ∟200Ч12, раскосы ∟100Ч10. Сварка
ручная электродуговая. По результатам расчета назначить размеры фасонки и
вычертить узел.
Ферма изготовлена из стали С235. Электроды марки
Э42.
Решение. При расчете узлов фермы определяют
размеры сварных швов и назначают габариты фасонок с таким расчетом, чтобы на
них размещались все сварные швы стержней.
Задавшись катетом сварного шва
,
принимаемым, как правило, не более толщины полки привариваемого уголка,
определяют длину шва:
по обушку
, (47)
, (48)
- по перу
, (50)
окончательно принимается максимальное значение,
кратно 10 мм.
Рисунок 14 - Промежуточный узел фермы
В узлах прямолинейных участков верхнего и
нижнего пояса фермы при расчете прикрепления фасонки принимают равнодействующую
усилий, которые действуют в смежных панелях, при отсутствии внешней узловой
нагрузки, равную
, (51)
при наличии узловой нагрузки
,
равную
. (52)
В рассматриваемом примере узловая нагрузка F =
190 кН. Вначале рассчитываем длины швов для крепления раскосов.
Рассчитаем прикрепление раскоса сечением 2∟100Ч10
на действие усилия N3 = 1,5N = 285 кН, сварка ручная, следовательно
,
,
.
Катеты шва принимаем
. Вычисляем длины
швов по металлу шва, как менее благоприятные:
по обушку
,
по перу
.
Рассчитаем прикрепление второго раскоса сечением
2∟100Ч10 на действие усилия N4 = 0,5 N =95 кН, условия выполнения шва те
же. Катет шва у обушка принимаем
,
а у пера
.
Вычисляем длины швов по металлу шва, как менее благоприятные:
по обушку
,
по перу
.
Крепление к фасонке стержней пояса рассчитываем
по усилию с учетом узловой нагрузки по формуле (52)
Принимая катет шва по обушку
,
и по перу
, определяем
требуемую длину швов:
по обушку
,
по перу
.
По требуемым расчетным длинам швов с учетом
конструктивных требований намечают конфигурацию и размеры фасонки, при
конструировании необходимо стремиться к простейшим очертаниям фасонок, чтобы
упростить их изготовление и уменьшить количество обрезков.
Задача 6.2. Выполнить расчет опорного узла
фермы, показанного на рисунке 16. Ферма изготовлена из парных равнобоких
уголков. Верхний пояс ∟200Ч12, раскосы ∟100Ч10. В расчете принять:
усилие N1 = 380 кН; усилие N2 = 190 кН. Сварка ручная электродуговая. По
результатам расчета назначить размеры фасонки и вычертить узел.
Решение. Сварка ручная, коэффициенты
,
,
.
Расчетное сопротивление срезу угловых швов по металлу шва Rωf
= 180 МПа = =18 кН/см2. Уголки стержня с усилием N = 190 кН
прикрепляем двусторонними угловыми швами высотой со стороны обушка
и
со стороны пера
. Усилие,
приходящееся на обушок Nо = 0,7N = 0,7·190 = 133 кН.
Усилие, приходящееся на перо Nр = 0,3N = 0,3·190
= 57 кН.
Расчетная длина шва по обушку
,
то же, по перу
Аналогично рассчитываем сварные швы крепления
стержня с усилием N = 380 кН:
усилие, приходящееся на обушок Nо = 0,7N =
0,7·380 = 266 кН;
усилие, приходящееся на перо Nр = 0,3N = 0,3·380
= 114 кН;
расчетная длина шва по обушку
;
то же, по перу
.
Рисунок 16 - Опорный узел фермы
Список использованной литературы
1.
Технология металлов и сварка: учебник для вузов / П.И. Полухин [и др.]; отв.
ред. П.И. Полухин. - М.: Высшая школа, 1977. - 464 с. с ил.
.
Блинов А.Н. Сварные конструкции: учебник для техникумов / А.Н. Блинов, К.В.
Лялин. - М.: Стройиздат, 1990. - 353 с.
.
СНиП РК 5.04-23-2002. Стальные конструкции. Нормы проектирования. - Астана:
Комитет по делам строительства МИиТ РК, 2003. - 118 с.
.
Симоненков В.В. Сварочные работы при изготовлении строительных конструкций:
повышение мастерства рабочих строительства и промышленности строительных
материалов. - М.: Стройиздат, 1990. - 239 с.
.
Металлические конструкции: учебник для вузов / Е.И. Беленя [и др.]; отв. ред.
Е.И. Беленя. - 6-е изд., перераб. и доп. - М.: Стройиздат, 1986. - 560 с.