Надежность и стабильность сварных конструкций

  • Вид работы:
    Курсовая работа (т)
  • Предмет:
    Другое
  • Язык:
    Русский
    ,
    Формат файла:
    MS Word
    130 Кб
  • Опубликовано:
    2013-06-17
Вы можете узнать стоимость помощи в написании студенческой работы.
Помощь в написании работы, которую точно примут!

Надежность и стабильность сварных конструкций















Надежность и стабильность сварных конструкций

Введение

Главная задача при изготовлении металлоконструкций уменьшение металлоемкости при сохранении прочностных характеристик. Что значительно повышает рентабельность проектов. В этом контексте сварные балки решают проблему уменьшения массы несущих конструкций. Балка сварная стальная двутавровая представляет собой сварную конструкцию из стальных листов, по форме и размерам схожую с аналогичным размером горячекатаной балки по ГОСТ 26020-83 или по СТО АСЧМ 20-93. Сварка позволяет наиболее рациональным образом сочетать размеры горизонтальных листов, часто называемых поясами, с вертикальной стенкой. Возможность создавать сварные конструкции с желаемыми соотношениями размеров, снижает расход металла и делает их более экономичными и более рентабельными по стоимости. При сварном методе изготовления балки из листов, можно создавать более рациональные профили. Именно благодаря применению сварки удается создавать балки любой длины, разнообразных размеров высотой до 2 и более метров.

Сварные балки применяются в стальных строительных конструкциях каркасов жилых, общественных, сельскохозяйственных и промышленных зданий, перекрытиях, эстакадах, мостах, подкрановых балках и в других металлоконструкциях. Особенно эффективны сварные балки в большепролетных конструкциях промышленных зданий, цехов и других сооружений, так как дают не только меньшие нагрузки на них, но и значительную экономию металла.

Данная балка сделана из материала Ст3. К ней приложены две сосредоточенные силы. В данной курсовой работе мы строим эпюры моментов и поперечных сил. Выбираем наиболее опасное сечение балки. Определяем высоту балки из условия жёсткости и экономичности. Подбираем сечения профиля. Чертим эскиз сечения балки с размерами. Проверяем на прочность. Рассчитываем местную и общую устойчивость. Конструируем расчёт сварных соединений.

Конструируем расчёт опорных частей балки с экспериментальным мониторингом сохраняемости геометрии при естественном старении.

Таблица 1. Исходные данные

Вариант

l, м

q, Н/м

Р, кН

а, м

Материал

[σ]р, МПа

fmax/l

13

22

3000

160

8

Ст3

160

1/400



1. Расчет внутренних силовых факторов

∑ Fу = Rа + Rв - 2P - gl = 0.

∑ Mа = - Pа - P (l-a) - l g + Rвl = 0.в = gl + P.

Rв =3*22 +160 = 193 кНм.

Ra = 2P +gl - Rв

Ra =2*160 +3*22-193=193 кНм.

Направление Rв и Ra показаны на рис. 1.

Поперечные силы в каком-либо сечении определяется как сумма сил, лежащих по одну сторону от сечения:

Q=∑ Pyi + ∑gyj zj.

Где Py - сосредоточенная сила.

gy - распределённая сила.

z - длина, на которой действует gy.

Q=193 - (3*11 + 160)=0.

Q=193 - (3*8 +160)=9 кНм.

Изгибающий момент в каком-либо сечении определяется как сумма всех производных сил, лежащих по одну сторону от сечения, умноженная на их плечо.

М =∑ Pyi zip + ∑ gyj zj.

М =193*8 +3*11 =1725,5 кНм.

Мр = ∑ Pyi zip + ∑ qyj zj=193*8= 1544 кНм.

Мq = ∑ Pyi zip + ∑ qyj zj=3*11= 181,5

2. Выбор сечения балки

Выбираем балку двутаврового сечения, так как имеем случай приложения нагрузок только в вертикальной плоскости. Сварной двутавр состоит из вертикальной стенки и двух горизонтальных полос, но может иметь вертикальные и горизонтальные ребра жесткости. Стенка и пояса могут быть при больших размерах составными. В некоторых случаях в целях экономии металла делают балки переменного по длине сечения. При этом изменяют высоту вертикального листа или ширину и толщину полок.

3. Определение высоты балки из условия жесткости

Сварная балка должна удовлетворять требованию жесткости, т.е. ее прогиб fmax от наибольшей нагрузки не должен превышать предельно допустимого. В требованиях к балке задается норма жесткости в виде fmax/l. Чтобы удовлетворить требованиям жесткости, балка должна иметь высоту не менее некоторой предельной.

Определяем высоту балки из условия жесткости:


4. Определение высоты балки из условия экономичности

Балка должна удовлетворять прочности при условии наименьшей массы, т.е. площадь поперечного сечения должна быть минимальной.

Определяем высоту балки из условия экономичности:


где SB - толщина вертикального листа:


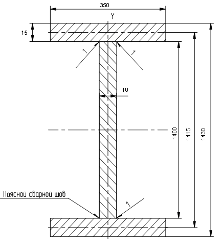
Так как высота hж больше, чем высота hэ, то ее следует принять в расчет при подборе сечения. Высоту вертикального листа hв (hв=(0,95…0,98)h) принимаем 1400 мм.

5. Подбор геометрических размеров сечения балки

Момент инерции подобранного вертикального листа, размером 1400 мм х 10 мм:


Требуемый момент сопротивления поперечного сечения балки:

 



Рис. 2 - Геометрические размеры сечения сварной двутавровой балки.

6. Проверка балки на прочность

Наибольшее нормальное напряжение в крайнем волокне балки:


Проведем проверку:



,  выходит за  5% что не допустимо. Спроектированное сечение не прошло проверку на прочность.

Возвращаемся к началу расчета момента сопротивления поперечного сечения балки и на основе метода «проб и ошибок» будем добиваться нужного результата.




Проверим


Проведем проверку:

, однако отличие  от  равно:


, не выходит за  5% что вполне допустимо.

Спроектированное сечение прошло проверку на прочность. Балка считается спроектированной

Кроме этого, производится проверка на прочность для ряда опасных сечений. Так, в опорных сечениях балки значительны поперечные силы. Определяют касательные напряжения в центре сечения:

,

где  - статический момент верхней половины сечения относительно нейтральной оси:


При этом должно выполняться условие:

Условие выполняется.

В местах приложения сосредоточенных сил действуют значительные поперечные силы и изгибающие моменты. Расчет ведут для точек, расположенных на верхней кромке вертикального листа.

Определяют интенсивность напряжений по формуле:

;


Условие прочности выполняется, так как разница  и не более, чем 5% от .

В месте приложения сосредоточенной силы в вертикальном листе возникают местные напряжения (рис. 3). В этих местах целесообразно приваривать накладки и ставить ребра жесткости.

Рис. 3 - Влияние сосредоточенной силы.

. Обеспечение местной и общей устойчивости

Высокие балки, у которых , под действием вертикальных нагрузок могут терять общую устойчивость. Для предотвращение потери общей устойчивости свободную длину изгибаемого элемента ограничивают путем установки горизонтальных связей, особенно на сжатых поясах. Проверку напряжений в изгибаемой балке с учетом требований обеспечения общей устойчивости проводят по формуле:

,

где  - коэффициент уменьшения допускаемых напряжений в балке с учетом обеспечения ее устойчивости, который рассчитывается по формуле:

;

где и - моменты инерции относительно осей x и у;

 - полная высота балки;

 - пролет балки или расстояние между закреплениями, препятствующими перемещениям в горизонтальной плоскости.

Коэффициент  является функцией от  (рис. 3).

Рис. 4 - Функция ψ’ (α).

.

По рис. 4 равен 2,31.

Однако для сталей классов С 44/29 - С 85/75 значения коэффициента  следует умножить на отношение 210/R, где R - расчетное сопротивление, МПа (для Ст3 R=210 МПа).

Момент инерции балки относительно оси у  равен:


Вычисленный по формуле коэффициент  корректируем следующим образом (табл. 2).

Таблица 2. Корректировка коэффициента

0,85…1,01,0…1,251,25…1,551,55 и более





0,850,90,961,0






По табл. 2  соответствует .

Проверяем напряжения в изгибаемой балке с учетом требований обеспечения общей устойчивости:


Отдельно элементы балки могут терять местную устойчивость под действием напряжения сжатия .

Местная устойчивость сжатых поясов обеспечивается условием:


Условие местной устойчивости выполняется.

Местная устойчивость вертикального листа в балке при отсутствии сосредоточенных перемещающихся сил обеспечивается условием:

,

где , предел текучести для стали марки Ст3

Местная устойчивость вертикального листа не обеспечена.

В вертикальных листах потеря устойчивости может быть вызвана комбинацией нормальных сжимающих и касательных напряжений. Касательные напряжения  вызывают в диагональных сечениях нормальные сжимающие и растягивающие напряжения

При наличии сосредоточенных перемещающихся сил условие обеспечения устойчивости вертикального листа:


Это условие так же не выполняется.

Для повышения устойчивости балки следует установить ребра жесткости и уменьшить расстояние  между ними. Ширину ребра принимают:


По ГОСТ 19903-74 принимаем bр=90 мм

Толщину ребра принимаем:


Толщину листа принимаем .

Помимо основных ребер жесткости иногда ставят укороченные ребра треугольного очертания.

. Конструирование и расчет сварных соединений

Горизонтальные и вертикальные листы соединяются поясными швами. Они выполняются, как правило, угловыми и лишь для ответственных конструкций при действии переменных нагрузок - с подготовкой кромок. В поясных швах балок, работающих на поперечный изгиб, возникают связующие нормальные напряжения  и рабочие касательные напряжения . В швах с катетом  и коэффициентом формы шва  касательные напряжения определяются по формуле:

,

где - статический момент площади пояса относительно тяжести сечения.

При сварке конструкций, у которых , принимают

Швы, приваривающие ребра жесткости, как правило, не рассчитываются. Они выполняются угловыми с катетом . Эти швы в опорных сечениях, а также в местах приложения сосредоточенных сил выполняются непрерывными. Ребра жесткости вне опорных сечений в наиболее напряженных волокнах растянутой зоны иногда не приваривают.

Расчет прочности сварных стыков балок производится обычно на изгиб по формуле:

,

где  - допускаемое напряжение на сварном шве при растяжении.

Согласно ГОСТ 19903-74 предельные размеры листового проката для толщины 10 мм и ширины 1400 мм, длина равна 2000-6000 мм; для толщины 10 мм и ширины 350 мм, выбираем длину листа 2000 мм. Таким образом сварная балка длиной 22 м состоит из 2 листов 10*1400*7000, 1 листа 10*1400*6000 и 2 листов 15*350*2000.

Рис. 5. Расположение швов сварной балки

9. Конструирование и расчет опорных частей

Опорные части балок для обеспечения шарнирности опирания конструируют в форме выпуклых плит (рис. 5).

Рис. 6 - Конструкция опорной части балки.

На одной из опор балка имеет продольную подвижность. На другой она закреплена болтами. Ширина опорной плиты рассчитывается по формуле:

,

а длина:


Плиты изготовляют стальными. Радиус цилиндрической поверхности  Толщина плиты на оси определяется из условия прочности при работе на изгиб. Изгибающий момент по оси плиты от реактивных распределенных усилий определяется по формуле:

 


Момент сопротивления сечения плиты, ослабленной отверстиями, определяется из соотношения:


Толщина плиты:


Где d=30 диаметр болта, соединяющего балку и опору.

10. Расчет и проектирование подвижного опорного узла

Рис. 7. Конструкция подвижного опорного узла балки

1.      d - диаметр болта в нашем случае d =30 мм

2.      α - коэффициент линейного расширения

3.      ΔТ - конструкционный диапазон температур

4.      l - пролет балки

5.      W-момент сопротивления сечения балки

.        Мср - средний изгибающий момент

.        С - добавка (10 мм)

Общая длина паза равна: приращением L от действия изгибающего момента, от колебания Т°, а также включает в себя d болта и припуск (на всякий случай).


Где,

λ≈10÷12;

∆Т - колебания температуры среды (100 °С);

С=10 мм;

Е= - модуль упругости

Определяем :

Мср=

;


Определяем :

=

Однако, эта формула представлена в литературе включая в себя величину С, как некий запас. Но совсем не учитывает явления автовибрации, который как и температурный фактор приводит к колебанию длины L. Но в формулу введен дополнительный член .


;

=

Определяем С: С=14,5+12.2+10+30+52,8=119,5

11. Лабораторный практикум

Ознакомление с технологией мониторинга сохраняемости геометрии сварных СС и окружающей среды.

Цель работы: изучить методику оценки сохраняемости геометрии и среды. В условиях аудитории 1401 с 30.03.12 по 11.05.12.

Приборы для исследования:

. Деформометр съемного типа с переменной базой конструкции МГТУ (1971 г.) (рис. 2). 2. Прибор для контроля уровня радиационного фона марки РКСБ-104 (Белоруссия, БЕЛМАЗ, см. рис. 3).

Методика проведения лабораторной работы.

1. Ознакомление и эскизирование. (допускаются современные методы копирования).

. Ознакомиться с работой деформометра и прибора РКСБ в рабочем режиме на образцах-имитаторах.

. Записать № измеряемых образцов и деформометров (заводской № на корпусе индикаторных головок). Примечание:

а) Категорически запрещается трогать узлы резьбовых соединений, крепления головки и подвижной ножки, и прочее, во избежание нарушения показаний микрометра и других подводных частей;

б) Особое внимание обратить на сварные узлы крепления шаровых опор диаметром 2 мм на ножках деформометра. Для предотвращения соударения шариков с поверхности стола или образца предусмотрена мягкая поролоновая прокладка. Прибор должен находится только либо в руках измерителя, либо на поролоне.

. Записать шкалу измерений (красная или черная). Цена деления по большой шкале равна 10 мкм = 0,01 мм, по малой (практически не используется) - 1 мм.

. Записать 0 отсчет на каждом образце показания прибора и на малой шкале.

. Взятые для мониторинга 7 образцов «паспортизируются» с лицевой (№ без штриха) и обратной (№ со штрихом) стороны. Для этого деформометр ставится на сверления (базы) образца, записывают показания (обоих шкал), данные заносятся в таблицу с отметкой времени начала замера на каждом образце с точностью до минуты. Далее проводится измерения с обратной стороны. Таких циклов измерения проводится по 3 на каждом образце, но только не сразу, а в цикличном порядке: сначала измеряется с лицевой и обратной стороны все образцы, затем все повторяется. Достаточно отметить время начала измерений.

Примечание: необходимо соблюдать одинаковые условия измерений по max возможным; помимо порядка измерения образцов необходимо соблюдать идентичность расположения прибора в руках измерителя. Схему измерения записать. В том числе и расположения членов бригады, а тем более стол.

. Один студент из группы проводит измерения расположения фона согласно м/у А4-29.

Контролируются параметры сварного соединения Материал образцов - низкоуглеродистая сталь. Размеры 150x50x2 мм. На каждом образце для оценки геометрической нестабильности просверлены отверстия («реперные точки»).

Замеры проводятся с помощью механического деформометра съемного типа конструкции МВТУ, с переменной базой измерения линейной деформации. Рабочий ход (измеряемая база) - до 200 мм. Коэффициент усиления деформометра Кд≈1,5. Цена деления - 0,01 мм = 10 мкм. Точность измерения - 5 мкм.

Замеры проводятся следующим образом. В специально фиксируемое время шаровые опоры деформометра устанавливаются на «реперные точки» с лицевой стороны, обозначенной номером образца (например, образец 20). После снятия показаний этот образец переворачивается на обратную сторону, обозначенную номером образца со штрихом (образец 20'), и снова проводится замер с помощью деформометра.

Проделав такую же операцию со вторым образцом, полученные в шкале реального времени, привязанной к датам измерений, результаты, а также данные по колебаниям температуры окружающей среды (в аудитории 1401) во время замеров следует записать в протокол эксперимента.

Заключение

В данной курсовой работе проводились расчет и проектирование сварной балки. Требовалось спроектировать балку, обеспечивающую необходимую грузоподъемность.

Этапы проведения расчётов сварной балки.

Определение опорных реакций и построение эпюр.

Определили опорные реакции и построили эпюру поперечных сил Q=181,5, изгибающий момент М=1544 по длине.

Выбор сечения балки

Балка двутаврового сечения.

Определение высоты балки из условия жесткости.

Балка должна иметь высоту не менее некоторой предельной. Она составила: .

Определил высоту балки из условия экономичности

Для двутаврового сечения .

При этом определили высоту hв =1400 и толщину вертикального листа.

Подбор геометрических размеров сечения балки

Требуемый момент инерции поперечного сечения балки:

 благодаря которому выразили толщину полки  и ширину полки

Проверка балки на прочность

Спроектированное сечение прошло проверку на прочность. Балка считается спроектированной.

Условие прочности выполняется, так как разница не более, чем 5% от .

Расчет и проектирование подвижного опорного узла

Подвижный опорный узел С=119,5 мм

Также, в данном курсовом проекте максимальную амплитуду колебаний , которая составляет 162 мкм.

Список литературы

сварной балка жесткость старение

1. Савельев В.Ф., Ермаков С.И., Корнетова Н.В. Савельев А.В., Надёжность и стабильность сварных соединений и конструкций. - М.: Машиностроение, Москва 2005

Похожие работы на - Надежность и стабильность сварных конструкций

 

Не нашли материал для своей работы?
Поможем написать уникальную работу
Без плагиата!
Без нейросетей!