Характеристики, типы конструкций измерительных рычагов
Содержание
Введение
.
Характеристики, типы конструкций измерительных рычагов
.
Точность рычажных систем
Заключение
Список
использованной литературы
измерительный рычаг точность
Введение
Рычаг являет собой одно из простых механических
устройств, которое представляет собой твёрдой тело, вращающееся вокруг точки
опоры; стороны перекладин по бокам от точки опоры представляют собой плечи
рычага.
Рычаг используют для получения большего усилия
на коротком плече посредством меньшего усилия на длинном плече: сделав плечо
рычага длинным, теоретически можно развить любое усилие. Частными случаями
рычага считаются также 2 других простых механизма, как-то: ворот и блок.
Рычаг начали применять ещё в доисторическую
эпоху: например, такие инструменты, как мотыга либо весло использовали с целью
уменьшения силы, которую нужно прикладывать человеку.
Первое письменное объяснение работе рычага в
своих трудах оставил Архимед, связав определение силы, груза и плеча. Закон
равновесия, составленный им, применяют и сегодня. В конце 18 века Д.Уаттом была
предложена идея составного рычага, который состоит из 2-х или более связанных
друг с другом рычагов, что можно использовать для ещё большего увеличения
усилия.
Сегодня принцип действия рычага применяют
повсеместно: любой механизм, который преобразует механическое движение, так или
иначе основан на рычажном принципе. Подъёмные краны, двигатели, плоскогубцы,
ножницы и иные инструменты, механизмы- всё использует рычаги в своей
конструкции. О рычагах (измерительных) и принципах рычажной работы мы и будем
говорить в данной работе.
Основные задачи, которые должны быть решены в
результате написания работы, сводятся к:
. Анализу характеристик и типов конструкций
измерительных рычагов.
. Рассмотрению принципа точности рычажной
системы и понятию, как таковому.
1. Характеристики, типы конструкций
измерительных рычагов
Все типы рассмотренных в данном разделе
конструкций измерительных рычагов соответствует государственным стандартам,
закреплённым и составленным в основе классификации типов измерительных рычагов:
угловых, двухкулачковых угловых, угловых двухпазовых, вильчатых, с кулачком и
пазом и рычагов угловых с двумя отверстиями.
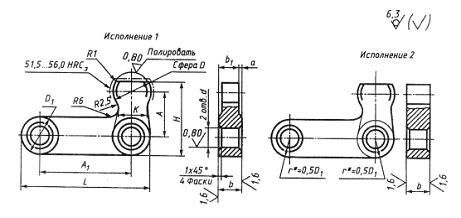
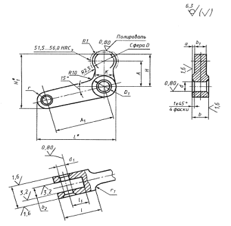
. Конструкция и размеры угловых двухпазовых
рычагов должны соответствовать чертежу (рис. 1) и таблице 1.
Рис. 1. Конструкция углового
двухпазового рычага
Таблица 1.
Размеры угловых двухпазовых рычагов
|
Обозна-чение
рычагов
|
А
|
А1
|
d*
Е8 или Н11
|
d1
H11
|
b1
|
Н
|
D
|
D1
|
L
|
В
d11
|
B1
|
h
|
l
|
l1
|
r
|
|
7018-0501
|
32
|
40
|
12
|
10
|
15
|
62
|
24
|
20
|
55
|
32
|
30
|
25
|
20
|
18
|
22
|
|
7018-0502
|
|
|
|
|
|
|
|
|
|
|
-
|
|
|
|
|
|
7018-0503
|
40
|
50
|
16
|
12
|
19
|
78
|
32
|
24
|
68
|
40
|
38
|
36
|
25
|
22
|
25
|
|
7018-0504
|
|
|
|
|
|
|
|
|
|
|
-
|
|
|
|
|
|
7018-0505
|
50
|
63
|
20
|
16
|
24
|
99
|
40
|
32
|
82
|
50
|
45
|
42
|
28
|
28
|
|
|
7018-0506
|
|
|
|
|
|
|
|
|
|
|
-
|
|
|
|
|
|
7018-0507
|
60
|
75
|
25
|
20
|
28
|
120
|
50
|
40
|
100
|
60
|
55
|
50
|
32
|
32
|
32
|
|
7018-0508
|
|
|
|
|
|
|
|
|
|
|
-
|
|
|
|
|
Пример условного обозначения углового
двухпазового рычага исполнения 1, размером А = 32мм,с полями допусков диаметров
d и d1-H11:
Рычаг 7018-0501 ГОСТ 12475-67
То же, с полями допусков диаметров d -Е8, dl-
H11:
Рычаг 7018-0501 Е8 НИ ГОСТ 12475-67
. Материал - сталь марки 40Х по ГОСТ4543-71.
Допускается замена на стали других марок с механическими свойствами не ниже,
чем у стали марки 40Х.
. Рычаги угловые двухпазовые исполнения 1
изготавливать методом прецизионного литья.
. Литейные радиусы - 3мм.
. Твердость 36,5...41,5 HRCэ, кроме мест,
обозначенных особо.
6. Неуказанные предельные отклонения
размеров: Н14,
. Маркировать партию деталей одного
типоразмера на таре или упаковке с указанием условного обозначения.
Рис. 2. Применение углового
двухпазового рычага
2. Конструкция и размеры угловых
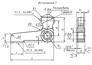
рычагов с кулачком и пазом должны соответствовать чертежу (рис. 2) и таблице 2.
Рис. 2. Конструкция угловых рычагов
с кулачком и пазом
Таблица 2.
Размеры угловых рычагов с кулачком и
пазом
|
Обозна-чения
рычагов
|
А
|
А1
|
d*
E8 или H11
|
d1
H7 или H11
|
b
d11
|
b1
|
b2
Н11
|
В
d11
|
Н
|
D
d11
|
D1
|
l
|
l1
|
r
|
r1
|
а
|
k
|
H1
|
L
|
|
7018-0481
|
20
|
40
|
8
|
6
|
10
|
8
|
8
|
16
|
25
|
16
|
16
|
25
|
12
|
7
|
4
|
1,0
|
12
|
42
|
54
|
|
7018-0482
|
|
50
|
|
|
|
|
|
|
|
|
|
|
|
|
|
|
|
45
|
63
|
|
7018-0483
|
25
|
50
|
10
|
8
|
12
|
10
|
10
|
20
|
32
|
20
|
20
|
28
|
14
|
8
|
5
|
|
14
|
53
|
66
|
|
7018-0484
|
|
65
|
|
|
|
|
|
|
|
|
|
|
|
|
|
|
|
57
|
81
|
|
7018-0485
|
32
|
65
|
12
|
10
|
16
|
12
|
12
|
25
|
40
|
25
|
25
|
36
|
18
|
10
|
6
|
2,0
|
18
|
67
|
85
|
|
7018-0486
|
|
80
|
|
|
|
|
|
|
|
|
|
|
|
|
|
|
|
70
|
99
|
|
7018-0487
|
40
|
80
|
16
|
12
|
20
|
16
|
16
|
32
|
48
|
28
|
32
|
42
|
22
|
12
|
8
|
|
22
|
81
|
105
|
|
7018-0488
|
|
100
|
|
|
|
|
|
|
|
|
|
|
|
|
|
|
|
86
|
125
|
|
7018-0489
|
50
|
100
|
20
|
16
|
25
|
20
|
20
|
40
|
60
|
36
|
40
|
55
|
28
|
16
|
10
|
2,5
|
28
|
102
|
133
|
|
7018-0490
|
|
125
|
|
|
|
|
|
|
|
|
|
|
|
|
|
|
|
108
|
157
|
Рис. 2. Применение углового рычага с
кулачком и пазом
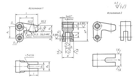
. Конструкция и размеры вильчатых
рычагов должны соответствовать чертежу (рис. 3) и таблице 3.
Рис. 3. Конструкция вильчатого
рычага
Таблица 3.
Размеры рычагов вильчатых
|
Обозначения
рычагов
|
А
|
b
Н11
|
d*
Н7 или Н11
|
d1
Е8 или Н11
|
B
d11
|
S
|
l
|
с
|
L
|
|
7018-0511
|
40
|
10
|
8
|
8
|
20
|
16
|
12
|
2,5
|
56
|
|
7018-0512
|
50
|
|
|
|
|
|
|
|
66
|
|
7018-0513
|
|
12
|
10
|
10
|
25
|
20
|
16
|
3,0
|
70
|
|
7018-0514
|
60
|
|
|
|
|
|
|
|
80
|
|
7018-0515
|
|
16
|
12
|
12
|
32
|
25
|
20
|
4,0
|
85
|
|
7018-0516
|
80
|
|
|
|
|
|
|
|
105
|
|
7018-0517
|
100
|
|
|
|
|
|
|
|
125
|
|
7018-0518
|
80
|
20
|
16
|
16
|
40
|
32
|
25
|
5,0
|
112
|
|
7018-0519
|
100
|
|
|
|
|
|
|
|
132
|
|
7018-0520
|
125
|
|
|
|
|
|
|
|
157
|
|
7018-0521
|
100
|
25
|
20
|
20
|
50
|
40
|
30
|
6,0
|
140
|
|
7018-0522
|
125
|
|
7018-0523
|
160
|
|
|
|
|
|
|
|
200
|
Рис. 4. Использование вильчатого
рычага
. Конструкция и размеры угловых
рычагов должны соответствовать чертежу (рис. 4) и таблице 4.

Рис. 5. Конструкция угловых рычагов
Таблица 4.
Размеры угловых рычагов
|
Обозначения
рычагов
|
А
|
L
|
d
(поле допуска Н7 или Н11)*
|
b
(поле допуска d l1)
|
b1
|
H
|
D
(поле допуска d11)
|
D1
|
а
|
l
|
h
|
k
|
|
7018-0391
|
20
|
55
|
8
|
10
|
8
|
32
|
16
|
16
|
1,0
|
16
|
10
|
12
|
|
0392
|
|
65
|
|
|
|
|
|
|
|
|
|
|
|
0393
|
|
55
|
|
|
-
|
|
|
-
|
-
|
|
|
|
|
0394
|
|
65
|
|
|
|
|
|
|
|
|
|
|
|
0395
|
25
|
70
|
10
|
12
|
10
|
40
|
20
|
20
|
1,0
|
20
|
12
|
14
|
|
0396
|
|
85
|
|
|
|
|
|
|
|
|
|
|
|
0397
|
|
70
|
|
|
-
|
|
|
-
|
-
|
|
|
|
|
0398
|
|
85
|
|
|
|
|
|
|
|
|
|
|
|
0399
|
32
|
90
|
12
|
16
|
12
|
50
|
25
|
25
|
2,0
|
25
|
16
|
18
|
|
0400
|
|
105
|
|
|
|
|
|
|
|
|
|
|
|
0401
|
|
90
|
|
|
-
|
|
|
-
|
-
|
|
|
|
|
0402
|
|
105
|
|
|
|
|
|
|
|
|
|
|
|
0403
|
40
|
110
|
16
|
20
|
16
|
65
|
28
|
32
|
2,0
|
32
|
20
|
22
|
|
0404
|
|
130
|
|
|
|
|
|
|
|
|
|
|
|
0405
|
|
110
|
|
|
-
|
|
|
-
|
-
|
|
|
|
|
0406
|
|
130
|
|
|
|
|
|
|
|
|
|
|
|
0407
|
50
|
140
|
20
|
25
|
20
|
80
|
36
|
40
|
2,5
|
40
|
25
|
28
|
|
0408
|
|
165
|
|
|
|
|
|
|
|
|
|
|
|
0409
|
|
140
|
|
|
-
|
|
|
-
|
-
|
|
|
|
|
7018-0410
|
|
165
|
|
|
|
|
|
|
|
|
|
|
Рис. 6. Применение угловых рычагов
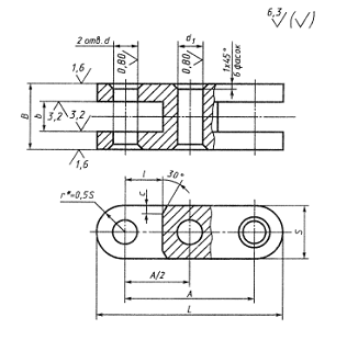
. Конструкция и размеры угловых рычагов с двумя
отверстиями должны соответствовать чертежу (рис. 7) и таблице 5.
Рис. 7. Конструкция угловых рычагов
с двумя отверстиями
Таблица 5.
Размеры углового рычага с двумя
отверстиями
|
Обозначение
рычагов
|
А
|
A1
|
d*
Н7 или Н11
|
b
d11
|
b1
|
Н
|
D
d11
|
D1
|
L
|
a
|
k
|
|
7018-0421
|
20
|
40
|
8
|
10
|
8
|
32
|
16
|
16
|
56
|
1,0
|
12
|
|
7018-0422
|
|
50
|
|
|
|
|
|
|
66
|
|
|
|
7018-0423
|
|
40
|
|
|
-
|
|
|
-
|
56
|
-
|
|
|
7018-0424
|
|
50
|
|
|
|
|
|
|
66
|
|
|
|
7018-0425
|
25
|
50
|
10
|
12
|
10
|
40
|
20
|
20
|
70
|
1,0
|
14
|
|
7018-0426
|
|
65
|
|
|
|
|
|
|
85
|
|
|
|
7018-0427
|
|
50
|
|
|
-
|
|
|
-
|
70
|
-
|
|
|
7018-0428
|
|
65
|
|
|
|
|
|
|
85
|
|
|
|
7018-0429
|
32
|
65
|
12
|
16
|
12
|
50
|
25
|
25
|
90
|
2,0
|
18
|
|
7018-0430
|
|
80
|
|
|
|
|
|
|
105
|
|
|
|
7018-0431
|
|
65
|
|
|
-
|
|
|
-
|
90
|
-
|
|
|
7018-0432
|
|
80
|
|
|
|
|
|
|
105
|
|
|
|
7018-0433
|
40
|
80
|
16
|
20
|
16
|
65
|
28
|
32
|
112
|
2,0
|
22
|
|
7018-0434
|
|
100
|
|
|
|
|
|
|
132
|
|
|
|
7018-0435
|
|
80
|
|
|
-
|
|
|
-
|
112
|
-
|
|
|
7018-0436
|
|
100
|
|
|
|
|
|
|
132
|
|
|
|
7018-0437
|
50
|
100
|
20
|
25
|
20
|
80
|
36
|
40
|
140
|
2,5
|
28
|
|
7018-0438
|
|
125
|
|
|
|
|
|
|
165
|
|
|
|
7018-0439
|
|
100
|
|
|
-
|
|
|
-
|
140
|
-
|
|
|
7018-0440
|
|
125
|
|
|
|
|
|
|
165
|
|
|
Рис. 8. Применение угловых рычагов с
двумя отверстиями
. Конструкция и размеры угловых
двухкулачковых рычагов должны соответствовать чертежу (рис. 9) и таблице 6.
Рис. 9. Конструкция угловых
двухкулачковых рычагов
Таблица 6.
Размеры угловых двухкулачковых
рычагов
|
Обозначения
рычагов
|
А
|
А1
|
d*H7
или Н11
|
b
d11
|
b1
|
Н
|
D
d11
|
D1
d11
|
D2
|
L
|
а
|
k
|
k1
|
H1
|
L1
|
|
7018-0451
|
20
|
40
|
8
|
10
|
8
|
25
|
16
|
16
|
16
|
45
|
1,0
|
12
|
12
|
43
|
54
|
|
7018-0452
|
|
50
|
|
|
|
|
|
|
|
55
|
|
|
|
46
|
64
|
|
7018-0453
|
|
40
|
|
|
-
|
|
|
|
-
|
45
|
|
|
|
43
|
54
|
|
7018-0454
|
|
50
|
|
|
|
|
|
|
|
55
|
|
|
|
46
|
64
|
|
7018-0455
|
25
|
50
|
10
|
12
|
10
|
32
|
20
|
18
|
20
|
55
|
1,0
|
14
|
|
54
|
65
|
|
7018-0456
|
|
65
|
|
|
|
|
|
|
|
70
|
|
|
|
57
|
80
|
|
7018-0457
|
|
50
|
|
|
|
-
|
55
|
-
|
|
|
54
|
65
|
|
7018-0458
|
|
65
|
|
|
|
|
|
|
|
70
|
|
|
|
57
|
80
|
|
7018-0459
|
32
|
65
|
12
|
16
|
12
|
40
|
25
|
22
|
25
|
72
|
2,0
|
18
|
14
|
68
|
84
|
|
7018-0460
|
|
80
|
|
|
|
|
|
|
|
88
|
|
|
|
72
|
98
|
|
7018-0461
|
|
65
|
|
|
-
|
|
|
|
-
|
72
|
-
|
|
|
68
|
84
|
|
7018-0462
|
|
80
|
|
|
|
|
|
|
|
88
|
|
|
|
72
|
98
|
|
7018-0463
|
40
|
80
|
16
|
20
|
16
|
48
|
28
|
25
|
32
|
90
|
2,0
|
22
|
18
|
81
|
102
|
|
7018-0464
|
|
100
|
|
|
|
|
|
|
|
110
|
|
|
|
86
|
122
|
|
7018-0465
|
|
80
|
|
|
-
|
|
|
|
-
|
90
|
-
|
|
|
81
|
102
|
|
7018-0466
|
|
100
|
|
|
|
|
|
|
|
110
|
|
|
|
86
|
122
|
|
7018-0467
|
50
|
100
|
20
|
25
|
20
|
60
|
36
|
32
|
40
|
110
|
2,5
|
28
|
22
|
100
|
127
|
|
7018-0468
|
|
125
|
|
|
|
|
|
|
|
135
|
|
|
|
106
|
151
|
|
7018-0469
|
|
100
|
|
|
-
|
|
|
|
-
|
110
|
-
|
|
|
100
|
127
|
|
7018-0470
|
|
125
|
|
|
|
|
|
|
|
135
|
|
|
|
106
|
151
|
Рис. 10. Конструкция угловых
двухкулачковых рычагов
. Точность рычажных систем
Рычажная система применяется для
управления рабочими органами машин, механизмом поворота, как, например, в
гусеничных тракторах, тормозами машин. К этой системе относится также и рулевое
управление колесными машинами.
Контроль действия рычажной системы
предусматривает проверку быстроты и надежности включения и выключения;
определение усилий, прилагаемых к рукоятям и педалям при их включении и
выключении. Проверку выполняют на работающих машинах, при этом механизмы должны
быть включены на холостой ход. Показателями состояния механизмов управления
поворотом и тормозами гусеничных и колесных машин являются легкость и удобство
управления и надежность торможения при любых условиях эксплуатации.
Свободный ход замеряют масштабной
линейкой. Регулировку свободного хода рукоятей и педалей выполняют с помощью
тех конструктивных элементов, которыми оснащена данная система; стяжными
муфтами с винтовой нарезкой, секторами с отверстиями или пазами,
телескопическими трубами с отверстиями и пальцами и др. Эти элементы позволяют
изменять (укорачивать или удлинять) размеры соединительных тяг или плеч рычагов
и т. п.
Контроль рычажной системы в
эксплуатационных условиях начинают с проверки четкости и надежности включения и
выключения механизма машины или оборудования. Подобная режимность и
контрольность данного процесса и обуславливают его точность, формируя, таким
образом, один из центральных признаков любой рычажной системы.
Заключение
Итак, рычаг - одно из простых
механических устройств, представляющих собой твёрдой тело, вращающееся вокруг
точки опоры; стороны перекладин по бокам от точки опоры представляют собой
плечи рычага. В работе нами были рассмотрены основные виды конструкций и
размеров измерительных рычагов, закреплённые в едином государственном
стандарте:
угловые рычаги (ГОСТ 12471-67);
угловые рычаги с двумя отверстиями
(ГОСТ 12472-67);
угловые двухкулачковые рычаги (ГОСТ
12473-67);
угловые рычаги с кулачком и пазом
(ГОСТ 12475-67);
угловые двухпазовые рычаги (ГОСТ
12475-67);
вильчатые рычаги (ГОСТ 124176-67).
Список использованной литературы
ГОСТ
12471-67: Рычаги угловые. Конструкция от 01.07. 1967 года (изм. и ред. от
01.02.2009 года).
ГОСТ
12472-67 <http://vsegost.com/Catalog/43/43269.shtml>: Рычаги угловые с
двумя отверстиями. Конструкция от 01.07. 1967 года (изм. и ред. от 01.02.2009
года).
ГОСТ
12473-67 <http://vsegost.com/Catalog/27/27234.shtml> Рычаги угловые
двухкулачковые. Конструкция от 01.07.1967 года (изм. и ред. от 01.02.2009
года).
ГОСТ
12474-67 <http://vsegost.com/Catalog/43/43269.shtml>: Рычаги угловые с
кулачком и пазом. Конструкция от 01.07.1967 года (изм. и ред. от 01.02.2009
года).
ГОСТ
12475-67: Рычаги угловые двухпазовые. Конструкция от 01.07.1967 года (изм. и
ред. от 01.02.2009 года).
ГОСТ
12476-67: Рычаги вильчатые. Конструкция
<http://yandex.ru/clck/redir/AiuY0DBWFJ4ePaEse6rgeAjgs2pI3DW99KUdgowt9Xtvtji5m7tUtZxr3mZbvb4yUTQoUeXJ5cCfK4hbeEDOt9eIyMmy6yjNdPJOcnM7pqPTIS3RY09M4P20A5ZG_Vgqa3Yez5OllNc_VBp6AW8U2lqrcZjo_r1tHnZRNbHxTBhaNJJ1EQgYX5AxaFK3SsdD?data=UlNrNmk5WktYejR0eWJFYk1LdmtxcDE3WFlVYkhBS1doamgzaG1nQTdKcXBDMktzQ3B0aFRILTdReHM5dzBUdmxvTWY1T1ZYMkthaF9fcWkzbEFxUmlHXzNtTVg2VlBONXB2SVhzSlNjU2tfd05BdGtuQ3VQX2tSUl94ZG1nQ1J3M3hjUUU1Mkd6V2hIT1phRDRmblloamxRVHhpaThRVHZYNjdkdGhYS3h3&b64e=2&sign=aa79098388787c7603f2c421443bc112&keyno=8&l10n=ru&i=8>
от 01.07.1967 года (изм. и ред. от 01.02.2009 года).
О
рычажной системе: проверка и управление http://stroy-technics.ru/article/proverka-i-regulirovka-rychazhnoi-sistemy-upravleniya
[Интернет-ресурс]