Метрологические характеристики уровнемеров
МЕТРОЛОГИЧЕСКИЕ
характеристикИ уровнемеров
1. Общие сведения
Многообразие применяемых типов измерительных преобразователей, повышение
требований к точности и надежности работы систем приводят к необходимости
использования унифицированного сигнала как универсального средства связи для
передачи информации. Отсутствие унифицированного сигнала на выходе
преобразователей вызывает обычно значительное увеличение числа первичных
приборов, что намного усложняет схемы автоматики. Поэтому для первичных
преобразователей, выходной сигнал которых не унифицирован, используются
нормирующие преобразователи.
Унифицирующие преобразователи могут быть конструктивно оформлены в единое
целое с первичными преобразователями, составляя датчики, или в виде отдельных блоков.
Большое количество технологических величин легко преобразуются в силу,
линейное или угловое перемещение. К ним относятся: давление, плотность,
уровень, вязкость, температура, частота вращения и др. В системе ГСП для
измерения этих величин построены датчики с механической компенсацией измеряемой
величины. Датчики состоят из первичного измерительного преобразователя
измеряемой величины в силу (или перемещение) и унифицированного измерительного
преобразователя силы (или перемещения) для дальнейшего ее преобразования в
стандартный пневматический или электрический сигнал.
Унифицированные силы или перемещения в стандартные сигналы ГСП могут быть
построены по трем схемам (рис. 1).
Схема,
известная под названием компенсации перемещения, имеет первичный измерительный
преобразователь (ПИП) с выходной величиной в виде перемещения (рис. 1, а). В
ПИП технологическая величина
преобразуется
в силу
, а затем в перемещение
или угол
поворота
. Преобразователь перемещения с обратной связью ИП
имеет унифицированный сигнал давления
или тока
.
Рис.
1.
В
статической схеме с силовой компенсацией (рис. 1, б) измеряемую величину Х,
преобразованную в силу
(или момент
)
первичным преобразователем, компенсируемую усилием
(
), развиваемым в ИП цепью обратной связи ОИП. Вследствие
статизма системы полное равенство
и
недостижимо, поскольку измеряемое усилие
частично тратится на преодоление сил трения и
жесткости в системе.
Астатическая
схема (рис. 1, в) с полной силовой компенсацией содержит
интегрирующее звено ИП4 в прямой цепи преобразования ИП. При этом
уравновешивание усилием обратного измерительного преобразователя ОИП
происходит до порога чувствительности индикатора
рассогласования ИП2.
В
первой структурной схеме ПИП не охвачен обратной связью и все его погрешности
войдут в погрешность датчика. В схеме с силовой компенсацией перемещения
чувствительных упругих элементов не оказывают заметного влияния на погрешность
датчика в целом. В астатической структурной схеме используется ряд
дополнительных преобразователей, что усложняет конструкцию датчиков.
В
связи с этим все датчики ГСП имеют конструктивно встроенный уравновешивающий
преобразователь силы в электрический или пневматический сигнал. Эти
преобразователи выпускаются отдельными блоками и могут быть использованы для
перехода от одних физических величин к другим.
.
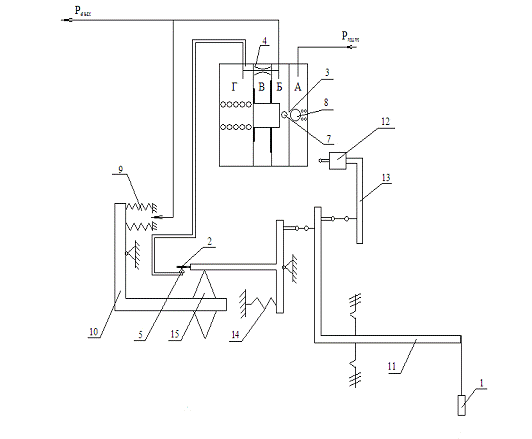
Пневмоуровнемер буйкового типа
В
пневмоуровнемере буйкового типа УБ-П используется унифицированный пневмосиловой
преобразователь ПП.
Уровнемер
состоит из измерительного блока и унифицированного пневмопреобразователя (рис.
2).
При
изменении измеряемого уровня жидкости на чувствительном элементе (буйке) 1
измерительного блока возникает усилие, которое через системы тяг и рычагов
перемещает заслонку 2 пневмопреобразователя.
Давление
питания подается в камеру А. Воздух питания через приоткрытый шариковый клапан
3 подается в камеру Б и через дроссель 4 - в камеру В. В случае приближения
заслонки 2 к соплу 5 давление в камере Г возрастает и под действием его шарик 7
прикроет верхнее седло клапана 3, а шарик 8 приоткроет нижнее седло. Давление в
камере Б также возрастет.
Рис.
2. Принципиальная схема уровнемера буйкового типа
Чувствительный
элемент (буек) 1 подвешивается к концу рычага 11. В данной лабораторной работе
вес буйка моделируется с помощью динамометра. Начальный вес динамометра (буйка)
уравновешивается с помощью груза 12, закрепленными на рычаге 13.
Пружина
14 предназначена для установки начального значения выходного сигнала равного
0,02 МПа. Подвижная опора 15 служит для настройки уровнемера на заданный предел
измерений.
.
Электрический уровнемер емкостного типа
Уровнемеры
типа РУС предназначены для измерения уровня электропроводных и
неэлектропроводных жидкостей, сохраняющих свои агрегатные состояния в интервале
рабочих температур и давлений, а также агрессивных и взрывоопасных жидкостей.
Уровнемеры
выпускаются обыкновенного (РУС-О) и взрывозащитного (РУС-В) исполнений.
В
состав уровнемера входят первичный преобразователь (ПП) и передающий
измерительный преобразователь (ПИ).
Температура
контролируемой среды от -250 до +250°С.
Относительная
диэлектрическая проницаемость контролируемой среды, не менее 1,2. Диапазон
измерения уровня от 0,2 до 20 м.
Класс
точности, в зависимости от диапазона измерения, от 0,5 до 2,5. Выходной
унифицированный сигнал, мА 0 - 5; 0 - 20; 4 - 20.
Внешняя
нагрузка в цепи выходного сигнала, кОм, не более: для сигналов 0 - 5 мА 2.5; для сигналов 0 - 20 и 4 - 20 равна
1.
Зона
нечувствительности не более 0,5 в пределах допускаемой основной погрешности.
Увеличение
погрешности уровнемера не превышает 0,6% на каждые 10°С изменения температуры
воздуха, окружающего ПП (от 20°С).
Первичный
преобразователь ПП включает в себя емкостный чувствительный элемент (ЧЭ) 1 и
устройство 2, 3, 4 для преобразования емкости ЧЭ в электрический сигнал (рис.
3).
Измерительный
передающий преобразователь ПИ состоит из усилителя обратной связи 5 и усилителя
- формирователя 6 унифицированного выходного сигнала.
Емкостный
ЧЭ 1 ПП имеет две части: измерительную 1', определяющую диапазон измерения и
компенсационную 1'', расположенную ниже измерительной и предназначенную для
формирования сигнала компенсации ошибки, возникающей при изменении
диэлектрических свойств среды. При работе 1'' должна быть постоянно залита
контролируемой жидкостью.
ПП
с компенсационной частью применяется только для контроля уровня
неэлектропроводных сред. При измерении уровня электропроводных жидкостей
компенсационная часть в ПП отсутствует и заменяется конденсатором постоянной
емкости в схеме устройства 3.
ЧЭ
ПП подключается ко входу устройства 3. В устройствах 4, 5 емкости измерительной
и компенсационной частей преобразуются в электрический сигнал, который подается
в ПИ на вход усилителя обратной связи 5. С выхода усилителя 5 сигнал подается
на вход устройства 3 и на вход усилителя - формирователя 6,
преобразующего этот сигнал в унифицированный входной сигнал постоянного тока 0 - 5, 0 - 20 или 4 - 20 мА.

Положение
уровня жидкости в объекте контроля определяет собой величину емкости С
измерительной части ЧЭ, которая вычисляется по формуле:
,
где
- начальная емкость измерительной
части при отсутствии жидкости; К - коэффициент пропорциональности,
характеризующий конструкцию ЧЭ и параметры контролируемой среды; h -
текущее значение уровня жидкости; Н - диапазон измерения уровня. При отсутствии
жидкости (h = 0)
. При
этом сигнал на выходе устройства сравнения 3 равен нулю.
С
ростом уровня увеличивается емкость измерительной части
, что вызывает изменение сигнала на выходе устройства
3, которое после преобразования в устройстве 4 подается на вход усилителя 5.
При
уменьшении уровня емкость измерительной части
уменьшается,
что вызывает изменение сигнала противоположного знака на выходе устройства 3.
ПП
включает в себя емкостный ЧЭ с электродами определенного вида и электронный
преобразователь, размещенный в головке.
Для
крепления на резервуаре с контролируемой жидкостью ПП в зависимости от
температуры и давления контролируемой среды имеет штуцер или фланец.
При
измерении уровня электропроводных жидкостей применяются ПП, имеющие только
измерительную часть. У ПП для измерения уровня электропроводных жидкостей один
из электродов покрыт изоляционным слоем и выполнен в виде провода U-образной
формы: без несущей части (конструктивное исполнение ПОФ); с несущей частью
(конструктивное исполнение ПСФ, ПТФ). В качестве изоляции использован
фторопласт.
Место
крепления ПП должно быть выбрано так, чтобы геометрическая ось ПП, вдоль
которой происходит измерение уровня, совпадала с вертикалью. Отклонение от
вертикали не должно превышать единицу. Расстояние от оси ПП до стенок
внутренних конструкций резервуара должно быть не менее 200 мм.
ПИ может устанавливаться на щитах, пультах управления,
на кронштейнах и т.д. Не допускается установка ПИ в близи батарей отопления,
электрических печей и других источников тепла.
. Ультразвуковой уровнемер
В соответствии с этим принципом измерение уровня осуществляют по времени
прохождения ультразвуковыми колебаниями расстояния от излучателя до границы
раздела двух сред и обратно до приемника излучения. Локация границы раздела
двух сред осуществляется либо со стороны газа, либо со стороны рабочей среды.
Преимуществом акустических уровнемеров является независимость их
показаний от физико-химических свойств и состава рабочей среды. Это позволяет
использовать их для измерения уровня неоднородных кристаллизирующихся и
выпадающих в осадок жидкостей. К недостаткам следует отнести влияние на
показания уровнемеров температуры, давления и состава газа.
Акустические уровнемеры представляют собой сочетание первичного,
промежуточного, а в некоторых случаях и передающего измерительных
преобразователей.
На рис. 4 приведена схема акустического уровнемера жидких сред.
Рис.
4. Схема акустического уровнемера жидких сред
Уровнемер состоит из первичного I и промежуточного II преобразователей.
Первичный преобразователь представляет собой пьезоэлемент, выполняющий
одновременно функции источника и приемника ультразвуковых колебаний. При
измерении генератор 9 с определенной частотой вырабатывает электрические
импульсы, которые преобразуются пьезоэлементом 1 в ультразвуковые импульсы. Последние
распространяются вдоль акустического тракта, отражаются от границы раздела
жидкость - газ и воспринимаются тем же пьезоэлементом, преобразующим их в
электрические импульсы. После усиления устройством 1 импульсы подаются на схему
измерения 2 времени отражения сигнала, где они преобразуются в прямоугольные
импульсы определенной длительности. В ячейке сравнения 3 осуществляется
сравнение импульса, подаваемого со схемы 2, с длительностью импульса,
подаваемого с элемента обратной связи 5, который преобразует унифицированный
токовый сигнал в прямоугольный импульс определенной длительности. Если
длительность импульса схемы измерения 2 отличается от длительности импульса
цепи обратной связи, то на выходе ячейки сравнения 3 появляется сигнал
разбаланса, который усилительно-преобразующим устройством 4 изменяет выходной
унифицированный токовый сигнал до тех пор, пока не будет достигнуто равенство
длительностей импульсов. Для уменьшения влияния температура на сигнал
измерительной информации предусмотрен блок температурной компенсации 8.
Контроль за работой электрической схемы осуществляется блоком контроля 7.
Исключение влияния различного рода помех на работу промежуточного
преобразователя достигается с помощью помехозащищенного устройства 6.
В работе изучается уровнемер Probe фирмы Milltronics,
«Sonic-Intelligence».
Прибор Probe - ультразвуковой датчик уровня, объединяющий первичный
ультразвуковой преобразователь и электронный блок в одном приборе.
Для компенсации погрешности измерений, возникающих при колебаниях
температуры, Probe имеет встроенный датчик температуры. Первичный
преобразователь излучает ультразвуковые колебания, которые отражаются от
поверхности измеряемого материала и считываются преобразователем как эхо.
Прибор Probe имеет возможность цифровой связи для сбора данных и
дистанционного управления при помощи Hart-протокола.
Питание 18-30
В постоянного тока, выход 4-20 мА.
унифицирующий преобразователь уровнемер
Литература
1. Волынский В.А. и др.
Электротехника /Б.А. Волынский, Е.Н. Зейн, В.Е. Шатерников: Учеб. пособие для
вузов. - М.: Энергоатомиздат, 2007. - 528 с., ил.
. Касаткин А.С., Немцов М.В.
Электротехника: Учеб. пособие для вузов. - 4-е изд., перераб. - М.:
Энергоатомиздат, 2009. - 440 с., ил.
. Основы промышленной электроники:
Учебник для неэлектротехн. спец. вузов /В.Г. Герасимов, О М. Князьков, А Е.
Краснопольский, В.В. Сухоруков; под ред. В.Г. Герасимова. - 3-е изд., перераб.
и доп. - М.: Высш. шк., 2006. - 336 с., ил.
. Электротехника и электроника в 3-х
кн. Под ред. В.Г. Герасимова Кн.1. Электрические и магнитные цепи. - М.: Высшая
шк. - 2006 г.
. Электротехника и электроника в 3-х
кн. Под ред. В.Г. Герасимова Кн.2. Электромагнитные устройства и электрические
машины. - М.: Высшая шк. - 2007 г.