|
Вид обработки
|
Ном. р-р
|
Квалитет
|
Допуск
|
Шерохов.
|
Припуск
|
|
Заготовка
|
40
|
40К11
|
-0,1
|
Rz 80
|
1
|
|
Токарная с ЧПУ
|
36
|
36К11
|
+0,1
|
Rz 25
|
4
|
1.8 Техническое нормирование механических
операций аналитическим методом
) Токарная операция 010
Переход: точить поверхность 6
Станок: 16К20Ф3
Инструмент: резец проходной ц=60°, ц1=30º Т15К6 (6) [стр118]
Припуск 1,4
. Назначаю подачу
S=0,2-0,5 мм/об, принимаю S=0,3 мм/об (7) [стр266]
. Определяю скорость резания

(7) [cтр265]
. Определяю частоту вращения шпинделя станка и принимаю ближайшее
число по паспорту станка

об/мин (7) [стр28]
nпасп=800
об/мин
. Определяю фактическую скорость резания

(7) [стр27]
5. Определяю силу резания
Рz=Cpx*t*S0,75=200
кг/с
Cpx=200
. Определяю мощность резания

кВт (8) [стр271]
Nрез<Nдв*з
N=10кВт>3 кВт (9) [стр76]
мин (10) [стр31]
. Определяю вспомогательное время
.1 время на комплекс приемов по установке, закреплению и снятию
детали
t1=0,02 мин
.2 время на комплекс приемов по управлению станком
t2=0,05+0,06+0,07+0,11+0,14=0,05
мин
.3 время на контрольные промеры
t3=0,1 мин
Tвсп = t1 +t2+ t3=0,02+0,05+0,1=0,17 мин
9. Определяю оперативное время
Топер=То+Твсп=0,09+0,17=0,26
мин
. Определяю время на обслуживание рабочего места
мин (11) [cтр77]
. Определяю время перерывов на отдых, естественные надобности и
оперативное время
Тперер= (Топер*б)/100=0,01 мин
. Определяю штучное время
Тшт= То +Tвсп +Тперер+Тобс=0,26+0,52+0,01+0,09=0,88
мин
) 055 Горизонтально-фрезерная
Переход: фрезеровать паз 1
Реж. инструмент: фреза дисковая трехсторонняя Т15К6
Припуск-1
1. Назначаю подачу на зуб
Sz=0,12-0,15 мм/зуб
.1. корректирую подачу по паспорту станка
Sz=0,14 мм/зуб
. Определяю скорость резания


D=20; B=5; T=180
.1. ввожу поправочные коэффициенты на скорость
.1.1. в зависимости от обрабатываемого материала kv=1,27
.1.2. в зависимости от характера заготовки и состояния ее
поверхности kv=0,94
.1.3. в зависимости от мерки материала режущей части фрезы kv=1
.1.4. в зависимости от характера обработки kv=0,82
.2. определяю скорость резания с учетом поправочных
коэффициентов
.3. определяю частоту вращения шпинделя станка и принимаю
ближайшее число по паспорту станка
n=1000*47,4/3,14*20=844 об/мин
nпасп=800
об/мин (12) [стр. 28]
.4. определяю фактическую скорость резания

(13) [стр76]
. Определяю минутную подачу
. Корректирую подачу на зуб с учетом минутной подачи
Sz=Sмин/z*n=700/6*800=0,14 мм/зуб
5. Определяю силу резания
кг/c (14) [стр282]
. Определяю мощность
(15) [стр290]
.1. ввожу поправочные коэффициенты на мощность
.1.1. в зависимости от обрабатываемого материала kn=0,87
.1.2. в зависимости от характера заготовки и состояния ее
поверхности kn=1
.1.3. в зависимости от ширины фрезерования kт=0,17
.2. сравниваю мощность с мощностью электродвигателя станка с
учетом з
з = 0,75
,12>5,5*0,75=0,27
. Определяю основное время
(16) [стр253]
То=18+1+1/800*0,14=0,17 мин
. Определяю вспомогательное время
8.1 время на комплекс приемов по установке, закреплению и
снятию детали
t1=0,16 мин
.2 время на комплекс приемов по управлению станком
t2=0,04+0,04+0,03+0,08+0,01 мин
.3 время на контрольные замеры
t3=0,1 мин
Tвсп = t1 +t2+ t3=0,25 мин
. Определяю время организационно-технического обслуживания
рабочего места
Тобс = Топ(б/100)=0,33 (2/100)=0,01 мин
(17) [стр77]
. Определяю время перерывов на отдых, естественные надобности
и оперативное время
Т опер= Tвсп +То=0,25+0,17=0,42 мин (17 [стр77]
Тперер= (Топер*б1)/100=(0,42*4)/100=0,015
мин
б1=4
. Определяю штучное время
Тшт= Тобс +Tвсп +Тпер+То=0,1+0,25+0,17+0,42=0,94
мин
) 040 Настольно-сверлильная
Переход: сверлить последовательно 6 отв.
Материал сверла: Р18
. Назначаю подачу и корректирую ее по паспорту станка
S=0,02-0,05 мм/об
.1. ввожу поправочный коэффициент на подачу ks=1
.2. корректирую подачу с учетом ks
S=0,03 мм/об
2. Определяю скорость резания

Т=8 мин
.1. ввожу поправочные коэффициенты на скорость
.1.1. в зависимости от механических свойств обрабатываемого
материала kv=1,04
.1.2. в зависимости от состояния стали kv=0,75
.1.3. в зависимости от материала инструмента kv=1,1
.1.4. в зависимости от формы заточки kv=0,87
.1.5. в зависимости от глубины сверления kv=1
.2. определяю скорость резания с учетом поправочных коэффициентов
.3. определяю частоту вращения шпинделя станка и принимаю
ближайшее число по паспорту станка
n=1000*9,1/3,14*2=1360 об/мин
nпасп=2000
об/мин
.4. определяю фактическую скорость резания

(18) [стр76]
. По нормативам определяю осевую силу резания Рz кг.
Рz=61,2*D*So 0,7 кг
=61,2*2*0,30,7=52,7 кг
6. По нормативам определяю крутящий момент М кр
М кр=31*D2*So 0,3
М кр=31*22*0,30,3=86,4 кг*мм
. По нормативам определяю мощность резания Nрез
Nрез = (Pz*Vфакт)/60*102
Nрез = (52,7*8,5)/60*102=0,1 кВт
.1. сравниваю с паспортными данными
Nрез<Nдв*з
,1<2,2*0,75=1,65
. Определяю основное время То
То =(L+2*y+Д)*6/ (So*n) (19) [стр253]
То =(13+7,8+7,8)*6/(2000*0,3)=0,29 мин
y=t*ctgц=13*ctg59°=7,8
. Определяю вспомогательное время
.1 время на установку, закрепление и снятие детали
t1=0,18 мин
.2 время на комплекс приемов по управлению станком
t2=0,05+0,05+0,02+0,12+0,06
.3 время на другие виды движений
t3=0,11 мин.
Tвсп = t1 +t2+ t3=0,69 мин
. Определяю время организационно-технического обслуживания
рабочего места
Тобс = Топ(б/100)=0,98 (1,5/100)=0,02
мин (20) [стр77]
. Определяю время перерывов на отдых, естественные надобности
и оперативное время
Т опер= Tвсп +То=0,69+0,29=0,98 мин
Тперер= (Топер*б1)/100=(0,98*4)/100=0,04
мин (20) [стр77]
б1=4
. Определяю штучное время
Тшт= Тобс +Tвсп +Тпер+То=0,02+0,69+0,04+0,29=2,97
мин
.9 Техническое нормирование механических операций табличным
методом
Токарная с ЧПУ
|
Переход
|
Режимы
|
|
t, мин
|
Sмм/об
|
n
|
Pz
|
V
|
N
|
To
|
Tшт
|
оборуд.
|
|
Точ.пов1
|
1.4
|
0.08
|
800
|
240
|
244
|
0.97
|
0.07
|
2.1
|
16К20Ф3
|
Круглошлифовальная
|
Переход
|
Режимы
|
|
Vk
|
Vз
|
С
|
Snon
|
То
|
Тшт
|
оборуд.
|
|
Шлиф.пов. 1
|
30-45
|
30-40
|
0,2-0,3
|
0,02-0,03
|
0,11
|
1,6
|
3А151
|
030 Токарная с ЧПУ
|
Переход
|
Режимы
|
|
t, мин
|
Sмм/об
|
n
|
Pz
|
V
|
N
|
To
|
Tшт
|
оборуд.
|
|
Расточить выт. 3 с подр. тор-ца 4
|
2
|
0,10
|
800
|
710
|
207
|
2,4
|
0.03
|
1,9
|
16К20Ф3
|
Токарная с ЧПУ
|
Переход
|
Режимы
|
|
t, мин
|
Sмм/об
|
n
|
Pz
|
V
|
N
|
To
|
Tшт
|
оборуд.
|
|
Точ.пов4,6 Точ.канав-ку
|
0,7 3
|
0,10 0,15
|
800 800
|
290 1160
|
236 188
|
1,12 3,5
|
0,25 0,83
|
2,4 3,0
|
16К20Ф3 16К20Ф3
|
Круглошлифовальная
|
Переход
|
Режимы
|
|
Vk
|
Vз
|
С
|
Snon
|
То
|
Тшт
|
оборуд.
|
|
Шлиф. канав. 1,2,3
|
30-45
|
15-20
|
0,1
|
0,01
|
0,14
|
1,8
|
3А151
|
070 Круглошлифовальная
|
Переход
|
Режимы
|
|
Vk
|
Vз
|
С
|
Snon
|
То
|
Тшт
|
оборуд.
|
|
Шлиф.пов. 1
|
30-35
|
15-20
|
0,1
|
0,01
|
0,1
|
1,7
|
3А151
|
2. Конструкторская часть
.1 Расчет станочного приспособления - спец.
приспособления для фрезерования пазов
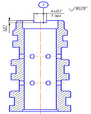
Приспособление предназначено для фрезерования различных по
форме пазов. Заготовка устанавливается на пальце 3, зажимается при опускании
прижима 2. Для управления служит рукоятка 5. Колона 4 предназначена для
регулирования высоты дисковой фрезы. Колона и палец с боков закрепляются
прижимами 2 и болтами 6.
Определяю окружную силу резания, при наибольшей необходимости

=2Pz*L=320


=NL/l=320*8/4=640 кг
<N=640 кг<692,5 кг
2.2 Расчет режущего инструмента
. Дано: вид режущего инструмента - фреза дисковая Ø 60 мм для фрезерования паза Ø 4 и глубиной 1 мм, материал фрезы Т15К6,
твердость 61…64 HRCэ
. Диаметр Dф=60 мм
Ширина В=4 мм t=1.5
. Диаметр оправки и размеры шпонки
d=20-0.14; b=6 мм; h=6 мм
. Число зубьев
z=30
. Углы режущей части
задний угол б1=7°
передний угол г=15°
вспомогательный угол в плане ц=1
главный угол в плане ц1=90°
длина переходной кромки f=2 мм
2.3 Расчет мерительного инструмента
Калибр-пробка Ø 9,92+0,2.
. Определяю предельные размеры на валу
Dmax=9.92 мм
Dmin=9,9 мм
. За номинальный размер калибра-пробки принимаю предельные размеры
отверстия
Р-ПР=Dmin=9.92 мм
Р-НЕ=Dmax=9.94 мм
. Рассчитываю предельные размеры калибра-скобы
Проходная сторона
Dпр max=dmin+z+H/2=9,92-0,008+0,003/2=9,9295
Dпр min=dmaz+z-H/2=9,9065 пр изн=dmin=9.9
Непроходная сторона
Dне max=dmax+z+H/2=20.29+0,009/2=20.2945
Dне min=dmaz+z-H/2=9,9465
За исполнительный размер берется наибольший предельный размер
калибра
dпр исп=9,9065
dне исп=9,9495
Все формулы взяты из учебника (21) [стр128,129]
1. Вычерчиваю расположение полей допусков.
2.4 Разработка программы
для станка с ЧПУ
1) Точить пов. 6
и фаски 4 и 5
) Точить пов. 1
и фаски 2 и 3
№1 Т1 S3 700 М8 F0.2 №24x19 c1,6
№2 x13 z1 Е №25x20
№З L08А0 Р2,5 №26z200E
№4 - х11,8 №M17
№5 х15 с1,6
№6 z36
№7 х19с2М17
№8 z200Е
№19 Т2 S3500 F0,1
№11 x20 z - 30,5
№12 x14
№13 х20
№14 z-18
№16 х20
№17 z200E
№18 T3 S3700 F0,3
№19 х20 z29,5E
№20 x15.8E
№21 x19 c 1,6
№22 x20 z-17E №23 x15,8E
3. Экономическая часть
.1 Производственная программа
Для каждого типа производства устанавливаю определенную
программу выпуска - план.
Определение типа производства
Основным показателем, характеризующим тип производства,
является - коэффициент закрепления операции за 1 рабочим местом или единицей
оборудования
Кзакр.опер.=
Кзакр.опер =
=3,7 что соответствует серийному типу производства.
В механическом цехе серийного производства довольно широкая
номенклатура выпускаемых деталей. Поэтому ввели объем технологических и
экономических работ. Для сокращения объема работ всю номенклатуру делят на
группы, составляемые из деталей близких по конструкции и технологии. В каждой
группе выбираю деталь-представитель, на которую разрабатываю подробный тех.
процесс и выполняю расчеты.
Базой для расчетов служит тех. процесс обработки детали «Втулка».
Расчет партии деталей
Рассчитываю размер партии деталей, поставляемых из механического
цеха в другие цеха
n=
(1) [1]
- коэффициент, учитывающий простой оборудования при переналадке,
замене инструмента для серийного производства б = 0,05…0,07 принимаем
=0,06
nрас.=
=34,7
Учитывая условия работы, габариты детали, способ транспортировки,
принимаю n прин=35 ед.
Расчет годовой трудоёмкости детали
Годовая трудоёмкость приведенной программы должна соответствовать
производственной мощности участка
(2) [1]
- номинальный фонд работы оборудования, рассчитывается по
производственному календарю, ежегодно утверждаемому правительством РФ.
(3) [1]
Длительность смены 8 часов, количество смен 2.
- сокращение времени работы на 1 час в праздничные дни
- нормативный коэффициент загрузки оборудования; для серийного
производства = 0,87 - 0,92 принимаем 0,9
- нормативное количество оборудование; зависит от моделей
оборудования, условий работы. Колеблется от 20 до 30. Принимаю 25 ед.
ч
Рассчитываю годовую трудоёмкость детали «Втулка».
(4) [1]
- годовая программа детали-представителя «Втулка» = 50000 шт.
ч (5) [1]
Принимаю
ч
Определяю приведенную программу, учитывающую обработку всех
деталей, закрепленных за участком.
Принимаю
ед. с учетом технологически неизбежного
брака.
Эта программа обеспечивает существование участка механического
цеха, как административной единицы.
Расчет
штучно-калькуляционного времени
Учитывает подготовительно-заключительное время на обработку
одной детали.
(6) [1]
мин
.2 Оснащение производства
Характер
и состав технологического оборудования определяется типом производства.
Расчет необходимого количества оборудования
(7) [1]
- коэффициент, учитывающий возможное перевыполнение плана 
действительный фонд работы оборудования,
учитывающий возможные простои оборудования в ремонте, на профилактике, монтаже.
(8) [1]
по данным предприятия
ч
Принимаю
ч
Принимаю
Аналогично рассчитываю количество оборудования для каждого вида
обработки, результаты заношу в таблицу 1.
Расчет
коэффициента загрузки оборудования
(9) [1]
(10) [1]
График загрузки оборудования
допустим, т.к. учтены потери на ремонт.
Расчет амортизации оборудования.
Амортизация - денежное возмещение износа основных фондов;
рассчитывается пропорционально полной первоначальной стоимости и включается в
себестоимость продукции по статье «накладные расходы».
(11) [1]
- полная первоначальная стоимость оборудования;
На - норма амортизации.
Таблица 1. Сводная ведомость технологического оборудования
|
Вид оборудования
|
t ш.к мин
|
Кол - во оборуд.
|
Кзагр обор
|
Баланс. стоимость
|
Норма амортиз.%
|
Амортиз. тыс. руб
|
|
|
Расч.
|
Прин.
|
|
Одного
|
Всех
|
|
|
|
16К20Ф3
|
10,19
|
13,4
|
14
|
1
|
3100,0
|
40300
|
9,1
|
282,1
|
|
3А151
|
5,1
|
6,6
|
7
|
0,93
|
652,3
|
4566,1
|
6,7
|
43,7
|
|
6Н82Г
|
0,9
|
1,1
|
1
|
1
|
430
|
430
|
6,7
|
28,8
|
|
2А112
|
2,97
|
3,8
|
4
|
0,95
|
375,0
|
375,0
|
6,7
|
25,2
|
|
Итого
|
19,16
|
25,9
|
25
|
-
|
-
|
46798,1
|
-
|
379,8
|
Эффективное использование оборудования способствует снижению
себестоимости продукции, повышению фондоотдачи.
3.3 Определение численности работающих
Состав и число работающих определяется характером
производственного процесса, степенью его механизации, структурой и степенью
автоматизации систем управления производства.
Расчет численности производственных рабочих.
Количество производственных рабочих зависит от объема выпуска
и трудоемкости производственной программы, режима работы предприятия.
(12) [1]
- действительный фонд времени одного работающего учитывает
возможные потери времени, связанные с временной нетрудоспособностью всеми
видами отпусков.
ч
Принимаю
ч
Принимаю: в соответствии с имеющимся оборудованием 14 человек.
Аналогично рассчитаю необходимое количество рабочих по всем видам
обработки, результаты запишу в таблицу 2.
Организация многостаночного обслуживания
Повысить эффективность использования оборудования можно за
счет передовых форм организации труда: совмещения профессий бригадного подряда,
многостаночного обслуживания.
Многостаночное обслуживание применяется тогда, когда машинное
время больше ручного времени и времени переходов от станка к станку.
Определяю количество станков, которое может обслужить 1
рабочий.
(13) [1]
- коэффициент, учитывающий занятость рабочего при многостаночном
обслуживании.
Принимаю =0,75
Принимаю
Определяю количество рабочих, занятых при многостаночном
оборудовании.
(14) [1]
Учитывая схему обслуживания, принимаю 10 человек.
Таблица 2. Численность производственных рабочих
|
Профессия/спец.
|
Разряд
|
Кт
|
Кол-во станков
|
Кол - во рабочих
|
|
|
|
|
Расч.
|
Прин.
|
1 смена
|
2 смена
|
|
Оператор
|
2
|
1,7
|
14
|
9,6
|
10
|
5
|
5
|
|
Шлифовщик
|
3
|
2,2
|
7
|
13,6
|
14
|
7
|
7
|
|
Фрезеровщик
|
3
|
2,2
|
1
|
2,3
|
2
|
1
|
1
|
|
Сверловщик
|
4
|
2,6
|
7
|
7,8
|
8
|
4
|
4
|
|
итого
|
-
|
-
|
26
|
33,3
|
34
|
17
|
17
|
Средний разряд производственных рабочих.
Коэффициент тарифный средний производственных рабочих.
(15) [1]
Численность вспомогательных рабочих
Результаты работы участка в значительной мере зависит от
профессиональной квалификации состава вспомогательных рабочих.
Таблица 3 Численность вспомогательных рабочих
|
Профессия/спец.
|
Кол - во ставок
|
По разрядам
|
|
|
3
|
4
|
5
|
6
|
|
Наладчик
|
2
|
-
|
-
|
1
|
1
|
|
Контролер
|
2
|
1
|
1
|
-
|
-
|
|
Транспортный рабочий
|
0,5
|
0,5
|
-
|
-
|
-
|
|
Распределитель работ
|
1,5
|
1,5
|
-
|
-
|
-
|
|
Слесарь ремонтник
|
2
|
-
|
-
|
1
|
1
|
|
Электрик
|
2
|
-
|
-
|
1
|
1
|
|
Рабочий по уборке помещений
|
1
|
-
|
-
|
-
|
-
|
|
Итого
|
11
|
3
|
1
|
3
|
3
|
Разряд средний вспомогательных рабочих.
Коэффициент тарифный средний вспомогательных рабочих.
1.1 Численность инженерно - технических работников, служащих.
Численность ИТР, служащих зависит от типа производства,
характера выпускаемой продукции, применяемых ТП.
Таблица 4. Численность ИТР
|
Подразделения
|
Должность
|
Кол - во ставок
|
Месячн. оклад руб.
|
|
|
|
Одного
|
Всех
|
|
Производство
|
Начальник участка мастерских
|
1 2
|
14500 10000
|
14500 20000
|
|
|
|
|
|
|
Производственное диспетчерское бюро
|
Диспетчер Планировщик
|
0,5 1
|
9000 8000
|
4500 8000
|
|
Бюро технологического контроля
|
Контрольный мастер
|
0,5
|
12500
|
6250
|
|
Бюро труда и зарплаты
|
Нормировщик
|
0,5
|
8000
|
4000
|
|
Технологическое бюро
|
Технолог Программист
|
1 0,25
|
9000 16000
|
9000 4000
|
|
Итого
|
-
|
6,75
|
-
|
70250
|
Таблица 5. Численность служащих
|
Должность
|
Кол - во ставок
|
Месячный оклад руб.
|
|
|
Одного
|
Всех
|
|
Кладовщик
|
0,5
|
8000
|
4000
|
|
Табельщик
|
0,25
|
8000
|
2000
|
|
Бухгалтер
|
0,25
|
8000
|
2000
|
|
Итого
|
1
|
-
|
8000
|
В таблице 3, 4, 5 указана примерная численность и категории
работающих, все остальные: начальник цеха, заместители, инженеры по охране
труда и техники безопасности, экономисты и т.д. учитываются упрощенно в статье
«Накладные расходы».
Результаты деятельности предприятия, цеха, участка зависят не
только квалификации работников, но и от их желания и умения работать.
.4 Расчет планового фонда оплаты труда
Фонд оплаты труда - сумма денежных доходов всех работающих за
определенный период времени. Фонд оплаты труда состоит из прямого и
дополнительного фондов.
Прямой фонд - оплата непосредственного труда за создание
материальных и духовных ценностей.
- стоимость часа 1 - го разряда,
для производственных рабочих - 42 руб.,
для вспомогательных - 44 руб.
руб.
руб.
- сумма месячных окладов.
руб.
руб.
Дополнительный фонд оплаты труда - это доплаты премий и
уральских.
Доплаты начисляется за работы во вредных условиях труда, в
ночное время, сверхурочно, в праздники и т.д.
Премии начисляются в соответствии с премиальным положением
предприятия.

Уральские выплачиваются за работу в неблагоприятных
природно-климатических условиях.
ЕСН - единый социальный налог, который включается в себестоимость
продукции и после ее реализации перечисляется предприятием в пенсионный,
медицинский и социальный фонды.
Таблица 6. Сводная ведомость планового фонда оплаты труда
|
Состав ФОТ
|
Рабочие
|
ИТР
|
Служащ.
|
Всего
|
|
Основн.
|
Вспом.
|
|
|
|
|
Прямой фонд
|
4837521,36
|
2267869,12
|
843000
|
96000
|
8044390,48
|
|
Доплаты%
|
20
|
15
|
2
|
1
|
-
|
|
Сумма доплаты
|
967504,27
|
340180,36
|
16860
|
960
|
1325504,63
|
|
Премии%
|
40
|
30
|
30
|
25
|
-
|
|
Сумма премии
|
1935008,54
|
252900
|
24000
|
2892269,27
|
|
Итого
|
7740034,17
|
3288410,22
|
1112760
|
120960
|
12262164,4
|
|
Уральские, 15%
|
1161005,13
|
493261,53
|
166914
|
18144
|
1839324,66
|
|
Всего ФОТ
|
8901039,3
|
3781671,75
|
1279674
|
139104
|
14101489
|
|
Кол - во чел/став
|
34
|
11
|
6,75
|
1
|
52,75
|
|
Среднегод. ЗП, руб
|
261795,27
|
343788,34
|
189581,33
|
139104
|
267326,8
|
|
Среднемес. ЗП, руб
|
21816,27
|
28649,02
|
15798,44
|
11592
|
22277,23
|
|
ЕСН, 26%
|
2314270,22
|
89384,96
|
332715,24
|
36167,04
|
3666387,14
|
Оплата труда не только стимулирует работающих, но и является
частью себестоимости продукции.
3.5 Расчет потребности и стоимости материала
Деталь «Втулка» изготовлена из стали 95Х18-Ш. Стоимость одной
тонны материала 40 тыс. руб.; транспортно - заготовительные расходы составляют
около 10% от стоимости материала. Стоимость одной тонны отходов 15 тыс. руб.
Реализуется только 80% отходов.
(16) [3]
Масса заготовки
кг
Стоимость закупленного материала
руб.
Стоимость реализуемых отходов
руб.
Таблица 7. Ведомость потребности и стоимости материала
|
Состава
|
Потребность
|
Сумма
|
|
кг
|
тонн
|
руб
|
тыс. руб
|
|
Заготовка
|
0,05
|
13,1
|
2,2
|
5269,5
|
|
Транспортно - заготов. расходы
|
-
|
-
|
0,2
|
526,9
|
|
Итого
|
-
|
-
|
2,4
|
5796,6
|
|
Отходы реализуемые
|
0,015
|
3,95
|
0,18
|
474,2
|
|
Стоимость материала в себест. продукции
|
|
|
2,02
|
532,2
|
При разработке тех. процесса необходимо стремится к тому,
чтобы форма и размер исходной заготовки были близки к форме и размерам готовой
детали, что уменьшит трудоёмкость механической обработки, сократит расход
металла, режущего инструмента, электроэнергии и т.д., а в целом приведет к
снижению себестоимости.
3.6 Плановая калькуляция
Себестоимость продукции важнейший показатель деятельности
предприятия, цеха, участка.
(17) [2]
- стоимость закупленного материала;
- отходы реализуемые;
- зарплата производственных рабочих с начислением; состоит из
прямой и дополнительной зарплаты.
ЕСН - единый социальный налог
ЦР - цеховые расходы
Цеховые расходы - это затраты на пар, газ, воду, электроэнергию,
содержание вспомогательных рабочих, оборудования, заданий, содержание
администрации и т.д. По данным предприятия - ЦР = 400%
Таблица 8. Плановая калькуляция цеховой себестоимости детали
«Втулка»
|
Статьи калькуляции
|
Сумма руб.
|
% к итогу
|
|
Прямые затраты
|
|
|
|
Стоимость заготовки с транспортными расходами
|
2,2
|
|
|
Стоимость реализованных отходов
|
0,18
|
|
|
Стоимость материла себестоимость. дет.
|
2,02
|
1,6
|
|
Зарплата прямых произв. рабочих
|
33,78
|
26,82
|
|
Зарплата дополн. произв. рабочих
|
19,73
|
15,66
|
|
ЕСН произ. рабочих
|
8,78
|
6,9
|
|
Итого прямых зарплат
|
66,69
|
52,95
|
|
Итого цеховые расходы
|
59,25
|
47,04
|
|
Всего себест. цеховая
|
125,94
|
100,0
|
3.7 Сравнительная экономическая эффективность методов
обработки
Одну и ту же деталь можно обрабатывать разными способами, при
этом тех. характеристики будут одинаковыми, а себестоимость детали разной.
Технологическая себестоимость - это та часть себестоимости,
которая от выбранного варианта тех. процесса.
Предлагается токарный станок ИЖ-250 заменить на 16К20Ф3.
Таблица 9. Исходные данные для расчета
|
Данные для расчета
|
Базовый вариант
|
Проектируемый вариант
|
|
Время изготовления
|
0,24
|
0,16
|
|
Стоимость часа, руб.
|
44
|
34
|
|
Стоимость оборудов., руб.
|
1500000
|
3100000
|
|
Норм. К срока окупаем.
|
0,17
|
0,17
|
|
Кол-во оборуд.
|
27
|
14
|
|
Выпуск
|
50000
|
50000
|
Стех=(ЗПпрям+РСЭО)*Вгод
ЗПпрям=Сч.n*Тр
ЗПпрям1=44*0,24=10,56 руб.
ЗПпрям2=34*0,16=5,44 руб.
РСЭО=ЗПпрям*Крсэо
РСЭО=10,56*3,8=40,128 руб.
РСЭО=5,44*3,8=20,672 руб.
Стех1=(10,56+40,128)*50000=2534400 руб.
Стех2=(5,44+20,672)*50000=1305600 руб.
Капитальные затраты по вариантам составляют
К=Собор*Кобор
К1=1500000*27=40500000 руб.
К2=3100000*13=40300000 руб.
Рассчитаю экономическую эффективность от применяемого более
прогрессивного оборудования.
Эф=(С2-С1)+Ен(К2-К1)=1262800
руб.
Рассчитаю приведенные затраты по вариантам.
Зприв=Стех+Ен*К 18) [4]
Зприв1=2534400+0,17*40500000=9419400
Зприв2=1305600+0,17*40300000=8156600
Эф=Зприв2-Зприв1=8156600-9419400=-1262806
Расчеты выполнены аналитически по всем нововведениям; общая
экономическая эффективность составляет около 1800 тыс. руб.
3.8
Организация транспорта на предприятии
Работа современного механического цеха связана с перемещением
значительного количества разнообразных грузов.
Основное назначение транспортной системы в механическом цехе:
· Доставка со склада в требуемый момент
времени к требуемому производственному участку грузов.
· Доставка ориентирование и установка
заготовок, полуфабрикатов или изделий в требуемый момент времени на требуемое
технологическое оборудование.
· Съем полуфабрикатов или изделий с
оборудования и последующее транспортирование их в заданный адрес.
· Отправка в накопитель в требуемый момент
времени.
· Доставка полуфабрикатов или готовых изделий
с производственных участков на склад.
Внутри цехов заготовки, детали и сборочные единицы в процессе
изготовления и сборки транспортируются между кладовыми и участками с одного
участка на другой, а на участках - между рабочими местами.
Структура транспортного хозяйства механического цеха зависит
от характера выпускаемой продукции, состава цеха.
Транспортная система должна своевременно и в требуемой
последовательности обеспечить пополнение всех запасов технологического
оборудования, накопление на складах необходимого количества заготовок,
полуфабрикатов и готовых изделий.
При выборе способа транспортировки и элементов транспортной
системы следует ориентироваться на разработанную классификацию грузов и
транспортных систем.
Грузы квалифицируют по транспортным - технологическим
характеристикам.
Для более подробной характеристики грузопотоков в целях
оптимального выбора транспортной системы грузы подразделяют на группы:
· По массе транспортируемых грузов
Легкие
Средние
Тяжелые
· По способу загрузки - в таре, без тары,
навалом, ориентированные;
· По форме - тела вращения, корпусные,
дискообразные, спицеобразные и т.д.
· По виду материала - металлические, не
металлические и т.д.
· По свойствам материала - твердые, хрупкие,
пластичные, магнитные и т.д.
Применяемые транспортные средства классифицируют следующим
образом:
· По способу действия - прерывного и
непрерывного действия.
· По виду транспорта - рельсовые
(железнодорожные), безрельсовые, водные, подъемно - транспортные средства и
специальные.
· По назначению - внешние, межцеховой и
внутрицеховой.
· По направлению перемещения грузов -
горизонтальные, вертикальные (лифты, подъемники), горизонтально - вертикальные
(наклонные канаты).
Развитие механизации межцехового и внутрицехового транспорта
идет, по линии комплексной механизации путем все более широкого применения
конвейерных устройств.
Число электрокар рассчитываю по формуле:
- вес груза, перевозимого по годовой программе;- средняя
длина маршрута;=20 м/мин - средняя скорость движения;- число погрузочно -
разгрузочных пунктов;погр+tразгр=15 мин - время погрузки
и разгрузки;=1500 кг - грузоподъемность одной электрокары;
К=0,8 - коэффициент использования электрокары;
Ф - годовой фонд работы оборудования;
К1=0,9 - коэффициент, учитывающий потери времени
на ремонт.
шт.
Принимаю n = 2 шт.
Эффективность производственного процесса во многом зависит от
способа реализации транспортирования, поскольку транспортные операции являются
непосредственным выражением связей между определенными этапами технологического
процесса, следовательно, от ритмичной и качественной работы транспорта зависит
себестоимость продукции.
3.9 Мероприятия по охране окружающей среды на
предприятии
В XX веке использование всех без исключения металлов
многократно возросло. Влияние человека на биосферу показывает, что
технологический процесс постоянно увеличивает возможность воздействия на
окружающую среду и создает предпосылки для возникновения экологических
процессов. В то же время прогресс расширяет возможности устранения создаваемых
человеком ухудшений природной среды.
Интенсивное развитие экономики сопровождается одноцелевым
использованием природных ресурсов, огромными объемами добычи и продажи сырья,
отсутствие должной системы переработки бытовых и производственных отходов.
В декабре 1997 года обеспечение национальной безопасности РФ
в экологической сфере становится актуальным направлением деятельности
государства и общества. К числу приоритетных направлений в области экологической
безопасности относятся:
• борьба с загрязнением природной среды за счет
высокой безопасности технологий связанных с захоронением и утилизации токсичных
производственных отходов;
• борьба с радиоактивным загрязнением;
• создание экологически чистых технологий.
Регулярная очистка от отходов - это неотъемлемая часть
гигиены и экологии любого производства. Удалить отходы надо в короткие сроки,
чтобы предотвратить загрязнение воздуха и воды. Обезвреживание отходов на
заводах отвечает самым высоким требованиям санитарии и экологии. Этот метод
позволяет сэкономить десятки гектаров земли на свалках, обеспечить высокую
степень утилизации отходов, возможность полного использования продуктов
сжигания для получения энергии.
Защита окружающей среды на предприятии должна всегда стоять
на первом месте. Ведь если люди будут работать в суровой экологической
обстановке, то срок их жизненного цикла может сократиться, а экологическая
обстановка со временем будет только ухудшаться.
3.10 Организация контроля на предприятии
Основными задачами ОТК являются предотвращение выпуска
некачественной продукции, укрепление производственной дисциплины и повышение
ответственности всех звеньев производства за качество выпускаемой продукции.
Основное содержание работы ОТК: проверка исходных материалов
инструментов и других ценностей, которые будут использованы для производства
продукции; контроль продукции на всех стадиях ее изготовления; контроль
соблюдения технологической дисциплины в цехах; оформление соответствующих
документов о приемке годной продукции и документов на забракованные изделия
ценности, которые поступили с других предприятий; участие в испытаниях новых и
модернизированных изделий, проведение анализа брака, участие в работах пои
подготовке продукции к аттестации; контроль выполнения работ по изолированию
брака; разработка мероприятий по повышению качества продукции; разработка и
внедрение прогрессивных форм и методов технического контроля.
ОТК возглавляется начальником, который подчиняется
непосредственно директору. Начальник ОТК назначается и увольняется вышестоящим
органом на предприятии по представлению директора предприятия.
В целях усиления контроля качества продукции министерство
может установить иной порядок подчиненности начальника ОТК, в том числе
непосредственно вышестоящему органу.
Система технического контроля на предприятии включает в себя:
. Виды контроля в зависимости от места их проведения.
Стационарный контроль - это контроль деталей, сборочных единиц, изделий,
осуществляемый на рабочем месте контролера, куда объекты контроля направляются
после завершения операций. Летучий контроль - периодическое наблюдение за
качеством выполнения технологического процесса непосредственно на рабочем месте
самого рабочего. В этом случае контролер через определенные промежутки времени
подходит к рабочему и проверяет на выборку детали, тем самым, предупреждая
появление брака.
. Методы контроля - визуальный, геометрический, лабораторный
анализ, испытания. Визуальный контроль - проводится с целью обнаружения внешних
дефектов: царапин, вмятин и т.п. Такой контроль может производиться
невооруженным глазом или с помощью луп, стекол и т.д. Геометрический контроль -
это проверка точности геометрических форм и размеров, при этом используются
разнообразные измерительные инструменты и шаблоны. Лабораторный анализ -
осуществляется для установления механических, физических и др. свойств
материалов, заготовок, деталей. Испытания проводятся либо на спец. стендах,
либо другим путем для выявления соответствия материала или изделия
предъявляемым требованиям; испытания могут быть как с разрушением, так и без
него.
. Существует контроль сплошной и выборочный. При сплошном
контроле проверяется вся партия деталей; при выборочном - часть партии, и на
основании данных о качестве этой части судят о качестве всей партии.
. Формы контроля: 1) в зависимости от назначения различают
контроль предупредительный и последующий. Предупредительный - это контроль
материалов, первых деталей, изготовленных после наладки или переналадки
оборудования, а так же проверка оборудования и оснастки с целью предупреждения
брака. Последующий - контроль партии объектов производства, уже прошедших
обработку, с целью выявления дефектов и установления уровня качества продукции.
2) в зависимости от момента проведения различают контроль входной,
промежуточный и окончательный. Входной контроль - это проверка материалов,
заготовок, деталей перед выдачей их в производство. Промежуточный - контроль
после выполнения какой-то части производственного процесса. Окончательный -
контроль деталей, изделий, полностью изготовленных, которые направляются в
следующий цех или потребителю.
В моем тех. процессе применяются специальные ручные средства
контроля - пробки, резьбовые калибры, скобы, листовые шаблоны и т.д.
На разработанном мной участке мех. цеха также применяются
профилактические методы борьбы с браком: широкое проведение летучего и
использование статического контроля; тщательная проверка каждой первой детали
после наладки и отладки станка; проверка марки материала перед термообработкой;
систематический контроль за качеством средств производства. Считается, что
правильная организация тех. контроля позволит предприятию в целом работать
более производительно, а также снизит материальные потери.
Таблица 10. Комплекс технико-экономических показателей
|
Показатели
|
Размерность
|
Значение
|
|
Годовой выпуск
|
Шт.
|
1000
|
|
Приведенная программа
|
Шт.
|
527850
|
|
Принятое количество оборудования
|
Шт.
|
27
|
|
Коэффициент загрузки оборудования, средний
|
-
|
0,907
|
|
Численность производственных рабочих
|
Ставок
|
42
|
|
Численность вспомогательных рабочих
|
Ставок
|
11
|
|
Численность ИТР
|
Ставок
|
6,75
|
|
Численность служащих
|
Ставок
|
1,0
|
|
Среднемесячная З/П одного производственного
рабочего
|
Руб.
|
12353
|
|
Среднегодовая З/П одного производственного
рабочего
|
Руб.
|
148239
|
|
Фонд оплаты труда
|
Руб.
|
6226,3
|
|
Цеховые расходы
|
Руб.
|
25,6
|
|
Цеховая себестоимость
|
Руб.
|
43,16
|
Расчеты показали, что спроектированный технологический
процесс может быть использован в производстве.
3.11 Расчет площадей и планировка участка цеха
Расчет станочных площадей:
Станок - Токарный с ЧПУ 16К20Ф3
х 1710 х 2=119011200 мм2
Станок - Фрезерный 6Р81
х 1990 х 3=8835600 мм2
Станок - Шлифовальный 3А151
х 2241 х 10=111489750 мм2
Станок - Сверлильный 2А112
х 1030 х 9=15759000 мм2
Общая площадь всех станков
+ 15759000 + 8835600 + 111489750=255095550 мм2
Заключение
При выполнении данного дипломного проекта был разработан
участок механического цеха, просчитана экономическая эффективность от создания
участка. Также разработан технологический процесс обработки детали «Втулка»,
согласно расчетам было подобрано оборудование в количестве 25 станков, принято
50 рабочих, это позволило создать двухсменный режим работы, использована тех.
оснастка, подобран мерительный и режущий инструменты.
По экономическим расчетам был подсчитан годовой фонд и
среднемесячная заработная плата рабочим -21816 руб., ИТР - 15798 руб., служащим
-11592 руб.
При выполнении расчетов была использована справочная и
методическая литература. Я приобрела навыки пользования технологической и
справочной документацией, овладела методикой составления технологического
процесса и применения его на производстве.
Список
литературы
1. М.А. Ансеров «Приспособления для
металлорежущих станков» 2007 г.
2. Н.Б. Антонова «Экономика предприятия»
2009 г.
. В.И. Анурьев «Справочник конструктора
машиностроителя» 2010 г.
. Д.Г. Белецкий «Справочник токаря -
универсала» 2009 г.
. А.Ф. Горбацевич. «Курсовое
проектирование по технологии машиностроения»
. А.Г. Горошкин «Приспособление для
металлорежущих станков»
. Я.Л. Гуревич «Режимы резания трудно -
обрабатываемых материалов.» 2006 г.
. В.В. Данилевский. «Справочник молодого
технолога-машиностроителя».
. И.С. Добрыднев. «Курсовое проектирование
по предмету «Технология машиностроения» 2008 г.
. А.П. Ковалев «Экономика для технических
вузов» 2011 г.
. Н.С. Козловский «Основы стандартизации
допуски, посадки и технические измерения.» 2008 г.
. Е.М. Корастылёва «Экономика, организация
и планирование машиностроительного производства.» 2009 г.
. А.Г. Косилова «Справочник технолога
машиностроителя» 2006 г.
. Н.А. Нефёдов. «Дипломное проектирование
в машиностроительных техникумах.» 2007 г.
. Н.А. Нефедов. «Сборник задач и примеров
по резанию металлов и режущему инструменту» 2008 г.
. А.С. Пелиха «Экономика отрасли» 2006 г.
. «Справочник технолога машиностроения.
Том №2»
. «Справочник технолога нормировщика» 2010
г.