Проектирование участка механического цеха по изготовлению детали 'Колесо'

  • Вид работы:
    Дипломная (ВКР)
  • Предмет:
    Другое
  • Язык:
    Русский
    ,
    Формат файла:
    MS Word
    482,75 Кб
  • Опубликовано:
    2016-05-16
Вы можете узнать стоимость помощи в написании студенческой работы.
Помощь в написании работы, которую точно примут!

Проектирование участка механического цеха по изготовлению детали 'Колесо'

ВВЕДЕНИЕ

Среди всех отраслей промышленности машиностроение занимает первое место по доле в валовой продукции и промышленно-производственном персонале, второе место по доле в промышленно-производственных фондах, а также в структуре экспорта.

С каждым годом возрастает роль технологических подразделений предприятия, проектирующих технологию изготовления продукции. Ведь именно от правильного выбора варианта технологического процесса, его оснащения, автоматизации и механизации, применения оптимальных режимов обработки зависит трудоёмкость и качество выпускаемой продукции, её конкурентоспособность. Поэтому в настоящее время инженер-технолог должен в совершенстве владеть методами функционально-стоимостного анализа, уметь работать с персональным компьютером, его технологические и экономические знания должны постоянно повышаться, обновляться и совершенствоваться.

Машиностроению принадлежит ведущая роль среди других отраслей экономики, так как основные производственные процессы выполняют машины. Поэтому и технический уровень многих отраслей в значительной мере определяет уровень развития машиностроения.

Отдельный, особый смысл здесь приобретает понятие качества продукции - отдельных деталей и сборочных единиц в целом и способы и средства достижения высокого качества продукции. Одним из важных факторов является выбор металлорежущего оборудования.

Наряду с повышением точности современные станки оснащаются регулируемыми электроприводами, средствами электроавтоматики. В связи с применением ЧПУ при обработке на станках увеличивается степень концентрации технологических переходов на каждом отдельном станке и с целью повышения надежности их оснащают средствами диагностирования и оптимизации обработки, что весьма важно при использовании станка в составе гибкой производственной системы.

В нашем дипломном проекте, мы спроектировали участок механического цеха по изготовлению детали «Колесо». Актуальность исследования нашего дипломного проекта заключается в усовершенствовании базового технологического процесса изготовления детали «Колесо».

Перед собой мы ставили следующие задачи:

закрепить знания по проектированию технологических процессов с выбором оборудования, приспособлений, инструмента;

выбрать и обосновать базы;

рассчитать режимы резания;

рассчитать нормы времени по операциям;

рассчитать и выполнить план участка для изготовления детали «Колесо»;

провести технико-экономический анализ эффективности технологического процесса.

. АНАЛИТИЧЕСКАЯ ЧАСТЬ

1.1     Описание конструкции и назначение детали

Деталь «Колесо» с пазом в отверстии имеет массу детали 3,9 кг, габаритные размеры: наибольший наружный диаметр 174 мм, длина 25 мм, модуль m=2, количество зубьев Z=85.

Данная деталь относится к классу «Диск». Колесо изготовлено из

Стали 45 ГОСТ 1050-88 и закалено до твердости HRC 42…52.

Деталь представляет собой тело вращения с центральным отверстием. Назначение детали - передача вращающих моментов. Деталь работает на кручение.

Анализ технических требований.

К данной детали предъявляются следующие технические требования:

изготовление из Стали 45 ГОСТ 1050-88;

калить до твердости HRC 42…52;

точность взаимного расположения поверхностей: допуск на радиальное биение зубчатого венца Е=0,080 мм. Все остальные допуски расположения поверхностей в пределах допуска на размер по чертежу;

точность геометрической формы поверхностей: допуск на колебание длины общей нормами . Все остальные допуски геометрической формы в пределах допуска на размер по чертежу;

анализ точности размеров и степени шероховатости поверхностей производим согласно эскизу детали 1, где пронумеруем все поверхности и нанесем выполняемые размеры, шероховатость.

Результаты занесем в таблицу 1.

Рисунок 1 - Эскиз детали с нумерацией обрабатываемых поверхностей.

Таблица 1 - Точность размеров и степень шероховатости поверхностей детали

№ пов-ти

Наименование, размер пов-ти, мм

Предельные отклонения размера

Шероховатость Ra, мкм

Диаметры

1

0 -0,1

1,6

4

+0,046 0

0,8

Длины

8

10js9

+0,018 0

1,6

9

68,3

+0,16 0

0,8

2 и 3

25

±2

1,6


Материал детали и его свойства.

Для изготовления детали применяется углеродистая конструкционная Сталь марки 45 по ГОСТ 1050-88, цифры в марке указывают примерное содержание углерода в сотых долях - 0,45%, остальное железо и примеси, которая применяется для изготовления деталей: шестерни, валы, втулки и т.д.

Таблица 2 - Химический состав Стали 45 ГОСТ 1050-88

Марка стали

Массовая доля элементов в %


С

Si

Mn

Сr

P

S

Аs

45

0,42-0,50

0,17-0,37

0,50-0,80

Не более 0,25

Не более 0,035

Не более 0,04

Не более 0,08


Таблица 3 - Механические свойства Стали 45 ГОСТ 1050-88

НВ

, МПа

, МПа

, %

193

363

600

16


Таблица 4 - Режим термической обработки Стали 45 ГОСТ 1050-88

Режим

Температура нагрева, °С

Среда охлаждения

Закалка

820-860 Время выдержки до 30 мин.

Вода или масло

Высокий отпуск

550-600 Время выдержки 1 час.

Воздух


1.2 Отработка детали на технологичность

Анализ технологичности детали проводим по количественной и качественной оценкам.

Качественная оценка.

Деталь относится к классу колес. Её поверхности состоят из зубчатой поверхности и торцевых поверхностей, не требующей сменной формы заготовки. Деталь просто формы. Для изготовления не требуется сложная технологическая оснастка: приспособления, режущий и мерительный инструмент. Деталь прочная, жесткая l/D<12. Материал детали позволяет вести обработку резанием без затруднений. Таким образом, по качественной оценке деталь технологична.

Количественная оценка.

Данную оценку технологичности производим по коэффициенту унификации.

, (1)

,

где  - число унифицированных элементов;

 - число конструктивных элементов.

Деталь имеет самый высокий квалитет точности 8-й, следовательно деталь технологична. Деталь не требует доводочных операций, значит и по шероховатости деталь технологична.

Вывод: на основании качественной и количественной оценок считаем, что деталь технологична.

. ТЕХНОЛОГИЧЕСКАЯ ЧАСТЬ

2.1        Выбор и обоснование типа производства

Тип производства определим исходя из массы детали 3,9 кг и заданной программы выпуска деталей в год  шт.

Определим величину партии запуска:

 (2)

 (шт).

Принимаю партию - 160 шт,

где  - годовой объём выпуск в шт;

 - число рабочих дней в году;

 (3)

 

где  - количество выходных дней;

 - праздничные дни;- необходимый запас деталей на складе в днях, обычно принимают q=6÷8 дней.

Серийное производство характеризуется ограниченной номенклатурой изделий, изготовляемых периодически повторяющимися партиями, и сравнительно больших объёмов выпуска, чем в единичном типе производства.

При серийном производстве обычно используют универсальные, специализированные, агрегатные и другие металлорежущие станки, оснащенные как специальными, так и универсальными и УСП приспособлениями, что позволяет снизить трудоёмкость, себестоимость изготовления детали.

В серийном производстве технологический процесс преимущественно дифференцирован, т.е. расчленен на отдельные самостоятельные операции, выполняемые на определенных станках.

Организация труда в серийном производстве отличается высокой специализацией. Особенности серийного производства обуславливают экономическую целесообразность выпуска продукции по циклически повторяющемуся графику.

2.2        Выбор и обоснование метода получения заготовки

Для изготовления детали «Колесо» возможны два варианта заготовок:

поковка с отверстием;

поковка без отверстия.

1 вариант - поковка с прошитым отверстием.

Рисунок 3 - Эскиз поковки с прошитым отверстием

Определим объем заготовки.

 (9)

 

где  - наружный диаметр заготовки;

 - внутренний диаметр заготовки;

 - длина заготовки.

Масса поковки с прошитым отверстием.

 (10)

.

Коэффициент использования металла.

, (11)

.

Стоимость заготовки определим по формуле:

 (12)

)

где Ц - стоимость 1 тонны металла, Ц=15000 руб.

2 вариант поковка без отверстия.

180

Рисунок 2 - Эскиз поковки без отверстия

 (3)

 

 (4)

 

где - общий припуск на две стороны;

 - номинальный диаметр;

 - номинальный размер длины;

 - общий припуск на торец и уступ.

Определим объем заготовки:

 (5)

 

где длину L и диаметр D подставляем в сантиметрах, чтобы затем проще производить подсчет массы, т.к. удельный вес железа

.

Масса штампованной заготовки:

, (6)

.

Зная по чертежу массу детали, определим коэффициент использования металла.

 , (7)

.

Стоимость заготовки определим по формуле:

, (8)

 

где Ц - стоимость 1 тонны металла, Ц=15000 руб.

Таблица 5 - Проведем сравнительную характеристику вариантов

Вариант вида заготовки

Стоимость, руб.

Штамповка без отверстия

0,63

125,8

Штамповка с отверстием

0,72

111


Вывод: предлагаемый второй вариант поковки с прошитым отверстием является наиболее экономичным и позволяет повысить коэффициент использования металла.

Определение припусков на основные обрабатываемые поверхности детали по действующим нормативам.

Припуски на основные поверхности назначим по ГОСТ 7505-89 и оформим в виде таблицы 6, используя нумерацию поверхностей детали на рисунке 1.

Таблица 6 - Припуски и допуски на основные поверхности

Номер поверхности детали

Размер

Припуск на сторону, мм

Допуск, мм

Расчетный размер заготовки



Расчетный

Табличный



2 и 3

25

-

3

+1,0 -0,4

1

Ø174

-

3

+1,1 -0,7

4

Ø65Н8

2,3

3

+1,0 -0,4


Полученные размеры заготовки являются основными для выполнения чертежа колеса графической части курсового проекта.

деталь колесо материал заготовка

2.3        Разработка маршрутной технологии обработки детали с выбором оборудования, оснастки и инструмента

Маршрут обработки заданной детали назначаем с учетом анализа аналогичного типового техпроцесса, выбранных типа производства и метода получения заготовки.

При выполнении эскизов в маршруте обработки пользуемся нумерацией поверхностей на рисунке 1.

Таблица 7 - Технологический маршрут обработки

№ опер.

Наименование и содержание операции

Эскиз обработки. Базирование.

Оборудование, приспособление, инструмент

1

2

3

4

005

Токарно-револьверная. 1 переход: подрезать торец 3. 2 переход: сверлить отв.4. 3 переход: зенкеровать начерно отв.4. 4 переход: зенкеровать начисто отв.4. 5 переход: развернуть отв.4 начерно. 6 переход: развернуть отв.4 начисто. 7 переход: зенкеровать фаску 6.

  База: черновая поверхность 1, торцевая поверхность 2.

1П371; ПР: патрон 3х кулачковый; РИ: резец проходной Т15К6, сверло Ø60 Р6М5, зенкер черновой Т15К6 , зенкер чистовой Р6М5 , развертка черновая Р6М5 , развертка чистовая Р6М5 , зенковка коническая Р6М5; СИ: калибр-пробка 65Н8, штангенциркуль.

010

Протяжная. Протянуть паз 8 10js9.

 База: поверхность 3.

7А510; ПР: адаптер; РИ: протяжка шпоночная Р18; СИ: шаблон 10js9, штангенциркуль.

015

Токарная. Точить пов-ти 2, 1, фаски 5, 7, 10.

  База: отверстия 4, торец 3.

16К20; ПР: оправка кулачковая фланцевая; РИ: резец проходной Т15К6; СИ: штангенциркуль.

020

Зубофрезерная. Нарезать зубья Z=85, m=2 на поверхности 1 одновременно.

  База: отверстие 4, торец 2.

5В32; ПР: оправка; РИ: фреза червячная Р18; СИ: штангенгзубомер.


2.4        Выбор и обоснование баз

При выборе баз пользуемся основными принципами базирования заготовки:

по возможности совмещать установочную базу с измерительной;

за основную базу принимать поверхности детали, лишающие заготовку максимального числа степеней свободы, затем определять остальные базы;

черновую базу использовать только на черновой операции;

в процессе обработки соблюдать постоянство выбранных баз.

В данном случае при обработке одного из торцов и отверстия принимаю за установочную базу поверхность, двойную опорную цилиндрическую поверхность (установка детали в патроне). При обработке другого торца базой является обработанное отверстие и торец. При протягивании шпоночного паза базирование аналогичное.

2.5        Аналитический расчет межоперационных припусков на поверхность на обработку отверстия

Исходные данные.

Заготовка - штамповка 2 класса точности.

Масса штамповки - 5,4 кг.

Материал штамповки Сталь 45 ГОСТ 1050-88.

Определим технологический маршрут обработки поверхности.

Сверление Н12.

Зенкерование черновое Н11.

Зенкерование чистовое Н10.

Развертывание черновое Н9.

Развертывание чистовое Н8.

Занесем данные в таблицу:

Таблица 8 - Сводная таблица расчета

Технол. Переход

Точность раз-ов

Элементы припуска, мкм.

2Zmin, мкм.

Dр, мм

Допуск δ, мкм.

Предельный размер, мм.

Предельное значение припуска, мкм.



Rz

Т

ρ

ε




dmin

dmax

2Zmin

2Zmax

1

2

3

4

5

6

7

8

9

10

11

12

13

Заготовка штамповка

2 кл

200

250

1360

-

-

60,369

1500

58,869

60,369

-

-

Сверление

Н12

50

70

81,6

140

3634

64,003

300

63,703

64,003

3634

4834

Зенкерование черновое

Н11

40

40

68

7

404

64,407

190

64,217

64,407

404

514

Зенкерование чистовое

Н10

32

30

54,4

-

296

64,703

120

64,583

64,703

296

366

Развертывание черновое

Н9

5

10

40,8

232

64,935

74

64,861

64,935

232

278

Развертывание чистовое

Н8

3,2

5

2,7

-

111

65,046

46

65

65,046

111

139

Итого:

4677

6131


Запишем соответствующие заготовке и каждому техническому переходу значение элементов припуска.z - высота неровностей поверхности, оставшихся после выполнения предшествующего технологического перехода (мкм).

Т - глубина дефектного поверхностного слоя (мкм).Z=200; T=250;Z1=50; T1=70;Z2=40; T2=40;

RZ3=32; T3=30;Z4=5; T4=10;

RZ5=3,2; T5=5;

Суммарное отклонение ρзаг определим по формуле:

 (мкм) (13)

где  - смещение штампов, таблица П13, , штамповка на прессе, нормальная точность.

 - отклонение от концентричности, мкм, .

 

Величину остаточного пространственного отклонения  для следующих технологических переходов определим по формуле:

 (14)

где  - коэффициент уточнения, по таблице П15, .

;

;

;

;

;

Погрешность установки на первом переходе при установке штамповки по черновой базе в трехкулачковом патроне определим по формуле:

 (15)

 

где , установочная база совпадает с измерительной;

 - погрешность закрепления на плоскость .

 (16)

.

Расчет минимальных значений припусков произведем по формуле:

 (17)

где индексы (i-1) означают, что величины нужно брать на предшествующем переходе.

 

;

 

 

.

Выберем допуски для квалитетов Н12, Н11, Н10, Н9, Н8 и запишем в таблице 8, графа 9.

Заполним графу 8, начиная записывать с конечного наименьшего предельного размера обработанной детали , т.е. Ø65,046 мм.

Затем последовательно вычитаем «расчетный припуск 2Zmin» каждого технологического перехода.Р5 =65,046 (мм);Р4 =65,046-0,111=64,935 (мм);Р3 =64,935-0,232=64,703 (мм);Р2 =64,703-0,296=64,407 (мм);Р1 =64,407-0,404=64,003 (мм);Р.заг =64,003-3,634=60,369 (мм).

Графа 11 «наибольшие предельные размеры dmax» заполняем по расчетным размерам графы 8, округлив их до точности соответствующего перехода.

В графе 10 предельные размеры dmin определяем вычитанием допусков соответствующих переходов из наибольших предельных размеров графы 11.min5=65,046-0,046=65 (мм);min4=64,935-0,074=64,861 (мм);min3=64,703-0,12=64,583 (мм);min2=64,407-0,19=64,217 (мм);min1=64,003-0,3=63,703 (мм);min.заг=60,369-1,5=58,869 (мм).

Графа 12. Предельные значения припусков Zmin определяем как разность наибольших предельных размеров предшествующего и выполняемого переходов.

2Zmin1=64,003-60,369=3,634 (мм);

Zmin2=64,407-64,003=0,404 (мм);

Zmin3=64,703-64,407=0,296 (мм);

Zmin4=64,935-64,703=0,232 (мм);

Zmin5=65,046-64,936=0,111 (мм).

Графа 13. Предельные значения припусков Zmax определяем как разность наименьших предельных размеров предшествующего и выполняемого переходов.

2Zmax1=63,703-58,869=4,834 (мм);

Zmax2=64,217-63,703=0,514 (мм);

Zmax3=64,583-64,217=0,366 (мм);

Zmax4=64,861-64,583=0,278 (мм);

Zmax5=65-64,861=0,139 (мм).

Общие припуски.

;

.

Проверка расчета.

 (18)

1500-46=6131-4677;

=1454.

;

.

Расчет произведен верно.

Рисунок 4 - Схема припусков, допусков и размеров на обработку отверстия Ø65Н8

2.6   Расчет режимов резания

2.6.1 Аналитический расчет режимов резания на обработку наружной поверхности детали

Исходные данные: операция 020 - зубофрезерная, нарезать z=85, m=2. Фреза червячная модульная.

Определим глубину резания и число проходов фрезы.

Цилиндрические шестерни до модуля m=2 нарезают за один проход начисто.

 (19)

.

Определим подачу (мм/об) нарезаемого зубчатого колеса.

.

Выбранную подачу умножаем на поправочные коэффициенты.

, (20)

.

По паспортным данным станка S=0,75 мм/об.

Назначаем период стойкости фрезы Т=240 мин.

Исходя из выбранной стойкости принятой подачи определяем скорость резания по формуле с учетом всех поправочных коэффициентов.

, (21)

.

 - поправочный коэффициент на скорость, как произведение коэффициентов;

, (22)

.

Определим частоту вращения шпинделя:

 

.

Корректируем по паспорту станка: .

Определим действительную скорость резания.

 

 

.

Определим мощность, затрачиваемую на резание.

 

(кВт)

Определим основное технологическое время.

 

 

где L - длина пути в направлении подачи, мм.

=l+x+y;

; l=25; y=2-3 (мм).

;=18,5+2,25=45,5.- число заходов фрезы.

2.6.2     Сводная таблица режимов резания на технологический процесс обработки детали

Деталь «колесо зубчатое», материал детали - Сталь 45 ГОСТ 1050-88.

Заготовка - штамповка с прошитым отверстием.

Станок - горизонтально-протяжной 7А510.

Скорость рабочего хода .

Скорость обратного хода .

Тяговое усиление станка Q=100000 Н.

Мощность электродвигателя N=14 кВт.

Коэффициент полезного действия .

Режущий инструмент - шлицевая протяжка профильного резания из быстрорежущей стали Р18, охлаждение - 5% эмульсия.

Определим геометрические параметры протяжки.

.

Шаг зубьев t=10мм, длина рабочей части протяжки .

Для обработки стали при ширине протягивания В=10 мм, подача на зуб на чистовых зубьях , на черновых .

Данные значения подачи на зуб корректируем с учетом поправочных коэффициентов на подачу для измененных условий работы для обработки отверстия , для схемы резания

Для параметра шероховатости обработки поверхности Ra=5,0-2,5 мкм, .

 

).

 

.

По чертежу подача на черновых зубьях протяжки , а на чистовых . Это меньше допустимых подач, следовательно, условия расчетной стойкости протяжки сохраняются.

Проверяем возможность применения протяжки по тяговому усилию станка. Для Стали 45 шириной протягивания В=10 мм подача на зуб  и с учетом поправочного коэффициента на передний угол ; осевая сила, действующая на протяжку:

 

.

Условие  выполняется.

Выбранная протяжка пригодна для эксплуатации для стали 45, с шириной протягивания В=10, подача на зуб , скорость резания V=5,3 м/мин=0,088 м/сек.

С учетом поправочных коэффициентов на режим резания типа обработанной поверхности паза , марка материала режущей части протяжки - сталь Р18, .

Схема резания - профильная , скорость резания:

 

.

Станок 7А510 обеспечивает .

Определяем скорость резания, допускаемую мощностью электродвигателя станка.

 

.

Найденная скорость резания  удовлетворяет условию .

Определим основное технологическое время.

 

.

Таблица 9 - Сводная таблица режимов резания по операциям и суммарное основное время обработки детали

№ п/п

Наименование операции и содержание переходов

Модель станка

t, мм

S, мм/об

V, м/мин

n, мин-1

L, мм

T0, мин

005

Токарно-револьверная. 1пер.Подрезать торец. Поз.1 Сверлить отверстие. Поз.2 Зенкеровать начерно. Поз.3 Зенкеровать начисто. Поз.4 Развернуть начерно. Поз.5 Развернуть начисто. Поз.6 Зенковать фаску.

1П371

2 2,3 0,4 0,2 0,1 0,07 2,0

0,5 0,3 0,3 0,3 0,1 0,1 0,1

38,4 13,3 48,0 48,0 16,0 16,0 30,0

280 280 280 280 96 96 147

75 28 28 28 28 28 2

0,58 0,8 0,8 0,8 1,2 1,2 0,1

010

Протяжная.

7А510

-

0,02

2,7

-

25

0,28

015

Токарная. Пер.1 Точить торец 2. Пер.2 Точить фаску 10, 5. Пер.3 Точить фаску 7.

16К20

2,0 2,0 2,0

0,5 0,5 0,5

40,0 40,0 36,1

400 400 400

75 2,0 2,0

0,5 0,1 0,1

020

Зубофрезерная. (обработка 4х деталей одновременно)

5В32

2,0

0,75

42,0

158

100

32,0

Итого:

38,96


2.7 Определение норм времени по операциям

Норма штучного времени определяется по формуле:

 (33)

где  - основное технологическое время;

 - вспомогательное время;

 - время на обслуживание рабочего места (берется в % от оперативного времени).

.7.1 Расчет нормы времени на протяжную операцию 010

 - основное время на операцию.

Вспомогательное время рассчитывается по формуле:

 (34)

где  - вспомогательное время на установку и снятие детали.

.

 - время на измерение размеров детали, .

 - вспомогательное время, связанное с переходом, .

).

Оперативное время.

 (35)

).

Время на обслуживание рабочего места принимаем 4% от оперативного.

.

Время перерывов и на отдых определим как 5% от оперативного.

).

Определим штучное время по формуле.

).

Определим штучно-калькуляционное время.

.

.7.2 Расчет нормы времени на зубофрезерную операцию 020

. - основное время на операцию.

Вспомогательное время

;

;

;

.

.

Определим оперативное время:

.

Время на обслуживание рабочего места принимаем 4 % от оперативного.

.

Время перерывов и на отдых определим как 5 % от оперативного.

.

Определим штучное время по формуле.

.

Определим штучно-калькуляционное время.

 

 

Таблица 10 - Норма времени на обработку детали «Колесо»

№ опер.

Наименование операции

ТО

Тв

Тобс

Тотд

Тшт

Тштк

005

Токарно-револьверная

6,44

1,1

0,3

0,38

8,24

8,46

010

Протяжная

0,12

0,77

0,03

0,04

0,96

0,98

015

Токарная

0,54

0,58

0,04

0,05

1,21

1,24

020

Зубофрезерная

0,92

0,84

1,31

1,6

4,67

4,82

Итого:

8,02


15,08

15,5



. КОНСТРУКТОРСКАЯ ЧАСТЬ

3.1        Конструирование и расчет режущего инструмента фреза червячная

Конструирование и расчет червячной модульной фрезы.

Исходя из заданного модуля и степени точности нарезаемого колеса выбираем по ГОСТ 9324-60 основные размеры фрезы m=2.

.

Общая длина фрезы L=90 мм.

Ширина буртиков a=5 мм.

Число зубьев 14.

Определяем высоту головки  и высоту ножки .

;

, что соответствует ГОСТу.

Радиус закругления головки зуба.

.

Определяем глубину  и ширину  канавки для выхода шлифовального круга: ; .

Определяем полную высоту зуба .

 

.

Определяем толщину зуба в нормальном сечении на делительном цилиндре.

 

.

Так как фреза со шлифованным профилем принимаем двойное затылование предварительно задавшись задним углом на вершине зуба 10°.

Определяем величину затылования.

 

.

Что соответствует ГОСТу

 

.

Определяем высоту стружечных канавок.

 

.

Радиус закругления стружечной канавки принимаем

 

.

Угол стружечных канавок принимаем равным Q=18°.

Определяем средний расчетный диаметр фрезы.

 

.

Определяем угол подъема витков фрезы.

 

;=1°22’ что соответствует ГОСТ.

Угол наклона винтовых стружечных канавок принимаем равным углу подъема витков фрезы.

.

Шаг винтовой канавки Нк.

 

.

Определяем шаг между витками фрезы.

 

.

Определяем длину нарезной части фрезы .

 

.


 

.

Диаметр выточки по фрезе принимаем равным.

 

 

Определяем угол профиля зуба фрезы в осевом сечении, фрезу принимаем правозаходную.

 

.

.

Определяем задний угол на боках профиля.

 

.

.

Размеры шпоночного паза устанавливаем по ГОСТу 9472-60.=10; t=43,5; r=1,6 мм.

3.2 Проектирование мерительного инструмента калибр-пробка Æ65H8

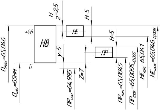
Определим предельные отклонения и предельные размеры отверстия.

Верхнее предельное отклонение ES=+46 мкм.

Нижнее предельное отклонение EI=0.

Номинальный предельный размер отверстия D=65 мм.

Наибольший предельный размер отверстия:

 

 (мм).

Наименьший предельный размер отверстия:

 

 (мм).

Для определения предельных размеров калибр-пробки найдем по таблице 2 необходимые параметры:

Z - положение середины поля допуска для проходной стороны ПР калибра-пробки относительно DMin отверстия внутрь поля допуска=7 мкм=0,007 мм.

Н - величина допусков на изготовление проходной и непроходной стороны калибра-пробки, Н=5 мкм=0,005 мм.

- V - допустимый выход изношенного калибра-скобы за границу поля допуска изделия относительно , V.

Определим исполнительные размеры калибров по формулам:

наименьший и наибольший размеры калибра ПР.

 

).

 

.

исполнительный размер калибра .

проходная сторона изношенная

 

.

наименьший и наибольший размеры калибра НЕ.

 

.

.

исполнительный размер калибра .

Построим схему полей допусков изделия и полей допусков проходного и непроходного калибров-скобы на основе таблицы 3.

Рисунок 5 - Схема полей допусков калибр-пробки Ø65Н8

4. ЭКОНОМИЧЕСКОЕ ОБОСНОВАНИЕ ПРОЕКТА

4.1        Оценка технико-экономической эффективности ТП механической обработки

Оценку будем делать по технологическим операциям, на которые производим расчеты по режимам резания, по нормированию и т.д.

Коэффициент  использования материала заготовки, характеризующий качество спроектированной заготовки, должен быть:

в серийном производстве  = 0,70,85

в данном проекте имеем =0,72 проката, что соответствует для серийного производства и говорит о качественном выборе заготовки.

коэффициент  использования станка по основному времени, характеризующий степень механизации и автоматизации процесса обработки и прогрессивности принятой технологической оснастки, а также указывающий потери времени на работы, не входящие в основное время.

для серийного производства:

 =   0,65 (58)

В данном процессе КП имеем коэффициент использования станка

по всем зубофрезерным операциям:

= , (59)

==0,68

на протяжной операции:

 = ,                                          (60)

 =  = 0,71

по всему техпроцессу:

 =           ,                                              (61)

 =  = 0,65.

Что не менее 0,64 а значит, станки используются эффективно.

Коэффициент , использования режущих способностей инструмента должен быть:

 = ,                                (62)

где  - действительная скорость резания, м/мин;

 - расчетная скорость резания, м/мин.

При расчетах режимов резания по данным пункта 1.8 имеем:

на зубофрезерной операции:

 =  = 1,06

на протяжной:

=  = 1,95.

Следовательно, режущий инструмент на данных операциях используется эффективно, с максимальной возможностью использования станков по мощности.

Коэффициент использования станков по мощности:

 = ,                                         (63)

где  - потребная, расчетная мощность резания для данной операции, кВт

- мощность электродвигателя, установленного на станке.

При  - 0,5 необходимо заменить модель станка не менее мощную

на зубофрезерной операции

 =  = 0,29,

 = 0,29  0,5

не удовлетворяет, но замену станка производить не следует, так как он будет догружен обработкой других деталей, где потребуется более высокая мощность резания.

на протяжной операции

  =0,52,

 = 0,52  0,5

.

Вывод: на основании проведенного анализа спроектированный технологический процесс обработки соответствует современным требованиям по степени механизации, по использованию режущего инструмента, по загрузке оборудования, т.е. является эффективным.

4.2    Проектирование участка цеха механической обработки детали

Определим потребное количество оборудования каждого типа станка по формуле:

 , (64)

 - штучно калькуляционное время (ст/час),

- годовая программа выпуска изделия в штуках,

5000 (шт\год)

- эффективный фонд времени работы одного станка,

= 3834 (ст\час)

- коэффициент выполнения норм выработки,

 1,2.

 

 

;

принимаем 2 станка

 

принимаем 2 станка

 

принимаем 6 станков

 

Определим общую производственную площадь.

Габаритные размеры станков в мм:

1П371 - 2450 х 1250 (мм) ;

7А510 - 6340 х 2090 (мм) ;

К20 - 2505 х 1190 (мм) ;

5В32 - 1900 х 1450 (мм).

 

 

 

Определим площадь участка по следующей формуле:

 

где  - общая производственная площадь под оборудование,

 - дополнительная площадь под склады 15-20% от

 (67)

 

 

 - площадь проездов принимают 34 метра в ширину, при принятой длине пролета участка, в данном случае принимаем

- площадь конторы. Рабочее место мастера, принимаем 10 % от .

79618100 + 0,279618100 + 0,279618100 + 72000000 + 7961810= = 191,42

На участке должно быть от 18 до 25 единиц оборудования, при средней площади одного рабочего места (станок плюс площадь под тумбочки для инструмента, тару для деталей и заготовок и т.д.)., участок должен иметь оптимальную площадь 288 .

Определим коэффициент загрузки оборудования по формуле:

, (68)

 (69)

 

 

 

 

 

. БЕЗОПАСНОСТЬ И ЭКОЛОГИЧНОСТЬ ПРОЕКТА

Техника безопасности - это система организационных и технических мероприятий и средств, предотвращающих воздействие работающих опасных производственных факторов. Проведение мероприятий по технике безопасности, а также создание и применение технических средств техники безопасности осуществляются на основе, утвержденной в установленном порядке нормативно-технической документации - стандартов, правил, норм, инструкций.

Организационные мероприятия по технике безопасности включают: инструктаж и обучение работающих безопасным и безвредным методам и приёмам работы; обучение пользованию защитными средствами, применяемыми на основе норм производственной санитарии и гигиены труда, разработку и внедрение регламентов труда и отдыха при выполнении тяжёлых работ и работ во вредных условиях.

Целью инструкции по технике безопасности является исключение опасных действий персонала, способных привести к наступлению тяжких последствий (несчастный случай на производстве, авария, пожар), повышения эффективности работы по профилактике производственного травматизма, повышение ответственности работы по профилактике производственного травматизма, повышения ответственности работников структурных подразделений, подрядных, субподрядных организаций за нарушение требований безопасности производства.

Требования инструкции по технике безопасности распространяются на:

структурные подразделения предприятия;

подрядные, субподрядные организации, выполняющие работы на территории предприятия;

командированными, учащимися и студентами, прибывшими на производственное обучение или практику.

Вводный инструктаж проводится со всеми лицами, указанными в предыдущем пункте. Каждый работающий должен знать и строго соблюдать требования настоящей инструкции.

Теперь поговорим о ключевых правилах безопасного поведения на предприятии.

При нахождении на предприятии ЗАПРЕЩАЕТСЯ:

- находиться в состоянии алкогольного, наркотического, токсического опьянения, приносить с собой, покупать или употреблять спиртные напитки или наркотические вещества;

курить в неустановленных местах;

находиться на территории производственных участков без соответствующего допуска или сопровождающего;

находиться на территории и рабочих местах, в производственных и иных объектах ведения работ без применения предусмотренных средств индивидуальной защиты;

входить в опасную зону работающего оборудования, движущихся машин и механизмов, несанкционированно и без специального разрешения оператора (машиниста);

применять для перемещения людей и грузов средства и оборудование, непредназначенное для этих целей;

быть не пристегнутым ремнем безопасности (если он установлен) в движущем автотранспорте;

прикасаться к электропроводке, рубильникам, кабелям;

стоять в местах движения цехового механического транспорта (электрокар, автокар, передаточных тележек, тракторов, автотягачей, подвесных конвейеров и т.п.);

находиться под грузом при перемещении его по цеху грузоподъемными механизмами (мостовыми кранами, тельферами);

проходить по цеху не установленными переходами, перелезать и проходить через рольганги, транспортеры, ограждения, штабели деталей, отходы производства;

проходить к месту работы не установленным путем, через помещения других производственных подразделений. Необходимо передвигаться только по пешеходным дорожкам;

стоять сзади автомашин, в узких проходах, проездах, въездных воротах;

находиться в тесных местах (возле стен, колонн и др.) при проезде автомобильного и железнодорожного транспорта;

перебегать и переходить дорогу перед движущимся автомобилем и железнодорожным транспортом;

цепляться к движущемуся железнодорожному и безрельсовому транспорту (автомашинам, тракторам, автотягачам, электрокарам и другим видам транспорта), прыгать с него во время движения;

ходить по железнодорожным путям, переходить железнодорожный путь в местах расположения стрелочных переводов, пролезать под вагонами, платформами и через буферы;

проходить между расцепленными вагонами, платформами если расстояние между ними менее 10 м (при приближении к тепловозу);

выходить из-за угла здания, из здания, из-за автомашины, не убедившись в отсутствии приближающегося транспортного средства.

Противопожарная защита.

Вопросами противопожарной защиты на предприятиях занимаются штатные и добровольные противопожарные формирования. Работу по проведению различных противопожарных профилактических мероприятий на предприятиях ведут пожарно-технические комиссии, которые назначаются приказом руководителя предприятия в составе главного инженера (председатель), начальника пожарной охраны (или добровольной пожарной дружины), инженерно-технических работников - энергетика, технолога, механика, инженера по технике безопасности, представителей партийной и профсоюзной организаций.

Правила пожарной безопасности:

- на территории общества курить, зажигать спички или допускать другой вид открытого источника огня в неразрешенных местах запрещается. Курение и применение открытого огня допускается только в специально отведенных для этих целей местах.

На территории и в помещениях общества запрещается:

- использовать пожарный инвентарь не по назначению;

- пользоваться временной и технически неисправной электропроводкой и электрооборудованием;

- подходы к пожарным щитам и огнетушителям должны быть свободными;

при загорании электропроводов необходимо в первую очередь выключить рубильник, обесточить линию и вызвать пожарную охрану;

нельзя тушить электропровода, находящиеся под напряжением, водой или пенным огнетушителем. Электропровода можно тушить углекислотными огнетушителями и сухим песком;

В случае возникновения пожара все работники обязаны:

вызвать пожарную охрану по тел. 01;

отключить или остановить оборудование;

применить все имеющиеся средства пожаротушения;

принять меры по эвакуации людей, горючих веществ, финансово-хозяйственной и иной документации и материальных ценностей.

Экологичность производства.

Наиболее полно требования экологизации могут быть реализованы в пределах такого природно-экономического комплекса, который образует равновесную эколого - экономическую систему (ЭЭС). Понятие ЭЭС широко используется в современной экономической и экологической литературе.

ЭЭС - это интеграция экономики и природы, представляющая собой взаимосвязанное и взаимообусловленное функционирование общественного производства и протекание естественных процессов в природе.

Существуют две интерпретации понятия ЭЭС - глобальная и территориальная. Согласно первой ЭЭС трактуется как экологически ориентированная социально-экономическая формация - цель устойчивого развития.

Для отдельного региона или промышленного комплекса ЭЭС - это ограниченная определенной территорией часть техносферы, в которой природные, социальные и производственные структуры и процессы связаны взаимно поддерживающими потоками вещества, энергии и информации.

ЭЭС представляет собой сочетание совместно функционирующих экологической и экономической систем, обладающее эмерджентными свойствами. Экосистема - это сообществ различных живых организмов, так взаимодействующих между собой и со средой обитания, что поток энергии создает устойчивую структуру и круговорот веществ между живой и неживой частями системы. В свою очередь экономическая система является организованной совокупностью производительных сил, которая преобразует входные материально-энергетические потоки природных и производственных ресурсов в выходные потоки предметов потребления и отходов производства. Таким образом, часть материальных элементов экологической системы, в том числе и элементов среды обитания человека, используется как ресурс экономической системы.

Охрана труда и промышленная экология в современном мире - вопрос не только имиджа, но и заказов, и налогов, что, как следствие, напрямую влияет на доход компаний.

Экологическая безопасность на предприятии - это определенный комплекс мер. Их цель - приведение его деятельности к соответствию природоохранным нормативам и повышение его рентабельности. Организация, использующая энерго и ресурсосберегающие процессы, увеличивает свою эффективность, а кроме того, снижает воздействие вредных веществ как на самих работников, так и на окружающую среду.

Соответствие российским и европейским эконормам делает компанию более конкурентоспособной, так как дает возможность участвовать в большем количестве различных проектов. Для зарубежных заказчиков экология производства очень важна, и при выборе исполнителя она является чуть не решающим фактором.

Технологии не стоят на месте, а потому промышленная экология и безопасность требуют постоянной модернизации мощностей. Для того чтобы владелец знал, что и как менять, раз в пять лет проводится особый аудит. В случае реконструкции исследования проводят гораздо чаще. Во время аудита осуществляются измерения, а также оценка производственных процессов, влияющих на окружающую среду и сотрудников предприятия. Исходя из полученных данных, владельцу даются предписания относительно того, как организовать технологию и снизить загрязнение.

Мероприятия по экологической безопасности предприятия предусматривают установку очистных сооружений и осуществление соответствующей модернизации производства.

Различают два вида источников загрязнения. Под первым понимают непосредственно сам технологический процесс производства. Под вторым - технические системы и устройства, то есть трубы, водоотводы, через которые в окружающую среду и попадают отходы. Источники выбросов бывают двух типов.

Если у предприятия есть специальные системы, влияющие на экологию - это организованные источники. Если отходы просто складируются, то это - неорганизованные.

Экологическая безопасность на предприятии рассчитывается определенным образом. При наличии организованных отходов производятся замеры на трубах, стоках, и других системах. При неорганизованных высчитывается валовый выброс и его мощность, а также размеры самого производства, с которого производится загрязнение. Полученные данные вводят в специальные компьютерные программы, являющиеся реализацией математической модели профессора Берляндта. Они, учитывая розу ветров, особенности рельефа, метеорологические условия, а также воздействия на экологию других мощностей, высчитывают расчетную модель. Согласно этим расчетам и даются рекомендации и предписания, которые необходимо выполнить для дальнейшего функционирования производства. На полном доверии любое предприятие на территории России, согласно законодательству, для осуществления своей деятельности должно разработать целую систему инженерно-технической документации. В ней организации следует четко указать предельно допустимое и временно согласованное количество выбросов, сбросов и лимитов размещения отходов. По этим данным оценивается экологическая безопасность на предприятии, воздействие мощностей на гидросферу, атмосферу и окружающую среду в общем. Получив предписания, предприятие обязуется самостоятельно, без надзора, им следовать, вплоть до очередной проверки.

Экологическая политика предприятия состоит в том, чтобы решить проблему перевода экологической службы предприятия из разряда неприбыльных в доходные. Необходимо определить пути получения дополнительной прибыли, привлечения инвестиций и экономии затрат предприятия на основе интенсификации экологической деятельности.

Современная социально-экономическая ситуация ставит перед предприятиями проблемы выживания, получения устойчивой прибыли в долгосрочном периоде и др. На этом фоне проблемы охраны окружающей среды, хотя и понимаются как весьма важные, отступают на последнее место, воспринимаются и руководством предприятии и его работниками как навязанная сверху функция, затраты на которую являются излишними. Стратегия предприятия в отношении охраны окружающей среды сводится к экономии затрат на систему управления экологической деятельностью, отказу от внедрения прогрессивных методов очистки, сокращения вредных отходов производства и новейших разработок в области экологичных технологий. Финансирование этого рода деятельности на предприятии проводится по остаточному принципу.

Однако экологическая ситуация в стране является весьма напряженной. Это заставляет искать возможность поставить экологическую деятельность если не на уровень первых приоритетов предприятия, то хотя бы на уровень обеспечивающих служб. Под экологизацией производства понимается ограничение и снижение природоемкости производства путем создания технологически совершенного, высокоэффективного и чистого производства.

Основные направления экологизации производства нацелены на одновременное повышение эффективности и снижение ее природоемкости. Они предполагают формирование прогрессивной структуры общественного производства, ориентированной на увеличение доли продукции конечного потребления при снижении ресурсоемкости и отходности произведенных процессов. Существует несколько принципиальных направлений достижения этих целей: изменение отраслевой структуры производства с уменьшением относительного и абсолютного количества природоемких производств и исключением выпуска антиэкологичной продукции.

Кооперирование разных производств с целью максимального использования отходов в качестве вторичных ресурсов; создание производственных объединений с высокой замкнутостью материальных потоков сырья, продукции и отходов.

Смена производственных технологий и применение новых, более совершенных ресурсосберегающих и малоотходных технологий.

Создание и выпуск новых видов продукции с длительным сроком жизни, пригодных для возвращения в производственный цикл после физического и морального износа.

Совершенствование очистки производственных эмиссий от техногенных примесей с одновременной детоксикацией и иммобилизацией конечных отходов; разработка и внедрение эффективных систем улавливания и утилизации отходов.

Каждое из этих направлений в отдельности способно решить лишь локальную задачу. Для снижения природоемкости производства в целом необходимо объединение всех этих способов. При этом центральное место занимают проблемы технологического перевооружения, внедрения малоотходных технологий, экономического и технического контроля экологизации.

Все направления экологизации производства приводят к снижению загрязнения окружающей среды и требуют определенного объема инвестиций. В качестве источника инвестиций традиционно могут выступать собственные средства предприятии и кредиты бака. Однако, поскольку направление инвестиций позволяет решать социально-экологические проблемы, процент за кредит будет снижен, что дает дополнительную экономию предприятия на средствах, получаемых для развития производства. Кроме того, поскольку решаются экологические проблемы в регионе, предприятие может рассчитывать получить финансирование из средств местных бюджетов.

ЗАКЛЮЧЕНИЕ

В результате выполнения дипломного проекта мы спроектировали участок механической обработки детали «Колесо», исследовав данную тему, нами были затронуты многие вопросы технологии машиностроения, а именно: по части обработки на технологичность, по выбору и обоснованию методов получения заготовки, по проектированию заготовки отливки, по разработке маршрутной технологии обработки детали. При выборе оборудования, оснастки и инструмента мы воспользовались справочной литературой, правильно определили технологические возможности необходимого оснащения.

При разработке технологических операций нами были закреплены навыки базирования деталей в различных приспособлениях, определении погрешности обработки деталей. Выполняя расчеты по режимам резания, по нормированию был приобретен опыт работы с нормативно-справочной литературой, что позволяет говорить о сформированности профессиональных компетенций специальности «Технология машиностроения».

При выполнении конструкторской части дипломного проекта мы определили конструктивные особенности инструмента в зависимости от процесса резания, а калибр-пробка должна быть выполнена с высокой точностью в пределах допуска на выполняемый размер детали.

Изучая методику проектирования участка, произвели оценку технико-экономической эффективности разработанного техпроцесса.

При оформлении пояснительной записки и графической части проекта, был приобретен опыт работы в профессионально-прикладных программах , которые в дальнейшем пригодятся в будущей работе специалиста в области технологии машиностроения.

СПИСОК ИСПОЛЬЗОВАННЫХ ИСТОЧНИКОВ

1.        Безъязычный В.Ф. Расчет режимов резания. Учебное пособие, 2009.

2.      Боровский Г.В., Григорьев С.Н., Маслов А.Р. «Справочник инструментальщика», Москва. «Машиностроение», 2007.5. Расчет режимов резания при точении. Справочно-методическое пособие С.А.Власенко ТПИ ДГТУ 2008.

.        Власенко С.А. Методические указания по выполнению курсового проекта. ТПИ ДГТУ 2014

.        Власенко С.А. Расчет режимов резания при протягивании. Справочно-методическое пособие ТПИ ДГТУ 2008.

.        Виноградов М.В. «Технология машиностроения», Москва, Академия,2008.

.        Мерданов Ш.М., Шефер В.В. Основы технологии машиностроения: Учебное пособие, 2004.

.        Морозов И.М., Гузеев И.И. Техническое нормирование операций механической обработки деталей: Учебное пособие. Компьютерная версия, 2003.

.        Марочник сталей.

.        Орлов П.Н., Скороходов Е.А., Краткий справочник металлиста. Москва. «Машиностроение», 2001.

10.      Худобин Л.В. Тематика и организация курсового и дипломного проектирования по технологии машиностроения, 2005.

11.    Черпаков Б.И.Технологическая оснастка Москва. Академия. 2003.

.        Шеметов М.Г., Безъязычный В.Ф. «Справочник токаря универсала», Москва. «Машиностроение», 2007.

.        Арзамасова В.Б. «Материаловедение и технология конструкторский материалов». Москва. Академия, 2009.

Похожие работы на - Проектирование участка механического цеха по изготовлению детали 'Колесо'

 

Не нашли материал для своей работы?
Поможем написать уникальную работу
Без плагиата!
Без нейросетей!