ТОРіМ автоматичного дозувальника шихти

  • Вид работы:
    Курсовая работа (т)
  • Предмет:
    Другое
  • Язык:
    Украинский
    ,
    Формат файла:
    MS Word
    3,71 Мб
  • Опубликовано:
    2015-04-22
Вы можете узнать стоимость помощи в написании студенческой работы.
Помощь в написании работы, которую точно примут!

ТОРіМ автоматичного дозувальника шихти

Міністерство освіти і науки України

Криворізький коксохімічний технікум

Національної металургійної академії України

Механічне відділення





ПОЯСНЮВАЛЬНА ЗАПИСКА

до дипломного проекту

на тему: «ТОРіМ автоматичного дозувальника шихти»


Студента групи ОМП-05 1/9

О.М.Панченко

Керівник проекту Л.В.Іванова

Консультанти:

Загальна частина В.О.Якунін








РЕФЕРАТ

Пояснювальна записка до дипломного проекту складається з 54 сторінок, 12 таблиць та 12 джерел.

Об’єкт розробки - автоматичний дозувальник шихти.

Мета роботи - визначення умов роботи механізму дозувального вагового транспортеру, вдосконалення методів ремонту, вивчення його конструкції, віднайти деталі які спрацьовуються найчастіше та виконати підвищення їх зносостійкості. Побудова схеми та карти змащення даного механізму. Вибір та застосування електродвигуна. Вдосконалення заходів техніки безпеки, заходи з протипожежної безпеки, заходи промислової санітарії, та заходи по охороні навколишнього природного середовища. Виконати економічний розрахунок агрегату, а саме: віднайти вплив ринкових умов на організацію праці, розробити ремонтну документацію, скласти штатний розклад, скласти зведену таблицю РФРЧ та РФЗП, скласти кошторис витрат, визначити економічність ремонтів, та скласти зведену таблицю техніко-економічних показників.

ЗМІСТ

Перелік умовних позначень, символів

Вступ

. Загальна частина

.1 Структура та обладнання цеху у технологічній послідовності

. Спеціальна частина

.1 Устрій та принцип роботи механізму, технічна характеристика, кінематична схема

.2 Відновлення та підвищення зносостійкості відповідальних деталей

.3 Ремонт деталей та вузлів механізму

.4 Обслуговування механізму у міжремонтний період

.5 Технологія виконання монтажних робіт

.6 Заходи по виконанню П1, П2, К ремонтів

.7 Карта змащування вузлів механізму

.8 Розрахунок та вибір потужності електродвигуна

.9 Кінематично-силовий аналіз привода

.10Вибір муфти

.11 Розрахунок гальма

.12 Розрахунок на міцність

.13 Технологічний розрахунок

. Охорона праці та безпека життєдіяльності

.1 Заходи із ТБ при експлуатації та ремонті

.2 Протипожежні заходи

.3 Заходи із промислової санітарії

. Охорона навколишнього природного середовища

.1 Заходи по зменшенню забруднення природних ресурсів

. Економіка, організація та планування виробництва

.1 Організація ремонтного господарства в ринкових умовах

.2 Розробити ремонтну документацію на капітальний ремонт проектного обладнання

.3 Розрахувати чисельність працюючих та скласти штатний розклад

.4 Скласти зведену таблицю річного фонду робочого часу.

. 5Скласти зведену таблицю річного фонду заробітної плати.

.6.Скласти кошторис витрат

.7.Визначити к.е.р

.8 Скласти зведену таблицю ТЕП

Висновки

Рекомендації

Перелік посилань

дозувальник транспортер зносостійтість

ПЕРЕЛІК УМОВНИХ ПОЗНАЧЕНЬ, СИМВОЛІВ, ОДИНИЦЬ ТА ТЕРМІНІВ

П - Поточний ремонт №1

ПЗ - Пояснювальна записка

ПТЕ - Правила технічної експлуатації

ПТМ - Підйомно-транспортних машин

Графік ППР - графік плано-попередніх ремонтів

РЕМ - Ремонтно-експлуатаційні матеріали

РМЦ - Ремонтно-механічний цех

СЦРКО - Спеціалізований цех по ремонту коксохімічного обладнання

СК - Складальне креслення

СТМ - Служба технічного нагляду

СВЧ - Струм високої частоти

ТМ - Трансмісійне мастило- Температура

ТОРіМ - Технічне обслуговуваггя ремент і монтаж

КХЗ - коксохімічний завод.

ККД - коефіцієнт корисної дії.

ПТЕ - правила технічної експлуатації.

ІТП - інженерно-технічний персонал.

ТЕП - техніко економічні показники.

ТОіР - технічне обслуговування та ремонт

Нм - ньютон на метр

Рад/с - радіан на секунду

кВт - кіловат

мкм - мікрометрів

ВУГЛЕФІКАЦІЯ, ДОЗУВАННЯ, ДЕЗИНТЕГРАЦІЯ, ЗАГАРТУВАННЯ, ВІДНОВЛЕННЯ, НАПЛАВЛЕННЯ, ЗМАЩЕННЯ, ВДОСКОНАЛЕННЯ, НАДІЙНІСТЬ, НАПРЕСУВАННЯ, УЩІЛЬНЕННЯ, МЕТАЛІЗАЦІЯ, ВІДМОВЛЕННЯ, ЦЕМЕНТАЦІЯ

ВСТУП

Процес вуглефікації можливо поділити на три етапи: перший - утворення торфу; другий - утворення бурого вугілля; третій - утворення кам’яного вугілля.

Шихтою називається суміш вугілля різних марок взятих у визначених пропорціях, для одержання коксу відповідної якості. В теперішній час створюється для коксування багато різно компонентних вугільних сумішей.

При складанні вугільної шихти потрібно турбуватися про отримання коксу з закладеною технологічною характеристикою (визначеною зольністю, сірчаність, щільність, крупність). Склад вугільної суміші повинен бути таким, щоб забезпечити необхідну повноту спікання, а у період пеку у пластичний стан - достатній, але безпечний для кладки коксових печей тиск розпирання, сприятливі утворенню гарної структури та кускова тості коксу. Разом з ним необхідно забезпечити необхідний вихід газу та хімічних продуктів коксування.

Газове вугілля добувається у Донбасі і відноситься до технологічної групи Г6, для якої характерні порівняно невелика товщина пластичного прошарку, високий вихід летючих речовин та підвищена пластична усадка. Газове вугілля груп Г16 та Г6 відрізняються тим, що Г16 спікається краще.

Жирне вугілля технологічної групи Ж21 являються головним компонентом шихти, їх участь в шихті забезпечує гарне спікання та придає коксу міцність. Жирне вугілля впливає на щільність кусків та їх величину - при збільшенні їх змісту у шихті кокс отримують дрібно кусковий із підвищеною щільністю. Вугілля групи Ж13 наближаються до Г6 і Г16 по своїм властивостям.

Коксове вугілля у шихті придає коксу високу механічну міцність та однорідну кускуватість. Деяке вугілля марки К розвивають при коксуванні значний тиск, який небезпечний для зберігання цілісності коксової печі. При самостійному коксуванні коксове вугілля дає досить крупний, рівномірний по кусковатості, високоміцний із невеликою кількістю щілин кокс.

При складанні шихти для отримання міцного коксу необхідно враховувати що:

Вугільні суміші шихти при нагріванні повинні мати відповідну спікаємість.

Для отримування міцного коксу необхідно враховувати сукупність продуктів термічної деструкції, яка є по температурним межам пластичності, так і по хімічним властивостям.

Із розвитком виробництва коксу, спрямованим на врахування ринкових вимог, у нашій країні збільшуються витрати вугілля дорогих високоякісних марок. В першу чергу - газового вугілля, що видобувають в донецьких шахтах. Собівартість основних марок вугілля в 1,9 2,1 разів Донецького басейну більша ніж із Кузбасу.


1. ЗАГАЛЬНА ЧАСТИНА

.1 Структура та обладнання цеху у технологічній послідовності

Вугільно-підготовчий цех призначений для утворення необхідного запасу шихтових матеріалів визначеної якості та складається із приймального відділення, відділення зберігання вугілля, дозування, відділення попереднього подрібнення, змішування шихти, відділення дезінтеграції, кінцевого подрібнення та обладнання вугільної башти.

Вагоноперевертувач широко застосовується у різноманітних областях народного господарства для механізації процесу розвантажування сипучих матеріалів із 60, 93, 125-тонних залізничних вагонів. Їх встановлюють на всіх коксохімічних заводах, що будуються або виконується їх реконструкція. Машина складається із ротора, роликових опор, люльки, платформи, вібратора. Ротор являє собою зварну металоконструкцію, складену з чотирьох дисків, попарно з’єднаних між собою балками, до яких пружинними зв’язками кріпляться П - подібні рами із вібраторами направленої дії. П - подібна форма рами дозволяє розвантажувати вагони із «шапкою». Кожна рама має опори із гумовими плитами, на які опирається вагон під час перевертання. Роликові опори обкочуються по бандажу дисків, до яких кріпляться зубчаті вінці відкритої зубчатої передачі. Обертання ротора вагоноперевертувача виконується за допомогою привода, що складається із електродвигуна поєднаного муфтою зубчатою із циліндричним двоступінчатий редуктором, що передає обертовий момент через зубчаті муфти та трансмісійний вал на приводну шестерню, що обертає зубчатий вінець. Вугілля із вагону потрапляє в здвоєні бункери, ємкістю 130 тон кожний. Розвантажування пошкоджених вагонів проводиться вручну на вугільно-приймальних ямах, розташованих між двома вагоноперевертувачами. Ємкість двох бункерів вугільно-приймальних ям складає 300 тон. Із бункерів вугілля живильниками подається на стрічковий конвеєр для транспортування до складу. Стінки, дно та перекриття підземної частини споруди виготовляються із монолітного залізобетону. Бункера, опорні колони, балки перекриття виготовляють із збірних залізобетонних елементів.

Мостові крани із двома вантажопідйомними механізмами на 5 та 30 тон використовуються при монтажі і ремонті вагоноперевертувача, а також для підйому збурених вагонів.

Для полегшення сходу вугілля внутрішня поверхня приймальних бункерів покривається листами із нержавіючої сталі.

Над приймальними бункерами встановлюють решітки, виготовлені із двотаврових балок. Отвір між решітками повинен бути не більше 250 х 250мм. Для подрібнення крупних кусків вугілля, що залишилися на решітці застосовують дробильно-фрезерну машину, що переміщується здовж розвантажувального простору бункерів за допомогою канатно-блочної системи.

Рисунок 1 Схема вугільно-підготовчого цеху

Гаражі розморожування призначені для розігрівання вагонів із змерзлим вугіллям у зимовий період. Вони поміщують до 20 вагонів, які встановлюють по вісі гаражу на залізничній колії. Обігрівається гараж продуктами згорання коксового, природного або доменного газу, який спалюється у топках. Продукти згорання по всмоктуючому трубопроводу із топки димососами переміщуються та подаються у колектор, що розміщений вздовж стінок гаражу по обидві сторони. В приміщенні підтримується температура 65 -70ºС, а температура газу, що подається на вагон, сягає 150ºС.

До основного обладнання дозувального відділення відносяться тарілчасті стаціонарні дозувальні столи, а також автоматичні дозувальники. Дозувальні столи встановлюють під бункером з телескопічним патрубком, що регулює величину конуса матеріалу на робочій поверхні столу. Матеріал висипається з бункера на стіл, приймаючи форму пересіченого конуса, висота якого відповідає положенню патрубка.

Автоматичний дозувальник працює таким чином. Із бункера вугілля подається на лоток, що виконує зворотно - поступові рухи. Лоток подає матеріал на стрічковий живильник. Дозувальник складається із вібраційного електродвигуна, з’єднаного з лотком підвішеним під кутом 10-11º на пружинних амортизаторах, стрічкового живильника, привода, встановленого на ваговій платформі, пристрою ЕПІД-05.

Змішувальні машини в технології підготовки вугільної шихти забезпечують якість коксу та однорідність його структури із усередненням компонентів шихти. Змішувальна машина дезінтеграторного типа конструкції Гіпрококсу є найбільш ефективною. Машина складається з корзини, що обертається і являє собою диск, в якому концентрично розташовані бичі. Вільні кінці бичів закріплені в кільцях, що підтримує жорсткість корзини. Диск кріпиться до маточини, насадженої за допомогою шпонки на валу. На протилежному кінці приводного валу встановлюється шків, а вал встановлений у підшипниках кочення нерухомо поєднується із станиною.Молоткові дробарки використовують для крупного, середнього та мілкого дрібнення матеріалів. Куски матеріалу спочатку дрібняться на плиті, потім молотками проштовхуються на колосникову решітку, де кінцево подрібнюються. Молоткова дробарка складається із корпуса, броньових плит, підшипникової опори, ротора на дисках якого встановлені молотки.

Вугільна башта призначена для утворення необхідного запасу готової шихти для безперервного технологічного процесу коксування і розташовується безпосередньо на коксовій батареї. Це залізобетонна споруда, що має 36 випускних воринок, оснащених пристроєм для пнемо-зрушування шихти та човниковим транспортером для її завантажування. Випускні воринки закриті секторними затворами. Бункера вугільної башти армовані для плавного сходу шихти листами нержавіючої сталі. Установка скіпового підйомника дозволяє повторно завантажувати шихту, що вигрібається при плануванні. Основними вузлами підйомника є лебідка із приводом, сам скіп, підйом і опускання якого виконується канатно блочною системою.

2. СПЕЦІАЛЬНА ЧАСТИНА

.1 Устрій та принцип роботи механізму

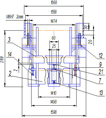
Авто дозатора типу 4273ДН складається із: вагового транспортеру(живильника) з бортами(1), кожухів (2), формуючої воронки(3).

Опис вагового транспортеру

Ваговий транспортер складається з наступних основних частин:

Основа (4) - це зварна металоконструкція на якій встановлюють опори для кріплення рами транспортеру, кожухи;

Рами (5) - це зварна металоконструкція на який кріпляться ведучий і ведомий барабани, ваго мірник, одиничні ролики, відцентровий пристрій;

Привод (6) - який складається з електродвигуна постійного струму, поєднаного муфтою з двоступіньковим циліндричним редуктором. Привод встановлено зі сторони завантаження матеріалу. Привод пов’язано з ведучим барабаном ланцюговою передачею. Натяг ланцюгу виконується переміщенням його в пазах, розміщених у плиті приводу;

Ведучого барабану (7) - який має два опорних шарикопідшипникових вузла, кожен з яких поєднаний з гвинтом натягу. Кронштейни для натягу встановлено на рамі;

Відомого барабану (8) - який також має два опорних вузла, закріплених на кронштейнах на рамі вагового транспортеру;

Транспортерної стрічки (9) - без кінцевої, резино тканинної, шириною 1200мм;

Відцентрового пристрою (10) - який призначено для вирівнювання транспортерної стрічки у випадку її значного зміщення в поперечному напрямку. Складається з горизонтального ролику, встановленого в попереку;

Все мірника з консольною платформою (11) - який складається з важеля, виконаного у вигляді двох прокольних щік, поєднаних між собою трубами, закріпленого за допомогою підшипникових вузлів в опорах, встановлених на рамі транспортеру.

Формуюча воронка кріпиться до металевого конусу силосу вугілля і призначена для накопичення і формування дозувального матеріалу. Кожухи призначені для огородження обертових частин барабанів і попередження запилення матеріалу. Борти встановлюють на штирі рами транспортеру і слугують для попередження розсипання дозувального матеріалу. Борт в нижній частині має резинову полосу.

Принцип дії транспортеру.

Стрічка транспортеру через ланцюгову передачу отримує рух від приводу з двигуном постійного струму. Матеріал, який подається на вантажо приймальну частину транспортеру, стрічкою, переміщується на вагову ділянку. На ваговій ділянці навантаження матеріалу сприймається вагоміром і тензодатчиком перетворюється в пропорційний електричний сигнал

Проектований дозатор складається з: воронки [1], яка забезпечує випуск матеріалу на стрічковому живильнику [2] приводи мого, через муфту МПВП [3], мотор-редуктором [4], воронки [5], яка забезпечує перевантаження матеріалу на ваговий конвеєр [6], розміщений під кутом 90 градусів до першого. Мотор-редуктора [7], обертаючого через муфту МПВП [8], ведучий барабан конвеєру [6]. На конвеєрі [6] відбувається важення матеріалу ваговим пристроєм [9]. Ваговий пристрій забезпечує вимірювання продуктивності дозатора. Блок управління і регулювання по отриманим з вагового пристрою даним змінює число обертів мотор-редукторів [4] і [7]. В відповідності з заданою продуктивністю. Вивантаження матеріалу на збірний конвеєр відбувається через бункер [11]. Збір просипу з під живильника [2] виконується лотком [10].

Конструктивні зміни основних деталей і вузлів у модернізованому дозаторі, в порівнянні з машиною - прототипом, а точніше:

Ланцюговий привод дозатора - прототипу замінено на муфти типу МПВП;

Дозування матеріалу проводиться по двох стадійній схемі: 1 стадія - прийом матеріалу із бункера на стрічковий живильник; 2 стадія - важення і перевантаження на збірний конвеєр;

В поєднанні вони направлені на збільшення надійності і довговічності машини. А також покращення якості продукції , тобто більш точне дозування вугільного концентрату приведе до покращення якості коксу.

В процесі випробувань проектованого авто дозатора було виявлено ряд недоліків спроектованого вагового пристрою, які не дозволили експлуатацію даного агрегату з проектованою точністю. Недоліками виявились достатня важкість в обслуговуванні вагового пристрою і в його точній настройці (юстировці). В наслідок чого була розроблена принципово нова система важення дозувального матеріалу - система «безпосереднього важення».

Конструктивно система виглядає так: на ваговому конвеєрі [2], на завантажувальній його частині, під роликоопорою [3] ролика для підтримки стрічки, встановлюють два тензодатчики [25]. Тензодатчики встановлюють з обох сторін роликоопори і за допомогою болтів кріплять до рами вагового конвеєра, після цього підключаються до електричної схеми дозатора.

Принцип дії нової системи важення такий: роликоопора, через ролик, сприймає вагу вантажу на стрічці і натисненням на тензодатчик, передає данні о масі вантажу в пульт управління.

Така система важення дозволяє здійснювати більш ретельний контроль за нею, а також спрощує її ремонт і настройку (юстировку).

Рисунок 2.1. а  Модернізований дозатор вугілля


.2 Відновлення та підвищення зносостійкості відповідальних деталей

При ремонті встаткування здійснюють поверхневе зміцнення деталей, застосовують неметалічні конструкційні матеріали й захисні покриття.

До способів поверхневого зміцнення деталей відносять цементацію, полум'яне поверхневе загартування, поверхневе загартування струмами високої частоти, поверхневе зміцнення наклепом, покриття поверхонь твердими сплавами та ін.

До неметалічних конструкційних матеріалів відносяться: фаоліт, вініпласт, фторопласти, стекло та ін.

До захисних покриттів відносять фарби, лаки, кам'яне лиття, міцну кераміку, кислототривкий бетон, асбовініл, свинець та ін.

Цементація - це процес навуглецьовування поверхні деталі до певної концентрації (1 -1,2% вуглецю) з наступним її загартуванням. У результаті цементації поверхня стає більш міцною і зносостійкою. Звичайно цементації піддають деталі з низько вуглецевих сталей, що містять 0,1-0,25% вуглецю. Для виготовлення великогабаритних деталей застосовують сталь, що містить 0,3-0,4% вуглецю.

Для високо навантажених деталей, серцевина яких повинна мати високі механічні властивості, а цементований шар підвищеною зносостійкістю, застосовують леговані сталі, серед яких найбільше поширення одержали сталі марок 15Х, 20Х, 12Х2Н4А, 12ХНЗ, 18ХГМ, 18ХГТ й ін.

Деталі на цементацію надходять відразу ж після обробки різанням або майже остаточно механічно оброблені і шліфовані із припуском під остаточне шліфування 0,05- 0,15 мм.

Для інтенсифікації процесу цементації вживають речовини, що активують (вуглекислий барій, соду, поташ, кокс, патоку та ін.). Як карбюризатори можуть бути використані також газ і рідина, тоді процес зветься газової або рідинної цементацією.

Підлягаюча цементації поверхня деталі повинна бути ретельно втрамбована з усіх боків карбюризатором, тому відстань між деталлю й стінкою ящика, а також між окремими деталями в одному ящику не повинне бути менше 25 мм, що забезпечує нормальне дефузирування вуглецю в поверхню деталі. Перед установкою в піч ящик закривають і герметизують (обмазують кришку глиною), щоб перепинити доступ повітря, і доводять температуру печі до 700-720° С. Після цього повільно підвищують температуру в печі до 880-900° С, тобто до температури цементації. При цій температурі ящик витримують певний час. Уважають, що на нагрівання кожних 100 мм по глибині ящика потрібно 2 ч. Час же цементації залежить від заданої товщини цементованого шару та збільшується із підвищенням останнього. Орієнтовно можна вважати, що на кожну 0,1 мм цементованого шару потрібно 1 ч.

Для визначення глибини проникнення вуглецю користуються «свідками». Так називають прутки товщиною 5-6 мм, виготовлені з того ж матеріалу, що і деталь, та вставляють у ящик. Пруток-свідок витягають, гартують, розламують і визначають глибину цементації. Якщо вона відповідає заданої, то процес цементації вважають закінченим. Ящик виймають із печі й прохолоджують. Піддані цементації деталі повинні ще пройти й термічну обробку, що полягає в нормалізації, загартуванні й відпустці. При цьому повинні бути дотримані певні умови, порушення яких може привести або до деформації деталі, або до часткової втрати властивостей цементованої поверхні. При застосуванні легованих деталей деформація деталей зменшується, їх піддають загартуванню не у воді, а в маслі.

У багатьох випадках цементації піддають не всю деталь, а окремі її ділянки, тоді на місця, не підмети зміцненню, наносять електролітичним способом тонкий шар міді (0,03- 0,04 мм). У деяких випадках застосовують спеціальні обмазки або залишають на деталях припуск, що видаляють згодом.

Поверхневим загартуванням називається такий вид термічної обробки, при якій виробу гартують тільки з поверхні, а властивості серцевини зберігаються первісними.

При полум'яному поверхневому загартуванні поверхня деталі піддають інтенсивному нагріванню полум'ям ацетиленово - оксигенового пальника до температури вище критичної Ас3 (910° С) і швидко прохолоджують струменем холодної води. Температура ацетиленово-оксигенового полум'я 3100-3200°С, тому поверхня загартування нагрівається за короткий проміжок часу, серцевина ж не встигає прогрітися. Газовий пальник і водяну трубку просувають над поверхнею деталі зі швидкістю, не перевищуючої 150 мм/хв.

Способом полум'яного загартування можна гартувати всі деталі, які можуть сприймати звичайне загартування, а також чавуни - перлітний, леговані, хромонікелеві, хромово - молібденові та ін.

Якість загартування залежить від багатьох факторів: сталості швидкості нагрівання, температури охолодної води, відстані між пальником і водяник трубкою та ін.

Глибина загартування звичайно на 1-2 мм перевищує глибину максимального зношування деталі. Відновлення форми та розмірів деталей.

На багатьох підприємствах зношені відповідальні деталі машин відновлюють. Після відновлення деталі працюють добре, а вартість відновлення не перевищує 40% вартості нової деталі. Відновлення деталей здійснюють наплавленням, металізацією, хромуванням, від сталюванням; крім того, відновити працездатність деяких деталей можна введенням додаткових деталей та ін.

Звичайно метод вибирають із урахуванням умов роботи деталей, характеру й величини зношування, економічності відновлення й можливості проведення цього процесу на даному підприємстві. Поламані деталі ремонтують зварюванням або накладенням накладок, стяжок та ін.

Місцеві ушкодження можна ліквідувати наплавленням бабітом, бронзою, чавуном, сталлю й ін. Наприклад, для наплавлення бабітом спрацьованої частини бабітового вкладиша надходять у такий спосіб. Підлягаючому наплавленню поверхню ретельно зачищають і промивають теплим содовим розчином, після чого вкладиш поміщають у водяну ванну так, щоб поверхня, яка підлягає ремонту, була вище рівня води на 10 мм. Потім підготовляють пруток, з бабіту тієї ж марки діаметром 5-7мм до вносять його в ацетилено-оксигенове полум'я, спрямоване на ділянка ремонту. У цьому випадку плавляться основний бабіт і пруток.

Сутність процесу металізації складається в наплавленні металевих покриттів на поверхню матеріалів шляхом розплавлювання металу в електричній дузі або ацетилено-оксигеновому полум'ї та наступному розпиленні на дрібні частки струменем стисненого повітря.

Частки металу, що летять зі швидкістю 100-150 м/с, ударяються об поверхню металізації, проникають у її пори і нерівності та зчіплюються з матеріалом поверхні, а також між собою. Завдяки великій швидкості польоту і своєму пластичному стану частки металу деформуються та порівняно легко заповнюють всі пори та нерівності.

До достоїнств процесу металізації варто віднеси:

а) наметалізирований шар характеризується гарними антифрикційними властивостями й працює у вузлах тертя довше нових деталей; це порозумівається тим, що в такому шарі створюються пори, у які усмоктується масло, у результаті чого створюється гарне змащення;

б) процес відбувається без нагрівання всієї деталі, тобто деталь не деформується й структура металу не міняється;

в) простота технології процесу; г) компактність і простота устаткування.

До недоліків цього процесу варто віднести:

а) крихкість наметалізованого шаруючи;

б) малу міцність його;

в) підвищену твердість;

г) відсутність пластичності, внаслідок чого метод не можна застосовувати для ремонту деталей, що працюють із ударними навантаженнями (зношених зубів шестірень, канавок у поршнях для ущільнюючих кілець й ін.).

.3 Ремонт деталей та вузлів механізму

Розрізняють зношення деталей нормальні й аварійні. Нормальним називають зношування, що виникає в умовах нормальної експлуатації в результаті тривалої роботи агрегату або машини при впливі сил тертя, високої температури робітничого середовища та ін.

Аварійним називають швидке наростаюче зношування, у результаті якого агрегат у короткий час приходить у стан, непридатний для подальшої експлуатації. Причини такого зношування - поганий відхід, недотримання режиму змащення, порушення технологічних інструкцій, несвоєчасний або неякісний ремонт.

З урахуванням причин зношування можливо виділити три види: механічний, тепловий і хімічний (корозійний). У багатьох випадках деталь піддається зношування всіх трьох видів. Механічне зношування виникає в результаті впливу на деталі сил тертя.

При переміщенні однієї деталі щодо іншої більше тверді частки матеріалу дряпають більше м'який матеріал, у результаті чого на м'якому матеріалі утворяться дрібні ледве помітні канавки, дрібні частки, що утворилися при такому виробітку, деформуються та стають такими твердими, що, потрапляючи між тертьовими поверхнями, створюють на них борозенки і подряпини, збільшуючи зазор між поверхнями. Швидкість механічного зношування залежить від фізико-механічних властивостей матеріалу деталі, якості обробки її поверхні, наявності і якості змащення та від величини діючих на деталь навантажень. Різновидом механічного зношування є утома металу, що наступає в результаті дії на деталь сил, що міняються по величині й напрямку.

Теплове зношування виникає в тих деталей, машин й апаратів, які в нормальних умовах піддаються впливу високих температур. У результаті теплового зношування з'являються тріщини, обгоряє й фарбує метал, деформуються металоконструкції. Для зменшення теплового зношування деталей дуже часто їх виготовляють зі спеціальних сталей і сплавів.

Хімічне зношування (корозійний) виникає головним чином у хімічних апаратах, посудинах, трубопроводах і деталях машин, які стикаються з агресивним середовищем. Хімічному зношуванню піддається або вся поверхня, або частина її зі швами, вигинами, щілинами й ін. Прикладом хімічного зношування від впливу на метал води та повітря є іржа. Для зменшення хімічного зношування деталі виконують зі спеціальних сталей і сплавів, застосовують покриття та ін.

До деталей, які спрацьовуються найчастіше, відноситься транспортерна стрічка. Термін її роботи залежить від довжини, швидкості переміщення, характеру та властивостей матеріалу, кута падіння на стрічку, конструкції перевантажувальних жолобів та інше.

Відновлення стрічки проводиться відповідними шляхами: напаювання гуми, клинцювання, заклеювання стиків спеціальною сумішшю. Один або декілька рулонів стрічки доставляють до місця монтажу і встановлюють на спеціальних козлах. До зовнішнього кінця стрічки приєднують канат, другий канат якого пропускають під приводним та натяжним барабанами і приєднують до лебідки, намотуючи канат на барабан лебідки затягують стрічку на конвеєр. Замість лебідки можливо застосовувати натяжний барабан.

При затягуванні стрічки необхідно слідкувати за тим, щоб стик знаходився на верхній гілці стрічки, а більш товстіший шар гуми служив робочою поверхнею. Кінці стрічки з’єднують за допомогою вулканізації. В цьому випадку міцність стику значно вище міцності роз’ємного з’єднування. До ремонтних робіт відноситься заміна роликових опор або роликів; приводного, натяжного та притискного барабанів. До ремонтних робіт стрічки відносяться такі роботи: заміна роликових опор або роликів; приводного, натяжного та притискного барабанів; шестерня першої притискного, ревізія приводної і натяжної станції, ремонт металоконструкції конвеєра, гальмівного пристрою, жолоба, відбортків, стрічкових очищувачів, розвантажувального пристрою, заміна стрічки.

Для заміни роликових опор необхідно заздалегідь заготовити резервний комплект і доставити його до місця заміни. Потім зняти болти з роликових опор, положити на їх місце нові і закріпити до металоконструкції конвеєра. Після цього увімкнути конвеєр та провірити правильність ходу стрічки. Якщо необхідно виконують регулювання встановленої роликової опори. Щоб збільшити термін роботи роликів зварюванням закріплюють захисні кільця, які запобігають поверхню роликів від передчасного стирання.

Заміна спрацьованих приводного або натяжного барабанів проводиться таким чином. Необхідно заготовити новий приводний або натяжний барабан із валом та двома на пів муфтами, одну із яких насадити на вал барабану, а іншу на вихідний вал редуктора. Після посадки барабана на вал виконують балансування, потім його транспортують до місця заміни. Заготовлений барабан повинен бути на підшипниках. Після зупинки конвеєра розрізають стрічку, скидають її із барабану і демонтують його. Із валу редуктора знімають на пів муфту і насаджують нову, а потім вже встановлюють новий барабан, при цьому слідкують за тим, щоб він стояв строго по рівню і був добре відцентрований із віссю редуктору. Для покращення роботи барабанів - збільшення зчеплення та запобігання стирання робочої поверхні виконують футеровку барабанів гумовою транспортерною стрічкою, яку закріплюють заклепуванням чи клеять.

Для заміни шестерні першої передачі редуктору необхідно заздалегідь підготувати вал - шестерню і доставити ї до місця заміни. Якщо повідомлено, що муфта потребує заміни, то заготовляють вал - шестерню із насадженою на пів муфтою, а іншу на вал двигуна встановлюють під час виконання заміни. Після установки на місце нового вал - шестерні і затяжки болтів на кришці редуктора необхідно виконати центрування валів електродвигуна та редуктора. Для збільшення терміну довговічності вал - шестерню першої ступені редуктора необхідно: забезпечити правильне зачеплення зубців; слідкувати за кількістю та якістю мастильного матеріалу у редукторі; до закріплення кришки редуктора добре провірити, щоб у редукторі не лишилося сторонніх предметів (спрацьованих болтів, гайок, дрантя). Щоб збільшити термін служби поверхні зубців їх термічно обробляють струмом високої частоти або цементацією.

Ремонт металоконструкції складається із виконання таких операцій. Металевий настил звичайно роблять із листового метала товщиною 3-4мм. Через деякий час при корозії він виходить із ладу. Неможливо допускати, що б матеріал, що транспортується попадав на не працюючі гілки стрічки. Ремонт подовжніх і поперечних швелерів та вертикальних стойок, що також підлягають корозії, заготовляють по потребі раніше, доставляють до місця ремонту. Заготовки підрізають до необхідної довжини, встановлюють, закріплюють, розмічають і прорізають овальний отвір у верхній частині для монтажу роликової опори. Металоконструкція збирається зварюванням або заклепуванням, тому виготовляється із вуглецевих сталей (Ст3, Ст5).

Ремонт гальма першого типу характеризується як заміна храпового колеса і собачки, регулювання щільності прилягання собачки до всіх зубців храпового колеса, перевірка пружин, що натискають собачку та інше. Ремонт гальма іншого типу включає перевірку положення, заміну роликів або всього гальмівного пристрою. У колодкових гальмах спрацьовуються гальмівні колодки, які після стирання підлягають заміні, шківи та пружини. Сталеві деталі для збільшення їх працездатності та твердості поверхневих шарів термічно обробляють. Треба відмітити, що неполадки гальма можуть викликати схід стрічки.

Ремонт жолобів являє собою. замін бронею та прокородованих листів. При ремонті жолобів не повинно бути виступів. Кут нахилу жолоба повинен бути таким, щоб матеріал, який переміщується, не затримувався у жолобі.

.4 Обслуговування механізму у міжремонтний період

Головне завдання служби устаткування полягає в тому, щоб забезпечити ефективну, безаварійну роботу встаткування при мінімальних витратах трудових і матеріальних ресурсів.

Одним з найважливіших умові рішення цього завдання є застосування системи технічного обслуговування та ремонту (ТОіР), суть якої складається в чіткому чергуванні й регламентації періодів ритмічної роботи встаткування відповідно до встановленого режиму й профілактичних заходів з метою попередження передчасного його зношування, включаючи планові ремонти й міжремонтне технічне обслуговування.

Підприємства, ремонтні трести й інші підрозділи галузі зобов'язані неухильно дотримувати вимог системи ТОіР , тому що їхнє порушення неминуче приводить до росту позапланових простоїв устаткування, підвищенню рівня трудових і матеріальних витрат на його ремонт і зниженню техніко-економічних показників виробництва.

Подальше вдосконалювання роботи механо - ремонтної служби підприємств повинне відбуватися по шляху:

а) підвищення якості міжремонтного технічного обслуговування встаткування, посилення ролі й відповідальності експлуатаційного й ремонтного персоналу виробничих цехів у забезпеченні ефективної, ритмічної роботи агрегатів і машин, а також розробки й впровадження заходів щодо вдосконалювання встаткування;

б) раціональної централізації поточних і капітальних ремонтів устаткування з метою забезпечення оптимального співвідношення состава й обсягів робіт, виконуваних персоналом механо - служби виробничих і ремонтних цехів підприємств, ремонтних трестів галузі;

в) підвищення чіткості планування та виконання ремонтів устаткування, впровадження економіко-математичних методів при плануванні ремонтів й аналізі ефективності ремонтного виробництва; впровадження гарантійних ремонтів на основі госпрозрахункових взаємин між підприємствами й виконавцями ремонтів;

г) максимального застосування вузлового і агрегатного методів ремонту, розосередженого капітального ремонту встаткування, загартовуючої технології та прогресивних способів відновлення зношених вузлів і деталей;

д) істотного поліпшення обліку та систематичного аналізу причин непланових простоїв устаткування, низької стійкості вузлів і деталей машин і розробки дійових заходів по їхньому усуненню; підвищення рівня робіт з модернізації агрегатів і машин;

е) удосконалювання обліку та зниження рівня трудових і матеріальних витрат на ремонти виробничого встаткування;

ж) подальшій централізації й спеціалізації виробництва запасних частин і змінного встаткування;

з) розробки та впровадження типової організації і технології проведення ремонтів устаткування;

и) поліпшення технічної озброєності ремонтно! про персонал засобами механізації важких і трудомістких робіт, впровадження спеціалізованих інструментів і пристосувань при виробництві ремонтно-відбудовчих і монтажних робіт;

к) підвищення кваліфікації та рівня спеціалізації ремонтного персоналу, а також удосконалювання системи оплати його праці.

Поняття «поточне обслуговування» містить у собі відхід, огляд і змащення тертьових поверхонь, підтяжку болтів, регулювання гальм, очищення встаткування від бруду й ін. Таким чином, ціль поточного обслуговування встаткування - систематичне підтримка його в нормальному робочому стані, попередження передчасного зношування деталей і вузлів, подовження міжремонтного періоду та скорочення строку ремонту. Поточне обслуговування агрегату здійснюють як експлуатаційний персонал, так і черговий (слюсар й електрик). Тому до експлуатації машин й апаратів допускаються особи, що вивчили й освоїли їхні конструкції й особливості, що вміють виявити й усунути дрібні неполадки. Вони повинні пройти спеціальний курс навчання, здати іспит й одержати відповідне кваліфікаційне посвідчення.

Важлива роль у поточному обслуговуванні приділяється черговому персоналу (слюсареві й електрикові). Крім того, що разом з експлуатаційним персоналом вони усувають дрібні неполадки, вони ще зобов'язані у вільний час обходити й перевіряти закріплені за ними ділянки й здійснювати контроль правильної їхньої експлуатації.

Чергові слюсар й електрик по закінченні зміни заповнюють книги рапортів, у яких відзначає стан устаткування, перелік зроблених ними робіт, виявлені недоліки, що вимагають втручання денного ремонтного персоналу, і перелік потребуючі поповнення запасних частин, металовиробів й інших допоміжних матеріалів.

Контроль поточного обслуговування здійснює керівник зміни (начальник зміни, майстер), що зобов'язаний кожну зміну перевіряти записи в журналах прийому й здачі зміни й розписуватися в них.

Крім того, механік й енергетик цехи зобов'язані щодня читати книги рапортів чергового персоналу, періодично бути присутнім при прийомі й здачі зміни на різних ділянках, перевіряти роботу чергових і дотримання експлуатаційним персоналом всіх правил й інструкцій.

.5 Технологія виконання монтажних робіт

Автоматичний дозувальник монтується на масивному монолітному фундаменті, що являє собою залізобетонний масив, що входить до складу відділення дозування шихти вугільно-підготовчого цеху. Він являє собою складну, збірню металоконструкцію, що складається з декількох рам розташованих на різних висотних рівнях, і зв'язаних між собою заклепками й зварюванням, до фундаменту рами прикріплені анкерними болтами.

Привод човникового транспортеру розташовується на підвісній рамі на оцінці +32000 мм. Розміри й обриси в плані фундаменту, відповідають габаритам привода. Кріплення встаткування привода виконується за допомогою болтів до рами, що у свою чергу кріпиться за допомогою анкерних болтів до фундаменту. За нульову висотну оцінку приймаємо рівень чистої підлоги першого поверху цеху. Фундамент споруджують на повну проектну висоту й здають під монтаж з вирівняною поверхнею. Закріплені на фундаменті осі повинні бути вивірені стосовно осі подачі човникового транспортеру й осі барабана човникового транспортеру, а висотні оцінки стосовно рівня чистої підлоги. Готовність фундаменту під монтаж устаткування оформляється актом, який підписують представники будівельної й монтажної організацій і комбінату

Контроль точності монтажу

При монтажі і наладці машини необхідно:

а) За допомогою рівня перевірити горизонтальність посадочної поверхні редуктора на станину;

б) Після установки вертикальних валів в проектне положення перевірити рівнем вертикальність і горизонтальність їх розташування, особливо це стосується вихідних валів;

в) Бічний зазор в зачепленні повинен бути:

конічної пари в межах 0,8 - 1,5 мм;

циліндрових пар в межах 0,34 - 1,32 мм;

г) Після контрольної збірки редуктора провести його пробну обкатку з абразивними пастами при швидкості на швидкохідному валу - 35 - 45 об/хв, в маслі - 200 - 300 об/хв.

.6 Заходи по виконанню П1, П2, К ремонтів

Впровадження прогресивної технології ремонтів, швидкісних методів його проведення та підвищення ступеня механізації ремонтних робіт є вирішальними факторами скорочення простоїв устаткування на ремонтах, підвищення продуктивності праці ремонтників і скорочення вартості ремонтів. Для забезпечення цього необхідно:

Розробити раціональну технологію виконання ремонтних робіт із застосуванням, де це потрібно багатоярусного та паралельного їх ведення, монтажу укрупненими вузлами та блоками, розосереджених методів проведення ремонтів, вузлової і агрегатної заміни деталей.

Підготовляти у виробничих цехах агрегати, що підлягають ремонту, площадки для складування вузлів, що демонтуються і заново встановлюються замість вузлів, що вийшли з ладу. Вчасно підготовляти і доставляти до місця ремонту всі необхідні деталі, вузли, мастильні, обтиральні, промивні н інші матеріали.

Забезпечити ремонтні бригади механізованим інструментом (гайковерти, гідродомкрати, переносні свердлильні та шліфувальні машини і ін.), а також газо різним та електрозварювальним устаткуванням.

При кожному ремонті виконуються ті із вказаних у переліку робіт, необхідність в яких визвано станом обладнання, що ремонтується. В відповідності з цим конкретний об’єм робіт при поточному ремонті любого виду може бути як більше, так і менше об’єму типового ремонту.

Поточний 1

Очищення обладнання та робочих місць від пилу, бруду, відпрацьованого мастила та технологічних відходів.

Зовнішній огляд та простукування з метою виявлення дефектів обладнання та окремих його вузлів

Відкривання люків для огляду обладнання та перевірки стану механізмів, вузлів та деталей. Перевірка ступені спрацьовування захисних елементів.

Відкривання та по детальне розбирання окремих вузлів, подальша працездатність яких визиває сумнів; заміна пошкоджених гранично зношених деталей або комплектних вузлів, дефекація деталей, що потребують заміни або реставрації при черговому поточному ремонті П2, із занесенням даних про це у агрегатний журнал.

Перевірка стану поверхонь деталей, що труться, зачистка забоїн, рисок та подряпин.

Регулювання зазорів в вузлах обладнання та плавності ходу рухомих поєднань.

Регулювання гальмівних пристроїв.

Регулювання натяжних пружин, транспортерних стрічок, центрування транспортерних стрічок.

Перевірка справності та регулювання упорів та механічних перемикачів.

Перевірка, підтягування та заміна гранично зношених сальників, манжетів, ущільнень роз’ємів поєднань.

Перевірка стану стопорного канату та заміна.

Дрібний ремонт системи змащування із заміною зношених вузлів.

Перевірка справності дії та регулювання запобіжних, блокувальних, сигнальних пристроїв.

Дрібний ремонт металоконструкцій (кожухи, огорожі, майданчики, сходи, переходи та ін.) із заміною окремих елементів.

Промивання та заправка змащувальних матеріалів зубчатих муфт та картерних систем змащування.

Перевірка простукуванням та підтяжка болтів поєднань, кріпильних та фіксуючих деталей.

Зборка обладнання та випробовування на холостому ходу, перевірка на шум, нагрівання, биття та вібрацію у випадках, коли це обговорено технічною документацією.

Регулювання та наладка механізмів та машин; різних видів випробовувань.

Робота по модернізації вузлів та деталей.

Поточний 2

Виконання ремонтних робіт, передбачених поточним ремонтом П1 та додатково:

Часткове розбирання агрегату або машини, за виключенням базових деталей, заміна пошкоджених або гранично зношених вузлів обладнання.

Центрування та балансування вузлів, що швидко обертаються.

Шліфування або заміна гальмівних шківів.

Дефекація вузлів або деталей, що потребують заміни або реставрації при найближчому поточному або капітальному ремонті, із занесенням у агрегатний журнал.

Ревізія підшипників кочення із заміною пошкоджених або гранично зношених.

Перевірка зазорів та стану вкладишів в підшипниках ковзання: пере заливка їх бабітом, заміна та підгонка (включаючи шабрення) зношених вкладишів та втулок.

Реставрація або заміна спрямовуючих планок, планок ковзання, та інших подібних деталей.

Заміна деталей або вузлів, які не зможуть допрацювати до послідуючого планового ремонту П2.

Ремонт муфт.

Ремонт кожухів, огорож, переходів.

Капітальний ремонт

Розбирання агрегату, його механізмів та вузлів.

Уточнення відомості дефектів із включенням в неї раніше не врахованих ремонтних робіт.

Реставрація або заміна зношених механізмів, металоконструкцій, трубопроводів, вузлів та деталей, включаючи базові (станини, рами, плитовими та інше).

Ремонт або заміна фундаментів під обладнанням.

Робота по модернізації обладнання та окремих його вузлів.

Збирання механізмів агрегату, пригонка, регулювання та припасовка рухомих вузлів та елементів.

Відновлення або заміна антикорозійних пристроїв.

Заміна комплектуючого обладнання, що прийшло у непридатність.

Реставрація або заміна огорож, захисних пристроїв, сходів, переходів.

Шпаклювання та фарбування поверхонь обладнання, що не оброблюються, заміна табличок та інвентарних номерів, відновлення надписів, показників.

Регулювання та наладка обладнання та проведення необхідних видів випробувань.

.7 Карта змащування вузлів механізму

Ефективність застосування мастила багато в чому залежить від того, наскільки змащувальний матеріал відповідає Умовам експлуатації устаткування: навантаженню, швидкості, температурі робочого середовища і матеріалам зміщуваних поверхонь, а також конструктивним особливостям вузла тертя. Підібрати необхідне мастило для окремих вузлів тертя і визначити витрату змащувальних матеріалів можна зробити шляхом розрахунку на основі наявних даних для типових пар тертя. У довідниках є дані по витраті мастила залежно від режиму змазування, типу і розмірів поверхонь тертя для найбільш поширених вузлів: плоскі поверхні ковзання, зубчаті і черв'ячні передачі, ланцюги і т.д. Зазвичай вид мастила і норми її витрати указують в карті мастила, яке є частиною загального паспорта машини і є основним документом, що регламентує режим мастила всіх вузлів даної машини.

Системи рідкого мастила за способом подачі масла ділять на централізовані і нецентралізовані, проточні і циркуляційні, а за способом управління на ручні, напівавтоматичні і автоматичні.

Змащування уручну здійснюють за допомогою різних масельничок (наливних, гнітючих, прес-маслюк, маслянок з набиванням) і застосовують для невідповідальних і малонавантажених механізмів і вузлів машин з короткочасним режимом роботи. Основним недоліком цього найбільш старого способу мастила є неможливість регулювати і контролювати подачу масла до вузлів тертя, крім того, його ефективність багато в чому залежить від кваліфікації і сумлінності обслуговуючого персоналу.

Рисунок 3 Схема змащування

Систему картерного змащування широко застосовують для редукторів, зубчатих муфт, конічних і циліндрових зубчатих передач, рольгангов і ін. При картерному змащуванні тепло, що виділяється у вузлах тертя, повністю відводиться в навколишній простір через корпус механізму. Залежно від потужності передачі і окружної швидкості змащування здійснюють зануренням деталей в масляну ванну.

Для своєчасного якісного змащування машин та механізмів заводи-виробники забезпечують устаткування таблицями чи картами змащування, а також рекомендаціями по змащуванні, в яких вказується режим змащування, та сорти мастильних матеріалів.

Для змащення редукторів пристосовують такі змащувальні матеріали та режими змащування.

Призначення сорту мастила залежить від контактного тиснення в зубах та від кутової швидкості колеса.

Вибір матеріалу для змащування підшипників залежить від умови користування та температури навколишньої середи:

при ТºС від 0 до 50 - солідол ,УНІОЛ -1, УНІОЛ-2 ;

при ТоС від 50 до 70 - високов’язким мастилом , солідол, консталін, ЛІТОЛ-24 ;

при ТоС від 70 до 120 - високов’язким мастилом, консталін, ЦІАТІМ-2.

Режим змащування від 1 разу в добу до 1 разу в 3 доби. Додаткові формули для розрахунку кількості змащувального матеріалу := 0,0065 d.

Таблиця 1 - Карта змащення

Назва вузла тертя

Кількість крапок змащення

Засіб змащення

Назва мастильного матеріалу

Режим змащування




Влітку

взимку


Редуктор

1

Масляна Вана

І-30 А ГОСТ 20799-75

І-50 А ГОСТ 20799-75

1 раз на 10днів

Підшипникові опори

8

Промащення

Графітна змазка

1 раз на 10днів

Втулки роликів

72

Промащення

Графітна змазка

1 раз на 10днів

Гальмо - шарніри

4

Промащення

Графітна змазка

Графітна змазка

1 раз на 10днів

Підшипники електродвигуна

2

Промащення

Солідол ТАП -15 В

1 раз у 3 місяці


Розрахунок мастильного матеріалу на рік:

Для редуктора

Qз=(0,5 - 0,8) х 1,1 = 0,8 х 1,1 = 0,88 кгд=⅓ х Qз= 0,3 х 0,88 = 0,264 кгрр= К1 х Qз + К2 х Qд = 4 х 0,88 + 32 х 0,264 = 11,96 кг

Для шарнірів гальма з= 1,1 х (Д - d)= 1,1 х (0,011 - 0,0072) = 0,00418 кгд=⅓ х Qз= 0,3 х 0,00418 = 0,0013 кгрр= К1 х Qз + К2 х Qд = 12 х 0,00418 + 61 х 0,0013 = 0,126 кг= Z х Qрр = 4 х 0,126 = 0,504 кг

Для всіх підшипників

з= 0,03 х l х π х (D2 - d2)/ 4 = 0,03 х 0,17 х 3,14 х ( 0,58 2 - 0,48 2) /4 = 0,004 кгд=⅓ х Qз= 0,3 х 0,004= 0,0012кгрр= К1 х Qз + К2 х Qд = 12 х 0,004+ 61 х 0,0012 = 0,121 кг= Z х Qрр = 8 х 0,121 = 0,969 кг

Втулки роликів

з= 1,1 х (Д - d)= 1,1 х (0,025 - 0,02) = 0,0055кгд=⅓ х Qз= 0,3 х 0,0055 = 0,0165 кгрр= К1 х Qз + К2 х Qд = 12 х 0,0055+ 61 х 0,00165= 1,0725 кг= Z х Qрр = 72 х 1,0725 = 77,22 кг

Необхідна кількість мастильного матеріалу складає, без урахування змазки електро та вібро двигунів - 91,307 кг.

2.8 Розрахунок потужності привода

Визначаємо зусилля натягування нагибаючої вісі стрічки на привод барабана

G = P  ; M

де - l f 2 - 3,51 - значення при умові роботи транспортера в запиленому

сухому приміщенні для барабана із гумовою футеровкою

при куті обхвату стрічки

= 1512  = 2114,4м

Визначаємо число прокладок стрічки

=  =  = 4

Вибираємо стрічку по стандарту: тип А2-800-т ОГБ-5

Визначаємо діаметр приводного барабану у мм

Д = кб х іп =80 · 4 = 320

де - кб - коефіцієнт, що враховує тип стрічки

Визначаємо швидкість обертання приводу натяжного барабану

=  =  = 48,5 об/хвил

Підбираємо барабан по стандарту 0,4м

Визначаємо довжину барабану = B + (100 ÷ 200)= 0,8 + 0,2 = 1м

Визначаємо тиск стрічки на приводний барабан у Н на м2

=  H/м =  = 121207 H/м

Визначаємо ККД приводу

 

η - 0,95 η = 1 + W (2ke - 1)

де - W = 0,01 кофіціент су противності барабана на хід

Км - кофіціент враховуючий тертя

Кс =  =  = 1,3

η =  = 0,76

Визначаємо необхідну потужність електродвигуна

= К ·

Де - кз - 1,2 - 1,25 коефіцієнт запасу потужності

Р - тягове зусилля конвеєра - 1112 Н- швидкість конвеєра - 1,05 м/с

=  = 1,1 кВт

по каталогу приймаємо електродвигун типа АО-42-4 потужність 1,1 кВт та частотою обертання 975 об/хвилину.

Вибір необхідних даних для розрахунків.

Швидкість переміщення конвеєра ύ = 2 м/с.

Електродвигун тип АОС - 51-6, 4 мм на кожному колі.

Потужність Р = 2,8 кВт.= 850 об/хв..

Режим роботи реверсивний тяжкий Рв = 100.

Вага конвеєра G = 91000 м

Крупність матеріалу рядове вугілля γ = 0,8 т/м³.

Продуктивність конвеєра Q = 1200м/год.

Визначення необхідної потужності електродвигуна.

W1 = β(G+Q) {(µd+2f)/ D} Н= 4(910+14,56)*(0,015*75+2*0,06)/500 = 9,2 кН

Вибір шуканої потужності двигуна.

N = W* ύ / (60*η) кВт; η = 0,86= 9,2*2/ (60*0,86) = 0,3 кВт

По каталогу вибираємо двигун АОС-51-6; N- 2,8 кВт, n-850 хвˉ¹.

2.9 Кінематичний і-силовий розрахунок

Визначаємо загальне передатне відношення механізму.

U = i 1*i2*i3 = 109.31 = 17; z2 = 55; z3 = 9; z4 = 55; z5 = 51; z6 = 9;

i 1 = z2/z1 = 55/17 = 3.22 = z4/z3 = 55/9 = 6.13 = z6/z5 = 9/51 = 5.6

Визначаємо кутову швидкість w в радіанах на секунду і обертовий момент в Ньютонах на метр.

= P*n/30, Тдв = P*10³/wдв = 2,8*850/30 = 79,33 рад/с

Рисунок 3 Расчетная схема к кинематическому и силовому анализу привода редуктора

Р1 = 2,6 кВт; Р2 = 2,4 кВт ; Р3 = 2,2 кВт ; Р4 = 2,07 кВт .1 = 850 об/хв.; n 2 = 265,6 об/хв.; n 3 = 43,5 об/хв.; n4 = 7,7 об/хв..1 = 9,2 рад/с ; w 2 = 2,8 рад/с ; w 3 = 0,4 рад/с; w 4 = 0,07 рад/с.

Т1 = 33,8 Н/м; Т2 = 100,4 Н/м; Т3 = 578,9 Н/м; Т4 = 306,3 Н/м.

ПДВ = 2,8*10³/79,33 = 35,3 Н/м

На швидкохідному валу технологічні параметри визначаємо по формулах:

n2 = n1/i1 = 850/3,2 = 265,6 об/хв.= w1/i1 = 9,2/3,2 = 2,8 кН= 850 об/хв.; w1 = 9,2 рад/с= Pдв*ηп.к*ηз.к.= 2,8*0,995*0,95 = 2,6 кВт= Тдв*ηп.к*ηз.к. = 35,2*0,995*0,95 = 33,2 кН/м

Проміжний вал I

= 265,6 об/хв.; w2 = 2,8 рад/с

Р2 = Р1*ηп.к*ηз.к. = 2,6*0,995*0,95 = 2,4 кВт

Т2 = Т1*i1*ηп.к*ηз.к. = 33,2*3,2*0,995*0,95 = 100,4 Н/м

Проміжний вал II

= n2/ i 2 = 265,6/6,1 = 43,5 об/хв.= w2/ i 1 = 2,8/6,1 = 0,4рад/с

Р3 = Р2 *ηп.к*ηз.к. = 2,4*0,995*0,95 = 2,2 кВт

Т3 = Т2* i 2 *ηп.к*ηз.к. = 100,4*6,1*0,995*0,95 = 578,9 Н/м

Тихохідний вал

n 4 = n 3 / i 3 = 43,5/5,6 = 7,7 об/хв.4 = w 3 / i 3 = 0,4/5,6 = 0,07 рад/с

Р4 = Р3 *ηп.к*ηз.к. = 2,2*0,995*0,95 = 2,07 кВт

Т4 = Т3*i3*ηп.к*ηз.к. = 578,9*5,6*0,995*0,95 = 3064,3 Н/м

де Тдв = 35,3 кН/м

.10 Вибір муфти

За ДСТ 21424-75 вибираємо муфту МПВП по робочих параметрах електродвигуна.

Розрахунковий момент у Ньютонах на метр знаходимо по наступній формулі


де: =2 - коефіцієнт режиму роботи

Пружна втулочно-пальцева муфта МН-5 має припустимий обертаючий момент Мк=1100Нм, припустиме число обертів у хвилину n=2600 про/хв, Дм=220мм, кількість пальців z=10, діаметр яких становить dп=18мм, довжина втулки lв=142мм.

Перевіряємо гумові втулки на зминання поверхні при зіткненні з пальцями, МПа


де:  - окружна сила, що передається одним пальцем, у Н


Рисунок 2.3 Схема муфти пружньої втулково-пальцевої 2000-600-І.2-УЗ ГОСТ 21424-75

.11 Розрахунок гальма

Визначаємо необхідний гальмовий тиск між колодкою й шківом, у Н/мм


де: [q]=0,6 Н/м припустимий питомий тиск

А - площа колодки, мм2

Дш - діаметр шківа, мм

У - ширина колодки, мм

- кут обхвату шківа однією колодкою

Р - зусилля дотику гальмових колодок, Н

- сила тертя між колодкою й шківом, Н=0,48 - коефіцієнт тертя між гальмовою колодкою й шківом


де: МТ=КТ×Мдв

МТ=2×477,48=954,96

КТ=2 - коефіцієнт запасу гальмування згідно режиму роботи механізму 5М правил Держнагляду.

Гальмовий момент 8000 мм

Діаметр гальмового шківа 700 мм

Штовхач Т-160 В

Розміри важільної системи а=h=550 мм

Розміри В=2М=1100 мм

Сила тертя між колодкою та шківом:= Тт./Дм = 70,6*10³/700 = 100,500 Н

Зусилля приживання гальмових колодок до шківа:

= Ff/f = 100,500/0,48 = 209,375 Н

де f = 0,42/0,48

Замкнуті зусилля шківа:

= N*(a/B) = 209,375*2 = 418750 Н

Питомий тиск між гальмовою колодкою та шківом:

Φ =N/Aк = N/(П*Дш*B*β)/360 = 209,375/(3,14*700*260*70)/360 = 1,8 Н/м

Ак - площа колодки;



Рисунок 5 Розрахункова схема гальма

Дш - діаметр гальмівного шківа, мм;

В - ширина колодки, мм;

β - кут обхвату шківа однією колодкою, β=60…100

Приймаємо β=70

[g] - допустимий питомий тиск, мПа.

.13 Розрахунок деталі на міцність

= 670 мм;м = 354 мм;

ℓ1 - 98 мм;- 80 мм;

ℓб = 218 мм;2 = 2Т2*10 ³/0,857* de2 = 2*100,4*10³/0,857*80 = 2928,8 Н1 = Fa 2 = Ft 2 *tg β 30º = 2928,8 * tg β 30 º = 1669,4 Нм = 2Т2*10 ³/0,857* de2 = 2*100,4*10 ³/0,857*80 = 2928,8 Н1 = 2928,8 Н; Fr 1 = 1669,4 Н; Fa 1 =1669,4 Н; Fм = 2928,8 Н; d 1 = 80 мм;

ℓб = 218 мм; ℓ 1 = 98 мм; ℓм = 354 мм.

Вертикальна плоскість

Розраховуємо опарні реакції

∑ Мx 3= 0;1 =d 1 /2-Fr 1 (ℓ 1 +ℓб)-Rау ℓб = 0ау = (Fa 1 * (d 1 /2)- Fr 1 (ℓ 1 + ℓб))/ ℓб =

= (1669,4*(80/2)-1669,4(98+218))/218 = -2117,5 Н

∑ Мх = 0;1 (d 1 /2)- Fr 1 ℓ 1 - Rву ℓб = 0ву = (Fa 1 *( d 1 /2)- Fr 1 * ℓ 1) ℓб = (1669,40*(80/2)-1669,4*98)/218 =

= -444,3 Н

Перевірка: ∑ у=0; - R ау + Rву - Fr 1 = 0

,7-444,3-1669,4 = 0.

Будуємо епюру згинаючих моментів відносно осі х.

Мх 1 = Fa 1* d 1 /2; Мх 2 = Fa 1* d 1 /2- Fr 1 * ℓ 1;

Мх3 = 0.

Мх2 = 1669,4 - 80/2 - 1669,4*98 = -96825 Н.

. Горизонтальна плоскість

Розраховуємо опорні реакції, Н:

∑ Му3 = 0; Ft1(ℓ1+ℓб) - Rах*ℓб + Fм*ℓм = 0ах = (Ft1 (ℓ1+ℓб) + Fм*ℓм)/ ℓб = (2928,8(98+218)+2928,8*354) /218= = 9001,3 Н

∑ Му2 = 0; Ft1ℓ1 - Rвх*ℓб + Fм(ℓб+ℓм) = 0;вх =(Ft1ℓ1 + Fм(ℓб+ℓм) /ℓб = (2928,8*98+2928,8(218+354) )/218 =

= 9001,3 Н

Перевірка: ∑х=0; Ft1 - Rах + Rвх - Fм = 0

,8-9001,3+9001,3-2928,8=0.

Будуємо епюру згинаючих моментів відносно осі у:

Му1 = 0; Му2 = Ft1ℓ1 = 2928,8*98=287022,4 Н

Му4 = 0;

Му3 = -Fмℓм = -2928,8

. Будуємо епюру крутячих моментів:

Мк = Ft1d1/2 = 2928,8*80/2=117152 Н.

Розраховуємо сумарне радіальне відношення реакції:а = √Rах²+Rау² = √9001,3²+2117,5² = 8748,6 Нв = √Rвх²+Rву² = √9001,3²+444,3² = 8990,3 Н

Визначаємо сумарні згинаючі моменти в найбільш навантажених січеннях:

М2 = √Мх2²+Му2² = 96825²+287022,4² = 96825 Н

М3 = Му3.

Вибір підшипників.

Вибираємо тип підшипника. Так як навантаження з помірним поштовхом і вістова сила відсутня (Fа = 0), призначити роликові підшипники.

З попередніх розрахунків маємо:

Ха = Хв. = 9001,3 Н

Уа = Ув = 2117,5 Н

Реакції рпор= Fа = Fв √9001,3 ²+2117,5 ² = 9247 Н

Потрібне значення динамічної вантажопідйомності:

½ -5

Сtр = (ХVFr + УFа)Кб Кт(6*10 n Ln) = (1*1*16669,4+1)1,2*1/6*10 * *29*43*10³)º΄³= 13510008 = 135*10³ Н

х - коефіцієнт радіального навантаження на підшипники, х=1;- коефіцієнт обертання, =1;

Кб - коефіцієнт безпеки, Кб=1,2

74,8 º΄³ = 3,65 - антилогарифм

Кт - температурний коефіцієнт, Кт=1; Кт=1,1;- частота обертання підшипника, n =29 минֿ¹;- ресурс підшипника призначується з обліком зміни,

Ln =43*10³*35*10³;

У - коефіцієнт вістового навантаження при d=80 мм.

Вибираємо підшипник Ø 7616 із динамічною вантажопід’ємністю

кН, допустима частота обертання 2500 об/хв..

3 5= L/60 n = 10 *43*10 /60*850 = 0.8 = 8*10 год.

.14Технологічний розрахунок

З’єднання навантажно обертовим моментом

Т = 197,3 Н м

Діаметр і довжина посадочної поверхні= 6,5 мм ; l = 80 мм

Умовний поверхневий діаметр ступиці колеса d2 = 85 мм

Вал сполошний d1= 0

Матеріал зубчастого колеса і вала - сталь 45

Межа текучесті матеріалу колеса σТ2 = 540 Н м 2

Збірка напресуванням.

Коефіцієнт запасу щеплення К = 3

Кофіціент тертя при розрахунках щеплення -ƒ = 0,08 , пресування ƒr = 0,2

1. Розрахуємо середній контактний тиск

рm = 2KT × 103/(π d2 lƒc) = 2 × 3 × 237 × 103 / (3,14 × 652 × 80 × 0,08) = 15,22

2. Розрахуємо кофіціент С1 і С2

С1 = (1 + (d1/d2)2/1 - (d1/d2)2) - H ;

С2 = (1 + (d1/d2)2/1 - (d1/d2)2) + H

Т.к. d1 = 0 то С1 = 1 - 0,3 = 0,7

С2 = (1 + (65/85)2/1 - (65/85)2) + 0,3 = 4,05

. Розраховуємо деформацію деталей

pm d × 103 ( C1/E1 + C2/E2) = 15?22 × 65 × 103 (0,7/2,1 × 105 + 4,05/2,1 × 105) = 22,3 мПа

. Розраховуємо поправку на обняття невірностей= 5,5 (Ra1 + Ra1) = 5,5 (1,6 + 1,6) = 17,6 мКм

. Розраховуємо мінімальний потрібний натяг

[N]min ≥ Δ + U + Δt = 22,3 + 17,6 = 39,9 мКм

Для зубчастих передач поправку температурну деформацію не підраховують приймають

Δt = 0

6. Розраховуємо максимальний контактний тиск , допустиму міцність обхватування деталі

[p]max = 0,5 σT2 [ 1 - (d1/d2)] = 0,5 × 540 [1 - (65/85)2] = 112,1 Н/мм2

.Розраховуємо максимальний допустимий натяг , гарантуючий міцність обхватування деталі

[Δ] max = [p] max Δ/p = 112,1 × 22,3 / 15,22 = 164,2 мКм

. Розраховуємо максимальний допустимий натяг , гарантуючий міцність обхватування деталі

[N] max ≤ [Δ] max + U = 164 + 17,6 = 181,8 мКм

. По таблиці вибираємо вибираємо посадку Н7/S6 для якої Nmin = 36 > [N]min і

= 71 мКм < [N]max

. Розраховуємо тиск від максимального натягу Nmax вибраної посадки:

Р max (Nmax - U) Δ/p = (71 - 17,6) 15,22/22,3 = 36,4 Н мм2

. Розраховуємо силу запре совки для вибраної осадки

FA = π d l pmax ƒn = 3,14 × 65 × 80 × 36,4 × 0,20 = 118867,84 H = 118,8 кН

Таким чином , для збірки з’єднання потрібний прес , розвиваючий силу 120 кН

3. ОХОРОНА ПРАЦІ ТА БЕЗПЕКА ЖИТТЕДІЯЛЬНОСТІ

.1 Заходи із ТБ при ремонті та експлуатації

Робота по ремонту, монтажу або демонтажу обладнання може бути почата тільки при наявності плану організації роботи, складеного з переліком вимог техніки безпеки. В плані роботи вказується послідовність всіх ремонтних операцій, місце розміщення знятих частин обладнання, розташування матеріалу і деталей, яки будуть ставитись замість знятих, оприділяються місця розміщення відходів, бруду, залишків матеріалів, вийнятих при чистці обладнання. Перед початком ремонтних робіт всі учасники знайомляться з відносною до них частиною плану і одержують інструктаж по техніці безпеки. Апаратура, на який повинні проводитися ремонтні роботи, повинна бути відключена, відглушена і очищена, а залишкові в ній продукти - знешкоджені. При виконані вогневих робіт необхідно прийняти міри по недопущенню випадку пилогазовиділення або розливу палаючих рідин. Майданчики, металоконструкції і перекриття приміщень, близько яких будуть проводитися вогневі роботи, повині бути очіщені від вибухонебеспечних і вогненебеспечних продуктів (мастила, смоли та інше).

При виконані вогневих робіт необхідно встановлювати безперервний контроль за станом повітряного середовища в приміщені і , особливо, на місцях, де ведуться вогневі роботи.

Бригада, яка веде вогневі роботи, повинна бути забезпечена приладдям, інструментом і захисними засобами.

Проведення вогневих робіт на території і в приміщеннях вибухо- і вогненебеспечних підприємств дозволяється тільки після оформлення плана і дозволу на проведення вогневих робіт.

Для забезпечення безпеки ремонтних робіт необхідно надійне вимикання електропостачання.

При ремонті обладнання з обертаючими і рухаючими деталями проводиться подвійне вимикання. При цьому одночасно з відключенням електропостачання і знімання запобіжників на розподільчих щитах, роз’єднуються муфти, знімаються привідні ремені і т.д.

На електропускових пристроях повинні бути розвішені таблички “Не вмикати, працюють люди”

.2 Протипожежні заходи

При експлуатації електрообладнання робітники можуть підпадати

під вплив електричного струму . Захист від такого впливу забезпечується системою організаційно-технічних заходів засобів. Для кожного окремого випадку складають нормативно-технічну документацію по охороні праці, затверджену в належному порядку.

Для зменшення небезпечності ураження електричним струмом передбачається використання малих напруг. При експлуатації усіх видів електрообладнання необхідно слідкувати, щоб воно не находилося в атмосфері великої вологості, пилу та газів.

По вибуховій, вибухово-пожежній і пожежній безпеці виробництва поділяються на шість категорій:

А, Б- вибухопожежнонебеспечні;

В, Г і Д - пожежнонебеспечні;

Е - вибухонебеспечні.

По категорії виробництва залежить вогнестійкість споруд, взаємне розташування обладнання і окремих виробничих об’єктів, допустимі системи опалювання, вентиляції і т.д.

Приміщення для зберігання легкозаймистих рідин повинні буди вогнестійкими. Двері таких приміщень повинні бути міцними та відкриватися назовні.

Освітлення приміщень допускається природне, зовнішнє або електричне в вибухонебезпечному виконанні. Вимикачі, запобіжники встановлюють за приміщенням. Забороняється використовувати переносні лампи.

При роботі з вогненебезпечними матеріалами забороняється використовувати відкритий вогонь, а також використовувати різні механізми і пристосування, котрі можуть визвати іскру, зберігати мастильні матеріали, зберегти на робочому місці горючі матеріали, кидати на підлогу металеві деталі, інструмент та інші предмети, які при ударі об підлогу можуть викликати іскру, ходити у взутті підбитому залізними цвяхами.

В радіусі 20 метрів від таких приміщень забороняється проводити будь-які роботи, пов’язані з використанням відкритого вогню. При закінченні роботи необхідно вимикати освітлення, нагріваючі елементи в цих приміщеннях, закінчити любі вогневі роботи.

.3 Заходи із промислової санітарії

Виробничі фактори взаємодіють на працюючих неблагоприємно. Основна задача санітарії - знизить вплив шкідливих виробничих факторів, а в ряді випадків повністю виключити їх вплив.

В робочі зони необхідно створити нормальні метрологічні умови знизить концентрацію шкідливих речовин до придільної допустимої, зменшить рівень шума на робочому місці, а також вібрації і іонізуючі випромінювання до допустимих параметрів. На адміністрацію кожної виробничої дільниці накладені обов’язки по організації безпечних умов праці, дотримуватись норм і правил промислової санітарії.

Засоби індивідуального захисту повинні запобігати від попадання забруднень на шкіру та в середину організму, а також захищати від альфа-випромінювання та по можливості від бета-випромінювання, від нейтронного та гамма-випромінювання індивідуальні засоби не захищають.

Засобами індивідуального захисту є спец одяг та взуття, використання респіраторів. Дотримування правил особистої гігієни необхідно для попередження радіоактивної забрудненості та інше. Паління, зберігання харчів у робочих приміщеннях не допускається.

При механізації процесів необхідно слідкувати за тим, щоб механізми не утворювали шуму та потрясінь, які перевищують гігієнічні нормативи. Зменшення шуму може бути досягнене шляхом зміни технології процесу. Шум машин виникає через удари деталей об деталі, їх тертя, завихрення повітря, примусових коливань.

Шкідливо впливають на життєві функції людини також електромагнітні поля, джерелом яких є генератори високих, ультрависоких та зверх високих частот. Біологічна дія - підвищення функціональних змін нервової системи, на серцево-судинні і вегетативних порушень.

Для утворення здорових і безпечних умов праці, усунення причин нещасних випадків і професійних хвороб можуть бути використані різноманітні заходи, які мають різний характер і призначення, в залежності від елементу виробничих умов, на які вони спрямовані: а) по організації виробництва і праці; б) по загальному устрою підприємства і цехів; в) по обладнанню і технологічному процесі; г) по індивідуальному захисту звичайно виникає необхідність проведення заходів по всіх групах. В кожному окремому випадку задача оздоровлення умов праці зводиться до аналізу умов і відповідному витоку найбільш ефективних заходів по можливості більш легко виконуючих і економічних. Правильна організація праці і виробництва - це точне дотримування установлених технологічних режимів і трудової дисципліни, чіткий контроль роботи всього персоналу, правильне розміщення робочої сили, доцільне розподілення робочого часу, часу відпочинку, відповідно роботи, яка ними виконується. Важливим заходом є встановлення науково-обгрунтованих гігієнічно-виробничих нормативів. До обов’язкових відноситься: межові допустимі концентрації шкідливих речовин у повітрі, норми метеорологічних умов, мінімально рівне освітлення робочих місць і інші встановлені Санітарними нормами проектування промислових підприємств СН 245-63 максимально допустимі рівне випромінювання, норми допустимих фізичних навантажень і багато іншого. Улаштування підприємств: цехів включають вимоги для передбачення нещасних випадків і проф.-захворювань до утримування території підприємства виробничих і допоміжних споруд, опалюванню і водопостачанню, каналізації, вентиляції, освітлювання і електропостачання, планування обладнання, робочих місць, про допуск до роботи. При конструюванні обладнання і розробці технологічних процесів обов’язково враховують технічні умови безпеки, для чого проводять аналіз можливих безпек і шкідливостей при експлуатації обладнання, яке проектується і передбачити заходи необхідні по профілактиці травматизму і профзахворювань.


4. ОХОРОНА НАВКОЛИШНЬОГО ПРИРОДНОГО СЕРЕДОВИЩА

Зменшення та повне припинення промислових викидів є важливою народногосподарською задачею. Н а коксохімічних виробництвах питанням захисту водного та повітряного басейну від забруднень приділяється багато уваги. Роботи виконуються в наступних напрямках : будівництво закритих складів вугілля з використанням вагоноперевертачів, герметизація обладнання, чистка вентиляційних викидів від пилу, сухе гасіння коксу, зобезпилення коксу, транспортує мого з УСТК, ліквідація викидів при завантаженні камер коксування шихтою та при видачі коксу, зменшення отруйних викидів при мокрому гасінні коксу, чистка коксового газу від сірководню, ліквідація викидів і отруйних парів з апаратів та ємностей хімічних цехів, зменшення викидів з градирень циклу кінцевого охолодження коксового газу, утилізація відходів вуглезбагачувальних фабрик і хімічних цехів, осучаснення процесів та обладнання для чистки зливних вод. Відомо, що забруднення повітряного та водяного басейнів призводить до підвищення концентрації шкідливих речовин в атмосферному просторі та водах.

Накопичення цих речовин може вплинути шкідливо на природу та тваринний світ, на здоров’я людей і призвести до порушення нормативних життєвих умов. Не очищені сточені води скидають у водосховища, змінюють структуру та хімічний склад води, які призводять до загибелі тварин та рослин, а також захворювання людей.

В нашій країні є ряд спеціальних постанов про захист навколишнього середовища, введені гострі норми природо використання, які попереджують суворі порушення в екологічній системі.

Технологічні процеси виробництва коксу супроводжується утворенням великої кількості пилу, окислів та газів. Три чверті всієї кількості викидів коксохімічного виробництва приходяться на коксові цехи, а четвертина - на хімічні.

Проблема зниження шкідливих викидів коксовими цехами має два напрямки: ліквідація пилу та газів при завантажуванні печей; ліквідація викидів у атмосферу при отриманні коксу та його гасінні.

Перша здача на більшості коксохімічних підприємств вирішується за рахунок впровадження методу бездимного завантажування коксових печей за допомогою парової інжекції.

При цьому пил та гази у процесі завантажування інжектують з печей у газо затворі і їх вихід у атмосферу знижується.

Ефективність бездимного завантажування при цьому методі доходить до 70-80%. Найбільшою проблемою у нашій країні та за кордоном є проблема без пилової видачі коксу.

На деяких заводах встановлюють зрошуючи пристрої. Існують конструкції рухомого пило вбираючого ковпака, а також аспираційні прикриття, які закривають всю коксову сторону батареї. Але у теперішній час ні однією із країн не вдалося розв’язати цю проблему.

Охорона водоймищ від промислових стічних вод є реальною проблемою для коксохімічних підприємств. Найбільш радикальним засобом захисту водоймищ від промислових викидів є використання те6хнологічнихпри введенні яких, якщо не повністю, то хоч би максимально зменшити кількість відходів. Існує два види очищення стічних відходів. Перший - механічний вид очистки споруд для видалення високодисперсних домішок. Другий - фізико - хімічна очистка використовується для очистки багатокомпонентних стічних вод. Останній метод вважається найбільш високоефективною очисткою.

У коксовому виробництві є процеси які супроводжуються викидами в атмосферу забрудненого повітря і води: організовані технологічні викиди через труби і не неорганізовані із-за витоків газу із газопроводів, забрудненої води або хімічних речовин. Кількість організованих викидів на багато більше кількості неорганізованих, тому для зменшення забруднення навколишнього середовища необхідно зменшувати кількість викидів за рахунок удосконалювання технології виробництва, для зниження масованності викидів необхідно розосередити джерела викидів, і використання очисних споруд і улаштування, централізованих систем аспірації. В залежності від методу відділення пилу від газового потоку розрізняють слідуючи: сухі або механічні (під дією сил ваги, сили інерції і відцентрової) у пиловловлювачах, від садкових камерах, циклонах, пиловловлювач. Вен турі на коксовій батареї для без палевого розвантаження коксових печей; мокрі, фільтруючі, електричні; комбіновані. Також використовується для очистки коксового газу від окалини і частинок шихти. Для зменшення забруднення і неорганізованих викидів коксової батареї використовується бездимне завантажування коксових печей із використанням гідрату коро інжекції, регулювання правильного розташування стояків і газозбірників. Очистка промислових системних вод є обов’язковою для всіх підприємств. Стічні води характеризуються як кокс кількістю домішок і змінною кількістю розчинних сполук. Для освітлення стічних вод на протязі багатьох років використовуються відстійники від 26 до 60 м, або багато секційні в зв’язку із необхідністю періодичної очистки їх від шламу. Пропонується використання відкритих гідроцеленів із коагуляцією залізом, встановленням установок обезформування і виведенням верховод них важких металів. Для зменшення організованих і неорганізованих викидів також пропонується використання установки для сухого гасіння коксу, при якому в атмосферу не випадаються випаровування (при мокрому гасінні) і великої кількості забрудненої води яка подається на очищення, випаровування під час технологічного часу на охолодження на коксовій рампі.


5. ЕКОНОМІКА, ОРГАНІЗАЦІЯ ТА ПЛАНУВАННЯ ВИРОБНИЦТВА

.1.Розрахувати кількість ремонтів за ремонтний цикл

Для того, щоб скласти графік ППР, структуру ремонтного циклу треба розрахувати кількість поточних ремонтів П1,П2 на підставі вихідних даних.

Таблиця 2 - Вихідні дані

Найменування обладнання

Поточний ремонт

Капітальний ремонт Періодичність трив. годин

Структура ремонтного циклу


П1

П2




Періодичність трив. годин



Автоматичний дозувальник

1/12

6/24

5/120К+100П1+19П2



Далі визначаємо кількість ремонтів збільшеного об’єму (П2) за ремонтний цикл.

П2=П/tn2-1

де: П - тривалість ремонтного циклу в місяцях- тривалість пробігу між поточними ремонтами збільшеного об’єму

П2=60/3-1=19 ремонтів

Визначаємо кількість поточних ремонтів зменшеного обліку П1

П1=П/tn1-П2-1

де: tn1 - тривалість пробігу між поточними ремонтами П1 в місяцях

Визначаємо час простою обладнання на ремонті за ремонтний цикл

Трем.ц.=К×tк+П1×tn1+П2×tn2

де: К, П1 і П2 - кількість капітальних ремонтів, відповідно:к - тривалість капітального ремонту, в годинах- тривалість простою обладнання під час поточного ремонту П1- тривалість простою обладнання під час поточного ремонту П2

Відомість дефектів - це документ в якому перераховуються всі виявлені дефекти, зміст потрібного ремонту, строки його виконання, звіт по технічному стані обладнання найменування матеріалів деталей і вузлів, їх кількість потрібна для проведення ремонту, складаємо відомість дефектів на ремонт механізму привода стрічки

.2 Скласти необхідну ремонтну документацію
































Рис. 7 Графік попереджувально планових ремонтів

Таблиця 3- Відомість дефектів

Найменування робіт та послуг

Види замічених дефектів

Методи усунення дефектів

Матеріали




Найменуван.

Одиниці виміру

Кількість

Металоконструкція площадок

Тріщини, зломи м/к площадок

Демонтаж ремонт, монтаж металоконструкції площадок

прокат

Тн.

3,6

Металоконструкція огородження

Тріщини вузлів металоконструкцій огородження

Демонтаж ремонт, монтаж металоконструкцій огороджень

прокат

Тн.

2,1

Вал

Знос, згин, розбиття шпонкових пазів

Наплавка валів з наступним шліфуванням і центруванням, місця пазів заплавляють і нарізають нові не менше ніж через 90º.

Сталь

Тн.

0,05

Шестерні

Знос, надкол і тріщини зубців

Заміна шестерні, вібродугова наплавка, металізація

Сталь

Тн.

0,07

Натяжний пристрій

Знос, зрив різьбових поверхонь

Заміна, наплвка дуговим зварюванням, з наступном нарізанням різьби

прокат

Тн.

0,3

Барабан

Знос гумової футеровки

Футерування гумовою стрічкою

Гума

Тн.

0,1



Таблиця 4 - Поопераційний графік

Найменування робіт (послуг)

Склад ремонтної бригади

Вага т.



Працевтрати грн.

Збірка та установка механізмів з приводами, систем та агрегатів, крупних вузлів окремих деталей з вивіркою та кріпленням на болтах механізмів.

6 розряд - 1 чол. 5 розряд - 2 чол. 4 розряд - 2 чол. 3 розряд - 1 чол.

 


Всього - 6 чол.



.3 Скласти штатний розклад

На підставі вихідних даних, якими є дані базового виробництва з таблиці визначаємо чисельність працюючих по категоріям, враховуючи при цьому режим роботи, а саме: категорії працюючих ІТП, службовці та ремонтна група - це денний персонал, працюють по графіку 5-денний робочий тиждень і методологія визначення має такий вигляд.

Враховуючи чисельність працюючих, які з’явилися на роботу, слід розрахувати необхідну чисельність працюючих по даній категорії на добу:


де: S - кількість змін для даної категорії працюючих;- кількість обладнання.

Далі слід розрахувати чисельність працюючих, необхідних для підміни на вихідні дні. Але для даної категорії працюючих Чпідм. на вих. - відсутня так як згідно графіку підміни на вихідні не передбачається.

Розраховуємо підміну на відпустку


Розраховуємо підміну на невихід по закону


Розраховуємо підміну на відпустку


До змінного персоналу відносять такі категорії працюючих, як виробнича та чергова група. Методологія розрахунку необхідної чисельності наступна:


Підміна на вихідні розраховується наступним чином:


Після того, як всі розрахунки були виконані, результати їх записую до таблиці, яка називається штатним розкладом.

.4 Скласти звідну таблицю річного фонду робочого часу

Для змінного персоналу:

Фреальне=365×8×3/4=2190 годин;

Фніч=2190/3=730 годин;

Фвеч==365годин;

Фсвят=10×3×8/4=60 годин;

Фперер.=2190-1995-60=135 годин,

Де 1995 - реальний фонд робочого часу для денного персоналу.

Таблиця 6 - Зведена таблиця річного фонду робочого часу

Найменування категорій працюючих

Розряд

Таривна ставка

Оклад

Розтановочний штат

Реальний фонд робочого часу

в тому числі







Нічний Фніч

Вечірній Фвеч

Святковий Фсвят

Переробка графіку Фперер.

ІТП

 

 

 

 

 

 

 

 

Начальник цеха

 

 

2869

1

1995

 

 

 

 

Зам. нач. цеха по виробництву

 

 

2583,9

1

1995

 

 

 

 

Зам. нач. цеха по ремонту мех. обладнання

 

 

2583,9

1

1995

 

 

 

 

Начальник зміни

 

 

1782

1

1995

 

 

 

 

Майстер виробничої дільниці

 

 

1751,1

1

1995

 

 

 

 

Старший майстер основної виробн. дільниці

 

 

1751,1

1

1995

 

 

 

 

Майстер по ремонту обладнання

 

 

1593,1

1

1995

 

 

 

 

Механік цеха

 

 

1988,7

1

1995

 

 

 

 

Енергетик цеха

 

 

1984

1

1995

 

 

 

 

Разом по ІТП

 

 

 

9

17955

0

0

0

0

Службовці, спеціалісти

 

 

 

 

 

 

 

 

 

Економіст І категорії

 

 

1267,6

1

1995

 

 

 

 

Інженер по О і НП

 

 

1053,8

1

1995

 

 

 

 

Бухгалтер по обліку коксу і мат. цінностей

 

 

1045,4

1

1995

 

 

 

 

Табельник

 

 

546,48

1

1995

 

 

 

 

Разом по службовцям, спеціалістам

 

 

 

4

7980

 

 

 

 

Робітники: виробнича група

 

 

 

 

 

 

 

 

 

Бригадир дільниці

5

6,291

 

4

8760

2920

1460

240

540

Машиніст вагоноперевертувача

5

6,291

 

4

8760

2920

1460

240

540

Машиніст вагоноперевертувача

4

5,481

 

4

8760

2920

1460

240

540

Дозувальник

4

5,481

 

4

8760

2920

1460

240

540

Дробарник

3

5,076

 

12

26280

8760

4380

720

1620

Машиніст по обсл. силос. і вуг. Башні

2

3,2238

 

24

52560

17520

8760

1440

3240

Оператор пульта управління

5

6,291

 

4

8760

2920

1460

240

540

 

Разом по виробничій групі

 

 

 

56

122640

40880

20440

3360

7560

 

Чергова група

 

 

 

 

 

 

 

 

 

 

Електромонтер по рем. і обслуг. ел.обладн.

5

6,291

 

4

8760

2920

1460

240

540

 

Слюсар-ремонтник

5

6,291

 

8

17520

5840

2920

480

1080

 

Машиніст розмороз. Установки

2

3,2238

 

4

8760

2920

1460

240

540

 

Разом по черговій групі

 

 

 

16

35040

11680

5840

960

2160

 

Ремонтний персонал

 

 

 

 

 

 

 

 

 

 

Електромонтер по рем. і обслуг. ел.обладн.

6

7,3305

 

7

13965

 

 

 

 

 

 

Комплектовщик виробів та інструменту

4

5,319

 

1

1995

 

 

 

 

 

 

Слюсар-ремонтник

6

7,3305

 

1

1995

 

 

 

 

 

 

Слюсар-ремонтник

5

6,291

 

6

11970

 

 

 

 

 

Електрогазозварник

6

7,3305

 

1

1995

 

 

 

 

 

 

Разом по ремонтній групі

 

 

 

25

49875

11680

5840

960

2160

 

 

Разом по робітникам

 

 

 

97

207555

52560

26280

4320

9720

 

 

Разом по виробництву

 

 

 

110

233490

52560

26280

4320

9720

 


.5 Скласти зведену таблицю річного фонду заробітної плати

Таблиця 7 - Зведена таблиця РФЗП по ІТП і службовцям

Найменування категорій працюючих

Оклад

Розтановочний штат

Списочний штат

Фонд заробітної платипо тарифу

Фонд заробітної плати

Здод.відп.

Загальний фонд заробітної плати







%

нарахування


ІТП

 

 

 

 

 

 

 

 

Начальник цеха

2869

1

1

31559,22

45129,68

11,62

5244,07

50373,75

Зам. нач. цеха по виробництву

2583,9

1

1

28422,90

40644,75

11,62

4722,92

45367,67

Зам. нач. цеха по ремонту мех. обладнання

2583,9

1

1

28422,90

40644,75

11,62

4722,92

45367,67

Начальник зміни

1782

1

1

19602,00

28030,86

11,62

3257,19

31288,05

Майстер виробничої дільниці

1751,1

1

1

19262,23

27544,99

11,62

3200,73

30745,72

Старший майстер основної виробн. дільниці

1751,1

1

1

19262,23

27544,99

11,62

3200,73

30745,72

0

0

0

0

0,00

0,00

11,62

0,00

0,00

Майстер по ремонту обладнання

1593,1

1

1

17524,19

25059,59

11,62

2911,92

27971,51

0

0

0

0

0,00

0,00

11,62

0,00

0,00

Механік цеха

1988,7

1

1

21875,83

31282,44

11,62

3635,02

34917,46

Енергетик цеха

1984

1

1

21823,56

31207,69

11,62

3626,33

34834,02

Разом по ІТП

 

9

9

207755,06

297089,74

11,62

34521,83

331611,57

Службовці, спеціалісти

 

 

 

 

 

 

 

 

Економіст І категорії

1267,6

1

1

13943,56

19939,29

11,62

2316,95

22256,24

Інженер по О і НП

1053,8

1

1

11591,32

16575,59

11,62

1926,08

18501,67

 

Бухгалтер по обліку коксу і мат. цінностей

1045,4

1

1

11499,84

16444,77

11,62

1910,88

18355,65

 

 

Табельник

546,48

1

1

6011,28

8596,13

11,62

998,87

9595,00

 

 

Разом по службовцям, спеціалістам

 

4

4

43046,00

61555,78

11,62

7152,78

68708,56

 


Таблиця 8 - Зведена таблиця РФЗП по робітникам

Найменування категорій працюючих

Розстановочний штат

Списочний штат

Фонд основної заробітної плати

Фонд основної додаткової плати

Фонд загальної заробітної плати

Денний персонал

25

28

464743,54

54003,20

518746,74

Змінний персонал виробнича група

56

60

892209,91

103674,79

995884,70

чергова група

16

17

326299,03

37915,95

364214,98

Разом по робітникам

97

105

1683252,48

195593,94

1878846,42


Таблиця 9 - Зведена таблиця РФЗПР по виробництву

Найменування категорій працюючих

Розстановочний штат

Списочний штат

Фонд основної заробітної плати

Фонд основної додаткової плати

Фонд загальної заробітної плати

Середньомісячна заробітна плата

ІТП

 

 

 

 

 

 

Начальник цеха

1

1

45129,68

5244,07

50373,75

4197,81

Зам. нач. цеха по виробництву

1

1

40644,75

4722,92

45367,67

3780,64

Зам. нач. цеха по ремонту мех. обладнання

1

1

40644,75

4722,92

45367,67

3780,64

Начальник зміни

1

1

28030,86

3257,19

31288,05

2607,34

Майстер виробничої дільниці

1

1

27544,99

3200,73

30745,72

2562,14

Старший майстер основної виробн. дільниці

1

1

27544,99

3200,73

30745,72

2562,14

Майстер по ремонту обладнання

1

1

25059,59

2911,92

27971,51

2330,96

Механік цеха

1

1

31282,44

3635,02

34917,46

2909,79

Енергетик цеха

1

1

31207,69

3626,33

34834,02

2902,84

Разом по ІТП

9

9

297089,74

34521,83

331611,57

3070,48

Службовці, спеціалісти

 

 

 

 

 

 

Економіст І категорії

1

19939,29

2316,95

22256,24

1854,69

Інженер по О і НП

1

1

16575,59

1926,08

18501,67

1541,81

Бухгалтер по обліку коксу і мат. цінностей

1

1

16444,77

1910,88

18355,65

1529,64

Табельник

1

1

8596,13

998,87

9595,00

799,58

Разом по службовцям, спеціалістам

4

4

61555,78

7152,78

68708,56

1431,43

Робітники

 

 

 

 

 

 

Виробнича група

56

60

892209,91

103674,79

995884,70

1383,17

Чергова група

16

17

326299,03

37915,95

364214,98

1785,37

Ремонтна група

25

28

464743,54

54003,20

518746,74

1543,89

Разом по робітникам

97

105

1683252,48

195593,94

1878846,42

1491,15

Разом по виробництву

110

118

2041898,00

237268,55

2279166,55

1609,58


.6 Скласти кошторис витрат на ремонт

Таблиця 10 - Вихідні дані

Ціна монтажу

Цм=87,79грн.

Основна заробітна плата

Зосн=17,14грн.

Матеріальні ресурси

Мр=19,64грн

Оптова ціна

Оц=980грн.

Вага демонтованого обладнання, яке підлягає заміні

Вд1=1,25т.

Вага демонтованого обладнання яке підлягає демонтажу

Вд2=4,5т.

Вага матеріалу, який підлягає ремонту

Врем.=3,25т.

Вага матеріалу, який підлягає ревізії

Врев.=4,5т.

Вага обладнання, яке підлягає монтажу

Вм.=4,5т.

Первісна вартість обладнання

ПВ=67800грн.


Таблиця 11 - Кошторис витрат

Найменування робіт

Вага т

Ціна 1 тони в грн.

Загальна вартість.



Монтаж

Облад.


Вага демонтованого обладнання, яке підлягає заміні.

1,25

21,32

-

26,65

Вага демонтованого обладнання з послідуючим монтажем.

4,5

28,43

-

127,94

Вага демонтованого обладнання, яке підлягає ремонту.

3,25

99,77

-

324,25

Вага демонтованого обладнання, яке підлягає ревізії.

4,5

36,28

-

163,26

Вартість обладнання, яке підлягає монтажу.

4,5

90,70

-

408,15

Вартість обладнання, яке підлягає заміні згідно оптової ціни.

1,25

-

980

1225,00

Разом




2275,25

Транспортно-складські витрати




66,15

Інші витрати




90,97

Всього по кошторису




2432,37

Визначення коефіцієнту економічності ремонту

Розраховуємо коефіцієнт економічності ремонтів:

Для того щоб розрахувати загальні витрати, слід врахувати накладні витрати, які складають

Внакл=Ттруд× 30/100=1202,09×30/100=360,62грн.

далі:

Внакл.заг.= Ттруд+Внакл=1202,09+360,62=1562,71грн.

Врахуємо те, що витрати на проведення капітального ремонту складаються

Вкр.заг.=Внакл.заг+Вкошт=1562,71+965,678=2528,388грн.

Витрати по проведенню поточних ремонтів П1 і П2, складатимуть

Вп1+п1=Пв×5/100=40000×5/100=2000грн.

де: Пв - первісна вартість обладнання.

Сума всіх зазначених витрат на проведення ремонтних робіт за ремонтний цикл складатиме:

Вкр.заг.+Вп1+П2=В; В=2528,388+2000=4528,388

Далі визначаємо коефіцієнт економічності ремонтів:

К к.е.р=В/Пв=4528,388/40000=0,1132

Розрахувати економічну ефективність

Розрахунок економічної ефективності від заходів по організації праці дозволяє скоротити чисельність персоналу.

Запропоновані спеціальною частиною курсового проекту заходи поліпшення або реконструкції дозволяють скоротити чисельність обслуговуючого персоналу на 4 чол. в зміну (спеціальна частина лист ) або на 4 чол. на рік

Професія робітника - Слюсар-ремонтник 1 чол., розряд 5, часова тарифна ставка 6,291грн, розмір премії 43%.

Електромонтер 1чол., розряд 6, часова тарифна ставка 7,331грн, розмір

премії 43%.

Електрозварник 2чол., розряд 5, часова тарифна ставка 6,291грн, розмір

премії 43%.

Сума економії складатиме:

Розраховуємо середньо динамічну тарифну ставку за годину:

Тсер.дин.=(Ч1×Т1+Ч2×Т2+…+Чn×Тn)/(Ч1+Ч2…Чn)

де: Ч1,Ч2,Чn - розстановочний штат працюючих відповідно розряду

Т1,Т2,Тn - тарифна ставка за годину відповідно розряду

Тсер.дин.=1×6,291+1×7,331+2×6,291/4=6,551

Заробітна плата по тарифу

Зтар=Тсер.дин×Чрозст×Фреал.= 6,551×4×1995=52276,98грн

де: Фреал- реальний фонд робочого часу

Доплата преміальних в розмірі %

Здод.прем.=Зтар×П%/100=52276,9×43/100=22479,10грн

де: П% процент доплати преміальних

Враховуючи доплату преміальних, річний фонд складає

Фріч=Зтар+Здод.прем.= 52276,9+22479,10=74756грн

Доплата на підміну під час відпусток і невиходів по закону

Здод.відп.=Фріч×11,62%/100%=74756×11,62%/100%=8686,64грн

Загальний фонд заробітної плати складатиме

Ззаг=Фріч+Здод.відп.= 74756+8686,64=74842,86грн

Нарахування на заробітну плату:

74842,86×10/100=7484,28

Таким чином, сума економії фонду заробітної плати складатиме 74842,86, а з нарахуванням на заробітну плату - 82327,14грн.

.9 Скласти зведену таблицю ТЕП

Таблиця 12 - Зведена таблиця ТЕП господарчої діяльності виробництва

Найменування показників

Одиниці вимірювання

кількість

Показники інфраструктури:



 а) кількість ремонтів

ремонт

100

 б) кількість ремонтів збільшеного об’єму

ремонт

19

 в) структура ремонтного циклу

-

К+100П1+19П2

 г) час простою обладнання на ремонті (за рік)

години

180

д) фактичний час роботи технологічного  обладнання

години

8580

Чисельність працюючих: всього;

чоловік

118

 а) розстановочний штат ІТП

чоловік

13

 б) розстановочний штат виробничої групи

чоловік

60

 в) розстановочний штат чергової групи

чоловік

17

 г) розстановочний штат ремонтної групи

чоловік

28

Річний фонд заробітної плати:

грн.

2279166,55

 а) ІТП

грн.

331611,57

 б) виробнича група

грн.

995884,70

 в) чергова група

грн.

364214,98

 г) ремонтна група

грн.

518746,74

Середньомісячна заробітна плата по виробництву

грн.

1609,58

 а) ІТП

грн.

3070,48

 б) виробнича група

грн.

1383,17

 в) чергова група

грн.

1785,37

 г) ремонтна група

грн.

1543,86

Річний фонд робочого часу: календарний;

годин

8760

 а) реальний фонд робочого часу денного персоналу

годин

1995

 

 б) реальний фонд робочого часу змінного персоналу

годин

2190

 

 в) фонд нічного часу

годин

730

 

 г) фонд вечірнього часу

годин

365

 

 д) фонд робочого часу в святкові дні

годин

60

 

 е) фонд робочого часу переробки графіку

годин

135

 

Витрати на проведення ремонтів

грн.

2432,37

 

Коефіцієнт економічності ремонтів

-

0,1255

 

Ефективність від зниження витрат на  проведення ремонтів

грн.

82327,14



ВИСНОВКИ

Для виконання дипломного проекту, була поставлена мета, тобто потрібно було визначити умови роботи механізму приводу стрічки човникового транспортеру, вдосконалення методів його ремонту, вивчення його конструкцій, розроблення креслень, винайдення деталей, які спрацьовуються найчастіше та виконати підвищення зносостійкості. Побудова схеми та карти змащення даного механізму. Вибір та застосування електродвигуна і виконати багато інших розрахунків та заходів.

У процесі виконання дипломного проекту, було визначено умови роботи даного механізму, а також вдосконалено виконання методів виконання ремонту, вивчення його конструкцію, розроблено креслення. А саме: загальний вид транспортера, барабан в перерізі, редуктор, та виконано деталювання. Розроблено схему та карту змащення даного механізму. Було вибрано електродвигун та гальмо. Також вдосконалено заходи з техніки безпеки при виконанні ремонту даного механізму, розроблено заходи з протипожежної безпеки, промислової санітарії, та заходи по охороні навколишнього природного середовища. Було виконано економічний розрахунок агрегату, а саме: винайдено як впливають ринкові умови на організацію праці, розроблено ремонтну документацію на виконання ремонту даного агрегату, складено штатний розклад працюючих, які безпосередньо працюють з даним агрегатом, складено таблицю робочого фонду робочого часу, та фонд заробітної плати працюючих, було складено кошторис витрат, економічно-динамічне балансування роботи, складено зведену таблицю техніко-економічних показників механізму. Дипломний проект було виконано згідно всіх стандартів та гостів.

РЕКОМЕНДАЦІЯ

Даний дипломний проект можна застосовувати у виробництві для вдосконалення роботи автоматичного дозувального вагового транспортеру . Тобто деякі з пунктів дипломного проекту можна застосовувати на практиці, що значно покращує умови роботи живильника. Завдяки вдосконаленню методів виконання ремонтів, вугільно-підготовчим може зекономити кошти на оплату праці робітників, запобігти травматизму при виконанні ремонту та покращити умови роботи для ремонтного персоналу, що обслуговує даний механізм. Креслення, які було розроблено можна використовувати для кращого виконання ремонтів, тобто по ним можна обирати, які частини слід замінити, які деталі слід надавати ремонтному персоналу для заміни, тобто відповідної норми і типу. Креслення є наглядним посібником. По кресленням можна зрозуміти з чого він складається, як працює, усі параметри даного механізму, його приводу і в цілому всього транспортера, можна побачити деталі, які спрацьовуються найчастіше. Схему та карту змащення, що було розроблено у процесі виконання проекту, можна застосовувати у виробництві, що надасть надійність роботи системи змащення агрегату в цілому.

Можна застосувати розроблені заходи з техніки безпеки при ремонті механізму, для запобігання травматизму ремонтного персоналу. Також заходи з протипожежної безпеки та промислової санітарії є досить досконалі і вплинуть на використання даного агрегату та можуть покращити роботу обслуговуючого персоналу. Заходи по охороні навколишнього середовища можуть запобігти забрудненню.

Завдяки економічним розрахункам коксовий цех може зекономити на виконанні ремонту даного механізму, збільшити працюючим заробітну плату і підвищити продуктивність роботи цеху в цілому.

ПЕРЕЛІК ПОСИЛАНЬ

Шейблит А.Е., Курсовое проектирование деталей машин, Учеб. Пособ. М. - Высш. Школа., 1991. - 432 с.

Майзлин Б.С., Шварц Г.А., Ремонт и монтаж оборудования коксохимических заводов, Учебник , М. - Металлургия., 1992. - 256 с.

Спиваковский, О.А., Потапов М.Г., Андреев А.В., Транспортные машины и комплексы открытых горных разработок, - М. - Недра. - 1968, - 494с

Кружков В.А., Чиченев Н.А., Ремонт и монтаж металлургического оборудования , М. - Металлургия 1985. - 320 с.

Непомняший И.Л., Механизация и автоматизация на коксохимическом заводе, М. - 1967. - 214 с.

Юдинцев Б.М., Морозов Г.И., Монтаж оборудования коксохимических заводов, М. - 1981. - 208 с.

Бобров В.Я. «Основи ринкової економіки» за редакцією Л.О. Канищенко, - К: Либідь, 1995-320с.

Шепелев И.Г., Оборудование коксохимических заводов, Ученик, М. - Металлургия 1966. - 332 с.

Березин Б.В., Зуев С.Д., Лев Ц.Д.,Рогаткина Т.Н., Справочник механика коксохимического завода, М. - Металлургия, 1967. - 340 с.

Чернилевский Д.В., Детали машин и механизмов. Курсовое проектирование: Учеб.пособие, - К. - Выща шк. Головное изд-во, 1987. - 328с

Кучеренко В.Ф., Прочность и долговечность технологического подъемно-транспортного оборудования металлургических заводов, - М. - Металлургия 1982. - 160с

Похожие работы на - ТОРіМ автоматичного дозувальника шихти

 

Не нашли материал для своей работы?
Поможем написать уникальную работу
Без плагиата!
Без нейросетей!