Мікроконтролерний стабілізований регулятор потужності
Анотація
мікроконтролер потужність випрямляч
регулятор
Пояснювальна записка - 3 с.
В даному курсовому проекті використано: таблиць - 3,
рисунків - 1, додатків - 2, джерел - 10.
Об'єкт проектування - пристрій
Мікроконтролерний стабілізований регулятор потужності.
У загальній частині розглядається: Мікроконтролерний
стабілізований регулятор потужності.
В спеціальній частині був розрахований однофазний
випрямляч малої потужності та була розрахована надійність і побудований графік
безвідмовної роботи даного пристрою.
Зміст
Введення
1. Загальна
частина
.1 Аналіз
розвитку регуляторів потужності
.2
Мікроконтролерний стабілізований регулятор потужності
.3 Структурна
характеристика мікроконтроллера
. Спеціальна
частина
2.1
Розрахунок однофазного випрямляча малої потужності
.2 Розрахунок
надійності безвідмінної роботи пристрою
Висновки
Перелік
посилань
Перелік
елементів
Додаток А
Додаток Б
Введення
Розвиток мікропроцесорної техніки почався порівняно недавно. Перше
повідомлення про розробку мікропроцесора I-4004 опублікувала фірма Intel в 1971
р. Виникнення мікропроцесорної техніки з’явилося слідством розвитку і
вдосконалення технології виробництва електронних схем. Мікроелектронна
технологія дозволяє в єдиному технологічному процесі інтегрувати в об’ємі (і на
поверхні) напівпровідникового кристалу електронні елементи - транзистори,
діоди, резистори, зв'язки (з’єднання) і т.д., які можна використовувати для
побудови інтегральних електронних схем обчислювальної та вимірювальної техніки,
засобів автоматизації та керування.
При цьому ще академік В.М. Глушков вказував, що існує три глобальні сфери
діяльності людини, які вимагають використання якісно різних типів ЕОМ.
Перший напрямок є традиційним - застосування ЕОМ для автоматизації
обчислень. Це завдання проектування нових зразків техніки, моделювання складних
процесів, атомна і космічна техніка й ін. Відмінною особливістю цього напрямку
є наявність хорошої математичної основи, закладеної розвитком математичних наук
та їх додатків.
Друга сфера застосування ЕОМ пов'язана з використанням їх у системах
управління. Вона народилася приблизно в 60-і роки, коли ЕОМ стали інтенсивно
впроваджуватися в контури керування автоматичних і автоматизованих систем. Нове
застосування обчислювальних машин зажадало видозміна їх структури. ЕОМ,
використовувані в управлінні, повинні були не тільки забезпечувати обчислення,
але й автоматизувати збір даних і розподіл результатів обробки.
Третій напрям пов'язаний із застосуванням ЕОМ для вирішення задач
штучного інтелекту. Приклади подібних завдань: завдання робототехніки,
доведення теорем, машинного перекладу текстів з однієї мови на іншу, планування
з урахуванням неповної інформації, складання прогнозів, моделювання складних
процесів і явищ і т.д.
Мікропроцесори (МП) знайшли широке застосування в сучасних ОС та
радіоелектронних пристроях (РЕП), технологічних системах контролю, гнучких
автоматизованих та інших виробництвах. Використання МП сприяло значному
підвищенню продуктивності праці, поліпшенню якості апаратури різного
призначення. Завдяки застосуванню МП і мікроЕОМ у технічних системах
розширилися функціональні можливості апаратури, підвищились її надійність і
стабільність функціонування, поліпшилась якість обробки інформації. Перспективи
та можливості застосування МП і мікро-ЕОМ в обчислювальних системах ще повністю
не розкриті. Постійно вдосконалюються технологія та архітектура МП. Так,
розрядність сучасних однокристальних МП досягає 64 біт. При використанні МП і
мікроЕОМ розробники повинні вміти оцінювати можливості їх архітектури та технічні
характеристики, а також володіти мовами програмування різних рівнів. Для
створення системного програмного забезпечення поширена мова асемблера, але щодо
продуктивності праці програмістів задачі обробки даних розв'язуються за
допомогою мов високого рівня. Тому сучасним інженерам - спеціалістам з
обчислювальної техніки необхідні знання в галузі як архітектури МП, так і
програмування радіотехнічних задач на мовах різних рівнів.
1. Загальна частина
.1 Аналіз розвитку регуляторів потужності
За допомогою регулятора потужності можна керувати струмом або напругою у
навантаженні - це потрібно для того, щоб прилад працював не на повну
потужність, а лише в заданому ритмі. Переважно для цього достатньо обмежити
(або змінювати в процесі роботи) силу струму, що протікатиме через
навантаження. Саме для цього і застосовується клас пристроїв, які називаються
регуляторами потужності в навантаженні.
Розроблюваний регулятор призначений для управління яскравістю лампи
розжарювання потужністю не більше 100 Вт, живиться від мережі змінного струму
230 вольт частотою 50 Гц. Цей пристрій можна використовувати для регулювання
температури жала паяльника. Це пристрій малогабаритне, його легко переносити, і
воно просто у використанні
Основна частина пристрою виконана на друкованій платі, при цьому
забезпечена повна ізоляція елементів один від одного, між областями, які не
повинні контактувати. Всі пристрій поміщено в корпус з діелектричного
матеріалу. Габаритні розміри розроблюваного пристрою становлять 170x150x140 мм,
що робить його зручним у використанні.
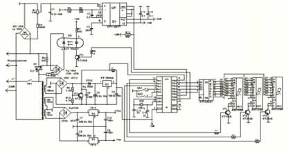
.2 Мікроконтролерний стабілізований регулятор потужності
Схема складається з 5 вольтового блоку живлення на діодах VD9-VD12,
мікросхеми стабілізатора D2 і фільтруючих ємностей C5, C6, C15; формувача
стробуючого імпульсу в момент переходу сіткової напруги через нуль R9, R10,
VT2, C4, R11; двополярного блоку живлення +15, -15В. зібраного на діодах-VD17
мікросхемах D3, D4 і фільтруючих ємностях C7-C12 від якого живиться
перетворювач напруга-частота D1; випрямляча й подільника напруги знімає з
навантаження VD1-VD4, R1, R2, C1; перетворювача напруга-частота зібраного на
мікросхемі D1, R5, R6, C2, C3; дешифратора двійковий код - код семисегментного
індикатора D6; індикаторів HG1-HG3 і ключів запалювання розрядів VT3-VT5;
мікроконтролера D5; кварцового генератора ZQ1, C13, C14; кнопок керування SA2-
"+1" і SA3- "-1", якими задають напруга стабілізації.
Рисунок 1 - схема електрична принципова мікроконтролерний
регулятор потужності
У момент включення живлення відбувається скидання
мікроконтролера а потім формується деяка затримка пов'язана з виходом на
робочий режим генератора й внутрішніх схем контролера. Потім у регістр адреси
записується нульова адреса й контролер виконує програму записану в ПЗП. Тому що
в початковий момент напруга на навантаженні дорівнює нулю стабілізатор плавно
збільшує напругу до заданого тем самим запобігаючи виходу з ладу навантаження.
Ініціалізуємо внутрішні регістри, порти RA0-RA2, RB1-RB4,
RB6, RB7 установлюємо на виведення, RA3, RA4, RB0, RB5 на введення. Скидаємо
програмні лічильники й переписуємо збережене значення заданої напруги із флеш-пам'яті
в регістр UZ. В основній програмі:
· опитується стан кнопок і залежно від
цього запускається підпрограма перетворення двійкового коду в десятковий, для
відображення інформації заданої напруги UZ або напруги знімає з навантаження
UNI;
· для правильного виводу значення на
дешифратор, UNI виходить за рахунок зрушення регістра UN;
· виводяться перетворені значення на
індикацію із частотою 33 Гц.
У випадку натискання на кнопки SA2, SA3 (інкремент або
декремент) задані значення із частотою приблизно 0,5 с і запис у флеш пам'ять.
Завдяки запису в UZ після вимикання живлення, не прийде знову встановлювати
значення. Залежно від напруги на навантаженні 1-255 вольтів перетворювач
напруга-частота D1 видає на виході 10-2550 імпульсів. Тому що цей сигнал
заведений на ніжку RB5 контролера, то переривання відбуваються як по спаду так
і по фронті імпульсу й реально програма переривається 20-5100 разів за секунду.
Із цією частотою йде заповнення регістра UF мікроконтролера. Кожні 10 мс
програма переривається нульовим рівнем по ніжці RB0 по спаду. Двадцять разів у
секунду відбувається перезапис UF у регістр UN і скидання попередні. Тому в
регістрі UN кожний біт відповідає 1 вольту. При обробці переривання також
відбувається порівняння заданого значення з напругою на навантаженні й залежно
від цього відбувається збільшення або зменшення константи ZC затримки на
включення симістора. Завантажується цим значенням таймер TMR0 і запускається. У
цьому ж перериванні також установлюються прапори в регістрі RF щоб основна
програма могла індикувати із частотою 33 Гц. По закінченні часу затримки
заданому в TMR0 відбувається переривання й видається імпульс тривалістю 12 мкс
на вивід порту RB6. У такий спосіб з моменту переривання по входу RB0
відбувається відлік часу затримки на включення симістора й від цього в підсумку
буде залежати виділювана потужність на симісторі. Опитування напруги на
навантаженні порівняння із заданою напругою й включення симістора відбувається
кожні 10 мс.
Всі пристрій зібрано на односторонній друкованій платі розмірами
95х76,5 мм, Рисунку 2.6 крім трансформатора, клемниками і радіатора з
сімістором, вони встановлені на додатковій текстолітової платі розмірами
76,5х125 мм. Прикрученою куточками до основної плати. Односторонній монтаж
звичайно ускладнює розводку доріжок, але зате зручний у разі використання
методу термопереносу. Встановлюємо лазерний принтер на максимальний вихід
тонера і друкуємо на крейдований папір або термобумагу від факсу попередньо
наліплену на стандартний лист, чутливим шаром назовні. Потім накладаємо на
склотекстоліт попередньо зашкуренний нулевкой і за допомогою праски
розгладжуємо близько хвилини. Праска встановлений на максимум. Якщо тонер
розплився зменшують час пропрасовування і операцію повторюють. Після цього
ложат під струмінь теплої води і замочують хвилин 15-20. Потім пальцями
стирають як гумкою папір, при цьому залишається тонер. Зчеплення і
кислотостійкість тонера дозволяють труїти практично в будь-яких відомих
розчинах і отримувати плату за якістю не поступається промислової. Друкувати на
папір краще з програми на якій розводиться плата. Зокрема дуже зручний ACCEL
15. Радіатор має розміри 90х70х20 мм. Якщо потужність навантаження буде
невеликий то можна радіатор не встановлювати.
Трансформатор потужністю 3-5Вт. Первинна обмотка розрахована
на напругу 260 вольт. При підключенні до мережі 220вольт на вторинній обмотці
повинно бути 11-12 вольт і робочий струм 100мА. Третя полуобмоткі розрахована
на струм 10-20ма і видавати напругу 18 вольт. На мікросхему D2 необхідно
прикрутити невелику пластину розмірами 10х40мм для тепловідведення. Замість
діодів VD1-VD4 можна застосувати будь на ток 30-100ма., І напруга 300вольт.
Замість VD5-VD8 будь на ток 100-300ма і напруга 300вольт, замість VD9-VD13 на
ток 100-300ма і напруга 25-50вольт. Діоди КД522А замінюють на будь-які на ток
20-100ма і напруга 25-50вольт. Підлаштування резистори типу СП5-2. Всі інші
типу МЛТ. Конденсатори типу КМ, електролітичні К50-35, крім С2, С3 вони повинні
бути як можна з меншим ТКЕ наприклад К73-17. Резонатор на частоту 4МГц з
паралельним резонансом. Симистор залежно від перемикається потужності можна
використовувати ТС2-25, ТС2-50.
Налагодження пристрою зводиться до подачі напруги 1 В на вхід
14 D1, і підстроюванням R5 домагаються на виході 7 D1 частоти 1 кГц. Після збірки
пристрою опором R1 домагаються рівності напруги на навантаженні й показання
індикаторів HG1-HG3.
.3 Структурна характеристика мікроконтроллера
Якщо уявити всі типи сучасних мікроконтролерів (МК), то можна
здивуватися величезною кількістю різноманітних приладів цього класу, доступних
споживачеві. Проте всі ці пріори можна розділити на наступні основні типи:
Вбудовуються (embedded) 8-розрядні МК;
16- і 32-розрядні МК;
Цифрові сигнальні процесори.
Виробництвом мікроконтролерів займаються Intel, Microchip,
Atmel, Motorola, Hitachi, Philips, Texas Instruments, Infineon Technologies і
багато інших компаній.
Основною характеристикою мікроконтролерів є розрядність
арифметико-логічного пристрою. За цією ознакою вони діляться на 4-, 8-, 16, 32-
і 64-розрядні. Продуктивність мікроконтролера вимірюють у MIPS (Million
Instruсtions per Second - мільйон інструкцій в секунду).
Основні типи корпусів МК:
- ПКР - Пластикові Dual вбудований пакет
- SOIC - малогабаритний ІС
PLCC - PLCC - Пластикові Етильований чіп перевізник
TQFP - Тонкий профіль Quad Flat Package
МФ - Micro Lead рамка Пакет.
Мікроконтролер характеризується великим числом параметрів,
оскільки він одночасно є складним програмно-керованим пристроєм і електронним
приладом (мікросхемою).
Приставка "мікро" в назві мікроконтролера означає,
що виконується він по мікроелектронної технології.
2. Спеціальна частина
.1 Розрахунок однофазного випрямляча малої потужності
Варіанти вихідних даних:=1,5%; Um=127B; fm=50 Гц; Ud= 24B;
Id=0,5A.
Визначимо орієнтовні значення параметрів вентилів та
габаритну потужність трансформатора.
Для цього необхідно знати значення допоміжних коефіцієнтів B,
D і F. Для мостової схеми їх вибирають в інтервалах
(2.1)
.
Тоді амплітуда зворотної напруги на вентилі становитиме:
. (2.2)
Середнє та амплітудне значення струму через вентиль
відповідно:
(2.3)
. (2.4)
Габаритну потужність трансформатора визначимо:
. (2.5)
За визначеним значенням габаритної потужності з табл. 2.
знаходимо максимальне значення індукції Bm для сталі марки Э360, забезпечуючи
виконання умови ST > 23,2 ВА:
.
В якості вентилів вибираємо кремнієві діоди типу КД205Д, що
мають наступні параметри:
(2.6)
(2.7)
. (2.8)
Знаходимо опір діода у провідному стані:
(2.9)
(2.10)
Знаходимо індуктивність розсіювання обмоток трансформатора:
(2.11)
Визначаємо кут φ, що характеризує
співвідношення між індуктивним і активним опорами випрямляча:
(2.12)
У загальному випадку:
(2.13)
Знаходимо величину основного розрахункового коефіцієнта:
(2.14)
За знайденими значеннями А0 і кута φ
за графіками,
знаходимо величини допоміжних коефіцієнтів:
Діюче значення напруги вторинної обмотки трансформатора
становить:
(2.15)
Діюче значення струму вторинної обмотки трансформатора:
(2.16)
Повна потужність вторинної обмотки трансформатора:
(2.17)
Діюче значення струму первинної обмотки трансформатора:
(2.18)
Повна потужність первинної обмотки трансформатора:
.(2.19)
Уточнимо повну (габаритну) потужність трансформатора:
(2.20)
Уточнимо значення параметрів діода:
(2.21)
(2.22)
(2.23)
Вбираємо конденсатор типу К50-35 з параметрами ємністю 50 мкФ
на напругу
Для розрахунку зовнішньої характеристики будемо задавати
значення Id від 0 до номінального значення та знаходити відповідні їм значення
допоміжного коефіцієнта:
(2.24)
Таблиця 2 - Результати розрахунку навантажувальної
характеристики випрямляча за Ud = 24 В та Id = 0,5 А.
|
Id,А
|
φ̥ 6̊
|
√2
|
Vd,B
|
|
0
|
0
|
1,38
|
33,12
|
|
0,1
|
0,0137
|
1,28
|
30,72
|
|
0,2
|
0,0274
|
1,18
|
28,32
|
|
0,3
|
0,0411
|
1,10
|
26,4
|
|
0,4
|
0,0548
|
1,05
|
25,2
|
|
0,5
|
0,0685
|
1,00
|
24
|
Це відповідає допустимій точності при інженерних розрахунках
(0%).
(
),
Рисунок 2 - Навантажувальна характеристика випрямляча за Ud = 25 В та
Id = 0,5А
Знаходимо значення напруги холостого ходу випрямляча:
.
(2.25)
Величина струму короткого замикання становить:
.
(2.26)
Величина внутрішнього опору випрямляча складає:
.
(2.27)
Втрати потужності в трансформаторі:
.
(2.28)
Втрати потужності в діодах:
.
(2.29)
Знайдемо величину к.к.д. випрямляча:
.
Рисунок 3 - Однофазний мостовий випрямляч з ємнісним фільтром.
2.2 Розрахунок надійності
безвідмінної роботи пристрою
Рахуємо групові інтенсивності відмови по формулі:
λгр1 = 0,35·1 = 0,35 (1/год.);
λгр2 = 0,15∙1 = 0,15
(1/год.);
λгр3 = 0,09∙1 = 0,09
(1/год.);
λгр4 = 0,2∙4 = 0,8
(1/год.); (2.30)
λгр5 = 0,05∙2 = 0,1
(1/год.);
λгр6 = 0,4∙1 = 0,4
(1/год.);
λгр7 = 0,16∙4 = 0,64
(1/год.);
λгр8 = 0,015∙16 = 0,24
(1/год.);
λ’ = 0,35 + 0,15 + 0,09 + 0,8 +
0,1 +0,4 + = 0,64 + 0,24 + = 2,77 (1/год.).
Підсумки розрахунку λ’ також вносимо в таблицю 6
графа "Підсумки розрахунку".
Таблиця 3 - Зведена таблиця елементів
|
№
|
Перелік груп елементів
|
Кількість Ni
|
Номінальна інтенсивність
відмов lоі
|
Групова інтенсивність
відмов lгр
|
|
1
|
Конденсатор електролітичний
|
1
|
0,35
|
0,35
|
|
2
|
Конденсатор керамічний
|
1
|
0,15
|
0,15
|
|
3
|
Резистор дротовий
|
1
|
0,09
|
0,09
|
|
4
|
Діод кремнієвий
|
4
|
0,2
|
0,8
|
|
5
|
Перемикач
|
2
|
0,05
|
0,1
|
|
6
|
Мікросхема
|
1
|
0,4
|
0,4
|
|
7
|
Роз’єм
|
4
|
0,16
|
0,64
|
|
8
|
Пайка та печатні провідники
|
16
|
0,015
|
0,24
|
|
Підсумки розрахунку λ’
|
2,77
|
Переносна апаратура відчуває дію кліматичних факторів і
псується більше. Тому необхідно врахувати коефіцієнт експлуатації Ке.
λвир = 5·2,77= 13,85 (2.31)
Далі розраховуємо середню наробку на відмову:
(2.32)
Рекомендовано взяти шість позначень
часу:
;
х1 = 0/7220 = 0
;
х2 = 10/ 7220 = 0,051
;
х3 = 100/7220 = 0,055
;
х4 = 1000/7220 = 0,098
;
х5 = 10000/7220 = 1,366
;
х6 = 100000/7220 =1,367
По розрахунковим величинам
з
додатку Б знайдено Р, згідно розрахункових вхідних та побудовано графік
безвідмовної роботи приладу:
Р1 = 0,2; Р2 =0,9802; Р3 = 0,9871; Р4 = 0,7711; Р5 =0,2952;Р6 = 0,408.
Рисунок 4 - Графік безвідмовної роботи приладу.
Висновки
Під час виконання курсового проекту була розглянута мікропроцесорна
система Мікроконтролерний стабілізований регулятор.
В загальній частині розглянули:
Мікроконтролерний стабілізований регулятор потужності.
В спеціальній частині виконані розрахунки однофазного
випрямляча малої потужності, розрахунок надійності безвідмовної роботи
пристрою. Побудована навантажувальна характеристика випрямляча, складений
графік безвідмовної роботи пристрою. Елементна база блоку живлення: 2,77.
Середній час роботи представленого пристрою 0,398.
Під час виконання курсового проекту були отримані навички
проектування мікропроцесорної системи.
Перелік
посилань
1. Радио
№7, 1989 г., стр.32.
. Видлюдькив
С.А. Устройства на микросхемах. - М., Солон-Р, 2000, стор. 75.
. Радиокомпоненты
и материалы. Справочник. Радиософт, 1998, - 720 с.
4. С.М.
Абрамов Мікроконтролерний стабілізований регулятор потужності.
. Горобец
А.И., Степаненко А.И., Коронкевич В.М. Справочник по конструированию
радиоэлектронной аппаратуры - К.: Техника, 1985. - 310 с.
. Технология
деталей электронной аппаратуры. Учеб. пособие для вузов / С.Е. Ушаков, В.С.
Сергеев, А.В. и др. М.: Радио и связь. 1986. - 256 с.
. Сташин
В.В., Урусов А.В, Мологонцева О.Ф. Проектирование цифровых устройств на
однокристальных микроконтроллерах. - М.: Энергоатомиздат, 1990.
. Проектирование
конструкций радиоэлектронной аппаратуры. Учебное пособие для ВУЗов. Е.М.
Парфенов, Э.Н. Камышная, В.П. Усачов. - М.: Радио и связь, 1989.
. Ненашев
А.П. Конструирование радиоэлектронных средств. - М. Высшая школа, 1990 - 424 с.
. В.І.
Калінін, О.А. Костюк, А.А. Грудін. Математичні моделі та методика оцінки експлуатаційної
надійності елементів і виробів електронної техніки. Частини І-ІІІ. Навчальний
посібник". В.:ВДТУ, 1999. - 56 с. Укр. мовою.
Перелік елементів
|
Позначення
|
Назва
|
Кількість листів
|
Примітка
|
|
|
|
|
|
Конаденсатор
|
|
|
|
K-10 ОЖ0.460.171.ТУ
|
|
|
|
K50-35а ОЖ0.464.214.ТУ
|
|
|
|
С1
|
K50-35а-25В-1000мкФ
|
1
|
|
|
С2-С3
|
K10-17-ПЗЗ-ЗЗ пФ
|
2
|
|
|
С4
|
K50-35а-25В-1мкФ
|
1
|
|
|
С5
|
K10-17-H90-0,1мкФ
|
1
|
|
|
С6
|
K50-35a-16B-33 мкФ
|
1
|
|
|
|
|
|
|
Мікросхеми
|
|
|
|
DAI
|
7805
|
1
|
|
|
|
|
|
|
DD1
|
AT89C2051
|
1
|
|
|
|
|
|
|
FU1
|
Запобіжник ВП5-1
|
1
|
|
|
|
|
|
|
Індикатори
|
|
|
|
HG1-HT2
|
ELC3614
|
3
|
|
|
|
|
|
|
J1
|
Перемичка
|
1
|
|
|
|
|
|
|
Резистори
|
|
|
|
R1
|
C2-23-0,125-51 Ом
±5%
|
1
|
|
|
R2-R7
|
C2-23-0,125-10 кОм
±5%
|
6
|
|
|
R8-R17
|
C2-23-0,125-120 Ом
±5%
|
1
|
|
|
R18-R19
|
C2-23-0,125-4,7 кОм
±5%
|
2
|
|
Додаток А
Номінальні інтенсивності відмов, 
|
Акумулятор
|
7,2
|
Печатні провідники й пайки
|
0,015
|
|
Антена
|
0,36
|
Провідники й пайки нав.
|
0,02
|
|
Батарея
|
30,0
|
Роз’єм (на один контакт)
|
0,16
|
|
Вивід високочастотний
|
2,63
|
Реле малогабаритне (на одну
контактну гр.)
|
0,25
|
|
Вимикач на один контакт
|
0,06
|
Реле потужне
|
0,3
|
|
Випрямляч селеновий
|
0,76
|
Реле термічне
|
0,4
|
|
Головка магнітна
|
0,98
|
Резистор металоплівковий
|
0,03
|
|
Двигун асинхронний
|
8,6
|
Резистор дротовий
|
0,09
|
|
Двигун синхронний
|
0,36
|
Сельсин
|
0,35
|
|
Діод германієвий
|
Сельсин електричний
|
0,35
|
|
Діод кремнієвий
|
0,2
|
Мікроскладання
високочастотне
|
1,4
|
|
Дросель
|
0,34
|
Мікроскладання проміжної
частоти
|
0,4
|
|
Затискач
|
0,0005
|
Мікроскладання генерації
імпульсів
|
1,75
|
|
Ізолятор
|
0,05
|
Терморезистор
|
0,6
|
|
Кабель
|
0,48
|
Транзистор германієвий
|
0,9
|
|
Котушка фільтрів
|
0,03
|
Транзистор кремнієвий
|
0,5
|
|
Котушка індуктивності
|
0,02
|
Трансформатор
високочастотний
|
0,045
|
|
Котушка відхилення
|
0,025
|
Трансформатор звуковий
|
0,02
|
|
Конденсатор металопаперовий
|
0,05
|
Трансформатор силовий
|
0,5
|
|
Конденсатор повітряний
|
0,034
|
Фільтр
|
0,79
|
|
Конденсатор керамічний
|
0,15
|
Електродвигун постійного
струму
|
9,36
|
|
Конденсатор налаштувальний
|
0,02
|
Електронна лампа прийому
|
2,0
|
|
Конденсатор танталовий
|
0,6
|
Електронна лампа
високовольтна
|
4,88
|
|
Конденсатор електролітичний
|
0,35
|
ЕПТ електростатична
|
1,0
|
|
Кварцовий резонатор
|
0,2
|
ЕПТ магнітна
|
1,65
|
|
Лампа розжарювання
|
0,64
|
Інтегральна мікросхема
|
1,0
|
|
Лампа неонова (газорозр.)
|
0,1
|
Гучномовець
|
0,13
|
|
Панель лампова (на одне
гніздо)
|
0,005
|
Лінія затримки
|
2,7
|
|
Перемикач (на один контакт)
|
0,05
|
Вимірювальні прилади
|
3,0
|
|
Потенціометр дротовий
|
1,4
|
Запобіжник плавкий
|
0,5
|
|
Потенціометр вугільний
|
0,24
|
Індикатор
|
3,0
|
Додаток Б
Значення Р від
|
Від 0,000 до 0,099
|
|
X
|
|
0,001
|
0,002
|
0,003
|
0,004
|
0,005
|
0,006
|
0,007
|
0,008
|
0,009
|
|
0,00
|
1,0000
|
0,9990
|
0,9980
|
0,9970
|
0,9960
|
0,9950
|
0,9940
|
0,9930
|
0,9920
|
0,9910
|
|
0,01
|
0,9900
|
0,9891
|
0,9881
|
0,9871
|
0,9861
|
0,9851
|
0,9841
|
0,9831
|
0,9822
|
0,9812
|
|
0,02
|
0,9802
|
0,9792
|
0,9782
|
0,9773
|
0,9763
|
0,9753
|
0,9743
|
0,9734
|
0,9724
|
0,9714
|
|
0,03
|
0,9704
|
0,9695
|
0,9685
|
0,9675
|
0,9666
|
0,9656
|
0,9646
|
0,9637
|
0,9627
|
0,9618
|
|
0,04
|
0,9608
|
0,9598
|
0,9589
|
0,9579
|
0,9570
|
0,9560
|
0,9550
|
0,9541
|
0,9531
|
0,9522
|
|
0,05
|
0,9512
|
0,9502
|
0,9493
|
0,9484
|
0,9474
|
0,9465
|
0,9455
|
0.9446
|
0,9436
|
0,9427
|
|
0,06
|
0,9413
|
0,9408
|
0,9399
|
0,9389
|
0,9380
|
0,9371_
|
0,9361
|
0,9352
|
0,9343
|
0,9333
|
|
0,07
|
0,9324
|
0,9315
|
0,9305
|
0,9296
|
0,9287
|
0,9277
|
0,9268
|
0,9259
|
0,9250
|
0,9240
|
|
0,08
|
0,9231
|
0,9223
|
0,9213
|
0,9204
|
0,9194
|
0,9185
|
0,9176
|
0,9167
|
0,9158
|
0,9148
|
|
0,09
|
0,9139
|
0,9130
|
0,9121
|
0,9110
|
0,9103
|
0,9093
|
0,9085
|
0,9076
|
0,9066
|
0.9057
|
|
Від 0,1 до 2,99
|
|
Х
|
0
|
0,01
|
0,02
|
0,03
|
0,04
|
0,05
|
0,06
|
0,07
|
0,08
|
0,09
|
|
0,1
|
0,9048
|
0,8958
|
0^8869
|
0,8781
|
0,8694
|
0,8607
|
0,8521
|
0,8437
|
0,8353
|
0,8270
|
|
0,2
|
0,8187
|
0,8106
|
0,8025
|
0,7945
|
0,7866
|
0,7788
|
0,7711
|
0,7634
|
0,7558
|
0,7483
|
|
0,3
|
0,7408
|
0,7334
|
0,7261
|
0,7189
|
0,7118
|
0,7047
|
0,6977
|
0,6907
|
0,6839
|
0,6771
|
|
0,4
|
0,6703
|
0,6637
|
0,6570
|
0,6505
|
0,6440
|
0,6376
|
0,6313
|
0,6250
|
0,6188
|
0,6123
|
|
0,5
|
0,6065
|
0,6005
|
0,5945
|
0,5886
|
0,5827
|
0,5769
|
0,5712
|
0,5665
|
0,5599
|
0,5543
|
|
0,6
|
0,5488
|
0,5434
|
0,5379
|
0,5326
|
0,5273
|
0,5220
|
0,5169
|
0,5117
|
0,5066
|
0,5008
|
|
0,7
|
0,4966
|
0,4910
|
0,4868
|
0,4819
|
0,4771
|
0,4724
|
0,4677
|
0,4630
|
0,4584
|
0,4538
|
|
0,8
|
0,4493
|
0,4449
|
0^4404
|
0,4360
|
0,4317
|
0,4274
|
0,4232
|
0,4190
|
0,4148
|
0,4167
|
|
0,9
|
0,4066
|
0,4025
|
0^3985
|
0,3946
|
0,3906
|
0,3867
|
0,3829
|
0,3791
|
0,3753
|
0,3718
|
|
1,0
|
0,3679
|
0,3842
|
0.3606
|
0,3570
|
0,3535
|
0,3479
|
0,3465
|
0,3430
|
0,3396
|
0,3362
|
|
1,1
|
0,3329
|
0.3296
|
0,3263
|
0,3230
|
0,3198
|
0,3166
|
0,3135
|
0,3104
|
0,3073
|
0,3042
|
|
1,2
|
0,3012
|
0,2982
|
0,2952
|
0,2923
|
0,2894
|
0,2865
|
0,2837
|
0,2780
|
0,2753
|
|
1,3
|
0.2725
|
0,2698
|
0,2671
|
0,2645
|
0,2618
|
0,2529
|
0,2567
|
0,2541
|
0,2516
|
0,2481
|
|
1,4
|
0,2466
|
0,2441
|
0,2417
|
0,2393
|
0,2369
|
0,2346
|
0,2322
|
0,2299
|
0,2276
|
0,2254
|
|
1,5
|
0,2231
|
0,2229
|
0,2187
|
0,2165
|
0,2144
|
0,2122
|
0,2101
|
0,2080
|
0,2060
|
0,2039
|
|
1,6
|
0,2019
|
0,1999
|
0,1979
|
0,1959
|
0,1940
|
0,1920
|
0,1901
|
0,1882
|
0,1884
|
0,1845
|
|
1,7
|
0,1827
|
0,1809
|
0,1791
|
0,1773
|
0,1755
|
0,1738
|
0,1720
|
0,1703
|
0,1686
|
0,1670
|
|
1,8
|
0,1653
|
0,1637
|
0,1620
|
0,1604
|
0,1588
|
0,1572
|
0,1557
|
0,1541
|
0,1526
|
0,1511
|
|
1,9
|
0,1496
|
0,1481
|
0,1466
|
0,1451
|
0,1437
|
0,1432
|
0,1409
|
0,1395
|
0,1381
|
0,1367
|
|
2,0
|
0,1353
|
0,1340
|
0,1327
|
0,1313
|
0,1300
|
0,1287
|
0,1275
|
0,1262
|
0,1249
|
0,1237
|
|
2,1
|
0,1225
|
0,1212
|
0,1200
|
0,1188
|
0,1177
|
0,1165
|
0,1153
|
0,1142
|
0,1130
|
0,1119
|
|
2,2
|
0,1108
|
0,1097
|
0,1066
|
0,1075
|
0,1065
|
0,1054
|
0,1044
|
0,1033
|
0,1023
|
0,1013
|
|
2,3
|
0,1003
|
0,0993
|
0,0983
|
0,0973
|
0,0963
|
0,0954
|
0,0944
|
0,0935
|
0,0926
|
0,0916
|
|
2,4
|
0,0907
|
0,0898
|
0,0889
|
0,0880
|
0,0872
|
0,0863
|
0,0854
|
0,0846
|
0,0837
|
0,0829
|
|
2,5
|
0,0821
|
0,0813
|
0,0805
|
0,0797
|
0,0781
|
0,0773
|
0,0765
|
0,0762
|
0,0758
|
0,0750
|
|
2,6
|
0,0743
|
0,0735
|
0,0728
|
0,0721
|
0,0714
|
0,0707
|
0,0699
|
0,0693
|
0,0686
|
0,0679
|
|
2,7
|
0,0672
|
0,0665
|
0,0659
|
0,0652
|
0,0646
|
0,0639
|
0,0633
|
0,0627
|
0,0620
|
0,0614
|
|
2,8
|
0,0608
|
0,0602
|
0,0596
|
0,0590
|
0,0584
|
0,0578
|
0,0573
|
0,0567
|
0,0561
|
0,0556
|
|
2,9
|
0,0550
|
0,0545
|
0,0539
|
0,0534
|
0,0529
|
0,0523
|
0,0518
|
0,0513
|
0,0508
|
0,0503
|
|
Від 3 до 3,9
|
|
Х
|
0
|
0,1
|
0,2
|
0,3
|
0,4
|
0,5
|
0,6
|
0,7
|
0,8
|
0,9
|
|
3
|
0,0498
|
0,0450
|
0,0408
|
0,0368
|
0,0334
|
0,0302
|
0,0273
|
0,0247
|
0,0224
|
0,0222
|
|
4
|
0,0185
|
0,0166
|
0,0150
|
0,0136
|
0,0123
|
0,0111
|
0,0101
|
0,0091
|
0,0082
|
0,0740
|
|
5
|
0,0067
|
0,0061
|
0,0055
|
0,0050
|
0,0045
|
0,0041
|
0,0037
|
0,0033
|
0,0030
|
0,0027
|
|
6
|
0,0025
|
0,0022
|
0,0020
|
0,0018
|
0,0017
|
0,0015
|
0,0014
|
0,0012
|
0,0011
|
0,0010
|
|
7
|
0,0009
|
0,0008
|
0,0007
|
0,0007
|
0,0006
|
0,0006
|
0,0005
|
0,0005
|
0,0004
|
0,0004
|
|
8
|
0,0003
|
0,0003
|
0,0003
|
0,0002
|
0,0002
|
0,0002
|
0,0002
|
0,0002
|
0,0002
|
0,0002
|