|
Переріз А=138мм2
|
|
bР=14 мм
|
|
b0=17 мм
|
|
h=10,5 мм
|
|
y=4 мм
|
|
q=0,18 кг/м
|
|
Інтервал довжин 800-6300
|



Для забезпечення довговічності пасу діаметр ведучого шківа обираємо на
1-2 номери більше dmin ніж з стандартного ряду згідно ГОСТ 1284-80.
Обираємо діаметр ведучого шківа dmin=125 мм.
Знайдемо розрахунковий діаметр ведучого шківа, мм:
Приймаємо діаметр веденого шківа 450мм.
Згідно прийнятим стандартним діаметрам шківів розраховуємо
дійсне передаточне число клинопасової передачі з урахуванням проковзування:
де ε
- коефіціент відносного ковзання
пасу, ε=0,015;
Перевіримо умову співпадання передаточних чисел передачі:
Розрахуємо колову швидкість пасу, м/с:
Знайдемо міжосьову відстань в залежності від передаточного числа, мм:
Знайдемо довжину пасу, мм:
Округляємо отриманий результат згідно стандартного ряду довжин пасу Lр=2800 мм.
Знайдемо дійсну міжосьову відстань, яка відповідає прийнятій
стандартній довжині пасу, мм:
Знайдемо кут обхвату на ведучому шківі, 0:
Знайдемо число пробігів пасу за 1 секунду, с-1:
Визначимо допустиму потужність, яка передається клиновим пасом з 10
ребрами при заданих режимах роботи, кВт:
де Р0 - потужність, яка передається одним пасом при числі
шківів Zm=2, U=1, α=1800,
заданій довжині пасу l0 та спокійній роботі, Р0=3,64 кВт;
Сα
- коефіцієнт, який враховує вплив
кута обхвату на тягову спроможність;
СL - коефіцієнт, який враховує вплив на довговічність
довжини пасу L в залежності від відношення даної довжини пасу L та вихідної
довжини L0, СL=1,04;
ΔPU
- поправка, яка враховує зменшення впливу згину пасу на ведучому шківі на
довговічність з збільшенням передаточного числа;
СР - коефіцент, який враховує режим роботи, СР=0,83;
Знайдемо коефіцієнт, який враховує вплив кута обхвату на тягову
спроможність:
Знайдемо поправка, яка враховує зменшення впливу згину пасу на ведучому
шківі на довговічність з збільшенням передаточного числа, кВт:
де ΔTU - поправка до моменту на ведучому шківі в залежності від передаточного
числа, ΔTЗГ=3,1Н·м;
Визначимо допустиму потужність, яка передається клиновим пасом з 10
ребрами при заданих режимах роботи, кВт:
Знайдемо необхідне число пасів з урахуванням нерівномірності
розподілення навантаження між пасами:
де CZ - коефіціент числа пасів, CZ=0,9;
Обираємо 6 пасів.
Знайдемо силу тиску клинових пасів на вали, Н:
де
- сила попереднього натягу пасу, Н;
Визначимо
ресурс передачі, год:

де σY - межа стійкості матеріала пасу, σY=10 МПа;
σmax
- максимальні напруження в пасі, МПа;- показник кривої втоми, m=8;0
- базове число циклів, N0=107;
СU - коефіцієнт, який враховує різну ступінь впливу
напружень згину на ведучому і введеному шківах;m - число шківів в
передачі, Zm=2;
σU
- напруження згину, МПа;t - корисна сила, Н;
Знайдемо
напруження розтягу в пасі, МПа:
де А - площа поперечного перерізу пасу, м2;
Знайдемо напруження згину, МПа:
де ЕU - модуль пружності пасу при згині, ЕU=90
МПа;
Знайдемо максимальні напруження в пасі, МПа:
Знайдемо коефіцієнт, який враховує різну ступінь впливу
напружень згину на ведучому і введеному шківах:
Визначимо кількість замін пасу:
В процесі експлуатації пас потребує 4 заміни.
Підсумкові
дані:
Тип
пасу згідно ГОСТ 1284.1-80 - клиновий
Переріз пасу - Б
Довжина пасу L=2800 мм
Матеріал пасу - кордшнуровий
Міжосьова відстань
мм
Фактичне
передаточне число передачі U=2,85
Число пасів Z=6
Сила попереднього натягу F0=276 Н
Сила, яка діє на вали FR=3271 Н
Робочий ресурс передачі tn=22472,6год
3. Розрахунок циліндричної тихохідної зубчастої
передачі
Розрахувати косозубу циліндричну зубчасту передачу
одноступеневого редуктора за такими даними: передаточне число передачі и=2,85; передача нереверсивна; режим навантаження
П; можливі короткочасні перевантаження до 200 % від номінального; строк служби передачі h = 20000 год.
3.1 Матеріализубчастих коліс
Для виготовлення колеса та шестірні вибираємо відноснодешеву легованусталь 40Х із
термообробкою - поліпшення та гартування СВЧ. За даними довідників вибираємо:
для шестірні твердість поверхні зубців Н = 500 НВ , σв = 900 МПа, σт = 750 МПа при діаметрі заготовки
до125мм;
3.2 Допустимі напруження для розрахунку
зубчастої передачі
Допустимі контактні напруження. Границі контактної
витривалості зубців шестірні та колеса будуть такими:
σH lim b = 17HRC + 200 = 17 ·50 + 200 = 1050 МПа;
Базу випробувань для матеріалу шестірні та колеса визначаємо
за формулою:
NH0 = 30 · Н1
= 30 ·
5002.4 = 9 ·
107
Число циклів навантаження колеса:
N∑ =60·C·n2·t∑=60·147,38·6300=5,57·107
Для режиму постійного навантаження KHLвизначаємо за формулою:
Допустимі контактні напруження для зубців шестірні та колеса при
коефіцієнті ZR= 1 (шорсткість поверхонь зубців Ra - 1,25...0,63)та
коефіцієнті запасу sH = 1,2 знаходимо за формулою:
[σ]H = σH lim b1ZRKHL/sH = 1050 ·
1 ·
1.02/1.2 = 892,5МПа;
3.3 Проектний розрахунок передачі
Для проектного розрахунку попередньо беремо коефіцієнт ширини вінця 

=
0,50 і відповідно 

=
0,5

(U + 1) = 0.5 ·
0,50 · (3.55 + 1) = 1,14
Залежно від
(симетричне розміщення зубчастих коліс відносно опор
валів та твердостіH >350 НВ) визначаємо коефіцієнт нерівномірності
навантаження по ширині зубчастих вінців, КHβ = 1,12.
Допоміжний коефіцієнт Ка = 430 МПа1/3 для сталевих косозубих
коліс.
За формулою мінімальна міжосьова відстань передачі
Вибираємо фактичну міжосьову відстань αω = 112 мм.
3.4 Число зубців шестерні та колеса
Розраховуємо модуль:
Знаходимо сумарну кількість зубців колеса та шестерні
:
Розраховуємо дійсне передаточне число:
3.5 Розрахунок параметрів зубчастої передачі
Розміри, мм:
Колова швидкість в зачепленні:
= p×d2×n2/(60×103)=3,14×178×147,38/(60×103)= 1,37 м/с;
приймаємо степінь точності К=8.
.6 Розрахунок сил у зачепленні зубців передачі
t = 2×103 ×TH2/d2=2×103·971,9/178=10920 H
де aw = 20° - кут
зачеплення в нормального перерізу.
3.7
Перевірочний розрахунок
Розрахунок активних поверхонь зубців на контактну втому за
умови:
де:
МПа1/2
Розрахунок активних поверхонь зубців на міцність під час дії
короткотривалого перевантаження.
Розрахунок зубців на втому при згинанні.
, ,
,
,
Розрахунок активних поверхонь зубців на міцність під час дії
короткострокового перевантаження.
Підсумкові дані розрахунку:
Міжосьова відстань
=112
мм
Модуль m=2.25 мм
Кут нахилу зуба β=8
Ступінь точності -8
Шестерня Колесо
Число зубців Z
22 80
Коефіцієнт зміщення 0,5 - 0,5
Ділильний діаметр d, мм 48 178
Діаметр вершин da мм 55 180
Диаметр впадин df мм 45 170
Ширина
мм6156
Передаточне число 3,55
Колова сила Ft10920Н
Радіальна сила Fr4014 Н
Осьова сила Fa=Ft10920Н
4. Проектування валів редуктора
Початкові дані для обрахунку:
Міжосьова відстань: 112мм
Обертові моменти:
Сили в зачепленні шестерні і колеса:
Колова сила Ft10920 Н
Радіальна сила Fr4014 Н
Осьова сила Fа4014 Н
Навантаження що діє на консольну ділянку вала:
Н
Коефіцієнт перевантаження:
Частота обертання тихохідного вала:
об/хв.
Строк служби вала: 20000годин
Допустимий запас міцності:
Розрахунок валів
Компоновочний розрахунок валів за умови кручення та їх
попереднє конструювання.
Швидкохідний вал:
Діаметр консольної ділянки:
Діаметр вала під підшипник:
Діаметр бурта для підшипника:
Тихохідний вал:
Діаметр консольної ділянки:
Діаметр вала під підшипник:
Діаметр бурта під підшипник:
Діаметр вала під колесо:
Діаметр бурта для колеса:
Компоновочний вибір підшипників та варіанту їх установки
Тип підшипника призначають в залежності від напрямку та величини сил,
що діють на підшипник.
Для опор валів циліндричних прямозубих та косозубих коліс
використовуємо кулькові однорядні радіальні підшипники.
|
Швидкохідний вал
Підшипник №209. d=45 мм D=85 мм В=19 мм С=25,2 кН Тихохідний
вал Підшипник №210. d=50 мм D=90 мм
В=20мм С=26,97 кН
|
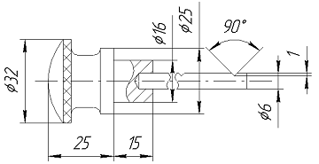
Рисунок 4.1 -
Ескіз підшипника кулькового радіального
|
а)
б)
Рисунок 4.2 - Вали циліндричного одноступінчатого редуктора
а)швидкохідний
б) тихохідний
Ескізна компоновка редуктора
Відстані між умовними точками прикладання навантажень і габарити
редуктора залежать від:
відстані між колесом і внутрішньою поверхнею корпуса
редуктора
-
відстані між колесом і донною
поверхнею корпуса
Одноступінчатий циліндричний редуктор
Ширина корпуса редуктора внутрішня:
Швидкохідний вал
Тихохідний вал
Рисунок 4.3 -Компоновочна схема одноступінчатого редуктора
Рисунок 4.4 -
Схема сил, що діють на вали редуктора
5. Розрахунок валів редуктора на
міцність, жорсткість та стійкість
Вибір матеріалу валів та розрахунок допустимих напружень
Вихідні дані:
Сили які діють в зачепленні:
Колова сила Ft 10920 Н
Радіальна сила Fr4014 Н
Коефіцієнт перенавантаження:
Обертовий момент на валу:
Допустиме навантаження на консолі тихохідного вала:
При розрахунку вала напрямок Fr приймаємо
протилежним напрямку Ft, оскільки при цьому збільшується згинаючий
момент в перерізі 1-1. Для розрахунку підшипників визначаємо також
опорні реакції RA та RB.
В вертикальній площині з умови
знаходимо
опорні реакції
:
Знак плюс означає, що
спрямована
вiрно.
З умови
знаходимо опорну реакцію
:
Знак плюс означає, що
спрямована
вiрно.
Перевірка:
2*5460-10920=0
В горизонтальній площині з умови
знаходимо
опорні реакції
:
Перевірка:
-14341-4014+14460+3895=0
Для підшипників сумарні опорні реакції:
Згинаючі моменти в небезпечних перерізах
В вертикальній площині:
В горизонтальній площині:
Сумарний згинаючий момент:
Зведений
момент:
Знайдемо
розрахункові діаметри вала у перерізах, мм:
Рисунок 5.1 - Схема
навантаженя валу
6. Перевірочний розрахунок підшипників
Вихідні данні :
Сили:
Колова сила Ft 10920 Н
Радіальна сила Fr4014 Н
Осьова сила Fа4014 Н
на
консолі тихохідному
валу:
Підшипник 211d=55 мм
D=100ммВ=21 ммС=33340НСо=25110Н
Необхідна динамічна вантажопідйомність підшипників:
де n - частота обертання вала, с-1;h -
необхідний ресурс роботи підшипника;
Р - еквівалентне статичне навантаження, Н;
де Х - коефіцієнт, який враховує небезпечну дію радіального
навантаження;- коефіцієнт, який враховує небезпечну дію осьового навантаження;δ - коефіцієнт безпеки, Kδ=1,4.
Тихохідний вал:
Підшипник №211 радіально-шариковий
однорядний.
Перевіряємо придатність вибраного підшипника за умовою
.
Отже вибраний пiдшипникзадовольняє вимогам.
7. Розрахунок шпонкових з’єднань
У даному редукторі застосовуються з’єднання коліс передач з валами за допомогою
призматичних шпонок за ГОСТ 23360-78.
Рисунок 7.1 - З'єднання призматичною шпонкою
Швидкохідний
вал
Розрахунок шпонкового з’єднання консольної ділянки швидкохідного вала
За діаметром вала d=45мм згідно зі стандартом вибираємо такі розміри з’єднання:
ширина шпонки b = 6 мм; висота h = 6 мм; глибина паза на валу t1 = 5,5 мм і у маточини колеса t2 = 3,8 мм.
Допустимі напруження приймаємо як для нерухомого з’єднання,
передаючого навантаженя з поштовхом [σ]=100МПа
Розрахуємо робочу довжину шпонки, мм:
Повна довжина шпонки, мм:
За стандартом беремо l=48 мм.
Отже, з’єднання можна здійснити призматичною шпонкою
ГОСТ 23360-78
Тихохідний вал
Розрахунок шпонкового з’єднання тихохідного вала ділянки під колесо.
За діаметром вала d=65 мм згідно зі стандартом вибираємо такі розміри з’єднання:
ширина шпонки b = 10 мм; висота h = 8 мм; глибина паза на валу t1 = 7,5мм і у маточини колеса t2 = 4,9 мм.
Допустимі напруження приймаємо як для нерухомого з’єднання,
передаючого навантаження з поштовхом [σ]=100МПа
Розрахуємо робочу довжину шпонки, мм:
Повна довжина шпонки, мм:
За стандартом беремо l=85 мм.
Отже, з’єднання можна здійснити призматичною шпонкою
ГОСТ 23360-78.
Розрахунок шпонкового з’єднання консольної ділянки
тихохідного вала
За діаметром вала d=50 мм згідно зі стандартом вибираємо такі розміри з’єднання:
ширина шпонки b = 7 мм; висота h = 7 мм; глибина паза на валу t1 = 6 мм і у маточини колеса t2 = 4,3 мм.
Допустимі напруження приймаємо як для нерухомого з’єднання,
передаючого навантаження з поштовхом [σ]=100 МПа.
Розрахуємо робочу довжину шпонки, мм:
Повна довжина шпонки, мм:
За стандартом беремо l=42 мм.
Отже, з’єднання можна здійснити призматичною шпонкою
ГОСТ 23360-78.
8. Розрахунок корпусних деталей
Фланці, стінка, болти
Визначимо товщину стінки редуктора, мм:
Приймаємо товщину стінки
.
Визначимо діаметр фундаментальних болтів
Кількість болтів - 4.
Визначимо діаметр стяжних болтів, мм:
Приймаємо діаметр стяжних болтів dc=6 мм. Кількість стяжних болтів z=10.
Для фіксації кришки відносно корпуса використовуємо конічні
штифти 6х40. Для підйому та
транспортування кришки корпуса та самого редуктора використовуємо провушини у
вигляді ребра з отвором.
Розрахуємо розмір фланця, мм:
Розрахуємо відстань від зовнішнього краю корпуса до вісі отвору болта,
мм:
Розрахуємо товщину лап корпуса, мм:
Розрахуємо відстань від стінки кришки до вісі отвору болта, мм:
Розрахуємо відстань від кінця лап корпуса до вісі отвору болта, мм:
Люк, віддушина та зливна пробка
Рисунок 8.2 - Ескіз люка
Люк виконуємо прямокутним. Люк має такі габарити 48х30 мм з
товщиною 3 мм. Люк кріпиться до кришки 4 болтами М8. Отвір люка 30х20 мм.
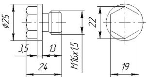
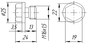
Віддушина пробкової конструкції з різьбою М16х1,5.
Пробку для злива мастила обираємо циліндричною з наружним шестикутником
М16х1,5.
Кришки для підшипники
Необхідно на кожен вал встановити пару кришок під підшипники:
- на тихохідний вал одну з глухим отвором, одну з
наскрізним;
- на швидкохідний вал одну з глухим отвором, одну з
наскрізним;
Швидкохідний вал
На швидкохідному валу застосовуємо кришку з отвором.
;
;
;
;
На швидкохідному валу застосовуємо кришку глуху, вона є такою ж як
кришка з отвором.
Тихохідний вал
На тихохідному валу застосовуємо кришку з отвором.
;
;
;
;
На тихохідному валу застосовуємо кришку глуху, вона є такою ж як кришка
з отвором.
9. ЗМАЩУВАННЯ
Змащування зубчастих передач
Для зменшення втрат на тертя та зниження інтенсивності зносу працюючих
поверхонь вони повинні мати надійне змащування.
При коловій швидкості зубчатих коліс та черв’яків від 0.3 до 12.5 м/с
застосовуємо картерне змащування. В’язкість мастила обираємо в залежності від
швидкості та контактних напружень в зубчастій передачі. Згідно вказівок і того
що V= 2,32 м/cі
=889
МПа обираємо в’язкість мастила -
м3/с при
. За такою кінематичною в’язкістю вибираємо марку
масла: індустріальне И-20.
Об’єм масла, заливаємий до редуктора розраховую виходячи
з конструктивних особливостей редуктора і він буде дорівнювати:
де
a - довжина редуктора,
b - ширина
редуктора,
h - висота рівнямастила
Отже, до редуктора необхідно заливати приблизно 0,34
літри масла марки И-50А.
Змащування підшипників
При окружних швидкостях до 3 м/с розпилення мастила недостатньо. Тому
змащуємо підшипники за допомогою пластичного мастила Литол-24, яке закладають
при монтажу.
Ущільнюючі пристрої
Дивлячись на те, що ми змащуємо наш редуктор рідким маслом, то
приймаємо рішення використовувати манжетні ущільнення для запобігання витікання
масла з підшипникового вузла.
- швидкохідний
вал - манжета 20х40х10 ГОСТ 8752-79;
тихохідний вал - манжета 30х52х10 ГОСТ 8752-79.
Для контрою рівня мастила вибираємо маслопоказчик.
10. Рама приводу та пристрої натягу
Натяжний пристрій
Для забезпечення натягу пасової передачі застосовується натяжний
пристрій, де в якості салазок виступають пази на рамі.
Рисунок 10.1 -
Ескіз натяжного пристрою
Рама
Рама виготовляється зварною з швелера. Розміри швелера та
косої шайби обираються згідно діаметру фундаментальних болтів редуктора.
Виходячи із того, що для кріплення редуктора використовуються
фундаментальні болти М12 обирається швелер №12.
ВИСНОВКИ
механічний привод редуктор
Виконано проект механічного привода у складі циліндричної та
клинопасової передач. Ресурс роботи механічного привода складає 11627 годин. У
склад механічного привода входить електродвигун - 160S4 з потужністю 15 кВт та синхронною частотою обертання 1465 хв-1.
Циліндрична передача редуктора виконана з сталі 40Х та 50, застосовується
косозубе зачеплення, передача має недовантаження, що задовільняє вимогам ГОСТу
та умовам експлуатації. Клинопасова передача має довжину пасу 2800 мм.
Проведено розрахунок валів на міцність. Передбачена робота редуктора без заміни
підшипників під час строку служби. Змащування коліс передач і підшипників
рідинне - мастилом И-50 у кількості 0,2 літра.
ПЕРЕЛІК ВИКОРИСТАНИХ ДЖЕРЕЛ
1. Стандарт підприємств СТП 15-96. Пояснювальна
записка до курсових і дипломних проектів. Вимоги і правила оформлення. ЗДТУ,
1996 - 36 с.
. Анурьев В.И. Справочник конструктора машиностроителя
т.1, 8-е изд. пе-рераб. и доп. - М.; Машиностроение, 2001 - 920 с.
. Анурьев В.И. Справочник конструктора машиностроителя
т.2, 8-е изд. пе-рераб. и доп. - М.; Машиностроение, 2001 - 901 с.
. Анурьев В.И. Справочник конструктора машиностроителя
т.3, 8-е изд. пе-рераб. и доп. - М.; Машиностроение, 2001 - 859 с.
. Цехнович Л.И., Петриченко И.П. Атлас
конструкциийредукторов. Учеб-ноепособие - 2-е изд. перераб. и доп. - К.: Вісшая
школа 1990 - 151 с.
. Дунаев В.Н., Леликов О.П. Конструированиеузлов
деталей машин. - М.: Вісшая школа, 2000.
. Павлище В.Т. Основи конструювання та розрахунку
деталей машин; підру-чник - К.: Вища школа, 1993 - 556 с.
. В.Н. Кудрявцев, Ю.А. Державец, И.И.
АрефьевУчебноепособие для студентовмашиностроительныхспециальностейвузов. - Л.:
Машиностроение, Ленингр. отделение, 1984. 400 с., ил.
. Методичні вказівки до розрахунку та проектування
пасової передачі з дис-ципліни “Деталі машин” для студентів спеціальностей
8.090202, 8.090203, 8.090205, 8.090206, 8.090211, 8.090214, 8.092301, 7.090260
денної, заочної та дис-танційної форм навчання /Укл. О.І. Вільчек, В.І. Глушко,
Запоріжжя, ЗМІ, 1993 - 20 с/.
. Методичні вказівки до розрахунку циліндричних
передач редукторів за-гального призначення з дисципліни “Деталі машин” для
студентів спеціальностей 8.090202, 8.090203, 8.090205, 8.090206, 8.090211,
8.090214, 8.092301, 7.090260 денної, заочної та дистанційної форм навчання
/Укл. О.І. Вільчек, В.І. Глушко, Запоріжжя, ЗДТУ, 1994 - 26 с/.