Расчет участка кузнечного цеха

  • Вид работы:
    Практическое задание
  • Предмет:
    Другое
  • Язык:
    Русский
    ,
    Формат файла:
    MS Word
    302,25 Кб
  • Опубликовано:
    2014-11-30
Вы можете узнать стоимость помощи в написании студенческой работы.
Помощь в написании работы, которую точно примут!

Расчет участка кузнечного цеха

МИНОБРНАУКИ РОССИИ

Федеральное государственное бюджетное образовательное учреждение

высшего профессионального образования

«Ижевский государственный технический университет

имени М.Т. Калашникова»

Кафедра

«Машины и технология обработки металлов давлением и

сварочное производство»


ПОЯСНИТЕЛЬНАЯ ЗАПИСКА

к лабораторной работе по дисциплине Проектирование цехов

на тему: «Расчет участка кузнечного цеха»


Выполнил:

студент гр. Б07-711-1 А.А.Ларина

Принял:

Доцент, к.т.н. Н.Н.Князева






Ижевск, 2014

Оглавление

Введение

.Задание

.Выбор и обоснование технологического процесса и основного оборудования

.Расчет численности работающих

Заключение

Список литературы


Введение

Проектирование является первым и основным этапом капитального строительства, обеспечивающим создание новых и реконструкцию действующих цехов и малых предприятий машиностроительного профиля. Проектирование является сложным и трудоемким процессом, в ходе которого одновременно решаются технические, экономические и организационные задачи. Основной целью проектирования является разработка наиболее экономичных проектов цехов и малых предприятий, обеспечивающих выпуск высококачественной продукции при наиболее благоприятных условиях труда. На проектирование цеха или малого предприятия, строительство, монтаж и полное освоение проектной мощности уходит несколько лет. Сокращению сроков и трудоемкости проектирования способствует перевод расчетных и графических работ на ЭВМ с помощью разнообразных пакетов программ.

.Задание

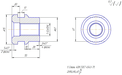
Исходные данные представляют собой чертеж (рис.1) и параметры готовой детали.

Рис.1. Чертеж готовой детали.

Задачей данной лабораторной работы является создание проекта участка кузнечного цеха для изготовления детали «Втулка» с программой выпуска 1000000 штук в год.

Цели лабораторной работы:

научиться рассчитывать количество работающего состава и количество оборудования;

определить необходимые площади под оборудование и рабочие места.

.Выбор и обоснование технологического процесса и основного оборудования

Кривошипные горячештамповочные пресса (КГШП) по сравнению с молотами обладают рядом преимуществ.

Повышенная точность получаемых поковок благодаря постоянству хода пресса и определенности нижнего положения ползуна, что позволяет уменьшить отклонения размеров поковок по высоте.

Увеличенный коэффициент использования металла вследствие более совершенной конструкции штампов, снабженных верхним и нижним выталкивателем, что позволяет уменьшить штамповочные уклоны, припуски, напуски, допуски и тем самым приводит к экономии металла и уменьшению последующей обработки поковок резанием.

Улучшенные условия труда вследствие меньших шумовых эффектов, вибрации, и сотрясения почвы, чем при работе на молотах, и относительно спокойным безударным характером работы.

Возможность применения автоматических перекладчиков заготовок.

Более высокой производительности в 1,4…2 раза при штамповке поковок шестерен, так как деформация на прессе в каждом ручье происходит за один ход, а на молоте за несколько ударов.

Снижение себестоимости продукции за счет снижения расхода металла и эксплуатационной стоимости.

Для исключения заклинивания и поломки пресса открытые штампы на КГШП не смыкаются на величину заусенца, из-за отсутствия ударов служат больше молотовых. На КГШП используют штампы сборной конструкции с ручьевыми вставками, которые при износе заменяют.

Учитывая приведенные выше преимущества штамповки на КГШП, а, также учитывая конструктивные особенности детали - длинноосное тело , удлиненного размера в плане, можно сделать вывод о том, что для изготовления данной детали оптимальным вариантом будет применение технологии горячей штамповки на КГШП в открытом штампе, с применением пламенного нагрева, так как это позволит увеличить коэффициент использования материала и производительность, а также позволит исключить обязательное участие в процессе высококвалифицированного рабочего.

Расчет усилий штамповки на КГШП необходимо выполнять с максимально возможной точностью, так как при использовании пресса с недостаточным усилием может произойти авария, а при выборе пресса по завышенному усилию пресс будет использоваться нерационально.

Усилие штамповки в открытых штампах для удлиненных в плане поковок рассчитывается по формулам:


где sS - напряжение текучести металла при соответствующей условиям штамповки температуре и скорости деформации (для стали 40Х при температуре 8000С, sS=71МПа) ; b - ширина мостика облоя; h - высота (толщина) облоя по мостику; Fn - площадь проекции поковки на плоскость разъема штампа; Fоб - площадь облойного мостика в плане; d - диаметр поковки в плане (для поковок, близких к круглым или квадратным); а - средняя ширина поковки (для удлиненных поковок).

Учитывая расчетное усилие штамповки и размеры поковки, выбираем пресс с усилием 10 МН - КБ 8040. Габариты пресса (в мм): слева направо - 4730, спереди назад - 3500, высота над уровнем пола - 5145.

В качестве нагревательного устройства выбрана газовая нагревательная полуметодическая печь ТермоГаз-УО-6,5.48.2,5/1250 в соответствии с производительностью пресса, габариты которой составили (в мм): ширина - 7500, длина - 2500,высота - 4000.

Для обрезки облоя выбран обрезной пресс усилием 1000 тс марки КА9536 габаритными размерами (в мм): ширина - 3410, длина - 3410, высота - 5940.

Для очистки нагретых заготовок от окалины используется специальная гидравлическая камера струйной очистки КСО-110 И СФР, габаритные размеры которой составили (в мм): ширина - 1050, длина - 2200,высота - 2100.

.Расчет количества технологического оборудования

Для определения количества оборудования необходимо найти суммарную загрузку оборудования:

 ,                         (3.1)

где П’ = 1 000 000 шт.- объём выпуска,

Н = 310 шт./ч- штучная производительность оборудования.

Количество оборудования, необходимое для выполнения годовой программы выпуска, определяется по формуле:

 ,                                     (3.2)

где Ф0= 3725 ч- действительный годовой фонд времени работы КГШП.

Округляя расчетное количество единиц оборудования до целого в сторону увеличения, получаем принятое число единиц оборудования nф = 1.

,              (3.3)

что находится в пределах нормативного и является приемлемым.

.Расчет численности работающих

Расчет численности работающих, необходимых для осуществления технологического процесса, производится по каждой их категории:

основные рабочие;

вспомогательные рабочие;

инженерно-технические работники и др.

Для начала нужно определить трудоемкость производства:

цех оборудование работник

 ,                   (4.1)

Расчет основных рабочих в смену по трудоемкости годового объема производства ведется по формуле:

 ,            (4.2)

где Чб - число человек в бригаде, для КГШП усилием 10 МН - Чб = 3 (Штамповщик, нагревальщик, прессовщик).

Фр - действительный годовой фонд времени рабочих в две смены.

Примем количество рабочих в сторону большего округления и учитываем, что количество смен - 2, тогда

Расчет численности вспомогательных рабочих, инженерно-технических работников (ИТР), служащих и младшего обслуживающего персонала (МОП), приходящихся на программу заданной детали производится из соотношения между категориями работающих. Так, количество вспомогательных рабочих составляет 65…100% от числа основных рабочих в зависимости от типа производства и вида цеха. Количество ИТР, служащих и МОП определяется исходя из общего числа рабочих и составляет для ИТР 8…12%, для служащих 1,5…2,5% и для МОП 1…2%.

Численность вспомогательных работников принимаем 80% от количества основных работников, это количество составит:

                        (4.3)

Количество ИТР принимаем в пределах 10% от численности основных и вспомогательных рабочих:

                (4.4)


          (4.5)

Количество младшего обслуживающего персонала принимаем 1% от численности основных и вспомогательных рабочих:

                   (4.6)

Заключение

В данной лабораторной работе был проведён технологический расчёт участка кузнечно-прессового цеха. В результате расчётов было определено число рабочих, рассчитано количество технологического оборудования. А также была составлена схема расположения оборудования и рабочих мест, которая представлена в виде чертежа на формате А4.

Список литературы

.Хржановский С.Н. Проектирование кузнечных цехов и заводов. «Машиностроение», 1972, 128 стр.

.Норицын И.А., Шехтер В.Я., Мансуров А.М. Проектирование кузнечных и холодноштамповочных цехов и заводов, М.: Высшая школа, 1977. - 423 с.

.Официальный сайт ООО «Промвест Техно»

<URL:http://www.promvest.by/index.php?option=com_sobi2&sobi2Task=sobi2Details&catid=28&sobi2Id=137&Itemid=31> [последняя дата обращения: 24.11.14]

Похожие работы на - Расчет участка кузнечного цеха

 

Не нашли материал для своей работы?
Поможем написать уникальную работу
Без плагиата!
Без нейросетей!