Расчет посадок на различные типы деталей сборочных единиц
Задание на курсовой проект
|
Параметры
|
|
1.
Мощность на вале 12, N,
кВт
|
3
|
|
2.
Частота вращения вала 12, об/мин
|
3000
|
|
3.
Длина зацепления зубчатого колеса
|
30
|
|
4.
Обозначение подшипников
|
46210
46209
|
|
5.
Класс точности подшипников
|
4
|
|
6.
Перезагрузка, %
|
130
|
|
7.
Радиальная нагрузка подшипников, кН
|
4
|
|
8.
Модуль зубчатого колеса, m,
мм
|
2
|
|
9.
Степень точности зубчатых колес
|
8-7-6
|
|
10.
Вид сопряжения и допуска на боковой зазор
|
C
|
|
11.
Вид нагружения подшипников
|
Колеб.
|
|
12.
Вид запрессовки
|
Механическая
|
|
13.
Замыкающее звено размерной цепи
|
|
|
14.
Шероховатость поверхности вала, Rа,
мкм
|
1,9
|
|
15.
Шероховатость поверхности отверстий колеса, Rа,
мкм
|
1,9
|
|
16.
Материал вала
|
Ст.40
|
|
17.
Материал зубчатого колеса
|
Ст.45
|
Введение
При современном развитии науки и техники большое
значение для машиностроения имеет стандартизация, основанная на широком
внедрении принципов взаимозаменяемости, создании и применении надёжных средств
технических измерений и контроля.
Освоение курса по взаимозаменяемости,
стандартизации и техническим измерениям является частью профессиональной
подготовки инженеров.
Знания, полученные студентами при изучении
данного курса закрепляются, получают новое и более полное развитие при
выполнении курсовых проектов. Закрепление теоретических положений курса,
излагаемых на лекциях, развитие навыков использования справочного материала и
умение проводить инженерные расчёты при решении типовых конструкторских и
технологических задач, является основной целью настоящего курсового проекта.
Назначение и принцип работы механизма
Данный механический редуктор предназначен для
передачи вращения с входного вала 12 на выходной вал 6. При этом уменьшается
частота вращения и увеличивается крутящий момент. Вращательное движение вала 12
передаётся при помощи пары цилиндрических колес.
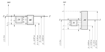
Назначение посадок. Посадки с зазором
Назначение посадки на крышку подшипника 3 с
корпусом 2.
рис.1 - схема полей допусков
Для контроля вала подойдет микрометр.
Для контроля отверстия подойдет индикаторный
нутромер.
Назначение посадки на крышку подшипника 8 с
корпусом 2.
рис. 2 - схема полей допусков
Для контроля вала подойдет микрометр.
Для контроля отверстия подойдет индикаторный
нутромер.
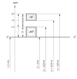
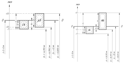
Посадки с натягом
Назначение посадки на зубчатое колесо17 с валом
6.
рис. 3 - схема полей допусков
Для контроля отверстия подойдет гладкий
калибр-пробка.
Для контроля вала подойдет гладкий калибр-скоба.
Назначение посадки на втулку 15 с валом 5.
рис. 4 - схема полей допусков
Для контроля отверстия подойдет гладкий
калибр-пробка.
Для контроля вала подойдет гладкий калибр-скоба.
Соединения с подшипниками качения
Посадка подшипника 1.
Посадка внутреннего кольца на вал
Посадка наружного кольца в корпус
рис. 5 - схема полей допусков
Для контроля отверстия подойдет индикаторный
нутромер
Посадка подшипника 7.
Посадка внутреннего кольца на вал
Посадка наружного кольца в корпус
рис. 6 - схема полей допусков
Для контроля вала подойдет скоба рычажная.
Для контроля отверстия подойдет индикаторный
нутромер.
Резьбовые соединения
Соединение болта 19 с корпусом 2.
рис. 7 - схема полей допусков
Для контроля отверстия подойдет резьбовой
калибр.
Для контроля вала (болта) подойдет резьбовой
калибр.
Соединение болта 18 с корпусом 2.
рис. 8 - схема полей допусков
Для контроля отверстия подойдет резьбовой
калибр.
Для контроля вала (болта) подойдет резьбовой
калибр.
Шпоночные соединения
Соединение шпонки 5 с валом 6.
По ширине:
;
По длине:
рис. 9 - схема полей допусков
Для контроля шпоночной канавки подойдёт
комплексный калибр.
Для контроля шпонки подойдёт микрометр.
Соединение шпонки 13 с валом 12.
По ширине:
;
По длине:
рис. 10 - схема полей допусков
Для контроля шпоночной канавки подойдёт
комплексный калибр.
Для контроля шпонки подойдёт микрометр.
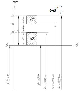
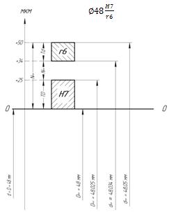
Расчет посадки с натягом
Рассчитаем посадку с натягом для зубчатого
колеса 17 на вал 6.
Nрасч = 
, где:
- крутящий момент
по валу,
l
= 37,5 мм - ширина зубчатого венца;
D
= 30 мм - диаметр отверстия ступицы;
f
= 0,14 - коэффициент сцепления;
С1, С2 -
коэффициенты, зависящие от размеров, формы и материалов сопрягаемых деталей;
Е1, Е2 - модули упругости:
;
Найдем значение коэффициента С1:
C1 =
+ m, где
2 - диаметр ступицы;
m
- коэффициент Пуассона.
Найдем
значение коэффициента С2.
C2 =
- m, где
1 - диаметр отверстия в вале
С2 = 1 - 0,3 = 0,7
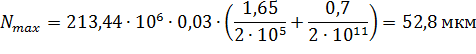
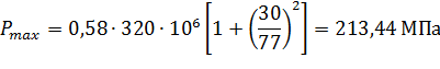
Рассчитаем крутящийся момент на валу:
,
N - мощность
на валу
n - частота
вращения вала
Определим минимальный расчётный натяг:
Учтем поправку на смятие неровностей контактных
поверхностей:
, где
- высота
неровностей поверхностей отверстия и вала;
k - коэффициент
высоты смятия;
k = 0,4;
Полный минимальный натяг вычисляется с учётом
поправки:
Максимально допустимый натяг:
Nmах = Pмах D
, где
- контактное усилие Максимальное
допустимое контактное усилие:
- предел
текучести материала ступицы зубчатого колеса
По наибольшему функциональному
натягу выбираем посадку
. Произведем
расчет параметров посадки: ES = 25 мкм; EI = 0 мкм;
TD = ES - EI = 25 - 0 =
25 мкм
es = 50 мкм; ei = 34 мкм;
Td = es - ei = 50 - 34 =
16 мкм
рис. 11 - схема полей допусков
Расчет калибров
Произведем расчет калибров для посадки
По ГОСТ 24853-81 найдем данные для расчета
калибров
Калибр - пробка:
Z= 3.5 мкм=0,0035мм
- отклонение середины поля допуска
Y= 3 мкм=0,003мм -
допуск выхода размеров
Н= 4 мкм=0,004мм - допуск на изготовление
Калибр - скоба:
Z1=
3.5 мкм=0,0035мм - отклонение середины поля допуска
Y1=
3 мкм=0,003мм - допуск выхода размеров
Н1= 4 мкм=0,004мм - допуск на
изготовление
Произведем расчет параметров посадки
:
ES = 25 мкм;
EI = 0 мкм;
TD = ES
- EI = 25 - 0 = 25 мкм
es = 50 мкм;
ei = 34 мкм;
Td = es
- ei = 50 - 34 = 16 мкм
Расчет параметров калибра-пробки
Расчет параметров калибра-скобы
рис. 12 - схема полей допусков
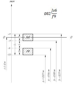
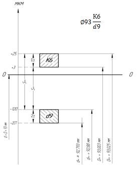
Расчет посадок для колец подшипников качения
редуктор посадка зубчатый подшипник
Рассчитаем и выберем посадку для колебательно
нагруженного шарикового радиально-упорного однорядного подшипника 46209 (класс
точности 4).
Радиальная нагрузка подшипника
Перегрузка 130%
Находим интенсивность радиальной нагрузки по
формуле:
- динамический
коэффициент посадки, зависящий от характера нагрузки (
);
- коэффициент,
учитывающий степень ослабления посадочного натяга при полом вале или
тонкостенном корпусе (при сплошном вале
);
- коэффициент,
учитывающий неравномерность распределения радиальной нагрузки
между
рядами роликов в двухрядных конических роликоподшипниках или между сдвоенными
шарикоподшипниками при наличии осевой нагрузки
на
опору. Для радиальных и радиально-упорных подшипников с одним наружным или
внутренним кольцом
.
,
B - ширина
подшипника. B=19 мм;
r - координата
монтажной фаски внутреннего или наружного кольца подшипника. r
= 2 мм.
Интенсивность радиальной нагрузки:
По [4, табл. 4,92, стр. 287] определяем поле
допуска вала и отверстия:
Поле допуска вала:
Поле допуска отверстия: К6
Посадка на внутреннее кольцо подшипника:
Посадка на наружное кольцо подшипника:
рис. 13 - схема полей допусков
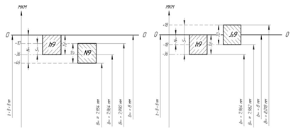
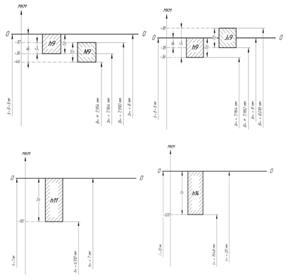
Расчет шпоночного соединения
Определим размеры шпоночного соединения по
таблице [2, табл. 2, стр. 303]: Диаметр вала: 48 мм
Длина шпонки: 32 мм
Сечение: b
x h
= 14 x 9 мм
Фаска: s
= 0.5 мм
Глубина паза
на валу:
во втулке:
Радиус:
Определим допуски элементов шпоночного
соединения по таблице [2, табл. 7, стр. 313]: Поле допуска шпонки по размерам:
ширина (b):
h9
высота (h):
h11
длина (l):
h14
Поле допуска паза по размеру b:
на валу: N9
во втулке:
Предельные отклонения глубины паза:
на валу:
во втулке:
рис. 14 - схема полей допусков
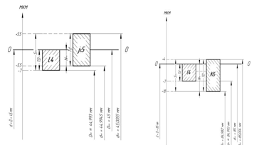
Расчет резьбового соединения
Определим основные параметры резьбы:
Номинальный диаметр резьбы:d=D=6
мм
Шаг резьбы:P=0.75
мм
Средний диаметр резьбы:d2=D2=5,513
мм
Внутренний диаметр резьбы:d1=D1=5,188
мм
Длина свинчивания:L=4,75
мм
Определим посадку для данного резьбового
соединения:
Определим поля допусков наружной резьбы [табл.
7, стр. 370]:
;
;
.
Определим поля допусков внутренней резьбы [табл.
9, стр. 375]:
;
;
.
Вычислим предельные размеры диаметров:
Вычислим допуски:
Вычислим зазоры:
рис. 15 - схема полей допусков
Расчёт зубчатой передачи
Степень кинематической точности - 8
Степень точности по плавности хода - 7
Степень точности по контакту зубьев - 6
Вид допуска на боковой зазор - С
Модуль зубчатого колеса m
= 2
Кинематическая точность
определим допуски на
,
,
и
; определим
допуски на
и
:
= 63 мкм - допуск на колебание
измерительного межосевого расстояния за оборот колеса.
= 45 мкм - допуск на радиальное
биение зубчатого венца.
= 50 мкм - допуск на накопленную
погрешность k шагов.
= 63 мкм - допуск на накопленную
погрешность шага.
= 28 мкм - допуск на колебание длины
общей нормали.
= 28 мкм - допуск на погрешность
обката.
Точность по плавности хода
Показатели точности:
= 13 мкм - отклонение шага
зацепления.
= 14 мкм - отклонение шага.
= 20 мкм - местная кинематическая
погрешность зубчатого колеса.
= 11 мкм - погрешность профиля
зуба.
= 25 мкм - колебание измерительного
межосевого расстояния на одном зубе.
Точность по контакту зубьев
Предельные отклонения показателей точности
- отклонения
осевых шагов по нормали,
- допуск на
направление зуба,
- допуск
параллельности осей,
- допуск на
перекос осей,
Боковой зазор
Для передач с нерегулируемым расположением осей
предельные отклонения межосевого расстояния по расстояния будут следующими:
- минимальный
боковой зазор
- максимальный
боковой зазор
- наименьшее
дополнительное смещение исходного контура
- допуск на
смещение исходного контура
- наименьшее
отклонение длины общей нормали
- допуск на длину
общей нормали
- наименьшее отклонение
средней длины общей нормали
- допуск на
среднюю длину общей нормали
- наименьшее
отклонение толщины зуба
- допуск на
толщину зуба
Расчет размерной цепи
- увеличивающий
размер
- уменьшающие
размеры
- замыкающее звено
Допуск замыкающего звена
Среднее число единиц допуска
Найдем количество единиц допуска
Выбираем IT
= 10, при котором a = 64
Определим допуски для звеньев размерной цепи:

Отсюда следует, что все звенья выполняем по
10-му квалитету точности.
рис. 16 - размерная цепь
Заключение
В результате выполнения курсовой работы были
приобретены и закреплены навыки проведения расчёта и назначения посадок с
натягом, расчета калибров пробки и скобы для контроля отверстия и вала, расчета
и выбора посадки для колец подшипников качения, определения для шпоночного
соединения размеров и допусков элементов соединения, определения номинальные и
предельные размеры по всем диаметрам резьбы для заданного резьбового
соединения, определения числовых значений контролируемых показателей норм
точности и величину бокового зазора, необходимого для нормальной работы
заданной зубчатой передачи, расчета размерной цепи при заданном значении
замыкающего звена. Все расчеты осуществлялись с использованием государственных
стандартов, учебной и справочной литературы. Приобретённый навык является
основой для дальнейшей инженерной деятельности.
Список литературы
1. Белкин
И. М. Допуски и посадки (Основные нормы взаимозаменяемости): Учеб. пособие для
студентов машиностроительных специальностей высших технических заведений. - М.:
Машиностроение, 1992, 528с.: ил.
. Пачевский
В. М., Осинцев А. Н., Краснова М. Н. Метрология, стандартизация и сертификация:
Учеб. пособие. Воронеж: Воронеж. гос. техн. ун-т; 2003. 206с.
. Якушев
А. И. и др. Взаимозаменяемость, стандартизация и технические измерения: Учебник
для втузов. 6-е изд., перераб. и дополн. - М.: Машиностроение, 1986, 352с.: ил.
. Мягков
В.Д Допуски и посадки. Справочник. Ленинград «Машиностроение» 1982. 544стр.
. Дунаев
П. Ф., Леликов О. П. Конструирование узлов и деталей машин: Учеб. Пособие для
техн. спец. вузов - 5-е изд., перераб. и дополн. - М.: Высш. шк., 1998 - 447
с., ил.