Расчет ленточного конвейера
Курсовая
работа
по
дисциплине: Детали машин
на
тему: Расчет ленточного конвейера
Оглавление
Введение
. Подбор электродвигателя
. Расчет кинематических и
энергетических характеристик привода
. Расчет передачи с приводной
роликовой цепью
. Конструирование ведущей звездочки
. Расчет закрытой цилиндрической
зубчатой передачи
. Конструирование зубчатого колеса
. Расчет и конструирование
тихоходного вала
. Подбор подшипников качения
. Подбор шпонок
. Подбор муфты
. Выбор смазочного материала редуктора
Список используемых источников
Введение
Центральное место при создании новой техники
отводится конструированию. Конструктор должен знать технологию производства,
способы обработки деталей, методы контроля; уметь выполнять расчеты для
нахождения оптимальных технических решений; иметь навыки разработки
конструкторской документации, полностью отвечающей требованиям производства.
Результатом конструкторской работы является
разработка рабочей документации создаваемого изделия, в которой центральное
место занимают сборочные чертежи, рабочие чертежи деталей и спецификации.
1. Подбор электродвигателя
Общий кпд привода

, (1)
где 
- кпд зубчатой передачи; 
- кпд цепной передачи;

- кпд муфты; 
- кпд подшипника качения;

.
Потребная мощность привода

, (2)
где 
- мощность на рабочем валу привода;

.
Предварительное передаточное число

, (3)
где 
- общее передаточное отношение; 
- передаточное отношение редуктора;

- передаточное отношение цепной
передачи;

.
Частота вращения вала электродвигателя

, (4)

.
Окончательно выбираем двигатель АИР 160 М 8 ТУ
16-525.564-84
Мощность электродвигателя
Частота вращения вала
. Расчет кинематических и
энергетических характеристик привода
Фактическое общее передаточного отношение

, (5)

.
Фактическое передаточного отношение цепной
передачи

, (6)

.
Частота вращения на валах

, (7)

;

;

.
Угловые скорости на валах

, (8)

;

;

.
Мощности на валах

, (9)

;

;

;

.
Момент на валах

, (10)

;

;

;

;
Подбор стандартного редуктора 1ЦУ-160-4 12У 2,
ТУ 2-056-243-86
. Расчет передачи с приводной
роликовой цепью
Коэффициент эксплуатации

, (11)
где 
- коэффициент, учитывающий характер
нагрузки;

- коэффициент, учитывающий угол
наклона передачи;

- коэффициент, учитывающий способ
смазки цепи;

.
Число зубьев малой звездочки

, (12)

.
принимаем 
Шаг цепи

, (13)
где 
- допускаемое давление в шарнирах
цепи;

- коэффициент, учитывающий число
рядов цепи;

;

.
принимаем t = 31,75 мм
ПР-31,75-89; S = 262 мм²; FP = 89 кн; q = 3,8 кг
Скорость цепи

, (14)

.
Окружная сила

, (15)

.
Центробежная сила

, (16)
где 
- масса одного метра цепи;

.
Межосевое расстояние

, (17)

.
Сила от провисания цепи

, (18)
где 
- коэффициент провисания,
учитывающий расположение цепи;

.
Натяжение ведущей ветви цепи

, (19)

.
Расчет давление в шарнирах цепи, МПа

, (20)
где 
- площадь шарнира;

.
Расчетная нагрузка на вал, н

, (21)
где 
- коэффициент нагрузки вала;

.
Число зубьев ведомой звездочки

, (22)

.
Принимаем 
Число звеньев цепи

, (23)

.
Принимаем 
Фактическое межосевое расстояние

, (24)

;

.
Частота ударов цепи, 

, (25)

.
. Конструирование ведущей звездочки
Размеры обода
Диаметр элемента зацепления цепи 
.
Диаметр делительной окружности

, (26)

.
Диаметр окружности выступов

, (27)

.
Геометрическая характеристика зацепления

, (28)

.
Радиус впадины

, (29)

.
Диаметр окружности впадин

, (30)

.
Ширина зуба звездочки

, (31)

.
Радиус закругления зуба

, (32)

.
Расстояние от вершины зуба до линии центров дуг
закругления

, (33)

.
Размеры диска
Толщина диска
Вариант а:
Ступица
Расчет диаметра вала под ступицу

, (34)
где
- касательные напряжения; 
- крутящий момент; 
- полярный момент сопротивления;

, (35)

; 
.

, (36)

.
Принимаем 
Диаметр ступицы

, (37)

.
Длина ступицы

, (38)

.
Шпонка
Ширина шпонки b
= 14 мм;
Глубина паза ступицы t2
= 3,8.
5. Расчет закрытой цилиндрической
зубчатой передачи
Выбор материала зубчатых колес
Сталь 40 Х улучшенная; HB1
= 260 ; HB2 = 240.
Определение числа циклов награждения зубьев
Срок службы механизма

, (39)
где 
- Срок службы привода, лет; 
- число рабочих смен в сутки;

- продолжительность смены, ч; 
- коэффициент использования времени
в течении смены; 
- коэффициент использования времени
в течении года;

.
Число циклов нагружения

, (40)

.

, (41)

.
Определение допускаемых напряжений
Предел выносливости зубьев при контактном
нагружении

, (42)

;

.
Допускаемые напряжения при контактном нагружении

, (43)
где 
- коэффициент безопасности; 
- коэффициент долговечности;

;

.
Предел выносливости зубьев при изгибном
нагружении

, (44)

;

.
Допускаемые напряжения при изгибном нагружении

, (45)


- коэффициент долговечности; 
- коэффициент реверсивности; 
- коэффициент безопасности;

;

.
Эквивалентные допускаемые напряжения

, (46)

.
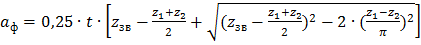
Межосевое расстояние

, (47)
где 
- коэффициент; 
- передаточное число; 
- коэффициент ширины зубчатого
венца; 
- коэффициент, учитывающий
неравномерность распределения нагрузки по длине зуба; 
- крутящий момент;

.
Принимаем 
Модуль зуба

, (48)

.
Принимаем 
Суммарное число зубьев шестерни и колеса

, (49)

.
Принимаем 
Число зубьев шестерни

, (50)

.
Число зубьев колеса

, (51)

.
Фактическое передаточное число

, (52)

.
Угол наклона зубьев

, (53)

.
Делительный диаметр

, (54)

;

.
Межосевое расстояние

, (55)

.
Диаметр окружности вершин зубьев

, (56)

;

.
Диаметр окружности впадин зубьев

, (57)

;

.
Ширина зубчатых венцов

, (58)

.

, (59)

.
Окружная скорость зубчатых колес

, (60)

.
- степень точности
Силы в зацеплении
Окружные силы

, (61)

.
Радиальные силы

, (62)
где 
- угол линии зацепления; 
- угол наклона зубьев;

.
Осевые силы

, (63)

.
Контактные напряжения

, (64)
где 
- коэффициент зубчатых передач; 
- передаточное число;

- коэффициент, учитывающий
неравномерность распределения нагрузки между зубьями; 
- коэффициент, учитывающий
неравномерность распределения нагрузки по длине зуба; 
- коэффициент динамической
нагрузки;

.
Условия порочности по контактным
напряжениям выполняется
Изгибные напряжения

, (65)
где 
- коэффициент, зависящий от числа
зубьев; 
- коэффициент, учитывающий
неравномерность распределения нагрузки между зубьями;

- коэффициент, учитывающий
неравномерность распределения нагрузки по длине зуба; 
- коэффициент динамической
нагрузки.
Коэффициент, учитывающий угол наклона зубьев

, (66)

.
Эквивалентное число зубьев

, (67)

; 
;

; 
.
Проверка прочности зубьев на изгиб

;

.

;

.
Прочность зубьев на изгиб
выполняется
6. Конструирование зубчатого колеса
Толщина обода

, (68)

.
Внутренний диаметр зубчатого венца

, (69)

.
Фаска на торце зубчатого колеса

, (70)

.
Внутренний диаметр ступицы

, (71)
где 
- допускаемые напряжения кручения;

.
Принимаем 
Длина ступицы

, (72)

.
Наружный диаметр ступицы

, (73)

.
Диаметр центровой окружности

, (74)

.
Принимаем 
Толщина диска колес

, (75)

.
Шпонка
Глубина паза ступицы t2
= 5,4 мм; ширина сечения шпонки b
= 22 мм.
. Расчет и конструирование
тихоходного вала
конвейер электродвигатель подшипник
редуктор
Назначаем материал для изготовления вала - Сталь
40 Х
Допускаемое напряжение изгиба

, (76)
где 
- предел выносливости вала при
симметричном цикле нагружения; 
- коэффициент концентрации
напряжения; 
- коэффициент запаса прочности;

.
Допускаемое напряжение кручения

, (77)

.
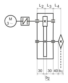
Выполняем предварительную компоновку редуктора
Рисунок 1 - Компоновка редуктора

, (78)

.

, (79)

.

, (80)

.

.
Определяем реакции опор и изгибающие моменты
Рисунок 2 - Схема сил, действующих в передачах
привода
Горизонтальная плоскость
Рисунок 3 - Схема сил, действующих в
горизонтальной плоскости

, (82)

, (83)

.

, (84)

, (85)

.
Проверка:


, (86)

;

;

;

;

.
Рисунок 4 - Эпюра изгибающих
моментов в горизонтальной плоскости
Вертикальная плоскость
Рисунок 5 - Схема сил, действующих в
вертикальной плоскости

, (87)

, (88)

.

, (89)

, (90)

.
Проверка:


;

;

;

;

.
Рисунок 6 - Эпюра изгибающих
моментов в вертикальной плоскости

, (91)

;

;

;

.
Рисунок 7 - Эпюра изгибающих
моментов
Строим эпюру эквивалентных моментов
Рисунок 8 - Эпюра крутящих моментов

, (92)

;

;

;

;

.
Рисунок 9 - Эпюра эквивалентных
моментов
Вычисляем диаметры вала

, (93)
где 
- осевой момент сопротивления.

, (94)

, (95)

;

;

;

;

, (96)

.
По ГОСТ 12080-66 назначаем диаметр 
; 
.
Диаметр под подшипник

, (97)

.
Принимаем 
(кратен 5)
Диаметр вала под зубчатое колесо

, (98)

.
Назначаем по ряду размеров Ra 40 по ГОСТ
6636-69; 
.
Диаметр буртика

, (100)

.
Принимаем 
. Подбор подшипников качения
Тип подшипника

, (101)
где 
- реакция в опоре; 
- составляющая реакции по оси x;

- составляющая реакции по оси y;

;

.

, (102)

.
Проверяем подшипник 410
Вычисляем отношение

, (103)
Грузоподъемность: С = 81700 н; С0 =
52000 н;

.

,
X = 1; Y = 0.
Вычисляем эквивалентную динамическую нагрузку

, (104)
где 
- коэффициент вращения; 
- реакция в опоре b; 
- осевая нагрузка; 
- коэффициент безопасности; 
- коэффициент, учитывающий влияние
температуры; 
- коэффициенты радиальной и осевой
нагрузок;

.
Вычисляем долговечность подшипника

, (105)

.
Подшипник 410 ГОСТ 8338-75
. Подбор шпонок
Под зубчатое колесо
Рабочая длина шпонки

, (106)
где 
- длина шпонки; 
- ширина шпонки;

.
Окружная сила смятия

, (107)

.
Площадь смятия

, (108)
где 
- высота шпонки; 
- глубина паза вала;

.
Напряжения смятия

, (109)

.
Условие прочности на смятие
выполняется
исполнение: Шпонка 22х 14х 63ГОСТ
23360-78
Под звездочку
Рабочая длина шпонки

.
Окружная сила смятия

.
Площадь смятия

.
Напряжения смятия

.
Условие прочности на смятие выполняется
исполнение: Шпонка 14х 9х 60ГОСТ 23360-78
. Подбор муфты
Расчетный вращающий момент

, (110)
где 
- вращающий момент вала;

.
Присоединительные размеры концов валов
Электродвигателя: d
= 48мм, l = 110 мм;
Редуктора: Коническое исполнение d
= 45мм, l = 82мм.
Выбираем муфту: Втулочно-пальцевая
муфта 
;
Муфта 55-1-45-3 У 2 ГОСТ 21424-93.
. Выбор смазочного материала
редуктора

; 
;
Марка смазочного масла И-Г-А-46 ГОСТ
17479.4.
Список используемых источников
. СТО 01. 04- 2005
. Прокофьев, Г.В. Конструирование
приводов технологических машин [Текст]: учебное пособие для вузов / Г.В.
Прокофьев, Н.И Дундин, Н.Ю. Микловцик. - Архангельск: Издательство АГТУ, 2010.
- 506 с.
. Сметанин, А.С. Энергетические и
кинематические параметры приводов машин [Текст]: методические указания и
справочные материалы к курсовому проектированию/ А.С. Сметанин, Е.О. Орленка,
Е.О. Богданов, Т.В. Цветкова. -2-е издание - Архангельск: Издательство АГТУ,
2009. - 61 с.