Вычислительная техника и информационные технологии
ФЕДЕРАЛЬНОЕ
АГЕНТСТВО СВЯЗИ
Государственное
образовательное учреждение
высшего
профессионального образования
Московский
технический университет связи и информатики
Волго-Вятский
филиал
КУРСОВАЯ
РАБОТА
по дисциплине
"Вычислительная
техника и информационные технологии"
Нижний
Новгород 2012 г.
I. Задание на курсовую работу
Курсовая работа предусматривает:
изучение принципа действия упрощенной модели автоматического вычислителя
типа программируемого микрокалькулятора, структурная схема которого изображена
на рис. 1;
программирование в двоичных кодах алгоритма вычислений, предписываемых
функцией F=fк (a, b, c, d) из таблицы 10 методических
указаний, где индекс k
задает номер варианта и определяется предпоследней i=1 и последней j=4
цифрами моего варианта:
1) N=10i+j=34; K=N=34;
2)
;
) a=N+15=49; b=N+13=47; c=N+5=39; d=N=34.
При
этом программу следует разместить в память команд (ПК), начиная с ячейки № i=3,
а операнды a, b, c и d - в память данных (ПД), начиная с ячейки № j=4;
синтез
конечного автомата (КА), реализующего функции устройства управления (УУ) на
рис.1;
выполнение
вручную всех расчетов согласно
в
двоичной системе счисления с выдачей всех промежуточных и окончательного
результатов.
Рисунок
1 - Структурная схема вычислителя
II.
Теоретическая часть
1. Состав вычислителя
В состав вычислителя входят: арифметико-логическое устройство АЛУ (ALU), регистр RgQ, память команд ПК, память данных ПД, устройство
управления УУ (конечный автомат КА), мультиплексор MS, элементы управляющей логики И1, И2.
2. Принцип работы вычислителя
В ПК записываются команды, в ПД - операнды (данные).
Управление ПК и ПД осуществляется с помощью УУ сигналами V1-V7, которые подаются в виде 0 и 1 на указанные устройства.
Сначала выполняется первая (верхняя) команда (она записана в регистрах
(строчках) ПК) и по указанным в ней адресам выбирает из ПД нужные данные
(числа) для операндов X и Y (аргументов, над которыми
выполняются заданные операции). Для выполнения необходимой операции над X и Y в АЛУ подается КОП (код операции). Полученный результат из
АЛУ выдается в регистр результата RgQ. Если этот результат промежуточный, то он записывается в ПД в ячейку (РОН)
с адресом, который указан в команде. Если результат конечный, то он из RgQ подается на выход (например, на
дисплей). Устройство управления (УУ) главным образом определяет очередность
выбора команд. В данном случае это последовательный переход по счету от одной
команды к другой (от одного адреса к другому). Поэтому УУ представляет собой
счетчик, на выходе Q которого
появляется двоичная комбинация, определяющая число сосчитанных входных
импульсов. Управление заключается в подаче импульса запуска и выключении УУ
после выполнения всех операций по заданной функции.
III.
Практическая часть
. Присвою данным операндам определенные РОН
"а" помещаю в ячейку РОНj=РОН4;
"b"→ РОНj+1=РОН5;
"с"→ РОНj+2=РОН6;
"d"→ РОНj+3=РОН7
Введу вспомогательные переменные:
e =
→ РОН8
f =
→ РОН9
g =
→
РОН10
h =
→ РОН11
l= 

АЛУ
выполняет следующие операции:
, код
операции - 010;
, код
операции - 011;
, код
операции - 100;
, код
операции - 101;
.
Составляю блок-схему алгоритма вычисления.
Алгоритм
вычислений реализуется последовательным выполнением команд K1,…,K9,
каждая из которых обеспечивает выполнение операций.
Таблица
1 - блок-схема работы вычислителя.
|
1
|
K1
|
РОН4 РОН5вычисление
e = и
размещение результата в RgQ
|
|
|
K2
|
(РОН8) ¬ RgQ
|
перезапись e
из RgQ в РОН8.
|
|
2
|
K3
|
вычисление f = и размещение результата в RgQ
|
|
|
K4
|
(РОН9) ¬ RgQ
|
перезапись f
из RgQ в РОН9
|
|
3
|
K5
|
вычисление g = и размещение результата в RgQ
|
|
|
K6
|
(РОН10) ¬ RgQ
|
перезапись g
из RgQ в РОН10.
|
|
4
|
К7
|
вычисление h = и размещение результата в RgQ
|
|
|
К8
|
(РОН11) ¬ RgQ
|
перезапись h
из RgQ в РОН11.
|
5 К9
вычислениеl=

|
и размещение результата в RgQ
|
|
. Программирование сводится к записи кодов всех перечисленных команд в
той же последовательности
Заполняю таблицу команд программы (хранящейся в памяти команд).
Таблица 2
|
Команда
|
Адрес в ПК
|
Тип перехода от
одной команды к другой
|
КОП ALU
|
Адрес (в ПД)
(РОН)
|
Адрес (в ПД)
(РОН)
|
Доп. уровни в
УУ
|
|
V5
|
V4
|
V3
|
V2
|
V1
|
P2
|
P1
|
P0
|
K2
|
K1
|
K0
|
Ay
|
Ax
|
V6
|
V7
|
|
К1
|
0
|
0
|
0
|
1
|
1
|
1
|
1
|
1
|
1
|
1
|
0
|
0
|
0
|
1
|
0
|
1
|
0
|
0
|
1
|
0
|
0
|
0
|
1
|
|
К2
|
0
|
0
|
1
|
0
|
0
|
1
|
1
|
1
|
х
|
x
|
x
|
x
|
x
|
х
|
x
|
х
|
0
|
1
|
0
|
0
|
0
|
1
|
0
|
|
К3
|
0
|
0
|
1
|
0
|
1
|
1
|
1
|
1
|
0
|
1
|
0
|
х
|
х
|
х
|
х
|
х
|
0
|
1
|
0
|
0
|
0
|
0
|
1
|
|
К4
|
0
|
0
|
1
|
1
|
0
|
1
|
1
|
1
|
х
|
x
|
x
|
x
|
x
|
x
|
х
|
х
|
0
|
1
|
0
|
0
|
1
|
1
|
0
|
|
К5
|
0
|
0
|
1
|
1
|
1
|
1
|
1
|
1
|
1
|
0
|
0
|
0
|
0
|
1
|
1
|
1
|
0
|
0
|
1
|
1
|
0
|
0
|
1
|
|
К6
|
0
|
1
|
0
|
0
|
0
|
1
|
1
|
1
|
x
|
х
|
x
|
х
|
x
|
x
|
х
|
х
|
0
|
1
|
0
|
1
|
0
|
1
|
0
|
|
К7
|
0
|
1
|
0
|
0
|
1
|
1
|
1
|
1
|
0
|
1
|
0
|
х
|
х
|
х
|
х
|
х
|
0
|
1
|
0
|
1
|
0
|
0
|
1
|
|
К8
|
0
|
1
|
0
|
1
|
0
|
1
|
1
|
1
|
х
|
x
|
x
|
x
|
x
|
x
|
x
|
х
|
0
|
1
|
0
|
1
|
1
|
1
|
0
|
|
К9
|
0
|
1
|
0
|
1
|
1
|
Стоп
|
0
|
1
|
1
|
0
|
1
|
0
|
0
|
1
|
0
|
1
|
0
|
1
|
1
|
0
|
1
|
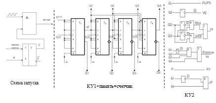
4. Создание
(синтез) УУ - устройства, выполняющего команды V0-V7.
a) Структурная схема УУ.
Управляющее устройство содержит комбинационные устройства КУ1 и КУ2,
память и схему запуска.
Комбинационное устройство КУ1 формирует сигналы q1, q2, q3, q4 управляющие триггерами T1, T2, T3, Т4
памяти УУ, что обеспечивает переход УУ из состояния a0 в состояние a1, из a1 в a2 и т.д.
Рисунок 2 - Структурная схема УУ.
б) Считаем, что переключающее устройство строится на триггерах с выходами
Q. Определю необходимое количество
триггеров для выполнения всех команд:
,
где
М - количество рабочих состояний (тактов).
Также
учитывается 1 состояние покоя.
,т.е. m=4.
После
подачи импульса запуска КА должен отработать полный рабочий цикл, выдавая на каждом
из тактов требуемые уровни выходных сигналов V1 - V7. В
конце 9 такта КА должен сформировать сигнал W=1 сброса,
которым он будет переведен в состояние покоя.
в) Составляю таблицу функционирования УУ.
Таблица 3.
|
Такт (состояние)
|
Текущее состояние КА
|
Выходные сигналы
|
|
Q4
|
Q3
|
Q2
|
Q1
|
V5
|
V4
|
V3
|
V2
|
V1
|
V6
|
V7
|
W
|
|
0
|
0
|
0
|
0
|
0
|
X
|
X
|
X
|
X
|
X
|
X
|
Х
|
|
1
|
0
|
0
|
0
|
1
|
0
|
0
|
0
|
1
|
1
|
0
|
1
|
0
|
|
2
|
0
|
0
|
1
|
0
|
0
|
0
|
1
|
0
|
0
|
1
|
0
|
0
|
|
3
|
0
|
0
|
1
|
1
|
0
|
0
|
1
|
0
|
1
|
0
|
1
|
0
|
|
4
|
0
|
1
|
0
|
0
|
0
|
0
|
1
|
1
|
0
|
1
|
0
|
0
|
|
5
|
0
|
1
|
0
|
1
|
0
|
0
|
1
|
1
|
1
|
0
|
1
|
0
|
|
6
|
0
|
1
|
1
|
0
|
0
|
1
|
0
|
0
|
0
|
1
|
0
|
0
|
|
7
|
0
|
1
|
1
|
1
|
0
|
1
|
0
|
0
|
1
|
0
|
1
|
0
|
|
8
|
1
|
0
|
0
|
0
|
0
|
1
|
0
|
1
|
0
|
1
|
0
|
0
|
|
9
|
1
|
0
|
0
|
1
|
0
|
1
|
0
|
1
|
1
|
0
|
1
|
1
|
|
10-15
|
Остальные
|
Х
|
Х
|
Х
|
Х
|
Х
|
Х
|
Х
|
Х
|
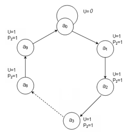
г) Алгоритм работы КА можно представить и в виде графа:
Рисунок 3
Здесь а1…а9 - рабочие состояния КА, а0 - состояние покоя.
д) Построю комбинационное устройство КУ, которое
вырабатывает сигналы V1-V7 и W, имея на входах сигналы Q1-Q4. Т.е.
синтезирую счетчик на основе JK-триггеров.
Таблица 4
|
Такт J
|
Предшествующие состояния
триггеров (входные сигналы КУ1) на j-такте
|
Последующие состояния
триггеров на (j+1)-такте
|
Выходные сигналы КУ1
(управляющие триггерами) на j-такте
|
|
Q4(tj)
|
Q3(tj)
|
Q2(tj)
|
Q1(tj)
|
Q4
|
Q3
|
Q2
|
Q1
|
q4
|
q3
|
q2
|
q1
|
|
0
|
0
|
0
|
0
|
0
|
0
|
0
|
0
|
1
|
0
|
0
|
0
|
1
|
|
1
|
0
|
0
|
0
|
1
|
0
|
0
|
1
|
0
|
0
|
0
|
1
|
1
|
|
2
|
0
|
0
|
1
|
0
|
0
|
0
|
1
|
1
|
0
|
0
|
0
|
1
|
|
3
|
0
|
0
|
1
|
1
|
0
|
1
|
0
|
0
|
0
|
1
|
1
|
1
|
|
4
|
0
|
1
|
0
|
0
|
0
|
1
|
0
|
1
|
0
|
0
|
0
|
1
|
|
5
|
0
|
1
|
0
|
1
|
0
|
1
|
1
|
0
|
0
|
0
|
1
|
1
|
|
6
|
0
|
1
|
1
|
0
|
0
|
1
|
1
|
1
|
0
|
0
|
0
|
1
|
|
7
|
0
|
1
|
1
|
1
|
1
|
0
|
0
|
0
|
1
|
1
|
1
|
1
|
|
8
|
1
|
0
|
0
|
0
|
1
|
0
|
0
|
1
|
0
|
0
|
0
|
1
|
|
9
|
1
|
0
|
0
|
1
|
X
|
X
|
X
|
X
|
X
|
X
|
X
|
X
|
|
10/15
|
остальные
|
Х
|
X
|
X
|
X
|
Х
|
X
|
X
|
X
|
е) По таблице 4 составляю комбинационную схему в СДНФ. Видно, что q1=1. Выпишу СДНФ для q2,q3,q4 и минимизирую
их с помощью карт Карно-Вейча.
Для
минимизации выражений также использую безразличные состояния Х.
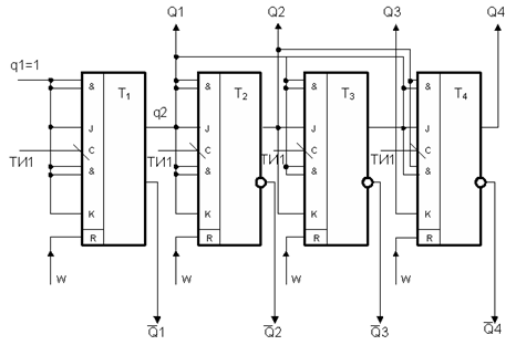
Для формирования сигналов q1, q2 ,q3, q4 использую встроенную логику ЗИ JK- триггеров. В результате память КА,
вместе с КУ1 превратится в счетчик с параллельным переносом. Комбинационное
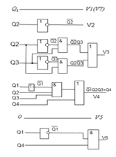
устройство КУ2, имея на своих входах сигналы Q1, Q2, Q3, Q4 должно формировать выходные сигналы V1, V2,…V7, W согласно таблице 3. Формулы для МДНФ выходных
переменных V1, V2,…V7, W позволяют построить принципиальную схему КУ2, чем и
завершается синтез УУ.
Рисунок 4 - Схема синтезированного устройства КУ1 - счетчика с
параллельным переносом
ж) Аналогично составляю функции для V1-W в СДНФ и
синтезирую КУ2,используя таблицу 3.
1=V7
Минимизирую
выражения с помощью карт Карно-Вейча:
Получаю
МДНФ:
Рисунок
5 - Схема КУ2
з)
Строю схему запуска и сброса.
Рисунок 6 - Схема запуска
микрокалькулятор счетчик вычислитель триггер
КА работает в том случае, если на его вход подаются тактовые импульсы ТИ,
которые считаются счетчиком и заставляют его срабатывать. Таким образом, должна
присутствовать схема запуска, которая подает ТИ от генератора на УУ. Еe выключение прекращает подачу ТИ.
Схема запуска и сброса может быть организована на ЛЭ "И" и RS-триггере (рис.6). Если на вход S триггера подать запускающий импульс,
то на выходе Q появляется 1 и открывает схему
"И". Когда вырабатывается команда СТОП, на вход R триггера подается сигнал W=1, на выходе Q появляется 0, и схема "И"
перестает пропускать ТИ. Одновременно сигнал W подается на R-асинхронные
входы триггеров, осуществляя их сброс (обнуление).
Рисунок 7 - Общая схема УУ
и) Проведу
контрольные расчеты в двоичной системе счисления по заданной функции
вычислителя.

Литература
1. Цифровая
и вычислительная техника/Под ред. Э.В. Евреинова. - М.: Радио и связь, 1991. -
464 с.
2. Каган
Б.М. Электронные вычислительные машины и системы. - М.: Энернгоатомиздат, 1991.
- 592 с.
. Скворцов
Г.И. Вычислительная техника и информационные технологии -МТУСИ М. 2004 - 40 с.