Автоматизація процесу регулювання рівня в деаераторі підживлення в системі продування-підживлення 1-го контуру

  • Вид работы:
    Дипломная (ВКР)
  • Предмет:
    Другое
  • Язык:
    Украинский
    ,
    Формат файла:
    MS Word
    1,29 Мб
  • Опубликовано:
    2014-08-15
Вы можете узнать стоимость помощи в написании студенческой работы.
Помощь в написании работы, которую точно примут!

Автоматизація процесу регулювання рівня в деаераторі підживлення в системі продування-підживлення 1-го контуру

Вступ

В наш час дуже стрімко розвивається автоматизація технологічних процесів, відбувається освоєння провідних технологій. Все більше увагу приділяють автоматизації на мікропроцесорних і мікроконтролерних засобах автоматизації.

Метою даної роботи є автоматизація процесу регулювання рівня в деаераторі підживлення в системі продування-підживлення 1-го контуру. Для ефективного вирішення поставленої мети необхідно вирішити наступні задачі:

1)      Дослідити технологічний процес регулювання рівня в деаераторі підживлення системи продування-підживлення 1-го контуру;

2)      Визначити оптимальні значення параметрів контролю, сигналізації, блокування, регулювання необхідні для автоматизації даного технологічного процесу і розробити функціональну схему автоматизації;

)        Дослідити математичну модель системи автоматичного регулювання (САР) для одного із контурів регулювання рівня в деаераторі підживлення даного технологічного процесу;

)        Запроектувати САР рівня води в деаераторі підживлення системи продування-підживлення 1-го контуру з використанням сучасних засобів автоматики;

)        Перевірити економічну доцільність запроектованих заходів з автоматизації дослідженого технологічного процесу шляхом проведення техніко-економічних розрахунків.

1. Технологічна схема процесу деаерації

1.1 Коротка характеристика підприємства

деаератор підживлення продування

Рівненська АЕС була побудована однією з перших на Україні. Будівництво було почате в 1973 році. Розширення її передбачається енергоблоками типу ВВЕР. Два перші енергоблоки АЕС сумарною потужністю 880 МВт введені в експлуатацію в 1980-1981 роках, третій енергоблок потужністю 1000 МВт - в 1986 році, а четвертий енергоблок потужністю 1000 МВт в 2004 році.

На всіх енергоблоках Рівненської АЕС встановлені водо-водяні реактори, в яких звичайна хімічно знесолена вода служить одночасно і сповільнювачем нейтронів і теплоносієм, що відводить тепло, яке виділяється при діленні ядер урану в працюючому реакторі.

Заміна вигорілих тепловиділяючих збірок проводиться на зупиненому і ущільненому реакторі. Графіком перевантаження передбачається почергова зупинка реакторів, причому зазвичай перевантаження виконується у весінньо - літній період, коли навантаження енергосистеми мінімальне.

Електроенергія першого і другого блоків видається споживачам по лініях, напругою 110 і 330 кВ. Генератори третього і четвертого блоку підключені до шин відкритого розподільчого пристрою ВРП 330-750 кВ.

Система технічного водопостачання забезпечує охолоджування конденсаторів турбін, допоміжного обладнання турбогенераторів, теплообмінного обладнання реакторної установки і обладнання інших допоміжних систем, заповнення втрат води.

Майданчик Рівненської АЕС розташований в північно-західній частині Володимирецького району Рівненської області на правому березі річки Стир з абсолютною відміткою 188,5 м і піднімається над прилеглою територією на 18 - 25 м. Район Рівненської АЕС знаходиться в зоні помірного клімату, що характеризується м'якою і вологою зимою, відносно прохолодним і дощовим літом, сирою осінню і нестійкою погодою в перехідні сезони року.

1.2 Опис технологічної та машинно-апаратурної схеми технологічного процесу, алгоритм його функціонування

Об’єктом контролю вибраний деаератор підживлення (ДП) системи продування-підживлення 1-го контуру двоконтурної схеми АЕС. За прототип прийнятий третій енергоблок Рівненської АЕС.

Технологічна схема реакторного відділення (перший контур) включає в себе реактор типу ВВЕР-1000 (водо-водяний енергетичний реактор), головні циркуляційні петлі та ряд зв’язаних між собою систем. В кожну із петель (яких чотири) входить: головний циркуляційний трубопровід 990х70 (ГЦТ), головний циркуляційний насос ГЦН-195М, парогенератор ПГВ-1000.

Реактор типу ВВЕР-1000 корпусного типу, на теплових нейтронах з паливом з двоокису урану (UO2) малого збагачення, активна зона якого, з внутрішньокорпусними пристроями, розміщена в товстостінному металевому корпусі. Разом з механічною системою регулювання використовується борне рідинне регулювання і вигоряючі поглиначі. При здійснені цепної реакції ділення урану в об’ємі паливних таблеток ТВЕЛ (тепло виділяючого елемента) рівномірно виділяється тепло, яке передається воді першого контуру.

ГЦН-195М - вертикальний, центробіжний, одноступінчатий насос з блоком торцевого ущільнення вала, консольним робочим колесом, осьовим підведенням теплоносія, що перекачується та виносним електродвигуном. ГЦН забезпечує циркуляцію теплоносія через реактор.

Парогенератор типу ПГВ-1000 - горизонтальний, однокорпусний, з зануреною в воду другого контуру трубчатою поверхнею теплообміну і встроєними паросепараційними пристроями. Парогератор здійснює передачу тепла від теплоносія першого контуру воді другого контуру.

ГЦТ забезпечує з’єднання основного обладнання першого контуру з реактором і здійснює циркуляцію теплоносія від реактора до парогенератора й через ГЦН знову до реактора.

До однієї з циркуляційних петель першого контуру приєднаний компенсатор тиску, для створення і підтримки в першому контурі тиску води в даному інтервалі (при температурному розширенні), а також для обмеження відхилень тиску в аварійних і перехідних режимах.

Крім перерахованого головного обладнання до системи нормальної експлуатації входить ряд допоміжних систем, серед яких, при нормальній роботі РУ (реакторної установки), перше місце займає система продування-підживлення (яка згідно проектних даних має латинську абревіатуру ТК).

Призначення системи продування-підживлення 1-го контуру

Робота реакторної установки неможлива без відновлення дуже незначних, але неминучих втрат теплоносія першого контуру. Головні циркуляційні насоси ГЦН-195М з торцевим ущільненням обертового вала, що застосовуються в уніфікованих проектах ВВЭР-1000, вимагають організації подачі замикаючої води для охолодження й змащення ущільнення, а також надійного запобігання протікань води першого контуру з насоса. Крім того при роботі РУ завжди є необхідність здійснювати коректування ВХР (водо-хімічного режиму) теплоносія 1 контуру й введення в перший контур різних технологічних середовищ і хімічних реагентів. Для виконання зазначених вище завдань на блоці АЕС із ВВЭР-1000 є система продування-підживлення.

Використовуючи дану систему можна:

·      підвищити концентрацію борної кислоти в активній зоні реактора до концентрації, яка забезпечує зупинку реактора і підтримку реактора в підкритичному стані;

·        зменшити концентрацію борної кислоти в активній зоні реактора при проведені водообміну 1 контуру на етапі виходу на МКУ (мінімально контрольований рівень) і при зміні потужності РУ.

Завдання безпеки.

Система виконує наступні завдання безпеки:

·      введення хімічного поглинача нейтронів (розчину борної кислоти H3BO3) після спрацьовування аварійних захистів реактора, або при аварійних ситуаціях, що не викликають спрацьовування цих захистів, але потребують зупинки реактора й доведення концентрації H3BO3 в теплоносії 1 контуру до стояночної,

·        компенсацію малих протікань при аваріях з розщільненням, яке не досягає меж спрацьовування систем безпеки й компенсується роботою насосів підживлення,

·        підтримку підкритичності реактора в «холодному» й «гарячому» станах,

·        забезпечення працездатності обладнання, важливого для безпеки (ГЦН, КТ),

·        перевірку на щільність і міцність ГЦТ й обладнання 1 контуру,

·        подача підживлюючої води в автономний контур ГЦН в аварійних режимах.

Завдання нормальної експлуатації.

Система виконує наступні завдання нормальної експлуатації:

·  заповнення або дозаповнення 1-го контуру розчином борної кислоти,

·        підтримку матеріального балансу теплоносія 1-го контуру,

·        компенсацію повільних змін реактивності, викликаних вигорянням і отруєнням палива,

·        дегазацію й повернення організованих протікань теплоносія в перший контур,

·        корегування показників водно-хімічного режиму відповідно до норм,

·        проведення гідравлічних випробувань 1-го контуру на тиск до 200 кгс/см2,

·        подачу замикаючої води на ущільнення ГЦН,

·        розхолоджування компенсатора тиску при непрацюючих ГЦН,

·        початкове заповнення гідроємкостей САОЗ (система аварійного охолодження зони).

Система продування-підживлення 1-го контуру забезпечує наступну швидкість зміни концентрації борної кислоти H3BO3 у теплоносії 1-го контуру:

·  при зниженні концентрації - не менше 20% за годину від поточної,

·        при збільшенні концентрації - не менше 3 г H3BO3 на кг H2O при поточній концентрації 8 г H3BO3 на кг H2O.

Система продування-підживлення по призначеню відноситься до систем нормальної експлуатації.

У границях герметичної оболонки по лінії продування й від зворотного клапана на загальній лінії підживлення до ГЦТ система є системою важливої для безпеки (відмова в цій частині може викликати вихідну подію аварії).

Склад системи

Система ТК складається з наступних функціональних груп:

·      дегазації й деаерації теплоносія ТК10,

·        підживлюючих агрегатів ТК20,

·        трубопроводів підживлення ТК30 і ТК40,

·        трубопроводів подачі замикаючої води ГЦН ТК50,

·        зворотних ліній замикаючої води ГЦН ТК60,

·        деаерації й подачі «чистого» конденсату ТК70,

·        виводу теплоносія з 1-го контуру ТК80,

·        маслосистеми підживлюючих агрегатів ТК90.

Оскільки в даній роботі буде розглядатися регулювання рівня в ДП (деаераторі підживлення) ТК10В01 то розглянемо групу ТК10, та групу ТК70 для розгляду всіх режимів роботи в яких задіяний ДП.

Група дегазації й деаерації теплоносія TK10.

Група дегазації й деаерації теплоносія TK10 призначена для дегазації теплоносія I контуру й організованих протікань, що надходять із бака оргпротікань (організованих протікань), і подачі робочого середовища у всмоктуючий колектор підживлюючих агрегатів.

Група містить в собі:

·      деаератор підживлення TK10B01;

·        регенеративний теплообмінник TK11W01;

·        доохолоджувач підживлюючої води TK12W01;

·        регулятори тиску в деаераторі підживлення TKC10,12 з регулювальними клапанами TK10S05, TK70S05;

·        регулятори рівня в деаераторі підживлення TKC13,14,20 з регулювальними клапанами TK13,14S02; TK20S04 відповідно;

·        запірні арматури;

·        трубопроводи.

Група деаерації й подачі «чистого» конденсату TK70.

Група TK70 призначена для дегазації «чистого» конденсату, який надходить від насосів TN21 (22, 23) D01, що подається на всмоктування підживлюючих агрегатів.

Група містить у собі:

·   деаератор борного регулювання TK70B01;

·        охолоджувач випару деаератора борного регулювання TK70W01;

·        охолоджувачі «чистого» конденсату TK71W01, TK70W02;

·        регулятор тиску в деаераторі борного регулювання TKC70 з регулювальним клапаном TK70S05;

·        регулятор рівня в деаераторі борного регулювання TKC71 з регулювальним клапаном TK70S02;

·        запірні арматури;

·        трубопроводи.

Процес деаерації

Деаерація рідини - це процес видалення (десорбція) з рідини розчинених в ній газів - використовується в енергетиці для видалення з живильної (живлення основного контуру) розчинених в ній корозійно-активних газів (оксигену О2 і вуглекислого газу СО2). Це один з основних методів боротьби з корозією в трубах пароводяного тракту і технологічному обладнані електростанцій.

Норма вмісту оксигену і вуглекислого газу у воді залежить від параметрів установки - тиску і температури. При підвищенні тиску і температури корозійна активність О2 і СО2 зростає, тому норма допустимої залишкової концентрації газів у воді при підвищенні параметрів блокового устаткування посилюється.

Принцип деаерації.

Відомо декілька способів деаерації води:

·         хімічна деаерація;

·        десорбційне знекиснення;

·        термічна деаерація.

У промислових і перш за все в енергетичних установках найбільш поширений спосіб термічної деаерації води.

- вміст оксигену у воді;

- парціальний тиск водяної пари;

- парціальний тиск оксигену;

- парціальний тиск повітря.

Рис. 1.1. Залежність парціального тиску повітря, оксигену і водяної пари та розчинності оксигену від температури води при атмосферному тиску

Суть процесу заключається в наступному. Оскільки парціальний тиск пари рідини над поверхнею розчину при температурі насичення досягає тиску в системі, а парціальний тиск розчинених газів над поверхнею розчину рівний нулю, то і зрівноважена концентрація газу на межі розділу фаз в рідині також виявляється рівна нулю. При цьому різниця концентрацій компоненту в рідині і на межі розділу фаз виявляється максимальною, що забезпечує максимальну рушійну силу дифузії газу з рідкої фази в газоподібну (парову). На цій властивості нагрітих розчинів заснований і принцип термічної деаерації.

При підігріві рідини до температури насичення парціальний тиск розчиненого в рідині газу над поверхнею розчину знижується до нуля.

Згідно закону Генрі, також знижується і зрівноважена концентрація на межі розподілу фаз. Виділення газу з рідкого середовища в парове відбувається унаслідок різниці фактичної і зрівноваженої концентрацій компоненту.

У енергетиці для термічної деаерації води застосовуються деаератори.

Призначення деаератора підживлення

Деаератор підживлення ТК10В01 дегазує теплоносій першого контуру, що надходить із ліній продування й організованих протікань 1-го контуру.

Деаератор підживлення ТК10В01 також дегазує «чистий» конденсат і боровану воду, що надходять у деаератор до подачі в перший контур. Крім того, він виконує функцію демпферної ємкості у всмоктуючий патрубок підживлюючих насосів.

У деаераторі здійснюється виділення оксигену й гідрогену з теплоносія 1-го контуру, а також розведення гідрогену водяною парою або азотом до вибухобезпечної концентрації.

Поряд із глибоким виділенням оксигену й гідрогену, апарат дозволяє виділити з контурної води розчинені в ній РІГ (радіоактивні інертні гази): криптон, ксенон і інші (попадають у теплоносій 1-го контуру з тепловиділяючих елементів касет, що мають газову нещільність).

З «чистого» конденсату й борованої води, що подаються на підживлення деаератора в основному здійснюється виділення оксигену, вуглекислого газу й інших газів.

Деаератор борного регулювання ТК70В01 дегазує «чистий» конденсат, що надходить від насосів дистиляту.

Деаератор TK10В01 призначений для дегазації (при роботі системи з термічною деаерацією з подачею пари від системи паропроводів власних потреб RQ (2-й контур)):

) теплоносія, виведеного з 1-го контуру, з витратою від 6 до 60 м3/год.;

) організованих протікань з бака-приямка ТY20В01 з витратою від 6 до 60 м3/год.;

) замикаючої води, що зливається з ущільнень ГЦН із витратою до 5 м3/год.;

) чистого конденсату, що подається від TN21 (22, 23) D01;

) боровмісної води, що подається в перший контур від ТВ30Д03.

В деаераторі підживлення здійснюється виведення гідрогену з теплоносія 1-го контуру, а також розведення гідрогену азотом до вибухобезпечної концентрації. Поряд із глибоким видаленням гідрогену, апарат виводить із води розчинені в ній інертні гази, оксиген, вуглекислоту.

Порушення роботи в деаераційній установці.

Існують два основні порушення при роботі деаераційної установки:

1.       зміна тиску в деаераторі;

2.      зміна рівня в деаераторі.

Розглянемо їх вплив на працездатність блоку. До зміни тиску в деаераторі може привести несправність регулятора (його клапана), або зміна витрати гріючої пари з системи RQ 2-го контуру, що надходить в деаератор, або нерегламентована робота запобіжних пневмовідсічних клапанів.

Підвищення тиску пари в деаераторі приводить до спрацьовування запобіжних пневмовідсічних клапанів. Щоб унеможливити заклинювання клапана у відкритому положенні зроблено дублювання клапанів у кількості трьох штук на лінії надходження підживлюючої води з 1-го контуру. Також перекриваються заслінки на лінії подачі гріючої пари з системи RQ 2-го контуру.

У випадку не своєчасного спрацьовування захисту деяка кількість теплоносія може бути скинута в баки борвмісної води ТВ30В01,02 при збільшені рівня води в ДП більше допустимої (2620 мм).

Зниження тиску пари в деаераторі може привести до:

·                      скипання води у всмоктуючому трубопроводі живильних насосів;

·        виникненню кавітаційного режиму;

·        спрацьовування захисту на відключення підживлюючого агрегату.

Підвищення рівня в деаераторі може привести до:

·                      відключення підживлюючого агрегату.

Відключення (відмова) підживлюючого агрегату призводить до переведення енергоблоку на «гарячу» зупинку, тому даний агрегат продубльований в кількості трьох штук на лінії подачі підживлюючої води в перший контур.

Опис технологічної схеми

Загальна технологічна схема системи продування-підживлення 1-го контуру АЕС показана на листі 1.

Продування першого контуру

Підтримка певної чистоти теплоносія 1-го контуру вимагає безперервного виведення домішок, тому що за рахунок корозії конструкційних матеріалів обладнання 1-го контуру їхнє нагромадження відбувається безупинно.

Виведення домішок з 1-го контуру здійснюється шляхом організації продування частини теплоносія 1-го контуру і його очищення на іонообмінних фільтрах установки СВО-2.

Підгрупа продування включає систему трубопроводів продування, регенеративний теплообмінник ТК80W01, доохолоджувач ТК80W02, регулятори витрати й тиску продувальної води TKC01,02 з регулювальними клапанами TK81S02 і TK82S02.

Теплоносій першого контуру надходить у систему ТК із «холодних» ниток 2-ї і 3-ї петель ГЦТ, із трубопроводу подачі теплоносія на СВО-1 на напорі ГЦН через обмежувальні вставки TK82,83H01, виконані у формі сопла Лаваля, по загальному колекторі Ду100 до регенеративного теплообмінника TК80W01.

Теплоносій протікає через міжтрубний простір регенеративного теплообмінника ТК80W01, де він передає тепло потоку підживлення, що проходить по трубах теплообмінника.

Потім теплоносій входить у доохолоджувач ТК80W02, де відбувається його остаточне охолодження водою промконтура до 25÷45°С із за умови термостійкості аніоніту фільтрів установки СВО-2.

Регулювальні клапани TK81,82S02, розташовані за доохолоджувачем, підтримують задану витрату продування (при включеному регуляторі витрати продування TKC01) або заданий тиск у першому контурі (при включеному регуляторі підтримки тиску TKC02) і одночасно знижують тиск теплоносія продування до величини не більше 20 кгс/см2 (1,96 МПа).

Зниження параметрів теплоносія продування необхідне, щоб запобігти ушкодженню обладнання системи СВО-2.

Теплоносій проходить через ПВА (пневмовідсічну арматуру) розташовану усередині гермооболонки, через проходку гермооболонки, виходить із проходки й проходить через дві ПВА, розташовані поза гермооболонкою.

По трубопроводі Ду100 теплоносій подається на фільтри установки очищення продувальної води 1-го контуру СВО-2 для очищення від іонних домішок.

Зазвичай потік продування проходить через один катіонітовий і один аніонітовий фільтри однієї ланки СВО-2.

Після очищення на іонообмінних фільтрах системи СВО-2 теплоносій направляється по трубопроводі Ду100 у трубний простір регенеративного теплообмінника TK11W01 і далі в деаератор ТК10В01. При роботі деаератора в паровому (гарячому) режимі продувальна вода підігрівається в регенеративному теплообміннику ТК11W01 за рахунок відбору тепла у виведеного із цього деаератора дегазованого потоку. У цей же трубопровід до регенеративного теплообмінника врізаний трубопровід Ду50 для зливу напірних протікань з ущільнень ГЦН.

Якщо тиску теплоносія в першому контурі недостатньо для проходження потоку через систему СВО-2, то потік продування може бути спрямований у систему організованих протікань TY через трубопровід з арматурами TK80S05, S07.

Крім того передбачена байпасна лінія СВО-2 з арматурами TE00S01 для організації потоку продування крім СВО-2 у деаератор TK10B01. Ця лінія використовується в основному при водообміні з великою витратою теплоносія.

Підживлення першого контуру

Дегазований теплоносій після деаератора TK10B01 (або TK70B01) надходить через регенеративний теплообмінник TK11W01 (або ТК70W02 для TK70B01) і доохолоджувач підживлення, TK12W01 на всмоктування підживлюючих агрегатів TK21,22,23D01,02. (Доохолоджувач TK12W01 вводиться в роботу у випадку, коли охолоджуючої потужності регенеративного теплообмінника ТК11W01 недостатньо).

Три паралельних відцентрових підживлюючих насосних агрегати (один із яких знаходиться в роботі, другий - в резерві, третій - у резерві або в ремонті) забезпечують подачу теплоносія з витратою від 10 м3/год. до 60 м3/год. в перший контур і на ущільнення ГЦН.

Кожний підживлюючий насосний агрегат складається з бустерного насоса ТК21 (22,23) D01, і основного відцентрового підживлюючого насоса ТК21 (22,23) D02.

При нормальних умовах експлуатації один підживлюючий насосний агрегат забезпечує подавання необхідної кількості підживлюючої води в перший контур і на ущільнення ГЦН.

Якщо потужності працюючого підживлюючого агрегату недостатньо для створення необхідної витрати, у роботу вводиться резервний підживлюючий агрегат.

Витрата підживлення регулюється автоматично регулятором YPС02 (штатний), який, впливаючи на регулювальний клапан TK31 (32) S02, забезпечує підтримку рівня в КТ відповідно до максимальної середньої температури 1-го контуру, а регулятор гідромуфти TKC21 (22,23) підтримує заданий перепад тиску між напором працюючого підживлюючого насоса й першим контуром рівним 24 ÷ 30 кгс/см2 (2,35 ÷ 2,94 МПа).

Гідромуфта регулює швидкість обертання основного відцентрового підживлюючого насоса для узгодження напору й продуктивності.

При збільшенні (зменшенні) витрати в напірній магістралі підживлення внаслідок відкриття (закриття) регулювального клапана TK31 (32) S02, регулятор ТКС21 (22,23) підвищує (знижує) число обертів гідромуфти й, зміщає вгору (вниз) витратну характеристику підживлюючого насоса для підтримки постійного, заданого перепаду тиску між напором підживлюючого агрегату й першим контуром.

Якщо потужності працюючого підживлюючого агрегату недостатньо для створення необхідної витрати, в роботу вводиться резервний підживлюючий агрегат.

У стаціонарних умовах витрата підживлення першого контуру й подавання замикаючої води на ущільнення ГЦН рівняється витраті продування і витраті зворотньої лінії замикаючої води (напірних протікань).

З напору працюючого підживлюючого агрегату потік підживлюючої води направляється в напірний колектор підживлення Ду100.

З напірного колектора частина води (близько 8 м3/год.) відводиться по трубопроводу Ду50 до ущільнень ГЦН.

Основний потік підживлення проходить через вузол регулювальних клапанів ТК31,32S02, які управляються автоматичними регуляторами, що підтримують рівень у компенсаторі тиску відповідно до заданого алгоритму.

Потім потік підживлення подається через дві ПВА, розташовані поза гермооболонкою, через проходку гермооболонки, через ПВА, розташовану всередині гермооболонки до регенеративного теплообмінника TK80W01, де протікаючи по трубному просторі підігрівається потоком продування, що проходить через міжтрубний простір.

Для захисту регенеративного теплообмінника від переобпресування передбачена лінія із дросельною шайбою TK40E03, що з'єднує трубопроводи продування й підживлення в невідсічній від РТО (регенеративного теплообмінника) частині.

Підігрітий у регенеративному теплообміннику теплоносій підживлення проходить через дві паралельних лінії з электроприводними клапанами TK40S06, S07 і подається по окремих трубопроводах Ду50 через обмежувальні вставки TK45H01¸04 у кожну із чотирьох холодних петель першого контуру.

Борне регулювання

Борне регулювання використовується для компенсації повільних змін реактивності таких, як вигоряння палива, шлакування й отруєння ксеноном у режимі зниження навантаження.

Борне регулювання є важливим засобом керування реактором. Система ТК надає можливість для зміни концентрації борної кислоти в першому контурі.

Концентрація борної кислоти в підживлюючому потоці постійно контролюється на напірному колекторі підживлюючого насосного агрегату.

Система ТК забезпечує швидкість зміни концентрації борної кислоти не менш 20% за годину при зменшенні концентрації й не менш 3 г/кг за годину при збільшенні концентрації.

Водообмін з введенням бору.

Введення бору - це процес підвищення концентрації бору в першому контурі. Введення борної кислоти в перший контур може проходити з різною швидкістю. Подача борної кислоти з низькими витратами компенсує повільні ефекти реактивності, викликані розотруєням активної зони. Введення борної кислоти з більшими витратами використовується для створення стояночної концентрації борної кислоти в першому контурі.

Для швидкого збільшення концентрації борної кислоти в першому контурі при нормальних процесах підживлення й продування концентрат борної кислоти подається в всмоктувальну лінію підживлюючих агрегатів з баків зберігання борної кислоти ТВ10В01 або ТВ10В02 спеціальними насосами борного концентрату ТВ10D02 (D03, D04).

Використання системи борного регулювання разом з механічними органами регулювання дає можливість поліпшити рівномірність енерговиділення по об'єму активної зони реактора й підвищити маневреність блоку.

При введенні бору, теплоносій з деаератора ТК10В01 скидається в баки «брудного» конденсату ТВ30В01 або ТВ30В02 через регулювальний клапан ТК20S04. Рівень у деаераторі ТК10В01 у цьому випадку підтримується регулятором рівня ТКС20.

При необхідності створити витрату концентрату борної кислоти від 7 м3/год. до 10 м3/год. відкривається один клапан на лінії подачі борної кислоти ТВ10S24 і включається один насос борного концентрату ТВ10D02 (03,04).

При необхідності витрати до 60 м3/год. додатково відкриваються клапани на лінії подачі ТВ10S25 і ТВ10S26 і включаються два-три насоси борної кислоти.

Після завершення введення бору система ТК перемикається в нормальний режим підживлення-продування.

Аварійне введення бору.

При надходженні сигналу АЗ (аварійного захисту) розчин борної кислоти з концентрацією 40 г./кг подається на всмоктування підживлюючого агрегату насосами борного концентрату ТВ10D02 (D03, D04) з витратою до 60 м3/год. Витрата подачі розчину борної кислоти визначається оператором відкриттям відповідних арматур на напірній «гребінці» насосів ТВ10D02 (D03, D04).

Водообмін з виведенням бору.

Виведення борної кислоти з першого контуру може здійснюватися з різною швидкістю. Швидкість виведення борної кислоти визначається оператором відповідно до інструкцій по експлуатації РУ.

Водообмін здійснюється переведеням деаератора продування ТК10В01 на скидання в баки «брудного» конденсату ТВ30В01, (02) через регулювальний клапан ТК20S04 і подачі «чистого» конденсату з ДБР (деаератора борного регулювання) ТК70В01 на всмоктування підживлюючого агрегату.

Після завершення водообміну система ТК перемикається в нормальний режим підживлення-продування.

Повільний водообмін може здійснюватись додаванням дистиляту в деаератор ТК10В01 через клапан ТК13S02.

Взаємозв'язки системи продування-підживлення з іншими системами

Система продування - підживлення має гідравлічні зв'язки з наступними системами:

· системою оргпротікань (TY);

· системою дистиляту (TN);

· системою борного концентрату й борвмісних вод (TB10, TB30);

· системою хімреагентів (TB20);

· системою допалюваня гідрогену (TS10);

· системою пробвідбору (TV);

· системою спецканалізації (TZ);

· системою гідровипробувань першого контуру (UE).

У систему оргпротікань зливаються протікання через трубопроводи ревізії вузлів відсікання трубопроводів високого тиску від низького.

Так само передбачена лінія виводу теплоносія в бак оргпротікань із засувками TK80S05, S07.

Насосами системи TY зібрані протікання повертаються в деаератор TK10B01.

Із системою дистиляту система продування-підживлення зв'язана через ДБР TK70B01, що з'єднаний трубопроводом Ду150 і засувками TK70S10, S11, S14 з усмоктувальним колектором підживлюючих насосів. Ця лінія використовується при проведенні розімкнутих водообмінах.

Крім того, з напірного колектора насосів дистиляту передбачений трубопровід Ду32 із засувками TK13S01,03,04 і регулювальним клапаном TK13S02, врізаним у трубопровід продування перед ДП TK10B01. Ця лінія використовується для подачі в систему продування - підживлення дистиляту для компенсації вигоряння палива, компенсації неорганізованих протікань першого контуру, коректування положення регулюючої групи ОР СУЗ.

У баки системи борвмісних вод TB30B01, B02 заведений перелив і дренаж ДП TK10B01. У ці ж баки організований вивід теплоносія через трубопровід із засувкою TK20S03 і регулювальним клапаном TK20S04.

Від напірного колектора насосів борвмісних вод TB30D01, D02, D03 організований трубопровід Ду50 із засувками TK14S01, S03 регулювальним клапаном TK14S02, врізаний у трубопровід продування перед ДП TK10B01. Ця лінія використовується для компенсації неорганізованих протікань першого контуру, коректування положення регулюючої групи ОР СУЗ, подачі в деаератор розчину борної кислоти при першому заповненні й при підтримці номінального обсягу першого контуру в перехідних режимах.

У всмоктувальний колектор підживлюючих насосів врізається трубопровід з вентилем TK20S35 від напірного колектора насосів хімреагентів низького тиску. Напірний трубопровід насоса хімреагентів високого тиску врізаний у напірний колектор підживлюючих насосів.

У всмоктувальний колектор підживлюючих насосів врізається напірний колектор насосів борного концентрату.

У колектор підживлення за вузлом регулювальних клапанів TK31,32S02 врізаний напірний трубопровід насоса гідровипробувань першого контуру UE10D01.

Дренажі й воздушники системи продування-підживлення заведені в трапи системи спецканалізації.

Гази, що виділилися в деаераторі, направляються в систему допалюваня гідрогену.

Для контролю водно-хімічного режиму системи продування-підживлення остання забезпечена трубопроводами відбору проб.

1.3 Основні дані про обладнання та комунікації

ДП розташовується в гермозоні реакторного відділення на відмітці +13,2 в приміщені А423, а ДБР в сусідньому приміщені А424. Регенеративні теплообмінники і доохолоджувач підживлюючої води знаходяться в обстройці реакторного відділення на відмітці +6,6 в приміщені А319. Трубопроводи системи продування-підживлення, проходять у трубопровідних коридорах і шахтах.

Деаератор підживлення ТК10В01

ДП ТК10В01 - вертикальний, атмосферного типу, термічний. Основний тепловий процес у деаераторі зводиться до створення умов, при яких з води, що пройшла через деаератор, практично повністю видаляються розчинені в ній гази. Деаератор являє собою циліндричний апарат, що складається із двох основних елементів:

· вертикального бака-акумулятора (Рис. 1.3. поз. 1) з вбудованим підігрівачем;

· деаераційнної (дегазаційної) колони (поз. 2), встановленої на баку.

Деаераційнна колонка із внутрішнім діаметром 1400 мм встановлена зверху бака-акумулятора соосно з ним і приварена до його верхнього днища. Усередині дегазаційної колони організовані:

· головна (поз. 3) і периферійна (поз. 4) розділюючі камери;

· центральна (поз. 5) і кільцева (поз. 6) струменневі камери;

· мала (поз. 7) і велика (поз. 8) насадочні колони.

Головна розподільна камера утворена циліндричними перегородками (поз. 9,10), малою розподільною тарілкою (поз. 11) і корпусом дегазаційної колони. Периферійна розподільна камера обмежена циліндричними перегородками (поз. 12,13) і великою розподільною тарілкою (поз. 14). Обидві камери з’єднуються через гідрозатвор, утворений перегородками (поз. 10,12) і глухим днищем. Мала насадочна колона, Æ600 мм і висотою 400 мм, розташована в нижній частині обичайки (поз. 15) під центральною струменневою камерою. Над насадкою встановлена провальна розподільна тарілка (поз. 16) із сімома патрубками Æ108х6 для пропуску пари й 54 отворами Æ8 мм для рівномірного розподілу води. Велика насадочна колона, Æ1240 мм і висотою 700 мм, розташована в нижній частині дегазаційної колони під кільцевою струменневою камерою й малою насадочною колоною. Над насадкою встановлена провальна розподільна тарілка (поз. 17) з вісімнадцятьма патрубками Æ159х6 мм для пропуску пари й 414 отворами Æ8 мм для рівномірного розподілу води.

Рис. 1.2. Деаератор. Патрубки обв’язки

Рис. 1.3. Деаератор. Загальний вигляд

Рис. 1.4. Деаератор. Вид А і Ж

Рис. 1.5. Деаератор. Розріз В-В

Для організації ефективного газовидалення у зв'язку з великим діапазоном навантаження й для збільшення площі контакту пари й води в колонці організовані два самостійних контури для великих і малих потоків. У кожний контур входять розподільна й струменева камери, і насадочна колона. В обох колонах як насадка використовуються кільця Рашіга розміром 18 х 18 х 2,5 мм зі сталі 0Х18Н10Т, по поверхні яких стікає плівка деаераційної води, що прогрівається парою, яка рухається вгору (добре розвинена поверхня омивання води парою дозволяє зменшити габарити деаератора). Як опорна конструкція під кільця Рашіга використовуються дві решітки (поз. 18,19) з перфорованих листів, підкріплених ребрами жорсткості. Ці решітки, маючи велику несучу здатність, забезпечують вільний перетин для пропуску води й пари не менш 50%. Мала насадочна колона призначена для роботи з витратою до 9 т/год., при підвищенні витрати частина води, що залишилася, переливається на велику насадочну колону. Потік, що підлягає деаерації через штуцер підведення теплоносія, розташований у верхньому днищі деаераційнної колонки, надходить у головну розподільну камеру. Постійна продуктивність малої насадочної колони забезпечується перфорованою тарілкою з 54 отворами Æ8 мм (невеликий діаметр забезпечує досить значне подрібнення струменів води) і циліндричною перегородкою, що забезпечує необхідний рівень води в розподільній камері. У тому випадку, коли витрата води, що надходить не більше 9 м3/год., що характерно для ДБР при роботі підгрупи TK70 у резерві, рівень у головній розподільній камері не перевищить верхньої межі перегородки, що виключає надходження води в периферійну розподільну камеру. Весь потік дегазується проходячи дрібними струменями через центральну струменеву камеру й далі через малу насадочну колону. Перегородка виключає вихід пари повз малу насадочну колону на розподільній тарілці якої встановлені сім патрубків для проходження випару деаератора. У режимах, коли витрата води перевищує 9 м3/год., тобто практично у всіх режимах роботи ДП, вода через верхній край перегородки, велику розподільну тарілку й периферійну струменеву камеру надходить на велику насадочну колону, обладнану барботажною тарілкою з 414 отворами Æ8 мм для додаткової дегазації. Площа перфорації барботажного листа прийнята такою, що навіть при мінімальному навантаженні деаератора над листом утвориться парова подушка. Це забезпечує контакт всієї води з гріючою парою у барботажному пристрої. Під час руху стікаюча на тарілку вода попередньо нагрівається в периферійній струменевій камері до температури, близької температурі насичення за рахунок конденсації гріючої пари. Вода й гріюча пара, рухаються зустрічними потоками - вода донизу, а пара вгору. Конденсат гріючої пари, приєднується до струменів води, а решта пари проходить далі вгору по висоті колони, забезпечуючи її найкращу вентиляцію, несучи із собою гази, що не конденсуються, які виділилися в процесі деаерації, збільшуючи час перебування в ньому води, що рухається донизу, що поліпшує її прогрівання і деаерацію. Решта пари, що не сконденсувалася, разом з газами (випар ДП до 130 кг/год.) відводиться через штуцер у верхньому днищі деаераційнного стовпчика в охолоджувач випару системи допалювання гідрогену, де пар конденсується, конденсат пари зливається в бак-гідрозатвор і з нього вертається в бак організованих протікань. Бак-акумулятор - вертикальна циліндрична посудина з еліптичними днищами (діаметр 3000 мм, висота 4760 мм). Усередині бака-акумулятора встановлена вертикальна перегородка (поз. 25), сегментна перегородка (поз. 26) і піддон (поз. 27), які ділять весь внутрішній об'єм бака-акумулятора на дві порожнини. Внутрішня порожнина, розташована між перегородками й піддоном, служить для збору води, що надходить із дегазаційної колони деаератора, і організації чіткого циркуляційного контуру для води й пари. При цьому перегородки ділять всю внутрішню порожнину на спускну й піднімальну ділянки контуру циркуляції. Козирок направляє воду, що виходить із дегазаційної колони, тільки в спускну ділянку внутрішньої порожнини. Зовнішня порожнина, що знаходиться між двома вертикальними перегородками, двома похилими перегородками, сегментною перегородкою, піддоном з одного боку, і корпусом бака з іншого, служить для скидання продегазованного конденсату. У нижній частині бака-акумулятора між перегородками (поз. 25) розташований підігрівач, виготовлений з 179 U-подібних труб, Æ 18х2,5 мм, завальцьованних у трубну дошку, приварену до патрубка на корпусі бака. Трубна дошка закрита кришкою-камерою, що розділена перегородкою на дві частини. Ущільнення перегородки на трубній дошці - метал по металу. У верхню частину камери підводиться пар із системи RQ, конденсат відводиться з нижньої камери в конденсатну лінію системи RQ і далі в турбінне відділення. У баку-акумуляторі організований циркуляційний контур для деаерованної води. Вода з деаерацінного стовпчика направляється козирком в спускну ділянку внутрішньої порожнини бака, барботується парою, проходить трубний пучок і через отвір у поперечній перегородці виходить у зовнішню порожнину. Для виключення підмішування не дегазованої води до води, що пройшла всі стадії деаерації, рівень у баку-акумуляторі підтримується нижче верху перегородки. Підживлююча вода відводиться з нижньої частини бака-акумулятора. Деаератор забезпечує деаерацію потоків, що надходять у наступних режимах:

·   номінальному;

·   борного регулювання при введенні й виведені бору;

·   аварійному при введенні бору.

ДП забезпечує гарну деаерацію й дегазацію потоків з витратою до 70 м3/год. при температурі 104°С у паровому режимі, знижуючи вміст оксигену при дегазації з 10 мг/кг води до 0,02 мг/кг води.

Технічні характеристики деаератора підживлення наведені в розділі 1.4 таблиця 1.1.

Деаератор борного регулювання ТК70В01

Основна функція ДБР - виділення оксигену, вуглекислого газу й інших газів, що не конденсуються, з «чистого» конденсату, перед подачею його в перший контур.

ДБР ТК70В01 працює в режимі постійної циркуляції для підтримки запасу «чистого» конденсату, необхідного для операцій водообміну.

ДБР забезпечується «чистим» конденсатом із системи TN з витратою приблизно 10¸15 м3/год.

Після дегазації конденсат скидається через теплообмінник ТК70W02 і, при необхідності, через охолоджувач ТК71W01 назад у баки TB40B01,02.

Випар з деаератора, з витратою 130 кг/год. незалежно від режиму роботи, надходить в охолоджувач випару ТК70W01. Пара конденсується й вертається в деаератор, у той час, як гази, що не конденсуються (оксиген, вуглекислий газ, азот і ін.) надходять у вентиляційну трубу.

Конструкція ДБР ТК70В01 аналогічна конструкції ДП ТК10В01.

Технічні характеристики деаератора борного регулювання наведені в розділі 1.4 таблиця 1.1.

Регенеративний теплообмінник TK11W01

РТО Æ325 призначений для охолодження теплоносія, що проходить у міжтрубному просторі з витратою до 90 т/год., середовищем, що проходить в трубному просторі з витратою до 200 т/год.

Теплообмінник TK11W01 виконує подвійну функцію.

Регенеративний охолоджувач підживлюючої води призначений для охолодження підживлюючої води, що виводиться з деаератора до температури не вище 65 °С і одночасного нагрівання продувної води, що подається в деаератор 1-го контуру до 90 ¸ 95 °С.

Рис. 1.6. Регенеративний теплообмінник TK11W01

Теплоносій, що подається на ТК10В01 з хімзнесолюючої установки, проходить через трубну частину ТК11W01 і нагрівається підживлюючою водою, яка виходить із ТК10В01 і проходить по міжтрубному просторі.

Вода для продування, вийшовши з теплообмінника ТК80W01, протікає через міжтрубний простір доохолоджувача ТК80W02 і охолоджується водою промконтура системи TF, що проходить по трубній частині доохолоджувача продування ТК80W02.

РТО TK11W01 складається із двох стандартних модулів Æ 325, з'єднаних послідовно й розташованих один над іншим.

Кожний з модулів Æ 325 являє собою горизонтальний, кожухотрубчатий протитічний апарат з поперечно-поздовжнім обтіканням труб на стороні міжтрубного простору.

Модуль складається з наступних основних вузлів:

-   трубної системи;

-       корпуса;

-       двох камер (що підводить і відводить).

Трубна система складається із двох трубних решіток товщиною 40 мм, 129 труб Æ 16х1 мм, чотирьох маякових труб Æ 16х1 мм і сегментних перегородок з листа товщиною 6 мм.

Розміщення теплообмінних труб - за трикутником із кроком 21 мм. Труби закріплені в трубних решітках вальцюванням і зварюванням. Положення труб у корпусі фіксується сегментними перегородками, розташованими на відстані 300 мм одна від іншої. Між собою перегородки з'єднані чотирма маяковими трубами, закріпленими в одній із трубних решіток.

Корпус модуля виконаний із труб Æ 325х12 мм, з'єднаних лінзовим компенсатором.

Модуль забезпечений дренажами й повітряниками.

Технічні характеристики регенеративного теплообмінника наведені в розділі 1.4 таблиця 1.2.

Доохолоджувач підживлюючої води TK12W01

Теплообмінник Æ 325-01 призначений для охолодження теплоносія, що проходить у міжтрубному просторі з витратою до 90 т/год., середовищем, що проходить в трубному просторі з витратою до 200 т/год.

Доохолоджувач підживлюючої води ТК12W01 призначений для охолодження підживлюючої води 1-го контуру, що проходить у міжтрубному просторі й поступає на всмоктування підживлюючого агрегату, до температури не вище 55°С, техводою, що проходить у трубному просторі.

Теплообмінник ТК12W01 зазвичай підключається в паралель теплообміннику ТК11W01, коли потік підживлення більше потоку продування, і підживлююча вода, що надходить на всмоктування підживлюючих насосів недостатньо охолоджується теплообмінником ТК11W01.

Як охолоджуюче середовище використовується техвода системи відповідальних споживачів VF.

Доохолоджувач підживлюючої води TK12W01 виконаний з одного стандартного модуля Æ 325-01.

Модуль Æ 325-01 являє собою горизонтальний, кожухотрубчатий протитічний апарат з поперечно - поздовжнім обтіканням труб по стороні міжтрубного простору.

Модуль складається з наступних основних вузлів:

§  трубної системи;

§  корпуса;

§  двох камер (що підводить і відводить).

Трубна система складається із двох трубних решіток товщиною 40 мм, 129 труб Æ 16х1 мм, чотирьох маякових труб Æ 16х1 мм і сегментних перегородок з листа товщиною 6 мм.

Рис. 1.7. Доохолоджувач підживлюючої води TK12W01

Розміщення теплообмінних труб - за трикутником із кроком 21 мм. Труби закріплені в трубних решітках вальцюванням і зварюванням. Положення труб у корпусі фіксується сегментними перегородками, розташованими на відстані 300 мм одна від іншої. Між собою перегородки з'єднані чотирма маяковими трубами, закріпленими в одній із трубних решіток.

Корпус модуля виконаний із труб Æ 325х12 мм, з'єднаних лінзовим компенсатором.

Модуль забезпечений дренажами й повітряниками.

Технічні характеристики доохолоджувача підживлюючої води наведені в розділі 1.4 таблиця 1.3.

Охолоджувач «чистого» конденсату TK70W02

Охолоджувач «чистого» конденсату Æ325 призначений для охолодження теплоносія, що проходить у міжтрубному просторі з витратою до 90 т/год., середовищем, що проходить в трубному просторі з витратою до 200 т/год.

Теплообмінник TK70W02 виконує подвійну функцію.

Регенеративний охолоджувач підживлюючої води призначений для охолодження підживлюючої води, що виводиться з деаератора до температури не вище 65°С і одночасного нагрівання дистилату, що подається в ДБР 1-го контуру до 90¸95°С.

Теплоносій, що подається на ТК70В01 проходить через трубну частину ТК70W02 і нагрівається підживлюючою водою, яка виходить із ТК70В01 і проходить по міжтрубному просторі. Далі вода надходить на всмоктування підживлюючого агрегату.

Конструкція охолоджувача «чистого» конденсату TK70W02 аналогічна конструкції регенеративного теплообмінника TK11W01.

Технічні характеристики охолоджувача «чистого» конденсату наведені в розділі 1.4 таблиця 1.2.

1.4 Статичні та динамічні характеристики об’єкта

Таблиця 1.1 Технічні характеристики ДП ТК10В01 і ДБР ТК70В01.

Параметр

Значення

Продуктивність номінальна, м3/год.

70

Продуктивність аварійна, м3/год.

100

Робочий тиск корпус/теплообмінник, кгс/см2 Робочий тиск корпус/теплообмінник, кПа

1,2/3,5 118/343

Розрахунковий тиск корпус/теплообмінник, кгс/см2 Розрахунковий тиск корпус/теплообмінник, кПа

5/5 490/490

Тиск гідровипробувань, корпус/теплообмінник, кгс/см2 Тиск гідровипробувань, корпус/теплообмінник, кПа

8/8 785/785

Робоча температура корпус/теплообмінник,°С

104/138

Об’єм повний, м3

31

Об’єм робочий, м3

19

Площа теплообміну нагрівача, м2

53,5

Висота гідрозатвора, м

5

Номінальний рівень, м

1,7

Зниження вмісту оксигену при дегазації з/до, мг/кг води

10/0,02

Зниження вмісту гідрогену при дегазації з/до, мг/кг води

5,2/0,052

Таблиця 1.2. Технічні характеристики РТО TK11W01 та охолоджувача «чистого» конденсату TK70W02

Тип

Параметр, одиниці вимірювань

Значення

міжтрубний простір

трубний простір

Æ325 двох-модульний, з’єднаний послідовно

Поверхня теплообміну, м2

82,3


Об’єм, м3

0,302

0,185


Робочий тиск, кгс/см2 Робочий тиск, кПа

1,2 118

2,0 196


Розрахунковий тиск, кгс/см2 Розрахунковий тиск, кПа

4 392

24 2354


Температура теплоносія вхід/вихід,°С

104/70

55/93,4


Витрата середовища максимальна, м3/год.

80

80


Тиск гідровипробувань, кгс/см2 Тиск гідровипробувань, кПа

7 686

33 3236


Число трубок в модулі, шт.

129


Діаметр трубок, мм

16 х 1


Крок в трикутній решітці

21

Тип

Параметр, одиниці вимірювань

Значення

міжтрубний простір

трубний простір

Æ325-01 одно-модульний

Поверхня теплообміну, м2

22,68


Об’єм, м3

0,173

0,129


Робочий тиск, кгс/см2 Робочий тиск, кПа

1,2 118

2,0 196


Розрахунковий тиск, кгс/см2 Розрахунковий тиск, кПа

4 392

24 2354


Температура теплоносія вхід/вихід,°С

104/70

5¸33/22¸56


Поверхня теплообміну, м2

80

80


Об’єм, м3

7

33


Номінальна витрата середовища, т/год.

40

110

Деаераційна установка забезпечена

·                    теплотехнічним контролем (КВП) згідно таблиці 1.4;

·        автоматичним регулюванням;

·        сигналізацією згідно таблиці 1.5;

·        захистами і блокуваннями;

·        технологічною арматурою.

Таблиця 1.4. Об’єм тепломеханічного контролю деаераційної установки.

Контрольований параметр

Номінальне значення

Тиск в деаераційному баку, кгс/см2 Тиск в деаераційному баку, кПа

0,2 20

Рівень в деаераційному баку, мм

1700 (2000)

Температура живильної води на виході деаератора,°С

104

Температура води на вході в деаератор,°С

95

Температура після РТО,°С

<70

Тиск в лінії підводу пари з 2-го контуру, кгс/см2 Тиск в лінії підводу пари з 2-го контуру, кПа

2,2 216



Таблиця 1.5. Сигналізація деаераційної установки

Параметр

Значення уставки

Швидкість змінни рівня в деаераторі, мм/с

500

Підвищення рівня в деаераторі до критичної межі, мм

2600

Перелив в деаераторі

-

Технологічні обмеження

Допустима швидкість розігріву і розхолодження деаераторів ТК10В01 і ТК70В01 повинна складати не більше 3°С/хв.

Температура середовища що надходить в деаератор (в нагрітому стані) не повинна бути меншою за 90°С.

Максимальна продуктивність деаератора не повинна перевищу-вати 100 м3/год. В усіх режимах роботи деаераційної установки необхідно підтримувати рівень номінальним - 1700 (2000)±50 мм.

.5 Системний аналіз об’єкта

. Підготовка до роботи і пуск деаераційної установки проводиться одночасно з увімкненням підживлюючого агрегату і початком заповнення 1-го контуру теплоносієм. Основними етапами підготовчих робіт (у загальному випадку) є:

·        підготовка регулятора ТКС 14 до роботи (для початку заповнення 1-го контуру борованою водою) з заданим рівнем в ДП 2000 мм;

·        підготовка подачі азоту (який до нагріву теплоносія 1-го контуру до 100°С використовується для зменшення концентрації РІГ);

·        підготовка схеми допалювання водню;

·        підготовка подачі пари від системи паропроводів власних потреб RQ (2-й контур);

. При заповнені 1-го контуру теплоносієм і виході РУ на МКУ проводять наступні перемикання і підтримують слідуючі параметри:

·        вводять в роботу регулятор ТКС 13 (для компенсації повільного вигоряння ТВЕЛ і компенсації на втрати в інших системах 1-го контуру) з заданим рівнем в ДП 1700 мм при заповнені від системи дистиляту;

·        задають постійну витрату продувальної води з 1-го контуру рівну 30 м3/час;

·        відключають подачу азоту в ДП і переходять на парову подушку;

·        тримають систему допалювання водню в постійній роботі;

·        регулюванням подачею пари від системи паропроводів власних потреб RQ, здійснюють підтримку тиску в деаераторі в межах 0,2÷0,35 кгс/см2 (20÷34 кПа);

·        підтримують в роботі один із трьох підживлюючих агрегатів і слідкують за підтримкою температури теплоносія на всмоктувані підживлюючого насосу в межах 62÷70°С.

. Для зменшення концентрації бору в теплоносії 1-го контуру в роботу вмикається регулятор ТКС 20 з заданим рівнем в ДП 2000 мм з завданням на виведення теплоносія в баки борвмісної води. В даному випадку компенсація теплоносія відбувається ДБР з подачею води від системи дистиляту.

. Для зменшення реактивності теплоносія, в перший контур вводиться борний концентрат на всмоктування підживлюючого агрегату, при роботі регулятора ТКС 20. У випадку передаварійної ситуації, незалежно від режиму роботи, на всмоктування підживлюючого агрегату вводиться борний концентрат з максимальною витратою.


2. Вимоги до автоматизації

.1 Аналіз існуючого рівня автоматизації

На сьогоднішній день автоматизація технологічних процесів на АЕС здійснюється на обладнані, яке випускалось при будівництві блоків, а це більше 20-ти років тому. Проводилась часткова модернізація невеличких схем технологічних процесів. Проте заміна обладнання на якому здійснюється автоматизація керування всіма технологічними процесами реакторного відділення (комплексу «Каскад-2») не проводилась через необхідність залучення значних коштів і тривалого часу на заміну нового обладнання.

В даній роботі я розглянув можливість проведення автоматизації процесу регулювання рівня в деаераторі підживлення (ДП) в системі продування-підживлення 1-го контуру на програмно технічному комплексі системи автоматичного регулювання реакторного відділення (ПТК САР РВ).

Автоматичною системою регулювання називають сукупність об'єкту регулювання і регулятора. Об'єктом регулювання є ділянка устаткування, яка розташована між регулюючим органом і регульованим параметром, що потребує надання спеціально організованої (по заданому закону, алгоритму) дії з боку регулятора для досягнення поставленої цілі регулювання.

Регулятор - це комплекс пристроїв, що здійснює регулювання технологічного процесу без участі людини за допомогою дії на об'єкт регулювання відповідно до закладеного в ньому закону регулювання.

Регулятори енергоблоку виконані на базі комплексу пристроїв, що входять в Державну систему приладів (ДСП) «Каскад-2» із застосуванням блоків УКТЗ, призначених для реалізації схем управління, захисту, блокувань і сигналізації. Кількість і типи пристроїв, які використовуються в схемах регуляторів залежать від призначення АСР.

Залежно від кількості використовуваних сигналів регулятори підрозділяються на одноімпульсні, двохімпульсні, трьохімпульсні, чотирьох імпульсні.

Пристрій регулятора розглянемо на прикладі одноімпульсного регулятора.

2.2 Функціональна структура (схема автоматизації) системи управління та її опис

Функціональна схема автоматизації наведена на листі 2.

Вузол деаерації й дегазації теплоносія 1-го контуру, а також чистого конденсату, перед подачею їх на всмоктування підживлюючих насосів, складається з деаератора підживлення TK10B01 і борного регулювання TK70B01 продуктивністю 70 тонн в годину при тиску рівному 0,2 кг/см2 (20 кПа), теплообмінників й регулюючої арматури. Завданням системи регулювання вузла деаерації й дегазації є підтримка тиску й рівня в деаераторах. Тиск у деаераторах підтримується зміною подачі гріючої пари з другого контуру, впливом на регулювальні клапани які стоять на підводі пари в нагрівачі деаераторів. Підтримка необхідного рівня в деаераторі підживлення забезпечується різними регуляторами (див. лист 2).

У режимі заповнення (деаератор заповнюється до нормального рівня розчином борної кислоти з концентрацією 16 г./кг (16 Н3В3/1кгН2О)), а також у режимі підживлення в аварійних режимах з компенсацією протікань (коли концентрація бору в першому контурі не повинна змінюватись), рівень у деаераторі підживлення підтримується регулятором ТКС14, впливом на регулювальний клапан ТК14S02. ТКС14 стоїть на лінії, що йде від баків борвмісних вод.

В режимах нормального підживлення для виконання неврахованих втрат неорганізованих протікань у першому контурі використовується регулятор рівня в деаераторі підживлення ТКС13, який керує регулювальним клапаном ТК13S02 на лінії насосів дистиляту. Логіка даного регулятора виконує функцію сумування витрати води з ущільнень ГЦН і води з трубопровода подачі продувальної води на СВО-2. В залежності від сформованого сигналу від датчика про зниження (підвищення) рівня в ДП клапан при відкривається (призакривається).

У режимі борного регулювання, коли необхідно змінити концентрацію бору в першому контурі, теплоносій з поточною концентрацією через деаератор підживлення виводиться з контуру в баки борвмісних вод, а на всмоктування підживлюючих насосів подається або дистилят через деаератор борного регулювання, або розчин борної кислоти з концентрацією 40 г./кг. Підтримка рівня в деаераторі підживлення в даному режимі забезпечується регулятором ТКС20, що впливає на регулювальний клапан ТК20S04, встановлений на зливі з деаератора підживлення в баки борвмісної води. При роботі регуляторів рівня в деаераторі підживлення в складі функціональної групи «підживлення, продування й борного регулювання» введення регуляторів в роботу й вивід з роботи повинен здійснюватися за допомогою засувок, встановлених перед регулювальними клапанами, тобто самі регулятори повинні постійно перебувати в режимі «автоматичне керування».

Карта технологічних параметрів наведена на листі 3.

.3 Регулятори рівня в деаераторі

Регулятори призначені для підтримки заданого значення рівня в деаераторі підживлення:

§ ТКС14 працює в режимі заповнення 1-го контуру при пуску РУ;

§ ТКС13 - в нормальному режимі роботи РУ;

§ ТКС20 - в режимі борного регулювання.

Регулятори впливають на наступні виконавчі механізми:

·   пуско-зупинний (ТКС14) - ТК14S02;

·        основний регулятор (ТКС13) - ТК13S02;

·        регулятор виводу бору (ТКС20) - ТК20S04.

Автоматизація існуючих регуляторів

В існуючих на теперішній час регуляторах для підтримання рівня в ДП реалізований пропорційно-інтегральний закон регулювання.

Параметром, який регулюється є рівень в деаераторі підживлення, вимірювання якого здійснюється гідростатичним методом. Для трьох регуляторів рівня використовується один спільний вимірювальний прилад поз. ТКС10L01В1 типу «Cафір 22ДД» моделі 2530, межі вимірювань 0-250 см. Задане значення рівня 1700 мм (для регулятора ТКС13) і 2000 мм (для регуляторів ТКС14, ТКС20) (при вимірювані від нижнього штуцера рівнеміра). Точність підтримки рівня ±50 мм. Статична нерівномірність 200 мм.

Керування регулятором здійснюється дистанційно від БРУ-32 або автоматично від регулятора (для регулятора ТКС20 - по блокуванню).

Керування виконавчим механізмом - дистанційне від БРУ-32 або автоматичне від регулятора (для регулятора ТКС20 - по блокуванню).

Всі регулятори виконані на апаратурі «Каскад-2».

Контроль справності відбувається по тривалості імпульсів з періодом проходження імпульсів рівним 5 секунд.

Самобаланс здійснюється на задане значення з періодом 50 секунд.

Блокування реалізоване лише в регуляторі ТКС20:

ТКС10 - при спрацьовуванні АЗ-1 тиск у першому контурі більше або дорівнює 20 кгс/см2 (1,96 МПа) (сигнал 2 з 3-х від датчиків YC10P20, YC20P20, YC30P20) ланцюг регулятора відключається від виконавчого механізму й регулювальний клапан ТК20S04 примусово закривається;

ТКС05 - при витраті підживлюючої води в напірному трубопроводі підживлюючих насосів, рівному нулю (сигнал від ТК30F04), і тривалості цього сигналу від 15 до 45 секунд клапан ТК20S04 примусово закривається.

Розміщення устаткування

-

Панель керування

HY10

-

Панель регулятора

HZ03

-

Стенд датчика

TKC243 (021/2)

-

Живлення датчика

HL03 (041/2)

-

Шафи УКТЗ (базовий / кросовий): · регулятор ТКС13; · регулятор ТКС14; · регулятор ТКС20.

 HZ63/HZ59 HZ61/HZ59 HZ80/HZ83

-

Збірка РТЗО

LT04, Ш7

-

Виконавчий механізм: · для ТКС13,14; · для ТКС20.

 326 319

Складові елементи існуючих регуляторів

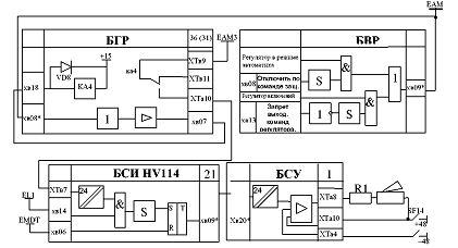
Елементна база існуючих регуляторів складається з наступних технічних засобів автоматизації:

·    вимірювального перетворювача «Сафір 22ДД»;

·        блоку гальванічного розділення токових сигналів (БГРТ);

·                 блоку включення регулятора (БВР);

·        блоку управління клапаном (БУК);

·        блоку ключів (БКЛ2);

·        блоку гальванічного розділення ланцюгів (БГР);

·        блоку перетворення напруг (БПН2);

·        блоку логічного часу (БЛВ1);

·        блоку фіксування каналу спрацьовування (БФС);

·        блоку ручного управління (БРУ-32);

·        підсилювач тиристорний (У 23);

·        регулюючий блок (Р27);

·                  блок динамічних перетворень (Д05);

·        блоку прийому і розмноження токових сигналів (ПСРТ);

·                 пускача безконтактного реверсивного (ПБР-2М);

·        блоку сигналізації положення струмового (БСПТ);

·        перетворювача переміщення вала механізму в струм (Teleperm);

·        виконавчого механізму (Siemens (MAM1)).

Опис і призначення елементів автоматизації наведено в Розділі 5.

Структурна схема автоматизації з існуючою елементною базою наведена на листі 4.

Автоматизація регуляторів в комплексі ПТК САР

Регулятор рівня в деаераторі підживлення TKC13

Регулятор рівня в деаераторі підживлення TKC13 підтримує задане значення рівня в ДП 1700 мм в нормальних експлуатаційних режимах, шляхом впливу на регулювальний клапан подачі дистиляту в ДП TK13S02.

Регулятор рівня в деаераторі підживлення TKC13 реалізує пропорційний закон регулювання за рахунок обхвату регулятора жорстким зворотнім зв’язком ПІ-регулятора по положенню регулюючого органу.

На регулятор рівня в деаераторі підживлення TKC13 надходить сигнал нерезервованого вимірювання рівня в деаераторі підживлення TK10L01B1, з межею вимірювання 0 - 2620 мм і сигнал положення регулювального клапана TK13S02, що використовується як зворотний зв'язок для реалізації пропорційного закону регулювання.

Регулятор рівня в деаераторі підживлення TKC13 підтримує рівним нулю розбаланс:

= Lзад - Lтек - а1·S + Lкор,

де: Lзад - задане значення рівня в деаераторі продування-підживлення, кгс/см2;тек - поточне значення рівня в деаераторі продування-підживлення, кгс/см2;- положення регулювального клапана подачі дистиляту в ДП TK13S02;кор - корекція заданого значення рівня в ДП для компенсації статичної нерівномірності;

а1 - коефіцієнт.

Готовність (TKC13A02) формується по наступних умовах:

–   відсутність сигналу «відмова виміру L (TK10L01B1)»;

–       відсутність сигналу «втрата живлення РК TK13S02».

Регулятор рівня в деаераторі підживлення TKC13 відключається із сигналізацією на БЩУ при відмові виміру рівня в деаераторі підживлення TK10L01B1 (датчик виходить за діапазон 0÷2600 мм, і/або швидкість зміни показань ≥500 мм/с).

При відмові датчика положення РК регулятор переходить на роботу з моделюючим значенням положення РК. Передбачена можливість вибору виду зворотного зв'язку з ІС.

Регулятор контролює справність виконавчого механізму по наявності електроживлення, при відсутності електроживлення регулятор відключається з індикацією на БЩУ.

Регулятор рівня в деаераторі підживлення TKC14.

Регулятор рівня в деаераторі підживлення TKC14 підтримує задане значення рівня в ДП - 2000 мм у режимі заповнення першого контуру при пуску реактора, шляхом впливу на регулювальний клапан подачі розчину борного концентрату в ДП TK14S02.

Принцип реалізації регулятора аналогічний регулятору ТКС13.

Регулятор рівня в деаераторі підживлення TKC20

Регулятор рівня в деаераторі підживлення TKC20 підтримує задане значення рівня в ДП - 2000 мм у режимі борного регулювання шляхом впливу на регулювальний клапан виводу із ДП у бак борвмісних вод TK20S04.

На регулятор рівня в деаераторі підживлення TKC20 надходить сигнал нерезервованого виміру рівня в деаераторі підживлення TK10L01B1, з межею виміру 0÷2620 мм і сигнал положення регулювального клапана TK20S04, що використовується як зворотній зв'язок для реалізації пропорційного закону регулювання.

Регулятор рівня в деаераторі підживлення TKC20 підтримує рівним нулю розбаланс, як і регулятор ТКС13.

Готовність (TKC20A02) формується по наступних умовах:

–    відсутність сигналу «відмова виміру L (TK10L01B1)»;

–       відсутність сигналу «втрата живлення РК TK20S04».

При включенні регулятор рівня TKC20 спочатку балансується на поточне значення рівня в деаераторі підживлення, потім завдання за рівнем зі швидкістю 10 см у хвилину змінюється до номінального значенням 200 см.

Регулятор рівня в деаераторі підживлення TKC20 відключається із сигналізацією на БЩУ при відмові виміру рівня в деаераторі підживлення TK10L01B1 (датчик виходить за діапазон 0÷2600 мм, і/або швидкість зміни показань ≥500 мм/с).

При відмові датчика положення РК регулятор переходить на роботу з моделюючим значенням положення РК. Передбачена можливість вибору виду зворотного зв'язку з ІС.

Регулятор контролює справність виконавчого механізму по наявності електроживлення, при відсутності електроживлення регулятор відключається з індикацією на БЩУ.

Блокування TKS10 (реалізоване в УКТЗ).

Регулювальний клапан TK20S04 закривається із забороною відкриття й забороняє видачу вихідних команд регулятору рівня в деаераторі підживлення TKC20 при наявності всіх умов:

–    спрацьовуванні АЗ першого роду;

–       тиску в першому контурі ≥ 22 кгс/см2 (2,16 МПа);

–       кожна із засувок TK20S05, TK20S01 відкрита.

TKF04, 2TKS05 - при витраті води в напірному трубопроводі підживлюючих насосів, менше 4,5 м3/год., з витримкою часу 90 с і тиску на напорі будь-якого підживлюючого насоса більше 24 кгс/см2 (2,35 МПа) і тиску в 1-му контурі менше 5 кгс/см2 (490 кПа) клапан TK20S04 закрити й відключити TKC20.

Складові елементи регуляторів в комплексі ПТК САР.

Регулятори складаються з наступних основних частин:

·    вимірювального перетворювача «Сафір 22ДД», моделі 2530;

·        блоку гальванічного розділення токових сигналів (БГРТ);

·      блоку управління клапаном (БУК);

·        блоку перетворення напруг (БПН2);

·        блоку ручного управління (БРУ-32);

·        субблоку фільтра (КД-1);

·      субблоку прийому і розмноження токових сигналів (ПСРТ-125-10);

·      субблоку регулятора (МР-195-14);

·        виконуючого автомата (ІАТ);

·      перетворювача переміщення валуа механізму в струм (Teleperm);

·        виконавчого механізму (Siemens (MAM1));

·        регулюючого органу.

Опис, технічні характеристики і призначення елементів автоматизації наведено в Розділі 5.

Структурна схема автоматизації з існуючою елементною базою наведена на листі 4.

2.4 Необхідність модернізації

Розглянувши рівень автоматизації регуляторів на елементній базі комплексу «Каскад-2» і нової ПТК САР РВ, я роблю вибір на перевагу нового комплексу. Оскільки це дозволить скоротити кількість складових блоків в шафах УКТЗ (непотрібними стають блоки: БЛВ1, БФС, БГР, БКЛ2, БВР) і перевести їх функції на ПТК САР. Також на основі комплексу ПТК САР на відміну від «Каскад-2» реалізовані нові типи блочків, які програмуються, підтримують діагностику, само настроюються на робочі параметри згідно закладеної програми.

Недоліками існуючої схеми є:

1.   Значна кількість блочків, які беруть участь в регулюванні технологічного процесу тим самим знижуючи рівень надійності схеми;

2.      Відсутність системи діагностики справності блоків «Каскад-2»;

.        При зміні параметрів технологічного процесу необхідність ручного настроювання параметрів;

.        Складність ремонту та ін.


3. Структура системи автоматизації

На сьогоднішній день існуюча система автоматизації на основі комплексу апаратури «Каскад-2» хоч і справляється з покладеними на неї задачами, однак давно вичерпала свій технічний й моральний ресурс є громіздкою, менш надійною за сучасні комплекси, вимагає частішого та більш складного технічного обслуговування. Всі ці причини приводять до необхідності залучення до її обслуговування великої кількості висококваліфікованого персоналу та постійного вливання коштів, оскільки окремі блоки та частини комплексу давно зняті з серійного виробництва і давно використали свій технічний ресурс. Тому є доцільним замінити її на Програмно Технічний Комплекс Системи Автоматичного Регулювання Реакторного Відділення (ПТК САР РВ) виробництва ХГПЗ ім. Шевченка, який забезпечує всі вимоги які на сьогоднішній день ставляться до даного роду систем. Дана система виконана на мікроелектронній базі в приладовому виконанні. Як основні джерела інформації використані первинні перетворювачі типу «Сафір» з тензочутливими елементами.

До переваг нового комплексу належать:

·   висока надійність;

·        високі програмні та діагностичні можливості;

·        менші масогабаритні розміри;

·        простота в обслуговуванні.

.1 Призначення ПТК САР РВ

Програмно технічний комплекс систем автоматичного регулювання реакторного відділення енергоблоку АЕС призначений для управління в режимах нормальної експлуатації (пуск і зупинка устаткування першого контуру, робота в регулювальному діапазоні навантажень) і режимах з порушеннями нормальної експлуатації (відключення елементів технологічного устаткування).

ПТК САР РВ є людино-машинною системою великої потужності, розрахованою на тривале функціонування в режимі реального часу, що управляє об'єктами автоматизації. ПТК САР РВ це технологічні системи системних і не системних приміщень енергоблоку, керовані з блочного щита управління.

ПТК САР РВ призначений для виконання керуючих, інформаційних і допоміжних функцій.

Керуючі функції:

·   автоматичне регулювання технологічних параметрів;

·   технологічні блокування.

Інформаційні функції:

·   індикація стану АСР і ВМ на БЩУ;

·        збір інформації про стан об'єктів автоматизації;

·        передача інформації в ІОС.

Допоміжні функції:

·   збір, обробка даних, діагностика стану і функціонування технічних та програмних засобів ПТК САР РВ;

·        контроль достовірності і реєстрація відмов вхідної інформації;

·        контроль вихідних команд управління ВМ;

·        контроль реалізації команд управління;

·        забезпечення сервісу обслуговуючому персоналу за допомогою автоматизованих робочих місць (АРМ) обслуговуючого персоналу (ОП).

.2 Принципи реалізації САР Реакторного Відділення

На технічних засобах виробництва ХГПЗ ім. Шевченка реалізуємо тільки системи автоматичного регулювання.

Дистанційне керування, захист і блокування залишимо реалізованими на технічних засобах УКТЗ.

Вихідні команди регуляторів будуть видаватись в УКТЗ через відповідний БВР на БУК. Від БВР для автоматичних регуляторів використовуються вихідні сигнали «регулятор включений» і «регулятор в роботі».

Включення регуляторів проводиться вручну переводом перемикача БРУ-32 в положення «АВТОМАТ».

Відключення регулятора проводитиметься вручну переводом перемикача БРУ-32 в положення «ДИСТАНЦІЯ» або автоматично при відмові відповідного вимірювання або втраті живлення свого РК. Після автоматичного відключення регулятора повторне включення здійснюється вручну квитуванням перемикача БРУ-32 після зняття всіх причин відключення. Автоматичне відключення реалізоване по інверсній логіці (зняттям вихідного дискретного сигналу «Готовність регулятора»).

У включеному стані (БВР «включений») регулятор знаходиться в режимі підтримки параметра або в стерегучому режимі.

Завдання регуляторам задається, обчислюється, або визначається поточним значенням параметра у момент включення регулятора або відповідного режиму.

Регулятори забезпечують видачу команд управління тривалістю, кратною 0,1 с. Пауза між імпульсами - не менша 0,2 с.

У ПТК САР здійснюється контроль живлення всієї використовуваної арматури. Відсутність живлення арматури визначається по одночасній відсутності сигналів від КВ «не відкрито», «не закрито». При цьому формується сигнал «Відмова РК».

Для контролю давачів положення РК реалізована модель виконавчого механізму.

Для кожного виконавчого механізму здійснюється контроль давача положення РК і формується сигнал «Невідповідність РК»:

·        при розбіжності показів ПП з модельованим положенням на величину більше за допустиму;

·        при невідповідності сигналів від кінцевих вимикачів і ПП;

·        при стрибкоподібній зміні сигналу від ПП на величину більше за допустиму.

При цьому вихідні команди на ВМ не блокуються, регулятор не відключається, але переходить на роботу за свідченнями математичної моделі.

Передбачена можливість автоматичної зміни настройок регуляторів і уставок залежно від режимів роботи або від значення технологічних параметрів.

Для всіх аналогових сигналів передбачена можливість введення програмного фільтру, що настроюється, з дискретністю зміни 0,1 с.

Для кожного давача передбачений контроль по верхній і нижній межах і за швидкістю зміни вхідного сигналу. Передбачена лінеаризація сигналів від термопар і внесення поправок до вимірів давачів тиску.

При вимірюванні параметра троїрованними давачами, робоче значення визначається як медіанне значення з трьох показів. Окрім первинного контролю, здійснюється контроль по розузгодженню показів давачів.

При вимірюванні параметра дубльованими давачами, робоче значення визначається як середнє арифметичне значення показів справних давачів або як значення справного давача. Окрім первинного контролю, здійснюється контроль по розузгодженню показів давачів.

Для всіх давачів передбачена можливість виведення давача або групи давачів одного вимірювання в ремонт.

При відмові вимірювання параметра на пульті передбачена узагальнена світлова сигналізація «Відмова вимірювання» (формується в кожній шафі управління).

При відмові одного з давачів дубльованого або троїрованного вимірювання одного параметра, і відсутності відмови вимірювання параметра на пульті передбачена узагальнена світлова сигналізація «Несправність вимірювання» (формується в кожній шафі управління).

Всі відмови резервованих давачів (дубльованих або троїрованних) вимірювань запам'ятовуються. Узагальнена сигналізація формується миготливим світлом при появі кожного нового сигналу, що входить до складу даної сигналізації.

3.3 Принцип дії ПТК САР

ПТК САР РВ реалізований на базі розподіленого програмно-технічного комплексу, побудованого за магістрально-модульним принципом з використанням локальних обчислювальних мереж (ЛВС).

Структурна схема ПТК САР РВ приведена на рис. 3.1.

ПТК є дворівневою системою. Нижній рівень системи реалізує функції введення / виведення інформації, регулювання, управління і контролю, верхній рівень (ВР) - підтримку оперативної бази даних, представлення необхідної інформації (зокрема діагностичної) на відеотерміналах АРМів, реєстрацію і архівацію інформації.

До складу ПТК входять шафи ШУ, що реалізовують функції введення / виведення інформації, контролю і управління, і ПЕВМ в промисловому виконанні, що реалізовують функції верхнього рівня.

Зв'язок з об'єктом управління здійснюється через шафи УКТЗ.

До складу шаф ШУ входить набір функціонально закінчених модулів (субблоків) зв'язку з об'єктом (МСО) з вбудованим дубльованим інтерфейсом RS-485 і мікроконтролери з вбудованим IBM-сумісним мікропроцесором.

Рис. 3.1. Структурна схема ПТК САР РВ

Всі модулі введення / виводу (окрім сигналів, що погоджують уведення / виведення, 220В) містять високопродуктивні мікропроцесори, призначені як для первинної обробки інформації, так і для вирішення, при необхідності, функціональних завдань. Програми записуються у вбудовану FLASH пам'ять.

Модулі введення / виведення забезпечують введення і виведення дискретної і аналогової інформації, з приведеними в розділі 5 технічними характеристиками.

Мікроконтролери МК-187 призначені для виконання наступних функцій:

·   рішення функціональних задач;

·        обмін інформацією з ВР;

·        обмін інформацією з модулями УСО;

·        реалізація функцій діагностики технічних і програмних засобів;

·        зв'язок з периферійними пристроями (операторська панель і ін.);

·        реалізація функцій резервування.

МК-187 виконаний у вигляді модуля, призначеного для розміщення в крейтах.

Зв'язок МК-187 з модулями УСО здійснюється дубльованими каналами передачі інформації, фізичним середовищем передачі є друкарські провідники і/або вита пара.

Зв'язок НР з ВР виконується на базі дубльованої локальної обчислювальної мережі типу Fast Ethernet.

Постійно в роботі знаходиться один з двох МК, інший - в гарячому резерві. При виникненні збоїв в роботі основного МК основний і дублюючий МК міняються своїми функціями.

Зв'язок між цими МК здійснюється дубльованим інтерфейсом RS-485.

Для забезпечення заданих характеристик надійності по виконуваних функціях субблоки однієї касети дублюють МСО іншої касети.

.4 Функції, склад і робота верхнього рівня ПТК САР

Система верхнього рівня (СВР) виконує функції:

a)       реєстрації аналогової і дискретної інформації (архів) із збереженням її на протязі не менше 96 годин;

b)      відображення діагностичних кадрів електронної частини ПТК САР РВ, технологічних кадрів роботи цифрових регуляторів, кадрів датчиків, уставок, параметрів;)        графічне відображення поточних аналогових і дискретних параметрів ПТК САР РВ;)    діалогу оператора з ПТК САР РВ;)       завантаження шаф комплексу штатним програмним забезпеченням (ПО).

Склад засобів обчислювальної техніки СВУ, необхідний для функціонування комплексу відображення і реєстрації:

a)       АРМ (ІС) Dell OptiPlex GX270SD: Chassis: Small Desktop; Chipset: Intel 845G; FSB: 400 / 533 MHz; CPU: Intel P4 2.0GHz / 512Kb; RAM: 256MB PC 2100 DDR SDRAM; HDD: 40GB Ultra ATA 100 7200RPM; FDD 1,44 Mb; CD-ROM: 24x; VRAM: on-board; SOUND: Integrated AC-97 Audio w/ Yamaha SoftSynsthesizer; NIC: Integrated Intel Pro/1000 MT (Gigabit); Dell Keyboard/optical mouse/pad; OS: Microsoft Windows 2000 Pro Eng; Монітор Dell 17»; мережеві карти (Ethernet); принтер HP LaserJet 1300N.

b)      АРМ БЩУ ПЕВМ типу IBM Pentium 4 з наступними технічними характеристиками: RAM не менше 256Мб; HDD не менше 80Гб; FDD 3,5»; клавіатура; LCD-монітор 18» (TFT) SCD 1597; маніпулятор типу «миша»; мережеві карти (Ethernet); сетев. комм.SS 3 Switch 4400SE.

Верхній рівень САР РВ виконаний на базі мережі промислових ПЕВМ (Dell OptiPlex GX270 SD) IBM-сумісних комп'ютерів і включає:

·             сервер, що реалізує функції реєстрації, архівації і документування інформації;

·        інструментальну систему (АРМ-ІС);

·        комутатори локальної обчислювальної мережі, що забезпечують зв'язок між абонентами однієї мережі;

·        робоче місце начальника зміни цеху (АРМ-НЗ).

В процесі функціонування ПТК САР РВ реалізує наступні інформаційні обміни між компонентами системи:

·          між різними ШУ по цифровому каналу;

·        між ПТК САР РВ і ІОС по дубльованій обчислювальній мережі типу Ethernet;

·        між ШУ і локальною мережею ВР по дубльованій обчислювальній мережі типу Ethernet АРМ по цифровому каналу;

·        між ПТК САР РВ і УКТЗ дискретними сигналами.

3.5 Критерії відмови джерел аналогової і дискретної інформації в ПТК САР

Контроль джерел аналогової інформації виконується в два етапи:

I.   На першому етапі здійснюється первинна обробка кожного вхідного сигналу з контролем на мінімальне і максимальне значення і допустиму швидкість зміни.

II.  Другий етап виконується для дубльованих і троїрованних вимірів:

·   для дубльованих сигналів значення виміру визначається як середнє арифметичне значення показників двох справних датчиків. У разі відмови одного з них, в схемі первинної обробки використовуються покази справного датчика. Відмова виміру формується і запам'ятовується при відмові двох датчиків або при розузгодженні показів датчиків більш допустимої величини у випадку, якщо обидва справні;

·             для троїрованних вимірів одного параметра значення виміру визначається як середнє (медіанне) значення показників датчиків. При розузгодженні одного з троїрованних датчиків щодо середнього значення більше встановленої величини формується ознака несправності. Ознака несправності автоматично знімається при відновленні свідчень датчика. При розузгодженні двох резервованих датчиків, що залишилися, більше встановленого значення, формується і запам'ятовується відмова виміру. Контроль по розузгодженню здійснюється з урахуванням результатів первинної обробки.

Узагальнена інформація про наявність несправностей і відмов представляється оператору і реєструється в АРМ ПЕВМ.

В ПТК САР РВ передбачений ремонтний стан ВП. Завдання ремонтного стану проводиться з інструментальної системи з реєстрацією в АРМ. При включенні ремонтного стану фіксується значення параметра на момент включення ремонтного стану і формується ознака відмови ВП.

Контроль джерел дискретної інформації проводиться шляхом програмної обробки у ФПО сигналів від парних кінцевих вимикачів «не відкрито» і «не закрито»» включено» і «відключено».

.6 Контроль справності САР

Існує три режими роботи регуляторів.

Автоматичний режим - дія на виконавчий механізм відбувається по сигналах регулюючого блоку. Ланцюги дистанційного ключа управління відключені від схеми управління. Ланцюги регулюючого блоку відключені від схеми управління.

Дистанційний режим - дія на виконавчий механізм відбувається по командах оператора з ключа (кнопок) дистанційного регулювання.

Стерегучий - у цьому режимі органами управління (перемикачем) САР переведена в режим автоматичного управління, а системою блокувань ланцюга управління регулюючого блоку відключені від виконавчого механізму (горять одночасно два індикатори - зелений і червоний) і підключені до інтегратора автобалансу, що забезпечує автобаланс на задане значення параметра. Такий режим роботи необхідний для автоматичних регуляторів, які в нормальних режимах роботи устаткування повинні бути відключені, але готові до роботи, а за певних умов автоматично включатися в роботу (наприклад, при досягненні параметром граничнного значення).

Для запобігання невірної роботи регуляторів їх схеми містять блокування, що відключають регулятори при виході з ладу окремих елементів схем (контроль справності).

При відключенні регулятора контролем справності загоряється табло «Несправність регулятора», червона лампочка над БРУ-32 гасне, зелена - блимає. Необхідно переквитувати перемикач режимів роботи в положення «Автомат».

При переході в автоматичний режим проконтролювати правильність роботи регулятора.

Найчастіше контроль справності регуляторів реакторнного відділення виконаний по максимальному розбалансу на регулюючому блоці від заданого значення. Величина розбалансу, по якому відбувається відключення, у кожного регулятора індивідуальна.

При аварійних відхиленнях регулятора на блоці БВР виході хв09 формується шинка ЕМА, яка поступає на вхід блоку БГР з інверсним входом хв08, що стоїть в цій же шафі, що і блок БУК. Пройшовши логіку перетворення сигнал з виходу хв07 комутується на вхід хв18 блоку БГР, після чого підтягується реле КА4. Реле замикається і через його контакти ХТb9, ХТа10 потенціал +24В подається на блок БСИ для формування світлового і звукового сигналу.

Рис. 3.2. Принципова схема організації аварійного відключення регулятора

3.7 Організація електроживлення ШУ та живлення ланцюгів обтікання

Організація електроживлення ШУ

Первинне електроживлення через автоматичні вимикачі, запобіжники, фільтри мережеві поступає на крейт живлення. У крейті живлення конструктивно розташовані чотири джерела вторинного електроживлення AС300-24. Джерело вторинного електроживлення АС300 - 24 ТУ У 30882459.002 - 2003 призначене для перетворення змінної напруги 220В в постійну 24В. Два джерела живлення призначені для забезпечення напругою живлення 24В крейтів УСО і два джерела живлення для забезпечення напругою живлення 24В ланцюгів обтікання. У шафах ШУ-110Ч121 два джерела живлення, по одному з цих груп, живляться від однієї мережі змінного струму ~ 220В, два інші джерела живлення живляться від другої мережі змінного струму ~ 220В.

На кожному блоці фільтрів встановлений індикатор, свічення якого свідчить про наявність основного електроживлення і нормальну роботу фільтру.

На передній панелі джерел живлення АС300-24 встановлені індикатори Mains OK, DC OK, Output OK. Свічення всіх індикаторів свідчить про нормальну роботу джерела живлення. Окрім цього кожне джерело живлення видає сигнал про нормальну роботу в систему контролю шафи.

У шафах ШУ передбачені два клемні з'єднувачі КЗЖ (клемний з'єднувач живлення), призначених для розмноження основного і резервного живлення для власних потреб і ланцюгів обтікання. Клемні з'єднувачі КЗЖ виконані на основі клемних з'єднувачів типу WAGO. Кожна шина живлення «+» 24В крейту УСО, живиться від індивідуального клемного з'єднувача WAGO. На клемному з'єднувачі КЗЖ в ланцюгах живлення крейтів і вентилятора встановлені запобіжники і світлові індикатори. При перегоранні запобіжника світиться відповідний індикатор.

Організація живлення ланцюгів обтікання

Шини «+» і «-» від блоків випрямлячів 24 В, призначених для ланцюгів обтікання, підключені до КЗЖ за допомогою окремих провідників відповідно до таблиці з'єднань на шафу відповідної модифікації.

В КЗЖ кожна з шин «+» і «-» підключена до чотирьох окремих клемних з'єднувачів WAGO, які створюють поля «+N» і «-N» з нумерацією від 1 до 4.

Кожен клемний з'єднувач WAGO полів «+N» і «-N» має вимикач для забезпечення можливості розриву живлення, що йде в зовнішній ланцюг.

Для організації видачі потенційних сигналів «+» 24В на зовнішнє навантаження і для живлення «сухих» контактів зовнішніх джерел сигналів (ланцюгів обтікання) в шафі ШУ передбачені два клемні з'єднувачі КЗС (клемний з'єднувач секційний), виготовлені на основі клемних з'єднувачів WAGO.

Кожен клемний з'єднувач (КЗ) КЗС утворює поля: один КЗС для «-» 24В - поле «-N» і другий КЗС для «+» 24В - поле «+N». Кожне поле клемного з'єднувача КЗС розділене на чотири секції, які між собою не мають з’єднання. Кожна секція має 24 об'єднаних між собою контакти, виконані з клемних з'єднувачів WAGO.

Кожна з чотирьох секцій поля «-N» одного КЗ КЗС і кожна з чотирьох секцій поля «+N» іншого КЗ КЗС підключені до відповідних чотирьох секцій полів «+N» і «-N» двох клемних з'єднувачів КЗЖ.

Таким чином шини «+» і «-» 24 В джерел живлення ланцюгів обтікання об'єднуються по шині «+» і шині «-» в клемних з'єднувачах КЗС.

«Обтікання» зовнішніх ланцюгів (вихід за межі шафи ШУ напруги плюс 24 В) здійснюється від клемного з'єднувача КЗС, створюючого поле «+N».

Схема організації ланцюгів живлення шафи і ланцюгів обтікання представлена на рис. 3.3.

3.8 Організація вентиляції ШУ

Включення вентиляторів здійснюється як автономно, оператором, так і автоматично від субблоку МК-187 через субблок КСК-124 і клемний з'єднувач КСК. У блоках вентиляції передбачений постійний контроль працездатності електровентиляторів. Обслуговування схеми контролю вентиляторів здійснюється субблоком КСК-124.

Рис. 3.3. Схема організації ланцюгів живлення шафи

Для попередження про перехід шафи в режим аварійної роботи, коли температура усередині шафи досягає плюс 60°С і вище, - в шафі встановлені два температурні реле, замкнуті контакти яких через клемний з'єднувач КСК підключені до субблоку КСК-124.

3.9 Проектне компонування пункту управління

• БЩУ - блоковий щит управління;

• РЩУ - резервний щит управління;

• ЩСВО - щит спецводоочищення;

• МЩУ - місцеві щити управління.

БЩУ призначений для постійного знаходження оперативного персоналу, який контролює і управляє енергоблоком. З БЩУ ведеться управління блоком в нормальному, аварійному режимах, а так само здійснюється планова і аварійна зупинка ядерного реактора і турбоагрегату, а також з БЩУ ведеться розхолоджування реакторної установки (відмітка 6,6 м, обстройка РВ, чиста зона).

При проектуванні БЩУ оптимально вирішені питання взаємодії системи «людина-машина». Параметри, які необхідно контролювати на БЩУ, відбираються і відображаються для забезпечення того, щоб оперативно представлялася персоналу однозначна інформація про поточний безпечний стан РУ і блоку в цілому, а також для цілей ідентифікації і діагностики автоматичного спрацьовування систем безпеки.

У проекті передбачені засоби контролю і управління процесами ділення ядерного палива у всіх режимах і умовах в активній зоні при нормальній експлуатації (у тому числі і в підкритичному режимі в процесі перевантаження палива), покажчики положення органів дії на реактивність, автоматичний контроль концентрації розчинного поглинача і покажчики стану інших засобів дії на реактивність.

Проектом у складі системи контролю і управління блоку передбачені системи інформаційної підтримки оператора, зокрема система оперативного представлення узагальненої інформації персоналу про поточний стан безпеки РУ і блоку в цілому.

Система контролю і управління має в своєму складі засоби надійного групового і індивідуального зв'язку між БЩУ, РЩУ і експлуатаційним персоналом блоку, що виконує роботи по місцю.

У складі системи контролю і управління блоку передбачені засоби, що забезпечують збір, обробку, документування і зберігання інформації, достатньої для того, щоб була можливість своєчасного і однозначного встановлення висхідних подій виникнення порушень нормальної експлуатації і аварій, їх розвиток, встановлення фактичного алгоритму роботи систем безпеки і елементів, важливих для безпеки, віднесених до класів 1 і 2, зокрема систем контролю і управління, відхилень від штатних алгоритмів, дій персоналу. Прийняті заходи, направлені на збереження наданої інформації в умовах запроектних аварій. Система контролю і управління блоку забезпечує автоматичну і/або автоматизовану діагностику стану і режимів експлуатації, у тому числі і власне технічних і програмних засобів системи контролю і управління. Система контролю і управління блоку побудована таким чином, що забезпечує найбільш сприятливі, умови для ухвалення оперативним персоналом правильних рішень по управлінню блоком, зводить до мінімуму можливість ухвалення неправильних рішень.

РЩУ призначений для зупинки ядерного реактору, і переводу його в підкритичний стан, а також здійснення аварійного охолоджування активної зони ядерного реактора, скидання параметрів гермооболонки, контролю за викидами в навколишнє середовище і активності гермооболонки в разі ураження БЩУ (відмітка -4,2 м, обстройка РВ, чиста зона).

ЩСВО з цього щита ведеться управління допоміжними системами: спецводоочищення, вентиляційними системами, бойлерною системою і т.д. (відмітка 15,0 м, спецкорпус).

МЩУ можуть виконуватися для загальностанційних систем з постійним перебуванням на них обслуговуючого персоналу, а також для окремих технологічних установок без постійного перебування персоналу (МЩ підігрівачів мережевої води, МЩ генератора і т.д.).

Схема управління зроблена так, що при поразці одного з щитів управління, яке може викликати несправність в лініях зв'язку і надходження помилкових команд, не приводить до самовільних включень і відключення механізмів і дозволяє вести ДУ з іншого щита управління.

3.10 Організація вимірювання рівня в закритих посудинах

Даний метод вимірювання рівня також, як і в випадку вимірювання рівня у відкритих посудинах заснований на вимірі перепаду тисків стовпа рідини в зрівняльній посудині (+) і стовпа рідини в технологічній ємності (-) (див рис. 3.4.).

(+) камера вимірювального перетворювача (3), за допомогою імпульсних ліній з'єднана зі зрівняльною посудиною (2), що врізана в парову частину технологічної ємності й постійно заповнена конденсатом, так що стовп рідини, що впливає на (+) камеру вимірювального перетворювача завжди постійний і залежить тільки від тиску в технологічній ємності. (-) камера вимірювального перетворювача (3), також за допомогою імпульсних ліній з'єднана з врізанням, що виконане в нижній частині технологічної ємності. Різниця між висотними оцінками (+) і (-) урізань в технологічну ємність називається базою рівнеміра Нб=Н1-Н2.

При нульовому рівні рідини в технологічній ємності, на вимірювальному перетворювачі буде максимальний перепад тисків. Чим вище буде підніматися рівень, тим менше буде перепад тисків на вимірювальному перетворювачі, і при h=Нб стане рівним 0. Але це буде тільки в тому випадку, коли щільність рідини в зрівняльній посудині й у технологічній ємності будуть однакові. Оскільки, зазвичай, температури рідини в технологічній ємності й у зрівняльній посудині різні, то й відповідно щільності будуть різні. Тому при розрахунку рівнеміра необхідно враховувати параметри робочого середовища. Розрахунок рівнеміра зводиться до визначення максимального перепаду тисків на датчику й діапазону шкали вимірювального каналу.

Рис. 3.4. Вимірювання рівня в закритих посудинах

На (+) і (-) камери вимірювального перетворювача впливають стовпи рідини Р1 і Р2 відповідно:

(Р=Р1-Р2=Н1х(- (Н2+h) х (' - [(Н1-Н2) - h] х («=Нбх((- (») - hх((' - (»)

Отже, максимальний перепад тисків на датчику буде h=0:

(Рmax = Нб х ((- (»)

Діапазон шкали вимірювального каналу зводиться до визначення h, при якому перепад тисків на датчику дорівнює 0.

Нб х (r-r») - h х (r'-r»)=0,            звідки=Нб х ((- (»)/((' - (»)

Ці рівнеміри називають ще рівнемірами зі зворотною шкалою, тому що тут при нульовому перепаді тисків на вимірювальному блоці датчика вихідний сигнал датчика буде максимальний - 20мА. При максимальному перепаді тисків на вимірювальному блоці датчика, вихідний сигнал датчика - 5мА.

4. Розробка математичної моделі

4.1 Вибір закону регулювання

Для систем регулювання, застосовуються регулятори, що реалізовують наступні закони регулювання:

·          пропорційний (П);

·        інтегральний (І);

·        диференціальний (Д)

·        пропорційно - інтегральний (ПІ);

·        пропорційно-інтегрально-диференціальний (ПІД);

·          позиційний.

П - регулятори можуть застосовуватися як для об'єктів з самовирівнюванням, так і без самовирівнювання в тих випадках коли необхідна висока точність регулювання при великих, але плавних змінах навантаження. Ці регулятори, відрізняючись простотою конструкції, дозволяють стійко і без залишкової нерівномірності регулювати роботу великого числа промислових об'єктів. З цієї причини вони набули найбільшого поширення на практиці.

Керуючись цим вибираємо для регулятора рівня в деаераторі П - закон регулювання.

Пропорційний закон регулювання

При пропорційному законі регулювання (П - закон) регулюючий орган xр переміщується пропорційно відхиленню регульованої величини у від заданого значення уз, тобто пропорційно розузгодженню yр:



де kр - коефіцієнт посилення регулятора.

При пропорційному законі регулювання регулюючий орган переміщується пропорційно відхиленню регульованої величини від заданого значення, тобто пропорційно розузгодженню на вході регулятора. Це значить, що кожному значенню регульованого параметра в межах зони регулювання регулятора відповідає певне положення регулюючого органу. Тобто рівновага системи статичного регулювання (з П - регулятором) може бути при різних значеннях регульованої величини.

Рис. 4.1. Пропорційний регулятор

Особливістю П - регулятора є наявність помилки регулювання (статична помилка ∆0, ∆1, ∆2, ∆3), фізична природа якої пояснюється тим, що переміщення регулюючого органу можливо тільки за рахунок відхилення регульованої величини, яке і утворює цю помилку. При значному коефіцієнті посилення статична помилка може бути зменшена, але при цьому виникає небезпека виникнення коливального процесу в перехідних режимах.

Гідністю П - регулятора є швидкодія, відносна простота і зручність настроювання.

4.2 Структурна схема САР

Технологічні схеми сучасних АЕС відрізняються значною різноманітністю. Відповідно різні і їх схеми регулювання. Проте в багатьох схемах можна виділити агрегати, що виконують схожі технологічні завдання, принципи управління якими також близькі.

Розглянемо структурну схему САР.

Рис. 4.2. Структурна схема регулювання рівня

Задаючий пристрій ЗП чинить дію g(t) на вхід системи. При цьому величина задаючої дії відповідно до завдання може бути постійною, якщо необхідно підтримувати постійне задане значення регульованої величини, або змінюватись по певному закону, якщо в технологічному процесі по цьому закону повинна змінюватися регульована величина.

У САР регульована величина порівнюється із задаючою величиною в сумуючому пристрої СП. Зачорнений сектор в графічному зображенні сумуючого пристрою, означає, що вхідна в цей сектор дія подається із зворотним знаком. Завдяки цьому при значенні регульованої величини, рівному заданому, на вхід підсилювача системи сигнал не поступає, і система знаходиться в рівновазі. У разі нерівності значення сигналу заданому розузгодження (помилка) подається на вхід підсилювача системи, яка реагує на це так, щоб розузгодження зменшувалося.

Зворотний зв'язок, направлений з виходу системи до її входу, називають головним зворотним зв'язком.

Оскільки в САР регулююча дія утворюється як результат відхилення регульованої величини (вихід системи), то головний зворотний зв'язок є завжди негативним.

П-рег. виробляє вид (закон) дії на регульовану величину з таким розрахунком, щоб щонайшвидше її привести до заданого значення.

Виконавчий механізм ВМ через регулюючий орган РО відповідно до виробленого закону регулювання впливає на об'єкт регулювання ОР, відновлюючи задане значення регульованої величини.

На вхід приведеного об'єкту регулювання подається регулююча дія xp(t) від виконавчого механізму ВМ, а його виходом є виміряне значення x(t) регульованої величини.

Оскільки важливим параметром функціонування нашої установки є рівень «L» води в деаераторі підживлення, то далі ми розглядатимемо схему автоматичного регулювання рівня.

.3 Розрахунок параметрів контуру регулювання рівня в деаераторі підживлення

До складу САР, що розраховується входять наступні елементи:

1)         об’єкт регулювання - резервуар;

2)      регулюючий клапан (ТКС14);

)        виконавчий механізм (ТК14S02);

)        давач рівня;

)        регулятор рівня.

Для розрахунку параметрів передаточних функцій елементів САР використаємо наступні вихідні дані:

-    діаметр резервуару - 2980 мм;

-        висота резервуару - 3500 мм;

         відстань між врізками давача рівня в деаераторі - 2620 мм;

         діаметр вхідного трубопроводу - 100 мм;

         діаметр вихідного трубопроводу - 150 мм;

         оптимальне значення рівня - 2000 мм;

         початкове значення рівня - 1650 мм;

         коефіцієнт витрати клапана - 1;

         густина води - 955 кг/м3;

         хід штоку клапана 100 мм;

         максимальне значення напруги потенціометричного перетворювача - 10В;

         максимальне значення напруги давача рівня - 10В;

         постійна часу виконавчого механізму - 2,5 с.

Рис. 4.3. Функціональна схема автоматизації рівня в деаераторі

Розглянемо питання вибору закону регулювання. Як об'єкт регулювання рівня, деаератор є герметичним баком з насосом на зливі, тобто не володіє самовирівнюванням. Його передаточна функція W(S) = K/S. Застосування ПІ-закону регулювання для такого об'єкту приводить до тривалого коливального процесу регулювання, що небажано. Крім того, для деаератора допускається нерівномірність регулювання.

Тому застосуємо П-закон регулювання, який реалізується обхватом ПІ-регулятора жорстким зворотним зв'язком по положенню регулюючого органу. Рівень в деаераторі вимірюється перетворювачем САФІР 22, сигнал від якого поступає на регулятор, де порівнюється з сигналом завдання.

Таким чином, на вхід регулятора поступають два сигнали: по рівню в деаераторі і по положенню клапана. Настройкою регулятора є «коефіцієнт пропорційності» для вказаних двох входів.

При регулюванні рівня води в деаераторі П-регулятором передаточна функція замкнутої системи регулювання за збурюючим (витрата води) каналом описується передаточною функцією, як було сказано вище (W(S) = K/S), об’єкта регулювання за каналом, зміна положення клапана на вході - зміна рівня на виході має вигляд:

де:


Обрахуємо площу дзеркала рідини в деаераторі. Оскільки деаератор має циліндричну форму і внутрішній радіус рівний DД = 2.98 м то після підстановки значень отримаємо:


Площа перерізу вхідного трубопроводу:



Стала об’єкта:

Коефіцієнт передачі клапана визначається як відношення зміни площі поперечного перетину до зміни ходу штока клапана:

Коефіцієнт передачі виконавчого механізму визначається як відношення зміни ходу вихідного штока до зміни керуючої напруги:


Коефіцієнт передачі датчика рівня визначається як відношення зміни вихідної напруги до зміни рівня в резервуарі:


Коефіцієнт передачі потенціометричного перетворювача положення клапана визначається як відношення зміни вихідної напруги до зміни положення штоку:



4.4 Моделювання перехідного процесу та оптимізація параметрів регулятора САР

Отримаємо перехідний процес в замкненій САР з використанням пакету Matlab та визначимо показники якості перехідного процесу. Структурна схема досліджуваної САР рівня в середовищі Simulink має вигляд рис. 4.4.

Рис. 4.4. Simulink - модель САР рівня в деаераторі

Встановивши значення коефіцієнтів регулятора Кр=20 отримаємо перехідний наступний процес:

Рис. 4.5. Перехідна характеристика АСР до оптимізації

З графіка знаходимо:

час регулювання Tр=94 с;

пере регулювання

;

кількість коливань n=0

Для зменшення часу регулювання скористаємось процедурою оптимізації NCD-Blockset пакету Matlab Simulink.

Інструментальний пакет Nonlinear Control Design Blockset (NCD-Blockset) надає в розпорядження користувача графічний інтерфейс для настройки параметрів динамічних об’єктів, які забезпечують оптимальність перехідних процесів.

За допомогою даного інструмента можна настроювати параметри нелінійної Simulink - моделі, в якості яких може бути задана будь-яка кількість змінних, включаючи вектори і матриці.

Рис. 4.6. Simulink - модель САР температури в резервуарі з використанням NCD-блоку

Задання динамічних обмежень здійснюється у візуальному режимі. На базі цих обмежень NCD-Blockset автоматично генерує задачу кінцевомірної оптимізації так, щоб точка екстремуму в просторі параметрів, які настроюються, відповідала виконанню всіх вимог, що ставляться до якості процесу. Ця задача вирішується із застосуванням спеціалізованої процедури квадратичного програмування із пакета Optimization Toolbox. Хід оптимізації контролюється на екрані з допомогою відображення графіка контрольованого процесу і поточних значень функції, що мінімізується. При завершенні процесу його результат фіксується в робочому просторі.

Задача оптимізації полягає в тому, щоб вибрати такий коефіцієнт передаточної функції П - регулятора, який би забезпечував вказані вимоги до якості перехідного процесу.

Параметри блоку Kp задамо змінною величиною, а саме: Kp (рис. 4.7.).

У командному вікні MatLab задамо початкові значення змінних:=1.

Рис. 4.7. Вікна встановлення параметрів П регулятора

Таким чином ми сформували Simulink-модель об’єкта управління і тепер можемо приступити до задання обмежень, які накладаються на вихід системи, тобто блок Transfer Fcn.

Відкриваємо вікно блока NCD Outport, двічі клацнувши по ньому:

Рис. 4.8. Вікно блоку NCD Outport

Встановимо коридор, в межах якого повинен знаходитись сигнал блока NCD Outport у відповідності з вимогами задачі.

Рис. 4.9. Параметри коридору для обмеження системи

Наші вимоги:

замкнута система має перерегулювання менше 30% (від 0,9 до 1,1);

час перехідного процесу менше 30 секунд. Після 50 секунд встановлене значення коливається в межах 1% (від 0,99 до 1,01).

Далі вибираємо пункт меню Optimization\ Parameters. При цьому відкривається вікно (рис. 4.10.), в якому необхідно вказати назви оптимізуючих параметрів: Kp в полі Tunable Variables. В цьому ж вікні змінимо значення поля Discretization interval на 0.1 і поставимо «галочку» напроти поля Stop optimization as soon as the constraints are achieved (для закінчення процесу оптимізації після того, як виконані всі обмеження).

Рис. 4.10. Вікно Optimization Parameters

Тепер все готове для процесу оптимізації. Натискаємо кнопку Start у вікні блока NCD Outport і спостерігаємо за розвитком процесу: для кожного етапу оптимізації у вікні відображаються графіки сигналу (рис. 4.11.), які відповідають початковим (білого кольору) і поточним (зеленого кольору) значенням параметрів, що настроюються. При цьому у командному вікні MatLab відображається інформація про хід оптимізації.

Після закінчення процесу оптимізації, оптимальні значення параметрів, які відповідають зеленій кривій зберігаються в робочому просторі MatLab, в даному випадку, це:=57.

Рис. 4.11. Етапи оптимізації

Встановивши оптимальні значення регулятора отримаємо перехідний процес з заданими показниками якості регулювання (рис. 4.12.)

Рис. 4.12. Перехідний процес системи з оптимальними параметрами налаштування П - регулятора

З графіка знаходимо: Tр hmax

час регулювання Tр=82 с;

пере регулювання

;

кількість коливань n=0

Висновок: параметри якості перехідного процесу задовольняють вимогам до систем автоматичного регулювання.

Висновки

В результаті досліджень особливостей технологічного процесу регулювання рівня води в деаераторі підживлення 1-го контуру та характеристик існуючих технічних засобів автоматизації встановлено:

·        Необхідність їх модернізації на засадах впровадження сучасних мікропроцесорних засобів;

·        У відповідності з поставленою темою та метою, визначені оптимальні значення параметрів контролю, сигналізації, блокування, регулювання необхідні для автоматизації даного технологічного процесу і розроблена функціональна схема автоматизації;

·        Для забезпечення якості продукції досліджені динамічні характеристики об’єкту автоматизації (деаератор ТК10В01), які слугують основою для розробки структури оптимального регулятора рівня;

·        Для узгодження сигналів існуючих первинних вимірювальних перетворювачів та виконавчих механізмів розроблені структурні схеми каналів вводу - виводу аналогових, дискретних сигналів у Програмно-Технічний Комплекс Системи Автоматичного Регулювання;

·        Запроектовано САР рівня води в деаераторі системи продування-підживлення 1-го контуру з використанням сучасних засобів автоматизації;

·        Проведені техніко-економічні розрахунки, які підтверджують правильність проекту.

Список використаних джерел

1. Клюев А.С. «Проектирование систем автоматизации технологических процессов», М., Энергия, 1980, 512 с.

. Петров И.К. «Курсовое и дипломное проектирование по автоматизации производственных процессов», М. Энергия, 1986, 354 с.

. Кафаров В.В. «Оптимизация теплообменных процессов», М. Химия, 1988, 269 с.

.В.З. Барласов, В.И. Ильин «Наладка приборов и средств автоматизации» Учебник для проф.-техн. училищ., М. Высшая школа, 1975, 359 с.

. Егорова А.С. Современные средства регулирования технологических процессов на микропроцессорах. - М., 1981. 39 с. (Обзор информ. ЦНИИТЭИ приборостроения, ТС-6: вып. 6).

. Фролов Г.И. Гембицкий Р.А. Микропроцессоры: автоматизированные системы контроля объетов. - М.: Высш. школа, 1984. 87 с.

. Стефани Е.П. Основы построения АСУ ТП. - М.: Энергоатомиздат, 1982. 352 с.

. Орнатский П.П. Теоретические основы информационно-измерительной техники. - Киев: Вища школа, 1983. 455 с.

. Микропроцессорные контроллеры в системах автоматического регулирования (Г.Г. Иордан. Н.М. Курносов, М.Г. Козлов и др.), Приборы и системы управления. 1981, №2;

. Монтаж средств измерений и автоматизации: Справ. / К.А. Алексеев, В.С Антипин, А.Л. Ганашек и др. / Под ред. А.С. Клюева. - 3-е изд., перераб. и доп. - М.:3 нергоатомиздат, 1988. - 488 с.

. Проектирование систем автоматизации технологических процессов: Справ, пособ. / А.С. Клюев, Б.В. Глазов, А.Х. Дубровский, А.А. Клюев / Под ред. А.С. Клюева. - 2-е изд., перераб. и доп. - М.: Энергоатомиздат, 1990. - 464 с.

. КозаченкоВ.Ф. Микроконтроллеры: Руководство по применению 16-розрядных микроконтроллеров Intel MCS-196/296 во встроенных системах управления. - М.: Изд. ЭКОМ, 1997. - 685 с.

. Калабеков Б.А. Цифровые устройства и микропроцессорные системы. - М.: Горячая линия-Телеком, 2000. - 336 с.

. Герман-Галкин С.Г. Компьютерное моделирование полупроводниковых систем в MATLAB 6.0. - С.-П.: «Корона принт», 2001. - 320 с.

. Баховець Б.О. Методичні вказівки до виконання курсового проекту з курсу «Автоматизований електропривод». - Рівне: РДТУ, 2001. - 68 с.

. Клепач М.І. Методичні вказівки до виконання курсового проекту з курсу «Автоматизація технологічних процесів». - Рівне: УДУВГП, 2002. - 15 с.

. Локазюк В.М. Мікропроцесори та мікроЕОМ у виробничих системах. Посібник. - К.: Видавничий центр «Академія», 2002. - 367 с.

. Тавернье К. РІС-микроконтроллеры. Практика применения. - М.: ДМК Пресс, 2002. - 272 с.

. Мочерний С.В. Економічна теорія. К.: Академія. -1999.

. Мочерний С.В. Основи економічної теорії. Тернопіль.: Тарникс. -1993.

. Цивільна оборона: підручник для вищих учбових закладів; Губський А.І. - К.: Міністерство освіти, 1995 - 216 с.

. Опасные и вредные производственные факторы. Классификация. ГОСТ 12.0.003-74.

Похожие работы на - Автоматизація процесу регулювання рівня в деаераторі підживлення в системі продування-підживлення 1-го контуру

 

Не нашли материал для своей работы?
Поможем написать уникальную работу
Без плагиата!
Без нейросетей!