Проектування електроприводу вентиляційної установки 'Клімат-4М' у птахофермі ФГ 'Джерельні криниці' с. Більче Миколаївського району, Львівської області

  • Вид работы:
    Курсовая работа (т)
  • Предмет:
    Сельское хозяйство
  • Язык:
    Украинский
    ,
    Формат файла:
    MS Word
    155,03 Кб
  • Опубликовано:
    2014-11-08
Вы можете узнать стоимость помощи в написании студенческой работы.
Помощь в написании работы, которую точно примут!

Проектування електроприводу вентиляційної установки 'Клімат-4М' у птахофермі ФГ 'Джерельні криниці' с. Більче Миколаївського району, Львівської області

Зміст

автоматизація птахоферма електропривід вентиляційний

Вступ

. Характеристика господарства

.1 Характеристика сільської ради

.2 Характеристика господарства

. Технологічна частина

.1 Обґрунтування проекту

.2 Технологічна і технічна характеристика об’єкта автоматизації

.3 Розробка та аналіз схем автоматизації

.3.1 Розробка та аналіз структурної схеми

.3.2 Розробка та аналіз функціональної схеми

.3.3 Розробка та аналіз функціонально-технологічної схеми об’єктом автоматизації

.3.4 Розробка та аналіз принципової електричної схеми керування об’єктом автоматизації

.3.5 Розробка та аналіз схеми під’єднання

. Розрахункова частина

.1 Розрахунок та вибір електрообладнання схеми керування

.1.1 Розрахунок та вибір пускових та захисних апаратів

.1.2 Розрахунок та вибір пускових та сигналізуючих пристроїв

. Конструктивна частина

.1 Вибір технічних засобів автоматизації

.2 Розробка заходів по енергозбереженню на об’єкті автоматизації

.3 Визначення основних показників надійності системи автоматизації

.4 Розробка монтажної схеми щита керування

. Охорона праці

.1 Заходи з охорони праці

. Економічна частина

.1 Специфікація на матеріали та обладнання

.2 Кошторисно-фінансові розрахунки

. Охорона навколишнього середовища

.1 Заходи з охорони довкілля

Висновки

Список використаних джерел

Вступ

Ще із стародавніх часів людина пристосовувалася до умов навколишнього середовища, сприймав її таку як є і намагався підстроїти під себе. Він вже тоді прагнув полегшити свою працю шляхом вживання різних предметів і вже потім механізмів. З розвитком людства і відповідно науково технічного прогресу з'явилися досконалі системи автоматизованого управління, які в даний час застосовуються скрізь. Особливо добре цей процес можна поспостерігати на прикладі промисловості нашої країни. Тут передбачаються роботи із створення закінчених систем машин, приладів і високо ефективних технологічних процесів, що дозволяють комплексно механізувати і автоматизувати весь процес від надходження сировини до відвантаження готової продукції, включаючи транспортування, зберігання, вантаження - вивантаження і доставку споживачу.

Автоматизація повсюдно рахується головним, найбільш перспективним напрямком в розвитку промислового виробництва. Завдяки звільненню людини від безпосередньої участі у виробничих процесах, а також високій концентрації основних операцій значно поліпшуються умови праці і економічні показники виробництва.

Автоматизація промислових виробництв неоднакова. Вона дає найбільший ефект в виробництвах з масовим випуском продукції і порівняно працемісткими технологічними процесами. Автоматизація виробничих процесів зв’язана з випусканням ряду автоматичних пристроїв. В масовому виробництві ці пристрої спеціалізовані. В серійному виробництві доводиться користуватися універсальними автоматичними пристроями, що потребують перенастройки або переналагодження, що викликає більшу витрату невиробничого часу.

Тому в послідні роки більша увага надається "гнучкості" автоматичного обладнання, досягненої шляхом широкого використання принципів агрегатування і програмного управління, що веде за собою поступове ускладнення конструкції.

Сучасний стан всіх галузей промисловості характеризується великим різноманіттям технологічних процесів. Умови їх функціонування та вимоги щодо управління і автоматизації вельми різноманітні та індивідуалізовані. Проте, базуючись на досвіді проектування систем управління і автоматизації, можна сформувати деякі загальні принципи, котрими слід керуватися при розробці функціональних схем автоматизації:

. рівень автоматизації технологічного процесу в кожний період визначається не тільки доцільністю упровадження певного комплексу технічних засобів та досягнутого рівня науково-технічних розробок, але й перспективою модернізації і розвитку технологічних процесів. Повинна зберігатися можливість підвищення рівня управління;

. система автоматизації технологічних процесів повинна будуватися, як правило, на базі серійних засобів автоматизації та обчислювальної техніки. Необхідно намагатися використовувати однотипні засоби автоматизації та переважно уніфіковані системи, які характеризуються простотою сполучення, взаємозамінністю і зручністю компоновки на щитах управління. Використання однотипної апаратури дає значні переваги при монтажі, налагодженні, експлуатації, забезпеченні запасними частинами та інше;

. як локальні засоби збору та накопичення первинної інформації (датчики), вторинні прибори, регулюючі та виконавчі пристрої слід використовувати переважно пристрої і засоби автоматизації державної системи промислових пристроїв (ДСП);

. у разі, коли системи автоматизації не можна побудувати на базі тільки серійної апаратури, в процесі проектування виказуються відповідні технічні завдання на розробку нових засобів автоматизації;

. кількість приборів, апаратури управління і сигналізації, яка встановлюється на оперативних щитах і пультах, повинна бути обмеженою. Надмірна кількість апаратури ускладнює експлуатацію, відволікає увагу обслуговуючого персоналу від основних приборів, які визначають хід технологічного процесу, збільшує вартість установки і строки монтажних та налагоджувальних робіт. Прибори і засоби автоматизації допоміжного значення доцільно розміщувати на окремих щитах, які розташовуються у виробничих приміщеннях поблизу технологічного обладнання.

Перелічені принципи є загальними, але не повними для усіх випадків, які можуть зустрічатися в практиці проектування систем автоматизації технологічних процесів. Однак, для кожного конкретного випадку їх слід мати на увазі при реалізації технологічного завдання на автоматизацію об’єкта, що проектується.

1. Характеристика господарства

.1 Характеристика сільської ради

Кавська сільська рада розташована в північно-західній частині Стрийського району Львівської області. На території сільської ради знаходиться один населений пункт село Кавсько. Загальна кількість дворів 464 і населення 1431 чоловік.

Село з районним центром м. Стрий зв’язане дорогою державного значення з асфальтованим покриттям. Віддаль від с. Кавсько до районного центру становить 17 кілометрів. Село Кавсько межує з селами Більче, Болоня, Вівня, Коросниця, Летня, Ланівка, Рівне.

За агроґрунтовим районуванням Кавська сільська рада відноситься до Дрогобицького природного сільськогосподарського району природної зони Передкарпаттям.

За термічними умовами та вологозабезпеченістю сільська рада знаходиться в помірно-теплому, достатньо зволоженому агрокліматичному районі. Протягом періоду з середньодобовою температурою понад 10 градусів випадає 420-460 мм. Сума активних температур становить понад 2300-2500 градусів. Тривалість Вегетаційного періоду з температурою вище 5 градусів становить 210-215 днів, а з температурою понад 10 градусів 155-160 днів. Розподіл опадів на протязі року нерівномірний. Найбільше їх припадає на літні місяці( червень-серпень). Найменша кількість опадів випадає в зимовий період (грудень-лютий). Абсолютний мінімум опадів становить 3,5 мм (лютий), а абсолютний максимум 280 мм (червень). Вітровий режим є різний. В зимовий період переважають південно-західні, а в літній північно-західні вітри. Найчастіше сильні вітри (5 м/сек.) спостерігаються в холодну пору року.

Рельєф місцевості визначає конкретний тип мікроклімату, ґрунтового і рослинного покриття та ступінь ґрунтового зволоження.

Заплавні місцевості в цілому характеризуються рівним рельєфом. Рівнина являє собою заплаву річки Нежухівки.

Місцевість Передгірної частини Карпат охоплює західну та північно-західну частину господарства і являє собою підвищення.

На території сільської ради найбільш поширеними ґрунтами є дервново-середньопідзолисті поверхново-глеюваті та їх змиті відміни - 41,8%, підзолисто-дернові та дерново-підзолисті поверхнево-глеюваті 21,8%, дерново середньо і сильно підзолисті поверхнево оглоєні осушені - 19,2%, дерново слаборозвинені слабо щебенюваті - 8,4%, інші - 8,8%. На території сільської ради особливо цінних ґрунтів немає.

Межі території сільської ради обстежені в натурі. Межі в натурі чітко виражені і відповідають державному акту на право користуванню землею, виданому колишньому колгоспу в 1979 році.

На території с. Кавсько розміщений народний дім "Просвіта", школа, дві церкви, кладовище. Місця трудової діяльності забезпечуються підприємствами різної форми власності. В народному домі створено гуртки художнього слова, вокальний, драматичний.

Село електрифіковане. Централізоване водопостачання та каналізація присутні, але не на всій території. Екологічну ситуацію села можна вважати достатньо благополучною. Забруднення, що розташовані за межами житлової зони, не перевищують ГДК.

В селі є середня школа, де працює тридцять два вчителя та навчається приблизно триста дітей. В школі діють гуртки з фізичного виховання, художньої самодіяльності, створюються вистави, ставляться різноманітні п'єси учнями школи.

Також на території села Кавсько знаходиться чотири магазини, які перебувають у приватній власності на викуплених земельних ділянках.

1.2 Характеристика господарства

ТзОВ "Галичина-Захід", засноване у серпні 2006 р. за участю інвесторів з Данії, спеціалізується з вирощування і реалізації високоякісного товарного поголів'я свиней породи ландрас, дюрок і йоркшир данської генетики із найвищим статусом здоров'я. т.зв. червоним SPF.

Господарство входить до десятки найпотужніших українських свиногосподарств України та за рейтингом журналу "The Ukrainian Farmer" за 2012 р. входить до 100 найпотужніших аграрних підприємств України. ТзОВ "Галичина-Захід" є одним з ініціаторів та засновників Асоціації виробників свинини України, а також одне серед перших на Україні, хто ввів свиноматок д о статутного фонду. Виробничі потужності розташовані в с. Кавсько, Стрийського району (Львівська обл.). Усі тваринницькі й господарські приміщення після придбання відреставровано. Із 2006 р. в модернізацію свинокомплексу вкладено 35 млн. євро, закуплено нове обладнання, сучасну високопродуктивну техніку.

Загальна територія господарства становить 412 га, 57 га з яких займають тваринницькі та господарські приміщення, очисні споруди тощо. Крім того, ТзОВ "Галичина-Захід" орендує земельні паї у декількох районах Львівської області з метою їх засіву зерновими культурами.

Середньооблікова чисельність працівників на підприємстві складає 200 чоловік, лише 40 з яких безпосередньо задіяні в догляді за тваринами. Всіх працівників без винятку забезпечують повним соціальним пакетом, а саме: стабільною заробітною платою, харчуванням, транспортуванням.

Завдяки передовим технологіям та досвідченій, відповідальній і працьовитій команді ТзОВ "Галичина-Захід" входить до десятки найбільших господарств у сфері вирощування свиней в Україні.

Згідно підрахунків фахівців, керуючись чинними нормами, у 2012 році свинокомплекс забезпечив продукцією приблизно 500 тис. українців, продавши понад 10 тисяч тон м'яса. Станом на 2012 рік частка підприємства у виробництві м'яса свинини в області становить 58%. Клієнтами ТзОВ "Галичина-Захід" є м'ясопереробні підприємства не тільки Львівської, а й Івано-Франківської, Закарпатської та інших областей.

Щороку підприємство збільшує виробничі потужності, а саме: зростає чисельність поголів'я, триває постійний процес створення додаткових засобів виробництва. Слід зазначити, що потенціал підприємства сприяє розвитку свинокомплексу без завдання шкоди навколишньому середовищу, й не створюючи незручностей місцевим жителям, оскільки ферма розміщена згідно як українських так і датських екологічних норм захисту навколишнього середовища, про що свідчить достатня згідно вимог площа земельних угідь та відповідність стандартам відстані розташування виробництва від населених пунктів.

У 2014 році ТзОВ "Галичина-Захід" планує збільшення посівних площ до 5 тис. га та нарощення поголів'я до 5 тис. свиноматок, що означає 130 тисяч свиней, призначених для продажу на рік

Діяльність підприємства охоплює весь цикл вирощування свиней:

·        розведення та селекція найкращих свиноматок,

·        збір, аналіз і дозування сперми,

·        штучне запліднення свиноматок,

·        догляд за вагітними свиноматками і новонародженими поросятками,

·        відгодівля молодняка,

·        продаж свиней, що досягли ваги 110-120 кілограм.

ТзОВ "Галичина-Захід" має власний комбікормовий завод потужністю 130 тонн/добу, котрий повністю забезпечує потреби господарства. Корми виготовляють за допомогою високотехнологічного сучасного обладнання з програмним керуванням.

Приблизно 50% зернової сировини для кормів вирощують на власних та орендованих полях, решта - закупляють у спеціалізованих господарствах.

ТзОВ "Галичина-Захід" має власний новозбудований елеватор місткістю 16 тис. тон зерна. Задля покращення умов зберігання урожаю спеціальна сушка ліквідує надлишок вологи. У зв'язку з браком якісної продукції в Україні корми, складові котрих є важливою ланкою у раціоні свиней, закуповують в Данії.

Таблиця 1.2.1 Основні показники рослинництва протягом 2009-2014 років



2. Технологічна частина

.1 Обґрунтування проекту

Вентиляція - це регулювання повітрообміну в приміщенні з метою створення нормованих параметрів мікроклімату (температури, вологості, газового складу повітря, запиленості та швидкості руху повітря).

Сучасна вентиляція свинокомплексу визначає клімат приміщення в цілому вологість, рухливість повітря, його склад, температуру. Від цих параметрів залежить комфорт свиней і ефективність всього процесу вирощування. На даному об’єкті вентиляція приміщень здійснюється за допомогою витяжної вентиляційної системи "Клімат-4М".

Вентиляційні установки бувають з природною тягою, механічним спонукачем тяги та комбіновані. Застосовуються припливні і витяжні механічні системи вентиляції. Витяжні система не володіє функцією обігріву повітря.

На даний час широко використовуються декілька типів вентиляції свинарників:

•        дахова вентиляція;

•        поперечна;

•        поздовжня;

•        даходифузна;

•        тунельна.

Об’єкт комплектований поперечною вентиляцією приміщень.

Даний метод заснований на використанні нормальної вентиляції приміщення. Циркуляція в приміщенні забезпечується прибуваючим повітрям , однак допоміжну роль відведена вентиляційним установкам. Процес витягування повітряних мас виконується вентиляторами, установлених по одній стороні свиноферми. Таким чином, повітря поступає з вулиці і проходить через клапани, які розміщені на протилежній стороні від вентиляційних установок. В такому типі вентилювання передбачений спеціальний регулюючий механізм, дії якого дозволяють контролювати швидкістю обертання вентиляторів.

Планування вентиляції в свинарнику своїми руками являється гарантією створення потрібного мікроклімату в середині приміщення. Як результат появляються наступні переваги в процесі вирощування поголів’я:

•        найкраща конверсія;

•        здорові тварини;

•        оптимальні показники набирання ваги;

•        економія затрат на електропостачання комплексу;

•        дотримання балансу між погодними умовами зовні і мікроклімату в середині приміщення;

•        оптимальні показники вологості і температури повітря.

.2 Технологічна і технічна характеристика об’єкта автоматизації

Для підтримання відповідних значень температури, вологості, газового складу шляхом забезпечення потрібного повітрообміну застосовують різноманітні комплекти вентиляційного обладнання. У витяжних системах, як правило, використовують осьові вентилятори. Типовим прикладом системи витяжної вентиляції є вентиляційне обладнання "Клімат-4", яке залежно від виконання комплектується осьовими вентиляторами типу ВО різної кількості та продуктивності. На рисунку 2.1 зображено схему розташування вентиляційного обладнання "Клімат-4"

- вентилятор осьовий; 2 - автоматичний вимикач; 3 - перемикач; 4 - щит керування; 5 - датчик температури

Рисунок 2.2.1 Схема розташування вентиляційного обладнання "Клімат-4"

Осьові вентилятори типу ВО приводяться в дію спеціальними асинхронними двигунами з підвищеним ковзанням. Командними пристроями станції керування є трипозиційний регулятор температури ПТР-3, а безпосереднє регулювання напруги живлення електродвигунів виконується автотрансформаторами.

До складу комплекту входять: група електровентиляторів типу ВО-5,6МУЗ (комплект "Клімат-45М") або ВО-7,1МУЗ (комплект "Клімат-47М"), шафа керування ШОА9203-3474УХЛЗ.

Шафа керування ШОА9203-3474УХЛЗ призначена для автоматичного і ручного керування електровентиляторами серії ВО обладнання "Клімат-4М". Вона забезпечує:

·        Ступінчасте регулювання частоти обертання електродвигунів осьових вентиляторів вниз від номінальної в діапазоні 1:6;

·        Дистанційне вмикання системи опалення при низькій температурі зовнішнього повітря і повітря в приміщенні;

·        Можливість задавання температури повітря в приміщенні в діапазоні 0...+40С;

·        Можливість задавання фіксованого значення температури зовнішнього повітря в діапазоні -50…+50С;

·        Ручне вмикання, перемикання і вимикання двигунів;

·        Світлову сигналізацію ступенів частоти обертання двигунів, наявності напруги на шафі керування та ввімкненого стану системи опалення;

·        Захист від коротких замикань і перевантаження електродвигунів вентиляторів.

Шафа розрахована на роботу в електромережі трифазного змінного струму частотою 50Гц. Номінальна напруга силового кола 380 В і кола керування 220 В. Напруга для 1, 2, 3, 4, 5 і 6 ступенів частоти обертання двигунів вентиляторів становить 70, 90, 110, 160, 220 і 380 В. Номінальний струм силового кола 25 А.

Таблиця 2.2.1 Технічні характеристики вентилятора типу ВО-7,1МУЗ

Тип вентилятора

Подача повітря

Рівень шуму

Потужність двигуна, кВт

Живлення

Частота обертання,

Ступінь захисту

Вага, кг

ВО-7,1

11000

77

0,37

380 В, 50 Гц

1000

ІР55

32


Таблиця 2.2.2 Технічні дані електродвигуна

Тип двигуна

ККД, %

4АПА80-06У2

0,37

940

1,33

65

0,65

2,0

2,2

1,6

4


.3 Розробка та аналіз схем автоматизації

При розробці схем автоматичного управління і технологічного контролю застосовують різні прилади і засоби автоматизації, що сполучається з об’єктом управління і між собою за певними схемами. Залежно від користувальних приладів і засобів автоматизації і лінійного зв’язку в проектах автоматизації розробляють схеми, які розрізняють за видами і типами.

За видами схеми підрозділяються на електричні, пневматичні, гідравлічні і комбіновані.

Найбільшого поширення в практиці автоматизації технологічних процесів набули електричні прилади і засоби автоматизації, що пояснюється великою різноманітністю наявності апаратури і приладів і наявність на об’єктах джерел електроживлення необхідної потужності і напруги. У зв’язку з цим найбільшого поширення набули електричні схеми. У спеціальних умовах, наприклад, в умовах вибухонебезпечних виробництв, в переважній більшості випадків застосовують пневматичні прилади і засоби автоматизації. Це зумовило необхідність виконання великого числа різних пневматичних схем. Через громіздкість гідравлічної апаратури і труднощів передачі гідравлічних командних імпульсів на великі відстані гідравлічні схеми набули великого поширення.

У ряді випадків в проектах зустрічаються комбіновані електропневматичні, електропневмогідравлічні, пневмогідравлічні та електрогідравлічні схеми.

За типами схем автоматизації підрозділяють на структурні, функціональні, принципові, монтажні, з’єднань.

Схеми автоматизації. Як правило, виконують без дотримання масштабу. У монтажних схемах дотримується дійсне просторове розташування окремих засобів автоматизації і монтажних робіт.

.3.1 Розробка та аналіз структурної схеми

Структурна схема - визначає основні функціональні частини виробу, їх призначення і взаємозв’язок.

Розробляють при проектуванні виробів (установок) на стадіях, що є попередніми відносно розробки схем інших типів, використовується для загального ознайомлення з виробом (установкою).

При розробці систем автоматизації в першу чергу необхідно з’ясувати, з яких місць та або інші ділянки об’єкта управляються і який взаємозв’язок між ними, тобто необхідно встановити, яка структура управління об’єктом.

Об’єкти автоматизації характеризуються вихідними, вхідними та параметрами збурення. Для того, щоб врахувати дію цих параметрів на об’єкт автоматизації, розробляється структурна схема. Перед виконанням структурної схеми потрібно знати призначення об’єкта автоматизації та його технологічну роботу.

вхідні координати - вентиляція , зволоження ;  вихідні координати - концентрація вуглекислого газу, температура  і вологість  повітря

Рисунок 2.3.1.1 Структурна схема регулювання вентиляційною установкою

.3.2 Розробка та аналіз функціональної схеми

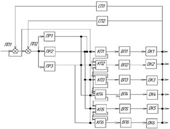
Функціональна схема - що пояснює певні процеси, що відбуваються у певних функціональних ланцюгах виробу (устаткування) чи у виробі в цілому.

Функціональна електрична схема показує функціональне призначення елементів, пристроїв схеми автоматизації, їх взаємозв’язок із значеннями виду величини, що передається між функціональними пристроями, використовуючи умовні позначення.

Для того, щоб розробити функціональну схему потрібно досконало знати технологічну роботу установки та призначення кожного елемента об’єкта автоматизації.

Функціональна схема містить інформацію про способи реалізації пристроєм заданих функцій.

За такою схемою можна визначити, як здійснюється перетворення і які для цього необхідні функціональні елементи.

Кожен функціональний елемент містить лише ті виходи, які необхідні для його колективної роботи.

КП1…КП6- керуючий пристрій; ПР1…ПР3 - проміжне реле; СП1,СП2 - сприймаючий пристрій; ВП1…ВП6 - виконуючий пристрій, ВП2 - виконуючий пристрій;ОК1…ОК6  об’єкт керування.

Рисунок 2.3.2.1 Функціональна схема вентиляційної установки

.3.3 Розробка та аналіз функціонально-технологічної схеми об’єктом автоматизації

Функціонально-технологічна схема (ФТС) автоматизації відображає технічні рішення автоматизації конкретних технологічних процесів. Вона виконується для кожної ділянці виробництва окремо і містить машино-апаратну схему технологічного процесу, на якій за допомогою основних позначень відображають пристрої керування, прилади і засоби автоматизації і зв’язки між ними, які визначають в цілому принципи побудови системи автоматичного контролю і керування об’єктом.

- вентилятор осьовий; 2 -автоматичні вимикачі; 3 - перемикач; 4 - щит керування; 5 - датчик температури;

Рисунок 2.3.3.1 Функціонально-технологічна схема. "Клімат-4"

Згідно зі функціонально-технологічною схемою система автоматизації передбачає автоматичнее керування вентиляційною установкою по температурі повітря в приміщенні, яка контролюється датчиком температури ТЕ. Залежно від температури повітря, терморегулятором ТС формується сигнал керування електродвигунами вентиляторів. За допомогою перемикача HS задається режим керування електродвигунами вентиляторів. Ручне керування виконується аппаратом ручної дії H.

.3.4 Розробка та аналіз принципової електричної схеми керування об’єктом автоматизації

Для автоматичного керування вентиляційною установкою тумблер SА1 встановлюють в положення А (автоматичний режим роботи). При цьому подається живлення на терморегулятори А1 і А2. Ручку задатчика терморегулятора A1 встановлюють на фіксоване значення температури зовнішнього повітря, яке контролюється за допомогою термоперетворювача ВК1, встановленого зовні приміщення. На задатчику терморегулятора А2 встановлюють значення температури повітря в приміщенні, яке необхідно підтримувати. Температура повітря в приміщенні контролюється термоперетворювачами ВК2.....ВК5, які встановлені в контрольних точках приміщення і визначають її інтегроване за чотирма точками значення.

При температурі зовнішнього повітря нижче фіксованого значення на величину, більшу від зони нечутливості терморегулятор А1, замкнеться його замикаючий А1.1 і розімкнеться розмикаючий А1.2 контакти. Замиканням контакту А1.1 підготується до роботи коло котушки електромагнітного пускача КМ1, а розмиканням контакту А1.2 усунеться можливість одночасного замикання кіл котушок електромагнітних пускачів КМ1 і КМ.3. Якщо, в цей час температура повітря в приміщенні нижча заданої на величину, більшу від зони нечутливості терморегулятора А2, то його замикаючий контакт А2.1 також замкнеться, а розмикаючий контакт А2.2 розімкнеться. Замиканням контакту А2.1 буде подано живлення на котушку проміжного реле КV1, а розмиканням контакту А2.2 усувається можливість одночасного вмикання проміжних реле КV1 і КV2.

Отримавши живлення, реле КV1 спрацює і замкне свої замикаючі контакти КV1.1, КV1.2, КV1.3. 3амиканням контакту КV1.1 буде подана напруга на котушку пускача КМ1. Пускач КМ1 спрацює і своїми головними замикаючими контактами приєднає обмотки статорів електродвигунів М1 ...Мn до відпайок Х16, Y16 і Z16 автотрансформатора ТV. На обмотки статорів буде подана напруга 70 В, що відповідає першому ступеню частоти обертання двигунів. Одночасно з головними контактами замкнуться замикаючі і розімкнеться розмикаючий допоміжні контакти пускача КМ1. Один замикаючий контакт ввімкне цифровий індикатор НG, на якому загориться цифра "1", другий подасть команду на дистанційне вмикання системи опалення. При вмиканні опалення замкнеться зовнішній контакт із системи керування опаленням і ввімкне сигнальну лампу НL2 яка сигналізуватиме про те, що опалення ввімкнено. Розмиканням розмикаючого контакту не допускається одночасне вмикання пускачів КМ1 і КМ2.

Якщо при температурі зовнішнього повітря, нижчій від фіксованого значення, температура повітря в приміщенні підвищиться і буде дорівнювати заданій, розімкнеться замикаючий А2: 1 і замкнеться розмикаючий А2.2 контакти терморегулятора А2. При цьому котушка реле КV1 втратить, а котушка реле КV2 одержить живлення. Реле КV1 повернеться у вихідне положення і розімкне свої контакти КV1.1, КV1.2, КV1.3, а реле КV2 спрацює і замкне свої контакти КV2.1, КV2.2, КV2.3. Замиканням контакту КV2.1 так само, як і в попередньому випадку, буде подана напруга на котушку пускача КМ1 і ввімкнеться перший ступінь частоти обертання вентиляторів. Коли температура повітря в приміщенні перевищить задану на величину, більшу від зони нечутливості терморегулятор А2, замкнеться його замикаючий А2:3 і розімкнеться розмикаючий А2.4 контакти. Замиканням контакту А2:3 буде подана напруга на котушку проміжного реле КVЗ. Воно спрацює і замкне свої контакти КV3.1, КV3.2, КV3.3. Розмиканням контакту А2.4 позбавиться живлення проміжне реле КV2 і його контакти КV2.1, КV2.2, КV2.3 розімкнуться. При розмиканні контакту КV2.1 втратить живлення котушка пускача КМ.1 і він повернеться у вихідне положення. Його головні контакти розімкнуться і від'єднають обмотки статорів двигунів М1...Мn від відпайок Х16, Y16, Z16 автотрансформатора ТV. Одночасно з головними контактами пускача КМ1 розімкнуться його замикаючі і замкнеться розмикаючий допоміжні контакти. Розмиканням одного замикаючого контакту вимкнеться цифровий індикатор НG і на ньому погасне цифра "1", а розмиканням другого розмикаючого контакту буде подана команда на дистанційне вимикання системи опалення. При замиканні допоміжного розмикаючого контакту пускача КМ1 через замкнений контакт КV3.1 одержить живлення котушка пускача КМ2. Пускач КМ2 спрацює і своїми головними контактами приєднає обмотки статорів двигунів М1.-.Мn до відпайок Х14, Y14, Z14 автотрансформатора ТV. На обмотки статорів буде подана напруга 90 В, що відповідає другому ступеню частоти обертання двигунів. Допоміжний замикаючий контакт пускача КМ2 ввімкне цифровий індикатор НG, на якому загориться цифра "2".

В усіх інших випадках установка працює аналогічно. Якщо температура зовнішнього повітря дорівнює фіксованому значенню, а температура повітря в приміщенні нижча, дорівнює заданій або вища від неї, обмотки статорів двигунів приєднуються відповідно до відпайок Х14, Y14, Z14, Х12, Y12, Z12 або Х8, Y8, Z8. На обмотки подається напруга відповідно 90, 110 або 160 В, що відповідає другому, третьому або четвертому ступеню частоти обертання двигунів.

При температурі зовнішнього повітря вище фіксованого значення і температурі повітря в приміщенні нижче, однаковій з заданою або вище заданої обмотки статорів двигунів приєднуються відповідно до відпайок Х8, Y8, Z.8 або до затискачів А, В, С автотрансформатора. На обмотки подається напруга відповідно 160, 220 або 380 В, що відповідає четвертому, п'ятому або шостому ступеням частоти обертання двигунів.

Для ручного керування вентиляційною установкою тумблер SА1 ставлять в положення Р (ручний режим роботи), а перемикач SА2 - в одне з восьми положень, що відповідають шести ступеням частоти обертання електродвигунів (6, 7 і 8 положення перемикача SА2 об'єднані в одне).

При встановленні перемикача SА2 в положення, що відповідає необхідному ступеню частоти обертання електродвигунів, вмикається відповідний електромагнітний пускач, який своїми головними замикаючими контактами приєднує обмотки статорів двигунів до відповідних відпайок або до затискачів А, В, С автотрансформатора ТV, а допоміжним замикаючим контактом вмикає цифровий індикатор НG, на якому загоряється цифра, що відповідає номеру ступеня частоти обертання.

На першому ступені частоти обертання другий допоміжний замикаючий контакт пускача КМ1 подає команду на дистанційне вмикання системи опалення, про ввімкнений стан якої сигналізує лампа НL2. Терморегулятори А1 і А2 в ручному режимі роботи вимкнені.

Кожний з електродвигунів М1, М2, ..., Мn захищається від перевантаження і короткого замикання відповідно автоматичним вимикачем QF2, QF3, ..., QFm з тепловим і електромагнітним розчіплювачами струму.

Шафа керування в цілому захищається автоматичним вимикачем QF1 з тепловим і електромагнітним розчіплювачами, а кола керування - плавким запобіжником FU. Про включений стан шафи сигналізує лампа НL1.

Електрична принципова схема подана на аркуші 1 графічної частини.

.3.5 Розробка та аналіз схеми під’єднання

Схеми підключень показує зовнішні електричні зв’язки між вимірювальними пристроями і засобами отримання первинної інформації, з одного боку, щитами і пультами автоматизації - з іншого.

Рисунок 2.3.5.1 Схема підключень вентиляційної установки

3. Розрахункова частина

.1 Розрахунок та вибір електрообладнання схеми керування

Всі апарати, що використовуються в схемах автоматизованого і автоматичного керування електроустановками, поділяють на: захисні, командні, проміжні, виконавчі, сигнальні. Вибирають апарати за призначенням, напругою, величиною струму, кліматичним виконанням, умовами захисту оточуючого середовища та іншими показниками. При виборі елементів потрібно враховувати режими роботи робочих машин та механізмів, вимоги до техніки безпеки, протипожежні правила.

Командні апарати розраховані для створення первинних імпульсів на вмикання, вимикання та зміну режиму роботи електроустановки. До них належать кінцеві та шляхові вимикачі, поплавкові, манометричні, температурні та інші реле, контактні термометри.

Командні апарати вибирають за напругою, струмом, кількістю і видом контактів, виконанням захисту від навколишнього середовища.

Проміжні апарати здійснюють передачу та підсилення первинних імпульсі, а також забезпечують певну послідовність виконання технологічних процесів. До проміжних апаратів можна віднести реле напруги різних типів, реле часу тощо.

Первинні перетворювачі (датчики тиску, вологості, температури, рівня) вибирають залежно від параметрів контрольованої величини, при цьому необхідно врахувати похибку, межі вимірюваної величини.

Виконавчі апарати призначені для виконання відповідних робочих функцій системи неавтоматизованого, автоматизованого та автоматичного керування. До виконавчих апаратів автоматизованого і автоматичного керування відносять електромагнітні пускачі, контактори, різноманітні реле тиску, температури, швидкості, електромагнітні клапани, виконуючі механізми з електродвигун ним приводом, який може бути одно обертовим і багато обертовим.

Сигнальні апарати призначені для інформації про хід технологічного процесу і стан керованого об’єкта, а також для передавання командних сигналів обслуговуючому персоналу. Для цього застосовуються електричні і світлові сигнальні апарати.

До звукових сигнальних апаратів належать дзвінки, сирени, ревуни.

До світлових апаратів сигналізації належать сигнальні лампи.

.1.1 Розрахунок та вибір пускових та захисних апаратів

Апаратами керування називаються електротехнічні пристрої призначені для керування електроспоживачами (електроприводами, електронагрівними пристроями, освітлювальними і опромінювальними установками).

Вибирають апарати за величиною напруги, родом і величиною струму, кліматичним виконанням, умовами захисту від впливу навколишнього середовища, його відповідності технологічним вимогам та іншими показниками.

При виборі апаратів керування і захисту необхідно також враховувати характер і режим роботи електроприймачів, а також доцільно використовувати структури умовних позначень апаратів, вибираючи з них те, що потрібно для конкретного застосування апарату.

Електромагнітні пускачі вибирають:

.За призначенням (реверсивний, нереверсивний, (для пуску асинхронних короткозамкнених двигунів з перемиканням обмоток статора з "зірки" на "трикутник") - залежно від режиму роботи і способу пуску двигуна.

. За конструктивним виконанням (з кнопками керування, без кнопок, з сигнальною лампою без лампи тощо) залежно від місця встановлення (окремо, в комплектному пристрої) та необхідності в сигналізації.

. За наявністю теплових реле - залежно від потреби в тепловому захисті електродвигуна.

. За захищеністю від впливу навколишнього середовища, кліматичного виконання і категорією розміщення - відповідно до умов в яких він буде експлуатуватися. Електромагнітні пускачі, які встановлюються в оболонках комплектних пристроїв керування, повинні мати ступінь захисту ІР00.

. За номінальною робочою напругою - так, щоб номінальна робоча напруга електромагнітного пускача Uном.р. була не меншою від напруги електромережі Uмер., в якій він буде працювати, тобто повинна виконуватися умова:

ном.р. ≥ Uмер., В (3.1)

. За величиною (номінальним робочим струмом) - відповідно до номінального струму електродвигуна, виходячи із умови :

Іном.р. ≥ Ідв.ном., А (3.2)

. За умовами комутації (при категорії застосування А3 і А4)

Іном.р. ≥ Ідв.пуск./6, А         (3.3)

Отже,

= 380 В

10>1,33 А

10>0,22 А

Вибираємо магнітні пускачі KM1…KM6.

Умовам вибору відповідає магнітний пускач типу ПМЛ131102Б

Автоматичний вимикач, необхідний для захисту електродвигуна, потрібно вибирати так, щоб його виконання за родом струму, кількістю полюсів, видом розчіплювачів, захищеністю від впливу навколишнього середовища та іншими даними відповідало вимогам двигуна і умовам його експлуатації . При цьому номінальна напруга вибраного вимикача Uа.ном. мусить дорівнювати або перевищувати номінальну напругу електромережі Uмер.ном., в якій він буде працювати, а номінальний струм головного кола вимикача Іа.ном. та номінальний струм його теплових Іт.ном. і електромагнітних Іе.ном.розчіплювачів мають дорівнювати або трохи перевищувати номінальний струм двигуна Ідв.ном., тобто повинні виконуватись такі умови:

Вибираємо автоматичний вимикач QF1 за умовами:

а.ном. ≥ Uмер.ном., В (3.4)

Іа.ном. ≥ І.н, А (3.5)

І.р.ном. ≥ Ін., А (3.6)

Отже,

= 380 В

>7,98 А

>7,98 А

Вибираємо автоматичний вимикач типу ВА51Г-25-84

Вибираємо автоматичні вимикачі за умовами QF2…QF7:

а.ном. ≥ Uмер.ном., В

Іа.ном. ≥І.н, А

І.р.ном. ≥ Ін., А

Отже,

= 380 В

>1,33 А

,3>1,33 А

Вибираємо автоматичний вимикач типу ВА51Г-25-84.

Визначаємо кількість поділок регулятора на спрацювання теплового розчіплювала:

=/ (3.7)

Отже,

·        для QF1:

=7,98/8=0,99

·        для QF2…QF7:

=1,33/6,3=0,21

Щоб забезпечити надійний захист двигуна від струмів коротких замикань і не допустити вимикання його під час пуску, уставку за струмом спрацювання електромагнітних розчіплювачів треба вибирати, виходячи з умови:

Іу.е. ≥ Кзап. Кр.у. Кр.п.Кі. Ідв.ном, А (3.8)

Отже,

·        для QF1:

А

11292,2 А

·        для QF2…QF7:

 А

88,2 15,4 А

де Кзап. - коефіцієнт запасу, який враховує коливання напруги (беруть Кзап.= 1,1);

Кр.у. - коефіцієнт, що враховує неточність (розкид) за струмом спрацювання електромагнітних розчіплювачів, Кр.у. ≈ 1,25;

Кр.п. - коефіцієнт, що враховує можливе відхилення пускового струму від його номінального значення, Кр.п.= 1,2;

Кі - каталожна кратність пускового струму двигуна;

Ідв.ном. - номінальний струм двигуна.

Плавкі запобіжники призначені для захисту електричних кіл від струмів короткого замикання і перевантаження. Призначені для захисту електродвигунів від коротких замикань, плавкі запобіжники потрібно вибирати так, щоб напруга,на якому вони розраховані Uз, була не меншою від номінальної напруги електромережі Uмер.ном., в якій вони будуть працювати, номінальний струм плавких вставок запобіжників Ів.ном був не меншим від їх розрахункового струму Ів.роз, а номінальний струм запобіжників Із.ном, був не меншим від номінального струму вибраних плавких вставок, тобто повинні виконуватись умови:

, В (3.9)

Ів.ном Ів.роз, А (3.10)

Із.ном Ів.ном , А (3.11)

Отже,

220 220 В

8078 А

100 78 А

Отже, вибираємо запобіжник серії ПРС-100-80

Проміжне реле вибирають за умовами:

·        за виконанням;

·        напругою котушки - напруга котушки Uкот. повинна дорівнювати напрузі кола керування Uкол.к ;

·        кількістю контактів;

·        струмом контактів -струм контактів  повинен бути більшим робочого струму кола ;

·        за споживаною потужністю, яка повинна бути найменшою.

 (3.15)

 (3.12)

Отже,


Визначаємо струм вмикання котушки електромагнітного пускача

 (3.13)

де, потужність котушки магнітного пускача,


Умовам вибору відповідає проміжне реле типу МКУ-48, яка має 3 замикаючих контакти. Розривна здатність контактів 500 ВА, що відповідає силі струму:

 (3.14)


.1.2 Розрахунок та вибір пускових та сигналізуючих пристроїв

До нестандартних слід віднести ті елементи, які можуть бути використані тільки в даній конкретній схемі керування . Це блоки живлення, випрямлячі напруги, потенціометричні подільники напруги, додаткові опори тощо.

Вибрати діод для цифрового індикатора типу ИН-18, якщо , =5 мА.

Визначаємо силу, що протікає через діод за формолою:

, A (3.15)

де коефіцієнт, що залежить від сили струму навантаження.

Отже,


Обчислюємо зворотню напругу, яка буде прикладена до діода

, В (3.16)

Отже,

В

Вибираємо діод типу BAS521.115, в якого значення випрямленого струму і зворотної напруги більші від розрахункових:

 і  В

Вибираємо резистори для сигнальної арматури АСЛ12У2, якщо U=12 , =90 мА.

Спад напруги на резисторі, визначаємо за формолою:

, В (3.17)

Отже,

=208 В

Умови вибору резистора:

.        для резисторів( )

, Вт (4.18)

Отже,

Р Вт

За законом Ома визначаємо опір резистора:

, Ом (3.19)

Отже,

 кОм

Вибираємо резистор типу RCH50S22000JS06(R=2,2 кОм, Р=50 Вт)

.        для резистора :

Вт

За законом Ома визначаємо опір резистора

кОм

Вибираємо резистор типу СП5-22 (R=15 кОм, Р=1 Вт)

Вибираємо перемикач

Умовам вибору відповідає перемикач універсальний серії УП5308-АБВУ

Таблиця 3.1 Технічні характеристики універсального перемикача

Живлення

220 В, 50 Гц

Струм перемикача

16 А

К-сть пакетів

8


Вибираємо тумблер

Умовам вибору відповідає тумблер типу ТВ1-2В

Контактний тумблер с ричажним приводом призначений для ручної комутації електричних кіл управління, сигналізації і контролю.

Таблиця 3.2 Технічні характеристики універсального перемикача

Номінальна напруга, В

220

10

Контактна група 2"Р"

+2"3"

Робоча температура,

від -45 до +85

Механічна зношеність

Зусилля переключення, Н

від 4 до 15

Діаметр монтажного отвору, мм

14,1



4. Конструктивна частина

.1 Вибір технічних засобів автоматизації

Вибираємо терморегулятор

Умовам вибору відповідає терморегулятор типу СРТ-400

Призначення: цифрові програмовані регулятори температури призначені для керування нагрівальним та холодильним обладнанням з метою підтримання постійної температури оточуючого середовища та температури речовин у промислових застосуваннях з можливістю керування технологічними процесами.

Дія: час роботи та задана температура реалізуються програмою, створеною користувачем. В регуляторі вбудований календар та годинник реального часу, що робить можливим вмикання та вимикання керованого приладу в циклах: добовому, тижневому, в робочі (Пн.-Пт.) чи вихідні (Сб-Нд.) дні.

Таблиця 4.1 Технічні характеристики терморегулятора СТР-400

напруга живлення

220 В~

максимальний струм навантаження

16 А

контакти вихідного реле

1 на перемикання

діапазон регулювання температури

від 0°С до +60°С

гістерезис регульований

від 0°С до 10°С

точність встановлення

0,1°С

Корекція

±5°С

точність вимірювання

±1°С

час затримки спрацювання регульований

від 1 до 15 хв

споживана потужність

1,5 Вт

приєднання проводів

затискачі гвинтові 2,5 мм2

робоча температура

від -20°С до +40°С

габаритні розміри

3 модулі типу S (52,5 мм)

монтаж пристрою

на DIN-рейці 35 мм

максимальний струм навантаження

220 В~


Додаткова інформація:

Функції регулятора:

-          панель керування за допомогою якої здійснюється програмування та моніторинг роботи пристрою

-          режими роботи НАГРІВАННЯ та ОХОЛОДЖЕННЯ - утримання заданої температури згідно з запрограмованими годинами та днями тижня

-          режим роботи БЕЗПЕРЕРВНИЙ - утримання однієї заданої температури, реалізованої з попередніх програм з пам’яті регулятора

-          режим роботи ВИМІРЮВАННЯ - покази поточної температури без керування під’єднаним пристроєм

-          можливість запису до 50 програм

-          ІНТЕРВАЛ - можливість запису до 8 заданих значень температури

-          ЗАТРИМКА - програмований час затримки спрацювання при проходженні через граничні значення температури

-          КОРЕКЦІЯ - усунення похибки показів регулятора за допомогою еталонного термометра

-          ДАТЧИК! - візуальна сигналізація аварії датчика температури

-          DST - автоматична зміна часу з літнього на зимовий та навпаки

-          СВІТЛО - визначення режиму підсвітки дисплею

-          МОВА - три мови меню регулятора: польська, англійська та російська

Рисунок 4.1 Схема підключень

Вибираємо датчик температури

Умовам вибору відповідає датчик температури ДТС3005-PТ1000.B2

Датчик ОВЕН ДТС3005-PТ1000.В2 призначений для вимірювання температури зовнішнього повітря або повітря в середині приміщення. Установлюється на плоску поверхню стіни.

Являється аналогічним датчиком ДТС125-50М.В2.60

Для підключення кабелю в корпус є отвір, який закритий заглушкою.

Чутливий елемент - Pt1000

Можливе виготовлення датчика з чутливим елементом Pt100 по вимогам замовника.

Таблиця 4.2 Технічні характеристики ДТС3005-PТ1000.В2

Температура середовища

-50…+120 °С

Похибка

(0,3+0,005|t|) °С

Тип сенсора

Pt1000 РСА1.2010.10L

Схема підключення

Двох провідна

Ступінь захисту

IP54


Вибираємо автотрансформатор

Умовам вибору відповідає автотрансформатор типу АТ-10

Трансформатор, у якого обмотка нижньої напруги електрично (гальванично) зв’язана з обмоткою вищої напруги.

Таблиця 4.3 Технічні характеристики АТ-10

Тип

АТ-10

Потужність, кВА

10

Вхідна напруга, В

382 і 220

Вихідна напруга, В

220, 150,110,90 і 70


Вибираємо цифровий індикатор. Умовам вибору відповідає цифровий індикатор типу ИН-18. ИН-18 - індикатор тліючого розряду, призначений для індикації десятинних цифр. Це самий більший вітчизняний газорозрядний цифровий індикатор.

Виконання індикатора ИН-18: скляний, безцокольний з жорсткими виводами, типа РШ-31. Індикація виконується через бокову поверхню балона.

Таблиця 4.4 Призначення виводів індикатора

1

не підключено

2

катод 4

3

катод 5

4

Анод

5

катод 6

6

катод 7

7

катод 3

8

не підключено

9

катод 8

10

катод 2

11

катод 1

12

Анод

13

катод 0

14

катод 9


Таблиця 4.5 Основні характеристики ИН-18

1

2

Індикуючі цифри

0-9

Висота цифр, мм

40

Яркість свічення, кд/м²

>50

Кут обзору, °

>90°

Напруга і джерело живлення, В

>200

Напруга виникаючого розряду, В

>170

Напруга підтримки розряду, В

>150

Струм індикації, мА

<4

Струм робочий при живленні від джерела потсійної напруги, мА

4...7

Струм робочий при живленні від джерела пульсуючої напруги 50 ГЦ, мА

2..4

1

2

Мінімальне напрацювання, ч

>5000

Вага, г

35


4.2 Розробка заходів по енергозбереженню на об’єкті автоматизації

Основними заходами енергозбереження є:

-          пріоритет підвищення ефективність використання палива й енергії над збільшенням обсягів видобутку газу і виробництва;

-          поєднання інтересів споживачів, постачальників і середніх виробників палива й енергії;

-          першочерговість забезпечення виконання екологічних вимог до видобутку, виробництву, переробці,

-          транспортуванні та використання палива й енергії;

-          обов'язковість обліку юридичних осіб вироблених чи витрачених ними енергетичних ресурсів, і навіть обліку фізичними особами одержуваних енергетичних ресурсів;

-          сертифікація паливно-енерговикористовуючого, енергозберігаючого і діагностичного устаткування, матеріалів, конструкцій, транспортних засобів, і навіть енергетичних ресурсів;

-          зацікавленість у виробників і постачальників енергетичних ресурсів у застосуванні ефективних технологій;

-          здійснення заходів програми рахунок власних коштів або на поворотній основі.

-          підвищення ефективність використання енергетичних ресурсів на одиницю продукту підприємства;

-          зниження фінансового навантаження з допомогою скорочення платежів за паливо, теплову і електричну енергію;

-          поліпшення стану підприємства з допомогою зниження платежів енергоресурсів і, додаткове поповнення бюджету області протягом рахунок податкових надходжень.

-          проведення енергетичних обстежень організацій;

-          впровадження централізованих систем обліку енергоресурсів на промислових підприємствах.

-          регулювання енергоспоживання;

-          реконструкція промислових вентиляційних установок;

-          модернізація паливних і електричних печей;

-          модернізація енергетичного устаткування.

При виборі конденсаторної установки необхідна сумарна потужність конденсаторних батарей визначається виходячи з формули:

, кВАр (4.1)

Де

 - споживана активна потужність, кВт

 - необхідна ємнісна потужність, кВАр

- коефіцієнт, що отримується з таблиці у відповідності зі значеннями коефіцієнтів потужності

Отже,

 = 2.220,54=1,1988 кВАр

Слід зазначити, що зазвичай не рекомендується компенсувати реактивну потужність повністю, тому що при цьому можлива перекомпенсація за рахунок змінної величини активної потужності навантаження та інших випадкових факторів.

.3 Визначення основних показників надійності системи автоматизації

Надійність - це властивість об'єкта (схеми) виконувати задані функції протягом часу, обумовлені вимогами експлуатації.

Якщо на стадії проектування не врахувати надійність, то в реальних умовах розроблена схема керування може виявитись непрацездатною.

Розрізняють відмови трьох видів:

• технологічні (відбуваються за рахунок невідпрацьованої технології і незадовільного контрольного контролю в процесі виробництва);

· зношувальні (є наслідком старіння окремих елементів виробу);

· раптові (виникають випадково)

Розрізняють також збій, який через деякий час ліквідується сам по собі. Збій призводить до короткочасного порушення працездатності виробу. Причина збою - неполадки в лінії зв'язку, енергопостачання.

Ймовірність безвідмовної роботи Р(t) - ймовірність того, що в заданому інтервалі часу при заданих режимах і умовах не виникне відмова виробу в роботі:

Р(t)=, (4.2)

Де- коефіцієнт, який враховує вплив навколишнього середовища, для сільськогосподарських установок k=10.

- інтенсивність відмов для деяких виробів

 -час експлуатації

Таблиця 4.6. Інтенсивність відмовлень схеми

Назва елемента схеми

Кількість елементів

Інтенсивність відмовлень 10-6×год-1

Результуюча інтенсивність відмов 10-6×год-1

1

2

3

4

Запобіжник плавкий

1

0,6

0,6

Магнітний пускач

6

10

60

Автоматичний вимикач

7

0,22

1,54

Резистори

5

0,5

2,5

Проміжне реле

3

1,2

3,6

Трансформатор

1

5

5

Діоди

1

1,5

1,5

Сигнальна лампа

2

0,625

1,25

Цифровий індикатор

1

38

38

Тумблер

1

0,1

0,1

Терморегулятор

2

23

46

Перемикач

1

0,25

0,25

Термоперетворювач

5

3,8

19


Визначаємо інтенсивність відмовлень схеми

+0,6+60+3,6+2,5+5+1,5+1,25+38+0,1+46+0,25+19=179,34×10-6год-1; (4.3)

Час безвідмовної роботи схеми:

Т=== 5576год, (4.4)

Ймовірність безвідмовної роботи схеми за 1000 год.:

Р(t).= ==0,17 (4.5)

Ймовірність відмовлень схеми:

(t)сх=1-Р(t)=1-0,17=0,83 (4.6)

Оскільки через те, що у магнітного пускача найбільша інтенсивність відказів, то його й будемо резервувати:

 (4.7)

 (4.8)

Кількість електромагнітних пускачів:

 (4.9)

Резервування підлягає лише 1 магнітний пускач.

.4 Розробка монтажної схеми щита керування

Схеми з'єднань - це схеми, на яких зображують з’єднання складових частин установки або виробу, що автоматизуються, а також проводи, кабелі або трубопроводи.

Схемами з’єднань користуються при виконанні монтажних та налагоджувальних робіт на об’єкті, а також у процесі його експлуатації.

Загальні правила виконання схем з’єднань такі:

-             розробляють на один щит, пульт, станцію управління;

-             усі типи апаратів, приладів та арматури, передбачені принциповою електричною схемою, повинні бути повністю відображені на схемі з’єднань;

-             позиційне позначення приладів та засобів автоматизації, а також маркування ділянок ланцюгів, що прийняті на принципових схемах, необхідно зберегти на схемі з’єднань.

Для перших двох, крім перерахованих правил, слід дотримуватись ще наступних:

-             щит або шафу управління розвертають в одній площині, позначаючи лише ті їх конструктивні елементи, на яких розміщуються прилади та засоби автоматизації; при цьому зберігають взаємне розміщення приладів та засобів автоматизації;

-             прилади та засоби автоматизації зображують спрощено без збереження масштабу у вигляді прямокутників, над якими розташовують коло, розділене горизонтальною рискою навпіл. Цифри над рискою вказують порядковий номер виробу (номери присвоюються попанельно зліва направо і зверху вниз), а під рискою - позиційне позначення цього виробу (відповідно до принципової електричної схеми);

-             вивідні затискачі приладів умовно зображують колами, у середині яких показують їх заводське маркування; якщо у вивідних затискачів апаратів заводського маркування немає, їх маркірують умовно арабськими цифрами, що обумовлюють у пояснюючих написах; маркування проводів і позначення затискачів на схемах з’єднань незалежні;

-             платам, на яких розміщуються резистори, конденсатори та інші елементи, присвоюється лише порядковий номер (проставляється в колі над рискою); позиційне позначення елементів розміщують безпосередньо біля їх умовного графічного позначення.

Схема з’єднань подана на аркуші 2 графічної частини.

5. Охорона праці

.1 Заходи з охорони праці

В наш час поставленні завдання впровадження на всіх підприємствах сучасних засобів техніки безпеки і забезпечення санітарно - гігієнічних умов, які сприятимуть ліквідації виробничого травматизму і професійних захворювань.

На підприємстві адміністрація зобов’язана створити такі умови праці, які б виключали можливість виникнення травм і сприяли підвищенню продуктивності праці. Належно від ступеня небезпеки виробництва на всіх підприємствах і в організаціях проводиться навчання з правил техніки безпеки прийнятих на роботу працівників, які не мають професії або її міняють, а також інструктажі при підвищенні кваліфікації робітників. Загальне керівництво і організація навчання на підприємстві покладаються на керівника підприємства, а в підрозділах - на керівника підрозділів.

До території підприємства повинні пред’являтись всі вимоги будівельних норм і правил, які стосуються її експлуатації територія підприємства повинна бути огороджена з усіх сторін вхід і вихід на неї здійснюється тільки через контрольно-пропускні приміщення, а в’їзд і виїзд транспорту - через ворота.

Куріння на території підприємства дозволяється тільки в спеціально відведених для цього місцях, узгоджених з протипожежною охороною. За порушення правил техніки безпеки на території підприємства винні притягуються до адміністративної і навіть кримінальної відповідальності.

Деякі частини електричного обладнання, які в нормальних умовах не перебувають під напругою, в разі пошкодження ізоляції можуть виявитись небезпечними. Тому необхідно уважно стежити за справністю ізоляції. Безпечним для людини вважається електричний струм до 0,05 А; струм від 0,05 до 0,1 А вважається небезпечним, а струм 0,1 А і вище - смертельним. Напруга нижча за 40 В - безпечна, а вища за 40 В - небезпечна. Струм, який проходить через людський організм при ураженні струмом, залежить від відношення напруги через людський організм при ураженні струмом, залежить від відношення напруги до опору організму.

Під час огляду устаткування обов’язково треба оглянути електропроводку, звернути особливу увагу на цілісність ізоляції, оголені місця електричних проводів негайно за ізолювати. Особливо обережно слід поводитись з електрокабелем переносних електрифікованих інструментів.

При використанні тваринницької техніки необхідно дотримуватись певних правил з техніки безпеки.

До обслуговування машин допускаються працівники, які добре обізнані з будовою машин та правилами їх безпечної експлуатації. Перед початком роботи треба впевнитись в наявності захисних пристроїв та перевірити надійність їх кріплення. Перед включенням в роботу робочих органів машин слід подавати раніше встановлений сигнал. Машини й установки, які підбирають і подрібнюють прив'ялену траву, досушують сіно активним вентилюванням, агрегати і обладнання для приготування вітамінного трав'яного борошна і гранулювання його повинні бути обладнані вогнегасниками. Машини з електроприводом слід надійно, заземлювати. Регулювання машин, які приводяться в дію від вала відбору потужності трактора, треба виконувати тільки при зупиненому двигуні трактора. Стопорні болти карданного вала повинні бути надійно загвинчені і зашплінтовані. Люки робочих органів машин під час їх роботи повинні бути закритими. Під час заміни подрібнювальних робочих органів машин диски подрібнювальних апаратів стопорять, що запобігає їх обертанню.

При заточуванні ножів подрібнювачів слід користуватись захисними окулярами. На час виконання технічних доглядів, усунення поломок, виконання ремонтних робіт, а також при очищенні машини обов'язково треба вимкнути рубильник, вийняти запобіжники та вивісити табличку з написом: "Не вмикати - працюють люди".

Забороняється перевіряти стан робочих органів машин, під час їх роботи; знаходитись під час роботи на косарках, подрібнювачах, плющилках, агрегатах для приготування вітамінного трав'яного борошна і його гранулювання; знаходитись під час роботи в кузовах транспортних засобів; працювати в незастебнутому одязі; просувати руки до робочих органів машин при працюючому тракторі або приводному електродвигуні; очищати, змащувати і регулювати машину під час її роботи; вмикати в роботу машини, які не мають захисних щитків біля передач; перебувати у місцях викидання подрібненого корму; проштовхувати масу руками або вилами до пресувальних вальців та в горловину машини.

6. Економічна частина

.1 Специфікація на матеріали та обладнання

У специфікації подаємо перелік обладнання та матеріалів за значенням їх типу та кількості в такій послідовності: двигун та інші приймачі електричної енергії, апаратура керування та захисту, з’єднувальні провідники та інше.

Таблиця 6.1 Специфікація на електрообладнання

Найменування

Одиниці виміру

Кількість

Примітка

1

2

3

4

4АПА80-06У2

шт.

6

P=0,37кВт, Ін=1,33 А

ВА51Г-25-24

шт.

7

 Ір.ном=6,3 А

ПМЛ-131104Б

шт.

6

Ін=10А

ПКЛ 2204

шт.

6


МКУ-48

шт.

3

U=220В;Р=3Вт

СТР-400

шт.

2

U=220В;І=16А;t(0°С до +60°С)

АТ-10

шт.

1

P=10кВА; U=380…220В

ПРС-100-80

шт.

1

Ів =80 А; U=220В

ТВ1-2В

шт.

1

U=220 B; =10A

УП5308-АБВУ

шт.

1

U=220 В, I=16 А

АСЛ12У2

шт.

2

U=12В; І=90мА

шт.

1

І=4...7мА; U200В

ДТС3005-PТ1000.В2

шт.

5

t(-50…+120 °С)

RCH50S22000JS06

шт.

4

P=50Вт;R=2,2кОм

BAS521.115

шт.


І=0,2А;U=250В

СП5-22

шт.

1

R=15 кОм, Р=1 Вт


.2 Кошторисно-фінансові розрахунки

Кошторис є основним документом, що нормує вартість будівництва об’єкта електрифікації, він завершує розроблення проектної документації.

Кошторис визначає найраціональніше виконання робіт і доставку будівельних матеріалів, деталей, конструкцій на при об’єктні склади, витрати на тимчасові споруди і механізми.

Прямі витрати включають такі елементи: основну заробітну плату працівників, занятих на будівельно-монтажних роботах, вартість матеріалів, конструкцій і деталей з урахуванням витрат пов'язаних із доставкою їх від заводів-виготовлювачів до при об'єктних машин, механізмів та устаткування.

Прямі витрати включають такі елементи: основну заробітну плату працівників, вартість матеріалів, конструкцій і деталей з урахуванням витрат пов’язаних із доставкою їх від заводів-виготовлювачів до при об’єктних машин, механізмів та устаткування.

До накладних витрат входять витрати адміністративно-господарські, на обслуговування робітників та організацію і проведення будівельно-монтажних робіт.

Планові нагромадження є одним з основних джерел утворення прибутку при виконанні будівельно-монтажних робіт. Цей прибуток спрямовується в бюджет за користування основними виробничими фондами і оборотними засобами, утворення фондів економічного стимулювання, фінансування власних оборотних засобів відшкодування частини витрат на житлове будівництво, утримання культурно-побутових закладів та інші витрати будівельної організації

Приймають, що транспортно-складські затрати дорівнюють 11% вартості обладнання, вартість монтажних робіт для робочих машин становить 15-20% їх вартості, а електродвигунів 25% їх вартості.

Таблиця 6.2 Кошторис на електрифікацію свинарника

Найменування

Одиницівиміру

Кількість

Вартість матеріалів, грн

 




одиниці

сума

 

1

2

3

4

5

 

4АПА80-06У2

шт.

6

2500

15000

 

ВА51Г-25-24

шт.

7

79

553

 

ПМЛ-131104Б

шт.

6

110

660

 

ПКЛ 2204

шт.

6

40

240

 

МКУ-48

шт.

3

25

75

 

СТР-400

шт.

2

2000

4000

 

АТ-10

шт.

1

2000

2000

 

ПРС-100-80

шт.

1

300

300

 

ТВ1-2В

шт.

1

20

20

 

УП5308-АБВУ

шт.

1

500

350

 

АСЛ12У2

шт.

2

50

100

 

ИН-18

шт.

1

125

125

 

ДТС3005-PТ1000.В2

шт.

5

500

2500

RCH50S22000JS06

шт.

4

100

400

BAS521.115

шт.

1

0,5

0,5

СП5-22

шт.

1

50

50

Всього

26373,5



7. Охорона навколишнього середовища

.1 Заходи з охорони довкілля

У стічних водах тваринницьких комплексів міститься значна кількість біотехнічних елементів, патогенної мікрофлори, личинок та яєць гельмінтів, токсичних газів (Н2S, NH3, СО2), меркаптани, водень, а також альдегіди, спирти, аміни, фенол, індол тощо.

Тваринницький комплекси є джерелом забруднення атмосфери на значні відстані, Тут спостерігаються специфічні запахи, підвищена концентрація аміаку та інших речовин.

Тваринницький комплекс на 10 тис. голів великої рогатої худоби на добу викидає в атмосферу 57 кг NH3, близько 1310 млрд. мікроорганізмів, 2148 кг органічних речовин.

При виробництві 1 кг яловичини утворюється 25 кг гною, 1 кг свинини - 20 кг, 1 кг молока - 5 кг.

Для навколишнього середовища рідкий гній більш небезпечний, ніж твердий.

Рідкий гній не зігрівається, оскільки має постійну температуру, а тому в ньому значно довше зберігаються збудники хвороб та гельмінти.

Тваринництво може забруднювати навколишнє середовище трупами тварин, які загинули від травм, інфекційних та неінфекційних захворювань, відходами при забої худоби, птиці, які не можна використати в харчовій промисловості, а вони становлять понад 18% від живої маси.

Заходи боротьби з забрудненням навколишнього середовища відходами тваринництва

· Правильний вибір місця розташування тваринницьких комплексів: їх не можна розміщувати поблизу водойм. Тваринницькі об'єкти повинні розташовуватися з підвітряного боку від житлової забудови, нижче по рельєфу місцевості з урахуванням напрямку пануючих вітрів. Тваринницькі будівлі розташовують перпендикулярно до пануючих вітрів для кращого вилучення повітря з вентиляторів, які знаходяться на території комплексу.

· Створення санітарне захисних зон, які відокремлюють житлову забудову від тваринницьких комплексів. З боку житлової забудови розміщують насадження дерев та кущів шириною не менше 50 м. Рекомендується садити тополю, в'яз, клен американський, білу акацію.

· Озеленення території тваринницьких об'єктів та гноєсховищ з метою зменшення забруднення навколишнього середовища і неприємних запахів.

· Розміщення споруд та елементів, які пов'язані з видаленням, зберіганням, знезараженням і транспортуванням гною, з підвітряного боку і нижче водозабірних установок, за межами огорожі ферм на відстані не менш як 60 м від тваринницьких будівель. Територію цих споруд захищають лісосмугами (ширина -10 м), проводять благоустрій і створюють під'їзд з твердим покриттям завширшки 3,5 м.

· На випадок ензоотій на тваринницьких комплексах повинні бути передбачені технічні засоби і методи знезаражування рідкого гною.

· На очисних спорудах тваринницьких ферм і комплексів передбачаються карантинні місткості, розраховані на шести добове зберігання гною. На випадок інфекції вся його маса знезаражується.

· Бурти гною повинні розмішуватися на незаглиблених водонепроникних майданчиках із твердим покриттям зі схилом у бік відповідних лотків.

· Рідкий гній зберігають у спеціальних гноєсховищах, які зроблені з бетону та інших водонепроникних матеріалів. Внутрішні стінки резервуарів покриваються бітумом, що виключає фільтрацію в навколишнє середовище та руйнування споруд.

· Не можна допускати збору гноївки та силосної рідини в природні резервуари: ями, яри, водойми, що може призвести до забруднення підземних вод та джерел нітратами і збудниками інфекцій.

· Забруднені води та тваринницькі стоки транспортують по трубопроводу на очисні споруди, а потім вносять на поля. Може бути і проміжна ланка - польове гноєсховище.

· Рідкий гній свинокомплексу витримують у гноєсховищах один рік, а комплексу великої рогатої худоби - сім місяців.

· Використання рідкої фракції гною для виготовлення компостів. Якщо є можливість, то потрібно підключати стічні води і гноївки до загальної каналізаційної мережі.

· Цехи і майданчики компостування гною забороняється розміщувати в низьких та заболочених місцях, поблизу річок, озер, ставків, колодязів, ближче 2000 м від рибогосподарських водойм і 300 м - від артезіанських свердловин. Місця для таких майданчиків повинні бути рівними, водонепроникними, з бетонним покриттям та плівковим захисним екраном.

· Гній і тваринницькі стоки можна використовувати як органічне добриво не тільки на сільськогосподарських, але й на лісогосподарських угіддях.

Висновки

Метою мого курсового проекту був вибір, проектування і розрахунок електроприводу вентиляційної установки "Клімат-4М" у птахофермі на 25 тис. курей ФГ "Джерельні криниці" с. Більче Миколаївського району, Львівської області.

Для цього я вибрав двигуни електропривода АИР90L2У3 потужністю 3 кВт. Також я підібрав апаратуру захисту і керування. Для керування електродвигунами я вибрав електромагнітний пускач ПМЛ-131104Б з номінальною силою струму 10 А, проміжне реле РПУ-0-56-УХЛ4 з номінальною напругою котушки 220 В, автоматичний вимикач серії ВА51-25-24 з номінальним струмом розчіплювала 6,3 А, діод типу BAS521.115 струмом 0,2 А і зворотною напругою 250 В, резистори типу RCH50S22000JS06 опоро 2,2 кОм і СП5-22 опором 15 кОм.

Як апарат захисту я обрав запобіжник ПРС-100-80 із номінальним струмом плавки вставки 80 А.

Всі норми і правила щодо влаштування електрообладнання - дотримані. В пояснювальній записці розроблено заходи по охороні праці та по охороні навколишнього середовища.

Список використаних джерел

1. Автоматизація технологічних процесів і систем автоматичного керування: Навчальний посібник / Барало О.В., Самойленко П.Г., Гранат С.Є., Ковальов В.О. - К.: Аграрна освіта, 2010. - 577 с.

. Автоматизація технологічних процесів сільськогосподарського виробництва. / Мартиненко І.І., та ін.; За ред. Мартиненка І.І., - К.: Урожай, 1995. - 271 с.

. Герасимович Л.С., Калинин Л.А., Корсаков А.В., Сериков В.К. Электрооборудование и автоматизация сельскохозяйственных агрегатов и установок. - М.: Колос, 1980. - 391 с.

. Гончар В.Ф., Тищенко Л.П. Електрообладнання і автоматизація сільськогосподарських агрегатів і установок: Навч. посібник-К.: Вища школа, 1989. - 343 с.

. Довідник по автоматизації сільськогосподарського виробництва / Мартиненко І.І., Гірник М.Л., Поліщук В.М. та ін.; за ред. Мартиненка І.І. - К.: Урожай, 1985. - 216 с.

. Довідник сільського електрика / За ред. В.С. Олійника. - К: Урожай, 1989. - 264 с.

. Електропривід сільськогосподарських машин, агрегатів та потокових ліній / За ред. Є.Л. Жулая. - К.: Вища освіта, 2001. - 288 с.

. Электрооборудование и автоматизация сельскохозяйственных агрегатов и установок / И.Ф. Кудрявцев, Л.А. Калинин, В.А. Карасенко и др.; Под ред. И.Ф. Кудрявцева. - М.: Агропромиздат, 1988. - 480 с.

. Изаков Ф.Я., Казадаев В.Р., Ройтман А.Х., Шмаков Б.В. Курсовое и дипломное проектирование по автоматизации технологических процессов. - М.: Агропромиздат, 1988. - 183 с.

. Каганов И.Л. Курсовое и дипломное пректирование. - М.: Агропромиздат, 1990. - 351 с.

. Колесник А.Л. и Шаманский В.Г. Курсовое и дипломное проектирование. - М.: Колос, 1977. - 304 с.

. Курсове і дипломне проектування: Навчальний посібник / П.С. Кашенко, О.І. Біленко, О.А. Устименко, Н.В. Ходосова, Н.О.Малюжко, О.В. Малай, А.О. Стогній, В.Г. Устименко, Т.А. Медведєва. - К.: Аграрна освіта, 2008. - 502 с.

. Мартыненко И.И., Тищенко Л.П. Курсовое и дипломное проектирование по комлексной электрификации и автоматизации. М.: Колос, 1978. - 223 с.

. Механізація і автоматизація тваринництва: Підручник / Ревенко І.І. та ін.; За ред. Ревенка І.І. - К.: Вищаосвіта, 2004. - 399 с.

15. Стандарт підприємства СТП-1-2013.Загальні вимоги до оформлення текстової та графічної частини дипломних та курсових проектів (робіт), Стрий: СК ЛНАУ, 2013, 70с.

16. Фоменков А.П. Электропривод сельскохозяйственных машин, агрегатов и поточных линий. - М.: Колос, 1984. - 288 с.

. Чиликин М.Г., Сандлер А.С. Общий курс электропривода. - М.: Энергоиздат, 1981. - 576 с.

Похожие работы на - Проектування електроприводу вентиляційної установки 'Клімат-4М' у птахофермі ФГ 'Джерельні криниці' с. Більче Миколаївського району, Львівської області

 

Не нашли материал для своей работы?
Поможем написать уникальную работу
Без плагиата!
Без нейросетей!