Автоматизация процесса осушки газа на установке комплексной подготовки газа №9 Уренгойского газоконденсатного месторождения
Федеральное
государственное бюджетное образовательное учреждение
высшего
профессионального образования
«Уфимский
государственный нефтяной технический университет»
Кафедра
автоматизации технологических процессов и производств
Дипломный
проект
Автоматизация
процесса осушки газа на установке комплексной подготовки газа № 9 Уренгойского
газоконденсатного месторождения
Студент гр. АГ
07-01Д.В. Бережной
Руководитель
канд. техн. наук,
доц.Э.А. Шаловников
Консультанты:
по
технологическому, техническому
и специальному
разделам
канд. техн. наук,
доц.Э.А. Шаловников
Уфа
РЕФЕРАТ
Дипломный проект 104 с., 24 рисунка, 17 таблиц,
11 использованных источников, 1 приложение.
УКПГ, АБСОРБЦИОННАЯ ОСУШКА ГАЗА, АБСОРБЕР, ДЭГ,
РАСХОДОМЕР ПЕРЕМЕННОГО ПЕРЕПАДА ДАВЛЕНИЯ, КОРИОЛИСОВЫЙ РАСХОДОМЕР, РАСХОД РДЭГ,
ПЕРЕДАТОЧНАЯ ФУНКЦИЯ ОБЪЕКТА, ПАРАМЕТРЫ РЕГУЛЯТОРА
Объектом исследования является кориолисовый
расходомер для учета расхода РДЭГ в абсорбер.
В процессе исследования рассмотрена технология
осушки природного газа и существующие средства измерения расхода РДЭГ в
абсорбер.
Цель работы - усовершенствование существующей
системы автоматизации абсорбционной установки осушки газа.
В результате исследования произведен анализ и
выбор средства измерения расхода РДЭГ в абсорбер и предложена замена основного
расходомера переменного перепада давления (диафрагмы) на кориолисовый
расходомер. Так же были рассчитаны коэффициенты передаточной функции регулятора
расхода РДЭГ в абсорбер.
Технико-экономические показатели подтверждают
повышение экономических выгод от внедрения кориолисового расходомера.
Внедрение отсутствует.
Эффективность работы заключается в повышении
точности определения расхода РДЭГ в абсорбер.
СОДЕРЖАНИЕ
Определения,
сокращения и обозначения
Введение
.
Технологический процесс на абсорбционной установке осушки газа…
.1
Краткое описание технологических объектов УКПГ
.2
Назначение цеха осушки газа
.3
Сепарация газа от капельной жидкости и механических примесей
.4
Осушка газа
.5
Характеристика используемого абсорбента
.6
Описание технологического процесса осушки газа
.
Патентная проработка
.1
Выбор и обоснование предмета поиска
.2
Регламент патентного поиска
.3
Результаты поиска
.4
Анализ результатов патентного поиска
.
Автоматизация абсорбционной установки осушки газа на УКПГ
.1
Основные задачи автоматизации
.2
Назначение и цели создания автоматизируемой системы управления технологическими
процессами
.3
Структура комплекса технических средств АСУТП
.4
Информационное обеспечение системы управления
.5
Структура программного обеспечения
.6
Описание системы ПАЗ
.7
Описание функциональной схемы автоматизации абсорбционной установки осушки газа
.8
Приборы и средства автоматизации абсорбционной установки осушки газа
.
Анализ и выбор средства измерения расхода ДЭГ. Расчет коэффициентов
передаточной функции регулятора расхода ДЭГ на линии подачи ДЭГ в абсорбер
.1
Анализ возможных средств измерений расхода ДЭГ на абсорбционной установке
осушки газа и рекомендации по их использованию
.2
Кориолисовый расходомер Micro Motion СMF
.3
Расчет коэффициентов передаточной функции по переходной кривой
.
Охрана труда и техника безопасности
.1
Характеристика производственной среды и анализ потенциальных опасностей
.2
Мероприятия по обеспечению безопасных и безвредных условий труда
.3
Расчёт освещенности операторной
.
Оценка экономической эффективности применения кориолисовых расходомеров Micro
Motion CMF
.1
Методика расчета экономического эффекта
.2
Технико-экономическая характеристика оборудования
.3
Расчет экономической эффективности проекта
.4
Формирование эксплуатационных затрат
.5
Формирование выгод от проекта
Заключение
Список
использованных источников
автоматизация абсорбционный осушка
газ
ОПРЕДЕЛЕНИЯ, ОБОЗНАЧЕНИЯ И СОКРАЩЕНИЯ
УКПГ
- установка комплексной подготовки газа
ГКМ
- газоконденсатное месторождение
ЗПА
- здание переключающей аппаратуры
ГИС-
газоизмерительная станция
ГСК
- газосборный коллектор
ЦОГ-
цех осушки газа
ДКС
- дожимная компрессорная станция
АВО
- аппаратура воздушного охлаждения
ДЭГ-
диэтиленгликоль
ГПА
- газоперекачивающий агрегат
АСУ
- автоматизируемая система управления
ТП-
технологический процесс
РСУ-
распределенная система управления
ПАЗ
- противоаварийная защита
ОПС
- оперативно - производственная служба
АРМ
- автоматизированное рабочее место
ПЛК-
программируемый логический контроллер
ФСА
- функциональная схема автоматизации
ВВЕДЕНИЕ
Перспективы газовой промышленности России на
ближайшие десятилетия связаны с дальнейшей эксплуатацией Уренгойского
газоконденсатного месторождения Крайнего Севера. В этой связи анализ и
обобщение опыта автоматизации процесса осушки газа на Уренгойском
газоконденсатном месторождении представляется весьма актуальной задачей.
Уренгойское месторождение природного газа -
крупное газовое месторождение, третье в мире по величине пластовых запасов,
которые превышают 10 триллионов кубических метров (10¹³
м³).
Находится
в Ямало-Ненецком АО Тюменской области России, немного южнее северного полярного
круга. Состояние эксплуатационного фонда скважин Уренгойского месторождения
составляет более 1300 скважин. Добычу на месторождении осуществляет компания
ООО «Газпром добыча Уренгой» [1].
Основной технологический процесс подготовки газа
осуществляется на установке комплексной подготовки газа (УКПГ). УКПГ представляет
собой комплекс технологического оборудования и вспомогательных систем,
обеспечивающих сбор и обработку природного газа и газового конденсата. Товарной
продукцией УКПГ являются: сухой газ газовых месторождений, газовый конденсат.
Процесс осушки газа на УКПГ № 9 Уренгойского
газоконденсатного месторождения, осуществляется в цехе осушки газа,
обеспечивающего подготовку товарного газа с определенными показателями качества
для дальнейшего его транспорта потребителю.
Одним из основных параметров, контролируемых на
установке осушки газа, является расход газа и расход регенерированного ДЭГ,
определяемых по показаниям расходомеров. Применение точных и современных типов
расходомеров обеспечивает более точное вычисление расхода газа, что очень
актуально при его учете.
Цель данного дипломного проекта -
усовершенствование существующей системы автоматизации процесса осушки газа на
УКПГ.
Задачами дипломного проекта являются:
изучение технологии осушки газа на УКПГ;
анализ и выбор средств измерения расхода РДЭГ на
установке осушки газа;
выбор типа расходомера, подходящего для
измерения расхода РДЭГ на установке осушки газа.
При работе над проектом были использованы
материалы компании ООО «Газпром добыча Уренгой» (технологический регламент по
эксплуатации УКПГ № 9).
. ТЕХНОЛОГИЧЕСКИЙ ПРОЦЕСС НА АБСОРБЦИОННОЙ
УСТАНОВКЕ ОСУШКИ ГАЗА
.1Краткое описание технологических объектов УКПГ
Абсорбционная осушка - широко применяемый
технологический процесс подготовки газа к транспорту на установке комплексной
подготовки газа (УКПГ) №9 Уренгойского газоконденсатного месторождения (ГКМ).
В состав основных технологических объектов УКПГ
газа абсорбционным методом входят (рисунок 1.1):
газопровод подключения УКПГ к промысловому
газопроводу;
здание переключающей аппаратуры (ЗПА);
дожимная компрессорная станция (с цехом очистки
газа) второй очереди;
установка осушки газа;
установка регенерации абсорбента;
дожимная компрессорная станция первой очереди
(на схеме не показана);
газоизмерительная станция (ГИС).
Сырой газ по газосборным коллекторам (ГСК) с
определенным давлением и температурой поступает по шлейфам во входные линии
ЗПА. В ЗПА происходит снижение и выравнивание давлении, переключение
коллекторов на факел при продувке и на обводной коллектор при аварийной
остановке УКПГ. Газ последовательно проходит кран с дистанционным управлением,
регулирующий клапан и по коллектору подаётся в цех осушки газа (ЦОГ).
Снижение давления при редуцировании газа может
привести к образованию гидратов, поэтому для предупреждения гидратообразования
в шлейфы ЗПА вводится ингибитор (метанол).
Дожимная компрессорная станция первой очереди
(ДКС-1) предназначена для поддержания постоянного давления на входе в ЦОГ с
целью
обеспечения его стабильной работы. ДКС-2 через крановые узлы подключается к
действующему коллектору сырого газа, проложенному от ЗПА к технологическому
корпусу.
Рисунок 1.1 - Структурная схема объектов
газового промысла
После компримирования газ поступает на установку
охлаждения и далее снова подается в коллектор, проложенный от ЗПА к
технологическому корпусу. Аппаратура воздушного охлаждения (АВО) необходима для
снижения температуры газа, которая увеличивается на выходе компрессоров за счёт
работы, совершаемой газоперекачивающими агрегатами при сжатии газа. Снижение
температуры необходимо для улучшения процесса осушки газа, а также для снижения
энергетических потерь при транспорте газа (при низких температурах газ занимает
меньший объём).
Очистка газа перед ДКС от капельной влаги и
механических примесей производится на установке очистки газа, состоящей, как
правило, из двух ступеней сепарации: грубая, предназначенная для отделения от
газа основного количества конденсата, пластовой и конденсационной воды, и
тонкая - для отделения от капельной влаги и мехпримесей.
1.2 Назначение цеха осушки газа
Сырой газ, приходящий с кустов скважин на УКПГ,
находится в условиях полного насыщения влагой (относительная влажность - 100%),
таким образом, при снижении температуры возможно гидратообразование, и как
следствие закупорка трубопровода. Образование гидратных пробок в трубопроводах
газоконденсатных месторождений Крайнего Севера считается весьма серьезной
аварией, ликвидация которой является чрезвычайно дорогим мероприятием.
Технологические нитки осушки газа, расположенные в ЦОГ УКПГ, предназначены для
очистки и осушки газа, что позволяет исключить гидратообразование и нарушение
режима работы магистрального трубопровода. Качественным показателем товарного
продукта - осушенного газа является его влагосодержание, которое измеряется по
точке росы в градусах Цельсия. Так или иначе, этот показатель влияет на процесс
перекачки газа и доставку его конечному потребителю, особенно это актуально в
холодное время года, в связи с довольно низкими температурами окружающей среды.
Таким образом, при понижении влагосодержания
газа уменьшаются затраты на его перекачку и транспортировку по магистральному
трубопроводу, а так же увеличивается его качественные показатели как товарного
продукта, что повышает экономическую эффективность работы установки комплексной
подготовки газа.
.3 Сепарация газа от капельной жидкости и
механических примесей
На первом этапе осушки газа необходимо его
тщательно очистить от твердых примесей и агрессивных компонентов (например, от
минерализованной воды), так как они способствуют быстрому износу дорогостоящего
технологического оборудования, вызывают нарушения в условиях нормальной
эксплуатации установок. Поэтому сепарация природного газа является одним из
важнейших технологических процессов на УКПГ.
Физическая сущность сепарации в системах газ -
жидкость, газ - твердая взвесь основана на применении принципа, определяемого
действующими на сепарируемую частицу силами инерции, сопротивления, тяжести,
диффузии, тепловые, электрические и другие силы, причем при изучении динамики
частиц в сепараторах инерционные силы приравнивают к результирующей сил,
действующих на сепарируемую частицу [2]:
= 0 , (1.1)
где F - результирующая сила, действующая на
сепарируемую частицу; - масса частиц;/dt - ускорение частиц (в поле свободного
падения a = g).
Для конкретных случаев сепарации из решения
уравнения (1.1) можно определить скорость сепарации, габариты сепарационных
устройств и т. д.
В обычных условиях из потока сепарируют частицы
диаметром 100 мкм и более. Для повышения эффективности сепарации жидкости из
газового потока и предотвращения ее уноса с отсепарированным потоком газа
сепараторы обычно оборудуют специальными кольцевыми сетчатыми отбойниками.
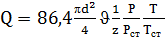
Объемную суточную производительность (тыс. куб.
м) сепаратора можно определить по формуле:
, (1.2)
где d - внутренний диаметр сепаратора, м;
ϑ - скорость газа в сепараторе, м/с;-
коэффициент сжимаемости газа;
Р и Т - соответственно рабочее давление (МПа) и
температура (К) в сепараторе;
Рст и Тст - соответственно стандартное давление
и температура (Рст = 0,1 МПа и Тст = 273 К).
Опыт сепарации природного газа на ГКМ Крайнего
Севера показал, что одним из серьезных вопросов эксплуатации является выбор
оптимальной производительности сепаратора, так как от нее сильно зависит
качество сепарируемого газа.
.4 Осушка газа
Следующим в технологической цепи подготовки газа
основным процессом при подготовке газа к транспорту является процесс его
осушки, причем важность его определяется необходимостью осушки практически
всего объема газа, добываемого в районах Крайнего Севера.
Глубина осушки на УКПГ газа, подаваемого в
магистральный газопровод для холодных климатических районов, определяется ОСТ
51.40-93 «Газы горючие природные, подаваемые в магистральные газопроводы» и
техническими условиями, разработанными на его основе. Требования к осушенному
газу приведены в таблице 1.1.
Таблица 1.1 - Требования к осушенному газу
|
Показатель
|
Размерность
|
Значение
показателей
|
|
|
с
01.V по 30.IX
|
c
01.X по 30.IV
|
|
Точка
росы газа по влаге, не выше
|
°С
|
Минус
10
|
Минус
20
|
|
Точка
росы газа по углеводородам, не выше
|
°С
|
Минус
5
|
Минус
10
|
|
Масса
сероводорода, не более
|
кг/м3
|
7
|
|
Масса
меркаптановой серы, не более
|
кг/м3
|
16
|
|
Объемная
доля кислорода, не более
|
%
|
1,0
|
|
Теплота
сгорания низшая, при 20°С и 101,325 кПа, не менее
|
МДж/м3
|
32,5
|
|
Масса
механических примесей и труднолетучих жидкостей
|
|
В
соответствии с соглашением на поставку газа
|
В ГКМ Крайнего Севера для осушки природных газов
широко применяются установки, использующие абсорбционный процесс осушки газа.
Абсорбционный процесс осушки газа представляет
собой разделение бинарных или многокомпонентных газовых смесей, осуществляемое
путем избирательного поглощения отдельных компонентов смеси жидким поглотителем
- абсорбентом в результате контакта неравновесных потоков газа и абсорбента. В
процессе абсорбции участвуют две фазы - жидкая и газовая, происходит переход
вещества из газовой фазы в жидкую, т.е. этот процесс является одним из
процессов массопередачи.
Процесс абсорбции характеризуется статикой и
кинетикой. Статика абсорбции, т.е. равновесие между жидкой и газовой фазами,
определяет состояние, которое устанавливается при весьма продолжительном
соприкосновении фаз. Равновесие между фазами определяется термодинамическими
свойствами газа и поглотителя и зависит от состава одной из фаз, температуры и
давления. Кинетика абсорбции, т.е. скорость процесса массообмена, определяется
движущей силой процесса (т.е. степенью отклонения систем от равновесного
состояния), свойствами поглотителя, газа и способом соприкосновения фаз
(устройством абсорбера и гидродинамическим режимом его работы) [3].
Физическая сущность процесса абсорбции
заключается в том, что упругость паров поглощаемого вещества над абсорбентом
меньше, чем парциальное давление этого вещества в газе. Благодаря этому
поглощаемое вещество и влага из газа переходят в поглотитель. Компоненты
газовой смеси и влаги абсорбируются до тех пор, пока парциальное давление
поглощаемого компонента в газе не достигнет величины равновесной упругости
поглощаемого компонента над жидкостью. Абсорбция газов и влаги происходит в
результате их растворения в поверхностном слое за счет неуравновешенности
молекулярных сил на границе жидкость - газ и последующей их диффузии внутрь
жидкости.
Эксплуатационные показатели установок осушки
газа зависят от многих факторов, таких как рабочие давления и температуры в
установке, состав газа при входе на установки, концентрация регенерированного
абсорбента и т.д.
Исходя из вышесказанного, в промысловых условиях
для эффективной организации процесса осушки газа целесообразно его провести при
максимальном давлении и минимальной температуре. При этом нельзя упускать из
виду, что температура поступающего в аппарат абсорбента не должна превышать
температуру газа больше, чем на 6 - 8 °С, так как это приводит к увеличению его
потерь, и не должна быть ниже температуры газа, так как это может привести к
вспениванию абсорбера и, как следствие, к захлебыванию тарелок, увеличению
перепада давления в колонне [4].
.5 Характеристика используемого абсорбента
В качестве абсорбента на установках осушки газа
используется диэтиленгликоль (ДЭГ), который нашел широкое применение при
подготовке газа на ГКМ Крайнего Севера благодаря следующим своим свойствам:
высокая поглощающая способность в достаточно
большом диапазоне температур, давлений и концентрций, обеспечивающая
эффективность процесса осушки;
низкое давление насыщенных паров, обеспечивающее
минимум потерь при испарении во время эксплуатации;
большая разница между температурами кипения ДЭГ
и воды (более чем в два раза), что позволяет осуществлять его регенерацию в
промысловых условиях достаточно простым способом;
низкая вязкость в условиях эксплуатации, что
обеспечивает хороший контакт с газом в тарелках абсорбера;
нейтральность, позволяющая ему не вступать в
химическую реакцию с метанолом, который используется в качестве ингибитора для
предупреждения процесса гидратообразования;
высокая устойчивость против окисления и
термического разложения, обеспечивающая низкую скорость старения, и т.д. [5].
Основные характеристики ДЭГ, приведены в таблице
1.2.
Таблица 1.2 - Характеристика ДЭГ
|
Параметр
|
Размерность
|
Величина
|
|
Плотность
при 20 °С
|
кг/м3
|
1118
|
|
Температура
кипения при 760 мм рт. ст.
|
°С
|
245
|
|
Температура
плавления
|
°С
|
Минус
8
|
|
Температура
вспышки в закрытом тигле
|
°С
|
124
|
|
Температура
воспламенения на воздухе
|
°С
|
350,5
|
Использование растворов ДЭГ с концентрацией 98,0
- 99,0% мас. позволяет осушать сырой газ до необходимой точки росы для
дальнейшего транспорта по магистральным газопроводам в условиях Крайнего
Севера.
.6 Описание технологического процесса осушки
газа
Сырой газ из общего коллектора поступает на 8
технологических ниток осушки, расположенных в ЦОГ. Каждая технологическая нитка
состоит из одного многофункционального абсорбера А-201. На УКПГ-9
эксплуатируются многофункциональные аппараты типа ГП 502 проектной
производительностью 5 млн.
/сут. Аппарат
представляет собой колонну (рисунок 1.2) высотой 13500 мм и диаметром 1200 мм
функционально разделенную на три секции: сепарации, абсорбции и секции
улавливания гликоля.
В нижней сепарационной части абсорбера А-201,
предусмотрено освобождение газа от механических примесей, масла используемого в
уплотнении газоперекачивающего агрегата (ГПА) ДКС, пластовой воды и конденсата.
Отсепарированная жидкость, пройдя фильтр, сбрасывается в разделитель Е-310.
Газ, содержащий конденсационную влагу, пластовую воду из сепарационной части
абсорбера поступает в массообменную секцию абсорбера, где многократно
контактируя с раствором ДЭГ, осушается. Механизм осушки газа пpедставляет собой
пpоцесс абсоpбции влаги, находящейся в паpообpазном состоянии,
концентpиpованным pаствоpом диэтиленгликоля. Концентpиpованный ДЭГ, сливаясь
вниз по насадкам, поглощает влагу из газа, пpи этом сам насыщается влагой и
концентpация его снижается с 99,3 до 97,3 %масс. Насыщенный ДЭГ собиpается на
глухой таpелке абсоpбеpа и автоматически отводится на установку pегенеpации
ДЭГа.
Рисунок 1.2 - Многофункциональный аппарат
Осушенный газ из поглотительной секции абсорбера
поступает в газораспределительную секцию, где установлены фильтр-патроны (типа
СФП-3.00.000). Констpукция фильтp-патpонов пpедставляет собой цилиндpический
каpкас из пеpфоpиpованного листа, на котоpый намотано в 5-6 слоев лавсановое
техполотно. Снизу и свеpху намотка из техполотна аpмиpована 2-3 слоями
металлической pукавной сетки. Патрон к тарелке крепится центральным
металлическим стержнем, а для герметичности соединения между патроном и
тарелкой устанавливается прокладка. Мельчайшие частицы уносимого газом гликоля
коагулируются на ткани и стекают с нее на тарелку, а затем по выносному
трубопроводу в линию вывода ДЭГ с полуглухой тарелки массообменной части аппарата.
Регулирование подачи и отвода абсорбента, а
также отвод отделенной в абсорбере жидкости должно осуществляется с помощью
коммуникационных технологических линий абсорбера.
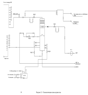
Установка содержит следующие технологические
линии (рисунок 1.3):
линию подвода РДЭГ в абсорбер с насосом Н-1;
линию отвода НДЭГ из абсорбера;
линия сброса в разделитель Е-310;
дренажную линию.
Количество регенерированного диэтиленгликоля,
подаваемого на осушку в абсорбер А-201, зависит от расхода газа через установку
и его влагосодержания. Подача регенерированного ДЭГ в абсорбер обеспечивается
насосом H-1 объемом 10…12 л/тыс.м3. Расход абсорбента контролируется задвижкой
с электроприводом (позиция ЗАД.1), установленной на линии подачи гликоля в
абсорбер.
Задвижка с электроприводом (позиция ЗАД.2)
поддерживает уровень на полуглухой тарелке 700 мм. Задвижка с электроприводом
(позиция ЗАД.3) в нормальном режиме полностью открыта. При падении уровня ДЭГа
ниже 350 мм ЗАД.1 аварийно закрывается для предотвращения прорыва газа в
разделитель, при уровне выше 780 мм - открывается. Предусмотрена сигнализация
максимального (срабатывает при уровне ДЭГ - 950 мм) и минимального уровня
(срабатывает при уровне ДЭГ - 350 мм) на полуглухой тарелке абсорбера. Уровень
пластовой воды в аппарате изменяется за счет открытия (закрытия) задвижки с
электроприводом (позиция ЗАД.4).
Предусмотрен контроль перепада давления на
массообменной секции абсорбера с помощью приборов. Максимально допустимый
перепад давления по абсорберу 0,06 МПа.
. ПАТЕНТНАЯ ПРОРАБОТКА
.1 Выбор и обоснование предмета поиска
В дипломном проекте рассматриваются вопросы
автоматизации процесса осушки газа на установке осушки газа Уренгойского
газоконденсатного месторождения. Параметры технологического процесса осушки
газа должны определяться с заданной точностью.
Одним из важных измеряемых параметров на
абсорбционной установке осушки газа является расход РДЭГ. Для измерения расхода
РДЭГ предлагается использовать кориолисовый расходомер Micro Motion CMF, поэтому
при проведении патентного поиска особое внимание было уделено поиску и анализу
кориолисовых расходомеров.
.2 Регламент патентного поиска
Патентный поиск проводился с использованием
фондов УГНТУ по источникам патентной документации Российской Федерации. Поиск
по пяти ведущим зарубежным странам не проводился в связи с отсутствием
материалов в фондах УГНТУ.
Поскольку промышленное приборостроение
развивается очень быстрыми темпами, и обновление приборов происходит постоянно,
была выбрана глубина поиска 5 лет (2007 - 2011 гг.).
Поиск проводился по индексу МПК G01F 1/84
«Измерение объема или массы жидкостей, газов или сыпучих тел путем пропускания
их через измерительные устройства непрерывным потоком (измерение соотношений
расхода) c помощью расходомеров гироскопического действия с определением
массы».
При этом были использованы следующие источники
патентной информации:
полные описания к патентам Российской Федерации;
документы справочно-поискового аппарата;
официальный бюллетень Российского Агентства по патентам
и товарным знакам «Изобретения. Полезные модели».
.3 Результаты поиска
Результаты просмотра источников патентной
документации приведены в таблице 2.1.
Таблица 2.1 - Результаты патентного поиска
|
Страна
|
Индекс
МПК
|
Номера
просмотренных патентов
|
Выявленные
аналоги
|
|
Россия
|
G01F
1/84
|
№
2295120 - № 2448330
|
№
2295120 «Измерительный преобразователь вибрационного типа» №2339007
«Кориолисов массовый расходомер и способ получения измеренного значения,
представляющего массовый расход» № 2439503 «Проточное устройство и способ для
эксплуатации проточного устройства» № 2448330 «Способ обработки сигналов,
устройство обработки сигналов и кориолисов расходомер»
|
.4 Анализ результатов патентного поиска
Анализ патентных исследований позволяет дать
оценку некоторым устройствам, найденным в результате патентного поиска.
Рассмотрим более подробно аналоги, приведенные в таблице 2.1.
Изобретение по патенту России № 2295120
относится к измерительному преобразователю вибрационного типа,
предназначенному, в частности, для использования в вискозиметре,
вискозиметре/плотномере или вискозиметре/массовом расходомере. Измерительный
преобразователь вибрационного типа для протекающей в трубопроводе жидкости
содержит вибрирующую при работе с заданной частотой колебаний измерительную
трубу для протекания жидкости, воздействующее на измерительную трубу для
обеспечения ее вибрирования устройство возбуждения, сенсорное устройство для
регистрации вибраций измерительной трубы и фиксированный на измерительной трубе
гаситель крутильных колебаний. Измерительная труба сообщена с трубопроводом
через входящий во впускной конец измерительной трубы впускной патрубок и
входящий в выпускной конец измерительной трубы выпускной патрубок.
Преимущественно для создания сил сдвига в жидкости измерительная труба при
работе измерительного преобразователя совершает, по меньшей мере, временно
крутильные колебания вокруг своей воображаемой продольной оси с мгновенной
частотой. Для уменьшения или предотвращения отбора колебательной энергии из
измерительного преобразователя в присоединенный трубопровод гаситель крутильных
колебаний при работе, по меньшей мере, частично заставляют колебаться внефазно
с совершающей крутильные колебания измерительной трубой.
Изобретение по патенту России № 2339007
относится к кориолисову массовому расходомеру/плотномеру для протекающей в
трубопроводе, в частности двух- или более фазной среды, а также к способу
получения измеренного значения, представляющего массовый расход. Для
прохождения текучей среды измерительные преобразователи включают в себя, по
меньшей мере, одну, закрепленную в несущей раме, например трубчатой или
коробчатой, измерительную трубку с согнутым или прямым сегментом, который для
вырабатывания названных выше реакционных сил заставляют при работе вибрировать
с приводом от электромеханического устройства возбуждения. Для регистрации
вибраций сегмента трубки, в частности со стороны входа и выхода, измерительные
преобразователи содержат далее реагирующее на движения сегмента трубки
физико-электрическое сенсорное устройство. У кориолисовых массовых расходомеров
для протекающей в трубопроводе среды измерение массового расхода основано на
том, что среду заставляют течь через помещенную в трубопровод и вибрирующую при
работе измерительную трубку, в результате чего среда испытывает кориолисовы
силы. Они, в свою очередь, вызывают то, что входные и выходные участки
измерительной трубки колеблются со сдвигами по фазе по отношению друг к другу.
Величина этих фазовых сдвигов служит мерой массового расхода. Колебания
измерительной трубки регистрируют посредством двух отстоящих друг от друга
вдоль измерительной трубки датчиков колебаний упомянутого сенсорного устройства
и преобразуют в измерительные сигналы колебаний, по взаимному фазовому сдвигу
которых определяют массовый расход.
Изобретение по патенту России № 2439503
относится к проточным устройствам, которые измеряют характеристику текущего
вещества и способы для эксплуатации проточных устройств. Привод принимает
первый сигнал, вызывающий вибрацию, по меньшей мере, одной измерительной трубки
при резонансной частоте, и второй сигнал, вызывающий вибрацию, по меньшей мере,
одной измерительной трубки при частоте, отличной от резонансной частоты.
Изобретение по патенту России № 2448330
относится к кориолисову расходомеру для детектирования разности фаз и/или
частоты вибрации, пропорциональной кориолисовой силе, действующей на
расходомерную трубку, чтобы получать удельный массовый расход и/или плотность
измеряемой текучей среды. В кориолисовом расходомере детектируется разность фаз
и/или частота вибрации, пропорциональная кориолисовой силе, действующей, по
меньшей мере, на одну расходомерную трубку или пару расходомерных трубок, чтобы
тем самым получать удельный массовый расход и/или плотность измеряемой текучей
среды. Кориолисов расходомер включает в себя аналого-цифровые преобразователи
для преобразования аналоговых сигналов, выводимых из датчиков скорости или
датчиков ускорения, которые являются парой датчиков детектирования вибрации в
цифровые сигналы, пару квадратурных частотных модуляторов для выполнения
преобразования частоты для цифровых сигналов, которые соответствуют паре
датчиков детектирования вибрации, модуль измерения частоты для измерения
частоты на основе одного цифрового сигнала, выводимого из пары датчиков
детектирования вибрации, и передающее устройство для формирования частотного
сигнала, соответствующего (1-1/N) от цифрового сигнала частоты. Разность фаз
получается на основе сигналов, сформированных посредством квадратурных
частотных модуляторов. Технический результат - возможность измерения с
постоянной точностью и с высокой производительностью фильтрации.
Патентные исследования показали, что на
сегодняшний день существует достаточно большое количество кориолисовых
расходомеров, разнообразных по своему устройству. Это подтверждает
правомерность использования кориолисовых расходомеров для измерения расхода
РДЭГ на линии подачи в абсорбер.
. АВТОМАТИЗАЦИЯ АБСОРБЦИОННОЙ УСТАНОВКИ ОСУШКИ
ГАЗА НА УКПГ
.1 Основные задачи автоматизации
Процесс осушки газа на УКПГ № 9 Уренгойского ГКМ
осуществляется на абсорбционных установках осушки.
В промысловых условиях абсорбционные установки
осушки подвержены различным внешним воздействиям, что и вызывает необходимость
управления ими. Основная задача управления состоит в обеспечении заданной
степени осушки газа при минимальных энергетических и материальных затратах и
соблюдении ограничений на технологические параметры процесса. Процесс осушки
газа на газовом промысле осуществляют, в шестнадцати параллельно работающих
абсорберах, входы и выходы которых подключены к коллекторам. Опыт эксплуатации
их показывает, что, несмотря на одинаковые конструктивные характеристики
аппарата, их гидравлические сопротивления различны. Это приводит к
неравномерной нагрузке аппаратов и уменьшению общей эффективности их работы.
Поэтому задача автоматического управления заключается не только в поддержании
требуемой точки росы осушенного газа, но и в обеспечении равномерного
распределения потоков газа между абсорберами [3].
Для обеспечения надежной осушки газа в
переменном (по расходу газа) режиме необходимо поддерживать максимальный расход
ДЭГ, постоянную его концентрацию, а также постоянную температуру контакта фаз
(под максимальным понимается такой расход абсорбента, который при максимальной
нагрузке аппарата по газу и постоянной концентрации гликоля обеспечивает
заданную степень осушки газа). Такая система управления обеспечивает
инвариантность влажности газа по отношению к его расходу.
Основными факторами технологического процесса
являются:
температура в абсорбере A-201;
давления в абсорбере A-201;
уровень насыщенного ДЭГа в абсорбере А-201;
расход регенерированного ДЭГ в абсорбер А-201;
температура регенерированного ДЭГ;
температуры точки росы (влагосодержание)
осушенного газа;
регулирование уровня пластовой воды в абсорбере
А-201.
Выход некоторых параметров за границы
установленные технологическим регламентом может привести к возникновению
аварийной ситуации (выходу из строя или разрушению технологических аппаратов).
Опасные отклонения особенно важных параметров необходимо сигнализировать и
предотвращать.
.2 Назначение и цели создания автоматизируемой
системы управления технологическими процессами
Создаваемая автоматизируемая система управления
(АСУ) технологическими процессами (ТП) должна соответствовать ГОСТ 24.104-85
ЕСС АСУ «Автоматизированные системы управления. Общие требования» и ПБ
09-540-03 «Общие правила взрывобезопасности для взрывопожароопасных химических,
нефтехимических и нефтеперерабатывающих производств».
АСУТП осушки газа предназначена для:
сбора и обработки информации о состоянии
технологических параметров, исполнительных механизмов и технологического
оборудования;
управления исполнительными механизмами в
автоматическом режиме, а также организации человеко-машинного интерфейса для
автоматизированного режима управления;
ведения базы данных реального времени, а также
архивации и хранения истории состояния объекта с требуемого момента времени;
обнаружение, сигнализация и регистрация
отклонений параметров от установленных границ;
анализ срабатывания блокировок и защит;
формирования предупредительных сигнализаций
оперативному персоналу.
Целями создания системы являются:
обеспечение режимов работы УКПГ на основе
применения комплексных и оптимизационных алгоритмов, надежной работы
технологического оборудования;
обеспечение бесперебойной подачи вырабатываемого
продукта требуемого качества;
обеспечение эффективной загрузки
технологического оборудования;
обеспечение локализации и оперативного
управления в нештатных ситуациях;
минимизация потерь при возникновении нештатных
ситуаций;
обеспечение высокой экологической безопасности
производства.
Структура АСУТП должна соответствовать
магистрально-модульному принципу построения с сетевой организацией обмена
информацией между устройствами и иметь распределенное программное обеспечение и
базу данных, доступную (с заданными ограничениями) всем абонентам промышленной
сети.
Сетевая организация АСУТП должна обеспечить
подключение системы к сети УКПГ, организованной на базе сети Ethernet.
АСУТП должна быть двухуровневой. Под
двухуровневой системой понимается система, в которой все реализуемые задачи
программно и аппаратно разделяются на два уровня. Нижний уровень реализует
задачи непосредственного управления объектом. Верхний уровень реализует задачи
интерфейса оператора. Связь между нижним и верхним уровнями должна
осуществляться преимущественно кодовым способом посредством специализированных
промышленных сетей большой производительности, обеспечивающих полный цикл
обмена данными между компонентами в пределах одной секунды. Обмен информацией
должен осуществляться автоматически.
АСУТП должна иметь возможность организации связи
со смежными АСУ.
Распределенная система управления (РСУ) и
противоаварийная защита (ПАЗ) должны функционировать как независимые структуры,
имеющие раздельные каналы получения информации и выход на исполнительные
механизмы. Система ПАЗ должна строиться на автономно функционирующих средствах
микропроцессорной техники и обеспечивать гарантированную реализацию аварийной
сигнализации и алгоритмов защитных блокировок технологических процессов в
критических ситуациях.
АСУТП должна обеспечивать работу объекта
автоматизации в круглосуточном режиме с количеством рабочих дней не менее 360.
АСУТП должна быть ориентирована на работу в реальном времени, т.е. быть
предсказуемой и обеспечивать выполнение всех функций точно в срок.
РСУ и ПАЗ должны иметь программную и аппаратную
диагностику исправности сетей, станций, модулей и блоков, входных и выходных
электрических цепей. В РСУ и ПАЗ должна быть предусмотрена возможность замены
неисправных модулей и блоков в оперативном режиме.
АСУТП должна иметь гибкую структуру, быть
наращиваемой, легко адаптироваться к изменениям характеристик технологических
процессов во времени, обеспечивать модификацию алгоритмов решения задач и
наборов, участвующих в них переменных, конфигурирование схем регулирования и
управления, допускать расширение объема информационных задач и задач
управления. Кроме аппаратурного резерва РСУ и ПАЗ должны обладать временной и
функциональной избыточностью (степень загруженности контроллеров, запас емкости
памяти и свободных функциональных блоков и т.д.).
Для обеспечения нормального функционирования
АСУТП и предотвращения несанкционированного вмешательства в ход
технологического процесса должна быть предусмотрена защита информации от
несанкционированного доступа. Защита должна быть обеспечена с помощью ключей и
программных паролей. АСУТП должна автоматически вести учет пользователей с
регистрацией информации о начале и окончании работы, а также о действиях
операторов-технологов в процессе работы. Эти данные должны быть защищены от
возможного вмешательства и изменения после их регистрации.
Временный отказ технических средств или потеря
электропитания не должны приводить к разрушению накопленной или усредненной во
времени информации.
.3 Структура комплекса технических средств АСУТП
Система автоматизированного управления
технологическими процессами осушки газа предназначена для контроля и управления
технологическими процессами получения товарного газа.
АСУТП осушки газа имеет двухуровневую структуру
с четко выраженной иерархией уровней:
верхний уровень - уровень
оперативно-производственной службы (ОПС);
нижний уровень - уровень систем автоматического
управления (САУ) технологическим процессом УКПГ.
В АСУТП осушки газа реализуются
следующие типы информационного взаимодействия между компонентами системы:
между ОПС и управляющими
процессорами I/A Series АСУ ТП УКПГ № 9;
между управляющими процессорами и
выносными УСО I/A Series.
Организация информационного взаимодействия
между уровнем ОПС и управляющими процессорами САУ осуществляется посредством
резервированной шины NodeBus.
Обмен данными между управляющими
процессорами и модулями УСО осуществляется посредством резервированной шины
Fieldbus.
Верхний уровень обеспечивает сбор и
обработку данных, ведение технологической базы данных, дистанционное управление
технологическим оборудованием, визуализацию состояния технологического
оборудования, формирование и печать отчетных документов, связь с уровнем
системы автоматического управления (САУ) технологическим процессом установки
комплексной подготовки газа. Уровень ОПС реализован в операторских станциях на
базе автоматизированных рабочих мест (АРМ) оперативно-технологического
персонала и программного обеспечения системы I/A Series фирмы Foxboro.
В операторских станциях верхнего
уровня сконфигурирован пользовательский интерфейс для взаимодействия оператора
с системой. Технологическая информация, сообщения о нарушениях
предупредительных и предаварийных границ для аналоговых параметров, изменениях
состояний исполнительных механизмов, срабатывании противоаварийной защиты
(ПАЗ), срабатывании дискретных сигнализаторов отображается на дисплее
операторских станций.
Нижний уровень системы
автоматизированного управления (САУ), включает специальные технические средства
контроля и управления (ПЛК, модуль ввода/вывода, коммуникационные модули,
агрегатную автоматику и т.п.), установленные в аппаратных (щитовых)
соответствующих объектов.
Реализует в автоматическом режиме
функции сбора, первичной обработки информации, управления исполнительными
механизмами, технологическим оборудованием, контурами регулирования согласно
алгоритмам управления. САУ технологическими процессами осушки газа строится на
базе программно-технических средств системы I/A Series фирмы Foxboro. Топология
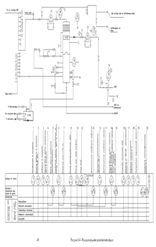
САУ технологическими процессами осушки газа приведена на рисунке 3.1.
Рисунок 3.1 - Топология системы
автоматизированного управления
Каждая из подсистем САУ
технологическими процессами осушки газа представляет собой распределенную
структуру, и все эти подсистемы объединены общей технологической сетью Nodebus.
Основные вычислительные мощности размещаются в аппаратных. Они представляют
собой программируемые логические контроллеры на базе резервируемых
(fault-tolerant) управляющих процессоров СР60FT. В аппаратных соответствующих
позиций размещаются модули ввода-вывода, осуществляющие первичное
преобразование полевых сигналов. Управляющий процессор СР60FT связан
оптоволоконной резервированной шиной Fieldbus, а также резервированной шиной
Fieldbus на коаксиальном кабеле с модулями ввода/вывода. Модули ввода /вывода
монтируются на базовой плате. На каждой плате размещается до 8 модулей
ввода/вывода. Базовые панели связаны друг с другом внутрисистемными кабелями.
Каждый из модулей связан с терминальной панелью.
Структура САУ УКПГ № 9 приведена на
рисунке 3.2.
Рисунок 3.2 - Структура САУ УКПГ № 9
Управляющий процессор СР60FT представляет собой
микропроцессорное устройство, состоящее из двух параллельно работающих модулей,
каждый из которых независимо подсоединен к шинам Nodebus и Fieldbus. Каждый
модуль управляющего процессора включает в себя:
процессор AMD DX5 с тактовой частотой 133 МГц,
который выполняет всю обработку данных;
сопроцессор LAN 82596CA, управляющий передачей
данных по сети Nodebus;
процессор AMD 386, управляющий передачей данных
по сети Fieldbus.
Два модуля управляющего процессора, составляют
резервированную пару и рассчитаны на обеспечение продолжительности работы
управляющего процессора при практически любом аппаратном сбое одного из модулей
пары. Оба модуля одновременно получают и обрабатывают информацию. При этом
если, информация на входах двух модулей различается, то на каждом модуле запускается
самодиагностика, по результатам которой определяется неисправный модуль. После
этого управление на себя берет исправный модуль, при этом не нарушается
нормальная работа системы. Подключение управляющего процессора к полевой сети
Fieldbus осуществляется при помощи резервируемого свича FOXBORO.
Управляющие процессора устанавливаются в каркасы
для установки системных модулей (рисунок 3.3). Каждый каркас содержит 4
резервируемых источника питания 30 В и поддерживает установку до 8 управляющих
процессоров.
Рисунок 3.3 - Каркас для установки системных
модулей
Как уже отмечалось, модули ввода/вывода
устанавливаются на базовых платах. Базовые панели крепятся вертикально на DIN
рейках, размещенных в шкафах, установленных в аппаратных технологических
объектов. На каждой плате может устанавливаться до 8 модулей ввода/вывода.
Любой модуль можно снять с базовой панели без демонтажа и разборки клеммников
проводов от полевых приборов и внутренней проводки. Базовые панели могут
образовывать группу, при этом они соединяются друг с другом при помощи
специальных кабелей (экранированная витая пара). Для связи с управляющим
процессором на 0 (первой) базовой панели устанавливается модуль связи FCM10E,
преобразующий сигналы 10Base2 в сигналы HDLC, воспринимаемые модулями
ввода/вывода. Модули связи FCM10E подключаются непосредственно к
резервированной сети Fieldbus. А Модули связи FCM10Ef подключаются к
резервированной сети Fieldbus с помощью свичей Foxboro.
Используются следующие типы модулей
ввода/вывода:
аналоговый модуль ввода FBM201;
дискретный модуль ввода FBM217;
аналоговый модуль вывода FBM237;
дискретный модуль вывода FBM242;
модуль связи с MODBUS-устройствам FBM224;
модуль связи по протоколу HART FBM214.
Модуль ввода/вывода FBM201 представляет собой
модуль на 8 входных аналоговых сигналов типа 0..20 мА. Каждый канал имеет
дифференциальный вход, благодаря которому разница напряжений между каналами не
приводит к ошибкам измерения. Каналы гальванически изолированы от земли и электроники
модуля, но не между собой. Для обеспечения высокой точности измерения модуль
имеет мультиплексируемый преобразователь сигма-дельта, совместно используемый
всеми входными каналами и обеспечивающий считывание входного сигнала каждые 100
мкс и конфигурируемый фильтр по среднему уровню сигнала для устранения помех.
Модуль ввода/вывода FBM217 представляет собой
модуль на 32 входных дискретных канала. Различные клеммники модуля позволяют
подключать входные дискретные сигналы 24VDC, 110VDC, 220VAC. Для подключения
сигналов 24 VDC используется клеммник P0916PW.
Модуль аналогового вывода FBM237 имеет 8
изолированных и независимых каналов 0..20мА постоянного тока.
Модуль ввода/вывода FBM242 представляет собой
модуль на 16 выходных дискретных канала с внешним источником питания. Различные
клеммники модуля позволяют подключать выходные дискретные сигналы 24VDC,
110VDC, 220VAC. Для подключения сигналов 24VDC используется клеммник P0916JY,
для сигналов 110VDC и 220VAC - клеммник P0916NG.
Модуль для связи с MODBUS устройствами FBM224
имеет 4 канала и используется для подключения САУ вспомогательных объектов
УКПГ. Один модуль допускает подключение 64 устройств. К каждому каналу модуля
устройства подключаются одним шлейфом. В обмене данными, модуль является
ведущим устройством, подключаемые контроллеры - ведомыми, режим передачи
информации - RTU.
.4 Информационное обеспечение системы управления
Информационное обеспечение АСУТП представляет
собой совокупность всех информационных баз данных и наборов данных, используемых
для реализации функций оперативного контроля и управления установкой осушки
газа.
Информационное обеспечение включает в себя
следующие типы данных:
оперативную информацию, поступающую от
технологического процесса и отображающую текущие значения переменных процесса
(аналоговых, дискретных), параметры сигнализаций и текущее состояние
исполнительных механизмов и оборудования;
параметры алгоритмов управления и обработки
данных, загружаемые в управляющие процессоры;
информацию о ходе технологического процесса,
накопленную за определенный период времени;
резервные копии данных, архивы технологической
информации;
исходные данные для конфигурирования
информационной базы данных: наименование сигнала, тип сигнала, описание
сигнала, единица измерения, период опроса, аварийная сигнализация;
конфигурации операторской и инженерной станций,
определяющие состав и формы представления информации (информация, описывающая
статику и динамику мнемосхем, наборы трендов, состав и формы отчетных
документов, форматы вывода аварийных сигнализаций), содержимое и настройки баз
данных и др.;
отчетные документы (режимные листы, сменные и
суточные рапорты и т.п.), генерируемые автоматически с использованием данных,
хранящихся в различных базах данных системы управления.
Исходя из всех вышеперечисленных наборов данных
и учитывая функциональное назначение каждого из них, выделяются следующие базы
данных:
база данных реального времени;
историческая база данных;
архивная база данных.
База данных реального времени является
распределенной и находится в памяти управляющих процессоров, операторской и
инженерной станций. Она используется для хранения оперативной информации о
текущем состоянии технологического объекта.
Историческая база данных предназначена для
накопления и хранения данных о ходе технологических процессов за определенный
период времени. База данных содержит информацию по аналоговым и дискретным
параметрам, получаемым из базы данных реального времени системы управления и в
результате ручного ввода данных.
Архивная база данных включает в себя резервные
копии конфигурационной информации (конфигурация контроллеров, АРМ) и
исторические данные о ходе технологического процесса, накопленные за
определенный период времени и перенесенные на средства долговременного хранения
информации.
Резервные копии конфигурационной информации
используются для восстановления в критических ситуациях, таких как разрушение
жесткого диска рабочей станции или замена контроллеров.
Архивная технологическая информация используется
для сравнения и анализа хода технологических процессов за различные периоды
времени. Архивная информация восстанавливается со сменных носителей, на которых
она хранится, при помощи специальных утилит программного обеспечения
операторских станций и средствами операционной системы. Хранение производится
на компакт-дисках.
.5 Структура программного обеспечения
Для конфигурирования и настройки АСУТП осушки
газа используются стандартные программные пакеты I/A Series, которые работают в
операционной среде Windows XP. Эти пакеты представляют исчерпывающий набор для
создания проекта и содержат все необходимые программы и конфигурации для
приложений, работающих под управлением системы I/A Series.
Программный пакет Fox CAE представляет собой
Windows-совместимую систему, которая полностью автоматизирует процесс
разработки баз данных для станций управления системы I/A Series, а также
процесс загрузки баз в управляющие процессоры I/A Series.
Программный пакет ICC представляет собой
Windows-совместимую систему, которая позволяет в реальном времени корректировать
базу данных контроллера I/A Series.
Программное обеспечение AIMAT состоит из
прикладных программ типа «клиент-сервер», которые позволяют получать информацию
о технологическом процессе, как в реальном времени, так и архивную информацию
(предысторию) от систем I/A Series и других распределенных систем управления
для отображения и анализа на разнообразных рабочих станциях.
Программное обеспечение AIMAT включает в себя
следующие прикладные программы и интерфейсы:
AIM Data Link позволяет:
) интерактивно выбирать рабочие станции I/А
Series в качестве источников данных;
) просматривать имеющиеся источники данных;
) задавать формат отображения данных;
) отображать действительные данные на ПК;
) вставлять данные в прикладные программы,
функционирующие в среде Windows;
) конфигурировать прикладную программу для
обновления данных.
AIM Explorer - это прикладная программа для
построения трендов и выполнения анализа, которая позволяет отображать в виде
диаграмм события периодических процессов из базы данных AIM Track и комплекта
приложений Batch Suite системы I/A Series;
AIM Historian - прикладная программа типа
«клиент-сервер», которая позволяет собирать, хранить и архивировать данные от
узлов системы I/A Series, и других распределенных систем управления.
Для построения и отображения дисплеев
используются следующие прикладные программы:
Fox View - это интерфейс пользователя системы
серии I/A, то есть интерфейс между оператором и технологическим процессом. С
помощью Fox View можно вызывать другие прикладные программы, позволяющие:
) реагировать на аварийные сигналы;
) проверить систему и состояние станции;
) выполнить диагностику в оперативном режиме;
) собирать и анализировать данные;
) устанавливать точки;
) переходить из автоматического режима
эксплуатации в ручной и изменять значения выходных сигналов;
) осуществлять доступ в подробные дисплеи блоков
Foxboro (и групповые дисплеи);
) создавать оперативные тренды;
) выдавать отчеты.
Fox Draw - это графический редактор и
конфигуратор дисплеев, используемый для создания и изменения графических
дисплеев. С помощью палитр графических объектов можно легко включать такие
сложные элементы, как насосы, резервуары, клапаны и символы ISA;
Fox Panels - это программное обеспечение для
настройки режимов отображения информации на панели функциональной клавиатуры с
заранее сконфигурированными или созданными пользователем «горячими клавишами»
сигнализаций и действий оператора, предназначенных для использования
операторами производственного процесса. Оно включает как конфигуратор панелей
оповещения, так и Администратор реального времени.
.6 Описание системы ПАЗ
Система ПАЗ предназначена для аварийной защиты
технологического оборудования. Система ПАЗ строится на базе
программно-технического комплекса TRICON и интегрирована в систему I/A Series.
Интеграция системы ПАЗ осуществляется на основе станции Fox Guard Manager,
который представляет собой коммуникационный модуль АСМ4609, установленный в
основное шасси. Подключение к сети Nodebus производится через интерфейс с
резервированной сетью Nodebus - DNBI.
Система ПАЗ является распределенной и
реализована на резервированных программируемых контроллерах и станциях
ввода-вывода повышенной надежности. Датчики и исполнительные механизмы,
участвующие в аварийном останове, подключены непосредственно к системе ПАЗ.
Система обеспечивает автоматизированный останов в аварийных и плановых
ситуациях, а также сброс газа из технологического оборудования в случае
необходимости. Система ПАЗ имеет пульт, устанавливаемый в операторской УКПГ № 9
и обеспечивающий возможность ручного запуска алгоритма аварийного останова,
возврат подсистемы в исходное состояние, а также индикацию выполнения отдельных
этапов алгоритма.
При запуске алгоритма аварийного останова
обеспечивается блокировка любых действий, препятствующих его выполнению.
Исполнительные механизмы аварийного останова дополнительно имеют ручной привод
и указатели крайних положений, установленные непосредственно на самих
механизмах, а также устройства для ввода этой информации в подсистему ПАЗ для
сигнализации состояния исполнительных механизмов. Датчики, измеряющие и
контролирующие технологические параметры, участвующие в алгоритмах аварийного
останова, резервированы в соответствии с требованиями ПБ 09-540-03. Блокировки,
защиты и аварийное управление, выполняемые ПАЗ, обеспечивают реализацию всех
необходимых функций блокировок, защит и аварийного управления в автоматическом
режиме.
.7 Описание функциональной схемы автоматизации
абсорбционной установки осушки газа
Для автоматизации управления установкой осушки
газа применяют дистанционные измерительные устройства и элементы автоматики,
которые позволяют получить быструю объективную информацию о работе абсорбера
А-201, оперативно и точно установить заданный режим работы. Функциональная
схема автоматизации абсорбционной установки осушки газа представлена на рисунке
3.4.
Для контроля давления в абсорбере А-201 (позиция
3-1, 3-2) применяется датчик избыточного давления Метран 43-ДИ.
Расход регенерированного ДЭГ в абсорбер А-201
(позиция 6-1, 6-2) производится в зависимости от расхода газа через абсорбер
А-201 (позиция 8-1) и его влагосодержания (позиция 9-1).
Изменение уровня насыщенного ДЭГ в абсорбере
А-201 осушествляется при помощи задвижки с электроприводом, по показаниям
уровнемера Сапфир-22 ДУ-EX.
Измерение температуры в абсорбере А-201 (позиция
1-1, 1-2) осушествляется платиновым термометром сопротивления типа Метран-276.
Влагосодержание газа определяется анализаторам
точки росы КОНГ-Прима 10 (позиция 9-1, 9-2).
В цехе ведется контроль загазованности, для этой
цели установлен газоанализатор СТМ-10 (позиция 11-1, 11-2).
В таблице 3.1 представлен перечень используемых
средств автоматизации и контроля.
Таблица 3.1 - Спецификация средств автоматизации
|
Позиционное
обозначение
|
Наименование
|
Кол.
|
Примечание
|
|
1,
7, 14
|
Термометр
сопротивления платиновый типа Метран-276
|
3
|
1ExdIICT4
|
|
2
|
Датчик
разности давлений типа Метран-100-ДД
|
1
|
1ExdIIBT4
|
|
3,
12, 13
|
Датчик
избыточного давления типа Метран-43-ДУ
|
3
|
1ExnLIICT4
|
|
4-1,
5-1
|
Уровнемер
типа Сапфир-22-ДУ
|
2
|
1ExdIICT4
|
|
9
|
Анализатор
точки росы типа Конг - Прима - 10
|
1
|
1ExdIIAT5
|
|
11
|
Газаонализатор
СТМ-10
|
1
|
1ExnLIICT4
|
|
6-1,
8-1
|
Устройство
сужающее быстросъемное
|
2
|
|
|
6-2,
8-2
|
Датчик
перепада давления типа Сапфир-22МП-ДД
|
2
|
1ExdIICT6
|
|
15
|
Пускатель
магнитный
|
1
|
|
|
4-2,
5-2, 6-4, 8-3, 10-3
|
Орган
управления клапаном
|
5
|
|
Контрольно-измерительные приборы, применяемые в системе
ПАЗ, имеют уставки сигнализации и блокировки, которые представлены в таблице
3.2.
Таблица 3.2 - Значения уставок сигнализации и
блокировок КИП
|
№
сценария защиты
|
№
позиции
|
Условия
срабатывания
|
Действия
защиты
|
|
1
|
13
|
Давление
уплотнительной жидкости насоса выше уставки 40 кгс/
|
Остановка
насоса H-1
|
|
2
|
14
|
Температура
подшипников насоса выше уставки 50 ºС
|
Остановка
насоса H-1
|
|
3
|
4-1
|
Уровень
насыщенного ДЭГ в аппарате выше уставки 400 мм
|
Закрытие
задвижки
|
|
4
|
12
|
Давление
на выходе центробежного насоса выше уставки 60 кгс/
|
Остановка
насоса H-1
|
.8 Приборы и средства автоматизации
абсорбционной установки осушки газа
Датчик избыточного давления Метран-43-ДУ
Данные преобразователи предназначены для работы
в системах автоматического контроля, регулирования и управления
технологическими процессами. обеспечивают непрерывное преобразование в
унифицированный токовый и/или цифровой на базе HART-протокола выходной сигнал
дистанционной передачи.
Устройство датчика Метран-43-ДУ представлено на
рисунке 3.5.
- корпус; 2 - тензопреобразователь; 3 -
разделительная мембрана; 4 - жесткий центр; 5 - электронный преобразователь; 6
- штуцер
Рисунок 3.5 - Устройство датчика Метран-43-ДУ
Измерительный блок датчика состоит из корпуса
(1), рычажного тензопреобразователя (2), разделительной мембраны (3), жесткого
центра со штоком (4), электронного преобразователя (5), штуцера (60).
Измеряемое давление воздействует на мембрану (3)
и концентрируется на жестком центре. Усилие, возникшее на жестком центре, через
шток (4) передается на рычаг тензопреобразователя (2). Перемещение рычага
вызывает деформацию измерительной мембраны тензопреобразователя. На
измерительной мембране размещены тензорезисторы. Тензорезисторы соединены в
мостовую схему. Деформация измерительной мембраны вызывает изменение
сопротивления тензорезисторов и разбаланс мостовой схемы. Электрический сигнал,
образующийся при разбалансе мостовой схемы, подается в электронный
преобразователь (5). Электронный преобразователь преобразует электрический
сигнал от тензопреобразователя в стандартный токовый выходной сигнал [6].
Основные технические характеристики датчика
представлены в таблице 3.3.
Таблица 3.3 - основные технические
характеристики датчика избыточного давления Метран-43-ДУ
|
Название
параметра
|
Диапазон
|
|
Измеряемые
среды
|
Жидкости
(в т.ч. нефтепродукты), пар, газ
|
|
Диапазоны
измеряемых давлений, МПа
|
0,04
- 100
|
|
Абсолютная
погрешность измерений, %
|
±
0,1
|
|
Межповерочный
интервал, год
|
3
|
Преобразователи расхода типа Метран-100 - ДД
1xd11ВТ4
Для измерения расхода газа и РДЭГ используется
сужающее устройство (диафрагма) в комплекте с преобразователем Метран-100-ДД.
Метран-100-ДД предназначен для работы в системах автоматического контроля,
регулирования, управление технологическими процессами со взрывоопасными
условиями производства и обеспечивает непрерывное преобразование значения
измеряемого параметра - разности давления жидких и газообразных сред в
унифицированный токовый выходной сигнал дистанционной передачи.
Преобразователь имеет стандартный входной
сигнала (4..20 мА) постоянного тока. Вид взрывозащиты для датчиков
Метран-100-ДД взрывонепроницаемая оболочка» и имеют маркировку 1хd11ВТ4 и могут
применятся во взрывоопасных зонах помещений и наружных установок.
Технические характеристики:
пределы изменения токовых выходных сигналов
(0..5 мА), (0..20 мА),
(4..20 мА) постоянного тока;
электрическое питание датчиков осуществляется от
источника постоянного тока напряжением - 36 В;
потребляемая мощность датчика не более 1,2 Вт;
средний срок службы - 10 лет;
наработка датчика на отказ не менее 100 тыс.
часов;
плотность контролируемой жидкости 400 - 2000
кг/м3;
верхний предел измерения - 25 кПа;
предельно-допустимое рабочее избыточное давление
контролируемой жидкости - 40 МПа;
температура окружающей среды, °С
(от минус 30 до + 50), (от + 5 до + 50);
температура измеряемой среды, °С
(от + 2 до + 100), (от + 2 до + 80);
измеряемая среда газообразная, жидкая [6].
Буйковый уровнемер Сапфир-22-Ду-Ex
Принцип действия буйкового уровнемера основан на
определении уровня по выталкивающей силе, действующей на погруженный в рабочую
среду буек. Цилиндрический буёк (1), является чувствительным элементом буйковых
уровнемеров. Буек располагается в вертикальном положении и должен быть частично
погружен в жидкость.
На рисунке 3.6 приведена измерительная схема
буйкового уровнемера.
Когда уровень жидкости в емкости меньше или
равен начальному уровню
(зона нечувствительности
уровнемера), измерительная штанга (2), на которую подвешен буек (1), находится
в равновесии. Так как момент
, создаваемый весом
буйка
,
уравновешивается моментом
, создаваемым
противовесом (4).
Если уровень контролируемой среды становится
выше
(например,
h), то часть буйка длиной (h -
) погружается в
жидкость, поэтому вес буйка уменьшается на некоторую величину. Следовательно,
уменьшается и момент
, создаваемый
буйком на штанге (2). Так как момент
становится
больше момента
, штанга
поворачивается вокруг точки (О) по часовой стрелке и перемещает рычаг (3)
измерительного преобразователя (5).
Движение измерительной системы происходит до тех
пор, пока сумма моментов всех сил, действующих на рычаг (2), не станет равной
нулю.
Уплотнительная мембрана (6) служит для
герметизации технологической емкости при установке в ней чувствительного
элемента.
- буек; 2 - штанга; 3 - рычаг; 4 - противовес; 5
- преобразователь; 6 - уплотнительная мембрана
Рисунок 3.6 - Измерительная схема буйкового
уровнемера
Преобразователи Сапфир-22-Ду предназначены для
работы в системах автоматического контроля, регулирования и управления
технологическими процессами, в том числе, с взрывоопасными условиями
производства и обеспечивают непрерывное преобразование значения измеряемого
параметра уровня жидкости или уровня границы раздела жидких фаз как
нейтральных, так и агрессивных сред - в стандартный токовый выходной сигнал
дистанционной передачи.
Технические характеристики прибора приведены в
таблице 3.4.
Таблица 3.4 - Технические характеристики
буйкового уровнемера Сапфир-22-Ду
|
Название
параметра
|
Диапазон
|
|
Диапазон
измерения, м
|
до
10
|
|
Предельно
допускаемое рабочее избыточное давление, МПа
|
2,5
- 20,0
|
|
Абсолютная
погрешность измерений, %
|
±
0,5 - 1,0
|
|
Выходной
сигнал
|
4..20
мА постоянного тока
|
Термометр сопротивления платиновый типа
Метран-276-Ex
Термометр сопротивления платиновый (ТСП)
Метран-276-Ex могут применяться во взрывоопасных зонах, в которых возможно
образование взрывоопасных смесей газов, паров, горючих жидкостей с воздухом
категорий IIА, IIВ и IIС, групп Т1-Т6 по ГОСТ Р 51330.11-99 [6].
Предназначены для измерения температуры
нейтральных и агрессивных сред, по отношению к которым материал защитной
арматуры является коррозионностойким.
Чувствительный элемент первичного
преобразователя и встроенный в головку датчика измерительный преобразователь
преобразуют измеряемую температуру в унифицированный выходной сигнал
постоянного тока, что дает возможность построения АСУТП без применения
дополнительных нормирующих преобразователей.
Преобразователи состоят из корпуса, внутри
которого расположен электронный блок с микропроцессором, обеспечивающий аналого-цифровое
и цифро-аналоговое преобразование и обработку результатов преобразования.
Принцип работы термопреобразователей
сопротивления основан на зависимости электрического сопротивления металлов от
температуры. Чувствительный элемент термопреобразователя - катушка из тонкой
платиновой проволоки на каркасе из изоляционного материала, заключенная в
защитную гильзу (арматуру).
Подключения термопреобразователей (термометров)
сопротивления к вторичным приборам (измерителям-регуляторам температуры)
осуществляется медным проводом по четырехпроводной схеме, которая позволяет
уменьшить погрешность измерения, возникающую при изменении сопротивления
проводов (например, при изменении их температуры).
Основные технические характеристики представлены
в таблице 3.5.
Таблица 3.5 - Основные технические
характеристики термометра сопротивления платинового типа Метран - 276 - Ex
|
Название
параметра
|
Диапазон
|
|
Диапазон
измерения, ºС
|
Минус
200…+ 850
|
|
Минимальный
интервал измерения, ºС
|
10
|
|
Входной
диапазон, ºС
|
Минус
200…+ 850
|
|
AЦП,
% от интервала измерений
|
±
0,14
|
|
ЦАП,
% от интервала измерений
|
±
0,02
|
Анализатор точек росы интерференционный
КОНГ-Прима-10 1Exds11АТ5
Анализатор КОНГ-Прима-10 применяется для
измерения точки росы по влаге и углеводородам в природном газе, воздухе и в
других газах.
В интерференционном анализаторе точек росы
КОНГ-Прима-10, реализован конденсационный принцип измерения с регистрацией
процессов конденсации оптическим методом.
Сущность метода заключается в измерении
температуры, до которой необходимо охладить прилегающий к охлаждаемой
поверхности слой влажного газа, для того, чтобы довести его до состояния
насыщения при рабочем давлении.
Метод определения точки росы, используемый в
анализаторе, соответствует ГОСТ 20060-83 и ГОСТ 20061-84 [7].
Анализатор применяется:
для контроля точки росы влаги и углеводородов на
газоизмерительных станциях, на станциях подземного хранения и осушки природного
газа, на автомобильных газонаполнительных компрессорных станциях и т.д.;
для поверки гигрометров и генераторов влажного
газа.
Анализатор обладает стойкостью к технологическим
примесям природного газа.
При этом достоверность показаний анализатора
сохраняется при следующих концентрациях паров технологических примесей:
метанол - 1000 мг/м3;
диэтиленгликоль (ДЭГ) - 1 мг/м3;
триэтиленгликоль (ТЭГ) - 1,5 мг/м3.
Технические характеристики прибора приведены в
таблице 3.6.
Таблица 3.6 - Технические характеристики
анализатора точек росы КОНГ-Прима
|
Название
параметра
|
Диапазон
|
|
Диапазон
измерения температуры точки росы, ºС
|
По
влаге: минус 30…+30 По углеводородам: минус 30…+30
|
|
Длительность
цикла измерения точки росы, мин
|
От
10 до 30
|
|
Пределы
абсолютной погрешности при измерении точки росы
|
По
влаге: ± 0,5 °C, ± 1 °C По углеводородам: ± 1 °C
|
Сигнализация загазованности
Сигнализатор предназначен для автоматического
непрерывного контроля до взрывоопасных концентраций многокомпонентных воздушных
смесей горючих газов и паров.
Сигнализатор состоит из блока сигнализации и
питания и выносных датчиков или блоков датчика. Газоанализаторы состоят из
датчиков или блоков датчика и блока сигнализации и питания. Датчики расположены
по месту, блок сигнализации на щите. Прибор выдает в линию связи три вида
сигнала: «Неисправность прибора», «20% НКПРП», «50% НКПРП» [8].
Принцип работы сигнализатора СТМ-10 -
термохимический - основан на измерении теплового эффекта от окисления горючих
газов и паров на каталитически активном элементе датчика, дальнейшем
преобразовании полученного сигнала в модуле МИП и выдачи сигнала о достижении
сигнальной концентрации.
При прохождении газо-воздушной смеси на
поверхности катализатора возникает горение и выделяющееся тепло приводит к
повышению температуры катализатора. Вызванное этим увеличение сопротивления
платиновой катушки регистрируется мостовой схемой. При малых концентрациях
изменение сопротивления находится в прямой зависимости от концентрации газа в
окружающей среде.
Принципиальная схема прибора СТМ-10 приведена на
рисунке 3.7.
Рисунок 3.7 - Принципиальная схема прибора
СТМ-10
Технические характеристики прибора приведены в
таблице 3.7.
Таблица 3.7 - Характеристика СТМ-10
|
Характеристика
|
Значение
|
|
Выходной
сигнал
|
Токовый
4..20 мА
|
|
Диапазон
измерения НКПРП, %
|
0
- 50
|
|
Диапазон
сигнальных концентраций НКПРП,%
|
5
- 50
|
|
Основная
абсолютная погрешность, %
|
5
|
|
Время
срабатывания сигнализации не более, с
|
10
|
4. АНАЛИЗ И ВЫБОР СРЕДСТВА ИЗМЕРЕНИЯ РАСХОДА.
РАСЧЕТ КОЭФФИЦИЕНТОВ ПЕРЕДАТОЧНОЙ ФУНКЦИИ РЕГУЛЯТОРА РАСХОДА ГАЗА, НА ЛИНИИ
ПОДАЧИ ДЭГ В АБСОРБЕР
.1 Анализ возможных средств измерений расхода на
абсорбционной установке осушки газа и рекомендации по их использованию
Для измерения расхода на абсорбционной установке
осушки газа, как отмечалось ранее, применяют сужающее устройство (диафрагма).
Оно относится к классу расходомеров переменного перепада давления, где разность
давлений до и после сужающего устройства тем больше, чем больше расход
протекающего вещества. Следовательно, перепад давления служит мерой расхода.
Наряду с достоинствами сужающего устройства, которое является основным при
проведении измерения, такими как простота механической конструкции, наличие
программ расчета на ЭВМ, относительная дешевизна, существуют существенные
недостатки:
потеря давления на сужающем устройстве;
малый динамический диапазон измерения.
Более точными и надежными при измерении расхода
на абсорбционной установке осушки газа могут быть кориолисовы расходомеры.
Преимущества кориолисовых расходомеров перед диафрагмой:
высокая точность измерений;
не вызывают потерь давления;
надёжная работа при изменении температуры и
давления рабочей среды;
работают вне зависимости от направления потока.
В качестве основного расходомера для измерения
расхода РДЭГ на линии подачи в абсорбер предлагается использовать кориолисовый
расходомер, исключив расходомер переменного перепада давления.
Кориолисовы расходомеры позволяют измерять
массовый расход, плотность, температуру, вычисления объемного расхода
жидкостей, газов и взвесей. жидкостей или газов с большой точностью. Измерение
расхода производится за счет эффекта возникновения сила Кориолиса, возникающей
при криволинейном движение жидкости или газа.
Кориолисовый (массовый) расходомер состоит из
следующих частей (рисунок 4.1):
расходомерные трубки;
катушка возбуждения и магнит;
измерительная катушка;
терморезистор;
технологическое соединение (фланец);
преобразователь;
корпус.
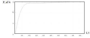
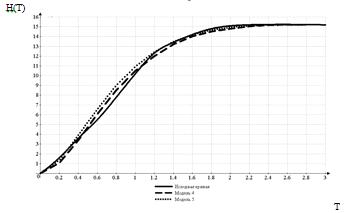
Рисунок 4.1 - Устройство кориолисого расходомера
Сенсор напрямую измеряет расход, плотность среды
и температуру сенсорных трубок. Преобразователь конвертирует полученную с
сенсора информацию в стандартный выходной сигнал. Измеряемая среда, поступающая
в сенсор, разделяется на равные половины, протекающие через каждую из сенсорных
трубок. Движение катушки возбуждения приводит к тому, что трубки колеблются
вверх-вниз в противоположном направлении друг другу.
Измерительные катушки устанавливают на боковых
ответвлениях одной расходомерной трубки, а магниты устанавливают на боковых
ответвлениях противолежащей расходомерной трубке. Каждая катушка движется в
однородном магнитном поле соседнего магнита. Напряжение, генерируемое каждой
измерительной катушкой, создает синусоидальное колебание отражающее движение
одной трубки относительно другой.
В условиях отсутствия потока движения на входном
и на выходном концах трубки находятся в одной фазе, синусоидальные колебания
совпадают, эффект Кориолиса не возникает. При наличии потока синусоидальные
колебания различаются по фазе, поскольку сигнал на выходной ветви запаздывает
относительно сигнала на ветви на выходе (рисунок 4.2).
Рисунок 4.2 - Запаздывание сигнала на входной и
выходной ветви
Время запаздывания ΔТ
измеряется в микросекундах и всегда пропорционально массовому расходу.
Соотношение между массой и собственной частотой
колебаний сенсорной трубки - это основной закон измерения плотности в
кориолисовых расходомерах.
В рабочем режиме катушка возбуждения питается от
преобразователя, при этом сенсорные трубки колеблются с их собственной
частотой. Как только масса измеряемой среды увеличивается, собственная частота
колебаний трубок уменьшается соответственно, при уменьшении массы измеряемой
среды, собственная частота колебаний трубок увеличивается.
Частота колебаний трубок зависит от их
геометрии, материала, конструкции и массы. Масса состоит из двух частей:
массы самих трубок;
массы измеряемой среды в трубках.
Для конкретного типоразмера сенсора масса трубок
постоянна. Поскольку масса измеряемой среды в трубках равна произведению
плотности среды и внутреннего объема, а объем трубок является также постоянным
для конкретного типоразмера, то частота колебаний трубок может быть привязана к
плотности среды и определена путем измерения периода колебаний.
Частота колебаний измеряется выходным детектором
(рисунок 4.3) в циклах в секунду (Гц).
Рисунок 4.3 - Частота колебаний измерительных
трубок
Период колебаний, как известно, обратно
пропорционален частоте. Измерить время цикла легче, чем считать количество
циклов, поэтому преобразователи вычисляют плотность измеряемой жидкости,
используя период колебаний трубок в микросекундах. Плотность прямо
пропорциональна периоду колебаний сенсорных трубок.
4.2 Кориолисовый расходомер Micro Motion СMF
Предлагается использовать кориолисовый
расходомер Micro Motion СMF, основные технические характеристики которого
представлены в таблице 4.1.
Таблица 4.1 - Основные технические
характеристики Micro Motion СMF
|
Название
параметра
|
Значение
|
|
Базовая
погрешность измерений, %
|
Расход:
0,1
Плотность: 0,5
|
|
Срок
службы, лет
|
18
|
|
Температура
измеряемой среды, °С
|
минус
40 - 125
|
|
Диапазон
измеряемого массового расхода, кг/ч
|
:
3 :
43550
|
|
Давление
измеряемой среды, МПа
|
15,8
|
Информация об измеряемых величинах может
считываться с жидкокристаллического индикатора (ЖКИ), а так же передаваться в
виде аналогового сигнала (4..20 мА), аналогово-цифрового сигнала с
использованием HART протокола или RS485.
.3 Расчет коэффициентов передаточной функции по
переходной кривой
Необходимо определить оптимальные параметры
настройки регулятора в одноконтурной системе автоматического регулирования
(САР) расхода РДЭГ, подаваемого в абсорбер А-201.
Расчет производим по кривой переходного процесса
в специальных программах анализа и синтеза систем автоматического
регулирования.
На рисунке 4.4 приведена кривая переходного
процесса расхода ДЭГ в абсорбер А-201, которая наиболее приближена к реальной.
Рисунок 4.4 - Кривая переходного процесса
расхода ДЭГа в абсорбер
Значения кривой переходного процесса приведены в
таблице 4.2.
Таблица 4.2 - значения кривой переходного
процесса
|
t,
с
|
0
|
0,2
|
0,4
|
0,6
|
0,8
|
1,0
|
1,2
|
1,4
|
1,6
|
1,8
|
2,0
|
2,2
|
2,4
|
|
F,
м3/ч
|
0
|
1,6
|
3,6
|
5,5
|
7,8
|
10,2
|
12,3
|
13,4
|
14,2
|
14,8
|
15,1
|
15,2
|
15,2
|
Определим параметры модели объекта методом
«площадей» Симою М.П. по переходной кривой.
Математической моделью называется система
математических соотношений (уравнений), устанавливающих связь между входными и
выходными сигналами объекта. В данном случае общий вид модели будет следующий:
,(4.1)
где
- нормированная передаточная
функция;
- коэффициент передачи
;
- время запаздывания (по исходным
данным).
Нормированной передаточной функции
соответствует
нормированная переходная характеристика s(t),
которая определяется как отношение текущего значения выходного сигнала к его
установившемуся значению:
.(4.2)
Для определения коэффициентов
и
нормированной
передаточной функции
используется
метод «площадей» Симою:
,(4.3)
где
- «площади» Симою, вычисляются по
переходной кривой.
При известных «площадях» Симою,
задаваясь определённой структурой модели можно определить её параметры
(коэффициенты). «Площади» Симою определяются с помощью вспомогательной j(t) функции:
,(4.4)
,(4.5)
,(4.6)
,(4.7)
,(4.8)
.(4,9)
где
- моменты вспомогательной функции.
Если из выражения (4.6) выразить
, а затем
приравнять правые части уравнений (4.3) и (4.6), то легко найти связь между
моментами вспомогательной функции и «площадями» Симою:
.(4.10)
Так
- площадь под кривой
вспомогательной функции.
Для расчета параметров модели
методом площадей введем нормированную переходную кривую, координаты точек
которой приведены в таблице 4.3, определяемую формулой:
.(4.11)
Таблица 4.3 - Координаты точек
нормированной переходной кривой
|
t,
с
|
0
|
0,2
|
0,4
|
0,6
|
0,8
|
1,0
|
1,2
|
1,4
|
1,8
|
2,0
|
2,2
|
2,4
|
|
h(t)
|
0
|
0,1
|
0,23
|
0,36
|
0,51
|
0,67
|
0,80
|
0,88
|
0,93
|
0,97
|
0,99
|
1,0
|
1,0
|
Нормированная переходная кривая изображена на
рисунке 4.5.
Введем в рассмотрение
вспомогательную функцию
, рисунок
4.5 координаты точек которой приведены в таблице 4.4, определяемую формулой:
.(4.12)
Таблица 4.4 - Координаты точек вспомогательной
кривой
|
t,
с
|
0
|
0,20
|
0,40
|
0,60
|
0,80
|
1,00
|
1,20
|
1,40
|
1,60
|
1,80
|
2,00
|
2,20
|
|
h(t)
|
1,00
0,20
|
0,90
0,17
|
0,77
0,14
|
0,64
0,11
|
0,49
0,08
|
0,33
0,05
|
0,20
0,04
|
0,12
0,03
|
0,07
0,01
|
0,03
0
|
0,01
0
|
0
0
|
|
|
|
|
|
|
|
|
|
|
|
|
|
|
|
|
|
|
|
|
|
|
|
|
|
|
|
Рассчитаем площадь S1, ∆t = 1,n = 12:
,
где Dt = 1 мин - шаг по времени.
Полученное значение и есть значение
«площади» Симою S1.
Вспомогательная кривая разгона
представлена на рисунке 4.6.
Рисунок 4.5 - Нормированная
переходная кривая
Рисунок 4.6 - Вспомогательная кривая разгона
Определение параметров модели по площадям
Приведем передаточную функцию модели:
,(4.13)
.(4.14)
Раскрывая скобки в правой части и
приводя подобные члены, получим степенной ряд
(4.15)
Приравнивая в последнем равенстве
коэффициенты при одинаковых степенях s слева и справа, получим линейную систему
уравнений для определения коэффициентов модели
:
,(4.16)
Расчет площадей Симою и
коэффициентов нормированной передаточной функции проводим с помощью программы
SIMOU.EXE.
Определение параметров передаточной
функции по виду переходного процесса методом площадей Симою
Число точек переходной кривой M =
11;
шаг квантования по времени DT =
0.20000;
значения переходной кривой:( 1) =
0.000000;( 2) = 1.600000;( 3) = 5.500000;( 4) = 7.800000;( 5) = 10.200000;( 6)
= 12.300000;( 7) = 13.400000;( 8) = 14.200000;( 9) = 14.800000;(10) =
15.100000;(11) = 15.200000.
Результат расчета:
коэффициент усиления передаточной
функции KY= 15.200000;
значения площадей:( 1 ) = 0.803509;(
2 ) = 0.212293;( 3 ) = 0.004182;( 4 ) = - 0.053377;( 5 ) = - 0.078474.
Вариант 1
полином числителя п.ф.:( 0 ) = 1.0;(
1 ) = - 1.448233;( 2 ) = - 0.279958.
Полином знаменателя п.ф.:
A ( 0 ) =
1.0;( 1 ) = - 0.644725;( 2 ) = - 0.671418;( 3 ) = - 0.078320.
Вариант 2
полином числителя п.ф.:( 0 ) = 1.0;(
1 ) = - 1.470165.
Полином знаменателя п.ф.:
A ( 0 ) =
1.0;( 1 ) = - 0.666657;( 2 ) = - 0.968998;( 3 ) = - 0.307924;( 4 ) = -
0.059525.
Вариант 3
полином числителя п.ф.:( 0 ) = 1.0;(
1 ) = - 1.049597;( 2 ) = - 0.272107.
Полином знаменателя п.ф.:( 0 ) =
1.0;( 1 ) = - 0.246088;( 2 ) = - 0.358960.
Вариант 4
полином числителя п.ф.:( 0 ) = 1.0;(
1 ) = 12.734810.
Полином знаменателя п.ф.:
A ( 0 ) =
1.0;( 1 ) = 13.568320;( 2 ) = 10.468930;( 3 ) = 2.714062.
Вариант 5
полином числителя п.ф.:( 0 ) = 1.0;(
1 ) = - 0.019697.
Полином знаменателя п.ф.:( 0 ) =
1.0;( 1 ) = 0.793811;( 2 ) = 0.196466.
Из дальнейшего рассмотрения
исключаем 1-й, 2-й, 3-й варианты передаточной функции, так как они не устойчивы
по критерию Стодолы (среди коэффициентов характеристического полинома
встречаются не положительные).
Расчет и построение переходных
кривых моделей. Выбор рабочей модели
Переходные кривые моделей можно
рассчитать по найденным передаточным функциям с помощью программы LAPNEW.EXE
или методом обратного преобразования Лапласа.
Результаты расчета переходных
процессов, рассчитанных на ЭВМ, приведены ниже.
Модель 4.
Корни характеристического полинома:(
1) = - 0.078330, ImS( 1) = 0.000000;( 2) = - 1.899724, ImS( 2) = - 1.058000;(
3) = - 1.899724, ImS( 3) = 1.058000.
Координаты точек переходного
процесса приведены в таблице 4.5
Таблица 4.5 - Координаты точек
вспомогательной кривой
|
T
|
0,000
|
0,200
|
0,400
|
0,600
|
0,800
|
1,000
|
1,200
|
1,400
|
1,600
|
1,800
|
2,000
|
|
H(T
|
0,000
|
1,115
|
3,473
|
6,104
|
8,520
|
10,521
|
12,065
|
13,196
|
13,985
|
14,512
|
14,84
|
Модель 5
Корни характеристического полинома:( 1) = -
1.950000, ImS( 1) = - 1.094304;( 2) = - 1.950000, ImS( 2) = - 1.094304.
Координаты точек переходного процесса приведены
в таблице 4.6
Таблица 4.6 - Координаты точек вспомогательной
кривой
|
T
|
0,00
|
0,200
|
0,400
|
0,600
|
0,800
|
1,000
|
1,200
|
1,400
|
1,600
|
1,800
|
2,000
|
|
H(T
|
0,00
|
1,376
|
3,896
|
6,594
|
9,007
|
10,959
|
12,433
|
13,486
|
14,203
|
14,668
|
15,118
|
Переходные кривые моделей показаны на рисунке
4.7.
Рисунок 4.7 - Переходные кривые 4 и 5 моделей
Как видно из рисунка 4.7 наиболее близкой к
объекту получилась 5-я модель, передаточная функция которой имеет вид:
.(4.17)
Для дальнейших расчетов будем
использовать эту передаточную функцию.
Выбор законов регулирования и расчет
коэффициентов регулятора
ПИД регулятором очень хорошо
зарекомендовали себя в практических задачах. Управление по производной - это
быстрый способ управления. Сигнал дифференциального канала наиболее важен при
изменениях входов и исчезает в установившемся режиме. Он позволяет реагировать
не на само увеличение ошибки, а на тенденцию ее изменения. Главный недостаток
дифференциального канала - большое влияние высокочастотных помех, например,
шумов измерений. По этой причине его нельзя использовать в данной ситуации, так
центробежной насос на линии подачи ДЭГ в абсорбер А-201 является источником
высокочастотных помех. Выбираем ПИ регулятор. Структурная схема автоматического
регулирования представлена на рисунке 4.8.
Рисунок 4.8 - Структурная схема автоматического
регулирования
Пропорционально-интегральный (ПИ) регулятор
Уравнение ПИ-регулятора во временной области:
.(4.18)
Передаточная и переходная функция:
,(4.19)
.(4.20)
Диапазон рабочих частот:
wи
£ wрпи £ wп.(4.21)
ПИ-регулятор рассматривается как
параллельное соединение П- и И-регуляторов. Он характеризуется двумя
параметрами настройки
и
и сочетает
в себе достоинства П- и И-регуляторов.
Построение области устойчивости в
плоскости настроечных параметров регулятора
Кривая Д-разбиения является границей
области устойчивости и показывает область изменения настроечных параметров
регулятора, в которой АСР будет устойчива. Кривая Д-разбиения может быть
получена из характеристического уравнения замкнутой АСР подстановкой. Тогда
, что
эквивалентно
.
Передаточная функция разомкнутой
АСР:
,(4.22)
где
- передаточная функция регулятора.
Уравнение границы области
устойчивости:
.(4.23)
ПИ-регулятор:
,
(4.24)
Преобразуем это уравнение следующим образом:
,(4.25)
где
.
Пусть
, тогда:
.(4.26)
Выделяем вещественную и мнимую части
и приравниваем их по отдельности нулю:
,(4.27)
где
,
.
Составим систему:
(4.28)
Система уравнений линейна, решим ее
методом определителей, тогда:
,(4.29)
где
;
;
;
Построение кривой равного значения
Показатель колебательности
.
Расчёты проведём на ЭВМ (программа
MEM2.exe)
Координаты точек кривой Д-разбиения
приведены в таблице 4.7, кривая Д-разбиения представлена на рисунке 4.8.
Таблица 4.7 - Координаты точек кривой Д -
разбиения
|
Частота
|
К0
|
К1
|
|
0.150000
|
0.026988
|
минус
0.531440
|
|
0.300000
|
0.010647
|
минус
0.489800
|
|
0.450000
|
0.234101
|
минус
0.421774
|
|
0.600000
|
0.402787
|
минус
0.008490
|
|
0.750000
|
0.603164
|
0.059132
|
|
1.050000
|
0.824256
|
0.211666
|
|
1.200000
|
1.054520
|
0.368618
|
|
1.350000
|
1.283105
|
0.526590
|
|
1.500000
|
1.501059
|
0.684667
|
|
1.650000
|
1.702069
|
0.841366
|
|
1.800000
|
1.882485
|
0.997334
|
|
1.950000
|
2.040696
|
1.153451
|
|
2.100000
|
2.176207
|
1.310800
|
|
2.250000
|
2.377960
|
1.470444
|
|
2.400000
|
2.442629
|
1.633324
|
|
2.550000
|
2.481115
|
1.800197
|
|
2.700000
|
2.491143
|
1.971663
|
|
2.850000
|
2.469931
|
2.148170
|
|
3.000000
|
2.414287
|
2.330046
|
Рисунок 4.8 - Кривая Д-разбиения для
ПИ-регулятора с показателем колебательности М = 1,2
Определение оптимальных параметров регулятора
Оптимальные параметры будем выбирать
из условия минимизации интегрального квадратичного критерия
на кривой
:
.(4.30)
Положение оптимальной (рабочей)
точки, как в случае ПИ существенно зависит от степени неопределенности задачи.
В нашем случае известно, что возмущения низкочастотные и действуют со стороны
регулирующего органа. Тогда от
можно перейти к критерию НВ, суть
которого заключается в обеспечении малости АЧХ замкнутой АСР по ошибке
в области
низких частот.
Экспериментальные исследования
показали, что рабочая частота для ПИ находится по формуле:
,(4.31)
где
- частота, соответствующая
.
Найдем оптимальные параметры
регуляторов:
Этой частоте соответствуют
параметры:
Найдём истинные настройки
регулятора. Для этого необходимо учесть коэффициенты усиления датчика:
(4.32)

;
.
Передаточная функция регулятора
имеет вид:
. (4.33)
Найдём значение параметров
настройки:
Предел пропорциональности:
Время изодрома:
Таким образом передаточная функция
регулятора примет вид :
В соответствии с полученными настройками
регулятора построим модель автоматического регулирования, воспользовавшись
программой Matlab Simulink.
На рисунке 4.9 представлена модель регулирования
объекта.
Рисунок 4.9 - Модель регулирования объекта
График, представленный на рисунке 4.10,
показывает реакцию системы на ступенчатое воздействие.
Рисунок 4.10 - Реакция системы на ступенчатое
воздействие
Из графика видно, что переходный процесс
протекает быстрее, время регулирования составляет около одной секунды,
отсутствуют явления перерегулирования и колебания малой амплитуды.
. ОХРАНА ТРУДА И ТЕХНИКА БЕЗОПАСНОСТИ
Темой данного дипломного проекта, как уже
отмечалось ранее, является автоматизация процесса осушки газа на установке
комплексной подготовки газа № 9 Уренгойского газоконденсатного месторождения.
С целью обеспечения безопасности производства
при монтаже и эксплуатации средств автоматизации, установленных на установке
осушки газа, являющейся объектом установки комплексной подготовки газа, в
данном разделе необходимо дать характеристику производственной среды, в которой
производится автоматизация, сделать анализ производственных опасностей и
вредностей. Безопасность производства, на данном объекте, должны соблюдаться
при всех видах работ, связанных с монтажом, обслуживанием и наладкой средств
автоматизации. Несоблюдение требований безопасности производства на данном
объекте может привести к производственным травмам и отравлениям.
Вследствие увеличения надёжности работы системы
автоматизации рассматриваемый объект становится более безопасным и безвредным.
При соблюдении техники безопасности во время всех видов работ исключается
возможность возникновения аварийных ситуаций, взрывов, пожаров и получения
производственных травм.
.1 Характеристика производственной среды и
анализ потенциальных опасностей и вредностей
При монтаже, наладке, эксплуатации и ремонте
системы автоматизации в технологическом цехе осушки газа, установке комплексной
подготовки газа производственные опасности и вредности могут быть обусловлены
следующими факторами:
отравление вредными веществами природного
газа;возможность взрыва и пожара при неисправностях и авариях, в результате
возникновения смеси перекачиваемого газа с воздухом, нижний предел взрываемости
которой - 5%, верхний - 15%, согласно ПОТ Р М-026-2003 «Межотраслевые правила по
охране труда при эксплуатации газового хозяйства организаций» (таблица 5.2);
поражение электрическим током до 1 кВ в
результате соприкосновения с токоведущими частями, при монтаже, ремонте и
эксплуатации средств автоматизации в летний период времени;
опасность прямых ударов молнии, что может
привести к пожару и поражению обслуживающего персонала;
опасность получения механических травм у
обслуживающего персонала при проведении работ по монтажу, наладке и ремонту
измерительных преобразователей;
физическими усилиями и нервными напряжениями при
выполнении отдельных видов работ связанных с тушение пожаров, перемещение
тяжестей;
наличие в трубопроводе высокого давления (менее
6,5 МПа) при неправильном регулировании или неисправности регулятора может
вызвать деформацию трубопровода;
воздействие шума и вибрации, как на приборы, так
и на обслуживающий персонал (возникающей от пульсации давления
транспортируемого газа);
недостаточное освещение в местах установки
средств автоматизации, вызывающее повышенную утомляемость, замедление реакции.
Действие вредных веществ на организм человека
зависит от их концентрации, продолжительности воздействия и особенностей
организма человека. Профессиональные отравления и заболевания возможны, если
концентрация токсического вещества в воздухе рабочей зоны превышает предельно-
допустимую концентрацию (ПДК). Характеристики сырья и реагентов, участвующих в
технологическом процессе, приведены в таблице 5.1.
|
Наименование
вещества на рассматриваемом объекте
|
Агрегатное
состояние
|
Класс
опасности веществ
|
Температура,
°С
|
Концентрационный
предел взрываемости, % объем
|
Характеристика
токсичности (воздействия на организм человека)
|
ПДК
веществ в воздухе рабочей зоны производственных помещений мг/м.
|
|
|
|
вспышки
|
воспламенения
|
самовоспламенения
|
нижний
предел
|
верхний
предел
|
|
|
|
Природный
газ
|
Г
|
4
|
-
|
-
|
537
|
5
|
15
|
Асфиксия
|
300
|
|
Диэтиленгликоль
|
Ж
|
4
|
137,8
|
143
|
345
|
2
|
11
|
Отравление
|
10
|
Таблица 5.1 - Характеристика вредных
производственных веществ
Примечание: класс опасности по ГОСТ 12.1.007-76
«ССБТ. Вредные вещества. Классификация и общие требования безопасности»
Диэтиленгликоль (ДЭГ) - ядовит, при попадании в
организм вызывает острое отравление, действует на почки, печень. В связи с
низкой упругостью паров ДЭГ не представляет опасности острых ингаляционных
отравлений. Пары ДЭГ обладают слабыми наркотическими свойствами. При остром
отравлении наблюдается сухость в горле, чувство стеснения в груди во время
работы. Все работы с диэтиленгликолем следует проводить в резиновых перчатках,
спецодежде в соответствии с отраслевыми нормами.
Для поддержания пожаробезопасного режима
эксплуатации установки осушки газа, здания, помещения и сооружения
классифицируются по взрыво- и пожаробезопасности НПБ 105-03 и ПУЭ (7 издание).
Сведения о взрыво- и пожарной опасности,
санитарных характеристиках производственных зданий, помещений и наружных
установок приведены в таблице 5.2.
Таблица 5.2 - Характеристика производств и
сооружений по их взрывопожаро - опасности
Категория
взрыво- и пажароопасности (НПБ 105, НПБ 107)
|
Классификация
взрывоопасных зон внутри и вне помещений
|
Группа
производственных процессов, объединенных по санитарной характеристике (СНиП
2.09.04)
|
Средства
пожаро- тушения
|
|
|
класс
взрыво- опасной зоны
|
категория
и группа взрыво- опасных смесей
|
наименование
веществ, определяющих категорию и группу взрывоопасных смесей
|
|
|
|
ППА
|
А
|
В-1а
|
IIAT3
|
Газ,
метанол
|
3б
|
Огнетуши-тели
порошко- вые
|
|
Цех
осушки газа
|
А
|
В-1а
|
IIAT3
|
Газ,
метанол, ДЭГ
|
3б
|
Воздушно-механи-
ческая пена
|
.2 Мероприятия по обеспечению безопасных и
безвредных условий труда
В данном пункте следует отметить мероприятия по
технике безопасности при монтаже, наладке и эксплуатации средств автоматизации
установки осушки газа.
На УКПГ № 9 Уренгойского месторождения крайнего
севера разработан комплекс мероприятий по созданию безопасных условий труда,
обслуживающего персонала автоматизированной системы управления технологического
процесса при проведении работ. Данный комплекс включает требования по работе с
ручным инструментом, требования по электробезопасности, требования по
обеспечению взрыво-пожаробезопасности, по предупреждению травматизма.
Мероприятия по технике безопасности
Во избежание несчетных случаев при обслуживании
средств автоматизации, направляемый на работу, персонал должен иметь
соответствующую подготовку, пройти производственный инструктаж, с общими
правилами техники безопасности и с безопасными методами работы на поручаемом
ему для обслуживания участке, а также с методами оказания первой помощи. По
окончании инструктажа направляемые на работу сдают экзамен по технике
безопасности в соответствии с ПБ 08-624-03, ПУЭ, ПТЭ и получают удостоверение с
присвоенной квалификационной группой, дающее им право работать по обслуживанию
действующих электроустановок [9].
Безопасные и безвредные условия труда, при
проведении работ, связанных с обслуживанием АСУ ТП, достигаются следующим:
заземление оборудования, емкостей, коммуникаций,
в которых возникают заряды статического электричества (менее 100 Ом).
Необходимая защита от поражения электрическим током обеспечивается защитным
заземлением корпусов всех приборов и оборудования. Электрическая изоляция между
отдельными электрическими цепями и корпусом должна выдерживать в течение минуты
действие испытательного повышенного напряжения 1000 В промышленной частоты.
Электрическая изоляция между отдельными электрическими цепями, и между этими
цепями и корпусом должна быть не менее 0,5 МОм.
по способу защиты человека от поражения
электрическим током изделия АСУ ТП соответствуют классам 1 и 2 (для изделий,
предназначенных для соединения с источником напряжения 220 В) и классу 3 (для
изделий, предназначенных для соединения с источником напряжения 24 В) по ГОСТ
12.2.007.0-75* (2001) «ССБТ. Изделия электротехнические. Общие требования
безопасности»;
электрическое сопротивление между элементами
защитного заземления и корпусом коммутационного панельного каркаса не более 0,1
Ом. Корпуса устройств заземляются в соответствии с 12.2.007.0-75* (2001),
сопротивление контура заземления не более 4 Ом. Измерение сопротивления
заземляющего устройства производится не реже одного раза в год;
все токоведущие части, находящиеся под
напряжением, превышающим 42 В по отношению к корпусу, имеют защиту от случайных
прикосновений во время работы;
подключение внешних цепей, разъемов, проведение
ремонтных работ должны осуществляться только при отключенных напряжениях
питания;
подключение источников сетевого питания должно
осуществляться через автоматические выключатели;
защита технологических трубопроводов от
атмосферного электричества и вторичных проявлений молний в соответствии с
«Инструкцией по устройству молниезащиты зданий и сооружений и промышленных
коммуникаций» (СО 153-34.21.122-03);
автоматическая аварийная защита технологического
оборудования, позволяющая исключить возможность работы его в аварийных
условиях;
оснащенность наглядными плакатами, четкими
надписями, табличками, запорная арматура пронумерована.
В помещениях цеха осушки газа возможно повышение
загазованности рабочих мест, как следствие необходима вентиляция. Для
предотвращения образования ПДК природного газа используется приточно-вытяжная
вентиляция с механическим побуждением. Предусмотрено две аварийно вытяжные
установки, включаемые при достижении 20% нижнего предела взрываемости по метану
от газоанализаторов.
Для ограничения воздействия шума и вибрации на
персонал при монтаже, эксплуатации, ремонте контрольно-измерительных приборов
применяются дополнительные средства по звукоизоляции аппаратов и оборудования
цеха.
На рабочих местах слесарей КИПиА предусмотрено
рабочее и аварийное освещение. Напряжение сети рабочего и аварийного освещения
равно 220 В. Для аварийного и рабочего освещения предусмотрены светильники
ВЗГ-200 (взрывозащищенное исполнение) с освещенностью равной 50 лк. Естественное
освещение предусмотрено через оконные панели. Для повышения освещенности
оборудование окрашено в светлые тона, ожесточен контроль за своевременной
заменой вышедших из строя ламп освещения.
Для снятия статического электричества
предусмотрено заземление всех не токоведущих частей вторичных электрических
приборов, а также оборудования в цехе.
Мероприятия по пожарной безопасности
Пожарная безопасность на УКПГ № 9 соблюдается в
соответствии с документами: «Правилами пожарной безопасности для предприятий и
организаций в газовой промышленности» (ВГШД-01-04-98), ГОСТ 12.1.004-91
«Пожарная безопасность. Общие требования» и «Нормами пожарной безопасности»
(НПБ 105- 03) «Определение категорий помещений, зданий и наружных установок по
взрывопожарной и пожарной опасности» [10].
Для обеспечения пожарной безопасности на
рассматриваемом объекте предусмотрены следующие мероприятия:
выполнение всех работ происходит в соответствии
с требованиями ППБ-01-03;
датчики имеют маркировку взрывозащиты
«искробезопасная электрическая цепь» 0ExiaIICT6 и устанавливаются во
взрывоопасных зонах помещений, соответствующих гл. 7.3.72 ПУЭ;
на установке строго запрещается пользоваться
открытым огнем без специального разрешения. Огневые и газоопасные работы
проводятся согласно регламенту и соответствующим инструкциям. При ремонте
водопровода на газовом промысле необходимо иметь запас воды на случай пожара
согласно действующим нормам. Пожарный запас воды вместе с запасом воды на
хозяйственно - питьевые нужды хранится в двух резервуарах по 700м3, оборудованных
огневым подогревом;
в технологическом помещении запрещается
прокладывать временные электрические сети, а также применять некалиброванные
предохранители для защиты электрических сетей, проводить электросварочные
работы с нарушением действующих инструкций;
монтаж искробезопасных цепей выполнен согласно
главам 7.3.72, 7.3.117 ПУЭ.
Взрыво- и пожароопасные помещения оборудованы
системами автоматического пожаротушения и пожарной сигнализации. При
возникновении пожара сигнал от пожарных датчиков, входящих в комплект МСКУ,
приводит в действие систему пожаротушения согласно ГОСТ 12.3.046-03.
Электрический импульс поступает к пиропатронам клапанов соответствующих
распределительных устройств и одновременно к пиропатронам головок баллонов с
огнегасящим веществом, открывая их.
Автоматический пуск установки газового
пожаротушения дублируется дистанционным и ручным по месту. Дистанционный пуск
осуществляется от электрических кнопок установленных в блоке автоматики и на
главном щите. Дистанционное и местное включение установок пожаротушения
необходимо производить, убедившись в отсутствии людей в защищаемом помещении.
Входить в помещение после тушения пожара без изолирующего противогаза
разрешается только после тщательного проветривания.
Взрыво- и пожароопасные помещения, здания и
сооружения оборудованы аварийной вентиляцией, включаемой автоматически от
сигнализаторов. Кроме автоматического включения систем аварийной вентиляции
предусмотрено и ручное дистанционное их включение с расположением пусковых
устройств у входной двери снаружи здания.
При срабатывании системы пожарной сигнализации
происходит отключение приточной и вытяжной вентиляции, где произошло
срабатывание. Электрические манометры и средства автоматизации имеют
взрывоопасный уровень защиты, маркировку взрывозащиты - lExdIIBT4 и
предназначены для применения во взрывоопасных зонах. Взрывонепроницаемая
оболочка, в которую заключены все электрические части, выдерживают давление
взрыва и исключают передачу взрыва в окружающую взрывоопасную среду. Шкаф МСКУ расположен
в отдельном помещении УКПГ в целях взрывобезопасности.
На основании «Правил пожарной безопасности в
газовой промышленности» для УКПГ разработаны конкретные инструкции о мерах
пожарной безопасности. Производственные и подсобные помещения УКПГ обеспечены
первичными средствами пожаротушения и пожарным инвентарем в соответствии с
действующими нормами. В качестве средств пожаротушения предусмотрены
огнетушители ОПУ-5, ОГТУ-Ю, ОХП-Ю, а также кошма и пожарный песок.
Использование пожарного оборудования и инвентаря
для хозяйственных, производственных и других нужд, не связанных с
пожаротушением, запрещается.
.3 Расчет освещенности операторной
На территории установки комплексной подготовки
газа располагается помещение операторной, в которой находятся автоматизированные
рабочие места работников службы АСУ ТП.
Схема помещения изображена на рисунке 5.1.
Рисунок 5.1 - Схема помещения операторной
Для расчета освещенности помещения операторной
воспользуемся следующими исходными данными:
А = 9 м - длина помещения;
В = 6 м - ширина помещения;
Н = 3 м - высота помещения; = 54 м - площадь
помещения;
апот = 70 %, ас = 50 %, апол = 10 %, -
коэффициенты отражения светового потока от потолка, стен и пола
соответственно;= 6 шт. - число светильников типа УСП-35 с двумя
люминес-центными лампами типа ЛБ-20 в ряду;
Фл = 1200 лм - номинальный световой поток лампы
ЛБ-40;
у = 0,45 - коэффициент использования светового
потока;= 0,8 - 0,9 - коэффициент затемнения;
к = 1,4 - 1,5 - коэффициент запаса; = 1,1 - 1,2
- коэффициент неравномерности освещения.
Необходимо определить норму освещенности
помещения операторной. Для помещения операторной уровень освещенности над полом
(d) составляет 0,8 м. Тогда высота подвеса светильников вычисляется по формуле:
= H-d,(5.1)= 3 - 0,8 = 2,2 м.
Для светильников типа УСП-35 наивыгоднейшее
отношение расстояний между рядами светильников (L) к высоте подвеса
светильников (h) равна 1,4.
= L/h.(5.2)
Тогда расстояние между рядами светильников
вычисляется по формуле:
= v h,(5.3)= 1,4 2,2= 3,08 m.
Округляем до 3 м.
Число рядов светильников вычисляется по формуле:
= B/L,(5.4)= 6/3=2.
Световой поток, излучаемый светильником,
вычисляется по формуле:
Фс = 2 Фл,(5.5)
Фс = 2 1200 = 2400 лм.
Норма освещенности определяется по
формуле:
, (5.6)
Для зрительных работ высокой точности, при
наименьшем размере объекта различения от 0,3 до 0,5 мм, разряд зрительной
работы третий, установлена норма освещенности Ен равна 100 лк. Так как в
результате расчета получена норма освещенности Ен равная 124 лк.,
следовательно, освещенность в помещении операторной допустимая.
6. ОЦЕНКА ЭКОНОМИЧЕСКОЙ ЭФФЕКТИВНОСТИ ОТ
ВНЕДРЕНИЯ КОРИОЛИСОВОГО РАСХОДОМЕРА НА УСТАНОВКЕ АБСОРБЦИОННОЙ ОСУШКИ ГАЗА
.1 Методика расчета экономической эффективности
инвестиций
Инвестиции - средства (денежные средства, ценные
бумаги, иное имущество, в том числе и имущественные права, имеющие денежную
оценку), вкладываемые в объекты предпринимательской и (или) иной деятельности с
целью получения прибыли и (или) достижения иного полезного эффекта.
Необходимо различать понятия: экономическая
эффективность и экономический эффект. Под экономическим эффектом в общем случае
понимается величина экономии затрат в рублях в результате осуществления
какого-либо мероприятия или их совокупности.
Для оценки эффективности инвестиционных проектов
применяется метод дисконтированной оценки, который базируется на учете
временного фактора. Данный метод учитывает временной фактор с позиции стоимости
денег в будущем. Данный метод учитывает временной фактор с позиции стоимости
денег в будущем. В соответствии с методическими рекомендациями оценка
эффективности инвестиционных проектов предусматривает расчет следующих
показателей:
чистый дисконтированный доход (ЧДД);
индекс доходности инвестиций (ИД);
внутренняя норма доходности (ВНД);
срок окупаемости инвестиций (СО).
Расчетный период разбивается на шаги, в пределах
которых производится агрегирование данных, используемых для оценки финансовых
показателей. Шаги расчета определяются их номерами (0, 1, ..). Время в
расчетном периоде измеряется в годах или долях года и отсчитывается от
фиксированного момента, принимаемого за базовый (обычно в качестве базового
принимается момент начала или конца нулевого шага).
Норма дисконта (приведения) отражает возможную
стоимость капитала, соответствующую возможной прибыли инвестора, которую он мог
бы получить на ту же сумму капитала, вкладывая его в другом месте, при допущении,
что финансовые риски одинаковы для обоих вариантов инвестирования.
Если рассчитанный ЧДД положителен, то
прибыльность инвестиций выше нормы дисконта и проект следует принять. Если ЧДД
равен нулю, то прибыльность равна норме дисконта. Если ЧДД меньше нуля, то
прибыльность инвестиций ниже нормы дисконта и от этого проекта следует
отказаться. При сравнении альтернативных проектов предпочтение должно
отдаваться проекту с большим значением ЧДД.
Важнейшим показателем эффективности
инвестиционного проекта является чистый денежный доход (другие названия ЧДД -
интегральный экономический эффект, чистая текущая приведенная стоимость, чистая
текущая стоимость, Net Present Value, NPV) - накопленный дисконтированный
эффект за расчетный период. ЧДД рассчитывается по следующей формуле:
ЧДД=
, (6.1)
где
- чистая прибыль, полученная в t-ом
году от реализации инвестиционного проекта;
- амортизационные отчисления в t-ом
году;
- инвестиции, необходимые для
реализации проекта в t-ом году;
Е - норма дисконта (является
экзогенно задаваемым основным экономическим нормативом) - это коэффициент
доходности инвестиций;
- коэффициент дисконтирования в
t-ом году, позволяет привести
величины затрат и прибыли на момент
сравнения (t).
Если ЧДД > 0, проект следует
принимать;
ЧДД = 0, проект ни прибыльный, ни
убыточный;
ЧДД < 0, проект убыточный и его
следует отвергнуть.
Индекс доходности дисконтированных
инвестиций (другие названия - ИД, рентабельность инвестиций, Profitability
Index, PI) - отношение суммы дисконтированных элементов денежного потока от
операционной деятельности к абсолютной величине дисконтированной суммы
элементов денежного потока от инвестиционной деятельности. ИД равен
увеличенному на единицу отношению ЧДД к накопленному дисконтированному объему
инвестиций.
Формула для определения ИД имеет
следующий вид:
. (6.2)
Если ИД > 1 - проект эффективен;
ИД < 1 - проект неэффективен.
В отличие от ЧДД индекс доходности
является относительным показателем, что позволяет осуществлять выбор одного
проекта из ряда альтернативных, имеющих приблизительно одинаковое значение ЧДД.
Внутренней нормой доходности
называется такое положительное число Ев, что при норме дисконта Е = Ев ЧДД
проекта обращается в 0, при всех больших значениях Е - отрицательна, при всех
меньших значениях Е - положительна. Если не выполнено хотя бы одно из этих
условий, считается, что ВНД не существует.
ВНД определяется из равенства:
. (6.3)
Величина ВНД, найденная из этого
равенства, сравнивается с заданной инвестором величиной дохода на капитал
. Если
- проект
эффективен.
За пользование авансированными
финансовыми ресурсами предприятия уплачивают проценты, дивиденды,
вознаграждения и т. п., то есть несут определенные обоснованные расходы на
поддержание своего экономического потенциала. Показатель, характеризующий
относительный уровень этих расходов, называют «ценой» авансированного капитала
(СС).
Для инвестиций справедливо утверждение
о том, что чем выше норма дисконта Е, тем меньше величина интегрального
эффекта, что как раз и иллюстрирует рисунок 6.1.
Рисунок 6.1 - Зависимость величины
ЧДД от уровня нормы дисконта Е
Как видно из рисунка 6.1, ВНД - это
та величина нормы дисконта Е, при которой кривая изменения ЧДД пересекает
горизонтальную ось, т.е. ЧДД оказывается равным нулю.
Экономический смысл этого показателя
заключается в следующем:
если ВНД > СС, то проект следует
принять;
если ВНД < СС, то проект следует
отклонить;
если ВНД = СС, то проект ни
прибыльный, ни убыточный.
Точный расчет ВНД возможен только на
компьютере или калькуляторе с встроенной функцией для расчета.
Если при решении равенства (6.3)
функция ВНД имеет несколько корней, то данный критерий неприменим.
Сроком окупаемости инвестиций с
учетом дисконтирования называется продолжительность периода от начального
момента до момента окупаемости с учетом дисконтирования.
Если доход по годам распределен
неравномерно, то срок окупаемости рассчитывается прямым подсчетом числа лет, в
течение которых инвестиции будут погашены кумулятивным доходом.
Помимо рассмотренных выше
показателей эффективности инвестиционных проектов в Методических рекомендациях
предусмотрено применение нижеследующих показателей:
чистый доход;
потребность в дополнительном
финансировании;
индексы доходности затрат и
инвестиций.
Чистым доходом называется
накопленный эффект за расчетный период (сальдо денежного потока).
Потребность в дополнительном
финансировании (ПФ) - максимальное значение абсолютной величины отрицательного
накопительного сальдо от инвестиционной и операционной деятельности. Величина
ПФ показывает минимальный объем внешнего финансирования проекта, необходимый
для обеспечения его финансовой реализуемости. Поэтому ПФ называют еще капиталом
риска.
Индекс доходности затрат - отношение
суммы денежных притоков (накопительных поступлений) к сумме денежных оттоков
(накопленным платежам).
Индекс доходности инвестиций -
отношение суммы элементов денежного потока от операционной деятельности к
абсолютной величине суммы элементов денежного потока от инвестиционной
деятельности [11].
.2 Обоснование коммерческой
эффективности проекта
Кориолисовые расходомеры Micro
Motion СMF являются современными преобразователями расхода, с высокими
эксплуатационными характеристиками качеством исполнения. Применение
кориолисовых расходомеров Micro Motion СMF дает следующие преимущества:
высокая надежность (качество сборки
и материалов используемых комплектующих, взрывозащищенное и коррозионностойкое
исполнение, защита от электромагнитных помех, устойчивая работа при низких
температурах, высокая степень защиты от воздействия пыли и воды);
высокие эксплуатационные
характеристики (большой диапазон допустимой температуры окружающей и измеряемой
среды, точность измерений, расширенные функциональные возможности датчика);
снижение эксплуатационных расходов
на энергопотребление и обслуживание.
Цель расчета - определить
экономический эффект от внедрения кориолисового расходомера Micro Motion СMF.
.3 Расчет капиталовложений
К капитальным вложениям относятся
затраты на приобретение оборудования, монтаж и наладку приборов. Стоимостные
показатели предоставлены плановым отделом приведены в таблице 6.1.
Объём капиталовложений
рассчитывается по формуле:
КВ = Зоб + Зпнр + Зсмр , (6.4)
где К - объём капиталовложений, тыс. руб.;
Зоб - затраты на оборудование, тыс. руб.;
Зпнр - затраты на пуско-наладочные работы (ПНР),
тыс. руб.;
Зсмр - затраты на строительно-монтажные работы
(СМР), тыс. руб.
Капитальные вложения должны учитывать
транспортные и монтажные расходы, которые определяются в процентах от стоимости
приборов и средств автоматизации.
Капитальные вложения также приведены в таблице
6.1.
Таблица 6.1 - Капитальные вложения на средства
автоматизации
|
Виды
затрат
|
Сумма,
тыс. руб.
|
|
Стоимость
кориолисового расходомера
|
76
|
|
Строительно-монтажные
работы по установке расходомера
|
15
|
|
ИТОГО
|
91
|
Капитальные вложения составляют 91 тыс. руб.
Данный укрупненный показатель стоимости включает в себя приобретение,
установку, подключение кориолисового расходомера.
.4 Формирование эксплуатационных затрат
Годовые эксплуатационные затраты, связанные с
обслуживанием и эксплуатацией приборов, средств или систем автоматизации,
рассчитываются по следующей формуле:
, (6.5)
где Звспом - затраты на
вспомогательные материалы;
Зрем - затраты на ремонт;
Зобор - затраты на обслуживание
оборудования, т.е. на заработную плату работника (работников), занимающегося
обслуживанием;
Зам - амортизационные отчисления по
приборам, средствам автома-тизации, внедряемому оборудованию;
Зпр - прочие затраты.
Затраты на вспомогательные материалы
составляют 20% от стоимости капитальных вложений:
, (6.6)
Звспом = 0,2 · 91 = 18,2 тыс. руб.
Затраты на ремонт оборудования
составляют 25 % от капитальных вложений:
, (6.7)
Зр = 0,25 · 91 = 22,75 тыс. руб.
Затраты на амортизацию составляют
10% от капитальных вложений, т.к. эксплуатационный срок оборудования 10 лет:
, (6.8)
где На - норма амортизации.
Зам = 91 · 0,1 = 9,1 тыс. руб.
Затраты на содержание и эксплуатацию
оборудования составляют 40% от капитальных вложений:
Зобор = 0,4 · КВ , (6.9)
Зобор = 0,4 · 91= 36 тыс. руб.
Затраты системы на потребление электроэнергии
составляют:
Зпот = Wу · Тр · Sэ, (6.10)
где Wy - установленная электромощность, 50
мкВт;- число рабочих часов, (24 · 365 = 8760);э - тариф на электроэнергию,
руб./кВт·ч (2,4).
Из формулы (6.10) имеем:
Зпот =365 · 24 · 5 · 2,4 = 105,12 тыс.руб.
Величина прочих затрат принимается равной 25% от
суммы других затрат:
Зпр = 0,25 · (3вспом + 3рем + 3обор + 3ам +
3пот) (6.11)
Зпр = 0,25 · (148,567 + 185,709 + 297,134 +
74,283 + 105,12) = 202,703 тыс.руб.
Результаты расчета эксплуатационных затрат
представлены в таблице 6.2.
Таблица 6.2 - Текущие затраты при использовании
кориолисого расходомера
|
Наименование
затрат
|
Результат,
тыс.руб.
|
|
Вспомогательные
материалы (0,2 · КВ)
|
18,2
|
|
Ремонт
(0,25 · КВ)
|
22,75
|
|
Содержание
и эксплуатация (0,4 · КВ)
|
36
|
|
Затраты
от потерь энергии (Wу · Тр · Sэ)
|
1,1
|
|
Амортизация
(На · КВ)
|
9,1
|
|
Прочие
|
21,79
|
|
Эксплуатационные
издержки
|
100,84
|
.5 Формирование выгод от проекта
После внедрения расходомера получили более
точные значения расхода. Экономическая эффективность определяется по формуле:
Э=(Ц - С) · Qн - Зр, (6.12)
где Ц - оптовая цена предприятия на продукцию;
С - себестоимость дополнительно полученной
продукции;г - объем дополнительно добытой продукции.
Э=(34 - 32) ·122 - 76,45 = 168 тыс. руб.
Экономия затрат на ремонт оборудования при
своевременном обнаружении аварийной ситуации:

, (6.13)
где
- затраты на ремонт,
= 76,45
тыс. руб;
- коэффициент аварийного ремонта,
= 0,35;
- коэффициент обнаружения места
аварии,
= 0,95.
Тогда по формуле (6.13) получим
:
=76,45 · 0,35 · 0,95 = 25,42 тыс.
руб.
Исходные данные для расчета экономического
эффекта приведены в таблице 6.4.
Таблица 6.4 - Исходные данные для расчета
экономического эффекта
|
Наименование
параметра
|
Величина
|
|
Капитальные
вложения, тыс. руб.
|
91
|
|
Эксплуатационные
издержки, тыс. руб.
|
100,84
|
|
Амортизация,
тыс. руб.
|
9,1
|
|
Экономия
затрат, тыс. руб.
|
168
|
|
Ставка
дисконта, %
|
20
|
|
Величина
расчетного периода, лет
|
10
|
При расчете экономической эффективности
инвестиционного проекта расчетный период Т складывается из времени внедрения
объекта в производство, которое принимается равным одному году, и времени
эксплуатации объекта, которое составляет 10 лет. Результаты расчета налога на
имущества заносим в таблицу 6.5.
Проводим расчеты экономической эффективности
проекта для всех расчетных годов по приведённым формулам, а результаты
вычислений заносим в таблицу 6.6. Коэффициенты дисконтирования рассчитываем
исходя из стоимости капитала для предприятия равной 20%.
Таблица 6.5 - Расчет налога на имущество тыс.
руб.
|
Год
|
|
Показатель
|
1
|
2
|
3
|
4
|
5
|
6
|
7
|
8
|
9
|
10
|
|
Стоимость
основных фондов на начало года
|
91
|
81,9
|
72,8
|
63,7
|
54,6
|
45,5
|
36,4
|
27,3
|
18,2
|
9,1
|
|
Амортизационные
отчисления
|
9,1
|
9,1
|
9,1
|
9,1
|
9,1
|
9,1
|
9,1
|
9,1
|
9,1
|
9,1
|
|
Стоимость
основных фондов на конец года
|
81,9
|
72,8
|
63,7
|
54,6
|
45,5
|
36,4
|
27,3
|
18,2
|
9,1
|
0
|
|
Среднегодовая
стоимость основных фондов
|
86,45
|
77,35
|
68,25
|
59,15
|
50,05
|
40,95
|
31,85
|
22,75
|
13,65
|
4,55
|
|
Налог
на имущество
|
1,729
|
1,547
|
1,365
|
1,183
|
1,001
|
0,819
|
0,637
|
0,455
|
0,273
|
0,091
|
По результатам расчета экономической
эффективности построим финансовый профиль инвестиционного проекта для
определения срока окупаемости (рисунок 6.2).
Рисунок 6.2 - Финансовый профиль проекта
Как видно (рисунок 6.2), срок окупаемости
проекта составляет 1,7 лет.
Изменение денежных потоков наличности изображено
на рисунке 6.3.
Внутреннюю норму доходности определим по графику
на рисунке 6.4, построенному на основании данных из таблицы 6.6.
Таблица 6.6 - ЧДД нарастающим итогом на 10 год в
зависимости от нормы дисконта
|
Норма
дисконта
|
Чистые
дисконтированные денежные поступления нарастающим итогом на 10 год, тыс.руб.
|
|
0,20
|
206,63
|
|
0,40
|
100,00
|
|
0,50
|
48,00
|
|
0,60
|
25,88
|
|
0,80
|
-2,84
|
Рисунок 6.3 - Изменение денежных потоков
наличности
Внутреннюю норму доходности определим по графику
на рисунке 6.4, построенному на основании данных из таблицы 6.6.
Таблица 6.6 - ЧДД нарастающим итогом на 10 год в
зависимости от нормы дисконта
|
Норма
дисконта
|
Чистые
дисконтированные денежные поступления нарастающим итогом на 10 год, тыс.руб.
|
|
0,20
|
206,63
|
|
0,40
|
100,00
|
|
0,50
|
48,00
|
|
0,60
|
25,88
|
|
0,80
|
-2,84
|
Рисунок 6.4 - Определение внутренней нормы
доходности
Как видно из рисунка 6.4, внутренняя норма
доходности данного проекта равна 78%.
Обобщающие экономические показатели
эффективности проекта приведем в таблице 6.7.
Таблица 6.7 - Эффективность проекта
|
Показатель
|
|
Инвестиции,
тыс. руб.
|
91
|
|
Расчетный
период, лет
|
10
|
|
Годовые
выгоды, тыс. руб.
|
168
|
|
Ставка
дисконтирования, %
|
20
|
|
Чистый
дисконтированный доход, тыс. руб.
|
100,17
|
|
Индекс
доходности, дол. ед.
|
3,27
|
|
Внутренняя
норма доходности, %
|
78
|
|
Срок
окупаемости, лет
|
1,7
|
ЗАКЛЮЧЕНИЕ
Качественным показателем товарного продукта -
осушенного газа является его влагосодержание. Этот показатель влияет на процесс
перекачки газа и доставку его конечному потребителю. Поэтому осушка газа
является одним из наиболее важных технологических процессов на УКПГ № 9
Уренгойского ГКМ.
В дипломном проекте была рассмотрена технология
процесса осушки газа на УКПГ № 9 Уренгойского ГКМ. Приведено описание
автоматизации цеха осушки газа, а также технических средств автоматизации для
измерения основных параметров технологического процесса. Произведен расчет
коэффициентов передаточной функции регулятора расхода РДЭГ в абсорбер.
В результате анализа средств измерения расхода
РДЭГ на абсорбционной установке осушки газа была предложена замена
существующего основного расходомера переменного перепада давления на
кориолисовый расходомер Micro Motion CMF.
Приведена характеристика производственной среды
и анализ потенциальных опасностей и вредностей на установке комплексной
подготовки газа. Расчет освещенности показал, что норма освещенности в
помещении операторной допустимая.
Анализ экономической эффективности, в ходе
которого была произведена оценка экономической эффективности от внедрения
кориолисого расходомера, показал, что инвестиции будут возвращены за счет
доходов за 1,7 года, что свидетельствует об экономической эффективности
проекта.
СПИСОК ИСПОЛЬЗОВАННЫХ ИСТОЧНИКОВ
Официальный
сайт ООО "Газпром добыча Уренгой": [Электронный ресурс]. - URL:
http://www.ugp.ru.
Ананенков,
А.Г. АСУ ТП промыслов газоконденсатного месторождения Крайнего Севера / А.Г.
Ананенков, Г.П. Ставкин Э.Г. Талыбов // Недра-Бизнесцентр. - М.: - 2000. - 232
с.
Волчкевич,
Л.И. Автоматизация производственных процессов / Л.И. Волчкевич //
Машиностроение. - М.: - 2005. - 380 с.
Горев,
С.М. Автоматизация производственных процессов нефтяной и газовой промышленности
/ С.М. Горев// Часть 1. - КамчатГТУ. - 2003. - 121 с.
Андреев,
Е.Б. Автоматизация технологических процессов добычи и подготовки нефти и газа /
Е.Б. Андреев, А.И. Ключников // Учебное пособие. - Недра-Бизнесцентр. - М.: -
2008. - 399 с.
Датчики
серии Метран: [Электронный ресурс]. - URL: http://www.metran.ru
Анализатор
точки росы интерференционный «КОНГ-Прима-10»: [Электронный ресурс]. - URL:
http://www.npovympel.ru.
Сигнализатор
стационарный горючих газов СТМ - 10: [Электронный ресурс]. - URL:
http://www.analitpribors.ru.
«Правила
безопасности в нефтяной и газовой промышленности» ПБ 08-624-03 -[Электронный
ресурс] - URL: http://www.complexdoc.ru.
«Смеси
взрывоопасные. Классификация и методы испытаний» ГОСТ 12.1.011-78* -
[Электронный ресурс] - URL: http://www.fireman.ru.
Бирюкова,
В.В. Методические рекомендации по экономическому обоснованию дипломных проектов
/ В.В. Бирюкова // Учебное пособие. - Уфа: Изд-во УГНТУ, 2008. - 30 с.