Вибір типу насосу
Зміст
Вступ
. Основна частина
.1 Будова, призначення
.2 Ремонт, обслуговування вузла
електрообладнання
.3 Організація робочого місця
електромонтера
.4 Принципова електросхема
.5 Електробезпека
. Економічна частина
Використана література
Вступ
Насоси являють собою гідравлічні
машини призначені для переміщення рідини під тиском. Перетворюючи механічну
енергію привідного двигуна в механічну енергію рідини, що рухається, насоси
піднімають рідину на певну висоту, подають її на необхідну відстань в горизонтальній
площині або заставляють циркулювати в будь-якій замкнутій системі.
Історія виникнення і розвиток
насосів показує, що спочатку вони призначались виключно для підняття води.
Проте в теперішній час область їх застосування настільки широкомасштабна і різноманітна,
що визначення насоса, як машини для перекачування води було б одностороннім.
Окрім водозабезпечення і каналізації міст, промислових підприємств і
електростанцій насоси застосовуються для зрошування і осушення землі,
гідроакомуляції енергії, транспортування матеріалів. Існують живильні насоси
котлових установок теплових електростанцій, суднові насоси, насоси для
нафтової, хімічної, паперової, харчової та інших галузей промисловості.
Таким чином насоси являються одним з
найбільш поширених видів машин, при чому їх конструктивна різноманітність
надзвичайно велика, тому класифікувати насоси за їх призначенням дуже важко.
Більш логічною є класифікація, яка основана на відмінностях в принципі дії. З
цієї точки зору всі існуючі в теперішній час насоси можуть бути поділені на два
види: динамічні і об’ємні.
По виду силової дії на рідину
динамічні насоси поділяються на:
. Лопастні:
× центробіжні;
× осьові;
× діагональні.
. Тертя:
× вихрові;
× струменеві;
× шнекові.
По формі руху робочих органів
об’ємні насоси поділяються на:
. Обернено-поступальні:
× поршневі;
× плунжерні;
× діафрагменні.
. Роторні (обертальні):
× шестеренні;
× гвинтові;
× шиборні.
Не дивлячись на великі відмінності в
принципі дії, конструкції, насоси всіх типів повинні задовольняти вимоги, в число
яких в першу чергу відносяться:
· надійність і
довговічність роботи;
· економічність і
зручність експлуатації;
· зміна робочих
параметрів в широких межах при умові збереження високого ККД;
· мінімальні розміри
і маса;
· простота будови, що
заклечається в мінімальній кількості деталей і повній їх взаємозаміні.
Вибір типу насосу в кожному
конкретному випадку проводиться з врахуванням експлуатаційних та конструктивних
якостей, що найбільш задовольняє технологічному призначенню.
Потужність, яка затрачається
насосом, необхідна для створення потрібного напору і здолання усіх видів втрат,
що виникають при перетворенні підведеної до насосу механічної енергії в енергію
руху рідини по трубопроводам. Виміряна в кВт потужність насосу визначає
потужність привідного двигуна.
1. Основна частина
.1 Будова і призначення
Насос являє собою гідравлічну
машину, призначену для переміщення води під тиском з одного місця в інше.
Мал. 1. Будова насоса
- Корпус насоса; 12 - Ущільнююче
кільце;
- Робоче колесо;13 - Запобіжне
кільце;
- Втулка валу;14 - Шариковий
підшипник;
- О-кільце;15 - Запобіжне кільце;
- ущільнювач;16 - Шариковий
підшипник;
- Гайка;17 - Компенсаційна шайба;
- Шайба;18 - Крильчатка вентилятора;
- Плоска прокладка;19 - Розпірне
кільце;
- Різьбова пробка;20 - Кришка
вентилятора;
- Плоска прокладка;21 - Кришка
клемної коробки.
- Різьбова пробка;
Мал. 2. Загальний вигляд в розрізі
Окрім цього до будови даного
обладнання входить:
· будова самого
електродвигуна (яка описана нижче);
· будова магнітного
пускача, який забезпечує зручне управління електродвигуном насоса;
· теплове реле
захисту
Будова двигуна
Основними частинами
двигуна електронасоса (Мал. 3) є нерухомий статор і обертовий ротор, які
розділені повітряним зазором. Статор складається із станини (або корпуса) з
лапами; стального осердя із штампованих, ізольованих один від одного, листів
електротехнічної сталі з пазами для укладання обмотки статора виготовленої з
ізольованого мідного дроту, й укладеного в пази осердя. Обмотка призначена для
утворення обертового магнітного поля. І сам статор служить для створення
силового електромагнітного поля, яке приводить ротор до обертання
Мал. 3. Асинхронний
двигун:
- станина;
- стальне осердя;
- обмотка статора.
Ротор двигуна (Мал. 4) складається з
таких частин: стального циліндра, складеного із штампованих, ізольованих один
від одного листів електротехнічної сталі; вала ротора, на якому закріплено
стальний циліндр ротора, підшипників, вентилятора.
Мал. 4. Обмотка коротко замкнутого
ротора.
У пази короткозамкнутого ротора укладено
стержні із струмопровідного матеріалу, які з торців замикаються кільцями,
утворюючи так зване біляче колесо. Ротор призначений для перетворення енергії
електромагнітного поля в механічну енергію обертання.
Трифазний струм, що проходить через
обмотку статора асинхронного двигуна, створює обертове магнітне поле, яке
перетинає провідники обмотки ротора, індукує в них є. р. с. У провідниках
замкненої обмотки протікають струми. При взаємодії цих струмів та обертового
магнітного поля виникають електромагнітні сили, які за правилом лівої руки
спрямовані в бік обертання поля статора. Ротор починає рухатися в бік руху
магнітного поля.
Електромагнітні
пускачі
Електромагнітний
пускач розроблений на базі контактора.
Розрізняють
контактори з прямо ходовою магнітною системою та з поворотним якорем.
При використанні
даного обладнання застосовується контактор з прямо ходовою магнітною системою.
У контакторах з
прямо ходовою магнітною системою нерухомою частиною є осердя 7 з котушкою 6,
які встановлюються нерухомо на основі 9. Рухомою частиною контактора є якір 4,
який зв'язаний і головними рухомими та допоміжними контактами.
При подачі напруги
на котушку контактора виникає магнітне поле, під дією якого рухома магнітна
система притягується до нерухомої. Тобто якір притягується до осердя, а рухомі
контакти - до нерухомих. Таким чином забезпечується проходження електричного
струму в силовому й допоміжному колі контактора. На головні та допоміжні
контакти контактора встановлено пружини для створення необхідного натискування і
зменшення перехідного опору контактів. Допоміжні розмикаючі й замикаючі
контакти призначені для роботи в електричних, колах керування.
При знятті напруги
з котушки контактор вимикається, і під дією пружини 8 якір повертається у
початкове положення.
При розмиканні
головних контактів на великих струмах виникає електрична дуга, яка може
призвести до руйнування контактної системи. Тому головні контакти контактора
обладнують дугогасильними камерами з жаростійкого ізоляційного матеріалу.
У контакторах
змінного струму осердя і якір виконують шихтованими, тобто набраними з окремих
ізольованих пластин електротехнічної сталі.
При проходженні
змінного струму по котушці контактора у магнітній системі виникає магнітний
потік, який періодично проходить через нуль. Це викликає вібрацію та гудіння
магнітної системи, оскільки контактор живиться змінним струмом.
Мал. 5.
Електромагнітний контактор із прямо ходовою магнітною системою:
а - будова
магнітного контактора;
б - короткозамкнений
виток у магнітній системі контактора;
, 8 - пружини;
- рухомі контакти;
- нерухомі
контакти;
- якір;
- короткозамкнений
виток;
- котушка; 7 -
осердя;
- основа
Щоб зменшити це
явище, на торці осердя контактора змінного струму встановлюють мідний короткозамкнений
виток (Мал. 5, б). Він охоплює приблизно 1/3 площі торця осердя контактора.
Коли основний магнітний потік проходить через нуль, його величина швидко
змінюється і тому в короткозамкненому витку утворюється максимальна е. р. с. У
цьому разі короткозамкнений виток є вторинною обмоткою трансформатора. У
короткозамкненому витку е. р. с. утворює струм, що сприяє утворенню магнітного
потоку Фд, який замикається через осердя та якір і перешкоджає
відпаданню якоря при переході основного потоку через нуль. Таким чином
зменшується вібрація магнітної системи контактора.
Теплове реле
захисту
У магнітному
пускачі апаратом захисту електродвигунів від недопустимого тривалого
перевантаження с теплове реле. Основний його елемент - біметалева пластина. Ця
робоча частина реле являє собою біметалеву пластину, яка складається з двох
металів з різними температурними коефіцієнтами лінійного розширення. Матеріали
для пластинок підбирають так, щоб вони мали можливо велику різницю коефіцієнтів
розширення під час їх нагрівання, наприклад мідь - сталь, сталь - нікель, інвар
- латунь.
Мал. 6. Теплове
реле (вигляд зверху).
На котушку
магнітного пускача подається напруга через контакти теплового реле. При
нагріванні біметалевої пластини розмикаються контакти реле, внаслідок чого
вимикається магнітний пускач.
Для надійною
захисту електродвигунів теплове реле укомплектовано регулятором струму
спрацьовування.
Трифазне теплове
реле захищає двигун і при обриві однієї з фаз, оскільки при незмінному
навантаженні на валу двигуна струм в інших фазах перевищує номінальний і реле
вимкне двигун з мережі.
Теплове реле є
апаратом захисту електродвигунів тільки при довготривалому перевантаженні і не
захищає їх при коротких замиканнях, тому реле теж потребує захисту від струмів
короткого замикання.
1.2 Ремонт вузла електрообладнання
насос електродвигун
гідравлічний машина
В процесі експлуатації електронасосу
можуть виникнути різноманітні неполадки, які будуть перешкодою для подальшої
успішної роботи підприємства яке використовує даний електронасос. Нище буде
описано ремонт і правильне обслуговування окремого вузла даного обладнання -
електродвигуна, його несправності нагляд за ним під час його експлуатації на
виробництві.
Ознаки і причини несправності електродвигуна
насосу. Вказівки вирішення цих несправностей:
· Якщо активна сталь
статора рівномірно перегріта, навантаження двигуна не перевищує номінального.
Причина:
напруга мережі вища номінальної.
Необхідно знизити напругу мережі до номінальної чи підсилити вентиляцію
електродвигуна. Якщо і після підсилення вентиляції перегрів буде вищий
допустимого з’явиться небезпека за безперебійну роботу електродвигуна, то
замінити електродвигун іншим, який відповідає напрузі мережі.
· Якщо
спостерігається підвищений місцевий нагрів активної сталі при холостому ході
електродвигуна і номінальної напруги мережі.
Причини:
1. Між окремими місцями
активної сталі відбуваються місцеві замикання, викликані завусеницями, які
утворилися при опилюванні чи через дотикання ротора у статор під час роботи
електродвигуна. Необхідно видалити завусениці, обробити місця замикання
напильником, роз’єднати листи сталі і покрити їх ізоляційним лаком.
2. Порушена ізоляція між
стяжними болтами і активною сталлю (в електродвигунах старих конструкцій).
Необхідно виправити ізоляцію стяжних болтів або замінити пошкоджені болти
новими; в більшості випадків для цього необхідно виконати часткову або повну
перемотку обмотки статора.
. Зубці активної сталі в
окремих місцях вигоріли сплавлені внаслідок короткий замикань в обмотці статора
або пробою обмотки на корпус. Необхідно вирізати пошкоджені місця. Між окремими
листами тонкий електрокар тон або пластинки слюди і покрити їх ізоляційним
лаком. Такий спосіб ремонту звичайно дає хороші результати. При ретельній
ізоляції один від одного окремих листів сталі для запобігання утворення нових
внутрішніх замикань до вкладання обмотки необхідно активну сталь статора
випробувати на відсутність замикань між листами. Випробування проводиться з
допомогою намагніченої обмотки, яка живиться однофазним струмом при індукції
сталі, рівній 1 Тл. Відсутність місцевих перегрівів в сталі свідчить про
задовільний ремонт.
· Двигун добре
запускається без навантаження; з навантаженням не запускається.
Причина:
Навантаження при запуску велике.
Потрібно зменшити навантаження при запуску.
· Спостерігається
загальний рівномірний перегрів всієї обмотки статора
Причини:
. Електродвигун
перевантажений чи в нього порушена нормальна вентиляція.
. Напруга на затискачах
двигуна нижче номінальної внаслідок чого електродвигун при номінальній
потужності перевантажений струмом. Необхідно підвищити напругу до номінальної
чи зменшити навантаження до номінального струму. Обмотка статора з’єднана не
зіркою а трикутником. Необхідно з’єднати обмотку статора зіркою.
· Обмотка однієї фази
замкнута на землю в двох місцях. Обмотка статора місцями нагрівається. Сила
струму в окремих фазах неоднакова. Електродвигун гуде і розвиває понижений
крутячий момент.
Причини:
. Замикання
. Неправильно з’єднана котушка
однієї фази, одна чи декілька котушок «перевернуті».Необхідно знайти
мегомметром чи індикатором місце замикання обмотки на землю і виправити цей
дефект; у випадку необхідності перемотати пошкоджені котушки.
. Коротке замикання між двома
фазами. Необхідно найти місце короткого замикання. Пошкоджене місце
відремонтувати або перемотати пошкоджену частину обмотки.
· Електродвигун не
йде в хід.
Причина:
Відсутній струм в статорі, що
пояснюється перегорянням запобіжника чи відмовою роботі автоматичного вимикача,
внаслідок його несправності. Необхідно поставити нові запобіжники чи
відремонтувати автоматичний вимикач.
· Електродвигун не
йде в хід; при розвороті від руки працює поштовхами і гуде; в одній фазі
статора немає струму.
Причина:
Обрив однієї фази мережі чи
внутрішній обрив в обмотці статора при з’єднанні фаз зіркою. Якщо обрив фаз
відбувся під час роботи електродвигуна, то частота обертання його понижується,
а сила струму настільки збільшується, що може перегоріти обмотка в статора чи
ротора. В такому випадку необхідно провірити вольтметром напругу на затискачах
статора. Якщо існує обрив в одній фазі мережі чи напруги в всіх трьох фазах не
симетрично, то виправити несправність мережі, а якщо вона справна то необхідний
ремонт електродвигуна.
· Електродвигун не
йде в хід. Не дивлячись на те, що напруга на затискачах статора номінальна;
сила струму в усіх трьох фазах статора однакова.
Причини:
1. Обрив в двох чи трьох фазах
пускового реостату чи в з’єднувальних дротах між ротором і пусковим реостатом.
Необхідно відшукати при допомозі мегомметра чи індикатора напруги місце обриву
і виправити.
2. Сильне одностороннє
притягання ротора до статора із-за великої розробки вкладишів чи підшипників,
зміщення підшипникових щитів чи підшипникових стояків.
· При номінальному
навантажені електродвигун обертається з частотою, що не досягає номінальної.
Причини:
1. Напруга на затискачах
електродвигуна понижена. Напругу на затискачах необхідно підвищити до
номінальної чи, якщо це можливо, зменшити навантаження для запобігання
перегріву електродвигуна.
2. Поганий контакт в ланцюзі
ротора.
. Великий опір в ланцюзі
ротора. Необхідно збільшити переріз провідників в ланцюзі ротора; виправити
реостат, перенести пусковий реостат ближче до електродвигуна.
. Перемотка статора замість трикутника
з’єднана зіркою. Необхідно обмотку статора з’єднати трикутником.
· Електродвигун
погано йде в хід і гудить; сила струму в усіх трьох фазах різна і при холостому
ході електродвигуна перевищує номінальну.
Причини:
1. Одна фаза обмотки статора
«перевернута». Це стається в результаті неправильного з’єднання між собою
виводів на дошці затискачів чи в результаті неправильної маркіровки виводів.
Необхідно з’єднати провідники на дошці затискачів згідно схеми з’єднання, що
прикладена до електродвигуна, а при її відсутності - по буквеним позначенням
виводів обмотки.
2. Неправильне з’єднання
перемикача електродвигунів з коротко замкнутим ротором, пуск яких здійснюється
переключенням обмотки статора з зірки на трикутник. Необхідно перевірити і
правильно з’єднати перемикач з двигуном.
· Одностороннє
притягання ротора. Під час роботи електродвигуна проходить дотикання ротору до
статора.
Причини:
. Порушена правильність
зазору між статором і ротором внаслідок зносу вкладишів підшипників, зміщення
підшипникових щитів, неправильної установки підшипникових стояків, деформації
сталі ротора чи статора, згину валу. Необхідно провірити зазор між шийками і
вкладишами і в випадку необхідності перезалити вкладиші чи замінити їх новими;
перевірити зазор між ротором і статором; при відсутності установочних штифтів в
підшипникових стояках поставити їх; при деформації сталі статора обпилити її
гострі кути напильником, уникаючи при цьому утворення завусениць; при
деформації сталі ротора обточити його чи відшліфувати наждачним кругом;
перевірити вал.
. Ротор погано збалансований.
Необхідно ротор збалансувати.
. Міжвиткове замикання в
обмотці статора чи неправильне з’єднання фаз статора. Це порушує симетрію
магнітного потоку, і ротор односторонньо притягується. При цьому ротор притягується
до станини статора, протилежній пошкодженню, так як в дефектному місці
магнітний потік буде ослаблений розмагнічуючи ми діями коротко замкнутої
частини обмотки.
· Ненормальний шум в
насосі. Електродвигун сильно гудить. Сила струму в усіх фазах різна. Нагрів
обмотки статора нерівномірний.
Причини:
Коротке замикання в обмотці статора;
обмотки статора з’єднані неправильно; число витків в окремих котушках обмотки
статора не однакове. Гудіння спостерігається тільки в випадках наявності
паралельних віток в обмотці і при з’єднанні фаз трикутником. Необхідно
від’єднати всі три фази і паралельні вітки одну від одної. Почергово дати в
кожну фазу (при послідовному з’єднанні всіх котушок) чи в кожну вітку (при
паралельному з’єднанні котушок) перемінний струм і виміряти вольтметром напругу
на окремих групах котушок. В групах, що мають менше витків напруга буде менша,
ніж в інших. Найбільш допустима різниця напруг на окремих групах котушок не
повинна перевищувати 5%. Випробовування допустимо як при встановленому, так і
при витягнутому роторі. При встановленому і розімкнутому фазному роторі
випробування може проводитись при номінальній напрузі. При витягнутому роторі
чи ж встановленому короткозамкненому роторі напруга, підведена до статора, не
повинна перевищувати 15-20% номінальної напруги двигуна. Можна також виконати
перевірку числа витків котушок статора, живлячи електродвигун зі сторони ротора
(при фазному роторі).
· Електродвигун
працює нормально, але чути гудіння. Cила струму у всіх трьох фазах однакова.
Причина:
Котушечні групи розприділені не
симетрично при наявності паралельних віток в обмотках статора. Несиметричний
розподіл особливо різко виявляється при нерівномірності зазору між статором і
ротором, визиваючи інколи вібрацію машини. Необхідно ретельно вирівняти зазор
між ротором і статором.
Основними причинами несправності
електродвигунів є:
· незадовільна якість
виготовлення і ремонту (приблизно 35%).
· Незадовільна
експлуатація (приблизно 40%)
До найчастіших відмовлень через
незадовільну якість виготовлення і ремонту двигуна необхідно віднести:
· для обмоток
статорів - послаблення кріплення секцій, зволоження ізоляції (внаслідок чого
виникають короткі замикання між витками), послаблення пазових клинів з
наступним їх випаданням в повітряний зазор;
· для обмоток ротора
- обрив стержнів в пазах і в місцях їх припайки до кілець короткозамкнутого
ротора, обрив перемичок між котушками індукторів.
Крім того значна кількість двигунів
постійного і змінного струму викликана поганою пропитою їх обмоток, що приводить
до погіршення електричних і механічних характеристик ізоляції і зниження її
нагрівостійкості і теплопровідності.
До відмовлень через незадовільну
експлуатацію необхідно віднести попадання масла і води на обмотку, забруднення
обмоток пилом, попадання сторонніх предметів на обмотки, перевантаження по
струму, погане збалансування ротора після ремонту, незадовільний тепловий і
струмовий захист електричних машин.
Електричні і механічні параметри
електродвигунів (потужність, напруга, частота обертання, відносне продовження
робочого періоду, пусковий, мінімальний, максимальний моменти, границі
регулювання частоти обертання і т.п.) повинні відповідати параметрам привідних
механізмів, у всіх режимах їх роботи.
Електродвигун повинен негайно бути
відключений від мережі електричного струму:
· при нещасному
випадку (чи загрозі його виникнення);
· поява диму чи вогню
з двигуна чи його пускорегулюючої апаратури;
· вібрації зверх
допустимих норм, яка загрожує цілісності двигуна;
· несправності
привідного механізму;
· нагрів підшипника
зверх допустимих норм;
· при значному
зниженні частоти обертання, яке супроводжується швидким нагрівом електродвигуна
т.ін.
При обслуговуванні і експлуатації
електродвигуна потрібно вести загальний нагляд за ним; при цьому необхідно
періодично контролювати режим його роботи; стан зовнішніх болтових з’єднань,
нагрів, стан контактів і слідкувати за чистотою електродвигуна, уникати
можливості попадання на його обмотки пилюки, води, масла, емульсії.
Масло може попасти на обмотки
двигуна через надмірну набивку підшипників змазкою, що викликає нагрів
підшипників, під час їх нагріву масло витікає на лобові частини обмотки, що
може викликати до надмірного нагріву і самої обмотки, пошкодженню ізоляції,
короткого замикання... Вузол повинен наповнятися змазкою не більше 2/3 його
вільного об’єму, а в швидкісних підшипниках - половину або третю частину його
об’єму. На надійність підшипникових вузлів електродвигуна впливає раціональний
вибір змазуючих матеріалів в залежності від конкретних умов експлуатації, більш
високу температуру допускається при користуванні спеціальних підшипників або
сорту масла.
Потрібно вести постійний нагляд над
навантаженням двигуна, вхідного і вихідного повітря з замкнутої системи
вентиляції. Температура активних частин двигуна, не повинна перевищувати
встановленої.
Перед тим, як установити двигун і
запустити його в хід необхідно:
· Виміряти зазор між
вкладишем підшипника і шийкою валу;
· Заповнити масляні
камери чистим маслом до встановленого рівня;
· Перевірити зазори
між валом і ущільнювачами підшипників;
· Перевірити
повітряний зазор між ротором і статором
Крім цього перед установкою двигуна
слід розібрати підшипники зі зняттям кришок і вкладишів, перевірити їх якість,
щільність посадки клинів, кріплячи обмоточні секції в пазах ротора і статора,
справність ізоляційного покриву лобових частин обмоток і гільз на виході
обмоточних секцій, активну сталь ротора і статора на відсутність вм’ятин,
вибоїн і ржавчин, стан бандажів в лобових частинах обмотки.
На електродвигуні і привідному механізмі
мають бути нанесені стрілки які вказують на напрям обертання. Правильний напрям
обертання забезпечує необхідне охолодження і змазку електродвигуна.
Якщо в електродвигуні можливе
систематичне перевантаження по технічним причинам, потрібно встановити захист
від перевантаження. Захист повинен діяти на сигнал, автоматичне розвантаження
двигуна або його відключення від електричного струму, тобто зупинку.
Продовж експлуатації електродвигуна
потрібно систематично піддавати його технічним оглядам. Періодичність оглядів
встановлюється в залежності від місцевих умов, але не рідше ніж один раз в 2
місяці. При технічним оглядах слід проводити чистку електродвигуна від
забруднення, перевіряти стан контактів, надійність заземлення і з’єднання з
привідним механізмом. Періодичність профілактичних ремонтів встановлюється в
залежності від виробничих умов, але не рідше одного разу в рік. При
профілактичних ремонтах повинен проводитись повний розбір електродвигуна,
внутрішня чистка його, заміна змазки підшипників, перевірити опір ізоляції від
корпуса. При виявленні пониження опору ізоляції обмотки статора необхідно
негайно прийняти заходи до встановлення її стану, який відповідає стандартам.
Після збірки електродвигуна, проводять пробний пуск, під час якого переконуються
про відсутність стуків і вібрацій, зачіпання вентилятора до захисного кожуха,
заміна масла в підшипниках повинна проводитись через 4000 годин, але не рідше
одного разу в рік. При роботі електродвигуна в запиленому або вологому
середовищі заміна змазки підшипників повинна проводитись частіше в залежності
від місцевих умов, перед заповненням їх змазкою вони повинні бути ретельно
промиті бензином.
Одна з важливих умов надійності
роботи електродвигуна є суворе дотримування допустимих значень вібрації.
Причинами виникнення підвищеної вібрації можуть виявитись: недостатнє
збалансування ротора, погане кріплення електродвигуна чи механізму на
фундаменті, недостатня твердість самого фундаменту, неправильне центрування.
Сильна вібрація до послаблення кріплення і передчасного зношення окремих частин
деталей електродвигуна, до їх несправності і пошкодження, аварійному виходу
електродвигуна з ладу.
Виводи статорної і роторної обмоток,
а також частини двигуна, які обертаються - муфти, вентилятори, відкриті частини
валу повинні бути огороджені під час роботи.
Пристрої управління повинні
знаходитись чим поближче до електродвигуна в зручних для обслуговування місцях.
.3 Організація робочого місця
електромонтера
Робоче місце - частина виробничої
площі з розташованими на ній засобами праці призначеними для виконання певної
роботи. В той же час робоче місце - це зона застосування праці безпосередньо
працівником.
Продумана і чітка організація
робочого місця електромонтажних робіт є однією з основних умов підвищення
продуктивності праці, зростання виробітку, скорочення термінів виконання робіт
і зниження їх собівартості.
Кожне робоче місце має свою
специфіку, пов’язану з особливостями організації виробничого процесу
Організація робочого місця - це
створення певного комплексу організаційно-технічних умов для високопродуктивної
і безпечної праці.
При вирішальній ролі знарядь праці
вихідним моментом в організації робочого місця є предмет праці. Залежно від
характеру (маси, габаритних розмірів та ін.) проектується технологічний процес
із вказівкою на вид і характер знарядь праці (машин, устаткування, інструменту,
пристроїв, приладів вимірювання…), тобто визначається наперед устаткування та
оснащення робочого місця.
Основні вимоги до організації
робочого місця такі:
· на робочому місці постійно
повинно міститися усе необхідне для безперебійної і високоякісної праці, не має
бути нічого, що б заважало зручно працювати;
· робітник не повинен
почуватися сковано при виконанні будь-якого необхідного руху під час виконання
певної роботи і в той же час не повинен робити зайвих рухів.
Планування робочого місця - це
просторове розміщення засобів, предметів праці та виконавця з урахуванням
антропометричних, біохімічних даних і основних характеристик органів чуття
людини.
Робоче місце можна розділити на дві
зони:
· зону праці
(основна);
· зону підходу
(допоміжна).
Обидві зони мають однакове значення
для організації робочого місця і називають внутрішнім плануванням.
Зовнішнє планування - розташування
робочого місця відносно інших робочих місць - визначається характером і
кількістю його оснащення, характером виконуваних робіт.
Загальні вимоги до планування
робочого місця такі:
· розмір робочої зони повинен
давати змогу без перешкод і зручно виконувати роботи;
· виключення
можливості травмування;
· устаткування має
розміщуватися по змозі в полі зору робітника і бути доступним для постійного
нагляду за ходом технологічного процесу;
· основне і допоміжне
устаткування повинно бути розташоване так, щоб був вільний доступ при його
обслуговуванні;
· предмети постійного
користування повинні перебувати у близькому стані до робочого;
· оснащення та
устаткування постійного користування, предмети праці розташовуються з
урахуванням антропометричних і фізіологічних даних людини;
· предмети
тимчасового користування розміщуються в спеціально відведених місцях, щоб вони
не заважали основній роботі.
Оснащення робочого місця - це
забезпечення його всім необхідним для виконання процесу праці засобами і
предметами праці.
Постійні елементи устаткування та
оснащення робочого місця перебувають на робочому місці завжди, незалежно від
роботи, яка виконується в кожний окремий період часу.
Тимчасові елементи устаткування
робочого місця - це спеціальні предмети, призначені для виконання конкретної
роботи. Їх склад, кількість і тривалість перебування на робочому місці залежать
від технологічного режиму і системи обслуговування.
В комплектацію робочого місця
входять предмети догляду за робочим місцем, засоби індивідуального захисту.
Організація
робочого місця електромонтера з ремонту і обслуговування електроустаткування
повинна бути безпечною на всіх стадіях виконання робіт, однак слід враховувати
можливість виникнення наступних шкідливих та небезпечних виробничих факторів:
× наявність
електричної напруги;
Перед роботою
працівник повинен вдіти спецодяг, якщо потрібно спецвзуття. Перед тим
перевірити їх справність. Перевірити стан ізолюючих підставок, решіток,
переносних драбин та ін.
Перевірити стан
ручного інструменту: рукоятки кусачок повинні бути ізольовані, робоча частина
викрутки повинна бути правильно заточена, а ручка щільно насаджена і
ізольована, гаєчні ключі повинні бути справними і відповідати розмірам гайок.
× недостатнє
освітлення робочої зони;
Відрегулювати
місцеве освітлення так, щоб робоча зона була достатньо освітлена і щоб напрям
світла був скерований так, щоб воно не світило в очі. В місцях де немає
освітлення або там де слабе освітлення, для безпечної і ефективної роботи
потрібно користуватись переносною лампою не більше ЗО В, а в сирих приміщеннях
- напругою не більше 12 В.
× захаращеність
робочої зони;
Кожний працівник
повинен підтримувати в порядку своє робоче місце та інструмент. Робоче місце не
повинно бути завалене зайвими чи непотрібними предметами.
× падіння
з висоти предметів, матеріалів або конструкцій;
× падіння
з висоти внаслідок несправності драбини та засобів підмощування.
При роботі на
висоті обов'язково користуватись драбинами стрем’янками і перевіреним
запобіжним поясом. Перед тим перевірити справність драбин та засобів
підмощування.
На якому робочому
місці не працював би робітник, він повинен виконувати лише ту роботу, яка
входить до його обов'язків і дозволена керівником роботи або доручена
адміністрацією.
Перед тим, як
приступити до назначеної роботи усунути всі недоліки, що можуть викликати
нещасні випадки.
Не брати з собою
інструменту, який не буде потрібний при виконанні даної роботи. При виявленні
будь-яких недоліків або несправностей в інструментах чи приладді під час або до
початку роботи, повідомити про це керівника роботи і не приступати до роботи до
повного їх усунення.
Електромонтер з
ремонту та обслуговування електроустаткування повинен приступати до роботи в
відремонтованому, чистому спецодязі, спецвзутті та з справними захисними
засобами.
При можливості
обгородити своє робоче місце і вивісити плакати:
„СТІЙ - ВИСОКА
НАПРУГА", „НЕ ВЛІЗАЙ - ВБ'Є!".
При необхідності
провести огородження струмоведучих частин, що залишились під напругою.
Після закінчення
роботи:
· Привести
в порядок робоче місце (прибрати інструменти, прилади, приладдя).
· Відключити
технологічне електрифіковане обладнання, верстати, вентиляцію.
· Прибрати
спецодяг захисні та запобіжні засоби і приладдя в спеціально відведене для них
місце.
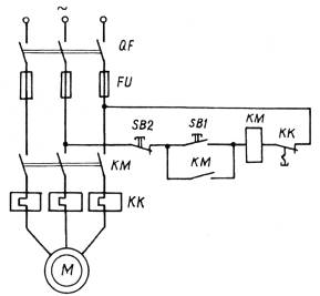
.4 Електрична схема
На (Мал. 8)
показана електрична схема електронасоса і його управління, а саме його двигуном
із короткозамкненим ротором. Схема забезпечує прямий (без обмеження струму та
моменту) пуск електродвигуна насоса, вимкнення його з мережі, а також захист
від коротких замикань (запобіжники FU) і перевантажень (теплові реле КК).
Схема складається:
1. Силова
частина;
2. Коло
керування.
1. Силова частина принципової
електричної схеми складається з:
× автоматичного
вимикача QF, який забезпечує включення і відключення мережі електричного струму
в колі;
× запобіжників FU
(захист від коротких замикань);
× контактора КМ
силові контакти, якого є нормально відкриті (забезпечує зручне управління без
обмеження струму);
× електродвигуна М,
який під дією електричного струму перетворює електричну енергію в механічну для
виконання певної роботи (в цьому випадку для переміщення рідини під тиском).
Коло керування складається з:
× кнопки зупинки SВ2
(для зупинки двигуна), контакт якої нормально закритий;
× кнопки запуску SВ1
електродвигуна, контакт якої нормально відкритий;
× котушки КМ, яка
являються електромагнітом і під дією електричного струму притягує силові
контакти КМ;
× контакта КМ, який
шунтує кнопку SВ1, щоб котушка КМ мала живлення;
× теплового реле КК
(захист від перевантаження).
Пуск двигуна
Для пуску двигуна
насоса спочатку замикають автоматичний вимикач QF для подачі живлення в коло,
якщо запобіжники FU в справному стані і якщо контакт кнопки SВ2 нормально
закритий, то електричний струм зупиняється на нормально відкритому контакті
кнопки SВ1. Натискуючи кнопку SВ1 замикається її нормально відкритий контакт і
забезпечує живлення котушки КМ. Котушка КМ, як було вище згадано, являються
електромагнітом і отримавши живлення притягує силові контакти КМ, крім того
притягує нормально відкритий контакт КМ, який шунтує кнопку пуску SВ1 (кнопку
тепер можна відпустити).
Після того, як
силові контакти КМ замикаються (під дією котушки КМ), якщо контакти теплового
реле нормально закриті, напруга живлення подається на обмотки статора
електродвигуна. Відбувається розгін електродвигуна на його природній характеристиці.
Зупинка двигуна
Для зупинки двигуна
електронасоса натискують кнопку зупинки SВ2. При цьому розмикається коло
живлення котушки пускача, контактор КМ втрачає живлення і відмикає двигун від
мережі. Починається процес гальмування двигуна насоса під дією моменту
навантаження (в цьому випадку рідини) на його валу.
Мал. 7. Магнітний пускач
Мал. 8. Схема керування двигуном
електронасоса
Захист
1. Теплове
реле КК. При перевантаженні двигун споживає струм, який перевищує номінальне
значення, що призводить до спрацьовування теплових реле і вимикання магнітного
пускача, якщо виникають перевантаження електродвигун вимикається автоматично.
Принцип його дії
являє собою біметалеву пластину, яка складається з двох металів з різними
температурними коефіцієнтами лінійного розширення. Коли виникає перевантаження,
пластинка нагрівається і деформується, розриваючи при цьому коло живлення і тим
самим забезпечує робочий стан електродвигуна надалі.
Трифазне теплове
реле захищає двигун і при обриві однієї з фаз, оскільки при незмінному
навантаженні на валу двигуна струм в інших фазах перевищує номінальний і реле
вимкне двигун з мережі.
Теплове реле є
апаратом захисту електродвигунів тільки при довготривалому перевантаженні і не
захищає їх при коротких замиканнях, тому реле теж потребує захисту від струмів
короткого замикання.
. Запобіжники FU.
Запобіжники являються засобом захисту електродвигуна і інших елементів, які
входять в дану схему від коротких замикань, які можуть виникнути в процесі
експлуатації електронасоса.
Принцип дії його
такий: якщо в колі виникає коротке замикання, запобіжник „встигає” перегоріти
швидше чим електродвигун та інші елементи, які входять в коло чи самі
провідники, що з’єднують елементи кола між собою.
Все полягає в тому,
що запобіжник містить в собі тоненький провідник, який з’єднує два товщих
провідники і при виникненні короткого замикання провідник запобіжника значно
слабший і перегорає значно швидше забезпечуючи цілісність кола і його
елементів.
.5 Електробезпека
Електробезпека - це
система організаційних, технічних заходів і засобів, які забезпечують захист
людей від шкідливого і небезпечного впливу електричного струму, електричної
дуги, електромагнітного поля і статичної електрики.
Електротравматизм -
це явище, що характеризується певною сукупністю електротравм.
Електротравма - це
травма, викликана впливом електричного струму або електричної дуги,
Електротравматизм
порівняно з іншими видами травматизму має деякі відмінні особливості.
Електротравматизм складає близько 1 % від загальної кількості усіх нещасних
випадків на виробництві. Але серед нещасних випадків зі смертельними наслідками
електротравми складають близько 40%, посідаючи одне з перших місць, причому близько
90 % смертельних уражень електричним струмом трапляється в електроустановках з
напругою 127-380 В.
Основними причинами
нещасних випадків, пов'язаних з обслуговуванням електричних мереж і
електроустановок, вважають:
· допуск до роботи
осіб, які не мають кваліфікаційної групи з електробезпеки;
· допуск до роботи
осіб, які не знають приміщень і зовнішніх установок за cтупенем небезпеки
ураження електрострумом;
· роботу на
електроустановках і електроінструментом без заземлення, занулення, без
перевірки опору ізоляції в мережах споживачів електроструму;
· роботу без зняття
напруги, без засобів колективного та індивідуального захисту;
· роботу без
наряду-допуску;
· нерегулярне
навчання та переатестацію персоналу, який обслуговує електромережі та електроустановки;
· допуск до роботи
осіб без медичного огляду;
· початок роботи без
попередньої перевірки відсутності напруги, розширення зони робочого місця.
До нещасних
випадків призводить також застосування в особливо небезпечних приміщеннях і
приміщеннях підвищеної небезпеки напруги понад 42 В.
Особливості
електротравматизму:
• організм людини
не наділений властивістю, за допомогою якої можна було б визначити наявність
електроструму;
· електротравма може
виникнути без безпосереднього контакту зі струмопровідниками, частинами
устаткування (ураження через електричну дугу, крокову напругу тощо);
· електричний струм,
проходячи через тіло людини, діє не тільки в місцях контактів і на шляху
проходження через організм, а й на центральну нервову систему, що спричинює
ураження внутрішніх органів (порушення нормальної діяльності серця, зупинку
дихання тощо).
До виконання роботи
по ремонту електрообладнання допускаються особи, що досягли 18 років, пройшли
спеціальну підготовку та перевірку теоретичних знань і практичних навиків знань
Інструкцій з охорони праці і мають кваліфікаційне посвідчення з записом про
допуск на виконання робіт.
Небезпечними
факторами в роботі по ремонту електрообладнання є електричний струм, який при
проходженні через організм людини може викликати травму і навіть смерть.
Для виконання робіт
по ремонту електрообладнання працівники повинні забезпечуватись спецодягом,
взуттям, засобами індивідуального захисту, зокрема: костюм бавовняно-паперовий,
рукавиці комбіновані, гумові рукавиці, гумовий килимок, пояс для роботи на
висоті, а при зовнішніх роботах зимою - утеплена куртка, штани утеплені,
валянки, калоші.
Засоби
індивідуального захисту зберігати в спеціальних ящиках окремо від інструменту,
вони повинні мати штамп з вказаним терміном їх випробування.
Вплив електричного
струму на організм людини
Дія електричного
струму на організм людини супроводжується зовнішнім ураженням тканин та органів
у вигляді механічних ушкоджень, електричних знаків електрометалізації шкіри,
опіків.
Тривалість проходження
струму через організм впливає на кінцевий результат ураження: чим довше
проходження струму, тим більша можливість тяжкого і смертельного наслідку.
Види ураження
електричним струмом
Розрізняють два
види ураження електричним струмом: електричні травми та електричні удари.
Електричні травми -
це ураження тканин і органів внаслідок проходження струму чи виливу променів
електродуги на людину.
Серед електротравм
умовно виділяють місцеві електротравми.
Місцева
електротравма - це локальне ушкодження цілісності тканин тіла, кісток під
впливом електроструму чи електродуги.
Електричні опіки
можуть бути поверхневими та внутрішніми.
Поверхневі опіки -
це ураження шкіри. Внутрішні - ураження внутрішніх органів і тканин тіла.
Електричні опіки виникають внаслідок нагрівання тканин тіла людини струмом
понад 1 А під час них коротких замикань, які супроводжуються іскрінням, сильні
нагрівом провідників, загоранням електричної дуги. Електричні опіки можуть мати
різні ступені важкості (1~4). Електричні знаки - плями сірого або блідо-жовтого
кольору у виді мозолі на поверхні шкіри в місці контакту зі струмопровідними
ментами. Електричні знаки безболісні й через деякий час зникають.
Електрометазація шкіри - це просочування поверхні шкіри частій металу за його
випаровування чи розбризкування під впливом електричного струму. Уражена
ділянка шорстка на дотик і має характерне для металу забарвлення.
Електрофтальмія - запалення очей внаслідок дії значного потоку ультрафіолетових
променів.
Механічне
пошкодження виникає під час різкого мимовільного скорочення м'язів під впливом
струму, що проходить через людину, внаслідок цього рветься шкіра, кровоносні
судини, нервові тканини, можливі вивихи суглобів і навіть переломи кісток.
Електричнцй удар -
це збудження електричним струмом живих тканин у вигляді судорожних скорочень
м'язів. Залежно від уражень, ступінь негативної дії на організм електричного
удару може бути різним. У найгіршому випадку електричний удар може призвести до
порушень діяльності й навіть повної зупинки легенів та серця. Електричні удари
можуть бути таких видів:
• удари, що
призвели до судорожних скорочень м'язів без знепритомнення;
• удари, що
призвели до судорожних скорочень м'язів зі знепритомненням, але з роботою
органів дихання і серця;
• удари зі
знепритомненням й порушенням діяльності органів дихання і серця;
• удари, що
викликали клінічну смерть.
Особа, яка надає
долікарську допомогу, повинна визначити вид удару і вже залежно від цього
вирішувати, що потрібно робити.
Фактори, що
впливають на ступінь ураження людини електрострумом
Всі фактори, які
визначають небезпеку ураження електричним струмом, поділяються на дві групи:
× електричного
характеру (напруга, сила струму, рід і частота струму, опір в електричному
колі, заземлення, занулення);
× неелектричного
характеру (індивідуальні особливості людини, її увага, шлях проходження струму
через тіло людини, тривалість дії струму).
Ураження організму
людини електричним струмом найчастіше залежить від таких факторів:
× сили
струму, що проходить через тіло людини;
× тривалості
його дії;
× шляху
проходження через тіло;
× індивідуальних
особливостей організму людини;
× стану
приміщення, в якому експлуатується електроустановка;
На результат
ураження тіла (травми) впливає як сила, так і шлях струму через тіло людини.
Велика небезпека виникає тоді, коли струм проходить через основні органи:
серце, головний мозок, легені.
Важливого значення
для оцінки небезпеки ураження електричним струмом має тривалість дії струму на
людину. Чим довше діє струм на людський організм, тим більшою є ймовірність
важкого або смертельного наслідку його дії. Короткотривалий (кілька сотих
секунди) вплив навіть значного струму (100 мА) може не мати важких наслідків.
Запобігання електротравматизму.
Щоб запобігти елевтротравматизму,
використовують різні захисні засоби. Гумові рукавиці - добрий ізолятор, вони
захищають від ураження струмом при випадковому доторканні до струмоведучих
частин. Аналогічну функцію виковують гумові боти, калоші, ізолюючі підставки,
доріжки й килимки, тому що вони зменшують небезпеку виникнення електричного
контакту між працюючим і струмоведучими частинами, з'єднаними із землею.
Промисловість випускає ізолюючі чохли на металеві ручки інструменту, що
використовується для виконання електромонтажних робіт.
Запобіжними засобами, які використовують
в електроустановках, є також спеціальні плакати. Плакати вивішують на дверях
стінах приміщень; де містяться електроустановки, на електричних щитках і
рубильниках, на опорах ліній електропередачі тощо. Треба суворо виконувати
вказівки, написані на плакатах.
Щоб уникнути
ураження електричним струмом, монтаж і ремонт електроустановок слід виконувати
відповідно до певних вимог:
× усі
електроустановки мають бути змонтовані так, щоб їхні струмоведучі частини були
недоступні для випадкового доторкання - проводи і кабелі добре ізольовані, інші
струмоведучі частини закриті захисними засобами (кожухами, ящиками, шафами);
× металеві
частини електрообладнання, не призначені для проходження по них струму, мають
бути заземлені, тобто навмисно з'єднані із землею.
× не
дозволяється виконувати монтаж або ремонт електроустановок, якщо вони під напругою; перед початком роботи
за допомогою покажчика напруги, слід переконатися, що напруги немає.

а
б
в
Мал. 9. Плакати з
техніки електробезпека: (а - застережні; б - заборонні; в - дозвільні)
б
в
а
г
д
Мал. 10. Деякі
захисні засоби, використовувані для запобігання електротравматизму: (а - гумові
рукавиці; б - гумові боти; в - гумові калоші;
г - ізолююча підставка; д - ізолююча доріжка і килимок).
Забороняється
користуватися засобами електрозахисту, що не пройшли нормативних випробувань
або у яких минув строк чергового випробування.
Усі засоби
електрозахисту повинні мати клеймо з зазначенням дати наступного випробування
та напруги, за якої потрібно користуватися ними. Гумові засоби електрозахисту
перед їх застосуванням повинні бути оглянуті та очищені від бруду, а в разі
зволоження поверхні їх треба ретельно витерти і висушити. Забороняється
застосовувати засоби, що мають проколи і тріщини.
Електромонтер
забезпечується індикаторами напруги; для виконання робіт в приміщеннях з
ненормативним освітленням - переносними засобами освітлення (ручний або
акумуляторний ліхтар).
Забороняється
встановлювати або замінювати під напругою електричні лампи. Світильники з
люмінесцентними лампами при напрузі 220 В дозволяється встановлювати на висоті
не менш як 2,5 м. На меншій висоті можна тільки за умови недоступності їхніх
контактних частин для випадкового дотику.
Усі монтажні і
ремонтні роботи на електричних мережах і пристроях (або поблизу від них), а
також роботи з приєднання і роз'єднання проводів, електромонтери повинні
виконувати за умови знятої напруги.
Технічні способи і
засоби захисту від враження електричним струмом
Для захисту людей
від враження електричним струмом нормативними документами передбачено: ізоляцію
струмопровідних частин; електричний розподіл мереж; малу напругу; захисне
заземлення; занулення; захисне вимкнення; зрівнювання та вирівнювання
потенціалів.
Ізоляція
струмопровідних частин є однією з головних засобів електробезпеки. Надійність
роботи електроустаткування повною мірою залежить від стану ізоляції його
струмопровідних частин. Для ізоляції вибирають діелектричні матеріали потрібної
товщини і форми. У конструктивних елементах устаткування практичне використання
мають матеріали, які замінюють метал.
Для деталей
устаткування, які не перебувають під напругою, широко використовують як засіб
ізоляції фарбування. Найкращих результатів досягають при використанні лаків,
смол, емалевих фарб. Під час експлуатації електроустаткування стан ізоляції
періодично перевіряють.
Надійним засобом
захисту електробезпеки є підлога, яку кладуть з ізоляційного матеріалу. Крім
того, з метою електробезпеки використовують допоміжні Ізолюючі пристрої,
прокладаючи їх на підлозі (дерев'яні решітки, гумові килимки. Мал. 10.).
Добрі ізоляційні
властивості мають дерев'яні й асфальтові підлоги. Підлоги з цементу або ксилоліту
мають погані ізоляційні якості.
Електропобутову
техніку, а також переносний електричний інструмент випускають з подвійною
ізоляцією. У цих електро-споживачах, крім основної, є допоміжна ізоляція
струмопровідних частин від корпусу.
Роздільні
трансформатори повинні задовольняти спеціальні технічні вимоги щодо надійності
роботи. їх виготовляють з екраном між первинною І вторинною обмотками для
запобігання попаданню напруги з первинної обмотки на вторинну. Коефіцієнт
трансформації у роздільних трансформаторах дорівнює одиниці.
Вторинна напруга
роздільних трансформаторів не повинна перевищувати 380 В. Від одного
трансформатора дозволяється живлення тільки одного електроприймача з
номінальним струмом розчіплювана автомата (або плавкої вставки запобіжника) не
більше 15 А. Вторинну обмотку роздільного трансформатора заземлювати
заборонено. Корпус трансформатора заземлюють або занулюють залежно від нейтралі
мережі.
Заземлювати корпус
електроприймачів не потрібно, а зануляти заборонено. Роздільні трансформатори
використовують в особливо небезпечних приміщеннях, на будівельних майданчиках
та ін.
Мала напруга. За
діючими нормативними документами з метою електробезпеки використовують
знижувальну напругу. Це номінальна напруга між фазами і стосовно до землі не
більше 42 В змінного струму і 110 В постійного струму.
Для отримання малої
напруги використовують двообмоткові трансформатори. Корпус трансформатора
заземлюють або занулюють залежно від режиму нейтралі мережі, від якої живиться
первинна обмотка трансформатора. Обов'язково заземлюють один з виводів вторинної
обмотки для запобігання переходу напруги первинної обмотки у вторинну при
пошкодженні ізоляції.
Захисне заземлення
- навмисне електричне з'єднання металевих неструмопровідних частин
електроустановки із заземленою з метою забезпечення електробезпеки. Воно
призначене для зменшення до безпечного рівня напруги дотикання під час
замикання напруги на корпус електроустановки.
Захисне заземлення
використовують в мережах з ізольованою нейтраллю. Ефективність його при цьому
пояснюється тим, що струм замикання на землю не залежить від опору заземлення,
що має місце в мережах із заземленою нейтраллю напругою до 1 000 В. У цих
мережах заземлення неефективне, тому що при зменшенні опору заземлення струм
буде зростати. У мережах із заземленою нейтраллю вище 1 000 В заземлення
виконують тому, що в цьому разі замикання на землю є коротким (спрацьовує
максимальний струмовий захист).
Отже, захисне
заземлення використовують в мережах напругою до 1 000 В з Ізольованою нейтраллю
і в мережах напругою вище 1 000 В незалежно від нейтралі.
При дотику людини
до заземленого корпусу, на якому з'явилася напруга, майже весь струм пройде
через заземлювач, опір якого значно менший, ніж опір людини. Струм, який пройде
через людину, буде тим менший, чим менший опір заземлення і більший опір людини
та ізоляції.
Занулення -
навмисне електричне з'єднання з нульовим захисним провідником металевих не
струмопровідних частин, які можуть опинитися під напругою.
Занулення
використовують у чотири провідних мережах із заземленою нейтраллю, оскільки в
цих мережах неможливо зменшити напругу корпусу устаткування, який в аварійному
режимі перебуває в контакті з струмопровідними частинами. Занулення знижує
потенціал корпусу і перетворює замкнення на занулений корпус в однофазне
коротке замикання, внаслідок якого спрацьовують апарати захисту і вимикають
пошкоджену ділянку електричного кола. Таким чином значно зменшується тривалість
режиму замикання на корпус.
Захисним вимкненням
називають швидкодіючий захист, який забезпечує автоматичне вимкнення електроустановки
при виникненні в ній небезпеки враження електричним струмом,
У схемах захисного
вимкнення є чутливий елемент (датчик) автоматичного пристрою, який реагує на
вхідну величину.
Вхідною величиною
може бути: напруга корпусу відносно землі; напруга фази відносно землі; струм
замикання на землю; напруга нульової послідовності; струм нульової
послідовності та ін.
Напруга корпусу
відносно землі виникає при замиканні на корпус. Якщо корпус заземлений або
замикання відбулося безпосередньо на землю, то виникає струм заземлення, який і
буде вхідною величиною схеми вимкнення.
При замиканні на
землю змінюється напруга фаз відносно землі та виникає напруга між нейтраллю
джерела і землею. Ця напруга називається напругою нульової послідовності.
Основною перевагою
захисного вимкнення є швидке вимкнення електроустановки в аварійному режимі. В
основному схеми захисного вимкнення спрацьовують із самого початку розвитку
пошкоджень, а не під час повного замикання.
Зрівнювання та
вирівнювання потенціалів. Для підвищення електробезпеки зрівнювання та
вирівнювання потенціалів має дуже важливе значення. Так, якщо людина
доторкнулася до двох точок, які мають приблизно однакові потенціали (напруга
між ними буде дорівнювати нулю), то через її тіло не пройде електричний струм.
Коли неможливо знизити величину потенціалу частин устаткування відносно землі
або відносно одна одної, слід забезпечити вирівнювання потенціалів. Для цього
всі електропровідні частини електроустановки з'єднують між собою. Це колони,
ферми, балки та інші конструкції будинків, корпуси устаткування електричних
установок, трубопроводи, оболонки і броньовані покриття кабелів та ін.
Для вирівнювання
потенціалу землі або підлоги відносно потенціалу заземлювального пристрою, який
прокладено в землі або під підлогою, закладають у землю або під підлогу стальні
штаби.
Крім перелічених
способів захисту людини від враження електричним струмом, використовують також
блокування, огороджувальні пристрої, знаки безпеки, плакати, попереджувальну
сигналізацію.
2. Економічна система
Метою є виконання економічної
частини є аналіз економічної результативності діяльності підприємства; оцінка
рентабельності виробництва на прикладі певного виду продукції чи надання
певного виду послуг.
Економічна частина включає наступні
питання:
Розрахунок фонду оплати праці.
Розрахунок матеріальних виплат.
Розрахунок загального кошторису
витрат.
Розрахунок фонду оплати праці
Ефективність функціонування та
соціальний розвиток того чи іншого суб’єкта господарювання забезпечується
передусім формуванням належних індивідуальних і колективних матеріальних
стимулів, провідною формою реалізації яких є оплата праці різних категорій
персоналу.
Оплата праці - це будь-який
заробіток, обчислений у грошовому виразі, що виплачується працівникові за
використання його робочої сили.
Оплата праці складається з основної
заробітної плати та додаткової оплати праці. Розміри оплати праці найманого
працівника залежать від результатів його праці з урахуванням наслідків
господарської діяльності підприємства.
Основна заробітна плата працівника
залежить від результатів його праці та визначається тарифними ставками,
відрядними розцінками, посадовими окладами, а також надбавками й доплатами в
розмірах, не вищих за встановлені чинним законодавством.
До додаткової заробітної плати відносяться
витрати на виплату виробничого персоналу додаткової заробітної плати,
нарахованої за працю понад установлені норми, за трудові успіхи та
винахідливість та за особливі умови праці. В додаткову заробітну плату
включаються доплати, надбавки, гарантійні і компенсаційні виплати, передбачені
законодавством, премії, пов’язані з виконанням виробничих завдань і функцій.
Для проведення робіт формується
бригада спеціалістів
Розрахунок фонду оплати праці
робітників, інженерно-технічних працівників та службовців приведено в таблиці
1.
Таблиця 1. Розрахунок фонду оплати
праці робітників на дільниці (погодинна оплата праці)
|
№
|
Спеціаліст
|
Розряд
|
Тариф за годину,грн.
|
Кількість годин для виконання роботи, год
|
Заробітна плата за тарифом, грн.
|
|
|
|
|
|
|
До елемента «Витрати на оплату
праці» належать витрати на виплату основної та додаткової заробітної плати,
обчислені згідно з прийнятими підприємством системами та формами оплати праці.
Таким чином, витрати на оплату праці
поділяються на основну і додаткову заробітну плату.
Суми відрахувань нараховуються у
процентному відношенні до загальної суми основної та додаткової заробітної
плати.
Додаткова зарплата виробничого
персоналу обчислюється за формулою:
З д = Зо х О,15
З д - додаткова заробітна плата
Зо - основна заробітна плата
З заг = З д + Зо
Розрахунок матеріальних витрат
У даному розділі описуються всі
роботи, що виконуються при монтажних роботах або експлуатації обладнання,
виготовленні деталей чи ремонті устаткування, згідно з якими здійснюється
розрахунок матеріальних витрат.
До елемента «Матеріальні витрати»
належать витрати на:
сировину та матеріали, придбані у
сторонніх організацій і підприємств;
Вартість сировини і матеріалів, які
необхідні для виробництва продукції, обчислюється за формулою:
Мо = д і х Ц і + М доп
М о - загальна вартість сировини і
матеріалів
д і -- норма витрат матеріалів
(погонні величини)
Ц і - ціна матеріалів
М доп - вартість допоміжних
матеріалів
покупні матеріали, що
використовуються у процесі робіт, а також запасні частини для ремонту
устаткування; знос інструментів, пристроїв, інвентарю, приладдя, лабораторного
обладнання та інших засобів і предметів праці;
покупні комплектуючі вироби і
напівфабрикати, що підлягають монтажу або додатковій обробці на даному
підприємстві;
Вартість закупних напівфабрикатів і
комплектуючих виробів обчислюємо так:
К = К і х Ц і
К - вартість закупних
напівфабрикатів
К і - норма витрат комплектуючого
і-того виду
Ц і - ціна комплектуючого і-того
виду
роботи та послуги виробничого
характеру, які виконуються сторонніми організаціями або структурними
підрозділами підприємства, що не належать до основного виду його діяльності.
Вартість матеріальних ресурсів
формується, виходячи із цін їх придбання на день оприбуткування, включаючи
націнки, комісійні винагороди постачальницьким та зовнішньоекономічним
організаціям, вартість послуг товарних бірж, витрати на транспортування,
зберігання та доставку, що здійснюється сторонніми організаціями.
Витрати, пов’язані з доставкою
матеріальних ресурсів транспортом і персоналом підприємства.
До вартості матеріальних ресурсів
включають також витрати на придбання пакувальних матеріалів і тари, одержаної
від постачальників матеріальних ресурсів.
До елемента «Енергетичні витрати»
належать:
придбана енергія всіх видів, що
витрачається на технологічні, енергетичні, рухові та інші виробничі потреби
підприємства;
придбане у сторонніх підприємств
будь-яке паливо.
Вартість палива та енергії на
технологічні цілі:
Е = е і х Ц і
Е - вартість палива та енергії
е і - норма витрат енергії (палива)
Ц і - ціна енергії (палива)
Вартість матеріалів,
напівфабрикатів, покупних виробів тощо, необхідних для проведення монтажних
робіт, вираховуємо у таблиці 2.
Таблиця 2. Розрахунок витрат на
основні і допоміжні матеріали, покупні вироби, напівфабрикати
|
Найменування матеріалів, покупних виробів,
напівфабрикатів
|
Одиниці виміру
|
Вартість за одиницю, грн.
|
Кількість одиниць
|
Сума, грн.
|
|
|
|
|
|
|
Всього
|
|
|
|
|
Розрахунок кошторису витрат на
проведення робіт
До елемента «Амортизація основних
фондів та нематеріальних активів» належать витрати на повне відновлення
основних фондів та капітальний ремонт у вигляді амортизаційних відрахувань від
вартості основних виробничих фондів на реконструкцію та капітальний ремонт
фондів, що належать підприємству, а також тих, що перебувають у користуванні
підприємства за умовами оренди.
Необоротні активи підприємства
беруть участь у виробничих та господарських процесах, тому вартість їх
розподіляється протягом терміну експлуатації і включається у вартість
виготовленої продукції. Це досягається через амортизацію.
Амортизація - це зношування основних
виробничих фондів, виражене у грошовій формі за вирахуванням їх ліквідаційної
вартості.
Норма амортизації - це установлений
розмір амортизаційних відрахувань за певний період часу, виражений у процентах
до їх первісної або переоціненої вартості
Норма амортизації вираховується як
величина, обернено пропорційна до терміну корисної експлуатації окремих видів
активів
На = 1/ Т експл. Х 100
На - норма амортизації, %
Т експл - термін корисної експлуатації
(використання)необоротних активів
Амортизаційні відрахування
здійснюються до повного перенесення вартості необоротних активів на
собівартість продукції
Розраховують амортизацію за
формулою:
А = В п х На / 100
А - сума амортизаційних відрахувань,
грн.
В п - первісна вартість конкретного
виду оборотних активів, грн.
Н а - норма амортизації, %
Сума амортизації основних фондів та
нематеріальних активів розраховується згідно із законом України «Про
оподаткування прибутку підприємств».
Таблиця 3. Розрахунок витрат на
обладнання
|
Найменування обладнання
|
Одиниці виміру
|
Вартість за одиницю виміру, грн.
|
Кількість одиниць, шт.
|
Сума, грн.
|
|
|
|
|
|
|
Всього
|
|
|
|
|
Амортизація основних фондів та
нематеріальних активів буде складати 6,25% від вартості основних фондів (ІІ
група) в квартал.
До елемента «Інші витрати» належать:
платежі обов’язкового страхування
майна підприємств;
витрати на перевезення працівників
до місця роботи і назад у напрямках, що не обслуговуються пасажирським
транспортом загального користування;
витрати на рекламу.
Інші витрати складають приблизно 4%
від суми матеріальних витрат, енергетичних витрат, витрат на оплату праці,
відрахування на соціальні заходи та амортизацію основних фондів та
нематеріальних активів.
Розрахунок кошторису витрат на
проведення робіт приведено в таблиці 5.
Таблиця 4. Кошторис витрат на
проведення робіт
|
№ з/п
|
Витрати
|
Сума витрат, грн.
|
Примітка
|
|
1.
|
Матеріальні витрати
|
|
|
|
2.
|
Енергетичні витрати
|
|
|
|
3.
|
Витрати на оплату праці
|
|
|
|
4.
|
Відрахування на соціальні заходи
|
|
|
|
5.
|
Амортизація основних фондів та нематеріальних
активів
|
|
|
|
6.
|
Інші витрати
|
|
|
|
Всього
|
|
|
Такий спосіб обрахунку витрат
називається «групування витрат за економічними елементами витрат»
Поряд із забезпеченням високої
якості продукції в ринкових умовах важливим є досягнення її низької
собівартості.
Резерви зниження собівартості умовно
можна поділити на чотири групи:
підвищення технічного рівня
виробництва
підвищення рівня організації
виробництва і праці
зміна структури і обсягу виробництва
зниження ринкових цін на ресурси
Резервами зниження собівартості є
також зменшення норм витрачання сировини і матеріалів, заміна їх дешевшими,
повніше використання вторинних матеріалів, тощо.
Після того, як пораховано
собівартість продукції, можна говорити про ті показники, які дадуть змогу
визначити рівень прибутковості продукції, її рентабельність, кажучи простіше -
чи вигідно її виробляти. Основним показником, що дає змогу оцінити економічну
вигоду від виробництва такої продукції чи виконання робіт, є рентабельність
окремого виробу. Її визначають за формулою:
Рі = (Ці - Сі) / Сі х 100
Де Рі - рентабельність і-го виробу;
Ц - ціна;
Сб - собівартість.
Для визначення вигод від виробництва
порівнюємо ціну на ринку на аналогічний товар та власну собівартість.
Список використаної літератури
1. Винокурові Л.Е, Васильчик
М.В., Гаман М.В. Основи охорони праці. - К.: Вікторія, 2001.
2. Лукьянов Т.П, Егоров
Е.П., Техническая эксплуатация электроустановок промышленных предприятий.- М.:
Знергоатомиздат, 1985.
. Шпаннеберг Х., Электрические
машины 1000 понятий для практиков.,- М.: Знергоатомиздат, 1988.
. Поляков В.О.
Електротехніка. Навчальний посібник,- К.: Освіта., 1992.
. Гетлинг Б.В. Чтение
схем и чертежей электроустановок. - М.: Вьісш. шк.,1977.
. Принц М.В.,
Цимбалістий В.М. Електричні мережі. Монтаж, обслуговування та ремонт. - Л.:
Оріяна-Нова., 2003.
. Боднар В.М., Гаврилюк
В.А., Духовний А.Х. Иванов А. А. Практична електротехніка, - К.: Веселка, 1997.
. Зевин М.Б., Соколов
В.Г. Справочное пособие молодого рабочего по надежности електроустановок. - М.:
Высш. шк., 1990.
. Дуров В.С., Рахмилевич
З.З, Черняк Я.С. Эксплуатация и ремонт компрессоров и насосов, - М.: Химия,
1980.
. Тыркин Б.А, Шумаков
В.В., Монтаж компрессоров, насосов и вентиляторов, - М.: Высш. шк., 1985.
. Карелин В.Я., Минаев
А.В., Насосы и насосные станции,- М.: Стройиздат,1986.
. Гуржій А.М.,
Сільвестров А.М., Поворознюк Н.І., Електротехніка з основами промислової
електроніки, - К.: Форум, 2002.
. Корнилович О.П.,
Справочник электромонтажника, - М.: Энергия, 1980.
. Мыслицкий Е.Н., Ремонт
оборудования компрессорных установок, - М.:Химия, 1985.
. Голыгин А.Ф.,
Ильяшенко Л.А., Устройство и обслуживание электрооборудования промышленных
предприятий,- М.: Высш. шк.,1986.