Розробка та розрахунок промислової комп’ютерної мережі

  • Вид работы:
    Курсовая работа (т)
  • Предмет:
    Информационное обеспечение, программирование
  • Язык:
    Украинский
    ,
    Формат файла:
    MS Word
    195,48 Кб
  • Опубликовано:
    2015-02-03
Вы можете узнать стоимость помощи в написании студенческой работы.
Помощь в написании работы, которую точно примут!

Розробка та розрахунок промислової комп’ютерної мережі

Зміст

Вступ

1. Теоретичний розділ

1.1 Легенда підприємства

1.2 Програмне забезпечення

1.2.1 Windows 7 pro

.2.2 Windows Server 2003

.3 Мережеві служби та протоколи

.3.1 Протоколи віддаленого доступу

.3.2 Транспортні протоколи TCP і UDP

.3.3 Порядок прив'язки протоколів

1.4 Топологія

1.4.1 Топологія типу "зірка"

.4.2 Кільцева топологія локальної обчислювальної мережі

.4.3 Шинна топологія локальної обчислювальної мережі

.5 Архітектура

1.6 Тип кабелю

1.6.1 Вита пара

.7 Схема обжимки

.8 Склад активного обладнання для організації ІКС підприємства

.8.1 Огляд маршрутизатора D-Link DSR-250

.8.1.1 Опис

.8.1.2 Можливості комплексного управління

.8.1.3 Висока продуктивність бездротової мережі

.8.1.4 Універсальна установка

.8.1.5 Надійні функції VPN

.8.1.6 Технологія Green

.8.2 Опис комутаторів Cisco Small Business

2. Проектування мережі

2.1 План приміщення підприємства Focus

.2 Розрахунок обсягу даних які передаються в мережі підприємства

.3 Мінімальна конфігурація для серверів та робочих станцій

Висновки

Література

комп’ютерний мережа кабель сервер

Вступ

Об'єднання комп'ютерів в єдину мережу дає великі можливості при передачі файлів з одного комп'ютера в інший. Окрім передачі файлів локальні мережі дозволяють організовувати спільне використання технічних засобів, а також розподілену обробку даних на певній кількості комп'ютерів, що дає значні вигоди і економію грошових коштів.

При необхідності впровадження локальної мережі персональних комп'ютерів має відбутися рішення великого комплексу завдань, пов'язаних з вибором топології мережі, устаткування і програмного забезпечення. Крім того, вимагається вірно змонтувати устаткування мережі і встановити системне і прикладне програмне забезпечення.

При виборі активного устаткування і топології мережі необхідно враховувати зростаючі вимоги до швидкості передачі даних.

Комп’ютерна мережа - це система розподіленої обробки інформації між комп’ютерами за допомогою засобів зв’язку.

Комп’ютерна мережа являє собою сукупність територіально рознесених комп’ютерів, здатних обмінюватися між собою повідомленнями через середовище передачі даних.

Передача інформації між комп’ютерами відбувається за допомогою електричних сигналів, які бувають цифровими та аналоговими. У комп’ютері використовуються цифрові сигнали у двійковому вигляді, а під час передачі інформації по мережі - аналогові (хвильові). Частота аналогового сигналу - це кількість виникнень хвилі у задану одиницю часу. Аналогові сигнали також використовуються модеми, які двійковий нуль перетворюють у сигнал низької частоти, а одиницю - високої частоти.

Комп’ютери підключаються до мережі через вузли комутації. Вузли комутації з’єднуються між собою канали зв’язку. Вузли комутації разом з каналами зв’язку утворюють середовище передачі даних. Комп’ютери, підключені до мережі, у літературі називають вузлами, абонентськими пунктами чи робочими станціями. Комп’ютери, що виконують функції керування мережею чи надають які-небудь мережеві послуги, називаються серверами. Комп’ютери, що користуються послугами серверів, називаються клієнтами.

Кожен комп’ютер, підключений до мережі, має ім’я (адресу). Комп’ютерні мережі можуть обмінюватися між собою інформацією у вигляді повідомлень. Природа цих повідомлень може бути різна (лист, програма, книга і т.д.). У загальному випадку повідомлення по шляху до абонента-одержувача проходить декілька вузлів комутації. Кожний з них, аналізуючи адресу одержувача в повідомленні і володіючи інформацією про конфігурацією мережі, вибирає канал зв’язку для наступного пересилання повідомлення. Таким чином, повідомлення "подорожує" по мережі, поки не досягає абонента-одержувача.

Для підключення до мережі комп’ютери повинні мати:

.        апаратні засоби, що з’єднують комп’ютери із середовищем передачі даних;

.        мережеве програмне забезпечення, за допомогою якого здійснюється доступ до послуг мережі.

У світі існують тисячі різноманітних комп’ютерних мереж. Найбільш істотними ознаками, що визначають тип мережі, є ступінь територіального розосередження, топологія і застосовані методи комутації.

По ступеню розосередження комп’ютерні мережі поділяються на локальні, регіональні і глобальні.

1. Теоретичний розділ

 

.1 Легенда підприємства


Підприємство "Focus" займається пасажирськими перевозками. Крім транспортного сервісу підприємство надає широкий комплекс послуг у сфері ділового туризму, організації дозвілля та обслуговуванні нестандартних заявок.

Будівля підприємства має три поверхи, кожен з яких складається з шести кімнат. На даний момент підприємство має у мережі 112 робочих станцій та 5 серверів. При створені ІКС були висунуті особливі вимоги до надійності. Конфігурація мережі мінімальна.

Для створення комп’ютерної мережі підприємства використовувалось наступне програмне забезпечення: Windows Server 2003 - для серверів, та Windows 7 pro для робочих станцій.

 

.2 Програмне забезпечення

 

.2.1 Windows 7 pro

Windows 7 - одна з найсучасніших операційних систем Windows на даний момент, розроблена для відповідності мінливим потребам кінцевих користувачів та ІТ-фахівців, як в офісах, так і за їх межами. Windows for IT Pros - це ваше джерело технічних матеріалів, безкоштовних засобів і рекомендацій експертів, що спрощують розгортання настільної інфраструктури Windows 7 і управління нею.7 pro поєднує всі необхідні функції для бізнесу з розважальними функціями випуску Windows 7 Home Premium. Ви зможете запускати безліч робочих програм для Windows XP безпосередньо в Windows 7 або за допомогою режиму Windows XP, а також без праці відновлювати дані завдяки можливостям автоматичного резервного копіювання в домашній або робочій мережі. Підключення до корпоративних мереж стало простіше і безпечніше. Даний випуск включає такі додаткові можливості:

.        приєднання до домену, що дозволяє підключитися до керованої мережі Windows Server;

.        розширене резервне копіювання і відновлення, за допомогою якого можна створити в домашній або робочій мережі резервну копію цілої системи, а також шифрована файлова система захисту даних;

.        режим Windows XP для запуску застарілих бізнес-додатків в середовищі Windows XP;

.        друк з урахуванням розташування, яка допомагає задавати різні принтери за замовчуванням для домашнього і робочого мереж.

Для встановлення Windows 7 треба наступні апаратні вимоги:

. процесор із тактовою частотою 1 ГГц або швидший - 32-розрядний (x86) або 64-розрядний (x64);

. оперативна пам’ять 1 гігабайт (ГБ) (для 32-розрядної версії) або 2 ГБ (для 64-розрядної версії);

. 16 ГБ (для 32-розрядної) або 20 ГБ (для 64-розрядної версії) вільного місця на жорсткому диску;

. графічний пристрій із підтримкою DirectX 9 і драйвером WDDM 1.0 або новіший

 

.2.2 Windows Server 2003

Операційні системи Windows Server 2003 включають в себе кращі з технології Windows Server 2000 і спрощують розгортання, управління та використання. Результат: високопродуктивна інфраструктура, що дозволяє зробити мережу стратегічним активом організації. З 28 березня 2005 всі операційні системи Windows Server 2003 поставляються з пакетом оновлень 1 (SP1) для Windows Server. Пакет оновлень 1 (SP1) для Windows Server 2003 покращує систему безпеки, підвищує надійність і спрощує адміністрування для корпоративних клієнтів всіх галузей.

Крім того, в грудні 2005 р були випущені випуски Standard, Enterprise і Datacenter системи Windows Server 2003 R2, що надали клієнтам поліпшення служби Active Directory, зберігання і філій.

Удосконалення операційної системи Windows ServerServer 2003 включає в себе всі функції, необхідні сьогодні клієнтам від операційної системи Windows Server для підвищення продуктивності при менших зусиллях, такі як безпека, надійність, доступність і масштабованість. Крім того, корпорація Майкрософт поліпшила й розширила операційні системи Windows Server перевагами Microsoft .NET для підключення інформації, користувачів, систем і пристроїв.

Серверні роліServer 2003 - це багатофункціональна операційна система, що підтримує різноманітні серверні ролі в централізованому або розподіленому режимі в залежності від конкретних потреб. Нижче наведені деякі з цих серверних ролей.

.        Файловий сервер і сервер друку.

.        Веб-сервер і служби веб-додатків.

.        Поштовий сервер.

.        Сервер терміналів.

.        Сервер віддаленого доступу і віртуальної приватної мережі (VPN).

.        Служби каталогів, служба доменних імен (DNS), сервер DHCP (Dynamic Host Configuration Protocol) і WINS-сервер (Windows Internet Naming Service).

.        Сервер потоків мультимедіа.

1.3 Мережеві служби та протоколи


Мережеві протоколи фактично управляють мережею, вказуючи мережевих пристроїв, що вони повинні робити. Мережеві протоколи - це набір правил за якими працює мережа. Для передачі інформації по мережі, комп'ютери повинні використовувати один і той же набір правил, тобто єдиний мережевий протокол.

Мережеві служби призначені для виконання певних функцій, в рамках чинного протоколу, наприклад служба дозволу імен, служба автоматичного виділення адрес і т.д.

.        TCP / IP

.        NetBEUI

.        IPX / SPX

.        NWLink

.        Apple Talk

.        DLC

 

.3.1 Протоколи віддаленого доступу

До складу операційних систем для Windows входить служба, служба маршрутизації та віддаленого доступу (RRAS), яка дозволяє віддаленим клієнтам прозоро підключатися до віддаленого серверу. Служба RRAS підтримує три протоколи віддаленого доступу:

Точка-Point Protocol (PPP) - стандартизований набір протоколів забезпечує:

.        механізм узгодження параметрів пристроїв передачі даних;

.        механізм стиснення переданої інформації з метою підвищення ефективності та надійності передачі;

.        механізм виявлення та виправлення помилок;

.        механізми захисту, що запобігають несанкціоновані підключення.

Послідовної лінії Internet Protocol (SLIP) - простий протокол, що не розташовує засобами виявлення помилок, що виникають при передачі даних, і дозволяє використовувати тільки один протокол мережевого рівня - IP, що робить його малоефективним.

Асинхронний NetBEUI (AsyBEUI) - протокол служби віддаленого доступу Microsoft, відомий також як асинхронний NetBEUI; застосовується застарілими клієнтами віддаленого доступу під управлінням Windows NT, Windows 3.1, Windows для робочих груп, MSDOS і менеджер локальної мережі.

Стек протоколів TCP / IP.

Стек TCP / IP - набір протоколів, розроблених для забезпечення взаємозв'язку різних пристроїв в мережі Інтернет. Стек включає наступні протоколи.

Малюнок1 - стек протоколів

Протокол IP (інтернет-протокол) - основний протокол мережного рівня. Визначає спосіб адресації на мережевому рівні. Забезпечує маршрутизацію в мережах, що представляють собою об'єднання мереж, що базуються на різних мережевих технологіях.

Протокол ARP (Address Resolution Protocol) - допоміжний протокол стека TCP / IP, призначений для визначення апаратної адреси вузла призначення по заданому IP-адресою.

Протокол ICMP (Internet Control Protocol повідомлень) - допоміжний протокол стека TCP / IP, призначений для обміну інформацією про помилки передачі даних протоколом IP, а також для обміну керуючою інформацією на мережевому рівні. Зокрема, утиліта PING використовує цей протокол для посилки так званого "луна-запиту".

Протокол IGMP (Internet Protocol Group Management) - протокол, використовуваний для відправки даних певній групі одержувачів.

Протокол TCP (Transmission Control Protocol) - протокол, що забезпечує гарантовану доставку даних з встановленням віртуального з'єднання між програмами, яким потрібне використовувати мережні послуги. Встановлення віртуального з'єднання припускає, що одержувач готовий до прийому даних від конкретного відправника. Це означає, що всі параметри взаємодії узгоджені, і комп'ютер-отримувач виділив відповідні ресурси для забезпечення прийому.

Протокол UDP (User Datagram Protocol) - протокол, що забезпечує негарантовану доставку даних без встановлення віртуального з'єднання між програмами, яким потрібне використовувати мережні послуги.

 

.3.2 Транспортні протоколи TCP і UDP

Протокол IP забезпечує доставку даних між двома (або більше) комп'ютерами. Однак на одному вузлі може функціонувати паралельно кілька програм, яким потрібен доступ до мережі. Отже, дані всередині комп'ютерної системи повинні розподілятися між програмами. Тому, при передачі даних по мережі недостатньо просто адресувати конкретний вузол. Необхідно також ідентифікувати програму-одержувача, що неможливо здійснити засобами мережевого рівня.

Іншою серйозною проблемою IP є неможливість передачі великих масивів даних. Протокол IP розбиває передані дані на пакети, кожний з яких передається в мережу незалежно від інших. У разі якщо будь-які пакети загубилися, то модуль IP на приймаючій стороні не зможе виявити втрату, тобто порушення цілісності загального масиву даних.

Для вирішення цих проблем розроблені протоколи транспортного рівня TCP і UDP.

Ідентифікація програм в протоколах TCP і UDP забезпечується унікальними числовими значеннями, так званими номерами портів. Номери портів призначаються програмами відповідно до її функціональним призначенням на основі певних стандартів. Для кожного протоколу існують стандартні списки відповідності номерів портів і програм. Так, наприклад, програмне забезпечення WWW, що працює через транспортний протокол TCP, використовує TCP-порт 80, а служба DNS взаємодіє з транспортними протоколами TCP і UDP через TCP-порт 53 і UDP-порт 53 відповідно.

Малюнок2- Протокол TCP

Таким чином, протокол мережевого рівня IP і транспортні протоколи TCP і UDP реалізують дворівневу схему адресації: номери TCP-і UDP-портів дозволяють однозначно ідентифікувати програму в рамках вузла, однозначно визначається IP-адресою. Отже, комбінація IP-адреси і номера порту дозволяє однозначно ідентифікувати програму в мережі Інтернет. Такий комбінований адреса називається сокетом (розетка).

Додатково до цього протокол TCP забезпечує гарантовану доставку даних. Принцип гарантованої доставки заснований на тому, що передавальний комп'ютер завжди "знає", чи були доставлені дані одержувачу чи ні. Це забезпечується тим, що приймає комп'ютер підтверджує успішний прийом даних. Якщо передавальний комп'ютер не отримує підтвердження, він намагається провести повторну передачу. Режим передачі з гарантією доставки має істотний недолік - мережа додатково завантажується пакетами-підтвердженнями. Це може виявитися принциповою проблемою на каналах з низькою продуктивністю. Тому для передачі невеликих порцій даних, якщо немає необхідності в підтвердженні, або для передачі потокових даних (наприклад, відео або аудіо) використовується протокол передачі з негарантованої доставкою UDP.

Компоненти прикладного рівня HTTP, FTP, SMTP, SNMP, Telnet.

На прикладному рівні працює безліч стандартних утиліт і служб TCP / IP, до числа яких відносяться:

.        протокол НТТР - використовується для організації доступу до загальних даних, розташованим на веб-серверах, з метою публікації і читання загальнодоступної інформації. Протокол HTTP описує взаємодію між HTTP-серверами (веб-серверами) і HTTP-клієнтами (веб-браузерами). До складу Windows XP і Windows Server 2003 входить як клієнтська частина (веб-браузер Internet Explorer v6.0), так і серверна (веб-сервер Internet Information Server, IIS);

.        протокол FTP - служба Інтернету, що забезпечує передачу файлів між комп'ютерами. У Windows XP і 2003 підтримуються клієнти FTP Windows Server: Internet Explorer v6.0 і утиліта командного рядка FTP. Сервер FTP входить до складу Інтернет-сервера IIS;

.        протокол SMTP - застосовується поштовими серверами для передачі електронної пошти. Сервер IIS підтримує роботу з протоколом SMTP для обробки поштових повідомлень;

.        протокол Telnet - протокол емуляції терміналу, застосовуваний для підключення до віддалених вузлів мережі. Telnet дозволяє клієнтам видалено запускати додатки; крім того, він спрощує віддалене адміністрування. Реалізації Telnet, доступні практично для всіх ОС, полегшують інтеграцію в різнорідних мережевих середовищах. У Windows XP і Windows Server 2003 включені клієнт і сервер Telnet;

.        служби імен - набір протоколів і служб дозволяє управляти ім'ям комп'ютерів в мережі;

.        протокол SNMP - дозволяє централізовано керувати вузлами мережі, наприклад серверами, робочими станціями, маршрутизаторами, мостами і концентраторами. Крім того, SNMP можна використовувати для конфігурації віддалених пристроїв, моніторингу продуктивності мережі, виявлення помилок мережі та спроб несанкціонованого доступу, а також для аудиту використання мережі.

 

.3.3 Порядок прив'язки протоколів

Протоколи можна додавати, видаляти і вибірково прив'язувати до всіх мережних інтерфейсів сервера. За замовчуванням порядок прив'язки протоколів визначається послідовністю, в якій вони були встановлені. Але при цьому адміністратор завжди може змінити цей порядок для окремих інтерфейсів, що робить процес управління більш гнучким. Наприклад, до одного інтерфейсу можуть бути прив'язані протоколи TCP / IP і IPX / SPX з пріоритетом протоколу TCP / IP, до іншого - ті ж протоколи, але з пріоритетом IPX / SPX. Крім того, для окремих мережевих інтерфейсів, протоколів та їх комбінації можна довільно включати або відключати мережеві служби. Це дозволяє адміністраторам легко створювати захищені конфігурації мережі (наприклад, відключити всі мережеві служби для загальнодоступних інтерфейсів з прямим підключенням до Інтернету

 

.4 Топологія

 

.4.1 Топологія типу "зірка"

Концепція топології локальної обчислювальної мережі у вигляді зірки прийшла з області великих ЕОМ, у якій головна машина одержує й обробляє всі дані з периферійних пристроїв як активний вузол обробки даних. Цей принцип застосовується в системах передачі даних, наприклад, в електронній пошті RELCOM. Вся інформація між двома периферійними робочими місцями проходить через центральний вузол локальної обчислювальної мережі.

Пропускна здатність локальної обчислювальної мережі визначається обчислювальною потужністю вузла і гарантується для кожної робочої станції. Колізій (зіткнень) даних не виникає.

Кабельне з'єднання досить просте, тому що кожна робоча станція пов'язана з вузлом. Витрати на прокладку кабелів високі, особливо коли центральний вузол географічно розташований не в центрі топології локальної обчислювальної мережі.

При розширенні локальних обчислювальних мереж не можуть бути використані раніше виконані кабельні зв'язки: до нового робочого місця необхідно прокладати окремий кабель з центра локальної обчислювальної мережі.

Топологія у вигляді зірки є найбільш швидкодіючої з усіх топологій локальних обчислювальних мереж, оскільки передача даних між робочими станціями проходить через центральний вузол (при його гарній продуктивності) по окремих лініях, використовуваним тільки цими робочими станціями. Частота запитів передачі інформації від однієї станції до іншої невисока, в порівнянні з іншими топологіями.

Продуктивність локальної обчислювальної мережі в першу чергу залежить від потужності центрального файлового серверу. Він може бути вузьким місцем локальної обчислювальної мережі. У разі виходу з ладу центрального вузла порушується робота всієї локальної обчислювальної мережі.

Центральний вузол керування - файловий сервер може реалізувати оптимальний механізм захисту проти несанкціонованого доступу до інформації. Вся локальна обчислювальна мережа може управлятися з її центру.

1.4.2 Кільцева топологія локальної обчислювальної мережі

При кільцевій топології локальної обчислювальної мережі робочі станції пов'язані одна з іншою по колу, тобто робоча станція 1 з робочою станцією 2, робоча станція 3 з робочою станцією 4 і т.д. Остання робоча станція пов'язана з першою. Комунікаційна зв'язок замикається в кільце.

Прокладка кабелів від однієї робочої станції до іншої може бути досить складною і дорогою, особливо якщо географічно робочі станції розташовані далеко від кільця (наприклад, в лінію).

Повідомлення циркулюють регулярно по колу. Робоча станція посилає по визначеній кінцевій адресі інформацію, попередньо отримавши з кільця запит. Пересилання повідомлень є дуже ефективною, тому що більшість повідомлень можна відправляти по кабельній системі одне за іншим. Дуже просто можна зробити кільцевий запит на всі станції. Тривалість передачі інформації збільшується пропорційно кількості робочих станцій, що входять в локальну обчислювальну мережу.

Основна проблема при кільцевої топології у тому, що кожна робоча станція повинна активно брати участь у пересиланні інформації, і в разі виходу з ладу хоча б однієї з них вся локальна обчислювальна мережа паралізується. Несправності в кабельних з'єднаннях локалізуються легко.

Підключення нової робочої станції вимагає короткострокового вимикання локальної обчислювальної мережі, так як під час установки кільце повинне бути розімкнутими. Обмеження на протяжність локальної обчислювальної мережі не існує, так як воно, в кінцевому рахунку, визначається виключно відстанню між двома робочими станціями.

Структура логічної кільцевої ланцюга локальної обчислювальної мережі

Спеціальною формою кільцевої топології є логічна кільцева локальна обчислювальна мережа. Фізично вона монтується як з'єднання "зоряних" топологій. Окремі зірки включаються за допомогою спеціальних комутаторів (англ. - концентратор Hub), називають "хаб". Залежно від числа робочих станцій і довжини кабелю між робочими станціями застосовують активні або пасивні концентратори. Активні концентратори додатково містять підсилювач для підключення від 4 до 16 робочих станцій. Пасивний концентратор є виключно розгалужувальної пристроєм (максимум на три робочі станції). Управління окремої робочої станцією в логічній кільцевій локальної обчислювальної мережі відбувається так само, як і в звичайній кільцевій локальної обчислювальної мережі. Кожній робочої станції присвоюється відповідний їй адреса, за якою передається керування (від старшого до молодшого і від самого молодшого до самого старшого). Розрив з'єднання відбувається тільки для нижче розташованого (найближчого) вузла локальної обчислювальної мережі, так, що лише в рідкісних випадках може порушуватися робота всієї локальної обчислювальної мережі.

 

.4.3 Шинна топологія локальної обчислювальної мережі

При шинної топології середовище передачі інформації представляється у формі комунікаційного шляху, доступного для всіх робочих станцій, до якого вони всі повинні бути підключені. Всі робочі станції можуть безпосередньо вступати в контакт з будь-якої робочої станцією, наявної в локальної обчислювальної мережі.

Робочі станції в будь-який час, без переривання роботи всієї локальної обчислювальної мережі, можуть бути підключені до неї або відключені. Функціонування локальної обчислювальної мережі не залежить від стану окремої робочої станції.

1.5 Архітектура


Мережева архітектура - це поєднання топології, методу доступу, стандартів, необхідних для створення працездатної мережі.

Вибір топології визначається, зокрема, плануванням приміщення, в якому розгортається ЛВС. Крім того, велике значення мають витрати на придбання та установку мережевого устаткування, що є важливим питанням для фірми, розкид цін тут також досить великий.

Топологія типу "зірка" являє собою більш продуктивну структуру, кожний комп'ютер, в тому числі і сервер, з'єднується окремим сегментом кабелю з центральним концентратором (HAB).

Основною перевагою такої мережі є її стійкість до збоїв, що виникають внаслідок неполадок на окремих ПК або через ушкодження мережевого кабелю.

Найважливішою характеристикою обміну інформацією в локальних мережах є так звані методи доступу, які регламентують порядок, в якому робоча станція отримує доступ до мережевих ресурсів і може обмінюватися даними.

За абревіатурою CSMA / CD ховається англійсьий вираз "несучої Multiple Access з виявленням колізій" (колективний доступ з контролем несучої і виявленням колізій). За допомогою даного методу всі комп'ютери отримують рівноправний доступ в мережу. Кожна робоча станція перед початком передачі даних перевіряє, чи вільний канал. Після закінчення передачі кожна робоча станція перевіряє, чи досяг адресата відправлений пакет даних. Якщо відповідь негативна, вузол виробляє повторний цикл передачі / контролю прийому даних і так до тих пір, поки не отримає повідомлення про успішне прийомі інформації адресатом.

Специфікацію Ethernet наприкінці сімдесятих років запропонувала компанія Xerox Corporation. Пізніше до цього проекту приєдналися компанії Digital Corporation обладнання (DEC) і Intel Corporation. У 1982 році була опублікована специфікація на Ethernet версії 2.0. На базі Ethernet інститутом IEEE був розроблений стандарт IEEE 802.3.

В даний час технологія, що застосовує кабель на основі витої пари (10Base - T), є найбільш популярною. Такий кабель не викликає труднощів при прокладці.

Мережа на основі кручений пари, будується по топології "зірка". Щоб побудувати мережу по зіркоподібній топології, потрібна більша кількість кабелю (але ціна кручений пари не велика). Подібна схема має і неоціненне перевагу - високу відмовостійкість. Вихід з ладу однієї або декількох робочих станцій не приводить до відмови всієї системи. Правда якщо з ладу вийде хаб, його відмова торкнеться всіх підключені через нього пристрою.

Ще однією перевагою даного варіанту є простота розширення мережі, оскільки при використанні додаткових хабів (до чотирьох послідовно) з'являється можливість підключення великої кількості робочих станцій (до 1024). При застосуванні неекранованої кручений пари (UTP) довжина сегмента між концентратором і робочою станцією не повинна перевищувати 100 метрів.

Переваги структурованих кабельних систем:

.        єдина кабельна система для передачі даних, голосу і відеосигналу;

.        модульність і можливість зміни конфігурації і нарощування без заміни всієї існуючої мережі;

.        відсутність залежності від змін технологій і постачальників активного устаткування;

.        мінімальна кількість обслуговуючого і адміністративного персоналу;

.        високий рівень співвідношення "ціна-якість";

.        зниження вартості і часу установки систем, оскільки прокладка всієї кабельної інфраструктури може проводитися одній, а не декількома фірмами.

1.6 Тип кабелю

 

.6.1 Вита пара

Найпростіша кручена пари (кручена пари) - це два перевитих навколо один одного ізольованих мідних дроти. Існує два типи тонкого кабелю: неекранована (неекранований) вита пара (UTP) і екранована (екранований) вита пара (STP).

Малюнок 3 - Вита пара з екраном

Кілька кручених пар часто поміщають в одну захисну оболонку. Їх кількість в такому кабелі може бути різним. Завивка проводів дозволяє позбутися від електричних перешкод, що наводяться сусідніми парами та іншими джерелами, наприклад, двигунами, реле і трансформаторами.

Неекранована кручена пара

Неекранована кручена пара (специфікація 10BaseT) широко використовується в ЛВС, максимальна довжина сегмента складає 100 м.

Неекранована кручена пара складається з двох ізольованих мідних проводів. Існує кілька специфікацій, які регулюють кількість витків на одиницю довжини - залежно від призначення кабелю. У Північній Америці UTP повсюдно використовується в телефонних мережах.

Малюнок4 - Вита пара без екрану

Існує декілька категорій кабелю вита пара, які нумеруються від CAT1 до CAT7 і визначають ефективний частотний діапазон. Кабель вищої категорії зазвичай містить більше пар дротів і кожна пара має більше витків на одиницю довжини. Категорії неекранованої кручений пари описуються в стандарті EIA / TIA 568CAT2 (смуга частот 1 МГц) - старий тип кабелю, 2 пари провідників, підтримував передачу даних на швидкостях до 4 Мбіт / с, використовувався в мережах Token Ring і Arcnet. Зараз іноді зустрічається в телефонних мережах.

.        CAT1 - (смуга частот 0,1 МГц) Використовується тільки для передачі голосу або даних за допомогою модему.

.        CAT2 - (смуга частот 1 МГц) старий тип кабелю, 2-е пари провідників, підтримував передачу даних на швидкостях до 4 Мбіт / с, використовувався в мережах Token Ring і Arcnet. Зараз іноді зустрічається в телефонних мережах.

.        CAT3 (смуга частот 16 МГц) - 4-парний кабель, використовувався при побудові локальних мереж 10BASE-T і Token Ring, підтримує швидкість передачі даних до 10 Мбіт / с або 100 Мбіт / с за технологією 100BASE-T4. На відміну від попередніх двох, відповідає вимогам стандарту IEEE 802.3. Також досі зустрічається в телефонних мережах.

.        CAT4 (смуга частот 20 МГц) - кабель складається з 4 скручених пар, використовувався в мережах Token Ring, 10BASE-T, 100BASE-T4, швидкість передачі даних не перевищує 16 Мбіт / с по одній парі, зараз не використовується.

.        САТ5 (смуга частот 100 МГц) - 4-парний кабель, використовувався при побудові локальних мереж 100BASE-TX і для прокладки телефонних ліній, підтримує швидкість передачі даних до 100 Мбіт / с при використанні 2 пар.

.        САТ5e (смуга частот 125 МГц) - 4-парний кабель, вдосконалена категорія. Швидкість передач даних до 100 Мбіт / с при використанні 2 пар і до 1000 Мбіт / с при використанні 4 пар. Кабель категорії 5e є найпоширенішим і використовується для побудови комп'ютерних мереж. Обмеження на довжину кабелю між пристроями (комп'ютер-свитч, свитч-комп'ютер, свитч-свитч) - 100 м. Обмеження хаб-хаб - 5 м.

.        CAT6 (смуга частот 250 МГц) - застосовується в мережах Fast Ethernet і Gigabit Ethernet, складається з 4 пар провідників і здатний передавати дані на швидкості до 1000 Мбіт / с. Доданий в стандарт в червні 2002 року. За даними IEEE 70% встановлених мереж в 2004 році, використовували кабель категорії CAT6.

.        CAT6a (смуга частот 500 МГц) - застосовується в мережах Ethernet, складається з 4 пар провідників і здатний передавати дані на швидкості до 10 Гігабіт /с. Доданий в стандарт в лютому 2008 року

.        CAT7 - специфікація на даний тип кабелю затверджена лише міжнародним стандартом ISO 11801, швидкість передачі даних до 100 Гбіт / с, частота сигналу, що пропускається до 600-700 МГц. Кабель цієї категорії має загальний екран та екрани навколо кожної пари. Сьома категорія, не UTP, а S/FTP (Screened Fully shielded Twisted Pair).

Кожна окремо взята кручена пара, що входить до складу кабелю, призначеного для передачі даних, повинна мати хвильовий опір 120 Ом ± 20OM, в іншому випадку форма електричного сигналу буде спотворена і передача даних стане неможливою

Однією з потенційних проблем для всіх типів кабелів є перехресні перешкоди. Перехресні перешкоди - це електричні наведення, викликані сигналами в суміжних проводах. Неекранована кручена пара особливо страждає від перехресних перешкод. Для зменшення їх впливу використовують екран.

 

.7 Схема обжимки


Ці схеми обтискача кручений пари наведені для кабелю категорії 5 (4 пари провідників). Обтискається конектором 8P8C(8P8C (8 Position 8 Contact), іноді помилково званий RJ45, - уніфікований роз'єм, який використовується в телекомунікації. Має 8 контактів і фіксатор.)

Існує 2 схеми обтискача кабелю: прямий кабель і перехресний (крос- овер) кабель. Перша схема використовується для з'єднання комп'ютера з світче / хабом, друга для з'єднання 2 комп'ютерів безпосередньо і для з'єднання деяких старих моделей хабів / світчів (uplink порт).

Малюнок №5 - конектор 8P8C

Таблиця №1 - схема обжимки по стандарту EIA/TIA-568А


Таблиця №2 - схема обжимки по стандарту EIA/TIA-568B

Перехресний кабель для з'єднання двох мережевих карт безпосередньо на швидкості 100 Мегабіт / с (Crossover)


Таблиця №3 - схема обжимки

Перехресний кабель для з'єднання двох мережевих карт безпосередньо на швидкості 1 гігабіт / с (Crossover)


Таблиця №4 - схема обжинки


Малюнок №6 - Обжимний інструмент(крімпер)

Біло-помаранчева жила змінюється з біло-зеленою, помаранчева із зеленою (для 100-мегабітного з'єднання); синя жила змінюється з біло-коричневої, біло-синя з коричневою (для гігабітного з'єднання, для 100 мегабіт їх можна обжати в будь-якому порядку або взагалі не обжимати).

Використання кабелю, обжатого не по стандарту, може призвести до того, що кабель працювати не буде, або буде дуже великий відсоток втрат (залежно від довжини кабелю), а також - ситуацій повної перевірки кабелю для визначення призначення тих чи інших пар.

Для перевірки правильності обтиску кабелю, крім візуального контролю, існують спеціальні пристрої - кабельні тестери. Такий пристрій складається з передавача і приймача. Передавач по черзі подає сигнал на кожну з восьми жил кабелю, дублюючи цю передачу запалюванням одного з восьми світлодіодів, а на приймачі, приєднаний до іншого кінця лінії, відповідно загоряється один з восьми світлодіодів. Якщо на передачі і на прийомі світлодіоди спалахують поспіль, значить, кабель обжатий без помилки. Дорожчі моделі кабельних тестерів можуть мати вбудоване переговорний пристрій, індикатор обриву із зазначенням відстані до обриву і ін.

Дані схеми обтискача підходять як для 100-мегабітного з'єднання, так і для гігабітного. При використанні 100 мегабітного з'єднання використовуються тільки 2 з 4 пар, а саме помаранчева і зелена. Синя і коричнева пари в такому випадку можуть бути використані для підключення другого комп'ютера по тому ж кабелю. Кожен кінець кабелю роздвоюють на два по дві пари, і отримують як би два кабелі, але під одним ізоляцією. Однак дана схема підключення може знизити швидкість і якість передачі інформації. При використанні гігабітного з'єднання використовуються 4 пари провідників.

Також існують обмеження на вибір схеми перехресного з'єднання жил, що накладаються стандартом Power-Over-Ethernet (POE), проте даний стандарт ще до кінця не затверджений. При прямому сполученні жив в кабелі ("один до одного"), даний стандарт буде працювати автоматично.

1.8 Склад активного обладнання для організації ІКС підприємства


. Маршрутизатор - D-Link DSR-250 3243х1=3243

. Комутатор - Cisco SB SG100D-05-EU 676х3=2028

. Комутатор - Cisco SB SG100D-08-EU 1553х 17=26401

грн

 

.8.1 Огляд маршрутизатора D-Link DSR-250


Малюнок№7 - Маршрутизатор

1.8.1.1 Опис

Уніфіковані маршрутизатори D-Link серії DSR є високопродуктивні рішення, що забезпечують захист мережі і призначені для задоволення зростаючих потреб малого та середнього бізнесу. Підтримка стандарту IEEE 802.11n, реалізована в маршрутизаторах DSR-150N, DSR-250N, DSR-500N, DSR-1000N, дозволяє досягти тієї ж продуктивності, що і в провідних мережах, але з меншою кількістю обмежень. Оптимальний захист мережі досягається за рахунок організації тунелів VPN (Virtual Private Network), підтримки протоколів IP Security (IPSec), Point-to-Point Tunneling Protocol (PPTP), Layer 2 Tunneling Protocol (L2TP), Generic Routing Encapsulation (GRE) 1. Завдяки VPN-тунелях торгові представники і співробітники територіальних підрозділів отримують віддалений доступ до корпоративної мережі з будь-якої точки і в будь-який час без інсталяції клієнтської програми.

1.8.1.2 Можливості комплексного управління

Маршрутизатори DSR-500 / 500N і DSR-1000 / 1000N оснащені двома WAN-портами Gigabit Ethernet і підтримують управління на основі політик, що забезпечує максимальну продуктивність при виконанні бізнес-операцій. Функція автоматичного перемикання після відмови (failover) забезпечує надійну передачу даних, у тому числі і при відмові одного із з'єднань. Застосування функції балансування навантаження дозволяє розподілити вихідний трафік між двома WAN-інтерфейсами і оптимізувати продуктивність системи, забезпечуючи, таким чином, безперебійну роботу мережі. Другий WAN-порт може бути налаштований як DMZ-порт, що дозволяє ізолювати сервери від мережі LAN.

 

.8.1.3 Висока продуктивність бездротової мережі

DSR-150N, DSR-250N, DSR-500N і DSR-1000N підтримують стандарти 802.11a5 / b / g / n і роботу в діапазоні частот 2,4 ГГц або 5 ГГц5. Завдяки підтримці технології Multiple In Multiple Out (MIMO) маршрутизатори DSR-150N, DSR-250N, DSR-500N і DSR-1000N забезпечують високу швидкість передачі даних і розширену зону покриття бездротової мережі, дозволяючи скоротити кількість "мертвих зон".

 

.8.1.4 Універсальна установка

Маршрутизатори DSR підтримують можливість організації доступу до Інтернет по мережі 3G за допомогою USB-модема4. Підтримка мережі 3G забезпечує можливість додаткового підключення для захищеної передачі критично важливих даних або стабільної роботи служб резервування. Для маршрутизаторів DSR-1000 / 1000N 3G USB-модем може бути налаштований в якості третьої WAN-з'єднання з підтримкою функцій автоматичного перемикання після відмови і балансування навантаження в разі втрати основного WAN-з'єднання.

На маршрутизаторах DSR-500 / 500N1 другий WAN-порт може бути виділеним WAN2 або використовуватися для 3G модему, з підтримкою функцій автоматичного перемикання після відмови і балансування навантаження в разі втрати основного WAN-з'єднання. Для маршрутизаторів DSR-150 / 150N / 250 / 250N1 3G USB-модем може бути налаштований в якості першого WAN-з'єднання або резервного з'єднання в разі втрати основного з'єднання.

 

.8.1.5 Надійні функції VPN

Віртуальна приватна мережа (VPN) надає мобільним користувачам і філіям захищений канал зв'язку для підключення до корпоративної мережі. DSR-150 / 150N, DSR-250 / 250N, DSR-500 / 500N і DSR-1000 / 1000N підтримує 5, 10, 15 або 20 тунелів Generic Routing Encapsulation (GRE) 1, забезпечуючи мобільним користувачам віддалений доступ до центральної корпоративній базі даних . При створенні Site-to-site VPN-тунелів використовуються протоколи IP Security (IPSec), Point-to-Point Tunneling Protocol (PPTP) або Layer 2 Tunneling Protocol (L2TP), застосування яких спрощує процес підключення віддалених користувачів і філій через зашифровані віртуальні канали . DSR-150 / 150N підтримує до 10 одночасних VPN-тунелів IPSec і до 10 VPN-тунелів PPTP / L2TP. DSR-250 / 250N, DSR-500 / 500N і DSR-1000 / 1000N підтримує до 25, 35 і 70 одночасних VPN-тунелів IPSec відповідно, а також 25 додаткових VPN-тунелів PPTP / L2TP.

 

.8.1.6 Технологія Green

Підтримка технологій D-Link Green Wi-Fi і D-Link Green Ethernet дозволяє оптимізувати енергоспоживання і скоротити витрати на електроенергію. Використання планувальника D-Link Green WLAN забезпечує додатковий захист і дозволяє скоротити споживання електроенергії за рахунок відключення бездротової мережі за встановленим користувачем розкладом в години найменшого навантаження. Технологія D-Link Green Ethernet дозволяє визначати статус з'єднання та автоматично переводити пристрій в режим збереження електроенергії. Крім цього, маршрутизатори DSR відповідають вимогам директив RoHS (Restriction of Hazardous Substances) і WEEE (Waste Electrical and Electronic Equipment), метою яких є захист навколишнього середовища.

 

.8.2 Опис комутаторів Cisco Small Business

Комутатори серії Cisco Small Business 100 ідеально підходять для забезпечення простою і надійною комутації для малих і середніх підприємств. Свічі даної серії дозволяють використовувати весь широкий спектр комутаційних можливостей і не вимагають установки спеціального ПО. Дана модель, одна з найпростіших і маленьких в лінійці, оснащена п'ятьма гігабітними портами. Комутаційназдатність свіча досягає 10 Гбіт / с, пропускна здатність 7,4 млн. Пакетів в секунду. Завдяки відсутності вентилятора свіч працює економічно і безшумно. Комутатори в нашій роботі за характеристиками однакові відміняються тільки кільістью LAN розьемів.

Малюнок №8 - Комутатор Cisco

2. Проектування мережі

 

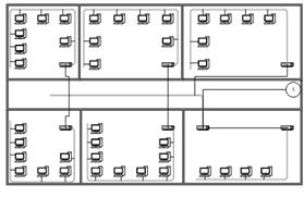
.1 План приміщення підприємства Focus


Малюнок №9 - поверх №1

Малюнок №10- поверх №2

Малюнок №11 - поверх №3

Таблиця №5 - опис обладнання

 

.2 Розрахунок обсягу даних які передаються в мережі підприємства


.        Cмережі - пропускна здатність мережі.

.        V - заявлена швидкість передачі мережі. У даній мережі використовується обладнання, яке може передавати дані зі швидкістю 100 мбіт/с (125000000 байт/с).

.        Iкорисн - кількість байт корисної інформації у пакеті. Використовується технологія передачі даних Fast Ethernet у якій кількість корисної інформації у пакеті дорівнює 1500 байтам.

.        І - довжина пакету. Довжина пакету у Fast Ethernet дорівнює 1518 байт.

.        Сср - середня пропускна спосібність користувача. Розраховується на кількість користувачів 112

.        Cмережі=V*Iкорисн/I

.        Cмережі=125000000*1500/1518=123517786 байт

.        Cср=123517786/112 = 1102837 байт = 1103 кбайт

 

.3 Мінімальна конфігурація для серверів та робочих станцій


Згідно до вимог щодо надійності були вибрані сервери та робочі станції з відповідними характеристиками.

Для робочих станцій:

Процесор - Двоядерний Intel Pentium G3220 (3.0 ГГц)

Чипсет материнської плати - Intel H81

Оперативна пам’ять 4 ГБ DDR3 1600 МГц

Видеокарта - nVidia GeForce GT 730, 2 ГБ

ТБ жорсткий диск, без ОС.

Для серверів:Xeon Quad-Core E3-1240 v3 (3.4 ГГц)

Материнська плата Supermicro MBD-X10SLL-F

Чіпсет: Intel C222

Об'єм оперативної пам'яті 8 ГБ

Тип оперативної пам'яті DDR3-1600 ECC

Контролери SAS / SATA LSI Logic MegaRAID SAS 9240-8i

Число підтримуваних пристроїв: 8 з прямим підключенням до зовнішніх портів або до 64 пристроїв за допомогою SAS-експандерів до 16 дисків можуть бути об'єднані в RAID масиви

Інтерфейс: PCI Express 2.0 x8, SAS / Serial ATA III-600 Мб / с

Підтримувані рівні RAID: JBOD, 0, 1, 10, 5, 50

x кабелю LSI Logic CBL-SFF8087-SATASB-10M для підключення mSASx4 (SFF-8087) в SATA (4) x1 (SFF-8448), довжина 1 м

Жорсткий диск 2 x Seagate ST1000NM0033 1 ТБ, 128 МБ, 7200 rpm, Constellation ES.3, Serial ATA 6 Гбіт / с

Оптичний привід DVD +/- RW

Форм-фактор 2U Rackmount

Корпус Серверний корпус для монтажу в стійку Supermicro CSE-825TQ-600LPB 19 "

Розрахунок вартості встановленого обладнання

комутаторів и один маршрутизатор вартістю 31672грн

Кручена пара(1км) вартістю 10000 грн(10 грн метр)

Операційні системи Windows Server 2003 та Windows 7pro загальною вартістю 20000 грн

Загальна вартість складає 60000.

проц транспртние

проц монтажніе

Висновки


У ході створення курсового проекту закріпив теоретичні знання одержані мною за весь час вивчення дисципліни.

В роботі оволодів методикою розробки та розрахунку промислової мережі. Науково аргументував та дав оцінку роботі програмного забезпечення та комп’ютерної мережі.

Література


1.      Амато В. Основы организации сетей Cisco: в 2 кн. / Амато В. - М.: Вильямc, 2002. - 512 с. - Кн. 1

.        Амато В. Основы организации сетей Cisco: в 2 кн. / Амато В. - М.: Вильямc, 2002. - 464 с. - Кн. 2

.        Виснадул Б.Д. Основы компьютерных сетей: учебное пособие / Виснадул Б.Д., Лупин С.А., Сидоров С.В., Чумаченко П.Ю.; под ред. Гагариной Л.Г. - М.: ИД "Форум": ИНФРА-М, 2007. - 272 с.

4.      <http://www.twirpx.com/>

.        <http://lib.uabs.edu.ua/>

.        https://ru.wikipedia.org

Похожие работы на - Розробка та розрахунок промислової комп’ютерної мережі

 

Не нашли материал для своей работы?
Поможем написать уникальную работу
Без плагиата!
Без нейросетей!