Разработка шагающего робота
Введение
С развитием научно-технического прогресса, внедрением новых технологий в
различных областях производства, в том числе вредного и опасного, возникает
необходимость в мобильных устройствах специального назначения, способных
работать, например, в зоне высокой радиоактивности (при обслуживании ядерных
реакторов), при тушении лесных пожаров или в зонах стихийных бедствий.
Наиболее полно этим требованиям, скорее всего, будут отвечать шагающие
роботы
Шагающий способ представляет основной интерес для движения по заранее
неподготовленной местности с препятствиями. Помимо этого шагающий способ
передвижения обладает и большей проходимостью на пересеченной местности вплоть
до возможности передвигаться прыжками, преодолевать препятствия и т.п. При
шагающем способе меньше разрушается грунт. [2]
Целью данного проекта является разработка шагающего робота. Как
природная, так и техногенная среда содержит множество препятствий которые
трудно или невозможно преодолевать с помощью традиционных типов движения.
Наибольшую сложность представляют препятствия в виде ступенек. Преодолеть такие
препятствие становиться возможным благодаря конструкции шагающего робта.
Глава 1. Анализ состояния проблемы
.1 Анализ шагающего вида движения
Можно заметить, что нет ничего более совершенного, чем природные системы.
Их адаптивная способность потрясает. Если касаться только шагающих систем, то
видно, что их мобильность значительно выше, чем у созданных человеком
транспортных средств.
Человек, совершенствуя природу на базе создания комбинированных шагающих
механизмов с другими типами движителей, способен создать более производительные
и высоко адаптивные транспортно-технологические машины.
Природа не создала колеса просто потому, что система рычагов более
приспособлена для передвижения по естественному грунту. Этому способствуют
свойства опорно-двигательного аппарата шагающего движителя: дискретность колеи
и наличие нерабочего пространства ног. Под дискретностью колеи понимают
прерывистость контакта движителя, в данном случае с поверхностью передвижения.
Под рабочим пространством ног понимается пространство, окружающее корпус, точки
которого достижимы для опорного элемента шагающего движителя. Эти свойства
шагающего движителя позволяют предполагать высокую опорную и профильную
проходимость для искусственных шагающих средств передвижения. Кроме сильно
пересеченной местности для обычного транспорта непроходимой является и среда,
приспособленная для обитания человека: здания с узкими проходами, резкими
поворотами, лестничными маршами.
Слепое копирование природных объектов без глубокого изучения их
поведения, как правило, не позволяло создать работоспособные конструкции,
которые можно было бы использовать в практике: например, лесная машина фирма
“Табержек”, робот лаборатории транспортных систем АН СССР. Эти машины не
оправдали надежды конструкторов и не показали динамических качеств, характерных
для насекомых.
В этом ключе интересно рассмотреть композиционную концепцию построения
шагающих роботов, т.к. эта концепция сходна с физиологическими моделями
управления движением в живых организмах. Сходство это основано на исследованиях
российских ученых, проводимых в Институте проблем передачи информации. Поэтому
можно полагать, что композиционная концепция является биологическим подходом в
робототехнике.
В соответствии с этой концепцией низший уровень управления локомоционным
процессом может быть представлен как результат коллективной работы независимых
замкнутых систем автоматического регулирования (регуляторов). Какие-либо связи
между отдельными регуляторами (горизонтальные связи) отсутствуют. Иными
словами, шагающий робот как единый автомат может быть представлен композицией
некоторого количества элементарных, независимо функционирующих автоматов, а
локомоционный процесс результатом совместного действия этих автоматов. Каждый
автомат решает свою собственную задачу и таким путем вносит свой вклад в
формирование локомоционного процесса.
Каждый элементарный автомат представляет собой замкнутую систему
автоматического регулирования и управляет только одним суставом. В то же время
отдельный сустав в различных фазах цикла движения ноги может управляться
несколькими различными регуляторами. Одноименные суставы всех ног управляют
одним из параметров походки, например, длиной шага, высотой тела робота
относительно опорной поверхности или же скорость передвижения робота.
Управление всеми суставами робота осуществляется параллельно, что обеспечивает
высокий уровень распределенности системы управления.
Влияние на отдельный автомат действий остальных автоматов представляется
как возмущающее воздействие внешней среды. Цель автомата как регулятора состоит
в компенсации этих возмущений. Выходной сигнал сенсорной системы, который
используется в цепи обратной связи регулятора, содержит в себе также и
информацию о действиях других автоматов, так что отдельный автомат воспринимает
действия других автоматов посредством сенсорной системы, а не путем каких-либо
каналов связи между регуляторами. В этом случае внешняя среда отдельного
автомата состоит из остальных автоматов и внешней среды робота в целом.
Желаемые параметры походки робота задаются более высоким уровнем системы
управления и остаются постоянными в процессе ритмичной ходьбы. Такой подход к
проблеме шагающих роботов существенно упрощает управление локомоционным процессом
и делает его более наглядным.
Реализация предлагаемого подхода для построения шагающих роботов может
быть достигнута путем решения проблемы сенсорных систем для автоматов. Эта
проблема была решена путем применения наборов датчиков, объединенных в сенсорную
систему, способную измерять каждый параметр походки.
.2 Анализ техники ходьбы по количеству точек опоры шагающих роботов
Технику ходьбы шагающих роботов можно разделить по количеству точек опор
на две, четыре и шесть. Рассмотрим особенности каждого из них.
Идея прямохождения волнует воображение конструкторов и механиков. При
проектировании шагающих роботов, передвигающихся на двух конечностях,
исследователи вычленяют две основные проблемы. Во-первых, необходимо добиться,
чтобы во время движения аппарат мог какое-то время устойчиво находиться в
положении, когда его опорой является только одна конечность. При этом опора
должна иметь достаточную прочность, чтобы выдержать всю массу агрегата, а
приводы - достаточную мощность, чтобы обеспечивать поступательное движение.
Второе - это сложные алгоритмы движения, имитирующие движения человеческого
тела даже при обыкновенной ходьбе. Взаимосвязь между движениями отдельных
частей двуногого робота, обеспечивающая ему устойчивое движение не только по
прямой линии, но и в пространстве.
Обратив свое внимание на четвероногих животных, можно заметить, что при
движении они сохраняют равновесие почти исключительно за счет динамической
устойчивости. Условием устойчивого равновесия является требование, чтобы при
движении центр тяжести такого робота в любой момент находился в пределах
воображаемого треугольника, углами которого являются опорные в настоящий момент
конечности. Исходя из этого был разработан шагающий агрегат на четырех
конечностях, алгоритм движения которого был определен таким образом, чтобы при
его движении в любой момент времени в воздухе находилась только одна нога, а
корпус имел опору одновременно на три точки и сохранял при этом статическую
устойчивость.
Шестиногие шагающие роботы, по-видимому, являются самой многочисленной из
всех когда-либо и где-либо разработанных категорий механизмов, способных
перемещаться с помощью искусственных ног. Популярность этих роботов в
значительной степени обусловлена тем, что проблемы обеспечения статической
устойчивости движущихся шестиногих аппаратов решаются относительно просто по
сравнению с другими конструкциями. Одной из проблем, которой уделяется
существенное внимание при проектировании мобильных шагающих аппаратов, является
уменьшение необходимой мощности источников питания и сокращение затрат энергии.
Другими словами, необходимо повысить к.п.д. многоногих механизмов, т.е.
уменьшить потребляемую мощность и повысить полезную развиваемую мощность. В
самом деле, если учесть, что в общем случае каждая из n конечностей имеет две-три
степени подвижности и управление каждой из степеней сопряжено с определенными
затратами энергии, то очевидно, что сравнение шагающих и колесных транспортных
средств по к.п.д. будет далеко не в пользу первых. В связи с этим, по-видимому,
главная цель, к достижению которой должны стремиться исследователи сегодня,
заключается в создании экспериментальных шагающих аппаратов, способных на
практике продемонстрировать сочетание высоких функциональных возможностей с
достаточно большой развиваемой мощностью при малых затратах энергии
Моделью с шестью ногами мы сможем продемонстрировать знаменитую походку
«треножником», т е. с опорой на три ноги, которую используют большинство
существ. На следующих рисунках темный кружок означает, что нога устойчиво
поставлена на землю и поддерживает вес существа. Светлый кружок означает, что
нога поднята и находится в движении. На Рис 1.1 показано существо в позиции
«стояния». Все ноги опираются о землю. Из положения «стояния» существо решает
идти вперед.
Для того чтобы сделать шаг, оно поднимает три из своих ног (см. светлые
кружки на Рис1.2), опираясь своим весом на три оставшиеся ноги (темные кружки).
Заметьте, что ноги, поддерживающие вес (темные кружки), расположены в форме
треножника (треугольника).
Такая позиция является устойчивой, и робот не может упасть. На Рис1.3
показано, что три остальные ноги (светлые кружки) могут двигаться и двигаются
вперед.
На Рис 1.4 показан перенос центра тяжести на других три опоры (тёмные
кружки) и движение вперёд свободных ног (белые кружки).

Рис. 1.1 Исходное положение

Рис. 1.2 Перенос центра тяжести

Рис. 1.3 Перенос свободных лап
Рис. 1.4 Перенос центра тяжести
1.3 Классификация шагающих роботов
Мобильные роботы подразделяются на колесные, летающие и шагающие.
Шагающие роботы в свою очередь подразделяются на двухногие, четырехногие,
шестиногие и многоногие.
В зависимости от назначения и решаемого класса задач, шагающие роботы
выделяют:
а) производственные шагающие роботы
б) исследовательские шагающие роботы.
Производственные роботы
Предназначены для выполнения тяжелой, монотонной, вредной и опасной
физической работы. Для таких роботов характерно наличие автоматических
исполнительных устройств (манипуляторы, имитирующие движения рук человека,
самоходные тележки с различными типами шасси и т. п.).
Производственные роботы делятся, в свою очередь на несколько
разновидностей:
· промышленные
· строительные
· сельскохозяйственные
· транспортные
· бытовые
· боевые
Промышленные роботы предназначены в основном для автоматизации всех видов
ручных и транспортных операций в различных отраслях промышленности.
Строительные роботы позволят автоматизировать огромное количество ручных
операций как вспомогательных, так и основных, органически присущих
строительному делу. Роботизация строительства сегодня весьма актуальна.
Сельскохозяйственные роботы предназначены для автоматизации трудоемких и
монотонных процессов в сельском хозяйстве. В настоящее время начинается
интенсивная разработка таких роботов, знаменующих начало роботизации
сельскохозяйственного производства.
Транспортные
роботы <#"784867.files/image008.gif">
Рис.1.5 Внешний вид робота WL-16
На сегодняшний день одним из самых известных творений компании Boston
Dynamics, принимающей активное участие в создании робота Urban Hopper, является
робот BigDog.(Рис.1.6) Этот четвероногий робот предназначен для передвижения по
пересеченной местности, переноса тяжелых грузов и способен преодолевать
возвышенности и ямы. Робот собака предназначен для армии США - рабочее название
Big Dog.
Длина робота BigDog - 0,91 метр, высота 0,76 метра, вес 110 килограммов.
В настоящее время он способен передвигаться по труднопроходимой местности со
скоростью 6,4 км в час, перевозить 154 кг груза и подниматься на 35 градусную
наклонную плоскость.приводится в движение двухтактным одноцилиндровым двигателем
от карта со скоростью вращения 9000 об/мин, из-за чего слышен громкий звук
мотора. В последующих версиях робота планируется исправить этот демаскирующий
недостаток. Мотор служит приводом для гидронасоса, который в свою очередь
питает гидродвигатели ног. В каждой из ног установлено по 4 гидродвигателя (два
для бедренного сустава, и по одному для коленного и голеностопного суставов)
общим числом 16. Каждый из гидродвигателей состоит из гидроцилиндра,
сервоклапана, а также датчиков положения и усилия [4]
Рис.1.6 Внешний вид робота BigDog
Китайские инженеры из Института автоматики создали модель четырехногого
робота под названием FROG (Рис.1.7) (Four-legged Robot for Optimal Gait -
четырехногий робот для оптимальной ходьбы). FROG будет выступать в качестве
основы для создания роботизированной копии динозавров для музеев и выставок.
Строение робота
Длина FROG-I - 1150 мм, высота - 950 мм, а ширина - 700 мм. Вес модели -
55 кг.
Каждая нога имеет тазобедренное и коленное сочленение, приводимое в
движение постоянным током в 48 В напряжения и 18 А силы, поступающим по
электическим кабелям.
Рис.1.7 Внешний вид робота FROG
Разработанный в сверхсекретном агентстве DARPA (Агентство по перспективным
оборонным научно-исследовательским разработкам США) в сотрудничестве с Boston
Dynamycs, робот RHex стал кульминацией многолетних разработок (Рис.1.8). Он
может развивать скорость до 2 метров в секунду, ориентироваться на любой
местности, преодолевать практически любые ямы, бугры и болота. Этот гексапод
способен передвигаться на расстояние до 3,7 км без подзарядки. С помощью одного
электропривода постоянного тока напряжением 24В и мощностью 240 Вт. RHex имеет
герметичный корпус. Управляется робот оператором, предел досягаемости 600
метров. Есть видеокамера и GPS приемник. Очевидно, основной задачей робота
будет разведка. [3]
Рис.1.8 Внешний вид робота RHex
Шестиногий пауко-подобный, шагающий робот Hexapod Anubis (Рис.1.9) с
поддержкой роботехнического зрения.
Подвижность робота обеспечивает система 3DoF - 3 сервопривода на каждой
конечности. Причем надо отметить, что видеокамера Pan & Tilt тоже оснащена
двумя дополнительными приводами. В итоге робот получил 20 приводов.
Взаимодействие с роботом осуществляется по беспроводным каналам. На
частоте 2.4Гц по Bluetooth осуществляется прием-передача данных с
микроконтроллера. На частоте 1.2Гц посредством аналогового ресивера
осуществляется прием данных с беспроводной камеры с их последующей оциврокой
USB TV тюнером, либо через сетевую камеру Wi-Fi.
Рис.1.9 Внешний вид робота Hexapod Anubis
Выводы к
главе 1
По итогам
выполненной работы были получены следующие результаты:
) Произвели
анализ шагающего способа движения;
) Произведен
анализ техники ходьбы по количеству точек опоры шагающих роботов;
) Произведен
обзор существующих конструкций.
Глава 2.
Конструкторский раздел
.1 Описание разрабатываемой конструкции
На основе проведённого анализа техники ходьбы, анализа существующих
конструкций была выбрана четырёхногая компоновка робота, т.к. такая компоновка
робота более компактная, чем шесть ног, и намного проще чем с двумя ногами.
Схема разработанного робота представлена ниже на Рис. 2.1
Рис.2.1 Схема робота вид сверху
Робот состоит из корпуса 5, на котором закреплены приводы 3, на выходном
валу привода расположена втулка 1 , на которой закреплена с натягом лапа 2.
Питание робота осуществляется с помощью аккумулятора 4, длины L1 и L2 выбраны
разными для того, чтобы лапы робота могли бы двигаться асинхронно, не мешая
друг другу.[1]
.2 Выбор профиля ноги робота
На основе проведённого анализа существующих конструкций была выбрана
форма ног выполненные в виде С-образных колёс, и закреплены со смещением оси
вращения - это позволяет увеличить проходимость робота по сравнения с круглым
профилем ног, и уменьшить момент сопротивления по сравнению с вытянутым
профилем ног.
Рис. 2.2 Чертёж ноги робота
.3 Трёхмерная модель робота и его модулей
Рис.2.3 Внешний вид разрабатываемого робота
Рис.2.4 Внешний вид электродвигателя
Рис.2.5 Внешний вид аккумулятора
Рис.2.6 Внешний вид платы управления
Рис.2.7 Внешний вид силового модуля
Рис.2.8 Инкрементальный энкодер на подставке
Рис.2.9 Внешний вид подшипника
2.4.2
Тепловой расчет электродвигателя.
S8
- режим работы при периодическом изменении частоты вращения и нагрузки.
Соответствующие данному режиму работы диаграммы для двух различных значений
частоты вращения (10.46 и 6.28
)
показаны на рис. 2.10
Рис.
2.10. График зависимости угловой скорости от времени
Рассчитаем
моменты для каждого участка работы двигателя:
Н∙м;
0.007 Н∙м;
Н∙м;
Н∙м.
Рис.
2.11. График зависимости момента от времени
Найдём
эквивалентный момент:
,
где
- время одного цикла
Н∙м;
.07
Н∙м
0.33 Н∙м.
В
нашем случае это равенство выполняется, следовательно, двигатель подобран
правильно.
.2.3
Расчёт посадки с натягом
Посадки
с натягом в механизмах и машинах применяют для
соединения
деталей и передачи крутящего момента. Прилагаемый к сопряжению крутящий момент
должен передаваться за счет сил трения, возникающих на сопрягаемых поверхностях
деталей под воздействием натяга. При выборе посадки для конкретного сопряжения
необходимо выдержать два условия:
.
При наименьшем натяге должна обеспечиваться передача внешнего момента, осевой
силы или их совместного действия.
.
При наибольшем натяге выбранная посадка не должна разрушать сопрягаемые
детали.[6]
Условия
выбора посадки:
Где
- допустимый минимальный и максимальный натяги в сопряжении;
-
минимальный и максимальный натяги выбранной посадки.
Величину
наименьшего натяга
при условии, что сопрягаемые поверхности идеально
гладкие, рассчитывают по формуле приведенной ниже:
где p - удельное
эксплуатационное давление по поверхности контакта, Па;номинальный диаметр
соединения, м;
Е1, Е2 - модули упругости
соединяемых деталей
С1, С2 -коэффициент Ляме.
Определим наименьший
расчетный натяг
, предварительно определив коэффициенты Ляме:
= 2,4
где d1, d, D - диаметры, мм;
и
-
коэффициенты Пуассона для сталь 40, принимается равным 0.3
Определим максимальный натяг
для данного сопряжения:
По стандарту ГОСТ25347-82
выберем предпочтительную посадку d7
.2.4 Расчёт и
выбор подшипников
Т. к. на опоры валов действует радиальная нагрузка, то выбираем
радиальные шариковые подшипники. (рис.50).
Рис.50. Подшипник шариковый радиальный ГОСТ 7242-45
Табл.1. Параметры подшипника
60027
|
|
Внутренний диаметр d, мм
|
8
|
|
Наружный диаметр D,мм
|
22
|
|
Ширина B,мм
|
7
|
|
Грузоподъемность Сr, Н
|
550
|
|
Грузоподъемность С0r, кН
|
1,53
|
Расчет подшипника ведем по динамической грузоподъемности, так как частота
вращения кольца подшипника более 1 об/мин. Условие работоспособности подшипника
имеет вид:
где
- расчетная динамическая грузоподъемность подшипника;
- частота
вращения кольца подшипника
=100
об/мин;
-
требуемая долговечность работы (примем
=14000ч);степенной
показатель (для шарикоподшипников p=3,33);динамическая грузоподъемность
подшипника;
,
где
и
-
радиальная и осевая нагрузки;
Х
и Y - безразмерные коэффициенты, зависящие от типа подшипника и типа нагружения
(X=0,43, Y=1);кинематический коэффициент (V=1, так как вращается внутреннее
кольцо);
-
динамический коэффициент безопасности (
=1,1);
-
температурный коэффициент (
=1, так
как
).
Подставим
все значения в основное уравнение:
Следовательно, принятый подшипник будет нормально работать в течение
принятого срока службы.
робот
цифровой электронный трёхмерный
2.2.5 Геометрический расчет реечной передачи
Расчет геометрических параметров реечной передачи начинают с определения
делительного диаметра шестерни. Исходными даннями для расчета передачи
являються :F=20H на рейке , перемещение H=60мм и линейная скорость V=0.05
рейки. В случае делительный диаметр шестерни равен ,мм:
Делительный диаметр шестерни можно также найти из условия контактной
прочности зубьев,мм:

сила сопротивления
на рейке,Н;

коэффициент,учитывающий
неравномерность нагрузки по ширине зуба;

коэффициент
ширины зубчатого венца.
Определяем
модуль зубьев из условия изгибной прочности зубьев:
Следовательно

где
коэффициент
равен для
прямозубых колес 6,6.
Находим
число зубьев шестерни:
Для
шестерни, нарезанной без смещения, диаметрокружшости вершин зубьев, мм:
Диаметр
окружности впадин зубьев,мм:
Толщина
зуба шестерни по делительной окружности мм, равная толщина зуба рейки по
средней прямой, мм:
Нормальный
шаг зубьев шестерни и рейки , мм
Минимальное
число зубьев рейки:
Уточняют
минимальную длину нарезанной части рейки:
Ширина
зубчатого венца рейки,мм:
Ширина
шестерни ,мм:
2.2.6
Вывод
по главе 2
По итогам выполненной работы были получены следующие результаты:
1) Составлена схема устройства шагающего робота;
) Произведен расчет основных узлов модуля шагающего робота;
) Произведен расчет посатки с натягом;
) Произв6еден расчет и выбор подшибника;
) Произведен геометрический расчет реечной передачи.
Глава 3. Система автоматического управления
.1 Функциональная схема устройства

На функциональной схеме приняты следующие обозначения: Pitanie -
выключатель питания установки; START - кнопка включения робота
При включённом состоянии осуществляется подача питания на приводы и
датчики, начинается обработка данных с аналоговых входов микроконтроллера, ЖКИ
переходит в режим отображения скорости перемещения робота.- кнопка выключения
установки.- кнопка, обеспечивающая реверс приводов.-Датчик тока.- Датчик
наклона.- цифровой датчик, регистрирующий угол поворота.
М1,М2,М3,М4,М5,М6,М7,М8 - приводы постоянного тока.- жки дисплей.- радио
модуль позволяющий дистанционно управлять роботом.
.2 Структурная схема устройства
На рис. 3.1 приведена структурная схема системы автоматического
управления одним из приводов.
Рис. 3.1 Структурная схема управления приводом вертикального вращения
Где Wус (p) - передаточная функция усилителя;двигателя (p) - передаточная
функция двигателя;редуктора (p) - передаточная функция редуктора;ос (p) -
передаточная функция обратной связи;
.3 Определение передаточных функций
Так как при фиксированном возбуждении двигатель имеет две степени
свободы, то необходимо иметь для него два исходных дифференциальных уравнения.
Первое уравнение может быть получено, если записать второй закон Кирхгофа для
цепи якоря; второе же представляет собой закон равновесия моментов на валу
двигателя .
Таким образом, работу привода можно описать следующими уравнениями:
(1)
В
этих уравнениях
и
-
индуктивность и сопротивление цепи якоря;
и
, где
и
- коэффициенты пропорциональности, а
- поток возбуждения;
-
приведенный к оси двигателя суммарный момент инерции,
- угловая скорость, М - момент нагрузки, приведенный
к валу двигателя
(2)
Константы
Се и Cm найдём по следующим формулам:
(3)
Запишем
систему уравнений для пространства Лапласа: (5)
Выразим
из второго уравнения системы (5) ток и подставим в первое:
(6)
Преобразуем
выражение к виду:
(7)
Отсюда
находим передаточную функцию
(8)
и
передаточную функцию по возмущающему воздействию:
(9)
Передаточная
функция обратной связи:
ос
(p) = 1 (10)
Передаточная
функция редуктора
редуктора
(p) = 1/120 (11)
.3
Моделирование системы автоматического управления средствами MATLAB
.3.1
Исследование непрерывной системы
Проведём
моделирование системы автоматического управления средствами программного пакета
MATLAB (рис.53). Воспользуемся расширением данного программного продукта -
средой моделирования Simulink [1].
Рис.
3.2 Модель системы автоматического управления в среде Simulink
Используя
встроенные средства среды Simulink, получим график переходного процесса
системы, при воздействии на неё единичного ступенчатого сигнала (рис. 54).
Из
графика можем определить следующие параметры система автоматического
управления:
· величина статической ошибки - 0%;
· время переходного процесса -30 с;
· колебательность присутствует;
· коэффициент перерегулирования - 55.5%.
Исходя из этих данных, можно сделать вывод о том, что система
автоматического управления не соответствует техническому заданию (по пунктам
коэффициент перерегулирования, время переходного процесса и колебательность
системы) и нуждается в корректировке.
В качестве корректирующего звена выберем ПИД
(пропорционально-интегрально-дифференциальный) регулятор.
Рис. 54. График переходного процесса системы при воздействии на неё
единичного ступенчатого сигнала
.3.2 Настройка ПИД - регулятора
Для настройки ПИД регулятора - определения значений пропорционального,
дифференциального и интегрального коэффициентов - воспользуемся встроенными
средствами среды Simulink.
Подбор коэффициентов будем осуществлять с помощью блока NCD OutPort.
Включим его в схему, как показано на рисунке 55.
Рис. 3.3 Схема, собранная для настройки ПИД регулятора
Зададим настройки блока NCD OutPort (рис. 56-57) и ПИД регулятора PID
Controller.
Рис. 3.4 Настройки блока NCD OutPort
Рис. 3.5 Настройки блока NCD OutPort
Рис. 3.6 Параметры ПИД регулятора PID Controller
В блоке NCD OutPort зададим ограничения для графика переходного процесса
(рис. 3.7).
Блок NCD OutPort производит автоматическую коррекцию параметров Kp, Ki и
Kd.
Рис. 3.7 Настройка границ в блоке NCD OutPort
Значения коэффициентов, полученных оптимизацией в блоке NCD
OutPort:=64.48= 0, 025= 1, 12
После корректировки переходная функция удовлетворяет техническому заданию
(рис. 60).
Получены следующие характеристики:
Время переходного процесса - 0.207 с.
Количество колебаний - 0.
Коэффициент перерегулирования - 0.
Статическая ошибка - 0.004.
Рис. 3.8 Реакция системы на единичное ступенчатое воздействие
Определим передаточную функцию разомкнутой системы:раз = Wус (p) ∙
Wдвигателя (p) ∙ Wредуктора (p) ∙ WПИД-регулятора (p) (12)
(13)
Определим
передаточную функцию замкнутой системы:
(14)
(15)
(16)
Характеристическое
уравнение замкнутой системы имеет вид
(17)
Выводы
к главе 3
По итогам выполненной работы были получены следующие результаты:
1) Составлены функциональная и структурная схемы системы управления
шагающего роботом;
2) Составлены передаточные функции, описывающие аналоговую систему
автоматического управления, проведено моделирование системы автоматического
управления в программном пакете Matlab;
) Составлены передаточные функции, описывающие цифровую систему
автоматического управления, проведено моделирование цифровой системы
автоматического управления и сравнение с аналоговой системой в программном
математическом пакете Matlab;
Глава 4. Цифровая САУ
.1 Моделирование цифровой системы
Для исследования ЦСАУ необходимо провести z-преобразование передаточной
функции непрерывной системы. Для этого воспользуемся средствами математического
пакета VisSim (рис. 4.1).
Рис. 4.1 Переход в Z-пространство средствами VisSim
Итогом этого преобразования станет дискретная передаточная функция (рис.
4.2.)
Рис. 4.2 Дискретная передаточная функция, полученная средствами VisSim
Смоделируем дискретную и аналоговую систему автоматического управления в
Simulink (рис. 4.3).
Рис. 4.3 Структурная схема цифровой и замкнутой системы
Рис. 4.4 Сравнение передаточных функций замкнутой системы по S- и
Z-преобразованиям
4.2 Исследование цифровой системы на устойчивость
Как известно, непрерывная система устойчива, если все корни ее
характеристического уравнения лежат в левой полуплоскости.
При
исследовании дискретных систем вместо р используется новая переменная z =
. Конформное преобразование z =
отображает левую полуплоскость плоскости р в область,
ограниченную окружностью единичного радиуса на плоскости z, при этом мнимая ось
отражается в саму эту окружность [1]. Следовательно, для того чтобы системы
была устойчива необходимо и достаточно, чтобы корни характеристического
уравнения лежали внутри единичной окружности.
Рис.
4.5 Проверка устойчивости ЦСАУ
Как видно из рис. 4.5, все корни характеристического уравнения лежат
внутри единичной окружности, следовательно, проектируемая цифровая система
устойчива.
.3 Выбор электронных компонентов
Рассматривая функциональную схему устройства (рис. 51), можно сделать
вывод о количестве необходимых компонентов для реализации цифровой САУ.
Представим список необходимых компонентов:
) Плата Управления;
) Силовой модуль;
) датчики (3 типа);
) ЖКИ - дисплей;
) Радио модуль.
.3.1 Плата
Для проектируемой ЦСАУ рационально использовать плату Freeduino
Through-Hole на базе микропроцессора ATmega1280 datfsheet т.к. она подходит к
нашему т.з., простата в использовании, не большая цена.
Технические характеристики:
Микроконтроллер: ATmega1280 datasheet
Цифровые порты ввода/вывода: 14 портов (из них 6 с ШИМ-сигналом)
Аналоговые порты ввода: 6 портов
ППЗУ 16 K из них 2 К используются загрузчиком
ОЗУ (SRAM): 1 Кбайт
ПЗУ (EEPROM): 512 байт
Тактовая частота: 16 МГц
Интерфейс с ПК: USB
Питание от USB, либо от внешнего источника, выбор с помощью перемычки
Рис.
4.5. Freeduino Through-Hole.
.3.2 Силовой модуль
Будем использовать Motor drive - силовой модуль управления двигателями.
Технические характеристики
· напряжение питания на приводы: +4.5...+ 12 В;
· напряжение сигналов управления: 5 В;
· рабочее напряжение: 4.5-12 В;
· количество силовых каналов: 4;
· выходной ток: до 4А;
· возможность реверса каждого двигателя;
· возможность независимого управления каждым каналом;
Рис. 4.6 силовой модуль Motor drive
.3.3 Датчик наклона.
Будем использовать датчик наклона D6B-2
Рис. 4.7 Датчик наклона D6B-2
Диапазон величины угла срабатывания 45...75°
Диапазон величины угла сброса 50...20°
Напряжение питания 4...6 В
Потребляемый ток 10 мкА
Выходной сигнал:
высокий уровень (горизонтальное положение) Uпит 5 В
низкий уровень (наклонное положение) 0,5 В
Выходной ток ± 1 мА
Диапазон рабочих температур: -20...60 °С
Диапазон влажности среды: 10...85% отн. влажн.
4.4.4 Датчик тока
Используем датчик тока
ACS714 Sensor Carrier -30 to +30A
Рис.
4.7 Датчик тока ACS714 Sensor Carrier -30 to +30A
Характеристики датчика наклона:
Размер: 20х17мм
Кратковременная перегрузка до 5 х
Выходной сигнал: аналоговый, 66 мВ/А
Сопротивление проводников платы: 1,2 Ом
Диапазон рабочих температур: -30...+50°
.4.5 Энкодер
Будем использовать инкрементальный энкодер E30S4-3000-6-L-5 компании -
AUTONICS (рис. 31).
Рис. 4.8 Инкрементальный энкодер E30S4-3000-6-L-5
Характеристики энкодера:
Бренд - AUTONICS, В 6
Диаметр оси: 4 мм
Количество импульсов на оборот 1024
Рабочая температура: -30…+70 °С
Степень защиты: IP50
Кабель: 2 м диам.
Масса: 80 гр
.4.6 Жидкокристаллический индикатор
Выбрали LCD дисплей WH1602B-YYK-CTK
Рис.4.9 LCD дисплей WH1602B-YYK-CTK
Характеристики : Жидкокристаллический индикатор
Тип: знакосинтезирующий (текстовый)
Количество символов: 2 строки по 16 символов
Подсветка: светодиодная, желто-зеленая
Шрифт: латинский и кириллический
Габариты (мм): 80x36x14
Область вывода (мм): 56×11
Напряжение питания (В): 6
Интерфейс: HD44780 совместимый
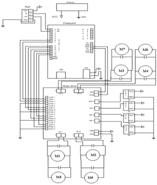
.4.7 Принципиальная схема разрабатываемой системы
С учетом выбранных компонентов спроектируем управляющую плату. Ее
принципиальная схема представлена на рис. 34.
Рис. 4.10 Принципиальная схема управляющей платы
Список компонентов:- выключатель питания установки;, STOP, P - Панель
управления.- Датчик наклона.- Датчик тока.- Инкрементальные энкодеры.
М1,М2,М3,М4 - приводы постоянного тока.- жки дисплей.- радио модуль
позволяющий дистанционно управлять роботом.
Выводы к главе 3
По итогам выполненной работы были получены следующие результаты:
1) Произведено моделирование цифровой системы
2) Произведен подбор электронных компонентов для реализации системы
управления шагающего робота;
) Составлена принципиальная схема системы управления шагающего робота.
Заключение
В данном дипломном проекте был проведён анализ шагающего вида движения,
анализ техники ходьбы по количеству точек опоры шагающих роботов. Был проведён
обзор существующих конструкций. На основе сделанного обзора и анализа была
предложена конструкция шагающего робота с четырьмя ногами.
Выбрана форма лап в виде С-образных колёс, которые закреплены со
смещением оси вращения, что позволяет увеличить проходимость робота по
сравнению с круглым профилем лап, и уменьшить момент сопротивления по сравнению
с вытянутым профилем лап.
Габариты робота были выбраны так, что бы он был минимальных размеров, но
достаточно вместимый для нужного оборудования и имел минимальный радиус
разворота.
Построена трёхмерная модель робота и его основных модулей. Выполнен
сборочный чертёж. Произведён расчёт основных узлов робота. Спроектирована
система автоматического управления.
Реализовано математическое моделирование походки шагающего робота,
построены графики, отражающие реальные свойства моделируемой системы. По полученным
данным построены зависимости перемещения корпуса робота от угловой скорости
лапы робота и зависимости перемещения корпуса робота от длины лапы.
Библиографический список
1. Подураев,
Ю. В. Мехатроника : основы, методы, применение [Текст]: уч. пос. / Ю. В.
Подураев. - М.: Машиностроение, 2006.
2. Бесекерский,
В. А. Теория систем автоматического управления [Текст] В. А. Бесекерский, Е. П.
Попов. - СПб.: Профессия, 2003.
. Егоров,
О. Д. Мехатронные модули. Расчет и конструирование [Текст]: уч.пос. / О. Д.
Егоров, Ю. В. - М.: ИЦ МГТУ «СТАНКИН», 2004.
. Яцун,
С. Ф. Аналого - цифровые системы автоматического управления [Текст]: уч. пос. /
С. Ф. Яцун, Т.В. Галицына. - Курск: ИПО КГТУ, 2006.
. Олссон,
Г. Цифровые системы автоматизации и управления [Текст] / Г. Олссон, Пиани Д. -
СПб.: Невский Диалект, 2001.
. Иванов М.
Н. Детали машин: Учеб. для студентов высш. техн. учеб. заведений. - 5-е изд.,
перераб. - М.: Высш. шк., 1991. - 383 с.: ил.
. Курмаз Л.
В., Скойбеда А. Т. Детали машин проектирование: Справочное учебно-методическое
пособие - М.: Высш. шк., 2004. - 309 с.: