Информационная система 'Склад'

  • Вид работы:
    Курсовая работа (т)
  • Предмет:
    Информационное обеспечение, программирование
  • Язык:
    Русский
    ,
    Формат файла:
    MS Word
    467,32 Кб
  • Опубликовано:
    2014-06-22
Вы можете узнать стоимость помощи в написании студенческой работы.
Помощь в написании работы, которую точно примут!

Информационная система 'Склад'

Министерство образования и науки Российской Федерации

Федеральное государственное бюджетное образовательное учреждение

высшего профессионального образования

"Курский государственный университет"

Факультет физики, математики и информатики

Кафедра программного обеспечения и администрирования информационных систем





Курсовая работа

Информационная система "Склад"


Выполнил: Скорпнев Д.А.

Преподаватель: Бабкин Е.А.

Члены экспертной комиссии:

доцент, к.т.н. Жмакин А.П.

профессор кафедры

ПОиАИС, к.т.н Бабкин Е.А.



Курск 2014

Содержание

информационный система склад нотация

Введение

. Создание модели ИС с помощью AllFusion Process Modeler 4.1 (Bpwin4.1)

1.1 Создание модели в стандарте IDEF0

.2 Диаграмма дерева узлов

2. Создание модели данных с помощью AllFusion Erwin Data Modeler 4.1

.1 Информационная модель в нотации IDEF1X

Заключение

Список литературы

Введение

Руководители многих российских предприятий имеют слабое представление о современных компьютерных интегрированных системах и предпочитают содержать большой штат собственных программистов, которые разрабатывают индивидуальные программы для решения стандартных управленческих задач.

Процедура принятия решения о выборе наиболее эффективной компьютерной системы управления нова для большинства отечественных руководителей, а ее последствия во многом будут оказывать значительное влияние на предприятие в течение нескольких лет.

Т.к. применение интегрированной ИС, которая отвечала бы требованиям предприятия (масштабу, специфике бизнеса и т.д.), позволила бы руководителю минимизировать издержки и повысить оперативность управления предприятием в целом.

Информационная система - это взаимосвязанная совокупность средств, методов и персонала, используемых для хранения, обработки и выдачи информации в интересах достижения поставленной цели.

Экономическая информационная система (ЭИС) - это совокупности внутренних и внешних потоков прямой и обратной информационной связи экономического объекта, методов, средств, специалистов, участвующих в процессе обработки информации и выработке управленческих решений.

Автоматизированной информационной системой (АИС) называется комплекс, включающий вычислительное и коммуникационное оборудование, программное обеспечение, лингвистические средства, информационные ресурсы, а также персонал, обеспечивающий поддержку динамической информационной модели предметной области для удовлетворения информационных потребностей пользователей.

В автоматизированных ИС часть функций управления и обработки данных выполняется компьютерами, а часть человеком.

1. Создание модели ИС с помощью AllFusion Process Modeler 4.1 (Bpwin 4.1)


Для проведения анализа и реорганизации бизнес - процессов предназначено CASE-средство верхнего уровня AllFusion Process Modeler (BPwin), поддерживающее методологии:

·    IDEF0 (функциональная модель);

·        DFD (DataFlow Diagram);

·        IDEF3 (Workflow Diagram).

 

.1 Создание модели в стандарте IDEF0


Функциональная модель предназначена для описания существующих бизнес - процессов на предприятии (так называемая модель AS-IS "как есть") и идеального положения вещей - того, к чему нужно стремиться (модель ТО-ВЕ "как должно быть"). Методология IDEF0 предписывает построение иерархической системы диаграмм - единичных описаний фрагментов системы.

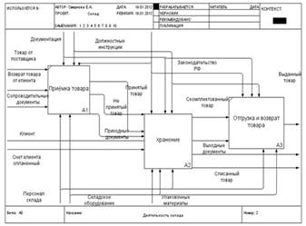
Построение модели ИС начинается с описания функционирования предприятия (системы) или отдельной ее части (в нашем случае это деятельность складского хозяйства) в целом в виде контекстной диаграммы. На Рис. 4 представлена контекстная диаграмма ИС "Деятельность склада":

Рис. 2. Контекстная диаграмма функционирования склада AS-IS.

Взаимодействие системы с окружающей средой описывается в терминах, необходимых для нормального функционирования склада:

Входы (слева)

· Клиент · Счет клиента оплаченный · Товар от поставщика · Возврат товара от клиента · Сопроводительные документы

Выходы (справа)

·   Выходные документы · Выданный товар · Списанный товар

Механизмы и управление (сверху)

· Действующее законодательство · Должностные инструкции · Инструкции по охране труда и технике безопасности

Ресурсы

· Персонал склада · Оборудование (складское и офисное) · Информационные ресурсы · Упаковочные (расходные) материалы

Функционирование склада предполагает оказание услуг клиентам. Клиент - тот объект, для которого, собственно, функционирует предприятие, а склад, в частности. Клиент оплачивает товар и обращается с оплаченным счетом на склад для получения товара, а также документов на товар.

Помимо клиентов, входом также является товар (от поставщика либо возврат от клиента по какой-либо причине) с сопроводительными документами. Для товара от поставщика это товарная накладная и счет-фактура, для возврата от клиента это акт о браке, либо возвратные документы (как от поставщика).

Действующее законодательство и инструкции - регламентирующие правила, которыми управляется процесс функционирования склада.

В оказании услуг клиентам важнейшую функцию выполняют ресурсы. Персонал склада участвует во всех. Информационные ресурсы выполняют прямую функцию (обеспечение информацией о клиенте, поставщике, товаре и т.п.). Без материальных ресурсов (оборудование и расходные материалы) в настоящее время невозможно представить ни одно функционирующее предприятие.Name: Деятельность склада: Модель описывает деятельность склада, а конкретно, выполняемые им функции:

·    Приемка товара

·        Отгрузка и возврат товара

·        Хранение

Рис. 2.1. Диаграмма декомпозиции IDEF0. Деятельность склада AS-IS.

После описания контекстной диаграммы проводится функциональная декомпозиция - система разбивается на подсистемы и каждая подсистема описывается отдельно (диаграммы декомпозиции). Затем каждая подсистема, при необходимости, разбивается на более мелкие и так далее до достижения нужной степени подробности. В результате такого разбиения, каждый фрагмент системы изображается на отдельной диаграмме декомпозиции (см. Рис. 2.1).

Весь процесс деятельности склада подразделяется на:

·    Приемку товара (Принятие товара по сопроводительным документам и передача его на хранение)

На данном этапе товар с сопроводительными документами поступает на склад и подвергается подсчету. Но, каким бы ни был результат подсчета товара (положительным либо отрицательным), он после этого вместе с сопроводительными документами передается на хранение.

·    Отгрузку и возврат товара (Выдача скомплектованного товара клиенту, либо возврат поставщику)

Данный этап подразумевает отгрузку клиенту товара, скомплектованного по отгрузочным документам

·    Хранение (Основная и самая сложная функция склада, подразумевает все остальные действия с товаром, не описанные выше, например, складирование, комплектование, оформление документации на товар, списание). Подлежит дальнейшей декомпозиции.

Рис. 2.2. Диаграмма декомпозиции IDEF0. "Хранение" AS-IS.

Процесс хранения, в свою очередь подразделяется на:

·    Формирование отгрузочных документов (Согласно оплаченного счета от клиента)

На данном этапе формируются отгрузочные документы, а также документы, согласно которым будет произведено комиссионирование (комплектация) товара для дальнейшей отгрузки клиенту, либо возврата поставщику.

·    Складирование (Непосредственное размещение товара на складе)

В результате дальнейшего разбиения (декомпозиции) функции Складирование получаем конечную диаграмму декомпозиции (см. Рис.7)

·    Комплектование (Комплектация товара согласно отгрузочных документов для дальнейшей выдачи клиенту, либо возврата поставщику)

На данном этапе, при комплектации товара производится внешний осмотр товара и выявляется брак, который, при его обнаружении, передается на списание

·    Списание товара (Списание и дальнейшая передача на утилизацию брака).

Рис. 2.3. Диаграмма декомпозиции IDEF0. "Складирование"AS-IS.

Диаграмма складирования, в свою очередь подразделяется на:

·    Складирование на оптимальный склад (При поступлении товара, принятого в соответствии с приходными документами)

На данном этапе производится непосредственное складирование поступившего товара на оптимальный склад и передача соответствующих приходных документов для заведения товара в базу (в отделе снабжения)

·    Складирование на возвратный склад (При поступлении товара, не принятого в соответствии с приходными документами)

На данном этапе производится непосредственное складирование поступившего товара на возвратный склад, и передача несоответствующих приходных документов для заведения товара в базу (в отделе снабжения)

·    Формирование возвратных документов (Формирование и передача документов на комплектование товара для возврата поставщику)

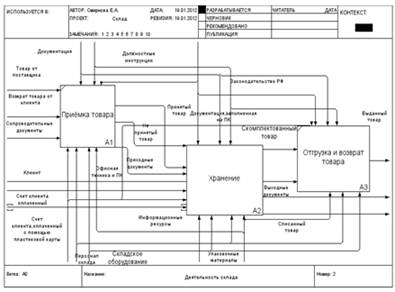
Рис. 3. Контекстная диаграмма функционирования склада AS-TO-BE.

Рис. 3.1. Диаграмма декомпозиции IDEF0. Деятельность склада AS-TO-BE.

Рис. 2.2. Диаграмма декомпозиции IDEF0. "Хранение" AS-TO-BE.

Рис. 2.3. Диаграмма декомпозиции IDEF0. "Складирование"AS-TO-BE.

 

.2 Диаграмма дерева узлов


Диаграмма дерева узлов показывает иерархию работ в модели и позволяет рассмотреть всю модель целиком, но не показывает взаимосвязи между работами. (См. Рис. 8)

·    Диаграмма "Деятельность склада" - первый уровень дерева узлов (top level activity);

·        Диаграммы "Приемка товара", "Отгрузка и возврат товара" и "Хранение" - второй уровень дерева узлов;

·        Диаграммы "Формирование отгрузочных документов", "Складирование", "Комплектование" и "Списание товара" - третий уровень дерева узлов;

·        Диаграммы "Складирование на оптимальный склад", "Складирование на возвратный склад" и "Формирование возвратных документов" - четвертый уровень дерева узлов, последний уровень декомпозиции - достаточная, в ходе нашей работы, степень подробности.

Рис. 3.1. Диаграмма дерева узлов AS-IS

Рис. 3.2. Диаграмма дерева узлов AS-TO-BE.

Рис. 4. ER-диаграмма потоков данных "Сущность-связь".

Рис. 5. Схема базы данных "Склад".

Рис. 5.1. "Поставщики"

Рис. 5.2. "Заказы".

Рис. 5.3. "Отчеты о сотрудниках"

 

2. Создание модели данных с помощью AllFusion Erwin Data Modeler 4.1


.1 Информационная модель в нотации IDEF1X

Для представления информационной модели данных используется CASE-средство ERWin. С его помощью при проектировании модели ИС "Склад" была создана физическо-логическая модель базы данных (см. рис.8 и Рис. 9).

Рис. 8. Модель данных в нотации IDEF1X (логический уровень)

Рис. 8. Модель данных в нотации IDEF1X (физический уровень)

Заключение

Отношение к информационным технологиям со стороны собственников и руководителей бизнеса неоднозначно. Для одних это мода, которой надо следовать только потому, что это современно, для других это престиж и одно из средств повышения стоимости активов предприятия. Но еще больше таких предпринимателей (особенно в малом и среднем бизнесе), для кого информационные технологии представляют исключительно головную боль и неоправданные дополнительные расходы. Один из руководителей небольшой розничной сети магазинов искренне хвастался, как он "отказался" от автоматизации: заменил кассовые терминалы обычными кассовыми аппаратами, сэкономил на программистах и, главное, стал "спать спокойно" - компьютерные сбои остались в прошлом.

Использование информационных технологий для управления предприятием делает любую компанию более конкурентоспособной за счет повышения ее управляемости и адаптируемости к изменениям рыночной конъюнктуры.

Подобная автоматизация позволяет повысить эффективность управления компанией за счет обеспечения руководителей и специалистов максимально полной, оперативной и достоверной информацией на основе единого банка данных.

Снизить расходы на ведение дел за счет автоматизации процессов обработки информации, регламентации и упрощения доступа сотрудников компании к нужной информации. Изменить характер труда сотрудников, избавляя их от выполнения рутинной работы и давая возможность сосредоточиться на профессионально важных обязанностях. Обеспечить надежный учет и контроль поступлений и расходования денежных средств на всех уровнях управления. Руководителям среднего и нижнего звеньев анализировать деятельность своих подразделений и оперативно готовить сводные и аналитические отчеты для руководства и смежных отделов.

Повысить эффективность обмена данными между отдельными подразделениями, филиалами и центральным аппаратом. Гарантировать полную безопасность и целостность данных на всех этапах обработки информации.

Список литературы


1.      Балдин К.В., Уткин В.Б. Информационные системы в экономике. М. - Издательский центр Академия, 2005 - 288 с.

2.      Вендров А.М. Проектирование программного обеспечения экономических информационных систем: Учебник. - 2-е изд., перераб. и доп. - М.: Финансы и статистика, 2006. - 544 с: ил.

3.      Робинсон С. Microsoft Access 2000: учебный курс / С. Робинсон. - СПб.: Питер, 2000. - 512 с.

4.      Смирнова Г.Н. Проектирование экономических информационных систем: учебник / Г.Н. Смирнова, А.А. Сорокин, Ю.Ф. Тельнов; под ред. Ю.Ф. Тельнова. - М.: Финансы и статистика, 2001. - 512 с.

Похожие работы на - Информационная система 'Склад'

 

Не нашли материал для своей работы?
Поможем написать уникальную работу
Без плагиата!
Без нейросетей!