|
Наименование поверхности
|
Количество поверхностей
|
Количество унифицированных элементов
|
Квалитет точности
|
Шероховатость поверхности
|
|
Наружные
|
|
|
|
|
|
Ø36
|
1
|
1
|
h14
|
Ra12,5
|
|
Резьба М36
|
1
|
1
|
8g
|
Ra6,3
|
|
Внутренние:
|
|
|
|
|
|
Ø8
|
2
|
2
|
Н14
|
Ra12,5
|
|
Фаски
|
|
|
|
|
|
4х30°
|
1
|
1
|
Н14
|
Ra12,5
|
|
Радиусные:
|
|
|
|
|
|
R2
|
1
|
1
|
h 14
|
Ra12,5
|
|
Торцы:
|
|
|
|
|
|
195
|
2
|
-
|
IT14/2
|
Ra12,5
|
|
Всего
|
Qэ = 8
|
Qу.э. = 6
|
|
|
Коэффициент унификации конструктивных элементов детали
рассчитывается по формуле [5, с. 22]
, (1)
где Qу.э.- количество унифицированных элементов
детали,Qу.э.=17;
Qэ.- общее число элементов детали,Qэ.=19.
Используя формулу (1) находим коэффициент унификации
По данному показателю деталь технологична, т. к. Ку.э.= 0,75
больше 0,6.
Коэффициент точности обработки рассчитываем по формуле [5, с. 22]
(2)
где Аср - средний квалитет точности.
Средний квалитет точности рассчитываем по формуле [5, с. 22]
(3)
где ni - число поверхностей детали, соответственно 1…19-му
квалитетам.
,
.
По данному показателю деталь технологична.
Определяем коэффициент шероховатости по формуле [5, с. 22]
(4)
где Бср - средняя шероховатость поверхности, определяемая в
значениях параметра Ra, мкм. Определяется по формуле [5, с. 23]
(5)
где ni - количество поверхностей, имеющих шероховатость.
,
.
Так как Кш=0,08<0,32, то деталь по этому показателю является
технологичной.
Исходя из количественной и качественной оценки технологичности
конструкции детали можно сделать вывод, что деталь удовлетворяет основным
технологическим требованиям, следовательно, деталь является технологичной.
.4
Анализ производственной программы и установление вида производства
В
зависимости от размеров производственной программы, характера производства и
выпускаемой продукции, а так же технических и экономических условий
осуществления производственного процесса различают три основных типа
производства: принимаем 37000
Т. к. производственная программа задана количеством деталей, необходимо
заданную программу увеличить только на процент брака [6 , с. 2
Ni = m´Nm´(1 + в/100)=1´37000´(1+2/100)= 37740шт., (6)
где m - количество одноименных деталей на
машине , m=1;
Nm -
количество изготавливаемых деталей в год, N=38000шт.;
в = 2 % - процент возможного брака при обработке заготовок.
Принимаем 42840 шт/год.
Определяем размер партии детали по формуле [6 , с. 23]
n = Ni ´ a / F =
38760´5/247=784 шт., (7)
где a =5 , количество дней нахождения
детали на складе;
F -
247, число рабочих дней в году.
Определяем число запусков в году по формуле [6 , с. 23]
З=N/n (8)
где З - число запусков;
N -
годовой объем выпуска, шт.;
n -
количество деталей в партии.
Подставляем значения в формулу (8)
З=38000/784 =48
На основании таблицы № 3.1 [6, с. 24] (N от2000-50000шт.) можно сделать вывод о типе производства -
среднесерийное (т. к. масса 1,86 кг, N=42840 шт).
.5 Предложения по улучшению объекта производства
Одной из важнейших задач изготовления изделий в промышленном производстве
является повышение производительности труда, за счет автоматизации
технологического процесса, а также снижение себестоимости изготовления изделия.
Для достижения этих целей в данном проекте разработаны следующие методы
по улучшению изготовления детали:
улучшение метода получения заготовки с целью снижения материала емкости
детали;
применение станков с ЧПУ;
усовершенствование технологического процесса за счет сокращения
количества технологических операций;
применение прогрессивного режущего инструмента.
В результате этих разработок снизиться себестоимость изделия, и будет
получен годовой экономический эффект.
2. Технологическая часть
.1 Выбор и технико-экономическое обоснование вида заготовки
Выбор прогрессивного вида заготовки и рационального способа его получения
является одним из ответственных моментов проектирования технологического
процесса. Вид заготовки и ее размеры влияют на характер начальных операций и
его экономичность.
Рациональная заготовка обеспечивает повышение точности и качества детали,
снижение трудоемкости и изготовления, сокращение потребного количества
станочного оборудования и режущего инструмента, что снижает себестоимость детали.
Заводская заготовка детали «Болт » - круглый калиброванный прокат Ø39,3h14= ГОСТ 7417-75, обработка такой заготовки предполагает
удаление Учитывая свойства материала, её массу и форму, размеры и тип
производства, в качестве заготовки предлагается принять штамповку, более
приближенную к форме детали, то есть уменьшаем припуск на обработку наружного
диаметра 36g8 мм и повышаем коэффициент Ким.
Уменьшение припуска может быть технологически оправдано, так как точность
выбранного оборудования и жесткость технологической системы станок -
приспособление - инструмент - деталь позволяют вести точную и
высокопроизводительную обработку с малым припуском, выдерживая все требования
чертежа к точности и качеству поверхностей.
В курсовом проекте заготовку предлагается получить горячей объемной
штамповкой на прессах.
Штамповочное оборудование - КГШП;
Масса детали - 1,89 кг.
Определяем массу поковки Мп=Мд∙Кр=1,86 ∙1,5=0,138 кг.
Расчетный коэффициент - Кр=1,5.
Класс точности - Т3.
Группа стали - М1, т. к. С< 0,35%;
с=7,85 кг/м³ - плотность стали.
кг, (9)
Так
как С = 0,36
, то принимаем степень сложности С2 - свыше 0,32 до
0,63 включительно.
Класс
точности штамповки на ГКШП выбираем по [19, табл.19,с.28] - Т3.
Исходный
индекс - 9… [19, табл.2,с. 10].
Припуски на механическую обработку устанавливаем по [19, табл.3,с.12] .
Дополнительные припуски, учитывающие:
- смещение по поверхности разъема штампа - 0,3мм [19, табл.4,с. 14];
- отклонение от плоскостности - 0,2мм [19, табл.5,с. 14];
штамповочный уклоны наружной поверхности -10, [19, табл.18,с. 26];
радиус закруглений наружных углов -3мм [19, табл.7,с. 15];
отклонения межосевого расстояния - 0,3мм [19, табл.6,с. 15].
На основании принятых припусков на размеры детали определяем расчетные
размеры элементов и заготовки в целом и заносим в таблицу 4.
Таблица 4 - Общие припуски на заготовку
|
Наименование поверхности
|
Размеры детали, мм
|
Класс точности размеров
|
Ряды припусков
|
Допуск,мм
|
Припуск, мм
|
Расчет припуска, мм
|
Размер заготовки с допусками
|
|
|
табл.
|
прин.
|
табл.
|
прин.
|
мм
|
|
|
|
|
|
Наружная
|
М36-8g
|
|
Т9
|
|
10
|
2,4
|
1,02М(1.1+0,3+0,2)=3,2Ø39.2
|
|
|
|
|
1 торца
|
195h14
|
|
|
|
|
3,0
|
1,21.1+0,2+0,2= 1,4196,4
|
|
|
|
Эскиз заготовки представлен на рисунке 3. Разобьем заготовку на три
геометрические фигуры
Рисунок 3 - Эскиз заготовки
Рассчитываем массу проектируемой заготовки m, кг по формуле
, (10)
где
V - объем проектируемой заготовки, мм3;
-
плотность стали 7,85 кг/м3;
, (11)
см3,
см3,
Определяем
общий объем заготовки Vобщ ,см3 по формуле
Vобщ= V1 +V2 ,
(10)
Vобщ=
4.494+15.515 =20.01 см3.
Рассчитываем
массу заготовки Мзаг по формуле
. (11)
Коэффициент
использования материала Ким определяем по формуле
Ким=Мдет/Мзаг,
(12)
Ким=0.092/0,15=0,61.
Расчет заводского варианта получения заготовки из калиброванного проката
Определяем массу детали и массу заготовки.
Масса детали задана чертежом Gдет = 0,092кг.
Принимаем
Объем
заготовки определяем по формуле 9
Массу заготовки определяем по формуле 14
Коэффициент использования материала определяем по формуле (15)
На основании полученных размеров строим заготовку - круглый прокат
(рисунок 4).
Рисунок 4 - Эскиз заготовки - круглый прокат
Показатели по двум вариантам сводим в таблицу 5.
Таблица 5-Сравнительная характеристика методов получения заготовок
|
Вариант
|
Масса детали, кг
|
Масса заготовки, кг
|
Коэффициент использования материала
|
|
Заводской (круглый прокат)
|
1,89
|
2
|
0,
|
|
Проектируемый (штамповка на ГКШП)
|
1,89
|
1,9
|
0,58
|
Годовая экономия металла от выбранного варианта изготовления заготовки
определим по формуле [4, с. 24]
кг. (17)
Так
как коэффициент использования металла выше у проектируемой заготовки, чем у
заготовки из круглого проката и годовая экономия составляет 13056кг - то в
качестве исходной заготовки принимаем заготовку, получаемую методом штамповки
на ГКМ.
.2
Разработка маршрутного технологического процесса
Выбор
методов обработки был основан на требовании обеспечения заданной на чертеже
шероховатости поверхностей.
В
зависимости от вида технологических операций весь технологический процесс можно
разделить на несколько этапов обработки, что позволит более рационально
использовать оборудование.
После
установления этапов обработки проводят формирование состава операции, т.е.
решение вопроса о числе операций и их содержании. Составление маршрута
обработки - это решение сложной задачи на основании которой принимается общий
план обработки. При разработке необходимо учитывать требования к точности
расположенной поверхности. При требованиях перпендикулярности и симметричности
поверхности следует стремиться к их обработке с одной установки.
Применяемый
на предприятии маршрутный технологический процесс приведен в таблице 6.
Таблица
6 - Применяемый маршрутный технологический процесс
|
№ опер.
|
Наименование операции
|
Оборудование
|
|
005
|
Заготовительная
|
|
|
015
|
Токарно- винторезная
|
Токарно-винторезный 16К20
|
|
020
|
Токарно-револьверная
|
Токарно-револьверный 1Г325
|
|
025
|
Сверлильная
|
Сверлильный станок НС12
|
|
030
|
Сверлильная
|
Сверлильный станок НС12
|
|
035
|
Бесцентрошлифовальная
|
Шлифовальный станок 3Н182
|
|
040
|
Контрольная
|
|
При проектировании нового технологического процесса применение
прогрессивного инструмента позволит исключить шлифовальную операцию, а
применение многоцелевого токарного станка позволит объединить сверлильные
операции с токарными.
Принимаем токарный станок модели САТ400 (рисунок 3).
Таблица 7 - Проектируемый маршрутный технологический процесс
|
№ опер.
|
Наименование операции
|
Оборудование
|
|
005
|
Фрезерно-центровальная
|
Фрезерно - центровальный EM535M
|
|
010
|
Контрольная
|
|
|
015
|
Токарная с ЧПУ
|
Токарный с ЧПУ САТ400
|
|
020
|
Контрольная
|
|
Рисунок 2 -Станок САТ400
.3 Выбор технологического оборудования и его краткая характеристика
Выбор оборудования при проектировании технологического процесса
производиться исходя из следующих соображений:
размеры рабочей зоны станка должны соответствовать габаритным размерам
детали;
производительность станка должна соответствовать заданной программе
выпуска;
мощность, жесткость и кинематические возможности станка должны позволять
обработку на оптимальных режимах резания с наименьшей затратой времени.
Для проектируемого технологического процесса выбираем следующее
оборудование (таблица 8, таблица 9).
Таблица 8 - Станок полуавтомат центровально-подрезной двусторонний МР77
|
Технические характеристики станка
|
Параметр
|
|
Диаметр обрабатываемой заготовки, мм Длина обрабатываемой
заготовки, мм Число скоростей шпинделя фрезы Пределы чисел оборотов шпинделя
фрезы в минуту Наибольший ход головки фрезы (стола), мм Пределы рабочих подач
фрезы (бесступенчатое регулирование), мм/мин Число скоростей сверлильного
шпинделя Пределы чисел оборотов сверлильного шпинделя в минуту Ход
сверлильной головки, мм Пределы рабочих подач сверлильной головки
(бесступенчатое регулирование), мм/мин Продолжительность холостых ходов, мин
Мощность электродвигателя, кВт фрезерной головки сверлильной головки
Габаритные размеры станка
|
20-60 100-200 7 270-1255 160 20-400 6 250-1410 60 20-300
0,15 4 1,1 2345х1265
|
Таблица 9 - Станок токарный многоцелевой с ЧПУ САТ400 технические
характеристики.
|
Технические характеристики станка
|
Параметр
|
|
Наибольший диаметр обрабатываемого изделия, мм:
|
|
|
над станиной
|
535
|
|
над суппортом
|
380
|
|
Расстояние между центрами, мм
|
1 000
|
|
Максимальное перемещение суппорта, мм:
|
|
|
по оси «Х»
|
230
|
|
по оси «Z»
|
1 100
|
|
Максимальный вес обрабатываемой детали, кг:
|
|
|
в патроне
|
200
|
|
в центрах
|
600
|
|
Диаметр отверстия в шпинделе, мм
|
82
|
|
Пределы частот вращения шпинделя,
|
35...1 000
|
|
переключаемых автоматически, об/мин
|
140...4 000
|
|
Мощность главного привода/30 мин., кВт
|
22/26
|
|
Максимальный крутящий момент на шпинделе, Н.м
|
|
Дискретность задания перемещения, мкм:
|
1
|
|
Скорость рабочих подач суппорта:
|
|
|
по оси «Х», мм/мин
|
1...6 000
|
|
по оси «Z», мм/мин
|
1...6 000
|
|
по оси «С» шпинделя, об/мин
|
0,1...10
|
|
Скорость быстрых перемещений суппорта, мм/мин:
|
|
|
по оси «Х»
|
20 000
|
|
по оси «Z»
|
24 000
|
|
Максимальное тяговое усилие, кгс:
|
|
|
по оси «Х»
|
900
|
|
по оси «Z»
|
1 105
|
|
Револьверная головка:
|
|
|
количество инструментов
|
12
|
|
диаметр цилиндрического хвостовика
инструментального блока по DIN69880, мм
|
40
|
|
размеры гнезда для инструмента, мм
|
32x32
|
|
мощность привода вращающегося инструмента, кВт
|
3
|
|
максимальный крутящий момент, Н.м
|
50
|
|
скорость вращения инструмента, об./мин
|
до 5 000
|
|
Масса станка, кг
|
8 300
|
|
длина
|
4 200
|
|
ширина
|
1 750
|
|
высота
|
1 900
|
.4 Расчет операционных припусков и межоперационных размеров
Межоперационный припуск - это слой металла, удаляемый с поверхности
заготовки при выполнении отдельных операций.
Расчет припусков на обработку и промежуточные предельные размеры
производим для наружного диаметра Ø33,3h14
Принятый маршрут обработки для точения наружной поверхности под резьбу
М36-8g Ø33,3h14
состоит
из 1 перехода: получистового точения.
Таблица
10 - Расчет операционных припусков на обработку Ø33,3h14
|
технологические переходы обработки поверхности
|
квалитет
|
Элементы припуска, мкм
|
Расченый припуск 2Zmin, мкм
|
Расчетный размер, мм
|
Допуск Td,
мкм
|
Предельные размеры, мм
|
Предельные значения припусков, мкм
|
|
|
Rz
|
Т
|
Д
|
е
|
|
|
|
dmin
|
dmax
|
2Zmin
|
2Zmax
|
|
Штамповка
|
15
|
150
|
200
|
700
|
|
-
|
35,78
|
1200
|
35,48
|
36.98
|
-
|
-
|
|
Точение получистовое
|
14
|
80
|
50
|
39
|
320
|
2700
|
32,78
|
620
|
32,38
|
33,3
|
3100
|
3680
|
Определяем значение Rz, Т
по [4, табл. 27, с. 65] для заготовки.
Значения Rz, Т после
механической обработки внутренних поверхностей находим по [4, табл. 29, с. 67].
Определяется минимальный 2Zmin,
мкм припуск по формуле
, (14)
где RZ i-1 - высота неровностей, получаемых на предшествующем
переходе;
Ti-1 -
глубина поверхностного слоя, полученного на предшествующем переходе;
сi-1 - сумма пространственных
отклонений, полученных на предшествующем переходе.
еi - погрешность установки на данном
технологическом переходе.
Определяем
суммарное отклонение
, мкм, по формуле
, (15)
где
- погрешность смятия заготовки, 0,2 мм;
-
погрешность штампованной заготовки по эксцентричности и короблению, 0,5 мм;
мкм,
Величина
остаточной пространственной погрешности после чистовой обработки будет
составлять
r= Ку
rзаг
мкм, (16)
где Ку- коэффициент уточнения; Ку=0,06
r1 =0,06
700=42мкм,
Погрешность
установки еуст = 120 мкм - установка в 3-х кулачковом патроне [4, с. 71].
Определяется минимальный припуск по формуле (14)
мкм,
Определяем
расчетный диаметр dр
мм,
мм,
Определяем
максимальный диаметр dmax
мм,
мм,
Определяем
2Zmin
мм,
Определяем
2Zmax
мм,
Производим
проверку правильности работ
(17)
Расчет
выполнен, верно.
.5
Разработка операционного технологического процесса
На основании выбранного технологического оборудования расчета
промежуточных припусков на механическую обработку составляем операционный
технологический процесс с указанием эскизов обработки, содержанием
технологических переходов.
Таблица 11 - Операционный технологический процесс
|
№ Операции
|
Эскиз обработки. Содержание переходов
|
Режущий и измерительный инструмент
|
005 Фрезерно-центровальная
Фрезерно-центровальный ОБ-11
А
Установить заготовку в приспособление, закрепить
Фрезеровать
торец стержня, выдерживая размер
L= 218мм
Центровать
торец, выдерживать размеры:Ø3,15, L=14мм
Б
Раскрепить, снять детальФреза концевая
Ø 35мм R216.35 20045 AK55N 1620;
Патрон
цанговый, 392.14014-4032 120;
Цанга
-
Е13.0
071765
Штангенциркуль
ШЦ-I-125-0,1-2 ГОСТ 166-89;
Угломер,
тип 1-5 ГОСТ 5378-66;
|
Штангенциркуль ШЦ-II-250 -0,1-2 ГОСТ 166-89.
|
|
|
|
010
|
Контроль
|
Штангенциркуль ШЦ-II-250 -0,1-2 ГОСТ 166-89; Шаблон радиусный И 83-2600
|
|
№ опер.
|
Наименование, эскиз, содержание операции
|
Инструмент
|
|
|
|
|
|
015
020 Токарная с ЧПУ
АУстановить
деталь в патрон поджать центром
Точить
наружную поверхность, выдерживая размеры:Ø33,3(техн.) под резьбу , L =195мм
Точить
фаску, выдерживая размеры 4х30°
Подрезать
головку болта, выдерживая размер R2
Нарезать
резьбу выдерживая размер L=85+6 М36-8g
Контроль
Проверить
размеры: согласно эскизу; шероховатость поверхностей Ra12,5CNMG 1204
- 12 PR 4035
Штангенциркуль
ШЦ-III-250-630-0,1 ГОСТ 166-89;-2112 - Фаскомер
Штангенциркуль
ШЦ-I-125 ГОСТ 166-89Образцы шероховатости
Ra 3,2;6,3; 12,5
ГОСТ 9378-75
Калибр-пробка
Шаблон радиусный,
.6 Расчет режимов резания и основного времени
При расчете режимов резания задача заключается в том, чтобы найти
наиболее рациональное сочетание его элементов: глубины резания, подачи,
скорости. Это сочетание должно обеспечивать наивыгоднейшую обработку детали при
максимальном использовании станка и стойкости инструмента
Расчет режимов резания производим в следующей последовательности:
Определяем глубину резания в зависимости от величины припусков.
Выбираем подачу в зависимости от глубины резания, диаметра обрабатываемой
детали и требований к шероховатости поверхности.
Определяем скорость резания в зависимости от глубины резания, подачи,
прочности, твердости обрабатываемого материала, диаметра обработки.
Определяем частоту вращения шпинделя.
Определяем фактическую скорость резания.
Определяем эффективную мощность, затраченную на резание.
Определяем (основное) технологическое время.
Расчет режимов резания аналитическим способом производим на 1 переход
токарной токарной с ЧПУ операции 015:
Точить наружную поверхность под резьбу, выдерживая размеры: Ø33,3(техн.), L =195мм.,с диаметра заготовки Ø 39.2мм
Табличным на остальные переходы результаты сводим в таблицу 10.
Режущий инструмент - резец проходной с пластинкой из твердого сплава
(TCMW 16T302EN).
Геометрия - ц=90º, б=6º, г=10º.
Материал державки - сталь 35. Сечение державки резца 20х20 мм.
Стойкость - Т=60 мин.
Определяется глубина резания для перехода:
Глубина резания t=1,47
мм, число проходов i=2,тогда t=t/2.
Назначаем подачу:
S=0,45
мм/об.
Скорость резания V,
м/мин, определиться по формуле
, (18)
, (19)
где
0,9 - коэффициент учитывающий материал
заготовки[19].;(.таб 3ст.262)
Кпv =
0,9 - составляющие поверхности заготовки;
Kиv =1,0 - коэффициент, учитывающий
материал инструмента;
Кцv =1,0 - параметры резца;
КТи =1,0 - количество одновременно работающих резцов;
Кr =0,94 - параметры резца угол при
вершине.
Коэффициенты определяются по литературе [19].
,
где Cv, x, y, m, - значения коэффициента и
показателей степени;
Cv=340,
x=0,15, y=0,35, m=0,2
м/мин
Частота
вращения шпинделя определится
об/мин
(20)
Принимаем
nд=1000 об/мин.
Действительная
скорость резания
м/мин,
(21)
Определяется
силы резания Pz, Н, по формуле
, (22)
где Кp =0,8 - поправочный коэффициент на
силу резания [19].
Ср, x, y, n - коэффициент и
показатели степени,
Ср=204; x=1,0; y=0,75; n=0;
Подставляем коэффициенты в формулу 22:
H
Определяется мощность
кВт,
(23)
кВт,
Обработка
возможна
Определяется
минутная подача:
мм/мин
(24)
Основное
время
мин,
(25)
где
мм, - величина хода инструмента.
мин
Для
остальных переходов значения выбираем по нормативам режимов резания и сводим в
таблицу 12.
Таблица 12 - Сводная таблица режимов резания
|
Наименование операции, перехода
|
Размеры обработки поверхностей, мм
|
S,мм/об
|
Vм/мин
|
n,об/мин
|
Sм, мм/мин
|
Nр, кВт
|
Nст, кВт
|
To, мин
|
|
D
|
t
|
L
|
i
|
|
|
|
|
|
|
|
|
005 Фрез.-центров.
|
0,9
|
|
|
1 Фрезеровать торец стержня, выдерживая размер L= 218мм
|
60
|
1,4
|
70
|
1
|
0,25/10
|
60
|
318
|
795
|
|
|
0,89
|
|
2 Центровать торец, выдерживать размеры:Ø3,15, L=6мм
|
3,15
|
1,57
|
8
|
1
|
0,3
|
20
|
2022
|
606
|
|
|
0,01
|
|
015 Токарная с ЧПУ
|
|
|
|
|
|
|
|
|
|
|
3,45
|
|
1Точить наружную поверхность, выдерживая размеры:Ø33,3(техн.) под резьбу , L =195мм
|
39,5
|
1,47
|
197
|
2
|
0,45
|
97
|
782
|
273
|
0,9
|
18,7
|
0,3
|
|
2Точить фаску, выдерживая размеры 4х30°
|
39.5
|
4
|
6.5
|
1
|
0,45
|
97
|
782
|
273
|
0,9
|
18,7
|
0,1
|
|
3Подрезать головку болта, выдерживая размер R2
|
39,5
|
4
|
4
|
1/2
|
0,45
|
97
|
782
|
273
|
0,9
|
18,7
|
0,1
|
|
Сверлить сквозное отверстие Ø8h14
|
8
|
4
|
41
|
1
|
0.3
|
25
|
995
|
298.5
|
|
|
|
|
4Нарезать резьбу выдерживая размер L=85+6 М36-8g
|
36
|
1,35
|
87
|
4
|
1,35
|
10
|
88
|
118
|
|
|
2,95
|
.7 Определение норм времени и установление расценок
Техническую норму времени определяют на основе технических возможностей
технологической оснастки, режущего инструмента, станочного оборудования и
правильной организации рабочего места.
Норма времени является одним из основных факторов для оценки совершенства
технологического процесса и выбора наиболее прогрессивного варианта обработки
заготовки. Норму штучного времени Тшт., мин., на операцию 005 рассчитываем по
формуле [10, с. 78]
Тшт = (Тца + Тв)ּ[1 + (Ü1 + Ü2) / 100], (32)
где Ь1 - время на обслуживание рабочего места, % [10, табл.50];
Ь2 - время перерывов на отдых и личные надобности, % [10, табл.50];
Тца - время автоматической работы станка, мин.;
Тв - вспомогательное время, мин.
Íîðìó øòó÷íîãî
âðåìåíè Òøò, ìèí.,
íà îïåðàöèþ 005 ðàññ÷èòûâàåì
ïî ôîðìóëå 27, Òî=
3,45 ìèí. - îñíîâíîå
ìàøèííîå âðåìÿ
(òàáë.10)
Âðåìÿ àâòîìàòè÷åñêîé
ðàáîòû ñòàíêà,
Òöà,ìèí., ðàññ÷èòûâàåì
ïî ôîðìóëå
ìèí.,
(33)
ãäå Òàâ - âðåìÿ
âñïîìîãàòåëüíîé
ðàáîòû, ìèí.
ìèí.,
(34)
ãäå t1=0,12×4= 0,48 ìèí. - âðåìÿ
íà óñêîðåííîå
ïåðåìåùåíèå ðàáî÷åãî
îðãàíà ñòàíêà;
t2=0,09×3 =0,27ìèí. - âðåìÿ
íà óñòàíîâî÷íûå
ïåðåìåùåíèÿ;
t3=0,08
×3=0,24ìèí. - âðåìÿ
íà ñìåíó èíñòðóìåíòà.
ìèí.,
ìèí.
Âñïîìîãàòåëüíîå
âðåìÿ Òâ, ìèí., îïðåäåëÿåì
ïî ôîðìóëå
, …. (35)
ãäå Òâ óñò = 0,34 ìèí.
- âðåìÿ íà óñòàíîâêó
è ñíÿòèå äåòàëè
[10,÷.1,êàðòà3,ïîç.3];
Òââê - âðåìÿ íà
âêëþ÷åíèå è âûêëþ÷åíèå
ñòàíêà, 0,08 ìèí.
[10, êàðòà 14, ïîç.1];
Òâîï - âðåìÿ íà
âêëþ÷åíèå îòêðûòü
çàãðàäèòåëüíûé
ùèòîê,0.03ìèí.[10,÷.1,êàðòà13;
];
Ïîäñòàâëÿåì
ïîëó÷åííûå äàííûå
â ôîðìóëó 30
Òâ=0,34+0,08+0,03=0,45ìèí.
Îêîí÷àòåëüíî
íîðìà øòó÷íîãî
âðåìåíè ðàâíà
Òøò =(4,44+0,45)×(1+8/100) = 5,28ìèí.
Îïðåäåëÿåì øòó÷íî-êàëüêóëÿöèîííîå
âðåìÿ Ò øò-ê, ìèí.,
ïî ôîðìóëå
ìèí.,
(36)
ãäå Òïç - ïîäãîòîâèòåëüíî-çàêëþ÷èòåëüíîå
âðåìÿ íà ïàðòèþ
äåòàëåé, ìèí., óñòàíàâëèâàåì
íà îñíîâàíèè
äàííûõ òàáëèöû
13
Òàáëèöà 13 - Ïîäãîòîâèòåëüíî-çàêëþ÷èòåëüíîå
âðåìÿ, Òïç , ìèí.
|
Ñîñòàâíûå
ïîäãîòîâèòåëüíî-çàêëþ÷èòåëüíîãî
âðåìåíè
|
Íîðìà âðåìåíè
,ìèí.
|
Êîë-âî óñòàíîâîê
|
Âðåìÿ ðàñò÷åòíîå
, ìèí.
|
|
Ïîëó÷èòü ÷åðòåæ
|
7
|
1
|
7
|
2
|
1
|
2
|
|
Èíñòðóêòàæ
ìàñòåðà
|
3
|
1
|
3
|
|
Óñòàíîâèòü
è ñíÿòü ïàòðîí
|
4
|
1
|
4
|
|
Óñòàíîâèòü
è ñíÿòü èíñòðóìåíò
|
0,8
|
3/2
|
2,4/1,6
|
|
Óñòàíîâèòü
èñõîäíûå ðåæèìû
|
0,5
|
4/2
|
2,0/1
|
|
Óñòàíîâèòü
èñõîäíûå êîîðäèíàòû
X,Y.Z
|
1,3
|
4/2
|
5,2/2,6
|
|
Óñòàíîâèòü
ïðîãðàììîíîñèòåëü
â ñ÷èòûâàþùåå
óñòðîéñòâî
|
|
1
|
1
|
|
Íàáîð ïðîãðàììû
íà ïóëüòå óïðàâëåíèÿ
|
4
|
|
0
|
|
Î÷èñòêà ïðèñïîñîáë.
îò ñòðóæêè
|
|
1
|
1
|
|
Îáíóëåíèÿ
èíñòðóìåíòà
|
0,5
|
3/2
|
1,5/1
|
|
Èòîãî:
|
|
|
29,1/22,2
|
ìèí.,
Ðàñ÷åò øòó÷íîãî
âðåìåíè Òøò íà
îïåðàöèþ 005 îñóùåñòâëÿåì
â òîé æå ïîñëåäîâàòåëüíîñòè:
Òî = 0,9ìèí - îñíîâíîå
ìàøèííîå âðåìÿ;
Òâ óñò = 0,47ìèí -
âðåìÿ íà óñòàíîâêó
è ñíÿòèå äåòàëè
[10,êàðòà8, ïîç.29];
- âðåìÿ íà âêëþ÷åíèå
è âûêëþ÷åíèå
ñòàíêà [10,êàðòà14,
ïîç.1];
- îòêðûòü çàãðàäèòåëüíûé
ùèòîê [10,êàðòà13];
Âñïîìîãàòåëüíîå
âðåìÿ îïðåäåëÿåì
ïî ôîðìóëå 35.
Òâ=0,47+0,04+0,03=0,9ìèí.
Âðåìÿ íà îðãàíèçàöèîííûå
è òåõíè÷åñêîå
îáñëóæèâàíèå
ðàáî÷åãî ìåñòà,
îòäûõ è ëè÷íûå
ïîòðåáíîñòè
ïðèâåäåíî â ïðîöåíòàõ
îò îïåðàòèâíîãî
âðåìåíè è ñîñòàâëÿåò
8%.
Âðåìÿ öèêëà àâòîìàòè÷åñêîé
ðàáîòû ñòàíêà
ïî ïðîãðàììå îïðåäåëÿåì
ïî ôîðìóëå 34.
Òìâ =0,03×2+ 2´0,12+2´0.08 = 0,46ìèí.,
Òöà= 0,9 +0,46 =1,36ìèí.
Îêîí÷àòåëüíî
íîðìà øòó÷íîãî
âðåìåíè ðàâíà
Òøò=1,36+0,9)×(1+8/100)=2,44ìèí.,
Òøê =2,44 +22,2/784 =2,46ìèí.
Ïîëó÷åííûå ðåçóëüòàòû
ñâîäèì â òàáëèöó
13. Òàðèôíûå ñòàâêè
ñäåëüùèêîâ ïî
ðàçðÿäàì â òàáëèöó
14.
Òàáëèöà 14 - Íîðìû
âðåìåíè íà îïåðàöèè
|
¹ îïåð.
|
Íàèìåíîâàíèå
îïåðàöèé
|
Òöà, ìèí.
|
Òâ, ìèí.
|
Òøò, ìèí.
|
Òïç, ìèí
|
Òøò-ê, ìèí
|
|
005
|
Ôðåçåðíî-öåíòðîâàëüíàÿ
|
0,89
|
0,4
|
1,38
|
23
|
1,39
|
|
015
|
Òîêàðíàÿ ñ
×ÏÓ
|
1,36
|
0,9
|
2,44
|
29,1
|
5,32
|
.8 Ðàçðàáîòêà
ïðîãðàììíîé êàðòû,
êàðòû íàëàäêè
ñòàíêà ñ ×ÏÓ è
çàïèñü ïðîãðàììû
íà îäíó îïåðàöèþ
Ñèñòåìû ÷èñëîâîãî
ïðîãðàììíîãî
óïðàâëåíèÿ (Ñ×ÏÓ)
- ýòî ñîâîêóïíîñòü
ñïåöèàëèçèðîâàííûõ
óñòðîéñòâ, ìåòîäîâ
è ñðåäñòâ, íåîáõîäèìûõ
äëÿ îñóùåñòâëåíèÿ
×ÏÓ ñòàíêàìè.
Óñòðîéñòâî ×ÏÓ
(Ó×ÏÓ) ñòàíêàìè
- ýòî ÷àñòü Ñ×ÏÓ,
âûïîëíåííàÿ êàê
åäèíîå öåëîå ñ
íåé è îñóùåñòâëÿþùàÿ
âûäà÷ó óïðàâëÿþùèõ
âîçäåéñòâèé
ïî çàäàííîé ïðîãðàììå.
Ïðè èçãîòîâëåíèè
äåòàëåé ñî ñëîæíûìè
ïðîñòðàíñòâåííûìè
ïðîôèëÿìè â åäèíè÷íîì
è ìåëêîñåðèéíîì
ïðîèçâîäñòâå
èñïîëüçîâàíèå
ñòàíêîâ ñ ×ÏÓ
ÿâëÿåòñÿ ïî÷òè
åäèíñòâåííûì
òåõíè÷åñêè îïðàâäàííûì
ðåøåíèåì. Ýòî
îáîðóäîâàíèå
öåëåñîîáðàçíî
ïðèìåíÿòü â ñëó÷àå,
åñëè íåâîçìîæíî
áûñòðî èçãîòîâèòü
îñíàñòêó. Â ñåðèéíîì
ïðîèçâîäñòâå
òàêæå öåëåñîîáðàçíî
èñïîëüçîâàòü
ñòàíêè ñ ×ÏÓ.
 ïîñëåäíåå âðåìÿ
øèðîêî èñïîëüçóþò
àâòîíîìíûå ñòàíêè
ñ ×ÏÓ èëè ñèñòåìû
èç òàêèõ ñòàíêîâ
â óñëîâèÿõ ïåðåíàëàæèâàåìîãî
êðóïíîñåðèéíîãî
ïðîèçâîäñòâà.
×èñëîâîå ïðîãðàììíîå
óïðàâëåíèå (×ÏÓ)
- ýòî óïðàâëåíèå,
ïðè êîòîðîì ïðîãðàììó
çàäàþò â âèäå
çàïèñàííîãî
íà êàêîì-ëèáî
íîñèòåëå ìàññèâà
èíôîðìàöèè. Óïðàâëÿþùàÿ
èíôîðìàöèÿ äëÿ
ñèñòåì ñ ×ÏÓ ÿâëÿåòñÿ
äèñêðåòíîé è
åå îáðàáîòêà
â ïðîöåññå óïðàâëåíèÿ
îñóùåñòâëÿåòñÿ
öèôðîâûìè ìåòîäàìè.
Óïðàâëåíèå òåõíîëîãè÷åñêèìè
öèêëàìè ïðàêòè÷åñêè
ïîâñåìåñòíî
îñóùåñòâëÿåòñÿ
ñ ïîìîùüþ ïðîãðàììèðóåìûõ
ëîãè÷åñêèõ êîíòðîëëåðîâ,
ðåàëèçóåìûõ
íà îñíîâå ïðèíöèïîâ
öèôðîâûõ ýëåêòðîííûõ
âû÷èñëèòåëüíûõ
óñòðîéñòâ.
Îñíîâíûå ïðåèìóùåñòâà
ñòàíêîâ ñ ×ÏÓ:
ïðîèçâîäèòåëüíîñòü
ñòàíêà ïîâûøàåòñÿ
â 1,5...2,5 ðàçà ïî ñðàâíåíèþ
ñ ïðîèçâîäèòåëüíîñòüþ
àíàëîãè÷íûõ
ñòàíêîâ ñ ðó÷íûì
óïðàâëåíèåì;
ñî÷åòàåòñÿ
ãèáêîñòü óíèâåðñàëüíîãî
îáîðóäîâàíèÿ
ñ òî÷íîñòüþ è
ïðîèçâîäèòåëüíîñòüþ
ñòàíêà-àâòîìàòà;
ñíèæàåòñÿ ïîòðåáíîñòü
â êâàëèôèöèðîâàííûõ
ðàáî÷èõ ñòàíî÷íèêàõ,
à ïîäãîòîâêà
ïðîèçâîäñòâà
ïåðåíîñèòñÿ â
ñôåðó èíæåíåðíîãî
òðóäà;
äåòàëè, èçãîòîâëåííûå
ïî îäíîé ïðîãðàììå,
ÿâëÿþòñÿ âçàèìîçàìåíÿåìûìè,
÷òî ñîêðàùàåò
âðåìÿ ïðèãîíî÷íûõ
ðàáîò â ïðîöåññå
ñáîðêè;
ñîêðàùàþòñÿ
ñðîêè ïîäãîòîâêè
è ïåðåõîäà íà
èçãîòîâëåíèå
íîâûõ äåòàëåé
áëàãîäàðÿ ïðåäâàðèòåëüíîé
ïîäãîòîâêå ïðîãðàìì,
áîëåå ïðîñòîé
è óíèâåðñàëüíîé
òåõíîëîãè÷åñêîé
îñíàñòêå;
- ñíèæàåòñÿ ïðîäîëæèòåëüíîñòü
öèêëà èçãîòîâëåíèÿ
äåòàëåé è óìåíüøàåòñÿ
çàïàñ íåçàâåðøåííîãî
ïðîèçâîäñòâà.
Óñòðîéñòâî
×ÏÓ, èñïîëüçóåìîå
äëÿ ñòàíêà ÍÖ-31.
Çàïèñü ïðîãðàììû
íà îïåðàöèþ 015.
N0 T1
N1 ~X0
N2 ~Z0
N3 M12
N4 M12
N5 M12
N6
N7 ~Z6000
N8 ~X80O0
N9 T3
N10 S500
N11 M4
N12 ~X2300
N13 M8
N14 ~Z0
N15 F10
N16 X-50
N17 F80
N18 Z50
N19 X1850
N20 F15
N21 Z-4100
N22 X2000
N23 ~Z50
N24 X1700
N25 F15
N26 Z-4100
N27 X1800
N28 ~Z50
N29 X1700*
N30 F15
N31 G77*
N32 X1300*
N33 Z-3500*
N34 F1500*
N35 P200
N36 S400
N37 ~X5000
N38 ~Z5000
N39 T5
N40 ~X1500
N41 M8
N42 ~Z50
N43 F80
N44 X8000
N45 F5
N46 -45° X1230
N47 F10
N48 Z-3350
N49 F5
N50 X1190
N51 F10
N52 Z-3500
N53 X1590
N54 Z-4100
N55 X2000
N56
N57
N58
N59
N60 ~X6000
N61 ~Z6000
N62
N63 S400
N64 T12
N65 ~X2500
N66 M8
N67 ~Z-9500
N68 F50
N69 X2050
N70 F5
N71 X1630
N72 F50
N73 X2050
N74 Z-9800
N75 F5
N76 X1500
N77 F50
N78 X2050
N79 Z-9400
N80 F5
N81 -45°Z-9500
N82 X1590
N83 F7
N84 Z-9800
N85 F5
N86 X400
N87 M13
N88 X-50
N89 ~Z0
N90 M5
N91 M9
N92 M14
N93 P0
2.9 Òåõíèêî-ýêîíîìè÷åñêîå
îáîñíîâàíèå
âûáîðà òåõíîëîãè÷åñêîãî
ïðîöåññà
Òåõíèêî-ýêîíîìè÷åñêîå
îáîñíîâàíèå
âûáðàííîãî âàðèàíòà
òåõíîëîãè÷åñêîãî
ïðîöåññà ïðîèçâîäèòüñÿ
ïîñëå âûáîðà îñíàñòêè,
îáîðóäîâàíèÿ,
ðàñ÷åòà ðåæèìîâ
ðàáîòû.
Òåõíèêî-ýêîíîìè÷åñêîå
îáîñíîâàíèå
âûáðàííîãî òåõíîëîãè÷åñêîãî
ïðîöåññà ïðîèçâîäèì
ïî ñëåäóþùèì
äàííûì:
Êîýôôèöèåíòó
èñïîëüçîâàíèÿ
ìåòàëëà
- ïðîåêòèðóåìîé
çàãîòîâêè;
- çàâîäñêîé
çàãîòîâêè.
Ïî
êîýôôèöèåíòó
èñïîëüçîâàíèÿ
ìàòåðèàëà ïðèíèìàåì
ïðîåêòèðóåìûé
âàðèàíò - øòàìïîâêó
íà ÃÊÌ ò.ê. êîýôôèöèåíò
èñïîëüçîâàíèÿ
ìåòàëëà âûøå,
÷òî ñîêðàùàåò
ìåòàëëîåìêîñòü
çàãîòîâêè.
Êîýôôèöèåíò
èñïîëüçîâàíèÿ
ñòàíêà ïî îñíîâíîìó
âðåìåíè õàðàêòåðèçóþùèé
ñòåïåíü ìåõàíèçàöèè
è àâòîìàòèçàöèè
ïðîöåññà îáðàáîòêè
è ïðîãðåññèâíîñòè
ïðèíÿòîé òåõíîëîãè÷åñêîé
îñíàñòêè: äëÿ
ñðåäíåñåðèéíîãî
ïðîèçâîäñòâà
[3, ñ. 94], äîëæåí áûòü
áîëüøå 0,70.
3 Êîýôôèöèåíò
Êv èñïîëüçîâàíèÿ
ðåæóùèõ ñïîñîáíîñòåé
èíñòðóìåíòà
îïðåäåëÿåòñÿ
ïî ôîðìóëå [3, ñ.
96]
Êv = Vä/Vð, (43)
ãäå, Vä
- äåéñòâèòåëüíàÿ
ñêîðîñòü ðåçàíèÿ;
Vð
- ðàñ÷åòíàÿ ñêîðîñòü
ðåçàíèÿ.
Äëÿ òîêàðíîé
ñ ×ÏÓ îïåðàöèè
Êv = 180/180=1
Ýòîò êîýôôèöèåíò
äîëæåí áûòü íå
ìåíüøå 0,8 è íå áîëüøå
1,1.
Êîýôôèöèåíò
Kç çàãðóçêè ñòàíêîâ
ïî âðåìåíè, ðàññ÷èòûâàåòñÿ
ïî ôîðìóëå [3, ñ.
96]
ç = Ñð/Ñï, (44)
ãäå Ñð - ðàñ÷¸òíîå
êîëè÷åñòâî ñòàíêîâ;
Ñï - ïðèíÿòîå êîëè÷åñòâî
ñòàíêîâ.
Çíà÷åíèå ýòîãî
êîýôôèöèåíòà
äîëæíî áûòü â
ïðåäåëàõ 0,8…1. Åñëè
ïîëó÷åííûé Kç
>1, ÷àñòü ðàáîòû
ìîæåò áûòü ïåðåíåñåíà
íà äðóãîé îäíîòèïíûé
ñòàíîê.
Ïðèíèìàåì Fýô
- 1872 ÷àñ - ôîíä ðàáî÷åãî
âðåìåíè â 2014 ãîäó.
Ðàññ÷èòàåì
êîëè÷åñòâî ñòàíêîâ
äëÿ ôðåçåðíî-öåíòðîâàëüíîé
îïåðàöèè ïî ôîðìóëå
50.
Ñð1 = 37740 ×2,3/1872· 60 = 0,73;
Îêðóãëÿåì
äî áëèæàéøåãî
öåëîãî ÷èñëà
è ïîëó÷àåì 
. Íàõîäèì
êîýôôèöèåíò
çàãðóçêè.

(45)
ãäå Ñð - ðàñ÷åòíîå
êîëè÷åñòâî ðàáî÷èõ
ìåñò, øò.;
Ñïð - ïðèíÿòîå
êîëè÷åñòâî ðàáî÷èõ
ìåñò, øò.
Êçî1 =0,73/1 = 0,73,
Àíàëîãè÷íî
ðàññ÷èòûâàåì
êîëè÷åñòâî îáîðóäîâàíèÿ
ïî òîêàðíîé îïåðàöèè
ñ ×ÏÓ 015, è ðåçóëüòàòû
ðàñ÷åòîâ ñâîäèì
â òàáëèöó 15.
Ñð1 = 37740 ×5,23/1872· 60 = 1,75;
Îêðóãëÿåì
äî áëèæàéøåãî
öåëîãî ÷èñëà
è ïîëó÷àåì 
. Íàõîäèì
êîýôôèöèåíò
çàãðóçêè ïî ôîðìóëå
52
Êçî2 = 1,75/ 2 = 0,87.
Ñðåäíèé
êîýôôèöèåíò
çàãðóçêè îáîðóäîâàíèÿ
ó÷àñòêà 
îïðåäåëÿåòñÿ
îòíîøåíèåì ñóììû
ðàñ÷åòíûõ ðàáî÷èõ
ìåñò ê ñóììå
ïðèíÿòûõ ðàáî÷èõ
ìåñò [3, ñ. 5] ïî ôîðìóëå
(46)
Êñð = 3,4/4=0,85.
Ðàñ÷åò êîëè÷åñòâà
îáîðóäîâàíèÿ
è åãî çàãðóçêè
ïðîâåäåì â òàáëèöå
15.
Òàáëèöà 15 - Ðàñ÷åò
êîëè÷åñòâà îáîðóäîâàíèÿ
è åãî çàãðóçêè
|
¹ îïåðàöèè
|
Íàèìåíîâàíèå
îïåðàöèè
|
Ãîäîâàÿ ïðîãðàììà
âûïóñêà, øò.
|
Øòó÷íîå âðåìÿ
 , ìèí.Êîëè÷åñòâî
ñòàíêîâÊîýôôèöèåíò
çàãðóçêè
|
|
|
|
|
|
|
ðàñ÷åòíîå
 ïðèíÿòîå 
|
|
|
|
005
|
Ôðåçåðíî-öåíòðîâàëüíàÿ
|
35700
|
2,3
|
0,73
|
1
|
0,73
|
|
015
|
Òîêàðíàÿ ñ
×ÏÓ
|
35700
|
8,43
|
2,67
|
3
|
0,89
|
|
ÈÒÎÃÎ
|
35700
|
73
|
3,4040,85
|
|
|
Âåëè÷èíà ñðåäíåãî
ïðîöåíòà çàãðóçêè
ñòàíêîâ íà ó÷àñòêå
ñîñòàâëÿåò 85%, ïîýòîìó
äîãðóæàòü îáîðóäîâàíèå
íå ñëåäóåò.
Ñòåïåíü çàãðóçêè
ïðîèçâîäñòâåííîãî
îáîðóäîâàíèÿ
ïðåäñòàâëåíà
â âèäå ãðàôèêà
çàãðóçêè îáîðóäîâàíèÿ
(ðèñóíîê 5).
Ðèñóíîê 5 - Ãðàôèê
çàãðóçêè îáîðóäîâàíèÿ
Åñëè â ñðåäíåì
çàãðóçêà â ñåðèéíîì
ïðîèçâîäñòâå
îêàæåòñÿ íèæå
80 %, òî íåîáõîäèìî
äîãðóçèòü îáîðóäîâàíèå.
Íà îñíîâàíèè
ïðîâåäåííîãî
àíàëèçà ìîæíî
ñäåëàòü âûâîäû,
÷òî ïðèíÿòûé
âàðèàíò îáðàáîòêè
äåòàëè ïîäòâåðæäàåò
ïðàâèëüíîñòü
âûáðàííîãî òåõíîëîãè÷åñêîãî
ïðîöåññà è ýêîíîìè÷åñêóþ
îáîñíîâàííîñòü
âûáðàííîãî âàðèàíòà
3. Êîíñòðóêòîðñêàÿ
÷àñòü
.1 Êîíñòðóèðîâàíèå
è ðàñ÷åò ðåæóùåãî
èíñòðóìåíòà
Ðàññ÷èòàåì
è ñêîíñòðóèðóåì
òîêàðíûé ïðîõîäíîé
ðåçåö ñ ïëàñòèíîé
èç òâåðäîãî ñïëàâà
äëÿ òî÷åíèÿ íàðóæíîé
ïîâåðõíîñòè
Æ33,3 ìì äåòàëè
«Áîëò», ìàòåðèàë
ñòàëü 45ÕÃ ãëóáèíà
ðåçàíèÿ t=1,47 ìì, ïîäà÷à
S=0,45 ìì/îá,
âûëåò ðåçöà 60 ìì.
Â
êà÷åñòâå ìàòåðèàëà
äëÿ äåðæàâêè âûáèðàåì
óãëåðîäèñòóþ
ñòàëü 45ÕÃ
ÌÏà, è äîïóñêàåìûì
íàïðÿæåíèåì íà
èçãèá
ÌÏà,
Ñèëó
ðåçàíèÿ îïðåäåëÿåì
Pz, Í, ïî ôîðìóëå
, (30)
ãäå
ÊÐz - ñóììàðíûé
ïîïðàâî÷íûé êîýôôèöèåíò,
ðàâåí 0,9;
Cp=340 xp=0,15;
yp=0,35; n=0-êîýôôèöèåíòû;
H
Øèðèíà ïðÿìîóãîëüíîãî
ñå÷åíèÿ äåðæàâêè
ðåçöà ïðè óñëîâèÿ,
÷òî Í=6∙Â, ìì
ììì
(31)
Ïðèíèìàåì
áîëüøóþ áëèæàéøóþ
øèðèíó äåðæàâêè
12 ìì, òîãäà Í=1,6∙12=19,2.
Ïðèíèìàåì ïî
ÃÎÑÒ 10224-72, ïðèíèìàåì
Í=20 ìì.
Ïðîâåðÿåì
ïðî÷íîñòü è æåñòêîñòü
äåðæàâêè.
Ìàêñèìàëüíàÿ
íàãðóçêà, äîïóñêàåìàÿ
ïðî÷íîñòüþ ðåçöà
, Í
Í
(32)
Ìàêñèìàëüíàÿ
íàãðóçêà, äîïóñêàåìàÿ
æåñòêîñòüþ ðåçöà
, Í
, (33)
ãäå
f=0,1 ìì, - äîïóñêàåìàÿ
ñòðåëà ïðîãèáà
ðåçöà;
Å=2∙10-5
ÌÏà - ìîäóëü óïðóãîñòè
ìàòåðèàëà äåðæàâêè;
J - ìîìåíò
èíåðöèè ïðÿìîóãîëüíîãî
ñå÷åíèÿ äåðæàâêè,
ìì4;
ìì4
(34)
òîãäà
ìàêñèìàëüíàÿ
íàãðóçêà îïðåäåëèòüñÿ
Í
Êîíñòðóêòèâíûå
ðàçìåðû ðåçöà
áåðåì ïî Êàòàëîãó
ôèðìû SandvikCoromant (20õ20), îáùàÿ
äëèíà ðåçöà 120 ìì,
ðàäèóñ çàêðóãëåíèÿ
âåðøèíû ãîëîâêè
ðåçöà R=1 ìì, ïëàñòèíà
èç òâåðäîãî ñïëàâà
CNMG 1204 - 12 PR 4035
.2
Êîíñòðóèðîâàíèå
è ðàñ÷¸ò îäíîãî
èçìåðèòåëüíîãî
èíñòðóìåíòà
Ðàñ÷åò
èçìåðèòåëüíîãî
èíñòðóìåíòà
âûïîëíÿåì äëÿ
íàèáîëåå òî÷íîãî
äèàìåòðà äåòàëè.
Ðàñ÷åò
êàëèáðà-ïðîáêè
ïðîèçâîäèì äëÿ
ðàçìåðà Æ8h14.
Ïî
ÃÎÑÒ 25347-82 íàõîäèì
ïðåäåëüíûå îòêëîíåíèÿ
îòâåðñòèÿ; îíè
ðàâíû +0,36 è -0. Ñëåäîâàòåëüíî
Ïî
ÃÎÑÒ 24853-81 íàõîäèì
äîïóñêè è äðóãèå
äàííûå äëÿ ðàñ÷åòà
êàëèáðîâ è êîíòðêàëèáðîâ:
,
.
Ïî
ýòèì äàííûì ñòðîèì
ðàñïîëîæåíèå
ïîëåé äîïóñêà
êàëèáð-ïðîáêè
è êîíòðêàëèáðîâ
(ðèñóíîê 4).
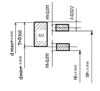
Ðèñóíîê
4 - Ñõåìà ðàñïîëîæåíèÿ
ïîëåé äîïóñêîâ
êàëèáðîâ
Îïðåäåëÿåì
ïðåäåëüíûå ðàçìåðû
ïðîõîäíîé íîâîé
êàëèáð-ïðîáêè
ïî ôîðìóëàì
ìì,
(35)
Ðàçìåð
êàëèáðà ÏÐ, ïðîñòàâëåííûé
íà ÷åðòåæå, ïðè
äîïóñêå íà èçãîòîâëåíèå
ðàâåí Æ
.
Îïðåäåëÿåì
ïðåäåëüíûå ðàçìåðû
íåïðîõîäíîé ñòîðîíû
êàëèáð-ïðîáêè
ïî ôîðìóëå [12. ñòð.93]
ìì,
(37)
Ðàçìåð
êàëèáðà ÍÅ, ïðîñòàâëÿåìûé
íà ÷åðòåæå Æ
.
Ðàçìåð
èçíîøåííîãî
êàëèáðà:
ìì,
(39)
Çàêëþ÷åíèå
 õîäå âûïîëíåíèÿ
êóðñîâîãî ïðîåêòà
áûë ñïðîåêòèðîâàí
íîâûé òåõíîëîãè÷åñêèé
ïðîöåññ íà ìåõàíè÷åñêóþ
îáðàáîòêó äåòàëè
òèïà «Áîëò».
 òåîðåòè÷åñêîé
÷àñòè áûëè ïðîèçâåäåíû
àíàëèç êîíñòðóêöèè,
òåõíîëîãè÷íîñòè
äåòàëè, àíàëèç
ñòàëè 35ÕÃÑÀ ÃÎÑÒ4543-71è
åå ñâîéñòâà è
àíàëèç ïðîèçâîäñòâåííîé
ïðîãðàììû ñ óñòàíîâëåíèåì
âèäà ïðîèçâîäñòâà.
Òàê æå ïðèâåäåíî
îïèñàíèå ñëóæåáíîãî
íàçíà÷åíèÿ èçäåëèÿ.
 òåõíîëîãè÷åñêîé
÷àñòè áûëà îáîñíîâàíà
ýêîíîìè÷åñêàÿ
öåëåñîîáðàçíîñòü
âíåäðåíèÿ ðàçðàáîòàííîé
òåõíîëîãèè âûáîðà
çàãîòîâêè: íàèáîëåå
ýêîíîìè÷åñêè
öåëåñîîáðàçíûì
ïî ìàòåðèàëîåìêîñòè
è ñòîèìîñòè
ÿâëÿåòñÿ èçãîòîâëåíèå
çàãîòîâêè øòàìïîâêîé,
ïîëó÷àåìîé ñ
ïîìîùüþ ÊÃØÏ,
ïî ñðàâíåíèþ
ñ çàâîäñêèì âàðèàíòîì
- ãîðÿ÷åêàòàíûì
ïðîêàòîì. Ïîâûñèëñÿ
êîýôôèöèåíò
èñïîëüçîâàíèÿ
ìàòåðèàëà ñ
0,59 äî 0,65 çà ñ÷åò èçìåíåíèÿ
ìåòîäà ïîëó÷åíèÿ
çàãîòîâêè.
Ðàçðàáîòàí
ìàðøðóòíûé òåõíîëîãè÷åñêèé
ïðîöåññ, ïðîèçâåäåí
âûáîð ïðîãðåññèâíîãî
îáîðóäîâàíèÿ,
îñíàñòêè è èíñòðóìåíòà.
Ïðèíÿò òîêàðíûé
îáðàáàòûâàþùèé
öåíòð SBL 300 CNC, ôðåçåðíî-öåíòðîâàëüíûé
ïîëóàâòîìàò
ìîäåëè EM535M, ÷òî
ïîçâîëèëî ïîâûñèòü
ïðîèçâîäèòåëüíîñòü
òðóäà è ñíèçèòü
ñåáåñòîèìîñòü
èçãîòîâëåíèÿ
äåòàëè, çà ñ÷åò
ñîêðàùåíèÿ êîëè÷åñòâà
îïåðàöèé ìåõàíè÷åñêîé
îáðàáîòêè ñ ïÿòè
äî äâóõ.
Ïðîèçâåäåíû
ðàñ÷åòû ðåæèìîâ
ðåçàíèÿ è íîðì
âðåìåíè íà îáðàáîòêó,
êîòîðûå áûëè ñíèæåíû
çà ñ÷åò ïðèìåíåíèÿ
ñîâðåìåííûõ
âûñîêîïðîèçâîäèòåëüíûõ
ðåæóùèõ ïëàñòèíîê,
ïîçâîëÿþùèõ óâåëè÷èòü
ðåæèìû ðåçàíèÿ
è ïîâûñèòü êà÷åñòâî
îáðàáîòêè.
 êîíñòðóêòîðñêîé
÷àñòè ïðîèçâåäåí
ðàñ÷åò ðåæóùåãî
èíñòðóìåíòà
- ðåçåö ñáîðíûé
ïðîõîäíîé ñ ïëàñòèíêîé
èç òâåðäîãî ñïëàâà
CNMG 1204 - 12 PR 4035, à òàêæå êîíòðîëüíîãî
èíñòðóìåíòà
- êàëèáðà-ïðîáêè
äëÿ ïðîâåðêè äèàìåòðà
Ø8h14.
Ïðè ãîäîâîé ïðîãðàììå
âûïóñêà N= 35700øò. êîýôôèöèåíò
çàãðóçêè îáîðóäîâàíèÿ
ñîñòàâèë 85%, ÷òî
ñîîòâåòñòâóåò
íîðìàòèâíûì
òðåáîâàíèÿì/
Òåõíîëîãè÷åñêèé
ïðîöåññ ìåõàíè÷åñêîé
îáðàáîòêè äåòàëè
âûïîëíåí ñ èñïîëüçîâàíèåì
ÑÀÏÐ ÒÏ. ×åðòåæè
âûïîëíåíû â Êîìïàñ-Ãðàôèê
Ëèòåðàòóðà
1. Àíóðüåâ Â.È
Ñïðàâî÷íèê êîíñòðóêòîðà-ìàøèíîñòðîèòåëÿ:
 3ò. Ò.3. - 7-å èçä., - Ì.:
Ìàøèíîñòðîåíèå
, 1992. - 816ñ.
. Àðøèíîâ Â.À.
Ðåçàíèå ìåòàëëîâ
- Ñïðàâî÷íèê êîíñòðóêòîðà
- ìàøèíîñòðîèòåëÿ:
 3ò. Ò.3. - 7-å èçä., - Ì.:
Ìàøèíîñòðîåíèå,
2004. - 816 ñ.
. Äàíèëåâñêèé
Â.Â. Òåõíîëîãè÷
ìàøèíîñòðîåíèÿ.
Ó÷åáíèê äëÿ òåõíèêóìîâ.
- 5-å èçä., ïåðåðàá.
è äîï. - Ì.: Âûñø. øê.,
- 416 ñ.
. Äìóõ Í.Í. Îðãàíèçàöèÿ
äèïëîìíîãî ïðîåêòèðîâàíèÿ:
ìåòîäè÷åñêèå
ðåêîìåíäàöèè
äëÿ ñïåöèàëüíîñòè
151001 Òåõíîëîãèÿ
ìàøèíîñòðîåíèÿ
ñðåäíåãî ïðîôåññèîíàëüíîãî
îáðàçîâàíèÿ
(áàçîâûé óðîâåíü).
- Íîâî÷åðêàññê:
ÔÃÎÓ ÑÏÎ «ÍÏÃÊ»,
2008. - 63 ñ.
. Äîáðûäíåâ
È.Ñ. Êóðñîâîå ïðîåêòèðîâàíèå
ïî ïðåäìåòó «Òåõíîëîãèÿ
ìàøèíîñòðîåíèÿ».
- Ì.: Ìàøèíîñòðîåíèå,1985.
- 184 ñ.
. Åãîðîâ Ì.Å.
Îñíîâû ïðîåêòèðîâàíèÿ
ìàøèíîñòðîèòåëüíûõ
çàâîäîâ. - Ì.: Âûñøàÿ
øêîëà,1996. - 479ñ.
. Æèäêîâ À.Í.
Ýêîíîìèêà îòðàñëè:
ìåòîäè÷åñêèå
ðåêîìåíäàöèè
ïî âûïîëíåíèþ
êóðñîâîé ðàáîòû
äëÿ ñïåöèàëüíîñòè
151001 Òåõíîëîãèÿ
ìàøèíîñòðîåíèÿ
è 200504 Ñòàíäàðòèçàöèÿ
è ñåðòèôèêàöèÿ
ïðîäóêöèè (ïî îòðàñëÿì)
ñðåäíåãî ïðîôåññèîíàëüíîãî
îáðàçîâàíèÿ
(áàçîâûé óðîâåíü).
- Íîâî÷åðêàññê:
ÔÃÎÓ ÑÏÎ «ÍÏÃÊ»,
2008. - 20ñ.
. Çóåâ À.À. Òåõíîëîãèÿ
ìàøèíîñòðîåíèÿ.
2-å èçä. - ÑÏá.: Èçäàòåëüñòâî
Ëàíü, 2003. - 496 ñ.
. Òðåáîâàíèÿ
è ïðàâèëà îôîðìëåíèÿ
òåêñòîâûõ äîêóìåíòîâ
è ãðàôè÷åñêèõ
÷àñòåé ÂÊÐ (ÄÐ,
ÄÏ), ÊÐ (ÊÏ) â ó÷åáíîì
ïðîöåññå: Ìåòîäè÷åñêèå
ðåêîìåíäàöèè
äëÿ ñòóäåíòîâ
îáðàçîâàòåëüíûõ
ó÷ðåæäåíèé ÑÏÎ.
- Íîâî÷åðêàññê:
ÃÁÎÓ ÑÏÎ ÐÎ «ÍÏÃÊ»,
2013. - 40ñ.
. Êëåïèêîâ Â.Â.,
Áîäðîâ À.Ì. òåõíîëîãèÿ
ìàøèíîñòðîåíèÿ:
Ó÷åáíèê. - Ì.: Ôîðóì:
Èíôðà - Ì. 2004. - 960 ñ.
. Êîðàñòåëåâà
Å.Ì. Ýêîíîìèêà,
îðãàíèçàöèÿ
è ïëàíèðîâàíèå
ìàøèíîñòðîèòåëüíîãî
ïðîèçâîäñòâà.
- Ì.: Âûñøàÿ øêîëà.
1984. - 360 ñ.
. Íåôåäîâ È.À.
Äèïëîìíîå ïðîåêòèðîâàíèå
â ìàøèíîñòðîèòåëüíûõ
òåõíèêóìàõ.
- Ì.: Âûñøàÿ øêîëà,
1986. - 239 ñ.
. Íåõîðîøåâà
Ë.Í. Ýêîíîìèêà
ïðåäïðèÿòèÿ. - Ì.:
Âûñøàÿ øêîëà,
2003. - 295 ñ.
. Îáùåìàøèíîñòðîèòåëüíûå
íîðìàòèâû âðåìåíè
è ðåæèìîâ ðåçàíèÿ.
. Â 2-õ ò. Ò.2, -Ì.: Ýêîíîìèêà,
1990 ã. - 315 ñ.
. Ñîðîêèí Â.
Ã. Ìàðî÷íèê ñòàëåé
è ñïëàâîâ. - Ì.: Ìàøèíîñòðîåíèå,
1989 ã. - 543 ñ.
. Êîñèëîâ À.Ã
è Ìåùåðÿêîâ Ð.Ê.
Ñïðàâî÷íèê òåõíîëîãà
- ìàøèíîñòðîèòåëÿ.
 2-õ ò. Ò. 2 - 4-å èçä., -
Ì.: Ìàøèíîñòðîåíèå,
1986. - 496ñ.
. Êîñèëîâ À.Ã
è Ìåùåðÿêîâ Ð.Ê.
Ñïðàâî÷íèê òåõíîëîãà
- ìàøèíîñòðîèòåëÿ.
 2-õ ò. Ò. 1 - 4-å èçä., -
Ì.: Ìàøèíîñòðîåíèå,
1986. - 496ñ.
. Êàòàëîã: Ìåòàëëîîáðàáîòêà.:
- Ð-í-Ä Òåõíèêà
- Àêñåññóàð. 2006 ã.,
- 80 ñ.: èë.
. Êàòàëîã: Ìåòàëëîîáðàáàòûâàþùåå
îáîðóäîâàíèå.:
- Ð-í-Ä Äþêîí, 2006 ã. -
53 ñ.: èë.
. Êàòàëîã: Èçìåðèòåëüíûå
èíñòðóìåíòû:
- Ñòàâðîïîëü. Ðîññèéñêàÿ
èíñòðóìåíòàëüíàÿ
Êîìïàíèÿ. 2006 ã. - 56
ñ.: èë.
. Ìåæäóíàðîäíàÿ
íàó÷íî-ïðàêòè÷åñêàÿ
êîíôåðåíöèÿ. Ñáîðíèê
òðóäîâ.: Ð-í-Ä. ÂÖ
«Âåðòîë ýêñïî»,
2006 ã.
Ðàçìåùåíî
íà Allbest.ru