Усовершенствование инструментального обеспечения технологического процесса механической обработки деталей 'Обечайка' и 'Труба жаровая'
Введение
В дипломном проекте главное внимание уделено разработке инструментального
обеспечения для машиностроительных производств.
Основной задачей дипломного проекта является модернизация заводского
варианта технологического процесса путём совмещения некоторых операций.
В ходе модернизации был проведён анализ технологического процесса и
предложены несколько путей повышения производительности техпроцесса.
Было разработано специальное инструментальное обеспечение - Гибочный
штамп со Сменными матрицей и пуансоном, который представлен в конструкторской
части.
Данные меры повышению производительности путёмснижение стоимости штампа,
а также времени на установку и снятие матрицы и пуансона под определённый
размер. Снижению себестоимости из-за сокращения себестоимости изготовления
необходимого для обработки инструмента .
Также был разработан технологический процесс изготовления сменных матрицы
и
В эксплуатационном разделе назначены критерии износа и определено
потребное количество инструментов.
В экономическом разделе определены основные технико-экономические
показатели модернизированного варианта технологического процесса.
В холодноштамповочном производстве используется большое количество
разновидностей штампов, причем наблюдается тенденция к повышению сложности их
конструкций, обусловленная появлением новых прогрессивных процессов штамповки.
Вместе с тем состояние теоретических основ технологии холодной штамповки,
уровень расчетов и норм, необходимых для создания наиболее рациональных
конструкций штампов, еще оставляет желать много лучшего. Расчеты процессов
штамповки, основанные на применении прикладной теории пластичности, изложены на
сложном математическом языке и требуют для освоения теории штамповки
значительного времени. Приведенные во многих печатных работах эмпирические
зависимости для расчета отдельных параметров разноречивы и зачастую расходятся
с данными практики, не позволяют осмыслить сущности процесса штамповки и не
создают предпосылок для рационализации штамповочного производства. Отдельные
примеры расчета процессов штамповки обычно не связаны с выбором рациональных
конструкций штампов, предназначенных для штамповки характерных деталей. Поэтому
при конструировании, изготовлении и эксплуатации штампов на практике пользуются
приближенными расчетами по грубым эмпирическим зависимостям.
Естественно, что отсутствие научно обоснованных расчетов не может
отвечать требованиям прогрессивной технологии штамповки. В связи с этим имеется
необ- ходимость в опубликовании работ по применению рациональных конструкций штампов,
методы расчета которых, базирующиеся на основах прикладной теории пластичности,
не требуют серьезного математического аппарата и предназначены для
использования в повседневной инженерной технологии и практике.
I.КОНСТРУКТОРСКИЙ РАЗДЕЛ
1.1 Анализ чертежа деталей «Обечайка» и «Труба
жаровая»
.1.1 Анализ чертежа детали «Обечайка» и «Труба жаровая» и оценка
технологичности конструкции детали
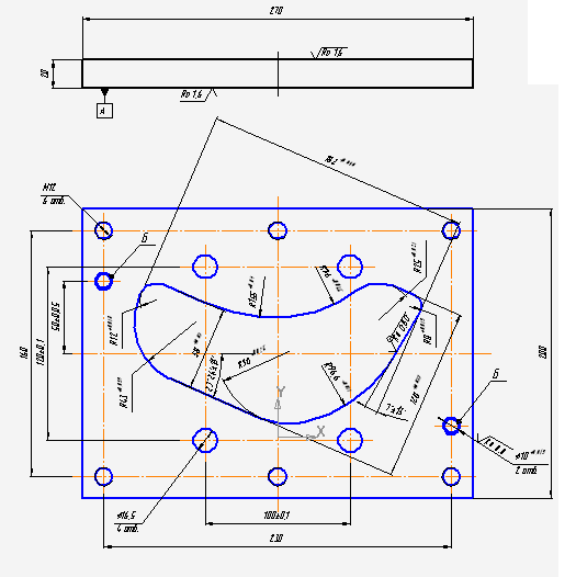
Деталь «Обечайка» чертеж 624316-00/ДТ.
Рис. 1. Обечайка
Согласно заданию на дипломное проектирование, годовая программа выпуска
детали «Обечайка» составляет V=700шт
. Ориентировочно, тип производства детали можно определить по ее габаритным
размерам и годовой программе выпуска.
Таблица 1.1. «Определение типа производства изделий» [1].
|
Тип производства
|
Количество обрабатываемых в
год деталей
|
|
Крупные изделия
|
Изделия средних размеров
|
Мелкие изделия
|
|
Единичное
|
До 5
|
До 10
|
До 100
|
|
Серийное
|
5 - 1000
|
10 - 5000
|
100 - 50000
|
|
Массовое
|
Более 1000
|
Более 5000
|
Более 50000
|
Данную деталь можно отнести к изделию средних размеров, так как её
габариты: 182×120×3. Таким образом, тип производства детали - Единичное.
Деталь «Обечайка» изготавливается из конструкционной углеродистой Стали
20 ГОСТ 14637-79.
Механические свойства данной стали:
предел прочности на растяжение sв = 370-480 МПа;
предел текучести sт =
245 МПа
твердость НВ = 135 кгс/мм2 .[2, c.311]
Деталь представляет собой Лсит металла, размерами 3000х2000 мм, толщиной
70 мм, Все допуски на размеры отверстий, радиусы и межосевые отверстий соответствуют
14 квалитету точности.
Чертеж детали содержит всю необходимую информацию для производства: виды,
размеры, шероховатости поверхностей, технические требования.
Таким образом, требования по точности и качеству изготовления детали не
требуют введения в технологический процесс дополнительных зачистных операций.
Таким образом, по качественной оценке технологичности делаем вывод о том,
что конструкция «Обечайка» является технологичной.
1.1.2 Анализ заводского технологического процесса механической обработки
детали «Обечайка»
Заготовкой «Обечайка» по заводскому технологическому процессу является
лист металла с габаритами 3000х2000мм, толщиной 70 мм, выполненный способом
проката из Стали 20.
Технические требования на изготовление и приемку: Сталь листовая
горячекатаная ГОСТ 19903-74. Предельные отклонения по ширине проката с обрезной
кромкой, поставляемой в рулонах, не должны превышать:
+2 мм - при ширине от 500 до 1000 мм;
+5 мм - при ширине св. 1000 до 1600 мм;
+7 мм - при ширине св. 1600 мм.
с обрезной кромкой, поставляемой в листах, не должны превышать:
+6 мм - при ширине до 800 мм;
+10 мм - при ширине св. 800 мм.
Для листовой штамповки коэффициент использования материала находится по
следующей зависимости [3, c.16…17]
где:
- площадь штампуемой детали
-
площадь необходимой для штамповки заготовки
где:
В - ширина полосы
Т
- шаг штампуемой детали
В
= 106 + 6,14=112 мм.;
Т
= Н + a = 202 мм.;
22624
мм2;
Из
чертежа детали вычисляем:
Коэффициент
раскроя :
Необходимая
ширина полосы 1700 мм, шаг вырубки 286 мм. Таким образом из полосы шириной
2000мм можно нарезать 2000/286=6,99 полос принимаем число полос 6, металла
длинной 3000мм. Шаг раскроя равен 1700 мм. число деталей получаемых из одной
полосы 3000/1700=1 тогда целое число деталей получаемых из одного листа:
Заводской
технологический процесс изготовления детали «Обечайка» представлен в таблице
1.2
Таблица
1.2. «Заводской технологический процесс механической обработки детали «Шарнир».
|
№ п/п
|
Наименование
|
Оборудование
|
Содержание
|
Режущий инструмент
|
|
1
|
2
|
3
|
4
|
5
|
|
Перед началом работы
ознакомиться и руководствоваться в процессе работы инструкцией по технике
безопасности для технических и слесарных работ
|
|
010
|
Заготовительная
|
Резак газовый РС-3П
|
Нарубить полосы 268х1800мм
|
Резак Газовый
|
|
015
|
Строгальная
|
Кромко строгальный станок
7808
|
Обработать кромки
|
Строгальный резец
|
|
020
|
Гибочная
|
Гибочный пресс НКОС315-6000
|
Подогнуть края листа
|
Штамп Ш475.00
|
|
110
|
Вольцовка
|
Листогибочная машина трёх
валковая
|
Вставить ведущую кромку
листа в пространство между валками, убеждаясь при этом, чтобы кромка была
точно параллельна осям валков.
|
|
|
|
|
|
|
|
|
|
В результате проведения критического анализа заводского технологического
процесса изготовления «Обечайка», выявлены следующие недостатки:
. Изготовление детали требует больших затрат времени на изготовление
детали в связи с использованием ручного труда, наряду со штампом.
, Стоимость гибочного штампа велика.
.2 РАСЧЕТ ТЕХНОЛОГИИ ШТАМПОВКИ
.2.1 ДЕФОРМАЦИИ И НАПРЯЖЕНИЯ
Характерной особенностью всех операций штамповки является то, что они
сопровождаются пластической (необратимой) деформацией, величина которой
значительно превышает упругую деформацию, определяемую законом Гука: е = ~,
где от - предел текучести, Е - модуль упругости.
Максимальная величина упругой деформации составляет десятые доли
процента, в то время как формообразующие операции штамповки вызывают изменение
первоначальных размеров заготовки в пределах 10-20% и более, а на
разделительных операциях штамповки пластические деформации достигают еще
большей величины равной предельным значениям, соответствующим разрушению
материала.
Штампуемый материал оказывает сопротивление пластическому деформированию,
и возникающие при этом напряжения в отдельных сечениях заготовки превосходят
величину напряжения в зоне упругих деформаций.
При анализе характера и интенсивности происшедшего формоизменения
заготовки в отдельных ее сечениях устанавливается не величина абсолютного
изменения длины отрезка, соединяющего какие-нибудь две произвольные
материальные точки, а величина отношения приращения длины этого отрезка к самой
длине, т. е. относительное удлинение или укорочение. Отрезок /0 может
изменяться при упругой деформации заготовки весьма мало, а при его пластической
деформации значительно (конечно). В последнем случае для определения
происшедшей деформации известные выражения, применяемые в сопротивлении
материалов упругим деформациям, оказываются неприемлемыми, так как они либо
h *
завышают, либо занижают результат. Поэтому вывод формулы расчета
относительных конечных деформаций, обеспечивающей их истинное значение,
производится по методу Г. А. Смирнова-Аляева [11, 12]. Пусть в процессе
преобразования отрезка /о до значения / он принимает ряд
где ln = L
Полагая разность двух смежных значений переменной в процессе деформации
длины отрезка малой по сравнению с этой длиной в данный момент ее
преобразования, т. е. считая ib^-r-- за величину, малую по сравнению с
единицей, можно представить результативную деформацию при изменении длины от Iо
до 1п как сумму последовательных малых относительных деформаций
Обозначая через x
переменную в пределах от /0 до 1п длину отрезка, - -lt = dx -
бесконечно малое приращение длины, следуя теории пределов, получим
.2.2 КОНСТРУКТИВНЫЕ ТРЕБОВАНИЯ К ГИБОЧНЫМ ШТАМПАМ
К конструкциям гибочных штампов предъявляются три важнейших требования:
1) сопряжение формообразующих
поверхностей пуансона и матрицы с заданной величиной зазора;
2) прижим заготовки, предотвращающий
смещение ее относительно первоначального положения (проскальзывание по
поверхности пуансона и матрицы) в течение всего процесса формообразования;
3) максимальное приближение характера
деформации заготовки к чистому изгибу.
Раздельно изготовленные пуансон и матрица гибочного штампа сопрягаются
между собой в зоне формообразующих поверхностей с заданной величиной зазора при
помощи блока. Конструкция блочных гибочных штампов по сравнению с конструкцией
пакетных штампов дает возможность сократить трудоемкость при установке штампов
на прессе, а также повысить качество и стабильность размеров изготовляемых
деталей.
Прижим заготовки, предотвращающий смещение ее относительно
первоначального положения, осуществляется при помощи деталей, называемых
прижимами. В гибочном штампе прижимы устанавливают так, что перед
формообразованием заготовка должна быть предварительно зажата между пуансоном и
прижимом.
.2.3 ТЕХНОЛОГИЧЕСКИЕ ТРЕБОВАНИЯ К ИЗОГНУТЫМ ДЕТАЛЯМ
Минимальные радиусы гибки. Минимально допустимый радиус гибки R (рис. 35, а) зависит от следующих факторов:
механических свойств материала изгибаемой детали; угла гибки, обусловливающего
напряжение растяжение внешних волокон материала; направления линии гибки
относительно направления волокон проката; наличия заусенцев на кромках
изгибаемой заготовки и их расположения.
Слишком
малые радиусы гибки влекут за собой разрыв материала. Минимально допустимый
радиус гибки определяют по формуле. 
где
К - коэффициент, зависящий от механических свойств металла; S -
толщина материала в мм.
Как
правило, рекомендуется применять оптимальные радиусы гибки: R
> S - для материалов толщиной S до 1,5 мм; R
> 2S - для материалов толщиной свыше 1,5 мм. Минимальные
радиусы гибки следует применять лишь в случае крайней необходимости.
При
наличии заусенцев на кромках заготовок и их расположении снаружи от угла гибки
значение коэффициента К необходимо увеличивать в 1,5 раза. Поэтому, как
правило, гибку следует производить заусенцами внутрь..
Для
предотвращения искажения формы отверстия, расположенного близко к линии гибки,
необходимо принимать расстояние от центра радиуса до края пробитого отверстия
не менее двух толщин 25) материала (рис. 36, а). В противном случае пробивку
отверстия следует делать в отдельном штампе после гибки.
Если
отверстие расположено близко к линии гибки (а << 2S),
то во избежание утяжки следует предусматривать на перегибе технологическое
отверстие (рис. 36, б), которое деформируется, в то время как основное
отверстие сохранит свою форму.
Для
упрощения технологии штамповки и сокращения числа операций форма изогнутой
детали должна быть простой, ограниченной прямыми линиями. На рис. 37 показан
угольник, в котором упрощение формы позволило применять безотходную штамповку и
совместить в одном штампе операцию отрезки и гибки.
to
Во избежание трещин в углах при отгибке выступа линию гибки нужно
перенести от углов на величину не менее радиуса гибки (рис. 38, а). Если
перенести ее невозможно, на детали должны быть сделаны местные вырезы
Величину зазора z
между матрицей и пуансоном принимают равной толщине материала с учетом
максимального положительного отклонения по толщине.
* Для уменьшения величины угла пружинения при гибке точных деталей
рекомендуется принимать зазор: для цветных металлов - по наименьшей толщине
материала (т. е. с учетом минусового отклонения на толщину материала), для
черных металлов - по номинальной толщине материала.
Исполнительные размеры матрицы и пуансона штампов RM и Rn (в мм) для гибки П-образных деталей подсчитывают по формулам
(103) и (104).(103)
если на чертеже детали указан допуск на наружный размер (рис. 58, а),
пуансон пригоняют к матрице с зазором
если на чертеже детали указан допуск на внутренний размер (рис. 58, б),
матрицу пригоняют к пуансону с зазором.
В формулах (103) и (104) приняты следующие обозначения: LH, Le - номинальные размеры штампуемой детали в мм; bMt 6п - допуски на изготовление матрицы
и пуансона (принимают А3 и С3 по ОСТу 1013).
Гибочные штампы средней сложности и сложные, а также для гибки точных
деталей следует снабжать направляющими колонками. При фиксировании заготовки в
гибочном штампе по отверстиям применяют фиксаторы с приемным конусом (рис. 59).
Для гибки деталей по 5-му классу точности рекомендуется применять штампы
с прижимом; для гибки деталей по 7-му классу точности применение прижима не
обязательно.
Детали П-образной формы могут быть получены с неодинаковой толщиной
средней и боковой полок за счет утонения последних (рис. 60). Максимально
достигаемое утонение боковых полок гнутых деталей (в %); из мягкой стали -
25-30, латуни - 20-25, алюминия - 27-35.
Гибка с утонением вызывает упрочнение (наклеп) деформируемых участков и
требует значительно большего усилия по сравнению с усилием, подсчитанным по формуле
(95). При гибке с утонением пружинение ничтожно мало.
Недопустимо назначать наружный радиус R меньше суммы внутреннего радиуса и толщины материала, так
как это крайне усложняет технологию штамповки и удорожает стоимость детали.
На рис. 40 показана скоба с горизонтальными полками, у которой RH < т + 5. Для того чтобы получить
такую деталь (рис. 40, а), требуется предварительно придать ей форму по рис.
40, б. После первой гибки заготовку отжигают для снятия наклепа, а затем
осуществляют осадку и чеканку углов.
Необходимо избегать резкой разницы в длинах линии гибки (участки а и b на рис. 41), так как при изгибе
такая деталь будет стягиваться в одну сторону. Также недопустимо сочетание
высоких и низких полок (рис. 42). При гибке таких деталей разные участки полок
будут гнуться не одновременно, и в результате низкий участок в полке получится
искривленным.
Угол между линиями контура и гибки должен быть равен 90°, так как иначе
заготовка деформируется (рис. 43).
Простановка размеров на чертежах изгибаемых деталей. Допуски. Способ
простановки размеров на чертежах изгибаемой детали оказывает значительное
влияние на технологию штамповки. Например, еслй на изгибаемой скобе координаты
центров отверстий на лапках будут заданы от края (рис. 44, а), то пробивку отверстий
можно совместить с вырубкой плоской заготовки.
1.3 Обоснование выбора типа конструкции инструмента
С целью уменьшения трудоемкости и снижения себестоимости изготовления
детали «Обечайка», при выполнении дипломного проекта следует объединить
вырубную операцию и изготовление отверстий.
Рассмотрим несколько возможных вариантов конструкций комбинированного
штампа :
. Штамп последовательного действия.
Штампы последовательного действия предназначены для выполнения нескольких
переходов пробивки в сочетании с другими операциями листовой штамповки за
несколько шагов подачи заготовки и соответствующего числа ходов подвижной части
штампа. На штампах последовательного действия штамповка происходит в нескольких
парах инструмента, расположенных последовательно. Заготовку в виде полосы или
ленты перемещают от одной пары инструмента к другой. Блок такого штампа состоит
из двух плит, направляющих колонок и втулок. Пуансоны штампа прикреплены к
верхней плите пуансонодержателем, матрицы - к нижней плите матрицедержателем.
Для съема ленты с пуансонов предусмотрен штамп снабжают жестким съемником. Для
точного совмещения осей отверстий относительно вырубаемого контура
устанавливается шаговый нож который вырубает равные отрезки металла от полосы
обеспечивая тем самым приемлемую точность штамповки. Готовая деталь удаляется
через провальное отверстие в нижней плите штампа.
. Штамп совмещенного действия.
С целью снижения трудоемкости процессов штамповки, удешевления стоимости
штампованных деталей и автоматизации работ применяется комбинированная
штамповка, при которой ряд простых операций выполняется в одном штампе
совмещенного действия.
Изготовление детали в штампах совмещенного действия происходит за один
ход пресса, без перемещения заготовки. Переходы (операции) размещаются в направлении
перемещения-ползуна пресса, и заготовка деформируется последовательно по мере
перемещения ползуна (а следовательно, и верхней части штампа) вниз. Штамповка
выполняется как из отдельной заготовки, так и из полосы (ленты). Блок такого
штампа состоит из двух плит, направляющих колонок и втулок. Пуансоны штампа
прикреплены к верхней плите пуансонодержателем, матрица прикреплена к верхней
плите болтами. На нижнюю плиту устанавливается пуансон-матрица, которая
крепится матрицедержателем . Для съема ленты с пуансон-матрицы предусмотрен
подвижный съемник на резиновом буфере . Готовая деталь выбивается из матрицы
толкателем который через траверсу и шпильку соединяют с балкой пресса.
Обычно штампы совмещенного действия используются для изготовления
деталей, требующих от 2 до 4 операций при толщине материала до 5 мм.
Возможность совмещения зависит от толщины штампуемого материала и размеров
детали, так как при определенных соотношениях наружного и внутреннего контуров
детали толщина стенок у пуансонов и матриц может получиться слишком малой, что
затруднит их изготовление и термообработку.
Изготовление штампа последовательного действия требует больших
затрат дорогостоящих инструментальных материалов, также данный способ
менее производителен, так как деталь обрабатывается последовательно за
несколько переходов. Применение шагового ножа увеличивает потребную ширину
полосы, а следовательно и расход материала.
Применение совмещенного штампа является самым производительным методом
штамповки однако данный вид штампа имеет ограничения по толщине полосы и
размеров межосевых отверстий.
Таким образом применяем в дипломной работе штамп совмещенного действия,
поскольку исходя из чертежа детали, данный штамп подходит по ограничениям
толщины и межосевому расстоянию отверстий детали, а изготовление данного штампа
обойдется дешевле чем штампа последовательного действия.
1.4 Обоснование выбора материала рабочей части инструментов
Формующие элементы (матрицы и пуансоны) штампов для холодной штамповки
должны обладать достаточной износостойкостью и высокой прочностью, чтобы
воспринимать без разрушения высокие давления, вязкостью для восприятия при
высадке и вырубке динамических нагрузок, малой остаточной деформацией для
сохранения формы штампа при выдавливании с большими удельными нагрузками и
достаточной теплоемкостью.
Технологические требования к материалам для изготовления формующих
элементов заключаются в малой деформации при термической обработке и хорошей
обрабатываемости приведены. В табл. 1.3[4, c213]
Таблица 1.3. «Материалы для изготовления штампов холодной штамповки»
|
Наименование деталей
штампов
|
Материалы
|
|
Рекомендуемые
|
Заменяющие
|
|
Пуансоны и матрицы для
вырубки:
|
|
|
|
простой формы
|
У10А, У8А, 45
|
У10, 7X3, У8А, 50
|
|
сложной формы
|
Х12М, 7ХГ2ВМ
|
7X3, ХВГ, 9ХВГ,
|
|
|
5ХВС, 9ХС
|
Исходя из данных таблицы, так как пуансон- матрица и матрица имеют
сложную форму, то для их изготовления применяем сталь Х12М ГОСТ 590-73. Состав
марки стали: С -1,45…1,65%; кремний - 0,1…0,4%; марганца - 0,15…0,45; хрома
-11-12,5%; молибдена 0,4..0,6%. ГОСТ 5950-2000 ; твердость после закалки 55..59
HRC
Для изготовления пуансонов применяем сталь У10А ГОСТ 1435-54, так как
пуансоны имеют простую форму. Состав марки стали: С -0,95…1,09%; кремний -
0,17…0,33%; марганца - 0,17…0,28. ГОСТ 1435-74. Твердость после закалки 58…62 HRC.
1.5 Разработка общего вида штампа
На основе проведенных расчетов (см п. 1.5.1; 1.5.2;1.5.3;1.5.4;1.5.5) и
выборе деталей и элементов общего назначения руководствуясь рекомендациями по
конструированию штампов совмещенного действия [6, с.502-516] Разрабатываем
конструкцию и общий вид проектируемого штампа (рис. 11).
Высоты съемника 5, пуансонодержателя 11, подкладной плиты 12 и
матрицедержателя 4, а также пуансон- матрицы 2- назначаем конструктивно, из
соображений максимально допустимого расстояния между верхней и нижней плитой
обеспечивающее отсутствие выхода из направляющих колонок при размыкании штампа
и отсутствия выхода из колонок над верхней плитой при его смыкании.
Межосевые расстояния крепежных и штамповых болтов, а также штифтов, назначаем
конструктивно руководствуясь отсутствием тонких перемычек в рабочих деталях
штампа.
Общий вид штампа представлен на рис 13.
Рис. 11. Общий вид спроектированного штампа
1.6 Разработка чертежей основных деталей штампа
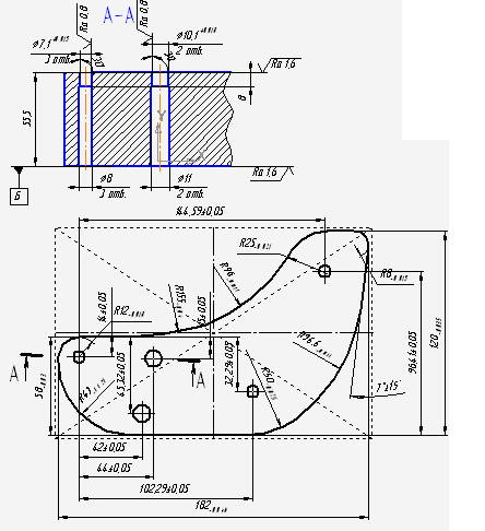
Разработка чертежа - матрицы.
Исполнительные размеры пуансон -матрицы были рассчитаны (см п 1.5.5)
ранее, способ крепления матрицы к плите выбираем через матрицедержатель по
фланцам расположенным вдоль пуансон матрицы. Высоту пуансон- матрицы назначаем
конструктивно с условием обеспечения достаточной высоты матрицедержателя. Форму
рабочих отверстий выбираем согласно рекомендациям [7,с. 54-55] c задним углом 20 минут для свободного
прохождения отхода не рабочий диаметр отверстия увеличиваем на 0,5 мм
Допуски размеров допуски формы и расположения, а также шероховатости
поверхностей назначаем в соответствии с [5,с. 21-22 табл. 8] и [ 5,с. 21-22
табл. 9]. Эскиз пуансон-матрицы представлен на рис.12.
Рис. 12. Эскиз пуансон- матрицы
Разработка чертежа пуансон.
Длину и ширину пуансон -матрицедержателя назначаем равной длине и ширине
рабочей зоны штампа, отверстие под пуансон- матрицу определяем рабочим контуром
пуансон -матрицы размеры фланцев назначаем конструктивно. Допуски размеров,
допуски формы и расположения, а также шероховатости поверхностей назначаем в
соответствии с [5,с. 21-22 табл. 8] и [5,с.21-22 табл. 9]. Эскиз пуансон
-матрицедержателя представлен на рис.13
Межосевые расстояния крепежных и штамповых болтов , а также штифтов
назначаем конструктивно руководствуясь отсутствием тонких перемычек в рабочих
деталях штампа.
Рис. 13. Эскиз пуансон- матрицедержателя
Разработка чертежа матрицы.
Исполнительные размеры матрицы, длинна, ширина, и высота рассчитаны в
пункте (см п 1.5.5)
Способ крепления матрицы выбираем: непосредственно к верхней плите штампа
винтами .
Выбираем диаметров болтов и штифтов по [5,с.77 табл. 18] . Число винтов
определяют из условия, что расстояние между двумя ближайшими болтами не должно
превышать 90 мм. Выбираем: болты - М12х70; штифты 10n6х113.
Число штифтов определяют из условия, что каждый самостоятельный элемент
штампа, который должен быть неподвижным относительно матрицы и сама матрица
(или каждая ее отдельная часть) должны фиксироваться двумя штифтами.
Таким образом матрица должна закрепляться шестью винтами и фиксироваться
двумя штифтами.
Допуски размеров допуски формы и расположения, а также шероховатости
поверхностей назначаем в соответствии с [5,с. 21-22 табл. 8] и [ 5,с. 21-22
табл. 9].
Эскиз матрицы представлен на рис.14
Рис.14. Эскиз матрицы
Для установки выталкивателя на глубину 25мм предусматриваем прямоугольное
отверстие шириной 60 мм.
II. ТЕХНОЛОГИЧЕСКИЙ РАЗДЕЛ
2.. Определение типа производства для изготовления
штампа совмещенного действия
В эксплуатационной части дипломного проекта в п. 3.2 определена годовая
потребность в изготовлении штампа совмещенного действия для обработки годовой
программы изготовления детали «Шарнир».
Годовую
программу выпуска штампа примем
Для
определения типа производства воспользуемся данными таблицы 1.1 (см. п. 1.1.1)
Исходя
из годовой программы выпуска инструмента и его габаритов определяем, что
производство штампа совмещенного действия осуществляется в условиях единичного
типа производства.
Единичное
производство характеризуется широкой номенклатурой изготавливаемых или
ремонтируемых изделий и малым объемом их выпуска. На предприятиях с единичным
производством применяют преимущественно универсальное оборудование,
расположенное в цехах по групповому признаку (т.е. с разбивкой на участки
токарных, фрезерных, строгальных станков и т.д.).
Однако
в последнее время широкое применение в условиях единичного и мелкосерийного
типов производств нашли станки с ЧПУ типа «обрабатывающих центров».
.2 Выбор заготовок деталей штампа
Так как выбрана не стандартная конструкция верхней и нижней плит,
заготовкой для них является поковка или листовой прокат из Стали 3 по ГОСТ
380-60 [3 стр. 7-9].
Выбор того или иного типа заготовки зависит от конкретных условий
изготовления детали.
Стоимость проката значительно ниже, по сравнению со стоимостью откованной
заготовки. Однако припуски на механическую обработку, в ряде случаев, являются
большими.
Производим определение размеров заготовки, вырезаемой из листового
проката. Вырезаемые габаритные размеры принимаем 500х400 х50 мм.
Так как производство штампа- единичное, листовой прокат не подходит,
из-за больших габаритов листа.
Рассмотрим возможность применения в качестве заготовки пуансон-матрицы
поковку, получаемую ковкой на молотах. Определяем размеры поковки по ГОСТ
7829-70.
Конструкция применяемой поковки соответствует поковке типа «Куб».
Назначаем величину припуска и допуска на обрабатываемые поверхности
заготовки.
Согласно ГОСТ 7829-70, припуски на размеры детали составят:
-
толщину -
;
длину
-
.
ширину
-
.
В
этом случае, размеры поковки составят:
толщина
;
длина
L=
.
ширина
В=
.
Ориентировочная
расчетная масса поковки составит
Мп.р = Мд·Kр,
Определим
технико-экономические показатели получения заготовок:
Коэффициент
использования материала:
Стоимость
заготовки определяется по формуле
,
где
-
стоимость материала заготовки,
-
стоимость стружки.
Принимаем,
по данным завода, стоимость поковки 40000 руб./т, стоимость отходов - 1800
руб./т.
Таким
образом, стоимость поковки составит:
В
дипломном проекте в качестве заготовки нижней плиты применяем в качестве
заготовки -поковку.
2.3 Разработка технологии изготовления деталей
штампа
В дипломном проекте разработаем маршрутную технологию изготовления детали
«плита нижняя».
.3.1
Разработка маршрутной технологии изготовления «плиты нижней»
Направляющие отверстия под колонки пил втулки плит растачивают совместно
или раздельно. Раздельное растачивание. как правило, производится на
координатно-расточных станках или в приспособлениях на фрезерных и токарных
станках при изготовлении блоков со взаимозаменяемыми плитами. В тех случаях,
когда по конструкции штампа предусмотрено врезание одной плиты в другую, то
расточенные на токарном станке отверстия под пуансоны и матрицы могут быть
использованы в качестве установочной базы при растачивании направляющих
отверстий под втулки и колонки.
Отверстия под направляющие втулки второй плиты растачивают по фактическим
координатам отверстий в первой плите.
Маршрутный технологический процесс обработки «плиты нижней представлен в
таблице 2.1
Таблица 2.1Технологический процесс изготовления «плиты нижней»
|
№
|
Операция
|
Содержание операции
|
Наименование оборудования
|
|
005
|
Заготовительная
|
Получить поковку из
круглого проката
|
Молот МВ2143
|
|
010
|
Фрезерная с ЧПУ
|
Установ А Фрезеровать
опорную плоскость; фрезеровать торец. Установ Б Фрезеровать рабочую
плоскость; фрезеровать торец.
|
Фрезерный с ЧПУ 500VB
|
|
015
|
Слесарная
|
Зачистить заусенцы
|
Верстак слесарный
|
|
020
|
Плоскошлифовальная
|
Установ А Шлифовать опорную
плоскость Установ Б Шлифовать рабочую плоскость
|
Плоскошлифов-альный
мод.3724
|
|
025
|
Фрезерная с ЧПУ
|
Установ А Фрезеровать уступ
под углом 60° Фрезеровать фаски :25×45°-2 фаски и 25×60°-2 фаски Центровать, сверлить, рассверлить, расточить
отверстия под направляющие колонки. Центровать, сверлить, зенковать отв. под
крепежные винты Центровать, сверлить, зенковать 6 отв. под винты М12
Центровать, сверлить, зенковать 5 отв. под винты М12. Центровать, сверлить,
нарезать резьбу в 2отв. под винты М16
|
Фрезерный с ЧПУ 500VB
|
|
030
|
Слесарная
|
Установить матрице-
держатель на плиту скрепить болтами
|
Верстак слесарный
|
|
035
|
Фрезерная с ЧПУ
|
Центровать, сверлить ,
зенкеровать развернуть отв. под штифты.
|
Фрезерный с ЧПУ 500VB
|
|
040
|
Контрольная
|
Контролировать полученные
размеры
|
|
|
|
|
|
|
2.3.2 Выбор оборудования для обработки детали
плита нижняя
1. Номер и наименование операции: Операция 005 заготовительная
Применяемое
оборудование: штамповочный молот МВ 2143
Техническая характеристика станка:
Энергия удара, кДж ……………………………………………………..50
Номинальная масса падающих частей, кг ……………………………2000
Расстояние между направляющими в свету, мм …………………….600
Расстояние между направляющими в свету, мм ……………………600
Габариты станка Длинна Ширина Высота (мм) ……….2950×1870×4700
Масса кг ……………………………………………………………..50000
. Номер и наименование операции: Операция 010 фрезерная с ЧПУ
Для фрезерования плоскостей и торцев обычно применяют универсальное
оборудование. Но так как это не очень точное оборудование, на нём проводят
черновое фрезерование. Для экономии времени применим станок с ЧПУ, который
позволит произвести черновое и чистовое фрезерование.
Исходя из габаритов и формы заготовки , примем сверлильно- фрезерно-
расточной станок с ЧПУ мод. 500VB
Техническая характеристика станка:
Параметры стола:
Диаметр планшайбы, мм………………………………………………200
Диаметр центрального отверстия, мм…………………………...….60Н7
Ширина центрального паза, мм…………………………………… 12Н11
Количество Т-образных пазов ………………………………………….. 8
Наибольшее расстояние от торца шпинделя до стола, мм ………....450
Наибольшая масса обрабатываемой детали, кг……………………….300
Шпиндель:
Конус шпинделя (DIN 69871) ………………………………………SK 40
Пределы частот вращения шпинделя, об/мин……………………0-12000
Номинальный крутящий момент на шпинделе, Нм……………………76
Инструментальный магазин:
Емкость инструментального магазина, шт…………………………….16
Время смены инструмента, с……………………………………………12
Наибольший диаметр инструмента, устанавливаемого в магазине [без
пропуска гнезд], мм ……………………………….……………….125 [80]
Наибольшая длина инструмента, устанавливаемого в шпинделе станка,
мм…………………………………………………………………...…250
Характеристика электрооборудования:
Мощность двигателя главного привода, кВт ………………………..22,5
Номинальная частота вращения, об/мин…………………………….2800
Максимальная частота вращения, об/мин………………………….12000
Прочие характеристики:
Габаритные размеры, мм………………………………..2350x3165x3000
Масса, кг ………………………………………………………………7000
. Номер и наименование операции: Операция 020 плоскошлифовальная
Для шлифования данной заготовки, исходя из её габаритных размеров, примем
плоскошлифовальный станок мод.3724.
Техническая характеристика станка:
|
Класс точности станка по
ГОСТ 8-82, (Н, П, В, А, С) …………………. Длина рабочей поверхности стола, мм
…………………………………. Ширина стола, мм 400……………………………………………………. Мощность двигателя
главного движения, кВт. ………………………… Габариты станка Длина_Ширина_Высота, мм.
………….5000 х 2505 х Масса станка, кг. ………………………………………………………….
|
Н 2000 400 28 2955 17000
|
2.3.3 Разработка операций технологического процесса изготовления
«плиты нижней»
Операционная технология изготовления плиты нижней представлена ниже:
Операция 010 Фрезерная с ЧПУ
Оборудование: сверлильно- фрезерно- расточной станок с ЧПУ мод.
ИС800ПМФ4
Приспособление: Тиски пневматические поворотные с переустанавливаемой
опорной губкой.
Установ А: установить заготовку в тиски
Содержание: 1. Фрезеровать опорную плоскость в размер 47,5(+0,5)мм.
Фреза торцовая 2214-0386 ГОСТ 26595-85
.Фрезеровать торец в размер 485 мм
Фреза концевая по ТУ 2-035-476-76
Установ Б: установить заготовку в тиски
Содержание:
. Фрезеровать плоскость в размер 45,5 (+0,5)мм.
Фреза торцовая 2214-0386 ГОСТ 26595-85
.Фрезеровать торец в размер 480+1,5 мм
Фреза концевая по ТУ 2-035-476-76
Операция 015 Слесарная
Оборудование: Верстак слесарный
Содержание: Зачистить заусенцы
Операция 020 Плоскошлифовальная
Оборудование: плоско- шлифовальный станок мод. 3724
Приспособление: магнитная плита 7208-0021 П ГОСТ 16528-81
Установ А: установить заготовку на магнитной плите
Содержание:
. Шлифовать опорную плоскость , выдерживая размер 45,1(+0,5)
Круг 1 200х20х32 25А 40 П СМ16 К5 35м/с А ГОСТ 2424-83.
Установ Б: установить заготовку на магнитной плите
.Шлифовать рабочую плоскость выдерживая размер 45(+0, 62)
Круг 1 200х20х32 25А 40 П СМ16 К5 35м/с А ГОСТ 2424-83.
Операция 025 Фрезерная с ЧПУ
Оборудование: сверлильно- фрезерно- расточной станок с ЧПУ мод.
VB
Приспособление: Тиски пневматические поворотные с переустанавливаемой
опорной губкой.
Установить заготовку в тиски
Содержание:
. Фрезеровать уступ под углом 60°, выдерживая размеры 135,5±0,1мм.
Фреза Концевая по ТУ 2-035-476-76
. Фрезеровать фаски: 25×45°- 2 фаски и 25×60°- 2 фаски .
-4. Центровать 2 отверстия под направляющие колонки ø7,5
мм
Сверло центровочное 2317-0010 ГОСТ 14952-75
-6. Сверлить 2 отверстия под направляющие колонки ø
25 мм
Сверло спиральное 2301-0087 ГОСТ 10903-77
7.
Рассверлить отв.
35+0,025 мм
Сверло
спиральное 2301-0125 ГОСТ 10903-77
.
Рассверлить отв.
39+0,025 мм.
Сверло
спиральное 2301-0137 ГОСТ 10903-77
.
Расточить отв.
36+0,025
мм
Расточной блок CoroBore™ 825 R825A-AF11STUP06T1A
10.
Расточить отв.
40+0,025 мм.
Расточной
блок CoroBore™ 825 R825A-AF11STUP06T1A
-23.
Центровать 4 отв.
2 мм
Сверло
центровочное 2317-0010 ГОСТ 14952-75
-27.
Сверлить 4 отв.
16,5(+0,12)мм.
Сверло
спиральное 2300-0236 ГОСТ 10902-77
-31.
Зенковать 4 отв.
23(+0,12)мм.
Зенковка
2353-0105 ГОСТ 14953-80
-37.
Центровать 6 отв.
2 мм
Сверло
центровочное 2317-0010 ГОСТ 14952-75
-43.
Сверлить 6 отв.
12,5(+0,43)мм.
Сверло
спиральное 2300-0220 ГОСТ 10902-77
-49.
Зенковать 6 отв.
18,5(+0,52)мм.
Зенковка
2353-0105 ГОСТ 14953-80
-54.
Центровать 5 отв.
2,5 мм
Сверло
центровочное 2317-0010 ГОСТ 14952-75
-59.
Сверлить 5 отв.
12мм.
Сверло
спиральное 2300-0219 ГОСТ 10902-77
-64.
Зенковать 5 отв.
12,5(+0,43)мм.
Зенковка
2353-0103 ГОСТ 14953-80
-66.
Цетровать 2 отв.
2,5 мм
Сверло
центровочное 2317-0010 ГОСТ 14952-75
-68.
Сверлить 2 отв.
15,5(+0,43)мм.
Сверло
спиральное 2300-0244 ГОСТ 10902-77
-70.
Нарезать резьбу М16 в 2 отв.
Метчик
ГОСТ 3266-81
Операция
030 Слесарная
Оборудование:
Верстак слесарный
Содержание:
Установить пуансон- матрицадержатель на плиту, скрепить болтами.
Операция
035 Фрезерная с ЧПУ
-2.
Центровать 2 отв.
2,5 мм
Сверло
центровочное 2317-0010 ГОСТ 14952-75
-4.
Сверлить 2 отв.
9,8(+0,36)мм.
Сверло
спиральное 2300-0317 ГОСТ 10902-77
-6.
Зенкеровать 2 отв.
9,9(+0,36)мм.
Зенкер
специальный Р6М5
-8.
развернуть 2 отв.
10(+0,43)мм.
Развертка
1721-0008 по ГОСТ 1672-71
Операция
040 Контрольная
Содержание:
Произвести контроль плиты согласно чертежу.
Контролировать
полученные размеры.
Штангенциркуль
ШЦ-I-125-0.05 ГОСТ 166-89.
штамп
деталь обработка изготовление
2.3.4 Расчет и назначение режимов резания для обработки детали
«плита нижняя»
Рассчитаем режимы резания на сверление операция 030 переход 1-4 -
черновая обработка поверхности.
Применяемый режущий инструмент: сверло спиральное 2300-6546 ГОСТ 10902-77
Режимы обработки:
Скорость резания:
Из таблицы выбираем значения коэффициентов

; 
; 
; 
Стойкость
инструмента 
.
Частота
вращения шпинделя:
Скорость
подачи 
Время
операции 
Режимы
резания на операции 010,025,035 приведены в таблице 2.2.
Таблица
2.2 «Режимы резания»
|
№ перехода
|
t, мм
|
Sz, мм/зуб
|
S0, мм/об
|
Vs, мм/мин
|
V, м/мин
|
n, мин-1
|
i, шт
|
T0, мин
|
|
Операция 010
|
|
3
|
2,5
|
2,5
|
0,25
|
182
|
37
|
74
|
2
|
5,3
|
|
4
|
5
|
0,07
|
0,28
|
37,3
|
20,9
|
133
|
1
|
2,4
|
|
Операция 025
|
|
1
|
25
|
0,07
|
0,28
|
27
|
12,25
|
98
|
3
|
9
|
|
2
|
25
|
0,07
|
0,28
|
36,4
|
14,5
|
130
|
1
|
4,2
|
|
3,4
|
7,5
|
-
|
0,08
|
25
|
15
|
320
|
1
|
0,1
|
|
5,6
|
12,5
|
-
|
0,58
|
78,3
|
10,6
|
135
|
1
|
0,6
|
|
7
|
5,5
|
-
|
0,62
|
53,3
|
9,75
|
86
|
1
|
0,8
|
|
8
|
0,5
|
-
|
0,09
|
44
|
70
|
890
|
2
|
0,8
|
|
9
|
7,5
|
-
|
0,62
|
46,9
|
9,5
|
75,6
|
1
|
0,6
|
|
10
|
0,5
|
-
|
0,09
|
28
|
70
|
560
|
2
|
1,4
|
|
11-14
|
2
|
-
|
0,07
|
0,28
|
31
|
1600
|
1
|
0,1
|
|
15-18
|
8
|
-
|
0,36
|
76
|
9,6
|
190
|
1
|
0,2
|
|
19-22
|
10
|
-
|
0,08
|
20,4
|
16
|
25
|
2
|
0,5
|
|
23-28
|
2,8
|
-
|
0,19
|
0,28
|
29
|
1320
|
2
|
0,51
|
|
29-34
|
2
|
-
|
0,07
|
0,28
|
31
|
1600
|
1
|
0,1
|
|
35-40
|
6
|
-
|
0,34
|
76,8
|
8,5
|
226
|
1
|
0,15
|
|
41-46
|
15
|
-
|
0,06
|
22,24
|
14
|
278
|
2
|
0,6
|
|
47-51
|
2
|
-
|
0,07
|
0,28
|
31
|
1600
|
1
|
0,1
|
|
52-56
|
6
|
-
|
0,34
|
76,8
|
8,5
|
226
|
1
|
0,15
|
|
57-61
|
10
|
-
|
0,06
|
21,4
|
14
|
357
|
1
|
0,4
|
|
62-63
|
2
|
-
|
0,07
|
0,28
|
31
|
1600
|
1
|
0,1
|
|
64-65
|
7,5
|
-
|
0,36
|
71,2
|
9,3
|
197
|
1
|
0,2
|
|
66-67
|
1
|
-
|
2
|
-
|
8
|
170
|
1
|
0,12
|
|
Операция 035
|
|
1-2
|
2,2
|
-
|
0,07
|
0,28
|
31
|
1600
|
1
|
0,1
|
|
3-4
|
5
|
-
|
0,3
|
83
|
8,7
|
276
|
1
|
0,12
|
|
5-6
|
5
|
-
|
0,55
|
105
|
6
|
191
|
1
|
0,09
|
|
7-8
|
5
|
-
|
0,8
|
43
|
2
|
54
|
1
|
0,2
|
|
|
|
|
|
|
|
|
|
|
|
|
Режимы резания на операцию 020 приведены в таблице 2.3.
Таблица 2.3 «Режимы резания»
|
№ перехода
|
t, мм
|
Sпр, мм/ход
|
Vд, м/мин
|
S0, мм/об
|
V, м/с
|
n, мин-1
|
i, шт
|
|
операция 020
|
|
1
|
0,05
|
5
|
15
|
-
|
30
|
2600
|
2
|
3,3
|
|
2
|
0,05
|
5
|
15
|
-
|
30
|
2600
|
2
|
3,3
|
2.4 Последовательность сборки штампа
Сборка Гмбочного штампа совмещенного действия
состоит из следующих операций:
1. Установка нижней плиты на пресс - держателя 4 на плите 1
разметка отверстий под болты 22 и специальные болты 25.
2. Центрование, сверление и зенкование отверстий под болты 22 и
3. Установка матрицы 6 на пуансон- матрицу 2, посадка плиты 13 на
колонки 15,16 и разметка отверстий под крепежные болты 23.
. Посадка плиты 1 на колонки 3 испытание штампа на прессе.
2.5 Расчет и назначение режимов обработки
В
дипломном проекте производим расчет режимов резания расчетно-аналитическим
методом на переход 1 операции 045 Токарно-револьверной с ЧПУ проектного
технологического процесса механической обработки червячной фрезы. На данном
переходе производим черновое точение наружной поверхности в размер Æ
мм.
Глубина
резания составляет
.
Выбираем
рекомендуемую подачу резца
.
Определяем
величину скорости резания по формуле
(2.2)
где
Т
- стойкость инструмента, мин;
Сv, m, x, y -
коэффициент и показатели степени в формуле скорости резания;
Kv - поправочный
коэффициент на скорость резания, учитывающий влияние различных факторов.
Принимаем
Сv = 340, х = 0.15, у = 0.45, m = 0.2. T =
60 мин
Поправочный
коэффициент на скорость резания определяем по формуле
, (2.3)
где
Kmv -
коэффициент, учитывающий влияние физико-механических свойств обрабатываемого
материала на скорость резания;
Knv -
коэффициент, учитывающий влияние состояния поверхности заготовки на скорость
резания;
Kuv -
коэффициент, учитывающий влияние инструментального материала на скорость
резания.
(2.4)
Принимаем
Kг = 0.7, nv = 1.0.
Таким
образом,
Принимаем
Knv = 0.9; Kuv = 1.0.
Скорость
резания по формуле (2.2)
Определяем
частоту вращения заготовки
(2.5)
Принимаем
частоту вращения равную 530 мин-1
Тогда,
действительная скорость резания составит
Определяем
главную составляющую силы резания Рz по формуле
(2.6)
где Cp, x, y, n -
коэффициент и показатели степени в формуле силы резания;
Kр - поправочный
коэффициент на силу резания, учитывающий влияние различных факторов.
Принимаем
Cp = 300, x = 1.0, y = 0.75, n = - 0.15.
Поправочный
коэффициент на силу резания, учитывающий влияние различных факторов определяем
по формуле
(2.7)
где
Kmp -
поправочный коэффициент, учитывающий влияние качества обрабатываемого материала
на силовые зависимости;
Kjp, Klp, Krp, Kgp - коэффициенты, учитывающие влияние режущих
параметров инструмента на силовые зависимости.
(2.8)
Принимаем
n = 0.75.
Принимаем
Kjp = 0.89, Klp = 1.0, Krp = 1.0, Kgp =
1.1 [12, с.275].
Таким
образом,
Определяем
мощность, требуемую на резание по формуле
(2.9)
Мощность,
допускаемую кинематикой станка, определяем по формуле
(2.10)
где
Nэ/дв - мощность
электродвигателя привода главного движения станка;
h - КПД привода
главного движения станка.
Принимая
Nэ/дв = 18.5 кВт, h = 0.8, получим
Так
как, выполняется условие
,
то
обработка детали возможна на установленных режимах резания.
Определяем
основное (технологическое) время на переход по формуле
, (2.11)
где
L - длина
обрабатываемой поверхности с учетом величин вреза и
перебега
резца, 92 мм.
Таким
образом,
На
операции разработанного технологического процесса изготовления червячной фрезы
режимы резания представлены в таблице 2.
2.6 Назначение режимов термообработки
Термическая
обработка инструмента предопределяет его физико-механические свойства:
теплостойкость, износостойкость и прочность. При термообработке инструмент
подвергают отжигу, закалке и отпуску, а также дополнительной химико-термической
обработке.
Отжиг
проводят для снятия внутренних напряжений и понижения твердости после горячей
обработки давлением (прокатки, ковки) и сварки заготовок, а также перед
повторной закалкой инструмента (если закалка и отпуск оказались
неудовлетворительными). Заготовки из быстрорежущей стали отжигают при
температуре 830-850° С с выдержкой 3-4 ч. Более высокая температура нагрева
усиливает окисление и обезуглероживание, увеличивает легированность аустенита,
повышает устойчивость против распада в перлитной области, что усложняет
выполнение отжига. Продолжительность нагрева быстрорежущей стали при
температуре отжига влияет на теплостойкость стали после закалки и отпуска.
Заготовки
после отжига охлаждают вместе с печью первоначально до температуры 750-760°С со
скоростью 30-40° С/ч, затем до 600 °С со скоростью 40-50° С/ч и далее на
воздухе.
Закалку
производят в следующем режиме:
· первый подогрев в воздушной электропечи до температуры 400 -
500ОС,
· второй подогрев в соляной ванне до 800 - 900ОС,
· окончательный нагрев в соляной ванне до 1210 -1215ОС.
После этого производят охлаждение в масле.
Структура быстрорежущей стали после закалки состоит из мартенсита,
остаточного, аустенита и карбидов. Отпуск быстрорежущей стали необходим для
превращения остаточного аустенита, а также для отпуска первичного и вторичного
мартенсита и снятия при этом внутренних напряжений. Превращение остаточного
аустенита а мартенсите в быстрорежущей стали достигается длительным отпуском
при температуре 560-570 °С в течение 3-4 ч или многократным отпуском с более
короткими выдержками. Это превращение тем полнее, чем больше число отпусков.
При многократном отпуске полученный мартенсит более легирован, так как
превращения происходят при более низких температурах. Во время отпуска
быстрорежущей стали при 525-575 °С происходит превращение остаточного аустенита
и выделение мелкодисперсных и устойчивых против коагуляции карбидов, что
вызывает дисперсионное твердение, называемое вторичной твердостью. Высокая
твердость, полученная при отпуске, сохраняется при последующем нагреве до 600
°С, что обеспечивает теплостойкость быстрорежущей стали. Многократный отпуск,
не меняя теплостойкости, повышает механическую прочность инструмента за счет
уменьшения напряжений, образовавшихся при превращении остаточного аустенита.
2.7 Расчет и назначение нормы времени
Рассчитаем норму времени на операцию 045 токарно-револьверную с ЧПУ
технологического процесса механической обработки червячной фрезы
Основное технологическое время на операцию
Тм = 4.1 мин
Время цикла автоматической работы станка по программе рассчитывается по
формуле
,
где
Тмв
- машинно-вспомогательное время работы станка по программе
(включает
в себя время на ускоренное перемещение инструмента в зону резания, на
установочные движения инструмента в зоне резания, на автоматическую смену
инструмента и т.д.), мин
Таким
образом,
Вспомогательное
время на операцию, не перекрываемое временем автоматической работы станка по
программе, рассчитывается по формуле
, (2.25)
где
Тв
уст - время на установку и снятие детали, мин,
Тв
оп - время, связанное с операцией, не вошедшее в управляющую программу (время
на проверку прихода инструмента в заданную точку после обработки, на установку
и снятие щитка от разбрызгивания эмульсией), мин
Тв
изм - время на технические измерения, мин
Принимаем
Принимаем
время на измерение поверхностей:
Штучное
время на операцию определяется по формуле
, (2.26)
где
Кtb -
поправочный коэффициент на вспомогательное время,
а
- время на техническое и организационное обслуживание рабочего места, отдых и
личные потребности, в % от оперативного
Принимаем
Кtb = 1.52
а
= 10%
Тогда,
Штучно-калькуляционное
время на операцию рассчитывается по формуле
, (2.27)
где
Тпз
- подготовительно-заключительное время на операцию
, (1.71)
где
Тпз1
- время на организационную подготовку;
Тпз2
- время на наладку станка, приспособления, инструментов;
Тпз3
- время на пробную обработку детали.
Принимаем
Тпз1
= 9 + 2 + 2 = 13 мин [8, с.96] (время на получение наряда, чертежа, комплекта
технологической документации, инструмента и оснастки (в
инструментально-раздаточной кладовой), на ознакомление с документами на
инструктаж мастера).
Тпз2
= 2.5 + 0.15×6 + 6.5 + 6×0.8 + 1.0 +
1.0 + 0.2 = 16.9 мин [8, с.96] (время на наладку станка, приспособлений,
инструмента, программных устройств).
Тпз3
= 0 мин (пробную обработку производить не будем).
Таким
образом,
Нормы
времени на операции проектного технологического процесса изготовления червячной
фрезы рассчитаны аналогичным образом.
III. ЭКСПЛУАТАЦИОННЫЙ РАЗДЕЛ
3.1 Назначение критерия износа рабочих деталей штампа
Штамповая оснастка в процессе эксплуатации находится под действием
значительных нагрузок. Эти нагрузки различны по величине и направлению и
зависят от характера работ, для которых предназначен штамп. Так, например,
матрицы вырубных штампов при работе испытывают напряжение на изгиб, на разрыв и
на срез; матрицы штампов ударного выдавливания испытывают напряжения на изгиб и
разрыв, а пуансоны к этим штампам - напряжения на изгиб и сжатие. Выдержать все
эти нагрузки сможет лишь такая деталь штампа, для изготовления которой
правильно выбран материал.
Помимо силовых нагрузок, возникающих в рабочий момент, на штамповую
оснастку влияют и другие условия, например загрязнение материала,
подвергающегося штамповке. Попадание грязи в виде земли или песка является
причиной истирания рабочей кромки пуансонов и матриц в вырубных штампах или
приводит к задирам на рабочих поверхностях вытяжных и гибочных штампов.
Заусенцы и дефекты поверхностного среза получаются также в результате
неравномерного распределения зазора по периметру и при большом затуплении
режущих кромок пуансона и матрицы. На рис. 6 показана схема образования
заусенцев в результате значительного притупления режущих кромок. В случае
затупления режущих кромок пуансона , заусенцы образуются на вырезаемой детали
(рис. 6, а). При затуплении матрицы заусенцы возникают вокруг пробитого
отверстия (рис. 6,б). Наконец если затупилась матрица и пуансон заусенцы
образуются и на детали и вокруг отверстия на материале (рис. 6,в)
Необходимо указать, что незначительное притупление режущих кромок (r=0,05) в случае вырубки стали
толщиной свыше 1мм не вызывает появления заусенцев и повышает стойкость штампа.
Так при чистовой вырубке рекомендуется искусственное скругление режущих кромок.
Критерием износа рабочих деталей штампа является затупление режущих
кромок на 0,15-0,2 мм.
3.2 Расчет годовой потребности изготовления штампа
Штамп, изготовленный с учетом особенностей технологии штамповки (например,
устройство соответствующего уклона в окнах вырубных матриц), имеет более
высокие эксплуатационные данные.
Повышение стойкости штампов зависит от качества их изготовления: от
точности сопряжения, термической обработки деталей штампа, участвующих в
формообразовании изделий, и качества отделки рабочих поверхностей пуансонов и
матриц.
Способность штампов выдержать определенное количество вырубок до ремонта
или до полного износа называют их стойкостью. Для вырубных штампов средняя
стойкость составляет 20 000-25 000 деталей до переточки и 600 000-800 000
деталей до полного износа.
Средние нормы стойкости штампов для листовой штамповки между двумя
переточками [10, с,167] представлены в таблице 3.1
Таблица 3.1. Средние нормы стойкости штампов для листовой штамповки между
двумя переточками или ремонтами, тыс. ударов
|
Тип штампа
|
Толщина металла, мм
|
|
Св. 0,5 до 1
|
Св. 1 до 2
|
Св. 2 до 3
|
Св. 3 до 4
|
Св. 4 до 6
|
|
Материал рабочих частей
|
|
У10А
|
Х12Ф1
|
У10
|
Х12Ф1
|
У10А
|
Х12Ф1
|
У10А
|
Х12Ф1
|
У10А
|
Х12Ф1
|
|
Вырубной
|
45-50
|
55-65
|
35-40
|
45-55
|
30-35
|
35-40
|
20-25
|
25-30
|
15-20
|
20-25
|
|
Пробивной
|
40-45
|
-
|
35-40
|
-
|
30-35
|
-
|
22-25
|
-
|
18-20
|
-
|
|
Обрезной
|
35-40
|
45-50
|
25-30
|
30-40
|
20-25
|
25-30
|
15-20
|
20-25
|
12-15
|
15-18
|
|
Гибочный:
|
|
|
|
|
|
|
|
|
|
|
|
без прижима
|
50-60
|
-
|
45-55
|
-
|
30-40
|
-
|
25-35
|
-
|
23-30
|
-
|
|
с прижимом
|
40-45
|
-
|
25-30
|
-
|
-
|
20-25
|
-
|
15-20
|
-
|
12-15
|
|
Вытяжной
|
45-50
|
60-70
|
35-40
|
50-60
|
-
|
40-50
|
-
|
25-35
|
-
|
15-20
|
|
Формовочный
|
40-45
|
55-65
|
30-35
|
45-55
|
-
|
35-45
|
-
|
20-30
|
-
|
12-15
|
|
Правочный
|
25-30
|
30-40
|
22-27
|
27-25
|
20-25
|
25-32
|
-
|
20-28
|
-
|
15-20
|
По данным таблицы определяем что минимальная стойкость спроектированного
штампа составляет 30000. Полный износ штампа наступит примерно через 12
переточек. Таким образом штамп способен обработать 300000 деталей
Определим годовую потребность в изготовлении штампа
где:
шт -
годовая программа выпуска деталей
Т=300000
шт - период стойкости
Таким
образом , годовая потребность в изготовлении штампа составит менее 1 шт.
3.3 Правила эксплуатации штампов
При эксплуатации штампы, должны находиться под
непрерывным наблюдением.
. Во время работы штампа на прессе необходимо каждую
смену тщательно осматривать штамп и протирать его, удаляя оседающую на рабочие
части штампа металлическую стружку и пыль, смазывать направляющие детали,
следить за состоянием пресса.
. Эксплуатация штампа должна быть немедленно прекращена
при обнаружении каких-либо отклонений в работе. Дальнейшая эксплуатация штампа
возможна только после выяснения и устранения этих отклонений.
. В случае обнаружения на рабочих частях штампа сколов
или царапин необходимо отправлять его на заточку или в ремонт.
. Повторную заточку необходимо проводить после
затупления режущих кромок на 0,15-0,2 мм.
. При нормальном износе штампа слой подлежащий
удалению при заточке, не должен превышать 0,4 мм.
. После 80-100 тыс. вырубок штампы подвергают
профилактическому осмотру. Рабочие части осматривают через лупу с увеличением
10Х. При отсутствии трещин, сколов и других дефектов штамп годен для работы.
IV.
ЭКОНОМИЧЕСКИЙ РАЗДЕЛ
4.1 Технико-экономическое сравнение изготовления детали «Обечайка»
«Труба Жаровая» по заводскому и проектному вариантам технологических процессов
В экономической части дипломного проекта производим технико-экономическое
сравнение изготовления детали «Обечайка» и «Труба Жаровая».
4.1.1 Расчет минимальной технологической себестоимости производства
детали «Шарнир»
Технологическая себестоимость изготовления детали определяется по формуле
;
где:
М - затраты на материалы;
З - трудовые затраты;
С р.м. - затраты на эксплуатацию рабочего места;
Затраты на материалы определяются по формуле:
;
где:
-
стоимость 1 т листа стали =35000 руб/т.;
-
стоимость 1 т отходов, =
.
- масса
заготовки = 2000кг.
- масса
детали = 248 кг
;
где:
-
площадь необходимой для штамповки заготовки в м2 (см п.1.1.2);
- масса
одного м2 листа стали толщиной 70 мм;
= 400 кг
(по ГОСТ 19903-74);
;
где:
-
площадь детали в м2 ;(см п.1.5.1);
- масса
одного м2 листа стали толщиной 70 мм;
= 400 кг
(по ГОСТ 19903-74);
Для
заводского варианта технологического процесса:

=0,658•400=263,2

=0,630•400=252
Для
проектного варианта технологического процесса:

=0,560•400=224

=0,512•400=204,8
Таким
образом, для заводского варианта:
М=
35000•0,65-1,8•(0,65-063)= 22749,
Для
проектного варианта
М=
35000•0,56-1,8•(0,56-0,51)= 22536,9
Таким
образом затраты на материалы на изготовление партии деталей по сравниваемым
технологическим процессам составят:


Трудовые
затраты определяются по формуле
З
= С ч.т · Т шт.к ,
где:
С
ч.т - часовая тарифная ставка рабочего соответствующего разряда, руб/ч.
Расчет
трудовых затрат по заводскому и проектному технологическим процессам представлен
в таблицах 4.1, 4.2.
Таблица
4.1 «Расчет трудовых затрат по заводскому т.п.»
|
№
|
Наименование операции
|
Тшт.к., ч
|
Разряд работ
|
Сч.т., Руб.
|
З, руб.
|
|
1
|
2
|
3
|
4
|
5
|
6
|
|
005
|
Штамповочная
|
0,001
|
4
|
39,52
|
0,04
|
|
010
|
Сверлильная
|
0,1
|
4
|
3,2
|
|
S
|
0,101
|
|
S
|
3,3
|
Таким образом, общие трудовые затраты на изготовление шарнира по
заводской технологии составят:
Таблица
4.2 «Расчет трудовых затрат по проектному т.п.»
|
№
|
Наименование операции
|
Тшт.к., ч
|
Разряд работ
|
Сч.т., Руб.
|
З, руб.
|
|
1
|
2
|
3
|
4
|
5
|
6
|
|
005
|
Штамповочная
|
0,001
|
4
|
39,52
|
0,04
|
|
S
|
0,001
|
|
S
|
0,04
|
Таким образом, общие трудовые затраты на изготовление шарнира по
проектной технологии составят
Затраты
на эксплуатацию рабочего места определяем по формуле
С
р.м. = С баз ч.з · Км · Т шт.к ,
где:
С
баз ч.з - часовые затраты на базовом рабочем месте, 13.25 руб./ч.
Км
- коэффициент машино-часа соответствующего оборудования.
Расчет
затрат на эксплуатацию рабочего места по заводскому и проектному
технологическим процессам представлены в таблицах 4.3, 4.4,
Таблица
4.3 «Расчет затрат на эксплуатацию рабочего места при изготовлении шарнира по
заводскому т.п.»
|
№
|
Наименование операции
|
Тшт.к., ч
|
Модель обору- дования
|
Км
|
Ср.м, руб.
|
|
015
|
Штамповочная
|
0,001
|
КД2328Е
|
1
|
0,001
|
|
020
|
Сверлильная
|
0,1
|
2М112
|
0,5
|
0,05
|
|
|
|
|
S
|
0,051
|
Таблица 4.4 «Расчет затрат на эксплуатацию рабочего места при
изготовлении шарнира по заводскому т.п.»
|
№
|
Наименование операции
|
Тшт.к., ч
|
Модель обору- дования
|
Км
|
Ср.м, руб.
|
|
015
|
Штамповочная
|
0,001
|
КД2328Е
|
1
|
0,001
|
|
|
|
|
S
|
0,001
|
Минимальная технологическая себестоимость изготовления шарнира по
заводскому варианту т. п. составит:
Ср.м.=0,051 руб.
Минимальная технологическая себестоимость изготовления шарнира по
проектному варианту т. п. составит:
Ср.м.=0,001 руб.
4.2 Расчет себестоимости изготовления штампа
При расчете себестоимости изготовления штампов воспользуемся укрупненным
способом расчета основанным на данных стоимости одного норма часа работ по
изготовлению инструментальной оснастки на ОАО ПЗ «СИГНАЛ» таблица. 4.5.
Таблица 4.5 «КАЛЬКУЛЯЦИЯ стоимости 1 нормо-часа работ по ОИП
с 01.01.2011 г. в руб.»
|
№
|
Статьи
|
Оснастка
|
Заточка инстр.,
|
Лекальные
|
Испытание
|
Сборка
|
Ремонт
|
|
п/п
|
Затрат
|
|
шлиф, работы
|
работы, ТО
|
шлиф, кругов
|
УСП
|
и доработка осн.
|
|
1
|
Материалы
|
108,00
|
-
|
-
|
-
|
-
|
31,00
|
|
2
|
Основная зарплата
|
76,00
|
76,00
|
61,00
|
51,00
|
61,00
|
76,00
|
|
3
|
Дополнит, зарплата
|
9,00
|
9,00
|
7,00
|
6,00
|
7,00
|
9,00
|
|
4
|
Отчисления на соц. страхование
|
28,9
|
28,9
|
23,12
|
19,38
|
23,12
|
28,9
|
|
5
|
Производств.расходы
|
152,00
|
152,00
|
122,00
|
102,00
|
122,00
|
152,00
|
|
6
|
Себестоимость
|
373,9
|
265,9
|
213,12
|
178,38
|
213,12
|
296,9
|
Согласно заводским данным количество затраченных нормачасов на
изготовление штампов:
Пробивного штампа 100 Н/ч
Вырубного штампа 150 Н/ч
Тогда стоимость СШ составит :
Пробивного штампа СШП = 100·373,9 = 37390руб.
Вырубного штампа СШВ = 150·373,9 = 56085 руб.
Количество нормачасов требуемых на изготовление проектного
комбинированного штампа определим как 70…75% от времени на изготовление
вырубного и пробивного штампов
Тогда стоимость СШ составит :
Комбинированного штампа СШК = 180·373,9 = 67302 руб.
4.3 Расчет полной себестоимости изготовления шарнира по заводскому и
проектному вариантам т. п.
В дипломном проекте составляем калькуляцию полной себестоимости шарнира
по базовому и проектному вариантам технологических процессов механической
обработки.
В таблице 4.6 произведен расчет полной себестоимости изготовления шарнира
по заводскому и проектному т.п.
Таблица 4.6. «Калькуляция полной себестоимости изготовления шарнира по
базовому и проектному т.п.»
|
п/п
|
Наименование статей
расходов
|
Технологический процесс
|
Примечание
|
|
|
база
|
проект
|
|
|
1
|
2
|
3
|
4
|
5
|
|
1
|
Материалы основные
|
0,53
|
0,47
|
|
|
2
|
Материалы вспомогательные
|
|
|
|
|
3
|
Полуфабрикаты своего
предприятия
|
|
|
|
|
4
|
Полуфабрикаты кооперативные
|
|
|
|
|
5
|
Топливо технологическое
|
|
|
|
|
6
|
Транспортно-заготовительные
расходы
|
0,01
|
0,01
|
2,2% от п.1
|
|
Итого материалов
|
0,54
|
0,39
|
|
|
Отходы
|
0,008
|
0,007
|
|
|
7
|
Итого материалов за вычетом
отходов
|
0,53
|
0,47
|
|
|
8
|
Энергия технологическая
|
|
|
|
|
9
|
Зарплата основная
|
3,3
|
0,04
|
|
|
10
|
Зарплата дополнительная
|
0,03
|
0,0036
|
9% от п.9
|
|
11
|
Начисления на зарплату
|
1,13
|
0,006
|
34% от (п.9 + п.10)
|
|
12
|
Услуги работников сторонних
организаций
|
|
|
|
|
13
|
Услуги других цехов
|
|
|
|
|
14
|
Износ моделей
|
|
|
|
|
15
|
Износ инструмента и
приспособлений
|
|
|
|
|
16
|
Расходы по содержанию и
эксплуатации оборудования
|
|
|
|
|
|
17
|
Внутризаводское перемещение
грузов
|
|
|
|
|
18
|
Цеховые расходы
|
7,4
|
0,09
|
224% от п.9
|
|
19
|
Общезаводские расходы
|
5,3
|
0,065
|
162% от п.9
|
|
20
|
Управленческие расходы
|
1,65
|
0,02
|
50% от п.9
|
|
Итого общезаводская
стоимость
|
19,34
|
0,69
|
|
|
21
|
Внепроизводственные расходы
|
4,8
|
0,17
|
25% от общ. стоимости
|
|
22
|
Полная себестоимость
|
24,14
|
0,86
|
|
|
|
|
|
|
|
Определяем нижний предел отпускной цены:
,
где
Н - примем 25% по предприятию.
Таким образом, цена «шарнира» по заводской технологии
составит:
Таким
образом, цена по проектной технологии составит:
4.4 Определение основных организационно-экономических показателей
проекта
В дипломном проекте определяем основные организационно-экономические
показатели изготовления «Шарнира»
Годовые издержки на производство определяем по формуле
Заводской вариант т.п.
Проектный
вариант т.п.
Производительность
труда основного производственного рабочего при изготовлении рассматриваемых
деталей определяем по формуле
,
где
R - расчетное
количество основных производственных рабочих, необходимых для изготовления
рассматриваемых деталей.
Заводской
вариант т.п.
Проектный
вариант т.п.
Таким
образом, производительность труда основных производственных рабочих при
заводском варианте технологического процесса
Производительность
труда основных производственных рабочих при проектном варианте технологического
процесса
Рассчитаем
годовой экономический эффект от изготовления
Гибочного
штампа.
-
где
-
стоимость изготовления пробивного штампа
-
стоимость изготовления вырубного штампа
-
стоимость изготовления комбинированного штампа
-
Годовые издержки на производство детали «шарнир» по заводской технологии
производства
-
Годовые издержки на производство детали «шарнир» по проектной технологии
производства
Таким
образом
(
-
) =
753673
Результаты
расчета основных организационно-экономических показателей изготовления детали
«шарнир» представлены в таблице 4.13
Таблица
4.13 «Организационно-экономические показатели проекта»
|
№
|
Наименование показателя
|
Единицы измерен.
|
Значения показателей
|
Проект в % к базе
|
|
|
|
На вырубном штампе и
сверлильном станке
|
На комби- нированном штампе
|
|
|
1.
|
Трудоемкость обработки
детали «Шарнир»
|
ч.
|
0,101
|
0,001
|
0,9%
|
|
2.
|
Годовой объем производства
инструмента
|
шт.
|
|
1
|
|
|
|
|
|
|
|
|
3.
|
Трудоемкость изготовления
инструмента
|
ч.
|
|
180
|
|
|
4.
|
Себестоимость изготовления
инструмента
|
руб.
|
|
67302
|
|
|
5.
|
Годовые издержки на
производство детали
|
руб.
|
754375
|
26875
|
3,56%
|
|
6.
|
Рентабельность производства
продукции
|
%
|
25
|
25
|
100%
|
|
7.
|
Численность основных
рабочих,
|
чел.
|
1,2
|
0,01
|
0,8%
|
|
8.
|
Производительность труда основного
рабочего
|
руб./чел.
|
628645,8
|
2687500
|
427,5%
|
|
9.
|
Годовой экономический
эффект от изготовления комбинированного штампа.
|
руб.
|
753673р.
|
СПИСОК ИСПОЛЬЗОВАННОЙ ЛИТЕРАТУРЫ :
. Справочник
технолога-машиностроителя. В 2-х т. Т1 / Под ред. А.Г. Косиловой и Р.К.
Мещерякова. - М.: Машиностроение, 1986.
. Гжиров Р.И.
Краткий справочник конструктора. - Л.: Машиностроение, 1988.
. Штампы для
холодной листовой штамповки. Расчеты и конструирование: издательство комитета
стандартов, мер и измерительных приборов, 1966.
. М.М. Палей
Технология производства приспособлений прессформ и штампов, 1971
. Справочник
конструктора штампов. Листовая штамповка Л.И.Рудман, 1968.
. В.П.
Романовский Справочник по холодной штамповке, 1976
.
Общемашиностроительные нормативы времени и режимов резания для нормирования
работ на металлорежущих станках. - М.: Машиностроение, 1974.
. Режимы
резания металлов, Справочник/Под ред. Ю.В.Барановского. - М.: Машиностроение,
1972.
. Справочник
технолога-машиностроителя. В 2-х т Т1/Под ред. А.Г. Косиловой и Р.К.
Мещерякова. - М. : Машиностроение, 1986.
. Справочник
технолога-машиностроителя. В 2-х т. Т2/Под ред. А.Г. Косиловой и Р.К.
Мещерякова. - М.: Машиностроение, 1986.
.Справочная
книга по охране труда в машиностроении.: Под общ. ред. О.Н Русака. - Л.:
Машиностроение, 1989.