Адаптация базового технологического процесса изготовления корпуса клапана пилотного для условий крупносерийного производства
Введение
Государственное предприятие "Воронежский механический завод"
(ВМЗ) основан в 1928 г. и представляет собой научно-производственный комплекс с
полным технологическим циклом создания и серийного производства сложных и
уникальных изделий машиностроения.
Являясь участником государственной программы освоения космоса, ВМЗ
серийно изготавливает широкий спектр ЖРД для ракет-носителей.
Более полувека ВМЗ выпускает поршневые авиадвигатели.
С1972 г. ВМЗ серийно выпускает газо- и электроплиты различных модификаций.
По программе "Конверсия" с 1989 г. ВМЗ начал выпускать:
· оборудование для мясоперерабатывающей и хлебопекарной
промышленности;
· медицинское оборудование.
Качество и оригинальность конструкции ножевых головок для куттеров
отмечены на Лейпцигской выставке золотой медалью.
Большой инженерно-конструкторский, потенциал, уникальное оборудование,
использование технологии двигателестроения позволили заводу быстро освоить
проектирование и изготовление запорно-фонтанного и устьевого оборудования для
нефтегазодобычи, оборудования для переработки, транспортирования нефти и газа.
Нефтегазовая арматура и барокамеры ВМЗ на Всемирном салоне изобретений и
научных исследований в Барселоне в 1995 г. отмечены золотыми медалями.
В 1996 г. разработка ВМЗ "Уплотнение технической колонны в устьевой
арматуре" и узел и "Узел регулировки потока газа в угловом штуцере
фонтанной арматуры" удостоены бронзовой и серебряной медали, а в 1997 г.
разработка ВМЗ "Запорно-дренажный клапан" удостоена серебряной медали.
Целью дипломного проектирования явилась модернизация технологического
процесса и средств технологического оснащения, используемых в условиях
крупносерийного производства. Для достижения указанной цели были приняты
следующие технико-экономические решения:
величины припусков на механическую обработку исходной заготовки,
получаемой штамповкой в закрытых разъемных штампах, были приведены в
соответствие с рекомендуемыми справочной литературой параметрами;
при выборе режимов механической обработки корпуса были учтены
рекомендации по выбору экономически целесообразных режимов резания;
вместо применяемых в базовом технологическом процессе дорогостоящих
металлорежущих станков с ЧПУ в условиях крупносерийного производства было
использовано универсальное технологическое оборудование;
вместо универсально-сборной технологической оснастки и стандартного
мерительного инструмента была спроектирована и применена специальная оснастка;
ручные слесарные работы по скруглению острых кромок и удалению заусенцев
были заменены производительной электрохимической обработкой;
для реализации новой технологии по изготовлению корпуса клапана
в условиях крупносерийного производства была проведена технологическая
перепланировка производственного участка;
была дана экономическая оценка основных показателей эффективности
сравниваемых вариантов технологических процессов.
Процесс проектирования технологии и технологического оснащения проводился
с применением компьютерной техники, систем автоматизированного проектирования и
использованием информационных технологий. В заключение дипломного
проектирования были рассмотрены вопросы организации ремонтного хозяйства, а
также мероприятия по снижению влияния негативных факторов производства на
экологию и работников участка.
1. Общая часть
.1 Назначение и условия работы детали
Корпус представляет собой базовую деталь клапана, рассчитанного на
рабочее давление РР =3,8 МПа и эксплуатируемого в диапазоне
температур от минус 36 до плюс 42 0 С. Основным назначением корпуса
является регулирование режима эксплуатации нефтяных, газовых и газоконденсатных
скважин.
Пилотный клапан, устанавливаемый непосредственно на пневмоприводе
центральной задвижки, предназначен:
для быстрого автоматического сброса давления газа питания из
пневмопривода центральной задвижки при уменьшении давления газа питания на
входе в него;
для предотвращения повторного открытия центральной задвижки после ее
автоматического закрытия системой управления;
для аварийного ручного закрытия или открытия центральной задвижки
оператором, находящимся рядом с ФА.
.2 Характеристика материала заготовки
Корпус является одной из базовых деталей при сборке клапана пилотного. Он
представляет собой штампованную деталь из стали 20Х13 ГОСТ 5632-72. Химический
состав хромистой нержавеющей стали 20Х13 гост 5632-72 приведен в таблице 1.1
[5].
Таблица 1.1 - Химический состав материала 20X13 ГОСТ 5632-72 (%)
|
Марка сплава
|
Элементы
|
|
Сr
|
Мn
|
P
|
S
|
Si
|
Ti
|
C
|
Ni
|
|
|
20Х13
|
13
|
0,60-
0,80
|
0,030
|
0,025
|
0,60-
0,80
|
0,80-0,90
|
0,16-0.25
|
1,5-2,5
|
|
Механические свойства хромистой нержавеющей стали 20Х13 ГОСТ 5632-72
приведены в таблице 1.2 [6].
Таблица 1.2 - Механические свойства стали 20Х13 ГОСТ 5632-72
|
, МПа , МПа , % , %
|
|
|
|
|
|
850
|
600
|
10
|
50
|
0,6
|
Сталь 20Х13 наиболее распространенная и наиболее дешевая. Такие стали
применяют для бытовых назначений и в технике. Стали с низким содержанием
углерода пластичны, из них хорошо штампуются различные детали, обладают
повышенной твердостью и прочностью, из них изготавливают детали (хирургический
инструмент, подшипники, пружины и т.д.) повышенной прочности и износоустойчивости
при высокой коррозийной стойкости.
.3 Описание конструкции детали
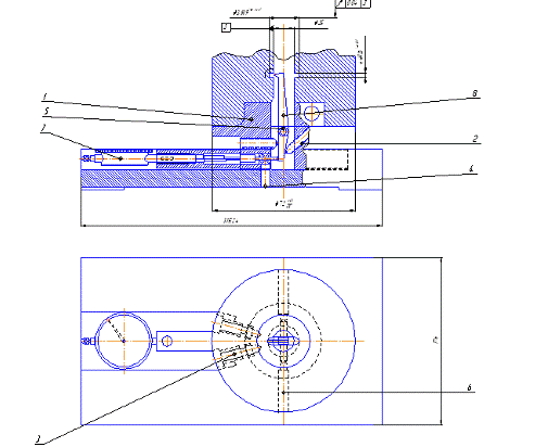
Корпус представляет собой цилиндрическую деталь Æ72×119,5мм, имеющую ряд ступенчатых
отверстий.
Наиболее
ответственной поверхностью корпуса, принятой в качестве установочной базовой
поверхности при сборке, является внутренняя цилиндрическая поверхность (Æ25Н9) с шероховатостью
. По этой
поверхности происходит взаимное сопряжение корпуса клапана пилотного с фонтанной
арматурой. Превышение радиального биения канавок под уплотнительные кольца не
должно превышать 0,04 мм, а радиусы выходящие на Æ25
должны полироваться до шероховатости
, в
противном случае это может к нарушению герметичности уплотнения и утечкам
рабочей среды из транспортной магистрали.
На
остальные обрабатываемые поверхности корпуса, кроме внутренних поверхностей (Æ56H10, Æ45H11, Æ9,8H11) предельные отклонения размеров установлены Н12;
h12; ±IT/2 по ГОСТ 25347-82.
Предельная
шероховатость поверхностей корпуса после механической обработки не должна
превышать
. При этом значительная доля поверхностей корпуса,
формируемых в процессе механической обработки, имеет шероховатость
,
,
и
. Исключением являются уплотнительные поверхности
канавок внутреннего Æ25 и радиуса, шероховатости поверхности которых не
должны превышать
и фаски наружных поверхностей шероховатостью
.
.4 Выбор метода получения заготовки
При выборе способа получения заготовки необходимо стремиться к
максимальному приближению формы и размеров заготовки к параметрам готовой
детали и снижению трудоемкости последующей механической обработки. При этом тот
или иной способ получения заготовки предопределяется назначением и конструкцией
детали, материалом, техническими требованиями, масштабом и серийностью выпуска,
а также экономичностью ее изготовления. Анализ рабочего чертежа (рисунок 2)
показывает, что значительное число наружных поверхностей детали не подвергается
механической обработке резанием и может быть сформировано уже на стадии
изготовления заготовки.
Заготовка корпуса клапана может получаться не только в результате
применения различных технологических процессов (литья, ковки, штамповки и др.),
но и несколькими различными вариантами одного и того же технологического
метода. При выборе конкретного метода получения заготовки определяющими
являются обеспечение заданной чертежом детали точности и чистоты поверхности,
не подвергаемой дальнейшей механической обработке, и экономичность ее
изготовления [13].
В условиях серийного производства наиболее рациональным способом
получения заготовки корпуса представляется штамповка, получаемая методом
горячей объемной штамповкой в закрытых разъемных штампах с формообразованием
внутренних полостей, что обеспечивает заготовки требуемую чертежом точность
размеров. Частота поверхности заготовки при данном методе штамповки получается
в пределах 20-80 мкм [16,17].
2. Технологическая часть
.1 Обоснование маршрутной технологии изготовления детали
Разработка технологического процесса состоит из комплекса взаимосвязанных
работ, предусмотренных стандартами ЕСТПП и должна выполняться в полном
соответствии с требованиями ГОСТ 14.301-83 «Общие правила разработки
технологических процессов и выбора технологического оснащения» [21]. При
разработке маршрутной технологии придерживаются следующих основных принципов
[1, 2, 3]:
а) в первую очередь, обрабатывают поверхности, которые являются базовыми
при дальнейшей обработке;
б) после этого обрабатывают поверхности с максимальным припуском для
выявления дефектов заготовки;
в) необходимо соблюдать принцип концентрации операций при котором как
можно больше поверхностей должно обрабатываться в одной операции;
г) необходимо соблюдать принципы совмещения и постоянства баз;
д) необходимо учитывать, на каких стадиях технологического процесса
целесообразно производить механическую, термическую и другие виды обработки в
зависимости от требований чертежа;
е) поверхности, к которым предъявляются наиболее высокие требования по
качественно-точностным характеристикам, окончательно обрабатываются в последнюю
очередь.
Разработка маршрута обработки любой детали начинается с предварительного
выбора вида обработки отдельных поверхностей заготовки и определения методов
достижения точности, соответствующей требованиям чертежа, серийности производства
и технологических возможностей существующего в наличии на предприятии
оборудования. После анализа этих данных приступают к составлению планов
механической обработки детали. Устанавливая последовательность обработки,
попутно определяют количество установов и позиций заготовки на станке. С учетом
особенностей конструкции заготовки; так же стремятся обработать за один установ
наибольшее количество поверхностей. Вновь разработанная маршрутная технология
обработки корпуса дроссельной задвижки представлена в комплекте карт
технологического процесса.
Операционная технология для изготовления корпуса разработана с учетом
места каждой операции в маршрутной технологии. К моменту проектирования каждой
операции известно, какие поверхности и с какой точностью обрабатываются на
предшествующих операциях, какие поверхности и с какой точностью нужно
обрабатывать на данной операции. Проектирование операций связано с разработкой
их структуры, с составлением схем наладок, расчетом настроенных размеров и
ожидаемой точности обработки, с назначением режимов обработки, определением
нормы времени и т. д. Номера поверхностей при составлении операционной
технологии указаны на эскизах.
Таблица.2.1 Маршрут изготовления детали Клапан
|
№ операции
|
Наименование операции операции
|
|
005
|
Заготовительная
|
|
010
|
Токарная
|
|
015
|
Токарная
|
|
025
|
Токарная
|
|
030
|
Токарная
|
|
035
|
Сверлильная
|
|
040
|
Резьбонарезная
|
|
045
|
Электрохимическая
|
|
050
|
Контрольная
|
2.2 Выбор моделей оборудования
Выбор оборудования является одной из важнейших задач при разработке
технологического процесса механической обработки детали. От правильного выбора
зависит производительность, экономное использование площадей, механизации и
автоматизации ручного труда, электроэнергии и, в итоге, себестоимость изделия.
При выборе станочного оборудования учитывается следующее: характер
производства, методы достижения заданной точности при обработке, соответствие
станка размерам детали, мощность станка, удобство управления и обслуживания
станка, габаритные размеры и стоимость станка, возможность оснащения станка
высокопроизводительными приспособлениями и средствами механизации и
автоматизации, кинематические данные станка, а также наличие имеющегося
оборудования. Результаты выбора оборудования представлены в таблице 2.2.
Таблица 2.2
|
№ операции
|
Наименование операции
|
Модель оборудования
|
|
010
|
Токарная
|
Станок токарный 16К25
|
|
015
|
Токарная
|
Станок токарный 16К25
|
|
025
|
Токарная
|
Станок токарный 16К25
|
|
030
|
Токарная
|
Станок токарный 16К25
|
|
035
|
Сверлильная
|
Станок вертикально-сверлильный 2М112
|
|
040
|
Резьбонарезная
|
Станок токарный 16К25
|
|
045
|
Электрохимическая
|
Электрохимический станок 4450
|
Технические характеристики станков для выполнения операций
технологического процесса изготовления корпуса клапана пилотного приведены в
таблицах 2.3 - 2.5.
Таблица 2.3 - Техническая характеристика токарного станка модели 16К25
|
Параметры
|
Значение
|
|
Максимальный диаметр обрабатываемого изделия: над
суппортом, мм
|
290
|
|
Максимальная длина обрабатываемой детали, мм
|
710-2000
|
|
Высота расположения центров, мм
|
250
|
|
Шаг нарезаемой резьбы, мм
|
0,01-40,959
|
|
Частота вращения
|
10-1250
|
|
Подача: продольная, мм/об поперечная, мм/об
|
0,05-2,08 0,025-1,4
|
|
Мощность главного электродвигателя, кВт
|
10
|
|
Габаритные размеры, мм: -ширина -длина -высота
|
1240 2505 1500
|
|
Масса станка, кг
|
2505
|
Таблица 2.4 - Техническая характеристика вертикально-сверлильного станка
2М112
|
Параметры
|
Значение
|
|
Наибольший условный диаметр сверления стали, мм
|
35
|
|
Рабочая поверхность стола, мм
|
450-500
|
|
Наибольшее расстояние от торца до рабочей поверхности
стола, мм
|
750
|
|
Наибольший ход шпинделя, мм
|
300
|
|
Наибольшее вертикальное перемещение сверлильной головки, мм
|
170
|
|
Частота вращения шпинделя, об/мин
|
450-4500
|
|
Подача шпинделя
|
0,1-1,6
|
|
Мощность двигателя, кВт
|
4,0
|
|
Габаритные размеры: ширина, мм длина, мм высота, мм
|
1030 885 2535
|
|
Масса станка, кг
|
1200
|
Таблица 2.5 - Техническая характеристика электрохимического станка 4450
|
Параметры
|
Значение
|
|
Максимальный размер обрабатываемой детали, мм
|
500
|
|
Размеры стола: длина, мм ширина, мм
|
630 400
|
|
Вместимость бака для электролита, л
|
380
|
|
Давление электролита, МПа
|
0,23
|
|
Наибольший технологический ток, А
|
1500
|
|
Напряжение рабочего тока, В
|
12-20
|
|
Общая мощность, потребляемая станком, кВт
|
27
|
|
Габариты станка: длина, мм ширина, мм высота, мм
|
1300 1100 2300
|
|
Масса станка, кг
|
1500
|
.4 Выбор режущего и мерительного инструмента
Штангенциркуль - универсальный измерительный инструмент, предназначенный
для измерения наружных и внутренних диаметров, длин, толщин, глубин, и т.д.
Точность измерения штангенциркулем определяется шкалой нониуса.
Использование нониуса позволяет получить отсчёт дробных частей миллиметра (0,1;
0,05 и 0,02мм). Основной частью штангенциркуля является штанга с миллиметровыми
делениями. Шкала нониуса имеет деления, отличающегося от целого числа делений
штанги на знание отсчёта. У штангенциркуля со значением отсчёта 0,1 мм деление
нониуса ровно 1,9 (или 4,9)мм, у штангенциркуля со значением отсчёта 0,05мм
деление нониуса - 1,95мм, а у штангенциркуля со значением отсчёта 0,02мм -
0,98мм при длине шкалы нониуса соответственно 19 (или 49), 39 и 49мм и числе
делений нониуса 10, 20 и 50.
По ГОСТ 166-80 изготавливаются штангенциркули трёх типов: ШЦ-I, ШЦ-II и ШЦ-III.
Штангенциркуль ШЦ-I с
двусторонним распоряжением губок предназначен для наружных и внутренних
измерений, он имеет линейку для измерения глубин, пределы измерений 0-125мм и
значение отсчёта 0,1мм.
Штангенциркуль ШЦ-II с
двусторонним расположением губок предназначен для измерения и для разметки,
пределы измерения 0-200 и 0-320мм, значение отсчёта 0,05мм и 0,1мм.
Штангенциркуль ШЦ-III с
односторонними губками имеет пределы измерения 0-500мм при значении отсчёта
0,05 и 0,1мм и 240-710, 320-1000, 500-1400, 800-2000мм при значении отсчёта
0,1мм.
Штангенциркуль со значением отсчёта 0,02мм и пределами измерения 0-300мм.
Штангенциркули могут быть изготовлены с раздельными нониусами для
наружных и внутренних измерений. В таком случае на шкале для внутренних
измерений нанесено слово «внутренний».
У штангенциркулей с одним нониусом нанесён размер сдвинутых губок для
внутренних измерений, который необходимо учитывать при измерениях.
Для измерения размеров детали клапан я выбрал Штангенциркуль ШЦ-II-250-0,05 ГОСТ 166-80.
Режущий инструмент.
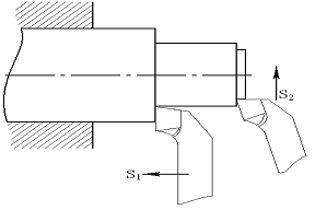
Резцы для обработки торцов и уступов. Торцы и уступы обрабатывают
подрезными, проходными отогнутыми или проходными упорными резцами.
Подрезной резец (рис. 1, а) предназначен для обработки наружных торцевых
поверхностей. При подрезании торца подача резца осуществляется перпендикулярно
оси обрабатываемой детали. Подрезной резец (рис. 2, б)позволяет обрабатывать
различные торцевые и другие поверхности с продольной и поперечной подачами.
Подрезные резцы изготовляют с пластинами из быстрорежущих сталей и
твёрдых сплавов. Главный задний угол α=10÷15˚, передний угол γ
выбирают в зависимости
от обрабатываемого материала.
Рисунок 1
Проходным отогнутым резцом (рис. 2) можно выполнять подрезку торца при
поперечной подачи s1 и обтачивание
при продольной подаче s2
резца.
Рисунок 2
Проходным упорным резцом (рис. 3) можно подрезать торцы и обтачивать
уступы при продольной подаче s1.
Рисунок 3
Резцы для подрезания торцов должны устанавливаться точно по оси детали,
иначе на торце детали остаётся выступ. При большом диаметре торцевой
поверхности припуск снимают с поперечной подачей в несколько проходов. Уступы
более 2 - 3мм подрезают проходным резцами в несколько приёмов. Сначала уступ
образуется при продольной подаче s1
резца, а затем подрезается при поперечной подаче s2 (рис 4).
Рисунок 4
.4 Выбор технологической оснастки
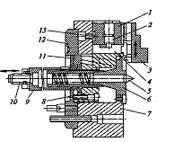
Самоцентрирующие трехкулачковые клиновые быстропереналаживаемые патроны,
конструкции которых показаны на рис. 6, предназначены для базирования и закрепления
заготовок типа вала и диска при обработке на токарных станках, в том числе с
ЧПУ.
Патрон (рис. 6,) состоит из корпуса 7, основных 1 и накладных 3 кулачков,
сменной вставки 6 с плавающим центром 5 и эксцентриков 2, в кольцевые пазы
которых входят штифты 13. Быстрый зажим и разжим накладных кулачков при их
переналадке осуществляется тягами 4 через эксцентрики 2. Для обработки
заготовок типа вала в патрон устанавливают сменную вставку 6 с плавающим
центром 5 и выточкой по наружному диаметру. Заготовку располагают в центрах
(центре 5 и заднем центре станка) и зажимают плавающими кулачками с помощью
втулки 8 с клиновыми замками, которая соединена с приводом, закрепленным на
заднем конце шпинделя станка. Разжим осуществляется с помощью фланца 11. Для выполнения
работ в патроне с самоцентрирующими кулачками сменную вставку 6 заменяют
вставкой 14 (рис. 3.5, б), которая не имеет выточки по наружному диаметру,
благодаря чему обеспечивается самоцентрирование патрона. Патрон крепят на
шпиндель станка с помощью фланца 12. К приводу патрон присоединяют втулкой 9 и
винтом 10.
Рисунок 5. Самоцентрирующие трехкулачковые клиновые патроны для обработки
заготовок типа вала:
- основной кулачок; 2- эксцентрик; 3- накладной кулачок; 4- тяга; 5
-плавающий центр; 6- сменная вставка; 7- корпус; 8- втулка с клиновыми замками;
9- втулка; 10- винт; 77, 12- фланцы; 13- штифт; 14- вставка
.5 Расчет припусков
Всякая заготовка, предназначенная для дальнейшей механической обработки,
изготавливается с припусками, необходимыми для обеспечения заданных чертежом
размеров детали и шероховатости ее поверхности.
Чрезмерные припуски вызывают излишние затраты на изготовление детали и
тем самым увеличивает ее себестоимость. Снятие излишних припусков увеличивает
трудоемкость обработки. С другой стороны, слишком малые припуски не дают
возможность выполнить необходимую механическую обработку с желаемой точностью и
чистотой.
Величины припусков на механическую обработку зависят от ряда факторов, к
числу которых относятся:
а) материал заготовки;
б) конфигурация и размеры заготовки;
в) вид заготовки и способ ее изготовления;
г) требования в отношении механической обработки;
д) технические условия в отношении качества и класса шероховатости
поверхности и точности размеров детали.
Расчетно-аналитический метод определения припусков на обработку
базируется на анализе факторов, влияющих на припуски предшествующего и
выполняемого переходов технологического процесса [18].
Минимальный припуск, мкм, на каждый технологический переход находят по
уравнениям:
а) при обработке плоских поверхностей:
, (2.1)
б)
при обработке наружных и внутренних поверхностей тел вращения:
, (2.2)
где R Zi-1, T i-1, r i-1 - высота неровностей профиля, глубина
дефектного поверхностного слоя и суммарное отклонение расположения поверхности
на предшествующем переходе, мкм;
e Уi -
погрешность установки детали на выполняемом переходе, мкм.
Величину суммарного отклонения расположения поверхностей рассчитывают по
уравнению
, (2.3)
где rкор - отклонение оси детали от
прямолинейности, мкм;
rсм -
отклонение от соосности элементов, мкм.
Определим припуски на обработку внутренней цилиндрической поверхности
детали Æ45,0Н11+0,16 мм,
осуществляемую методом растачивания на токарном станке модели 16К25 в один
переход.
Заготовку для детали получают штамповкой в закрытых разъемных штампах,
для которого высота микронеровностей и глубина поверхностного дефектного слоя
составляют Rz =80 мкм [19] и T = 170 мкм [12]. В соответствии со
справочными данными [22, табл. 6, с.169] отклонение от прямолинейности
заготовки, получаемой штамповкой, составляет rсм = 950 мкм, а отклонение, связанное с
короблением штамповки находят по формуле
rкор = ∆
k ´ l, (2.4)
где ∆ k - удельное коробление отливки, ∆ k = 0,7 мкм/мм [18];
l -
наибольший размер заготовки, l =
122,80 мм.
Подставляя численные значения в формулы (2.3) и (2.4), находим
rкор = 0,7 ´ 122,8 = 86 (мкм);
.
Погрешность
установки детали в приспособлении находят по уравнению
, (2.5)
где eб - погрешность базирования заготовки
в приспособлении, мкм;
eз -
погрешность закрепления заготовки, мкм.
При черновом растачивании заготовку устанавливают в самоцентрирующем
патроне, для которого погрешность базирования eб = 0 мкм, а погрешность закрепления
составляет eз = 160 мкм [12]. Тогда, в
соответствии с уравнением (2.5), погрешность установки заготовки в
приспособлении будет равна
.
Подставляя
численные значение в формулу (1.18), находим величину минимального припуска под
черновое растачивание
.
В
результате чернового растачивания внутренней цилиндрической поверхности высота
микронеровностей и глубина поверхностного дефектного слоя достигают значений Rz
= 50 мкм (Rа = 12,5
мкм) и T = 50 мкм [18], а суммарное отклонение расположения поверхности
уменьшается до величины
r точ. черн =
КУ ´ r заг, (2.6)
где
КУ - коэффициент уточнения; КУ = 0,06 [18].
Подставляя
численные значения в формулу (2.6), находим
r точ. черн
= 0,06 ´ 954 = 57 (мкм).
Диаметр
отверстия в заготовке определится как
dНОМ.ЗАГ = dДmax - 2Zimin1 - dВ.ЗАГ, (2.7)
где
dДmax - максимальный размер
отверстия в готовой детали;
dВЗ -
положительный (верхний) припуск на диаметр отверстия в заготовке.
Подставляя
численные значения в формулу (2.7), находим
dНОМ.ЗАГ = 45,16 - 2,43 - 1,0 = 41,73 (мм).
Результаты
расчета предельных размеров и предельных значений припусков на обработку
отверстия Æ 45,0 Н11мм представлены в таблице 2.6.
Таблица
2.6- Результаты расчета предельных размеров и предельных значений припусков на
обработку отверстия Æ 45,0 мм
|
Размер элементарной поверхности и технологические переходы
ее обработки
|
Элементы припуска
|
Расчетный размер, мм
|
Допуск δ, мм
|
Предельные размеры
|
Предельные значения припусков
|
|
Rzi-1, мкм
|
Тi, мкм
|
ρi-1, мкм
|
εi, мкм
|
Расчетный припуск 2zimin, мм
|
|
|
Dδ, мм
|
Нм, мм
|
2zmах, мм
|
2zmin, мм
|
|
Внутренняя цилиндрическая поверхность Æ 65,1 h14 (+0,74)
|
|
|
|
|
|
|
|
|
|
|
|
|
Отливка по выплавляемым моделям. Термообработка
|
80
|
170
|
954
|
160
|
-
|
Æ41,73
|
±1,42
|
Æ43,15
|
Æ40,31
|
|
|
|
Растачивание черновое
|
30
|
30
|
57
|
-
|
2,43
|
Æ45,16
|
+0,16
|
Æ45,16
|
Æ46,00
|
3,69
|
2,43
|
На рисунке 7 представлена графическая схема распределения припусков и
допусков на обработку отверстия Æ 46,00 Н12.
Рисунок
6 Схема распределения припусков и допусков на обработку отверстия Æ 46,00 Н12.
На остальные поверхности детали припуски на механическую обработку,
установленные табличным методом [18, 20], приведены в таблице 2.7.
Таблица 2.7 Значения припусков и допусков
|
Номинальный размер детали, мм
|
Класс точности
|
Число предварительных обтачиваний
|
Допуск на размеры отливки, мм
|
Припуск на мех. обработку (на сторону), мм
|
Коробление отливки, мм
|
Коробление детали после термообработки, мм
|
Суммарный при- пуск на размер, мм
|
Номинальный размер отливки, мм
|
|
Наружные поверхности
|
|
Æ72h12
|
6
|
1
|
+0,7
|
0,8
|
0,5
|
0,5
|
7,2
|
Æ79,2
|
|
119,5 h12
|
6
|
-
|
+10,0
|
5,0
|
0,5
|
0,5
|
6,0
|
131,5
|
|
Внутренние поверхности
|
|
Æ45 Н11
|
5
|
1
|
1,0
|
0,25
|
0,25
|
6,0
|
Æ39,0
|
|
Æ25 Н9
|
3
|
1
|
-1,0
|
0,8
|
0,25
|
0,25
|
5,2
|
Æ19,8
|
|
Æ56 Н10
|
4
|
1
|
-1,5
|
1,0
|
0,25
|
0,25
|
6,0
|
Æ50,0
|
|
21+0,21H12
|
6
|
-
|
-1,3
|
1,0
|
0,5
|
0,5
|
2,0
|
19,0
|
|
12,5+0,18H12
|
6
|
-
|
-1,3
|
1,0
|
0,5
|
0,5
|
2,0
|
10,5
|
|
98,5 H12
|
6
|
-
|
-2,0
|
5,0
|
0,5
|
0,5
|
6,0
|
92,5
|
.6 Расчет режимов резания
Расчет режимов резания состоит в определении для заданных условий
обработки глубины резания, числа проходов, подачи, скорости резания, силы
резания и мощности, требуемой на резание.
Рассчитаем режимы резания на операцию 010 (токарном), которая выполняется
на токарном станке модели 16К25. Эскиз операции представлен на рисунке 8.
Операция 010 (токарная) содержит 6 переходов, содержание которых приведено в
таблице 2.8.
Рисунок 7 - Эскиз операции 010 (токарная)
Таблица 2.8 - Содержание переходов операции 010
|
№ перехода
|
Содержание перехода
|
i
|
t, мм
|
|
А
|
Установить и после обработки снять деталь
|
-
|
-
|
|
1
|
Точить поверхность 1
|
1
|
3,0
|
|
2
|
Точить поверхность 2
|
1
|
1,8
|
|
3
|
Точить поверхность 3
|
1
|
1,5
|
|
4
|
Точить поверхность 4
|
1
|
2,0
|
|
5
|
Точить поверхность 4
|
1
|
0,5
|
|
6
|
Точить поверхность 5, в размер
|
1
|
2,5
|
Переход 1. Точить поверхность 1.
Станок токарном станке модели 16К25. Приспособление - патрон
7102-0085-2-1П ГОСТ 24351-80. Резец 2100-0417 Т15К6 ГОСТ 18878-73.
Штангенциркуль ШЦ-III-500-0,1 ГОСТ
166-89. Глубина резания t =
3,0 мм.
Скорость резания при точении, м/мин, определяется по формуле
, (2.8)
где
- коэффициент и показатели степени, выбираемые в
зависимости от условий резания из справочных данных;
Т
- стойкость инструмента, мин;
t - глубина
резания, мм;
S - подача,
мм/об;
-
поправочный коэффициент на скорость резания, который определяют по формуле
; (2.9)
-
коэффициент, отражающий влияние качества обрабатываемого материала на скорость
резания;
-
коэффициент, отражающий влияние состояния поверхности заготовки на скорость
резания;
-
коэффициент, отражающий влияние материала режущей части на скорость резания;
-
коэффициенты, отражающие влияние параметров резца (главный угол в плане,
вспомогательный угол в плане, радиус при вершине, поперечное сечение державки)
на скорость резания;
-
коэффициент, отражающий влияние вида обработки на скорость резания.
Согласно
справочным данным [23], эскизу операции 010 (рисунок 5) и таблице 2.8,
поименованные величины составляют:
Переход
1:
t = 3,0 мм; S =
0,5 мм/об;
= 96;
= 0,2;
= 0,45; m = 0,15; Т = 60 мин;
= (75/
) = (75/85) = 0,9;
= 1,0;
= 1,0;
= 1,0 (
);
= 1,90.
Подставляя
численные значения в формулы (2.8) и (2.9), находим расчетное значение скорости
резания
;
87,0 (м/мин).
Частота
вращения n1, об/мин,
определяется по формуле
. (2.10)
Подставляя
численные значения в формулу (2.10), находим
(об/мин).
По
паспорту станка 16К25 назначаем стандартную частоту вращения n1ст = 310 об/мин, с учетом которой определяем
действительное значение скорости резания
.
Составляющие
силы резания при наружном поперечном точении рассчитывают по формуле
, (2.11)
где
- коэффициент и показатели степени, выбираемые в
зависимости от условий резания из справочных данных;
;
;
;
;
-
поправочный коэффициент, который вычисляют по уравнению
; (2.12)
-
поправочный коэффициент, учитывающий влияние механических свойств
обрабатываемой стали;
;
-
поправочные коэффициенты, учитывающие влияние геометрических параметров режущей
части инструмента на составляющие силы резания;
;
;
.
Подставляя
численные значения в формулы (2.11) и (2.12), находим
;
(Н).
Мощность
резания подсчитывают по формуле
. (2.13)
Подставляя
численные значения в формулу (2.13), получаем
.
Установленный
режим резания должен удовлетворять условию
, (2.14)
где
- мощность станка, определяемая по паспорту, кВт; для
токарном станка модели 16К25
= 10
кВт.
,2
кВт < 10 кВт - условие выполняется.
Основное
время
, мин рассчитывают по формуле
, (2.15)
где
l - длина обработки; для первого перехода l =
119,5 (мм);
-
величина врезания инструмента; при глубине резания t = 3,0 мм
проходным резцом с углом в плане j = 450
= 6 мм;
-
величина перебега инструмента; при t = 3,0 мм
= 3,0 мм.
i - количество
проходов; i = 1.
Подставляя
численные значения в формулу (2.15), получаем
.
Переход
2. Точить поверхность 2:
t = 1,8 мм; S =
0,6 мм/об;
= 96;
= 0,20;
= 0,45; m = 0,15; Т = 60 мин;
= 1,71.
Подставляя
численные значения в формулу (2.8), находим расчетное значение скорости резания
103
(м/мин).
При
этом частота вращения по формуле (2.10) составит
(об/мин).
По
паспорту станка 16К25 назначаем стандартную частоту вращения n2ст = 310 об/мин, с учетом которой определяем
действительное значение скорости резания
.
Составляющие
силы резания определяют по уравнению (2.11)
(Н).
Мощность
резания подсчитывают по формуле (2.12)
.
Установленный
режим резания удовлетворяет условию (2.14).
Основное
время
, мин рассчитывают по формуле (2.15)
.
Переход
3. Точить поверхность 3.
Станок
токарный модели 16К25. Приспособление - патрон 7102-0085-2-1П ГОСТ 24351-80.
Резец 2100-0417 Т15К6 ГОСТ 18878-73. Штангенциркуль ШЦ-III-500-0,1 ГОСТ
166-89. Глубина резания t = 1,5 мм.
Переход
3:
t = 1,5 мм; S =
0,15 мм/об;
= 96;
= 0,2;
= 0,45; m = 0,15; Т = 60 мин;
= (75/
) = (75/80) = 0,9;
= 1,0;
= 1,0;
= 1,0 (
);
= 1,9.
Скорость
резания при точении по формуле (2.8) составляет
= 112,0
(м/мин).
При
этом частота вращения по формуле (2.10) составит
(об/мин).
По
паспорту станка 16К25 назначаем стандартную частоту вращения n1ст = 600 об/мин, с учетом которой определяем действительное
значение скорости резания
.
Составляющие
силы резания определяют по уравнению (2.11)
(Н).
Мощность
резания подсчитывают по формуле (2.12)
.
Установленный
режим резания удовлетворяет условию (2.14).
Основное
время
, мин рассчитывают по формуле (2.15)
.
Переход
4. Точить поверхность 4:
t = 0,5 мм; S =
0,12 мм/об;
= 96;
= 0,2;
= 0,45; m = 0,15; Т = 60 мин;
= (75/
) = (75/85) = 0,9;
= 1,0;
= 1,0;
= 1,0 (
);
= 1,90.
Скорость
резания при точении по формуле (2.8) составляет
143
(м/мин).
При
этом частота вращения по формуле (2.10) составит
(об/мин).
По
паспорту станка 16К25 назначаем стандартную частоту вращения n2ст = 1300 об/мин, с учетом которой определяем
действительное значение скорости резания
.
Составляющие
силы резания определяют по уравнению (2.11)
(Н).
Мощность
резания подсчитывают по формуле (2.12)
.
Установленный
режим резания удовлетворяет условию (2.14).
Основное
время
, мин рассчитывают по формуле (2.15)
.
Переход
5. Точить поверхность 4:
t = 2,0 мм; S =
0,25 мм/об;
= 96;
= 0,2;
= 0,45; m = 0,15; Т = 60 мин;
= (75/
) = (75/85) = 0,9;
= 1,0;
= 1,0;
= 1,0 (
);
= 1,90.
Скорость
резания при точении по формуле (2.8) составляет
= 109
(м/мин).
При
этом частота вращения по формуле (2.10) составит
(об/мин).
По
паспорту станка 16К25 назначаем стандартную частоту вращения n2ст = 900 об/мин, с учетом которой определяем
действительное значение скорости резания
.
Составляющие
силы резания определяют по уравнению (2.11)
(Н).
Мощность
резания подсчитывают по формуле (2.12)
.
Установленный
режим резания удовлетворяет условию (2.14).
Основное
время
, мин рассчитывают по формуле (2.15)
.
Переход
6. Точить поверхность в размер 5.
Станок
токарной модели 16К25. Приспособление - патрон 7102-0085-2-1П ГОСТ 24351-80.
Резец фасонный специальный Т15К6. Шаблон специальный. Глубина резания t =
2,5 мм, S = 0,04 мм/об;
= 96;
= 0,2;
= 0,45; m =
0,15; Т = 60 мин;
= (75/
) =
(75/85) = 0,9;
= 1,0;
= 1,0;
= 1,0 (
);
= 1,90.
Скорость
резания при точении по формуле (2.8) составляет
321 (м/мин).
При
этом частота вращения по формуле (2.10) составит
(об/мин).
По
паспорту станка 16К25 назначаем стандартную частоту вращения nст = 750 об/мин, с учетом которой определяем действительное
значение скорости резания
.
Составляющие
силы резания определяют по уравнению (2.11)
(Н).
Мощность
резания подсчитывают по формуле (2.12)
.
Установленный
режим резания удовлетворяет условию (2.14).
Основное
время
, мин рассчитывают по формуле (2.15)
.
Суммарное
основное время на выполнение операции 010 составит
= 1,30 +
1,06 + 0,70 + 0,52 +0,72+ 1,9 = 6,74 (мин).
Вспомогательное
время на операцию определяют по формуле
, (2.16)
где
- вспомогательное время на установку и снятие детали;
-
вспомогательное время, связанное с переходом;
-
вспомогательное время на контрольные измерения.
Нормативное
время на установку и снятие детали
предусматривает
выполнение следующих работ: установку и закрепление детали, включение и
выключение станка, открепление и снятие детали, очистку приспособления от
стружки. При массе обрабатываемой заготовки более 100 кг и применении
трехкулачкового самоцентрирующего патрона по общемашиностроительным нормативам
времени [24]
= 5,8 мин.
Вспомогательное
время
, связанное с переходом [24], включает в себя время на
изменение числа оборотов шпинделя
мин;
время на изменение величины или направления подачи
мин; время, затрачиваемое на смену резца поворотом
резцовой головки
мин; время на закрытие или открытие щитка ограждения
от стружки
мин; время на перемещение суппорта в продольном и
поперечном направлении
мин; время, необходимое на настройку размеров и
зависящее от характера обработки: при поперечном точении (черновой проход) -
мин; при продольном точении (черновой проход) -
мин; при фасонном точении (внутренняя подрезка торца)
-
мин. Суммарная величина вспомогательного времени,
связанного с переходом, будет составлять
= 0,22 +
0,2 + 0,14 + 0,09 + 0,03 + 0,29 + 0,31 + 0,27 = 1,55 (мин).
Вспомогательное
время на контрольные измерения [24] будет складываться из времени,
затрачиваемого на промеры штангенциркулем
=2´´ 0,21 = 0,42 мин и времени на промеры специальным
шаблоном
== 0,11 мин. В сумме это время составит
= 0,42 + 0,11 = 0,53 (мин).
Подставляя
численные значения в формулу (1.32), находим
(мин).
При
этом, величина оперативного времени будет составлять
= 3,8 +
7,9 = 11,7 (мин).
Норма
штучного времени определяется по формуле
, (1.33)
где
- время, затрачиваемое на обслуживание рабочего места
(организационное и техническое); для станков II группы с
наибольшим размером изделия, устанавливаемого над станиной свыше 250 мм, оно
составляет [24]
= 3 % от оперативного времени
;
- время
перерывов на отдых и личные надобности; в соответствии с [24] оно составляет
= 8 % от оперативного времени
.
Подставляя
численные значения в формулу (1.33), находим
12,99
(мин).
Норму
времени на выполнение станочной операции (штучно- калькуляционное время)
находят по формуле
, (2.17)
где
- норма подготовительно-заключительного времени, мин;
n - число
деталей в партии, шт; для заданной программы n = 63 шт.
Норма
подготовительно-заключительного времени складывается из следующих элементов
работы [24]:
получение
наряда, чертежа, технологической документации, ознакомление с ними и осмотр
заготовки;
= 4 мин;
инструктаж
мастера;
= 2 мин;
установки
и снятия приспособления;
= 2,5 мин;
установки
и снятия режущего инструмента;
= 1,2
мин;
установки
величины подачи и числа оборотов шпинделя;
= 0,24
мин;
перемещений
каретки и суппорта;
= 0,2 мин.
Суммарная
величина подготовительно-заключительного времени по операции 010 составит
значение
= 10,14 мин.
Подставляя
численные значения в формулу (2.13), находим
= 13,15
(мин).
Расчет
режимов резания и технического нормирования других операций технологического
процесса изготовления корпуса клапана выполняется аналогично. Результаты
расчетов приведены в таблице 2.9.
Таблица 2.9 - Режимы резания и технические нормы времени на механическую
обработку корпуса клапана
Номер операции Номер перехода Диаметр D или
ширина В, мм Длина обработки Lобр, мм Глу-бина реза-ния t, мм Подача
S, мм/мин Число оборотов n,
об/мин Ско-рость резания u, м/мин Сила
резания
,
|
кГсМощность резания N, кВтОсно-вное время , минВспо-могательное
время , минШтучное время , мин
|
|
|
|
|
|
|
1
|
2
|
3
|
4
|
5
|
6
|
7
|
8
|
9
|
10
|
11
|
12
|
13
|
|
010
|
1
|
Æ72
|
119,5
|
30
|
0,5
|
310
|
70
|
285
|
4,5
|
4,3
|
8,6
|
13,67
|
|
2
|
Æ72
|
119,5
|
1,8
|
0,6
|
310
|
70
|
167
|
3,2
|
|
|
|
|
3
|
Æ45
|
12,5
|
1,5
|
0,15
|
600
|
85
|
140
|
2,6
|
|
|
|
|
4
|
Æ25
|
86
|
2,0
|
0,25
|
900
|
71
|
140
|
2,2
|
|
|
|
|
5
|
Æ25
|
86
|
0,5
|
0,12
|
1300
|
103
|
128
|
3,2
|
|
|
|
|
015
|
1
|
Æ72
|
119,5
|
3,0
|
0,5
|
310
|
70
|
285
|
4,5
|
3,76
|
7,52
|
11,96
|
|
2
|
Æ72
|
119,5
|
1,8
|
0,6
|
310
|
70
|
167
|
3,2
|
|
|
|
|
3
|
Æ56
|
21
|
2,0
|
0,5
|
350
|
62
|
167
|
3,2
|
Æ56
|
21
|
1,0
|
0,4
|
400
|
70
|
140
|
3,2
|
|
|
|
|
5
|
Æ58
|
6,5
|
1,0
|
0,4
|
390
|
72
|
140
|
3,2
|
|
|
|
|
025
|
1
|
Æ72
|
119,5
|
0,5
|
0,25
|
350
|
79
|
140
|
2,2
|
3,64
|
7,28
|
11,57
|
|
2
|
Æ45
|
12,5
|
0,25
|
0,15
|
600
|
85
|
140
|
2,2
|
|
|
|
|
3
|
Æ25
|
86,0
|
0,5
|
0,15
|
1000
|
79
|
140
|
2,2
|
|
|
|
|
4
|
Æ47,5
|
1,9
|
2,5
|
0,04
|
750
|
112
|
128
|
3,2
|
|
|
|
|
030
|
1
|
Æ72
|
119,5
|
0,5
|
0,25
|
350
|
79
|
140
|
2,2
|
8,25
|
16,5
|
26,24
|
|
2
|
Æ56
|
21
|
0,25
|
0,15
|
600
|
105
|
140
|
2,6
|
|
|
|
|
3
|
Æ58
|
6,5
|
0,5
|
0,15
|
600
|
109
|
140
|
2,6
|
|
|
|
|
4
|
Æ61
|
1,9
|
1,5
|
0,04
|
580
|
112
|
128
|
3,2
|
|
|
|
|
5
|
Æ31х2
|
4,4
|
3,0
|
0,04
|
990
|
96
|
167
|
3,8
|
|
|
|
|
035
|
1
|
Æ14
|
12,5
|
12,5
|
0,19
|
625
|
27,5
|
450
|
1,0
|
9,08
|
18,16
|
28,87
|
|
2
|
Æ25
|
86
|
86
|
0,9
|
90
|
7,0
|
-
|
-
|
|
|
|
|
3
|
Æ25
|
86
|
86
|
0,9
|
25
|
1,8
|
-
|
-
|
|
|
|
|
040
|
|
|
|
|
|
|
|
|
|
1,51
|
3,02
|
4,8
|
|
1
|
К ½
|
18
|
1,2
|
-
|
350
|
12
|
-
|
0,27
|
|
|
|
|
|
|
|
|
|
|
|
|
|
|
|
|
|
045
|
1
|
-
|
-
|
-
|
-
|
-
|
-
|
-
|
-
|
1,10
|
6,32
|
8,24
|
|
Итого:
|
|
|
|
|
|
|
|
|
|
34,26
|
76,21
|
117,47
|
2.8 Сравнительный анализ базового и нового технологического
процесса
Базовый технологический процесс, ориентированный на выпуск продукции в
условиях мелкосерийного производства, в основном соответствует типовому технологическому
процессу. При этом обработку корпусов ведут на универсальном оборудовании с
применением специальных приспособлений и использованием стандартного и
специального режущего и мерительного инструментов. При увеличении программы
выпуска изделий базовый технологический процесс перестает удовлетворять
технико-экономическим требованиям современного производства и нуждается в
усовершенствовании.
Технологический процесс изготовления детали должен выполняться с наиболее
полным использованием технических возможностей средств производства при
наименьшей себестоимости изделий. Оптимизация технологического процесса
заключается в том, что в установленный промежуток времени необходимо обеспечить
выпуск потребного количества изделий заданного качества при возможно
минимальной себестоимости их изготовления.
В разработанном на предприятии технологическом процессе (базовом ТП)
заготовка изготавливается из прутка. Этот метод получения заготовки является не
рациональным, так как Ким очень маленький. Во вновь разработанном
технологическом процессе более выгодный способ - штамповка. При данном методе
получения заготовки форма и размеры получаются максимально приближенными к
форме и размерам готовой детали, вследствие чего уменьшаются припуски на
последующую механическую обработку. С учетом изменения метода получения
заготовки технологический процесс по сравнению с базовым сокращается на часть
операций. Кроме этого, для удаления заусенцев в новом технологическом процессе
предусматривается электрохимический способ. Следует заметить, что базовый ТП
проектировался в расчете на использование уже имеющегося на предприятии
оборудования, оно является более подходящим для обработки данной детали.
корпус резание
механический модернизация
3. Конструкторская часть
.1 Выбор способа базирования детали
Правильный выбор базовых поверхностей для механической обработки детали
предопределяет как структуру операций и переходов технологического процесса,
так и точностные параметры получаемых размеров. На основе выбора установочных
баз и их взаимосвязи с конструкторскими базами осуществляют расчет
технологических размерных цепей, а также подбор необходимой технологической
оснастки. Согласно вновь разработанной маршрутной технологии первой операцией
механической обработки детали является 010 - токарная. На первых переходах этой
операции производится точение торца и наружней цилиндрической поверхности Æ72,0 мм, а также внутренней
цилиндрической поверхности Æ45,0 мм, внутренней цилиндрической поверхности Æ25,0 мм. На этих переходах в качестве
установочной базы используют торцевую и наружняя цилиндрическую поверхности Æ72,0 мм, получаемые в результате
штамповки в закрытых разъемных штампах. Базирование по торцу и наружней
цилиндрической поверхности предопределяет вид установочного приспособления, в
качестве которого на данной операции выбран самоцентрирующий трехкулачковый
патрон.
Второй операцией технологического процесса механической обработки
является 015 - токарная. На этой операции производится поворот детали на 1800,
точение торца и наружней цилиндрической поверхности Æ72,0 мм, а также внутренней
цилиндрической поверхности Æ58,0 мм, Æ56,0 мм. В качестве установочных баз здесь используют
обработанные на предыдущей операции торец и наружний диаметр Æ72,0 мм. Базирование как и в операции
010.
Третья операция механической обработки 025 - токарная. На этой операции
производится чистовая обработка наружней цилиндрической поверхности Æ72,0 мм, внутренних цилиндрических
поверхностей Æ45,0 мм, Æ25,0 мм и канавки Æ45,0 Н11 мм. Базирование на этой
операции осуществляют аналогично операциям 010 и 015, а вид установочного
приспособления самоцентрирующий трехкулачковый патрон.
Четвертая операция механической обработки 030 - токарная. На этой
операции производится чистовое обтачивание наружней цилиндрической поверхности Æ72,0 мм и внутренних цилиндрических
поверхностей Æ56,0 мм, Æ58,0 мм, а также растачиваются
канавки Æ61,0 мм и Æ31,0 мм. Базирование как и в операции
010.
Пятая операция механической обработки 035 - сверлильная. На этой операции
производится сверление отверстия Æ14,0 мм, и окончательное зенкерование и развертывание Æ25,0 мм. В качестве установочных баз
на этой операции вновь используют торец и наружная цилиндрическую поверхность Æ 72,0 мм. В качестве установочного
приспособления здесь применен самоцентрирующий трехкулачковый патрон с
делительной головкой и поджимается центром через технологический пятак.
Шестая операция механической обработки 040 - резьбонарезная. На этой
операции производится нарезание резьбы, К ½. В качестве установочных баз на этой
операции вновь используют торец и наружняя цилиндрическую поверхность Æ 72,0 мм. В качестве установочного
приспособления здесь применен самоцентрирующий трехкулачковый патрон.
Заключительной операцией механической обработки является 045 -
электрохимическая, на которой производится удаление заусенцев с детали и
скругление острых кромок.
Из проведеного анализа базирования детали на различных операциях
технологического процесса вытекает, что одни и те же геометрические поверхности
неоднократно используются в качестве базовых, т.е. соблюдается принцип
постоянства баз, что существенно снижает погрешности обработки и увеличивает ее
точность.
Определим погрешность установки корпуса в трехкулачковом самоцентрирующем
патроне на токарной операции 010.
Погрешность установки детали в приспособлении находят по уравнению
, (3.1)
где
eб -
погрешность базирования заготовки в приспособлении, мкм;
eз - погрешность закрепления заготовки, мкм.
При
черновом растачивании заготовку устанавливают в самоцентрирующем патроне, для
которого погрешность базирования eб = 0 мкм. В случае обработки поверхностей вращения
существенное влияние на точность установки оказывает радиальное смещение
заготовки под действием силы зажима, величина которого для рассматриваемого
случая составляет eз = 160
мкм [12]. Тогда, в соответствии с уравнением (3.1), погрешность установки
заготовки в приспособлении будет равна
.
При
обработке плоских торцовых поверхностей важно знать осевое смещение, равное в
рассматриваемом случае 120 мкм [12].
Достоинствами
выбранной схемы базирования являются простота конструкции установочного
приспособления, возможность выдерживать принцип постоянства баз на различных
операциях технологического процесса, обеспечение свободного доступа режущего
инструмента к обрабатываемым поверхностям.
3.2 Разработка принципиальной схемы приспособления
Универсальный трехкулачковый патрон с механизированным приводом
(1 - корпус; 2 - кулачок; 3 - сухарь; 4 - винт; 5 - сменный кулачок; 6, 7
- втулки; 8 - тяга; а - паз во втулке 6; б - выступ кулачка 2).
Условные обозначения: Q - осевая сила на штоке механизированного привода;
W - сипа зажима кулачка патрона.
Рисунок 8. Трехкулачковый патрон
.3 Расчет коэффициента надежности закрепления детали
Так как в производственных условиях могут иметь место отступления от тех
условий, применительно к которым рассчитывались по нормативам силы и моменты
резания, возможное увеличение их следует учесть путем введения коэффициента
надежности (запаса) закрепления К и умножения на него сил и моментов, входящих
в составленные уравнения статики.
Значение коэффициента надежности К следует выбирать дифференцированно в
зависимости от конкретных условий выполнения операции и способа закрепления
заготовки. Его величину можно представить как произведение частных
коэффициентов, каждый из которых отражает влияние определенного фактора:
(3.2)
К0 - гарантированный коэффициент запаса надежности
закрепления, К0 = 1,5;
К1 - коэффициент, учитывающий увеличение силы резания из-за
случайных неровностей на заготовках;
К1 = 1,0 - для чистовой обработки;
К2 - коэффициент, учитывающий увеличение силы резания
вследствие затупления инструмента К2 - 1,25
К3 - коэффициент, учитывающий увеличение силы резания при
прерывистом резании, К3 = 1,2;
К4 - учитывает непостоянство зажимного усилия; К4 =
1,0 - для пневматических и гидравлических зажимов;
К5 - учитывает степень удобства расположения рукояток в ручных
зажимах;
К5 = 1,0 - при удобном расположении и малой длине рукоятки;
К6 - учитывает неопределенность из-за неровностей места
контакта заготовки с опорными элементами, имеющими большую опорную поверхность
(учитывается только при наличии крутящего момента, стремящегося повернуть
заготовку);
К6 = 1,0 - для опорного элемента, имеющего ограниченную
поверхность контакта с заготовкой;
Величина К может колебаться в пределах 1,5…8,0. Если К < 2,5, то при
расчете надежности закрепления ее следует принять равной К = 2,5 (согласно ГОСТ
12.2.029-77). К = 1,25×1,0×1,2×1,0×1,0 = 1.5
Принимаем К = 2,5
3.4 Расчет потребных сил зажима
Величину необходимого зажимного усилия определяют на основе решения
задачи статики, рассматривая равновесие заготовки под действием приложенных к
ней сил. Для этого необходимо составить расчетную схему, то есть изобразить на
схеме базирования заготовки все действующие на нее силы: силы и моменты
резания, зажимные усилия, реакции опор и силы трения в местах контакта
заготовки с опорными и зажимными элементами.
Расчетное
усилие зажима заготовки в трехкулачковом патроне определяется по формуле
, (3.3)
где К - коэффициент надежности закрепления заготовки;
М - момент, возникающий под действием силы резания, кГс.м;
f -
коэффициент трения;
Д - диаметр заготовки, М;
Р3 = 2×2,5×1280/3×0,85×45 = 397,6 кГс
.5 Выбор конструкции приспособления для электрохимического снятия
заусенцев
При выполнении электрохимической операции 040 производится снятие
заусенцев. Эта операция широко применяется при обработке деталей, имеющих
труднодоступные места: внутренние полости, глубокие отверстия и др. При этом
электрод-инструмент определенным образом ориентируется относительно
обрабатываемого участка детали. Состав электролита, режимы ЭХО и конструкция
приспособления для установки деталей зависят от их материала и формы, величины
заусенцев и других факторов. Такая конструкция приспособления позволяет
обрабатывать не одну, а сразу несколько деталей.
В полость между этими деталями поступает электролит, который далее
подается через отверстие в оправках и радиально расположенных в них втулках
являющихся электродами- инструментами в межэлектродный промежуток. Последний
образуется между поверхностью центрального отверстия обрабатываемой детали и
торцом втулок запрессованных в оправку. На наружные поверхности оправки
контактирующие с электролитом, нанесена диэлектрическая обмазка, что
предотвращает воздействие электрического тока на поверхность детали в не зоны
удаляемых заусенцев. Таким образом, анодное растворение металла происходит
только на границе отверстие-полость, то есть на участке детали, где находится
заусенец.
Базирование детали осуществляют в расточках подкладок, закрепленных на
основание. Детали устанавливаются на основание с электродом-инструментом.
Подкладки выполнены из диэлектрического материала, с тем чтобы предотвратить
растворение металла на необрабатываемых поверхностях.
Реализация намеченной схемы базирования требует разработки специального
установочного приспособления, одна из возможных конструкций которого
представлена на рисунке 7.
Электрохимическое удаление заусенцев производится на станке 4450. На
рабочей позиции этого станка установлено приспособление.
Рисунок 9. Приспособление для электрохимического снятия заусенцев
.6 Выбор конструкции приспособления для контроля радиального биения
внутренней поверхности корпуса относительно центрирующей выточки.
Основной задачей технического контроля является установление и
последующее устранение влияния на обрабатываемый размер различных факторов,
действующих в системе станок-приспособление-инструмент-деталь (СПИД)
систематическим и случайным образом: износ режущего инструмента; температурные
деформации; упругие силовые деформации, возникающие из-за нестабильности
припуска, механических свойств обрабатываемых материалов, затупления режущего
инструмента и т.д. [37].
В данном дипломном проекте разработана конструкция специального приспособления
для контроля радиального биения внутренней поверхности корпуса относительно
центрирующей выточки (рисунок 8). Деталь устанавливают на центрирующий бортик
опоры 1 с гарантированным зазором Smax между базовой выточкой на измеряемой детали. Первичный зазор
должен быть не более 0,02 мм (выточку в детали притирают с буртиком опоры 1).
Биение внутренних поверхности детали относительно базовых поверхностей
измеряют индикатором 7 через рычаг 8 с передаточным отношением К=1.
Рисунок 10. Приспособление для контроля радиального биения внутренней
поверхности корпуса относительно центрирующей выточки
4. Производственная часть
.1 Определение потребного количества технологического оборудования
Проектирование
участка механического цеха начинают с расчета потребности в металлорежущем
оборудовании. Оборудование механических цехов подразделяется на три категории:
основное производственное (расчетное), дополнительное (нерасчетное) и
вспомогательное. Потребности в основном оборудовании определяют по формулам,
приведенным в [38, 39]. Если при расчете оборудования получается дробное число,
то оно округляется до единицы. Расчетное количество станков по
-й группе оборудования определяется на основании
трудоемкости производственной программы и действительного фонда времени работы
оборудования.
, (4.1)
где
- годовая программа выпуска деталей j-ого
типа, шт.;
- штучное время обработки детали типа j на i-ом
виде оборудования, мин;
-
коэффициент выполнения норм по i-ой группе оборудования;
-
годовой эффективный фонд времени работы одного станка i-ой группы, ч;
-
количество наименований деталей, обрабатываемых на i-й группе
оборудования.
, (4.2)
где
- число рабочих дней в году;
- число
рабочих смен в сутки;
-
продолжительность рабочей смены, ч;
-
плановые потери времени на ремонт, %, КП = 2-8 %.
Подставляя
в уравнение (4.1) исходные числовые значения согласно заданию на дипломное
проектирование, находим:
.
В
соответствии с разработанным маршрутным технологическим процессом и годовой
программой выпуска деталей по уравнению (4.2) определяем потребности в
оборудовании по конкретным группам металлорежущих станков.
Станок
токарный модели 16К25:
.
Принимаем
СП = 2 станка.
Станок
вертикально-сверлильный модели 2М112:
;
Принимаем
СП = 1 станок.
Станок
электрохимический модели 4450:
.
Принимаем
СП = 1 станок.
Средние
коэффициенты загрузки оборудования по участку в целом Кзу и по
группам Кзi рассчитываются по формулам:
, (4.3)
где
m - число групп оборудования на участке.
Коэффициент
загрузки оборудования по участку в целом составит:
.
Результаты
расчетов по уравнениям (4.1) - (4.3) для основных групп необходимого станочного
оборудования, а также их балансовую стоимость для наглядности представляем в
виде таблице 4.1.
Таблица
4.1 - Расчет потребности участка механического цеха в технологическом
оборудовании
|
Наименование оборудования
|
Тип (модель)
|
Количество оборудования, шт.
|
Коэффициент загрузки
|
Стоимость, тыс. р
|
|
|
Расчетное
|
Принятое
|
|
един. оборудов.
|
общая
|
|
Станок токарный Станок вертикально- сверлильный Станок
электрохимический
|
16К25 2М112 4450
|
1,16 0,61 0,12
|
2 1
1
|
0,58 0,61 0,12
|
950,0 650,0 363,0
|
1900,0 650,0 363,0
|
|
Итого:
|
|
4
|
0,47
|
|
2328,0
|
|
|
|
|
|
|
|
|
Электрохимический станок располагаем в отдельном помещении проектируемого
участка.
Производственная площадь участка, занятая непосредственно оборудованием и
рабочими местами, определяется из удельной, приходящейся на один станок, и
числа основных станков.
Удельная площадь на один мелкий станок - 10-12 м2, средний -
15-25 м2, крупный - 30-45 м2 [39].
К мелким относятся станки с габаритами 1800´800 мм, средним - до 4000´2000 мм, крупным - до 8000´4000 мм.
Габаритные размеры станков, используемых во вновь разработанном
технологическом процессе, приведены в таблицах 1.7 - 1.10.
Производственную площадь участка Sпр находят по формуле:
, (4.4)
где
Sу -
удельная площадь на один станок, м2;
n - число
станков.
.
Проходы
и проезды составляют 20% производственной площади, что составляет 20 м2.
При
разработке схемы участка необходимо учесть, что предметно замкнутые участки
имеют, как правило, ячеистую структуру, то есть оборудование, предназначенное
для выпуска однотипных изделий или семейства конструктивно и технологически
сходных деталей группируются в одном месте, ячейке. Такое построение участка
дает возможность расставить все оборудование по ходу технологического процесса
и сохранить путь движения деталей путем устранения петляния и обеспечения
передачи их с операции на операцию без завоза на склад [39].
.2 Определение потребного количества основных рабочих
Штат механического цеха состоит из основных и вспомогательных рабочих,
инженерно-технических работников, служащих, младшего обслуживающего персонала,
работников технического контроля. Численность основных рабочих можно определять
по формулам, приведенным в [30, 39]. Количество остальных работников цеха принимается
по соответствующим установленным нормам в процентах от основных
производственных рабочих.
В крупносерийном производстве численность основных рабочих для выполнения
нормируемых работ определяется по формуле:
, (4.5)
где
- трудоемкость i-й операции по
изделию j-ого вида, мин;
-
годовой объем выпуска изделий j-ого вида, шт.;
-
действительный годовой фонд времени работы рабочего, ч;
-
коэффициент выполнения норм на i-й операции.
, (4.6)
учитывающий
потери рабочего времени - неявки, установленные трудовым законодательством
(10-12%).
.
При
многостаночном обслуживании в формулу (4.5) вместо величины
необходимо подставить
,
величина которой определяется по формуле:
, (4.7)
где
nс - число
станков, обслуживаемых одним рабочим;
-
коэффициент штучного времени, зависящий от числа обслуживаемых станков и учитывающий
случаи совпадения остановок станка, а также учитывающий интенсификацию труда
при многостаночном обслуживании.
Принятое количество рабочих устанавливается путем соответствующего
округления полученного значения Чор до целого.
Токари-карусельщики:
.
Принимаем
количество основных рабочих, равным 2 человека.
Сверловщики:
.
Принимаем
количество рабочих - 1 человека.
Операторы
электрохимического станка 4450:
.
Принимаем
- 1 человек.
Расчет
потребного количества основных рабочих оформлен в виде таблицы 4.2.
Таблица
4.2 - Расчет потребного количества основных рабочих
|
Профессии
|
Разряды
|
Общая трудоемкость работ на программу, нормо-ч
|
Количество рабочих, чел.
|
|
|
|
Расчетное
|
Принятое
|
|
Токари Сверловщики Операторы станка ЭХО
|
5 4 4
|
2578,70 1366,3 274,70
|
1,25 0,65 0,13
|
2 1 1
|
|
Итого:
|
|
4219,70
|
2,03
|
4
|
.3 Определение потребного количества вспомогательных рабочих, ИТР, МОП
В таблице 2.3 в соответствии с рекомендациями [30, 40] представлен
необходимый перечень вспомогательных рабочих проектируемого участка.
Таблица 4.3 - Ведомость вспомогательных рабочих
|
Профессия
|
Определяющий показатель
|
Норма обслужив. на 1 раб.
|
Разряд
|
1. Наладчик 2. Слесарь по рем. оборуд. 3.Эл. монтеры
(дежурные) 4. Слесарь по рем. оснастки 5. Кладовщик 6. Слесарь по межрем.обсл.
оборудования 7. Подносчики и раздатчики инструмента 8. Распределители работ 9.
Рабочие БЦК 10. Уборщик произв. площадей 11.Комплектовщик Ед. оборуд. на
чел. То же Кол-во ед. оборуд. в смену Кол-во осн. рабочих То же Ед. оборуд.
на человека Ед. оборуд. на человека Количество основных рабочих Процент от
основных рабочих Убираемая площадь
Человек8
-80
-50
-30
-40
человек на участок0,50
,16
,08
,10
,07
,16
,11
,04
,28
,09
,05
5. Организационная часть
.1 Планирование размещения оборудование и рабочих мест на участке
механического цеха
Разработка технологической планировки проектируемого участка
механического цеха осуществляется в соответствии со строительными и
компоновочными планами производственных помещений цеха, разрабатываемых на
основании соответствующих рекомендаций руководящих материалов. При этом,
основным принципом, используемым при планировке, является прямоточность
движения деталей в процессе обработки, т.е. увязка планировки с технологическим
процессом и установление минимальных расстояний между станками, а также между
станками и элементами зданий согласно нормам технологического проектирования,
приведенным в [38] и [39]. С учетом веса и габаритов обрабатываемых заготовок в
качестве внутрицехового транспорта целесообразно использовать электрические
тележки. Основной вариант технологической планировки проектируемого участка представлен
на рисунке 9.
Рисунок
11. Планировка проектируемого участка
5.2
Организация транспортировки изделий на участке
При
выборе транспортных средств необходимо руководствоваться определенными
требованиями.
Транспортные
средства должны: 1) соответствовать основным параметрам грузового потока
(мощность, масса грузового места, габариты, расстояние); 2) соответствовать
требованиям организации и технологии обслуживаемого ими производственного
процесса; 3) обеспечивать максимальную производительность труда рабочих,
занятых его обслуживанием; Для этого разрабатываются единые
транспортно-технологические схемы, обеспечивающие стыковку транспортной сети и
технологического оборудования. Основные направления совершенствования транспортного
обслуживания
.
Внедрение современных подъемно-транспортных средств и оборудования, повышение
уровня механизации и автоматизации ПРТСР.
.
Внедрение единых транспортных систем с механизированными и автоматизированными
складами.
.
Широкое использование стандартной сборно-разборной и мерной тары сквозного
применения.
.
Проектирование комплексной технологии на все операции производственного
процесса, нормирование транспортных работ.
.
Широкое внедрение контейнерных и пакетных перевозок.
.
Внедрение транспортных и складских систем с автоматическим адресованием грузов,
автоматизированных контейнерных площадок, средств непрерывного транспорта для
межцеховых перевозок.
.
Совершенствование технического обслуживания внутризаводского транспорта.
Централизация перевозок.
.
Организация объективного учета затрат на транспортно-разгрузочные работы и их
систематический анализ. Улучшение системы технико-экономического, оперативного
планирования и диспетчерского руководства на основе использования
математических методов и электронно-вычислительной техники.
.3
Организация рабочего места станочника
Рабочее место - это зона трудовых действий рабочего,
оснащенная оборудованием, инструментом, оснасткой. На рабочем месте выполняются
рабочим определенные производственные операции.
Организация рабочего места - это оснащение его
средствами и предметами труда, размещенными в определенном порядке. Чем
рациональнее организовано рабочее место, чем оно удобнее, тем выше
производительность труда, меньше непроизводительные потери рабочего времени.
Комплект типового оснащения рабочего места включает: основное
технологическое оборудование (станок, верстак, пульт и т. п.); вспомогательное
оборудование (подъемно-транспортное, подставки, сиденья); инвентарь
(инструментальные шкафы, тумбочки, полки, стеллажи и т. п.); тару для заготовок
и готовых деталей (ящики, поддоны, кассеты, штативы, контейнеры);
технологическую оснастку и инструмент (зажимные и базирующие устройства, ключи,
рабочий и мерительный инструмент); организационную оснастку (устройства связи и
сигнализации, планшеты для документации); устройства охраны труда,
санитарно-гигиенические и культурно-бытовые устройства (ограждения, защитные
экраны, промышленная вентиляция и освещение, устройства сбора производственных
отходов, предметы интерьера).
Главным требованием при выборе основного технологического оборудования
является обеспечение на рабочем месте необходимой производительности труда при
соблюдении заданных параметров технологических процессов. Оборудование должно
соответствовать требованиям эргономики и эстетики, а рабочему должны быть
обеспечены комфортные и безопасные условия труда. Для повышения уровня
автоматизации управления технологическими процессами основное оборудование
обеспечивается микропроцессорными устройствами, активными средствами контроля,
системами связи с управляющей ЭВМ и т. п.
Вспомогательное оборудование рабочего места должно быть удобным в
эксплуатации, соответствовать антропометрическим характеристикам работников,
быть оформленным в соответствии с требованиями производственной эстетики.
Рабочее место должно быть связано с системой обслуживания и управления
информационными каналами (связью и сигнализацией). Эта система реализуется в
АСУП (автоматизированная система управления производством).
Важнейшим элементом организации рабочих мест является их рациональная
планировка, под которой понимают рациональное пространственное размещение всех
материальных элементов производства на рабочем месте (оборудования,
технологической и организационной оснастки, инвентаря и т. д.), обеспечивающее
экономное использование производственной площади, высокопроизводительный и
безопасный труд рабочего. Различают внешнюю и внутреннюю планировку рабочих
мест.
Внешняя планировка представляет собой целесообразное размещение на рабочем
месте основного и вспомогательного оборудования, инвентаря и организационной
оснастки. Она проектируется с учетом рабочего и вспомогательного пространства,
представляющего собой трехмерное пространство, ограниченное пределами
досягаемости рук в горизонтальной и вертикальной плоскости с учетом поворота
корпуса на 180 градусов и перемещением рабочего на один - два шага. В рабочей
зоне размещают заготовки, инструменты, технологические материалы, средства
механизации и т. п. Во вспомогательном пространстве располагают устройства,
инвентарь и предметы, используемые реже.
Рациональная внутренняя планировка рабочего места представляет собой
целесообразное размещение технологической оснастки и инструмента в
инструментальном шкафу, правильное расположение заготовок и деталей на рабочем
месте. Она должна обеспечить удобную рабочую позу, рациональные и эффективные
движения и экономное использование производственной площади.
Для эффективного выполнения производственных заданий каждое рабочее место
нуждается в различных видах обслуживания - доставке материалов и заготовок,
установке и наладке инструмента или технологической оснастки, ремонте
оборудования и т. п. Сочетание различных видов обслуживания образует систему
обслуживания рабочих мест, участков и цехов. Это комплекс мероприятий,
регламентирующих виды, объемы, периодичность и методы выполнения работ по
обеспечению рабочих мест всем необходимым. Основные функции обслуживания
рабочих мест: ремонтная, наладочная, материального обеспечения, транспортная,
технического контроля и т. п. К системам обслуживания рабочих мест предъявляют
следующие требования: плановость, предупредительность, надежность,
экономичность, мобильность.
Для оценки технического уровня рабочих мест применяют
следующие показатели.
. Для рабочих мест с оборудованием: производительность
применяемого оборудования; соответствие оборудования требованиям обеспечения
качества продукции; прогрессивность применяемого технологического процесса;
технологическая оснащенность рабочего места.
. Для рабочих мест без оборудования: обоснованность
использования ручного труда; обеспеченность рабочего инструментом; технический
уровень и качество используемого инструмента.
. Организационный уровень рабочего места:
рациональность планировки; количество и трудоемкость закрепленных работ,
сменность и др.
. Условия труда и техника безопасности: соответствие
санитарно-гигиенических условий нормативным требованиям; применение тяжелого
физического труда; монотонность труда; обеспечение безопасности труда.
На машиностроительных предприятиях важной задачей
является задача организации и обслуживания рабочих мест станочников.
Обеспечение рабочих мест материалами (заготовками), инструментом, выдача им
сменных заданий, наладка и ремонт оборудования, прием готовой продукции - все
это должно быть реорганизовано таким образом, чтобы простой рабочего был
минимален.
Необходимо комплексно оборудовать рабочее место,
оснастить его всем необходимым и организовать рациональное обслуживание
рабочего места.
На участке принимаем общее равномерное освещение, при котором светильники
размещают исходя из общих положений. Вентиляция достигается удалением нагретого
и загрязненного воздуха из помещения и подачей в него свежего воздуха. По
пожарной безопасности проектируемый участок можно отнести к категории Д - не
пожарный, так как обрабатываются негорючие материалы в холодном состоянии. По
степени опасности поражения людей электрическим током помещение с проектируемым
участком относится ко 2 классу - с повышенной опасностью.
.4 Организация инструментального хозяйства
Рациональная организация инструментального хозяйства способствует
повышению производительности труда рабочих, улучшению качества продукции и
снижению ее себестоимости.
Основными задачами организации инструментального хозяйства являются:
бесперебойное обеспечение высококачественным инструментом всех цехов и рабочих
мест; правильная эксплуатация инструмента и сокращение его расхода; уменьшение
затрат на изготовление, приобретение, хранение, ремонт и восстановление
инструмента; поддержание минимально необходимых запасов инструмента. Для
решения этих задач необходима классификация инструмента, правильное
планирование его изготовления и приобретения, надлежащая организация его
хранения и ремонта. Для бесперебойного обеспечения цехов инструментом необходимо
поддерживать его запасы на определенном уровне, не допуская их снижения ниже
минимально допустимого.
Применяют две системы планирования пополнения запасов Инструмента в ЦИС:
максимум - минимум и на заказ.
Сущность системы максимум-минимум заключается в том, что запас
инструмента в ЦИС не должен превышать установленной максимальной величины Итах
и быть ниже минимального значения, равного резервному (страховому) Ирез
запасу. Для этого необходимо, чтобы при снижении запаса инструмента до
определенной величины выдавался заказ на изготовление очередной партии
инструмента в инструментальном цехе или на получение со стороны. Величина
запаса, при достижении которой выдается заказ на очередную партию инструмента,
называется точкой заказа.
Точка заказа должна быть выше минимального (резервного) запаса ЦИС на
величину, за время расхода которой можно изготовить или поставить партию
инструмента. Согласно графику заточка заказа (Итз) определяется как
Итз = Ит1п + ТтзИдн,
где ТТЗ - время от момента (точки) выдачи заказа до
поступления очередной партии инструмента в ЦИС; Идн - среднедневной
расход инструмента данного типоразмера по заводу в целом. Величина ТТ
3 равна длительности цикла изготовления или потения партии
инструмента плюс время на оформление заказа. При снижении запаса инструмента в
ЦИС до определенной точки заказа из ЦИС дают заявки в инструментальный отдел.
Количество инструмента
Рисунок 12. График «Точка заказа»
Планирование по системе максимум - минимум может быть организованно для
универсального и специального инструмента, расходуемого в больших количествах.
В остальных случаях применяется система планирования на заказ, при
которой в соответствии с выявленной потребностью заранее дается заказ на
изготовление определенного количества инструмента.
Такая система применяется главным образом для инструмента, который
требуется в незначительном количестве и применяется, как правило, однократно.
Преимущество системы отпуска инструмента по лимитным картам заключается в
более жестком контроле за расходом инструмента, что способствует его экономии,
и в сокращении количества документации по оформлению отпуска инструмента.
Основными функциями ИРК являются получение инструмента из ЦИС, его
хранение и учет, выдача на рабочие места и приемка с рабочих мест, отправка в
переточку, ремонт, проверка и последующая приемка, списание изношенного
инструмента и отправка на восстановительную базу или в утиль.
Инструмент, требующий заточки, ремонта или проверки, должен храниться в
ИРК отдельно от годного, в специальном отделении. Учет инструмента в ИРК
ведется так же, как и в ЦИС, по картам учета. Выдача инструмента на рабочие
места производится по различным системам. Инструмент долговременного
пользования выдается рабочему по разрешению мастера и записывается в
инструментальную книжку. Выдача инструмента кратковременного пользования
производится по одно-, двухмарочной системам и по системе письменных
требований.
При одномарочной системе рабочему в зависимости от профессии и
квалификации выдается несколько (обычно 5-10) инструментальных марок с его
табельным номером, о чем делается запись в инструментальной книжке. Рабочий
сдает инструментальную марку в ИРК, а взамен получает инструмент.
При двухмарочной системе дополнительно имеются инструментальные марки с
индексом инструмента, хранящиеся вместе с инструментом. При выдаче инструмента
марку рабочего кладут в ячейку, из которой берется инструмент, а марку с
индексом инструмента вынимают из ячейки и вешают на контрольную доску на номер
рабочего, получающего инструмент. Двухмарочная система позволяет в любой момент
установить, какой инструмент числится за тем или иным рабочим и какие рабочие
пользуются данным инструментом.
Система письменных требований заключается в том, что у рабочего имеется
книжка с отрывными бланками требований; в них он записывает нужный ему
инструмент и передает их в ИРК. После выдачи инструмента требование кладут в
картотеку, которая ведется в порядке табельных номеров рабочих. Замена
затупившегося или износившегося инструмента в течении смены в массовом и
крупносерийном производствах осуществляется периодически в соответствии с
ритмом подноски. В серийном и единичном производствах подноска инструмента
может производится по требованию рабочих.
Весь инструмент, поступивший в ИРК с рабочих мест, должен подвергаться
технической проверке на контрольно-проверочном пункте (КПП). Инструмент,
требующий ремонта или заточки, направляется соответственно в ремонт (в
инструментальный цех или ремонтное отделение цеха) или заточку.
Проверка инструмента, находящегося у рабочих в долговременном
пользовании, периодически производится контролерами ОТК работниками
технического надзора инструментального отдела завода непосредственно на рабочих
местах.
.4 Организация ремонтного хозяйства
В процессе эксплуатации технологическое оборудование подвергается
физическому и моральному износу и требует постоянного технического
обслуживания. Работоспособность оборудования восстанавливается путем его
ремонта. Причем в ходе ремонта должно не только восстанавливаться
первоначальное состояние оборудования, но необходимо и значительно улучшать его
основные технические характеристики за счет модернизации.
Сущность ремонта заключается в сохранении и качественном восстановлении
работоспособности оборудования путем замены или восстановления изношенных
деталей и регулировки механизмов.
В машиностроении затраты на ремонт оборудования ежегодно достигают 17-26%
его первоначальной стоимости, что соответствует 5-8% себестоимости продукции
завода.
Основная задача ремонтного хозяйства - обеспечить бесперебойную
эксплуатацию оборудования при минимальных затратах на ремонтообслуживание. Эта
задача решается путем рациональной организации текущего обслуживания
оборудования в процессе его эксплуатации в целях предупреждения прогрессирующего
износа и аварий, своевременного планово-предупредительного ремонта
оборудования, модернизации устаревшего оборудования, повышения
организационно-технического уровня ремонтного хозяйства.
Организационно-производственная структура ремонтного хозяйства
определяется масштабом предприятия и принятой формой организации ремонта. На
крупных заводах существуют общезаводские и цеховые ремонтные службы.
К общезаводским подразделения относятся отдел (управление) главного
механика, ремонтно-механический цех, склад оборудования и запасных частей. К
цеховым подразделениям относятся цеховые и корпусные ремонтные базы в
производственных цехах (ЦРБ, КРБ).
Руководит ремонтным хозяйством главный механик завода через отдел
главного механика, который состоит из ряда бюро: оборудования
(планово-предупредительного ремонта), планово-производственного, технического и
др. Отдел главного механика выполняет конструкторскую, технологическую,
производственную и планово-экономическую работу для всего ремонтного хозяйства.
Ремонтно-механический цех (РМЦ) подчинен главному механику и проводит
капитальный ремонт и модернизацию сложного оборудования, изготавливает запасные
части и нестандартное оборудование, оказывает помощь цеховым ремонтным службам.
Структура ремонтного цеха имеет комплексный характер и обеспечивает
выполнение всех ремонтных работ и их обслуживание. К числу отделений и участков
РМЦ относятся демонтажное, заготовительное, механическое, слесарно-сборочное,
кузнечное, сварочное, жестяницкое, восстановление деталей, окрасочное и другие
отделения.
В состав цехово-ремонтной базы входят механическая мастерская, слесарный
участок, ремонтные бригады, кладовая. Руководство ремонтными работами в цехах
осуществляют механики цехов через мастеров и бригадиров. На большинстве заводов
механики цехов административно подчинены начальникам производственных цехов.
Виды и объемы выполняемых ремонтных работ в цехе обуславливают принятой на
заводе формой организации ремонта оборудования.
Техническая база ремонтного хозяйства определяется типовой системой
технического облуживания и ремонта металло- и деревообрабатывающего
оборудования, а также общемашиностроительными нормативами технологического
проектирования РМЦ и ЦРБ и предусматривает количество и структуру оборудования,
производственные площади, средства механизации ремонтных работ и технологию их
выполнения. Состав и количество основного оборудования в ремонтном хозяйстве
должны обеспечивать выполнение всех видов ремонтных работ, изготовление
запасных частей и нестандартизованного оборудования, а также его модернизацию.
Под системой ремонта понимается совокупность взаимосвязанных положений и
норм, определяющих организацию и выполнение работ по техническому обслуживанию
и ремонту оборудования. Ее цель - сохранить в течении обусловленного времени
при заданных условиях эксплуатации производительность, точность и другие
показатели, гарантированные в сопроводительной технической документации
заводов-изготовителей.
Регламентация этих положений изложена в документе «Типовая система
технического обслуживания и ремонта металло- и деревообрабатывающего
оборудования». Сущность системы заключается в том, что после обработки каждым
агрегатом определенного количества часов проводятся профилактические осмотры и
различные виды плановых ремонтов, чередование и периодичность которых
определяются назначением агрегата, его конструктивными и ремонтными
особенностями и условиями эксплуатации. Система ремонта позволяет с наибольшей
эффективностью сочетать ремонтные работы с общих ходом производства на
предприятии.
Типовая система предусматривает проведение технического обслуживания и
плановых ремонтов оборудования. Как по техническому обслуживанию, так и по
ремонту оборудования предусматриваются вида и состав работ, их чередование,
исполнители, трудоемкость и стоимость, подготовка и организация выполнения
работ, планирование, учет, стимулирование, анализ и надзор.
Техническое обслуживание помогает поддерживать работоспособность
оборудования и заключается в наблюдении за его состоянием и правилами
эксплуатации, в регулировании механизмов и устранении мелких неисправностей.
Качественное выполнение работ по техническому обслуживанию значительно удлиняет
сроки службы оборудования и сокращает затраты на плановые ремонты. Техническое
обслуживание выполняется по время перерывов в работе оборудования
производственными рабочими и дежурными слесарями.
Плановые ремонты в зависимости от объема, сложности и сроков проведения
работ подразделяются на текущие, средние и капитальные ремонты.
Текущий ремонт предусматривает замену или восстановление отдельных
деталей без разборки станка, регулировку механизмов для обеспечения или
восстановления работоспособности агрегата до очередного планового ремонта.
Средний ремонт выполняется с частичной разборкой станка, при этом
заменяют или восстанавливают составные части ограниченной номенклатуры,
восстанавливают исправность и частичный ресурс оборудования.
При капитальном ремонте проводятся полная разборка агрегата, замена или
восстановление всех изношенных деталей и узлов, в том числе и базовых, сборка,
регулирование и испытание агрегата под нагрузкой. Капитальный ремонт должен не
только восстанавливать первоначальные характеристики агрегата, но и улучшать их
за счет модернизации.
Модернизация устраняет моральный износ устаревшего оборудования и предусматривает
либо повышение общетехнического уровня агрегата, либо его приспособление
(специализацию) для выполнения отдельных работ.
Вывод оборудования в капитальный ремонт осуществляется в зависимости от
его технического состояния, которое определяется по результатам технического
диагностирования - оценки износа поверхностей трения отдельных деталей
оборудования и состояния их сопряжений в процессе эксплуатации без разборки.
Основной регламентации ремонтных работ является нормативная база типовой
системы, которая предусматривает следующие основные нормативы: структуру и
продолжительность ремонтных циклов оборудования; продолжительность межремонтных
периодов; структуру и продолжительность цикла технического обслуживания;
ремонтосложность; нормы трудоемкости, расхода материалов, простоя в работе и
др.
Объем ремонтных работ определяет отдел главного механика, который
составляет годовой план-график ремонта оборудования на основании структуры
ремонтного цикла и других нормативов типовой системы. Этот план-график составляется
в физических или условных (ремонтных) единицах и является производственной
программой для ремонтных подразделений. На его основе рассчитываются остальные
технико-экономические показатели - трудоемкость работ, численность персонала,
потребность в материалах, сметная стоимость ремонтных работ.
Плановые ремонтные работы должны увязываться с производственной
программой цехов путем создания необходимых заделов или изыскания
дополнительных мощностей на период вывода станка в ремонт. План-график ремонта
оборудования содержит перечень установленного оборудования, его сложность, вид
ремонтов и сроки их выполнения, а также трудоемкость работ и время простоя в
ремонте.
Исходя из годового плана-графика завода, цеховые механики составляют
месячные оперативные планы по ремонту оборудования своего цеха и выдают задания
ремонтным бригадам. При централизованном ремонте организации ремонта
план-график завода является производственной программой ремонтно-механического
цеха.
Общий объем ремонтных работ (в нормо-часах) распределяется между
ремонтно-механическим цехом и цеховыми ремонтными базами в зависимости от
располагаемой ими мощности.
К проведению ремонтных работ и формы организации ремонта оборудования
типовая система предусматривает обязательную подготовку. Своевременное
проведение всех подготовительных работ значительно сокращает сроки ремонта,
улучшает качество и снижает стоимость ремонтных работ. Подготовка к ремонту
включает техническую, материальную и организационную подготовку.
Техническая подготовка предусматривает разработку конструкторской
документации: альбома чертежей сменных деталей и узлов; паспорта оборудования;
схемы управления; инструкции по регулировки и уходу за оборудованием в процессе
эксплуатации; технологических карт разборки и сборки агрегатов и механизмов;
типовых технологических процессов изготовления и ремонта запасных деталей;
типовой оснастки и приспособлений для механизации трудоемких ремонтных работ.
При подготовке технической документации необходимо большую часть получать
централизованно от специализированных конструкторских организаций или
заводов-изготовителей, поставляющих уникальное и специальное оборудование.
Материальная подготовка ремонтных работ заключается в своевременном
приобретении или изготовлении запасных деталей и узлов, снабжении инструментом
и приспособлениями, а также материалами и покупными комплектующими изделиями.
Наряду с технической и материальной подготовкой необходимо проводить
организационные мероприятия по выводу оборудования в ремонт, согласование
сроков ремонта с выполнением календарного плана производства на данном участке.
Это обеспечивается созданием заделов, наличием подменных станков, сменность
работы. В процессе организационной подготовки комплектующие ремонтные бригады,
организуются и оснащаются рабочие места, определяются методы выполнения работ,
формы стимулирования труда и другие мероприятия, обеспечивающие выполнение
ремонта в установленные сроки.
Типовая система предусматривает создание специализированных бригад по
капитальному ремонту механической части оборудования и комплексных бригад по
ремонту и техническому обслуживанию оборудования с ЧПУ. Форма оплаты труда
ремонтников определяются конкретными условиями данного предприятия.
Технологическая последовательность основных этапов выполнения плановых
ремонтов такова:
подготовка к ремонту;
проверка точности (до разборки);
разборка станка на узлы;
разборка узлов на детали;
промывка деталей;
уточнение ведомости дефектов, принятие технологических решений для
восстановления или ремонта основных деталей;
замена, подгонка деталей, сборка и регулирование узлов;
общая сборка;
регулировка станка;
испытание станка;
окраска станка;
сдача техническому контролю.
Продолжительность ремонта сокращается и значительно улучшается качество,
если все ремонтные нужда будут обеспечены запасными деталями и узлами,
изготовленными на станкостроительных предприятиях или заводах.
Запасными деталями принято считать сменные части оборудования (машин),
которые технологически и экономически целесообразно хранить в постоянно
возобновляемом запасе. Производство запасных деталей и обеспечение ими
предприятий является определяющим фактором организации ремонта к замене
изношенных деталей и узлов новыми, их подгонке и регулировки механизмов.
Потребность в запасных деталях в известной степени может быть
удовлетворена за счет многократного восстановления изношенных деталей, особенно
трудоемких. Восстановление деталей путем хромирования, виброконтакной наплавки,
поверхностной закалки, металлизации, азотирования и т.д. не требует
дорогостоящего оборудования, обычно не превышает 35-50% стоимости новых деталей
и значительно повышает срок их службы.
Техническое обслуживание оборудования осуществляется между плановыми
ремонтами предусматривает ежедневную чистку и смазку оборудования и соблюдение
правил его эксплуатации, своевременную регулировку механизмов и устранение
мелких неисправностей.
В настоящее время вводится «Типовая система технического обслуживания и
ремонта метало- и деревообрабатывающего оборудования», придающая техническому
обслуживанию регламентированный и профилактический характер.
Все работы по техническому обслуживанию четко регламентируются по
содержанию, трудоемкости, периодичности выполнения и распределению по
исполнителям. В зависимости от этих факторов предусмотрены следующие комплексы
работ по техническому обслуживанию: Е, ТО-1, ТО-2, ТО-3, ТО-4, ТО-5.
В комплексе Е включены все работы, выполняемые производственными рабочими
ежемесячно. По существу, это инструкции по эксплуатации и уходу за
оборудованием.
Комплекс ТО-1 выполняется один раз в неделю и содержит работы по проверке
устройств техники безопасности и механизмов, отказы которых могут привести к
авариям.
Комплекс ТО-2 выполняется один раз в месяц и предусматривает проверку
органов управления, крепежных деталей и т.п.
Комплекс ТО-3 выполняется один раз в три месяца, то-4 и то-5 -
соответственно через 6 и 12 месяцев. При этом каждый комплекс предусматривает
более сложные и трудоемкие работы и в то же время включает работы
предшествующие комплексов. Работы ТО-1, ТО-2, ТО-3, ТО-4 и ТО-5 выполняются
ремонтниками комплексных бригад.
Для технического обслуживания можно составить и структуру цикла, который
включает: ежесменный осмотр, 4 пополнения смазки, 1 замену смазки, 1 частичный
осмотр, 2 профилактические регулировки.
Перечень работ по техническому обслуживанию должен составляться на каждый
станок заводом-изготовителем, а их выполнение фиксироваться в карте
регламентированного технического обслуживания.
Постоянное возрастание затрат на ремонтообслуживание требует изыскание
более прогрессивных форм и методов ремонта оборудования. К таким формам и
методам относятся специализация и централизация ремонта оборудования,
расширение передовых методов ремонта (узловой), внедрение прогрессивной
технологии ремонтных работ и их механизация, совершенствование организации
труда ремонтного персонала.
Важнейшим направлением следует считать всемерное расширение
централизованной формы организации ремонта на основе специализации ремонтных
работ, развитие специализированных ремонтных предприятий и централизованное
изготовление запасных частей. Организация специализированных предприятий
создает условия для эффективного применения в ремонтном производстве
высокопроизводительного оборудования и оснастки, прогрессивных технологических
процессов и методов труда, свойственных серийному и поточному производству.
Методы выполнения ремонтных работ многообразны: узловой,
последовательно-узловой, «против потока» и др.
Узловой метод заключается в замене изношенных узлов агрегата запасными,
ранее изготовленными или отремонтированными. При этом время простоя
оборудования значительно сокращается, так как большая часть ремонтных работ
выполняется до вывода станка в ремонт.
При последовательно-узловой методе изношенные узлы агрегата ремонтируются
не одновременно, а последовательно с использованием перерывов в работе
агрегатов. Этот метод используется для ремонта оборудования, имеющего
конструктивно обособленные узлы (агрегатные станки).
Метод «против потока» используется для ремонта поточно-автоматизированных
линий и требует серьезной подготовительной работы.
Чаще всего оборудование этих линий ремонтируется одновременно с
остановкой линии или отдельными участками с широким использованием узловых
методов.
Важной задачей осуществления эффективной эксплуатации технологического
оборудования является обеспечение его бесперебойной работы. Решение этой задачи
возможно на основе создания специальной организационной системы, которая
получила название «система полного технического обслуживания».
Цель системы полного технического обслуживания оборудования - обеспечение
надежной и эффективной эксплуатации орудий труда до их износа с целью
минимизации издержек за все время сроков службы. Система нацелена на
минимизацию неполадок и дефектов в работе оборудования.
Создание системы полного технического обслуживания оборудования
предполагает осуществление следующего комплекса мероприятий:
формирование и поддержание оптимальной структуры парка оборудования с
учетом особенностей выпускаемой продукции, технологии и объемов производства;
обеспечение эффективной работы каждой единицы оборудования за счет
конкретных усовершенствований как самого оборудования, так и системы его
технического облуживания;
изменение обязанностей всех работающих таким образом, чтобы каждый
рабочий-оператор не только выполнял производственные функции, но и
самостоятельно обслуживал то оборудование, на котором работает;
систематическое повышение квалификации и обучение рабочих-операторов и
обслуживание бригад;
создание специальных организационных структур, ответственных за состояние
оборудования и выполняющих функции календарного планирования ремонта,
обеспечение запасными частями, осуществлении модернизации оборудования.
.6 Разработка мероприятий по охране труда, ТБ, противопожарной защите
Любое промышленное производство связано с влиянием на человека тех или
иных вредных и опасных факторов [32, 33, 34]. В данном технологическом процессе
существуют следующие вредные и опасные факторы: механические, характеризующиеся
кинетической и потенциальной энергией и механическим влиянием на человека;
электрические - электрический ток; химические - наличие вредных примесей в
воздухе; психофизические - утомление, стресс. Наиболее существенное влияние на
организм человека оказывают следующие вредные факторы: шум, вибрация,
микроклимат и электрический ток.
На проектируемом участке механической обработки корпуса клапана пилотного
установлены станки. При работе задача рабочего сводится к установке,
закреплению и снятию детали со станка. Это значительно снижает процент
травматизма, но не исключает его. К числу характерных опасностей и вредностей
могут быть отнесены вращающиеся элементы токарных, сверлильных станков. При
обслуживании этих видов станков может произойти захват одежды рабочего, волос,
руки.
В цехе также присутствует электрохимический станок в процессе анодной
обработки металлов которого образуется довольно большое количество шлама. Масса
шлама, представляет собой основные соли, оксиды и гидроксиды металлов, входящих
в состав обрабатываемого материала, превышает массу металла растворенного
анода: для сплавов на основе железа и хромоникелевых это превышение составляет
соответственно в 1,5 и 2-2,5 раза. Учитывая все возрастающий объем
технологических процессов обработки деталей в машиностроении, основанных на
электрохимических методах, необходимо проведение комплекса мероприятий,
которые, с одной стороны, позволили ли использовать шлам в смежных областях
техники, а с другой - провести рекуперацию дорогостоящего шлама на основе
редких металлов и регенерировать эти металлы.
Утилизация шлама и обезвреживание стоков после анодной обработки дают
толчок к созданию безотходных и малоотходных технологий и защите окружающей
среды. В электрохимических производствах должны также соблюдаться требования к
параметрам воздушной среды.
К числу производственных факторов, отрицательно влияющих на условия и
производительность труда на участке, относятся неблагоприятные метеоусловия,
неудовлетворительная освещенность рабочих мест, шум опасность поражения
электрическим током, использование охлаждающей жидкости, которая может вызвать
разного рода поражения и заболевания кожи. Травматизм в цехе повышается также
из-за наличия транспортных средств для перевозки деталей, заготовок.
По пожарной безопасности проектируемый участок можно отнести к категории
Д - не пожарный, так как обрабатываются негорючие материалы в холодном
состоянии.
По степени опасности поражения людей электрическим током помещение с
проектируемым участком относится ко 2 классу - с повышенной опасностью.
Электробезопасность осуществляется за счет следующих мероприятий: токоведущие
части электроустановок размещают на высоте 2,5 м от пола, выполняют защитное
заземление - преднамеренное соединение металлических частей оборудования с
землей. Сопротивление заземляющего устройства должно быть не более 4 см.
Повышенная электрическая опасность на проектируемом участке объясняется
следующими вредными факторами:
1) наличие влажности (более 75 %);
2) наличие токопроводящей стальной пыли;
3) наличие токопроводящих частей
оборудования;
4) наличие возможности одновременного
прикосновения человека к имеющим соединения с землей металлоконструкциями
зданий с одной стороны и к металлическим корпусам электрооборудования с другой
стороны;
5) наличие токопроводящих полов.
Производственное освещение должно улучшать условия зрительной работы,
снижать утомление, способствовать повышению производительности труда и качества
выпускаемой продукции.
Для освещения производственных помещений, в первую очередь, следует
применять газоразрядные лампы независимо от принятой системы освещения в связи
с большими преимуществами их перед лампами накаливания экономического и
светотехнического характера. На участке принимаем общее равномерное освещение,
при котором светильники размещают исходя из общих положений.
Задачей вентиляции является обеспечение чистоты воздуха и заданных
метеорологических условий в производственном помещении. Вентиляция достигается
удалением нагретого и загрязненного воздуха из помещения и подачей в него
свежего воздуха.
В соответствии с нормами СНиП - II - 90-85 производство, размещающееся на проектируемом участке, относится
к категории Д - непожароопасные производства. Предел огнестойкости - 2 часа
СНиП - II - 2-81.
В цехе, где обрабатывается корпус клапана пилотного предусмотрены
противопожарные средства. К ним относятся противопожарные посты, которые
представляют щиты с углекислым огнетушителем, лопатой, ведром и песком.
Работа механообрабатывающего цеха сопровождается шумом, возникающим при
токарной и сверлильной обработках детали. Шум - это всякий нежелательный, неприятный
для восприятия человека звук. Шум неблагоприятно воздействует на организм
человека. Он вызывает психические и физиологические нарушения, усиливает
утомляемость рабочего, снижает работоспособность и создает предпосылки для
общих профессиональных заболеваний и производственного травматизма. Известно,
что ряд таких серьезных заболеваний, как гипертонические и язвенные болезни,
неврозы с перенапряжением нервной системы из-за увеличения уровней шума до 70
децибел и выше. Так как в механообрабатывающих цехах шум, как правило, имеет
механическое происхождение, то основным методом борьбы с ним является
совершенствование технологических процессов и оборудования. Но в производстве
есть оборудование, которое нельзя заменить и нельзя исключить его применение. Им
отводятся специальные помещения со звукопоглощающими перегородками. Основным
нормативным документом, устанавливающим требования к относительно акустическим
методам борьбы с шумом является СНиП - 12-17 «Защита от шума», содержащее
требования к проектированию средств шумопоглощения строительно-акустическими и
архитектурными планированными методами. К средствам индивидуальной защиты
относятся вкладыши, наушники.
6. Экономическая часть
.1 Организация оплаты труда на участке
Фонд зарплаты складывается из основной и дополнительной зарплаты; в
основную входят тарифный фонд и различного рода доплаты, большую часть которых
составляет премия.
Тарифный фонд основных производственных рабочих-сдельщиков определяется
как сумма расценок по операциям, умноженная на годовую программу
, (6.1)
где
- расценка на изделие типа j, р;
, (6.2)
где
- сдельная расценка по операции i
изделия типа j, р;
-
коэффициент, учитывающий многостаночность работы, можно принять
= 1.
, (6.3)
где
- часовая тарифная ставка, соответствующая разряду
операции i, р/ч.
Расчет
расценок на изготовление детали оформлен в виде таблицы 6.1. Часовые тарифные
ставки по разрядам работ принимаем по данным базового предприятия: ставка
первого разряда
=5,12 р./ч; второго -
=7,68
р./ч; третьего -
=8,7 р./ч; четвертого -
=10,24
р./ч; пятого -
=11,26 р./ч; шестого -
=12,8
р./ч.
Таблица
6.1 - Расчет сдельных расценок на деталь
|
Номер операции
|
, мин , р / ч , р
|
|
|
|
010 015 025 030 035 040 045 050
|
22,79 11,96 11,57 26,24 12,12 28,87 4,80 8,24
|
11,26 11,26 11,26 11,26 10,24 10,24 10,24 10,24
|
4,28 2,24 2,17 4,92 2,07 4,93 0,82 1,41
|
|
Итого:
|
126,59
|
|
22,84
|
.
Доплаты
составляют 40 % от
, что соответственно равно 18272,0 р.
Итого,
основная зарплата основных производственных рабочих равна
.
Дополнительная
зарплата
принимается в размере 10 % от основной
Тарифный
фонд заработной платы рабочих-повременщиков
, р.,
определяют по формуле
, (6.4)
где
Чп - численность рабочих-повременщиков, чел.;
-
часовая тарифная ставка 1-го разряда, р./ч.;
- средний
тарифный коэффициент рабочих- повременщиков;
, (6.5)
Чпi
- число рабочих-повременщиков i-го разряда, чел.;iп -
тарифный коэффициент рабочих-повременщиков i-го разряда.
Определяем
средний тарифный коэффициент рабочих-повременщиков
.
Тарифный
фонд заработной платы рабочих-повременщиков
.
Доплаты
составляют 40 % от
, что соответственно равно 20874,04 р.
Итого, основная зарплата вспомогательных рабочих равна
.
Дополнительная
зарплата
принимается в размере 10 % от основной
.
Тарифная заработная плата ИТР, исходя из окладов, равен
.
Доплаты
составят 40 % от
, что соответственно равно 13440,0 р.
Итого, основная зарплата ИТР будет равна
.
.3 Расчет цеховых расходов на силовую электроэнергию, сжатый воздух, воду
Затраты на вспомогательные материалы Мвт принимаются в размере
5 % от стоимости технологического оборудования Кот 186432 р.
Затраты на силовую энергию считаются по формуле:
, (6.6)
где
- суммарная установленная мощность электродвигателей
оборудования, кВт;
-
коэффициент загрузки оборудования по времени, Кв = 0,4-0,7;
-
коэффициент загрузки электродвигателей по мощности, Км= 0,5-0,8;
-
коэффициент, учитывающий потери электроэнергии в сети завода, Кпс =
1,04-1,08;
h - средний
коэффициент полезного действия электродвигателей оборудования, h = 0,65;
- цена 1
кВт-ч электроэнергии, р.
.
Затраты
на сжатый воздух определяются как произведение годового расхода сжатого
воздуха, из расчета 5 м3 на один станок в смену, на цену 1 м3
сжатого воздуха
, (6.7)
где
- количество воздуха, его объем, приходящийся на один
станок в смену,
;
- число
рабочих дней в году;
-
количество смен в сутки;
- число
станков;
- цена 1
м3 сжатого воздуха;
= 0,763
р/ м3.
.
Затраты
на воду рассчитываются по формуле:
, (6.8)
где
- средний расход воды на один металлорежущий станок в
час,
;
- число
рабочих дней в году;
-
продолжительность рабочей смены, ч;
- цена
воды, р/м3;
= 44,253 р/м3.
.
Расходы
на содержание и эксплуатацию транспорта принимают в размере 5 % от стоимости
транспортных средств, что составляет 18643,2 р.
Расходы
на износ малоценных инструментов и приспособлений определяются укрупненно из
расчета 75 тыс. р на один станок в год. Прочие расходы - составляют примерно 3
% от общей суммы затрат по перечисленным выше статьям
.4
Расчет затрат на амортизацию оборудования
Создание
предметно-замкнутого участка требует затрат на технологическую подготовку
производства, закупку, установку и наладку технологического, энергетического,
подъемно-транспортного оборудования, технологическую оснастку, инвентарь и
хозяйственные принадлежности, а также затрат на производственную площадь.
Из
затрат на технологическую подготовку наиболее существенными являются затраты на
проектирование технологических процессов и затраты на проектирование
приспособлений. Эти затраты рассчитываются по трудоемкости проектных работ и
стоимости 1 человека-часа работы разработчиков[42]
, (6.10)
где
Капиталовложения
в оборудование рассчитываются по формуле [42]:
, (6.12)
где
- капиталовложения соответственно в технологическое
оборудование, энергетическое оборудование, подъемно-транспортное оборудование,
в средства контроля и управления.
Вложения
в технологическое оборудование определяются так:
, (6.16)
где
- оптовая цена единицы оборудования i-ого
вида, р;
-
коэффициент транспортно - заготовительных расходов,
соответственно для тяжелого и легкого оборудования;
-
коэффициент, учитывающий затраты на строительные работы, в том числе устройство
фундаментов (
);
-
коэффициент, учитывающий затраты на монтаж и наладку оборудования,
от оптовой цены оборудования.
Оптовые
цены единиц оборудования по видам берем из таблицы 2.1.
.
Укрупнено
капиталовложения в энергетическое оборудование принимаются равными 5-20 % от
стоимости технологического оборудования:
.
Капиталовложения
в подъемно-транспортное оборудование принимаются равными 10-15 % от стоимости
технологического оборудования:
.
Капиталовложения
в средства контроля и управления технологическим процессом принимаются равными
3 % от стоимости технологического оборудования.
.
Капиталовложения
в оборудование равны:
.
Затраты
на технологическую оснастку при укрупненных расчетах можно принять в размере
7-10 % от
:
.
Вложения
в инвентарь и хозяйственные принадлежности
долговременного
пользования принимаются в размере 3-5 % от
.
.
Капитальные
вложения в здания определяются по формуле:
, (6.17)
где
- стоимость 1 м2 здания, р;
-
площадь участка, который определяется исходя из его планировки.
.
Результаты расчета капитальных вложений в основные производственные фонды
участка оформлены в виде таблицы 5.1. В нее занесены рассчитанные по каждой
группе основных фондов годовые суммы амортизационных отчислений. Нормы амортизационных
отчислений взяты из литературы [30, 42].
Таблица 5.1 - Сводная ведомость капитальных вложений
|
Виды основных фондов
|
Кол-во ед. оборуд., шт.
|
Балансовая стоимость ед. оборуд., р
|
Балансовая стоимость основн. фондов, р
|
Норма амортиз., %
|
Годовые амортиз. отчисл., р
|
|
1. Технологическое оборудование, всего: В том числе: 16К25
2М112 4450 2. Энергетическое оборудование 3. Подъемно - трансп. оборудов. 4.
Средства контроля и управления 5. Технологическая оснастка 6. Инвентарь и
хоз. принадлежности
|
4 2 1 1
|
950000 650000 363000
|
3728640 1900000 650000 363000 186432 372864 111859,2
372864 149145,6
|
10,5 6,5 4,5 4,4 16,7 11 20 15,4
|
199500,0 42250,0 16335,0 8203,0 62268,3 12304,5
74572,8 22968,4
|
|
Итого:
|
|
4921804,8
|
|
438402,0
|
Смета расходов на содержание и эксплуатацию оборудования включает
следующие статьи: амортизация оборудования, эксплуатация оборудования, расходы
по содержанию и эксплуатации транспорта, износ малоценных и
быстроизнашивающихся инструментов и приспособлений, прочие расходы.
Расходы
на амортизацию оборудования
указаны
в таблице 5.1 и составляют
.
Результаты расчета расходов на содержание и эксплуатацию оборудования
участка сводятся в таблицу 5.2.
Таблица 5.2 - Смета расходов на содержание и эксплуатацию оборудования
|
Статьи расходов
|
Сумма, р.
|
|
Амортизация оборудования Затраты на вспомогательные
материалы Затраты на силовую энергию Затраты на сжатый воздух Затраты на воду
Заработная плата вспомогательных рабочих Расходы на содержание и эксплуатацию
транспорта Износ малоценных и быстроизнашивающихся инструментов и
приспособлений Прочие расходы
|
258085,0 186432 101603,63 2858,90 123,15 73059,14 18643,2
300000,00 28224,15
|
|
Итого:
|
969029,35
|
Расчет себестоимости, а также общие годовые расходы на производство
детали, изготавливаемой по спроектированной технологии, сводим в таблицу 5.3.
Таблица 5.3 - Калькуляция себестоимости детали
|
Статьи затрат
|
Усл. обозн.
|
Расчет
|
Сумма, р.
|
1.
Основные материалы (стоимость заготовки)
см.
таблицу 1.3
2.
Вспомогательные материалы для технологических целей 
,
=3728640
р;
= 2000 шт.
3.
Возвратные отходы (стружка) 
;
= 1,05 р / кг;
= 1,46
кг / деталь
4.
Основная заработная плата основных производственных рабочих 
;
;
= 22,84 р
/ деталь
5.
Дополнительная заработная плата основных рабочих 
;
= 10%
6.
Начисления на социальные нужды 
;
=26,0
7.
Износ специальных инструментов и приспособлений 
;
= 372864 р
8.
Расходы на содержание и эксплуатацию оборудования 
;
=
969029,35
р;
=
63952,00 р
|
227,75
|
|
|
|
|
9. Цеховые расходы
|
 59,16
|
|
|
Итого
цеховая себестоимость 
|
641,15
|
|
|
|
|
10. Общехозяйственные расходы
|
 ; 18,55
|
|
|
|
Итого производственная себестоимость детали
|
 659,70
|
|
|
|
11. Коммерческие расходы
|
 ; = 0,1065,97
|
|
|
|
Итого полная себестоимость детали
|
 725,67
|
|
|
.6 Технико-экономические показатели
Технико-экономические показатели проектируемого участка в составе
механического цеха приведены в таблице 5.4.
Таблица 5.4 - Технико-экономические показатели проектируемого участка
Величина показателя
|
|
по участку
|
|
1. Абсолютные показатели 1.1 Годовой выпуск продукции: в
натуральном выражении, шт. в стоимостном выражении, (по цеховой себестоимости
млн. р. 1.2 Количество единиц технологического оборудования 1.3 Общая
стоимость основных производственных фондов, млн. р 1.4 Общая площадь
участка, м2 1.5 Численность основных рабочих, чел. 1.6 Фонд
заработной платы основных рабочих, млн. р 2. Относительные показатели: 2.1
Выпуск продукции на одного производственного рабочего в денежном выражении,
млн. р /чел. 2.2 Выпуск продукции на кв.м производственной площади, млн. р /
кв.м 2.3 Фондоотдача, р / р 2.4 Средняя загрузка оборудования, % 2.5
Фондовооруженность труда, млн. р / чел. 2.6 Уровень механизации труда, %
|
2000 1,32 4 4,92 120 4 0,064 0,33 0,011 0,32 47
1,23 38
|
.5 Расчет показателей экономической эффективности проекта
Экономический эффект от функционирования участка, на котором детали
изготавливаются по вновь спроектированной технологии, рассчитывается на
конкретный период. Исходя из темпов обновления промышленной продукции, в состав
которой входит изготавливаемая деталь, принимаем этот период равным одному году.
Экономический эффект реализации проекта участка за расчетный период может
быть определен по формуле:
, (6.18)
где
- неизменная по годам расчетного периода стоимостная
оценка результатов производства продукции с использованием разработанного
технологического процесса, р;
-
неизменные по годам расчетного периода затраты на продукцию с применением
разработанного технологического процесса, р;
- норма
реновации, исчисленная для периода использования проектируемой технологии;
[42];
-
норматив приведения разновременных результатов и затрат, численно равный
нормативу эффективности капитальных вложений,
.
Величина
определяется по формуле
. (6.19)
где
- оптовая цена детали, производимой на
спроектированном участке, р;
,
-
коэффициент рентабельности к себестоимости продукции;
;
-
годовая программа выпуска деталей, шт.
.
Величина
определяется по формуле
, (6.20)
где
- текущие издержки производства (себестоимость
годового выпуска продукции с использованием разработанного технологического
процесса) без учета амортизации основных производственных фондов, используемых
при изготовлении продукции, р;
-
среднегодовая стоимость основных производственных фондов, используемых при
производстве продукции на спроектированном участке;
-
ликвидационное сальдо основных фондов, либо их остаточная стоимость на момент
окончания применения разработанной технологии, р. Ликвидационное сальдо
основных фондов принимают в размере 5 % от их первоначальной стоимости.
Остаточная стоимость основных фондов на момент окончания использования
разработанной технологии определяется по формуле
, (6.21)
где
- первоначальная (балансовая) стоимость основных
фондов, р;
- норма
реновации, соответствующая сроку службы основных фондов,
= 0,0315 (15 лет) [42];
- норма
реновации, соответствующая
,
= 0,0357.
.
.
Внутренняя
норма доходности (внутренний коэффициент эффективности) проекта определяется по
формуле
, (6.22)
где
- единовременные затраты на создание участка, р.
.
Срок
окупаемости капитальных вложений в проект определяется по формуле
. (6.23)
.
Таким
образом
, а срок окупаемости
примерно
равен сроку использования разработанной технологии.
Следовательно,
можно сделать вывод о том, что разработанные инженерные решения являются
экономическими эффективными.
Заключение
Анализ приведенных материалов дипломного проекта показывает, что основная
цель дипломного проектирования - адаптация базового технологического процесса
изготовления корпуса клапана пилотного для условий крупносерийного производства
- в целом достигнута. При этом были решены следующие задачи:
взамен дорогостоящих обрабатывающих центров использованы универсальные
металлорежущие станки, обеспечивающие на всех операциях совместно с твердосплавным
инструментом прогрессивные режимы резания (сокращение трудоемкости механической
обработки составило 37,5 %);
применение электрохимических методов для скругления острых кромок деталей
и удаления заусенцев позволило полностью исключить из технологического процесса
ручные слесарные операции;
исходя из заданной программы выпуска изделий и сменности работы
производственного участка разработана его технологическая планировка,
учитывающая построение маршрутного и операционного технологических процессов;
дана технико-экономическая оценка принятым в процессе дипломного
проектирования техническим решениям (годовая экономическая эффективность
разработанного проекта составила более 333,67 тыс. р., срок окупаемости
капитальных вложений - 2,27 года, снижение себестоимости - до 32 %);
- проанализированы воздействия негативных факторов промышленного
производства на экологию окружающей среды и работников участка.
Вместе с тем, в дипломном проекте не нашли отражения такие вопросы, как
оценка точности получаемых межоперационных размеров, применение средств
механизации и автоматизации технологических процессов и некоторые другие.
Список литературы
1.
Данилевский В.В. Технология машиностроения: Учебник для техникумов. - 5-е изд.,
перераб. и доп. - М., Высшая школа, 1984. - 416 с., ил.
. Ковшов А.Н.
Технология машиностроения: Учеб. для студ. машиностроительных специальн.
вузов.- М.: Машиностроение, 1987. - 320 с.
3. Технология
машиностроения (специальная часть)./ Б.Л. Беспалов, Л.А. Глейзер, И.М. Колесов
и др.- М.: Машиностроение, 1973.- 448 с.
4. Чернов
Н.Н. Металлорежущие станки: Учебник для техникумов по специальности»Обработка
металлов резанием». - 4-е изд., перераб. и доп.- М.: Машиностроение, 1988, -
416с., ил.
. Приданцев
М.В., Давыдова Л.Н., Тамарина И.А. Конструкционные стали (справочник). - М.:
Металлургия, 1980. - 288 с.
. Федотиков
А.П. Краткий справочник технолога-машиностроителя. М.: ГНТИ Оборонгиз, 1960. -
403 с.
.
Проектирование технологических процессов механической обработки деталей:
Методические указания для выполнения курсовой работы по дисциплине «Технология
машиностроения»/ В.Н. Самохвалов. - Самара: СамИИТ, 2000. - 29 с.
8. Технологичность конструкции изделия:
Справочник/ Ю. Д. Амиров, Т. К. Алферова, П. Н. Волков и др.; Под общ. ред. Ю.
Д. Амирова. - 2-е изд., перераб. и доп. - М.: Машиностроение, 1990. - 768 с.
. ЕСТПП. ГОСТ
14.004-83. Термины и определения основных понятий. - М.: ГК СССР по стандартам,
1984. - 8 с.
. Курсовое
проектирование по технологии машиностроения: Учеб. пособие / Л.В. Худобин, В.Ф.
Гурьянихин, В.Р. Берзин. - М.: Машиностроение, 1989. - 288 с.
. Курсовое
проектирование по технологии машиностроения: Учеб. пособие для вузов/ Под. общ.
ред. А. Ф. Горбацевича. -3-е изд., перераб., и доп. - Минск: Высшая школа,
1975. - 488 с.
. Нефедов
Н.А. Дипломное проектирование в машиностроительных техникумах: Учебное пособие
для техникумов. - М. Высшая школа., 1986. - 239 с., ил.
. Согришин
Ю.П., Гришин Л.Г., Воробьев В.М. Штамповка на высокоскоростных молотах. - М.:
Машиностроение, 1978. - 167 с.
. Титов Н.Д.
Технология литейного производства.- М.: Машиностроение, 1968. - 388 с.
15.
Справочник технолога-машиностроителя. Том 1./ Под ред. А.Г. Косиловой и Р.К.
Мещерякова. - М.: Машиностроение, 1972. - 694 с.
. Анурьев
В.И. Справочник конструктора-машиностроителя. Т. 1. - М.: Машиностроение, 1978.
- 728 с.
. Обработка
металлов резанием: Справочник технолога / А.А. Панов, В.В. Аникин, Н.Г. Бойм и
др. - М.: Машиностроение, 1988. - 736 с.
. ЕСТПП. ГОСТ
14.301-83. Общие правила разработки технологических процессов и выбора
технологического оснащения. - М.: ГК СССР по стандартам, 1984. - 6 с.
. Добрыднев
И.С. Курсовое проектирование по предмету «Технология машиностроения»: Учебн.
пособие. - М.: Машиностроение, 1985. - 184 с.
. Справочник
технолога-машиностроителя. Том 2./Под ред. А.Н. Малова. - М.: Машиностроение,
1972. - 568 с.
.
Общемашиностроительные нормативы времени вспомогательного, на обслуживание
рабочего места и подготовительно-заключительного для технического нормирования.
Серийное производство. - М.: Машиностроение, 1974. - 328 с.
.
Общемашиностроительные нормативы режимов резания для технического нормирования
работ на металлорежущих станках. Ч.1. Токарные, карусельные,
токарно-револьверные, алмазно-расточные, сверлильные, строгальные, долбежные и
фрезерные станки. - М.: Машиностроение, 1967. - 279 с.
. Режимы
резания металлов. Справочник: / Под ред. Ю.В. Барановского. - М.:
Машиностроение, 1972. - 598 с.
. Артамонов
Б.А., Волков Ю.С., Дрожалов В.И. и др. Электрофизические и электрохимические
методы обработки материалов: Учеб. пособие. Т.1. Обработка материалов с
применением инструмента / Под ред. В.П. Смоленцева. - М.: Высш. шк., 1983. -
247 с.
. Попилов
Л.Я. Электрофизическая и электрохимическая обработка материалов. - М.:
Машиностроение, 1969. - 297 с.
. Справочник
по электрохимическим и электрофизическим методам обработки / Г.Л. Амитан, И.А.
Байсупов, Ю.М. Барон и др.; Под общ. ред. В.А. Волосатова. - Л.:
Машиностроение, 1988. - 719с.
. Охрана
труда в машиностроении: Учебник для машиностроительных вузов/ Под общей ред.
Е.Я. Юдина, С.В. Белова. - 2-е изд., перераб. и доп. - М.: Машиностроение,
1983. -432 с.
. Колл.
авторов под ред. Н.К. Шишкина. Безопасность в чрезвычайных ситуациях: Учебник/
ГУУ. - М., 2000. - 315 с.
. Охрана
окружающей среды/ Под ред. С.В. Белова. - М.: Высш. шк., 1991. - 319 с.
. Станочные
приспособления: Справочник. Т. 1 / Под ред. Б.Н. Вардашкина, А.А. Шатилова. -
М.: Машиностроение, 1984. - 592 с.
. Станочные
приспособления: Справочник. Т. 2 / Под ред. Б.Н. Вардашкина, В.В. Данилевского.
- М.: Машиностроение, 1984. - 656 с.
. Худобин
Л.В., Гурьянихин В.Ф., Берзин В.Р. Расчет и проектирование специальных средств
технологического оснащения в курсовых и дипломных проектах: Учеб. пособие. -
Ульяновск: УлГТУ, 1997. - 64 с.
. Егоров М.Е.
Основы проектирования машиностроительных заводов. - 6-е изд., перераб. и доп.
Учебник для машиностроительных вузов. М.: Высш. шк., 1969. - 480 с.
. Туровец
О.Г. Организация производства управление предприятием. - М.: ИНФРА-М, 2005.-544
с.
. Ефимов В.В.,
Князев В.М. Спираль качества. - Ульяновск: Изд-во УлГТУ, 2002. - 232 с.