Разработка прогрессивных технологических процессов
ВВЕДЕНИЕ
Быстрое развитие машиностроения независимой
Украины, которое является важнейшей отраслью народного хозяйства страны и в
значительной степени определяет уровень и темп его развития, нуждается в
научном решении вопросов, связанных с разработкой новых и усовершенствование
существующих технологических процессов изготовления деталей машин и составления
их в изделии, особенно в условиях рыночной экономики.
Успешное решение этих задач определяется уровнем
подготовки инженеров по специальности „Технология машиностроения”. Реализация
системы профессиональной подготовки специалистов, в том числе по договорам об
индивидуальной целевой подготовке, обеспечивается комплексом дисциплин
профилирующей кафедры.
Важнейшим этапом в подготовке специалистов
является дипломное проектирование. На этом этапе окончательно формируются
профессиональные навыки инженера-механика, а качество дипломного проекта
отвечает уровню подготовки специалиста. Дипломный проект является основной
формой и методом приобретения будущими инженерами навыков самостоятельной
работы, и в значительной мере определяет формирование аналитического и
творческого мышления будущих инженеров.
В дипломном проекте разработаны прогрессивные
технологические процессы, сконструированные приспособления, рассчитанные
производственные площади, выполнен экономический анализ, который досказывает
эффективность нововведений.
1. ТЕХНОЛОГИЧЕСКАЯ ЧАСТЬ
.1 Разработка технологического
процесса сборки
.1.1 Служебное назначение и
конструкция машины
Данная конструкция гидравлического привода -
цилиндра - применяется на прессе гидравлическом штамповочном с усилием 75000 т.
Работа цилиндра обеспечивает удаление заготовки из ручьев штампа.
С левой стороны цилиндр при помощи винтов 12
через фланец 4 крепится к плите промежуточной нижней, которая в процессе работы
остается неподвижной.
Правая сторона соединяется с траверсой подвижной
через пяту 5, клиновой болт 7 и болтов 10.
Траверса посредством осей соединена с нижней
рейкой. При подаче жидкости в поршневую полость цилиндра происходит движение
траверсы вправо. Траверса, перемещаясь, тянет за собой нижнюю рейку
выталкивателя, которая своими наклонными зубьями действует на верхнюю рейку,
поднимая ее вверх. К траверсе примыкают вертикально установленные толкатели.
При перемещении вверх, толкатели удаляют заготовки из штампа.
Цилиндр поршневого типа. Рабочая жидкость -
вода. Цилиндр состоит из корпуса и штока-поршня. Рабочие поверхности этих
деталей подвергаются хромированию. С торцев корпус закрывается крышками. Для
герметичности цилиндра применяются уплотнительные элементы фирмы “SIMRIT”
Таблица 1.1 - Техническая характеристика
“Цилиндр” 1-298027СБ
|
Наименование
|
Норма
|
|
1.Усилие
цилиндра, kH тянущее толкающее
|
2730
1290
|
|
2.
Ход штока поршня, мм.
|
375
|
|
3.
Давление жидкости, кгс/см2 (МПа)
|
320
(32)
|
|
4.
Рабочая жидкость
|
вода
|
|
5.
Испытательное давление, кг/см2 (МПа)
|
400
(40)
|
Анализ технических требований к чертежу
Размеры для справок, кроме обозначенных знаком*;
Перед сборкой все детали промыть, высушить;
Все резьбовые части смазать Литол-24 ГОСТ
21150-87;
Элементы уплотнений монтировать согласно
требованиям заводаизготовителя;
Цилиндр испытать на прочность и наружную
герметичность подавая испытательное давление - 40 МПа. При этом детали поз. 10,
12, 14 должны быть сняты;
Остаточные деформации, просачивания масла через
неподвижные соединения, потение наружных поверхностей не допускается при
выдержке под давлением не менее трех минут;
Подъем цилиндра в вертикальное положение не
допускается;
Покрытие - грунтовка ГФ-0119 красно-коричневая;
Маркировать по РД 24.854.01-89;
Строповку производить без поз. 10, 12 и 14. За
поз. 3, 5, 6 и 8 не стропить.
1.1.2 Маркетинговые исследования
Перед тем, как начинать разработку
конструкторского и технологического проекта по производству какого-либо вида
продукции, предприятие проводит маркетинговые исследования состояния рынка
данной продукции, с целью определения спроса и предложения, а также проводит
изучение цен на данную продукцию [1].
В процессе анализа и планирования, осуществления
и контроля эффективности маркетинговых мероприятий нуждается разная информация.
Маркетинговая информация позволяет предприятию:
снизить финансовый риск и опасность;
получить конкурентные преимущества;
следить за маркетинговой средой;
координировать стратегию;
оценивать эффективность деятельности.
Основными источниками информации является:
данные, что получают в результате специально
проведенных для решения конкретной маркетинговой проблемы исследований;
публикации официальных организаций;
публикации государственных органов, торгово-промышленных
палат и объединений, издания отраслевых фирм;
прайс-листы, каталоги, проспекты и другие
публикации;
Маркетинговая деятельность ЗАО НКМЗ направлена
на решение двух групп задач: практическое осуществление стратегии выхода завода
на новые рынки сбыта с конкурентоспособной, высококачественной продукцией и
создание мобильной и гибкой системы взаимодействия функциональных служб с
заказчиками потенциальными потребителями техники, выпускаемой ЗАО НКМЗ.
ЗАО НКМЗ, как правило, прямых рекламных и агитационных
акций и мероприятий не проводит, а выпускаемая продукция ориентирована в
основном на конкретных и постоянных потребителей, с которыми налажены хорошие
связи, взаимоотношения и партнерство. Достигать качества, позволяющего не
упустить возможных заказчиков продукции завода можно лишь при условии, что
система качества будет базироваться на тщательных исследованиях стратегических
зон хозяйствования.
В соответствии со стандартом в обязанности
Управления маркетингового обеспечения внесены:
планирование маркетинговых мероприятий и
разработка методических рекомендаций по всем направлениям маркетинговых
исследований;
анализ и оценка уровня конкуренции и других
внешних факторов, определение потенциальной ёмкости рынка продукции
акционерного общества с учётом специфичности производств;
обеспечение рекламной продукцией всех
специалистов маркетинговых структур, подготовка и проведение рекламных
кампаний;
обеспечение прямой почтовой рассылки рекламных
материалов, создание и поддержание информационно-рекламных страниц в Интернете;
планирование и организация мероприятий Public
relations;
организация общезаводских презентационных
мероприятий;
разработка и реализация фирменного стиля
акционерного общества, элементов маркетинга продукции, выпускаемой ЗАО НКМЗ.
В ЗАО НКМЗ намечены и практически реализуются
конкретные шаги по развитию маркетинга во всех сферах деятельности, укреплению
его взаимосвязи с работой других подразделений, усилению взаимодействия с
внешнеторговой фирмой «Крамэкс».
Предпринимаются меры по повышению эффективности
организации рекламы, более оперативному, достоверному и высококачественному
информированию потенциальных покупателей о технических и экспортных
возможностях акционерного общества с целью продвижения конкурентоспособных
машин и оборудования на зарубежный рынок, формирования устойчивого спроса на
продукцию завода на основе более глубокого и системного изучения конъектуры
мирового рынка.
Конкурентами широко известны в мире бизнеса
машиностроительные компании, как «Фест-альпине» (Австрия), «Сименс» и
«Маннесман Демаг» (Германия), «Даниели» (Италия) и др., которые также много
уделяют внимания рекламе своей продукции (проспекты, выставки, реклама и др.).
Практика ЗАО НКМЗ по обеспечению устойчивого
развития акционерного общества в условиях, когда внешняя среда с каждым годом
становится всё сложнее, позволяет сделать вывод, что добиться этого можно лишь
путём органической интеграции маркетинга в систему внутрифирменного
стратегического управления.
1.1.3 Отработка конструкции изделия
на технологичность
В конструкции гидравлического привода
выталкивателя стола максимально используются стандартные и унифицированы детали
- болты, гайки, шайбы.
В качестве материалов деталей гидравлического
привода выталкивателя стола максимально использованы качественные углеродные
стали. Они позволяют использовать производительные, экономически выгодные
методы обработки деталей, которые входят в состав узла.
Заготовками для крупно габаритных деталей
(корпус) является сварной прокат, а для крышки - поковка. Для данных деталей
это наиболее рациональный вид и метод получения заготовки.
При составлении узла необходимо использовать
специальную оснастку - приспособление для завинчивания резьбовых соединений,
приспособления для закрепления рамы с щитом. Также, учитывая вес деталей, при
составлении будут использоваться подъемные механизмы (мостовой кран). Базовыми
деталями при составлении является корпус гидроцилиндра, в который устанавливают
предварительно собранные детали.
Конструкция крупно габаритных деталей позволяет
удобную их строповку а в деталях, где строповку усложнена предусмотрены
специальные конструктивные элементы.
В целом конструкцию подвижного упора считаем
технологической.
1.1.4 Выбор организационных форм
сборки
Для данного узла выбрано непоточное стационарное
составление с разделением сборочных работ.
Непоточная стационарная сборка характеризуется
тем, что весь процесс сборки сборочных единиц выполняется на одной сборочной
позиции: стенде, станке, рабочем месте, на полу цеха. Все детали, сборочные
единицы (узлы) и комплектующие детали поступают на эту позицию[2,3].
Этот метод предусматривает дифференциацию
процесса на узловое и общее составление. Составление каждой сборочной единицы и
общее составление выполняется в одно и то же время разными бригадами.
Собираемая машина остается на одном стенде.
Преимущества:
)сохранение неизменного положения основной
базовой детали, которая способствует достижению высокой точности собираемого
изделия;
)значительное уменьшение длительности общего
цикла составления;
)сокращение трудоемкости за счет специализации
рабочих мест составления узлов и лучшей организации труда;
)снижение потребности в сборщиках высокой
квалификации;
)более рациональное использование помещения,
оборудования сборочных цехов (узловое составление может проходить в низших
помещениях, не оборудованных мощными кранами);
)сокращение себестоимости сборки.
Областью экономического использования данного
вида сборки является серийное производство средних по размеру и крупных машин.
1.1.5 Разработка последовательности
и содержания операций составления изделия
Для определения последовательности составления
изучаем конструкцию изделия по сборочным чертежам и чертежом деталей. В
результате этого устанавливаем составляющие изделие сборочные единицы и
составные части. Находим также базовую деталь в каждой сборочной единице.
Последовательность составления изображаем в виде
схемы составления на листе графической части проекта формата А2.
Технологический процесс составления представлен в дополнении А. Этот процесс
разрабатывается по схеме составления.
При составлении технологического процесса сборки
принимаем следующий порядок выполнения сборочных работ: подготовка и
комплектование деталей к сборке, узловая сборка и испытание отдельных узлов,
общая сборка изделия, испытания, консервирование и упаковка.
При разработке последовательности сборки
придерживаемся следующих правил [2]:
начинаем общую сборку машины с установки базовой
детали или узла;
установленные узлы не должны мешать установке
следующих деталей и сборочных единиц;
желательно в первую очередь устанавливать те
узлы и детали, которые принимают участие в решении наиболее важных сборочных
размерных цепей, то есть те, которые решают наиболее важное функциональное
задание;
детали или сборочные единицы, размеры которых
являются общими звеньями нескольких размерных цепей, должны устанавливаться в
первую очередь.
1.1.6 Маршрут сборки гидроцилиндра
выталкивателя стола (проектируемая технология)
Таблица 1.2 - Последовательность и содержание
сборочных операций
|
Содержание
|
|
1
|
2
|
|
А
|
005
Комплектовочная
|
|
Б
|
Стол
комплектовочный
|
|
О
|
Комплектовать
детали по спецификации 1-298027
|
|
Т
|
Тара
|
|
А
|
010
Моечная
|
|
Б
|
Машина
моечная
|
|
О
|
Промыть,
протереть насухо. Контроль: отсутствие стружки, масел, СОЖ.
|
|
Т
|
Технические
салфетки, ПАВ
|
|
А
|
015
Контрольная
|
|
Б
|
Контрольный
стол
|
|
О
|
Выполнить
выборочный контроль крепежных, нормализованных деталей.
|
|
Т
|
Комплект
контрольной оснастки.
|
|
А
|
020
Слесарно-сборочная
|
|
Б
|
Сборочный
стенд
|
|
О
|
В
канавки штока-поршень 3 завести уплотнение поршневое предварительно нагреть и
равномерно смазать. Установить на поршень втулки направляющие 16. Завести
шток в сборе с уплотнительным комплектом в корпус цилиндра 1 вертикально.
|
|
Т
|
Комплект
слесарного инструмента
|
|
А
|
025
Слесарно-сборочная
|
|
Б
|
Сборочный
стенд
|
|
О
|
В
канавку крышки-глухой 4 завести кольцо 19. Выставить корпус цилиндра на
опорах, обеспечивая сборку с крышкой-глухой 4. Закрепить от осевого смещения
винтами 11.
|
|
Т
|
Комплект
слесарно-сборочного инструмента.
|
|
А
|
030
Слесарно-сборочная
|
|
Б
|
Сборочный
стенд
|
|
О
|
Завести
в крышку 2 круглого сечения 19, манжета 20, грязесъемник 18,
втулку-направляющую 17. Скантовать корпус 1цилиндра в сборе с крышкой глухой
4 и шток-поршнем 2 в вертикальное положение. Закрепить крышку 2 в сборе на
цилиндре винтами 11. Ввернуть в отверстие штока 2 шпильку 7. Установить на
шпильку подпятник 6 и пяту5.
|
|
А
|
035
Контрольная
|
|
Б
|
Стол
контрольный
|
|
О
|
Выполнить
контроль на “краску” прилегание двух сферических поверхностей.
|
|
Т
|
Комплект
контрольного инструмента
|
|
А
|
040
Слесарно-сборочная
|
|
Б
|
Сборочный
стенд
|
|
О
|
Установить
на шпильку шайбу вогнутую 8 и шайбу выпуклую 9.
|
|
Т
|
Комплект
слесарно-сборочного инструмента.
|
|
А
|
045
Контрольная
|
|
Б
|
Стол
контрольный
|
|
О
|
Выполнить
контроль на “краску” прилегание двух сферических поверхностей.
|
|
Т
|
Комплект
контрольного инструмента
|
|
А
|
050
Слесарно-сборочная
|
|
Б
|
Сборочный
стенд
|
|
О
|
Отрегулировать
сборку. Закрепить гайкой 13, затянуть. Через паз гайки накернить центр
отверстия под шплинт 15. Сверлить, рассверлить отверстие ø120 мм.
Притупить острые кромки, зашплинтовать.
|
|
Т
|
Комплект
слесарно-сборочного инструмента.
|
|
А
|
055
Малярная
|
|
Б
|
Стол
малярный
|
|
О
|
Покрыть
корпус цилиндра грунтовкой ГФ-0119 красно-коричневая.
|
|
Т
|
Комплект
слесарного инструмента.
|
|
Т
|
Комплект
слесарно-сборочного инструмента.
|
|
А
|
060
Контрольная
|
|
Б
|
Стол
контрольный
|
|
О
|
Контроль
ОТК
|
|
Т
|
Комплект
контрольного инструмента.
|
|
1
|
2
|
|
А
|
065
Испытательная
|
|
Б
|
Испытательный
стенд.
|
|
О
|
Произвести
испытание цилиндра на прочность и наружную герметичность давлением 40МПа,
выдерживая под давлением не менее 3х минут.
|
|
Т
|
Комплект
слесарного и моечного инструмента.
|
1.1.7 Выбор и обоснование средств
технологического оснащения и числа сборочных рабочих мест
Для проведения слесарно-сборочных операций в
технологическом процессе составления предусматривают соответствующие средства
технологического оснащения, которые включают:
технологическую оснастку (в том числе
контрольное и испытательное);
технологическое оснащение (в том числе
инструменты и средства контроля);
средства механизации и автоматизации [3,5].
При выполнении слесарно-сборочных работ
назначается комплект слесарно-сборочного инструмента, к которому входят:
гаечные ключи (ГОСТ 2841-80, ГОСТ 2829-80)
ключи торцовки (ГОСТ 3327-75)
напильники (ГОСТ 1465-80)
молотки (ГОСТ 2310-77)
плоскогубцы (ГОСТ 5547-75)
При выполнении подготовительных действий к
составлению используются пневматические шлифовальные машины (Р=0.5 Мпа,Днв=150
мм, п=5100 об\ хв,N=1.3квт,W=1.3 м\ хв); пневматические ножницы для резки
проволоки для того, что стопорит 10.5 Мпа,п=1500 дв\ ходов в минуту,
М=3.2кг,N=0.9 м3\ хв.
Для свинчивания винтовых соединений применяют
гайковерт 41-16 (диаметр резьбы М24,Днр=220н\ м,N=2квт).
Удаления смазки, остатков СОЖ перед составлением
мелкой стружки проводят перед составлением сжатымм воздухом,
поверхностно-активным веществом, которое входит в состав синтетических моющих
средств.
Для очистки и изготовления метизных изделий
(болты, скобы, гайки, шплинты) применяют однокамерные моечные машины струйной
очистки. Нагретый до 70-90 градусов Цельсия обезжиривающий раствор подается в
камеру на детали из всех сторон через сопла под давлением.
Число рабочих мест (стендов) для узлового и
общего составления определяют по формуле:
(1.1)
где Tсб - трудоемкость составления одного узла
(изделию);сб - годовая программа выпуска узлов (изделий);р - действительный
годовой фонд времени рабочего места;
места
1.1.8 Нормирование сборочных
операций
Нормирование сборочных операций проведено с
использованием общемашиностроительных нормативов времени на обслуживание
рабочего места для нормирования сборочных работ и приведено в дополнении Б - в
маршруте технологического процесса сборки.
1.1.9 Составление карт
технологического процесса сборки
Технологический процесс составления приведен в
дополнении А.
Схема составления представлена на листе
графической части
1.2 Разработка технологических
процессов механической обработки деталей-представителей
.2.1 Анализ конструкции и служебного
назначения деталей-представителей
Данная деталь “Шток-поршень”2-384806
представляет собой тело вращение и относится к классу валов. Деталь входит в
сборочную единицу “Цилиндр” 2-384806 и в сборе с другими деталями данного узла
служит для удаления заготовки из ручьев штампа. Деталь изготовлена из стали 45
по ГОСТ 1050-88, масса составляет 243 кг.
Рисунок 1.1- Деталь “Шток-поршень”2-384806
Таблица 1.3- Физико-механические свойства стали
45 ГОСТ 1050-88
|
Материал
|
σ
в,
МПа
|
δр
|
δс
|
ψ
|
|
Сталь
45
|
600
|
16
|
14
|
40
|
Поверхность детали “Шток-поршень”2-384806 имеет
следующую точность: ø328.4 h9
(-0.140) - выполнена по 9 квалитету и имеет шероховатость Ra 2.5; ø305.5
h8 (-0.081) - выполнена по 9 квалитету и имеет шероховатость
Ra 2.5; ø240 f8(
)-
выполнена по 8 квалитету и имеет шероховатость Ra 0.8;
ø325 h8 (-0.089) - выполнена по 8 квалитету и
имеет шероховатость Ra 2.5. Также на детали расположены 2 канавки шириной
25+0.2 и 8.1+0.2, которые выполнены с шероховатостью Ra 2.5.
Поверхности, на которых не указана
шероховатость, выполнены по Ra 6.3. Канавка шириной 10 мм предназначена для
выхода шлифовального круга.
Поверхность ø240 f8(
)
подвергают хромированию для защиты данной поверхности от коррозии. Деталь имеет
2 фаски 5×45º для облегчения
процесса сборки.
Допуск на торцевое биение торцев 625 мм, 95 мм
не должны превышать 0.05 мм относительно поверхности Г, допуск на соосность
резьбового отверстия М72×4-8g относительно
поверхности Г не должно превышать 0.05 мм.
К детали предъявляются следующие технические
требования:
Покрытие поверхности Д - Х.тв.35.
Допускается наличие хрома на фасках 11×20º
и
на проточке В, толщину покрытия на них не контролировать.
На поверхности Д не допускаются раковины,
трещины, забоины, царапины и другие мех. Повреждения.
*Размер для справок
**Размер и шероховатость поверхности после
покрытия;IT14/2
Маркировать по РД24.854.01-89 на бирке.
Крышка глухая - корпусная деталь. Ее функция
заключается в обеспечении требуемой герметичности полости гидроцилиндра. Деталь
изготовлена из стали 45 по ГОСТ 1050-88, масса составляет 129 кг.
Рисунок 1.2- Деталь “Крышка глухая”2-384807
Таблица 1.4 - Физико-механические свойства стали
45 ГОСТ 1050-88
|
Материалσ в, МПаδрδсψ
|
|
|
|
|
|
Сталь
45
|
600
|
16
|
14
|
40
|
Сталь имеет очень широкое применение в
машиностроении. Применяется при изготовлении осей, валов, валов-шестерен,
коленчатых и распределительных валов, шпинделей и других деталей. Сталь 45 не
склонна к отпускной хрупкости, флокеночувствительность - малочувствительна.
Обрабатываемость резанием - хорошая.
Для крепления крышки к корпусу гидроцилиндра
предусмотрены 8 отверстий Ø31 мм
и отверстие для потайной головки Ø48 мм
на глубину 32 мм с шероховатостью Ra 12.5. Для крепления гидроцилиндра к
корпусу штамповочной машины на крышке предусмотрены 4 отверстия Ø37
мм
и отверстие для потайной головки Ø57 мм
на глубину 38 мм с шероховатостью Ra 12.5.
Деталь “Крышка глухая”2-384807 имеет следующую
точность: поверхность Ø330f7(
)
- выполнена по 7-му квалитету и имеет шероховатость Ra 3.2; поверхность Ø329h9(
)
- выполнена по 9-му квалитету и имеет шероховатость Ra 2.5; все остальные
диаметральные и линейные размеры выполнены по 14-му квалитету. Торцы детали
имеет шероховатость Ra 6.3, также на детали выполнена канавка 7.6
мм со скосами 5º которая имеет
шероховатость Ra 2.5, все остальные поверхности детали имеют шероховатость Ra
25.
Деталь “Крышка глухая”2-384807 подвергают
термообработке необходимую для повышения эксплуатационных свойств детали.
Деталь имеет 2 фаски 5×45º и
2×45º
необходимые
для облегчения процесса сборки.
Допуск на торцевое биение торцев 115 мм, 60 мм
которые непосредственно прилегают к корпусу гидроцилиндра не должны превышать
0.05 мм относительно поверхности В, допуск на торцевое биение торца 115 мм, не
должны превышать 0.1 мм относительно поверхности В.
К детали предъявляются следующие технические
требования:
Гр III 223…262 HB ГОСТ 8479-70;
* Размер для справок;; h14; ± IT14/2;
Маркировать по РД 24.854.01-89
1.2.2 Отработка конструкции
деталей-представителей на технологичность
Технологичность оценивается качественно и
количественно. Качественная оценка предшествует количественной. Она выражается,
как правило, в виде сравнительной оценки по тем требованиям конструкции,
которые тяжело выразить количественно. Количественную оценку производят по
принятым показателям технологичности путем расчета их значений.
Цель такого анализа - выявление недостатков
конструкции по сведениям, содержащимся в чертеже и в технических требованиях, а
так же возможности улучшения технологичности конструкции.
Отработка на технологичность деталь
“Шток-поршень”2-384806
Простановка размеров на чертеже обеспечивает
возможность автоматического получения размеров на настроенных станках,
автоматах и полуавтоматах, для этого следует пересчитать линейные размеры
наружных поверхностей от одной базы.
При этом конфигурация детали способствует
обработки ее на станках настроенных на размер, станках с ЧПУ, т.к. наружные
диаметральные поверхности возрастают от одного из торцов, но присутствуют
канавки и другие элементы, усложняющие наружную обработку.
Конструкция данной детали позволяет использовать
современные инструментальные материалы при токарной обработке, это позволяет
значительно увеличить глубины резания и подачи (при незначительном увеличении
сил резания) на этапах предварительного точения, уменьшить подачи и повысить
скорости резания - на этапах чистового точения и в некоторых случаях исключить
операцию шлифования;
Режущий инструмент, применяемый для обработки
данной детали, подчиняется нормам унификации и стандартизации.
Шероховатость поверхностей детали находится в
достижимых пределах. Минимальная шероховатость составляет Ra 0,8 и достигается
полированием, максимальная - Ra 12,5, достигается предварительным точением.
Линейные размеры выполняются по 12 - 14-му
квалитетам, что является легкодостижимым на применяемом для обработки
оборудовании.
Количественный анализ технологичности
Уровень технологичности по точности,
определяется по формуле:
(1.2)
где
-
коэффициент точности базовый (для общего машиностроения);
- коэффициент
точности достигнутый.
(1.3)
где
-
средний коэффициент точности детали.
(1.4)
где
-
число размеров соответствующего квалитета точности;
Т - квалитет точности.
По точности данную деталь можно считать
технологичной, так как средний квалитет точности ≈ 12 и уровень
технологичности стремиться к 1.
. Уровень технологичности по шероховатости,
определяется по формуле:
(1.5)
где
-
коэффициент шероховатости базовый (для общего машиностроения);
- коэффициент
шероховатости достигнутый.
где
-
средний коэффициент шероховатости детали
(1.6)
где
-
число поверхностей соответствующей шероховатости;
Ш - шероховатость.
Шероховатость поверхностей данной детали
незначительно завышены, но в целом деталь можно считать технологичной. Средняя
шероховатость ≈ 3,66 и уровень технологичности по шероховатости
незначительно превышает 1.
. Уровень технологичности по использованию
материала.
Коэффициент использования материала определяется
по формуле:
(1.7)
где Мд = 243 кг. - масса детали;
Мз = 400 кг. - масса заготовки;
(1.8)
где КИМф = 0.77 - коэффициент использования
материала при использовании в качестве заготовки - поковки.
КИМб = 0.61 - коэффициент использования
материала базовый.
Исходя из расчета данная деталь, по
использованию материала, не технологична, так как
>1.
Отработка на технологичность деталь “Крышка
глухая”2-384807
Простановка размеров на чертеже обеспечивает
возможность автоматического получения размеров на станках с ЧПУ, для этого
следует пересчитать линейные размеры наружных поверхностей от одной базы. При
этом конфигурация детали способствует обработки ее на станках с ЧПУ, т.к.
наружные диаметральные поверхности возрастают от одного из торцов, но
присутствуют канавки и другие элементы, усложняющие наружную обработку.
Конструкция данной детали позволяет использовать
современные инструментальные материалы при токарной и фрезерной обработке, это
позволяет значительно увеличить глубины резания и подачи (при незначительном
увеличении сил резания) на этапах предварительного точения, уменьшить подачи и
повысить скорости резания, на этапах чистового точения и в некоторых случаях
исключить операцию шлифования, на этапе фрезерования можно значительно снизить
время затрачиваемое на обработку по сравнению с обыкновенным инструментом.
Режущий инструмент, применяемый для обработки
данной детали, подчиняется нормам унификации и стандартизации.
Шероховатость поверхностей детали находится в
достижимых пределах. Минимальная шероховатость составляет Ra 2,5 и достигается
окончательным точением, максимальная - Ra 12,5, достигается предварительным
точением.
Линейные размеры выполняются по 14-му
квалитетам, что является легкодостижимым на применяемом для обработки
оборудовании.
Количественный анализ технологичности
. Уровень технологичности по точности,
определяется по формуле:
(1.9)
где
-
коэффициент точности базовый (для общего машиностроения);
- коэффициент
точности достигнутый.
(1.10)
где
-
средний коэффициент точности детали.
(1.11)
где
-
число размеров соответствующего квалитета точности;
Т - квалитет точности.
По точности данную деталь можно считать
технологичной, так как средний квалитет точности ≈ 12 и уровень
технологичности стремиться к 1.
. Уровень технологичности по шероховатости,
определяется по формуле:
(1.12)
где
-
коэффициент шероховатости базовый (для общего машиностроения);
- коэффициент
шероховатости достигнутый.
(1.13)
(1.14)
где
-
число поверхностей соответствующей шероховатости;
Ш - шероховатость.
Шероховатость поверхностей данной детали не
завышены, и в целом деталь можно считать технологичной. Средняя шероховатость ≈
13.66 и уровень технологичности по шероховатости не превышает 1.
. Уровень технологичности по использованию
материала.
Коэффициент использования материала определяется
по формуле:
(1.15)
где Мд = 129 кг. - масса детали;
Мз = 305 кг. - масса заготовки;
(1.16)
где КИМф = 0.77 - коэффициент использования
материала при использовании в качестве заготовки - поковки.
КИМб = 0.42 - коэффициент использования
материала базовый.
Исходя из расчета данная деталь, по
использованию материала, не технологична, так как
>1.
Определение производственной программы
Годовая программа выпуска деталей определяется
на основании заданного программного задания по формуле [1, с 29]:
(1.17)
где Nn = 100 шт - программное задание выпуска
изделий в год;= 1 шт - количество деталей, идущих на одно изделие;= 0…10% -
процент деталей, идущих на запасные части;= 2…6% - процент технически
неизбежных производственных потерь включающий детали, идущие на испытание
механических свойств материала, наладку оборудования и другое, а также
бракованные детали.
Принимаем годовую программу Nг = 116 шт.
Тип производства согласно ГОСТ 3.1108-74
характеризуется коэффициентом закрепления операций, который определяет
количество различных операций по обработке одной или нескольких деталей,
закрепленных за одним рабочим местом в течении определенного планового
промежутка времени одного месяца:
,(1.18)
где О - число различных операций за один месяц;
Р - число рабочих мест, на которых выполняются
различные операции;у - количество станков, установленных на участке.
Число различных операций, выполняемых за одним
рабочим местом можно определить по формуле:
(1.19)
где Кз = 0.8 - нормативный коэффициент загрузки;
Кзф - фактический коэффициент загрузки.
Фактический коэффициент загрузки определяется по
формуле:
(1.20)
где Sпр - принятое количество оборудования, шт;р
- расчетное количество оборудования, шт.
Расчетное количество оборудования определятся по
формуле:
,(1.21)
где
=
116 шт - фактическая годовая программа;
-
штучно-калькуляционное время каждой операции, мин;
= 4015 ч -
действительный годовой фонд рабочего времени оборудования;
= 1.3 -
коэффициент выполнения норм.
Штучно-калькуляционное время определяется по
формуле [1, с 30]:
,(1.22)
где То - основное время операции, мин;
Тв - вспомогательное время, мин;
Х = 10% - вспомогательное время, мин
-
подготовительно-заключительное время на операцию, мин;= 116 шт - партия запуска
(равна годовой программе).
Расчет К.З.О. для “Шток-поршень”2-384806
выполнен при помощи программного продукта MS EXCEL, результаты расчета
приведены в таблице 6.1.
Данное значение соответствует мелкосерийному
производству.
Расчет К.З.О. для “Шток-поршень”2-384806
выполнен при помощи программного продукта MS EXCEL, результаты расчета
приведены в таблице 6.1.
Данное значение соответствует мелкосерийному
производству.
Таблица 1.5 - Результаты расчета КЗО для
“Шток-поршень”2-384806
|
№
оп
|
Наименование
операции
|
Тшт.к
|
Sp
|
Sпр
|
Кзагр.
Ф
|
О
|
То
|
Тв
|
Тпз
|
|
2
|
Фрезерная
|
49,63793
|
0,015850155
|
1
|
0,015850155
|
50,47269191
|
45
|
|
16
|
|
8
|
Токарная
|
55,12069
|
0,028601437
|
1
|
0,028601437
|
27,97062246
|
50
|
|
14
|
|
9
|
Фрезерная
|
132,1379
|
0,068564721
|
1
|
0,068564721
|
11,66780793
|
120
|
|
16
|
|
11
|
Токарная
|
55,12069
|
0,028601437
|
1
|
0,028601437
|
27,97062246
|
50
|
|
14
|
|
12
|
Сверлильная
|
165,1293
|
0,085683536
|
1
|
0,085683536
|
9,33668285
|
150
|
|
15
|
|
13
|
Токарная
|
132,1293
|
0,068560248
|
1
|
0,068560248
|
11,66856919
|
120
|
|
15
|
|
|
|
|
6
|
|
129,7503139
|
|
|
|
1.2.4 Анализ базовых технологических
процессов изготовления деталей представителей
Анализ существующего технологического процесса
выполняется с точки зрения обеспечения качества продукции. При этом нужно
выяснить, правильно он составлен для выполнения требований чертежа. Для этого
необходимо рассмотреть методы получения заготовки, правильность выбора
черновых, чистовых, промежуточных баз на операциях, сдержка принципа единства
баз, правильность установки последовательности операций технологического
процесса и т.д.
Правильность разработки технологического
процесса и выбора оборудования целесообразно оценит с помощью таких
показателей, как коэффициент загрузки оборудования за основным временем и за
мощностью.
1.2.5 Выбор вида и способа получения
заготовки деталей-представителей
Выбрать заготовку - значит установить вид и
способ получения, наметить припуски на обработку каждой поверхности, рассчитать
размеры и указать допуски на точность изготовления.
Для детали “Шток-поршень” 2-384806 (m=243 кг) в
условиях мелкосерийного производства единственным способом получения заготовки
является заготовка, полученная свободной ковкой на молоте. Вариант получения
заготовки штамповкой не рассматривается вследствие недостаточной серийности
производства. Это объясняется тем, что стоимость необходимых штампов
значительно превышает экономию электроэнергии, инструментального материала,
материала заготовки, полученную при применении в качестве заготовки -
штамповку.
В качестве 2-х вариантов получения заготовки
принимаются:
заводской вариант - поковка, полученная
свободной ковкой (m=400кг)
новый вариант - поковка, полученная ковкой в
подкладных штампах.
Расчет размеров и выбор допусков производится по
ГОСТ 7829-70.
Эскиз заготовки приведен на рисунке 1
Диаметральные размеры поковки определяются по
формуле:
(1.23)
Линейные размеры заготовки определяются согласно
чертежа 3, стр. 10 ГОСТ7829-70.
Расчет размеров и допусков заготовки поковки
приведен в таблице 1.6.
Таблица 1.6 - Расчет размеров и допусков
заготовки поковки
|
Размер
детали
|
Припуск
|
Допуск
Δ/2
|
Размер
поковки
|
|
Ø328
|
27
|
2
|
328+27=355±2
|
|
Ø240
|
25
|
2
|
240+25=265±2
|
|
L=625
|
14
|
3
|
625+14=639≈640±3
|
|
L=530
|
14
|
3
|
530+14=544≈545±3
|
Припуск по промежуточным торцам составляет
Припуск по крайним торцам составляет
Рисунок 1.3 - Эскиз заготовки
Для определения массы заготовки, разбиваем ее на
несколько простейших частей (рисунок 2) и определим массы каждой части.
Массу заготовки определяем по формуле:
(1.24)
где
-
общий объем заготовки, мм3
- плотность стали
(1.25)
Рисунок 1.4
(1.26)
кг
На основании проведенных расчетов видно, что
масса заготовки по новому варианту получения составляет 308 кг., что на
400-308=92 кг меньше, чем в базовом варианте, форма заготовки максимально
приближена к готовой детали, преимущества нового варианта очевидны. Исходя из
этого - базовый вариант получения заготовки - поковка на молоте в подкладных
штампах.
Для детали “Крышка-глухая” 2-384807 (m=129 кг) в
условиях мелкосерийного производства единственным способом получения заготовки
является заготовка, полученная свободной ковкой на молоте. Вариант получения
заготовки штамповкой не рассматривается вследствие недостаточной серийности
производства. Это объясняется тем, что стоимость необходимых штампов
значительно превышает экономию электроэнергии, инструментального материала,
материала заготовки, полученную при применении в качестве заготовки -
штамповку.
В качестве 2-х вариантов получения заготовки
принимаются:
заводской вариант - поковка, полученная
свободной ковкой (m=305кг)
новый вариант - поковка, полученная ковкой в
подкладных штампах.
Расчет размеров и выбор допусков производится по
ГОСТ 7829-70.
Эскиз заготовки приведен на рисунке 1
Диаметральные размеры поковки определяются по
формуле:
(1.27)
Линейные размеры заготовки определяются согласно
чертежа 3, стр. 10 ГОСТ7829-70.
Расчет размеров и допусков заготовки поковки
приведен в таблице 2.3.
Таблица 1.7 - Расчет размеров и допусков
заготовки поковки
|
Размер
детали
|
Припуск
|
Допуск
Δ/2
|
Размер
поковки
|
|
Ø460
|
27
|
2
|
460+27=487±2
|
|
Ø330
|
25
|
2
|
330+27=357±2
|
|
L=115
|
12
|
3
|
115+12=127±3
|
|
L=530
|
12
|
3
|
530+14=72±3
|
Припуск по промежуточным торцам составляет
Припуск по крайним торцам составляет
Рисунок 1.5 - Заготовка “Крышка-глухая”
Для определения массы заготовки, разбиваем ее на
несколько простейших частей (рисунок 2) и определим массы каждой части.
Массу заготовки определяем по формуле:
(1.28)
где
-
общий объем заготовки, мм3
- плотность стали
(1.29)
Рисунок 1.6 - Расчет объема заготовки
(1.30)
(1.31)
На основании проведенных расчетов видно, что
масса заготовки по новому варианту получения составляет 194 кг., что на
305-194=111 кг меньше, чем в базовом варианте, форма заготовки максимально
приближена к готовой детали, преимущества нового варианта очевидны. Исходя из
этого - базовый вариант получения заготовки - поковка на молоте в подкладных
штампах.
1.2.6 Точностные расчеты деталей,
анализ схем базирования на технологических операциях
Операция подготовки баз - фрезерование торцев и
сверление центровых отверстий - выполняется на горизонтально-расточном станке.
Точность обеспечивается выверкой установки заготовки в приспособлении и
точности настройки станка на размер.
Рисунок 1.7 - Схема базирования детали на
горизонтально-расточной операции
Предварительная обработка цилиндрических
поверхностей с подрезкой торцев выполняется на универсальном
токарно-винторезном станке.
Точность обработки обеспечивается методом
автоматического получения размеров. Характеризуется обработка отсутствием
погрешности базирования для диаметральных размеров (ось детали является мнимой
технологической и измерительной базой). Для черновой обработки такая величина
погрешности базирования является приемлемой.
Рисунок 1.8 - Схема базирования детали на
токарной операции
Аналогичные схемы базирования детали на чистовой
токарной и круглошлифовальной операциях.
Для операции токарной с ЧПУ, что разрабатывается
для детали “Шток поршень”, нужен расчет линейных размеров детали, при условии
их расположения относительно технологической базы, схема расчета приведена на
рис. 1.9.
Рисунок 1.9 - Операция токарная с ЧПУ
1.2.7 Обоснование выбора
оборудования, станочных и контрольных приспособлений, режущих и вспомогательных
инструментов, средств механизации и автоматизации
К технологической оснастке относится:
технологическое оборудование (металлорежущие станки), технологическая оснастка
(установочно-зажимные приспособление, режущий, вспомогательный,
контрольно-измерительный инструмент), средства механизации и автоматизации
производственных процессов. Их выбирают с учетом типа производства, программы
выпуска, возможности группирования операций, использования стандартного
оснастки и оборудования.
Выбор технологического оборудования основан на
анализе расходов на реализацию технологического процесса, загрузки
оборудования, массы, габаритов и точности деталей, которые подлежат обработке.
Выбор модели станка, в первую очередь, определяется его возможностью обеспечить
точность размеров и формы, а также качество обрабатываемых поверхностей.
Конкретную модель выбирают исходя из следующих рассуждений:
соответствия основных размеров станка габаритам
обрабатываемой детали;
соответствия производительности станка заданному
масштабу производства;
возможности обработки на оптимальных режимах
резания;
соответствия станка по мощности;
возможности механизации и автоматизации обработки;
наименьшей себестоимости.
Выбор технологического оборудования в
значительной степени определяется типом производства, принятым станочным
оборудованием. Выбор системы установочно-зажимных приспособлений должен
основываться на технико-экономических расчетах экономической эффективности от
внедрения приспособления.
Выбор типоразмера инструмента, инструментального
материала и геометрических параметров режущей кромки проводят с учетом формы
поверхности обрабатываемой детали, ее размера, точности, шероховатости,
конструктивных особенностей, твердости и прочности.
Контрольно-измерительный прибор должен
обеспечивать необходимую точность измерения, производительность измерения
должна отвечать производительности технологического процесса. Измерительный
прибор должен быть простым и удобным в процессе эксплуатации.
На основании выше перечисленного для детали
шток-поршень выбираем:
Начальный этап обработки - операция подготовки
баз производится на горизонтально-расточном станке мод. 2М615. Приспособление -
призма опорная 90º с
пневмоприхватом. Режущий инструмент - фреза торцовая D=250 мм, z=16, Т5К10 ГОСТ
9473-80, сверло центровочное 2317-0121 А8 Р6М5 ГОСТ 14952-75. Мерительный
инструмент - штангенциркуль ШЦ-II-250-0,1 ГОСТ 166-80, калибр-пробка для
центровых отверстий, образцы шероховатости ГОСТ 9378-93.
Начальный этап обработки - операция подготовки
баз производится на универсальном токарно-винторезном станке мод. 16К30.
Приспособление - четырехкулачковый патрон и центр А-1-5-Н морзе 5 ГОСТ 8742-75.
Режущий инструмент - типовой: резец проходной и резец расточной с напайными
пластинками из твердого сплава титано-кобальтовой группы Т5К10 ГОСТ 26611-85.
Мерительный инструмент - универсальный (штангенциркуль ГОСТ 166-80, линейка
ГОСТ 162-80).
Предварительная обработка цилиндрических
поверхностей, подрезка торцев на шток-поршне производится на универсальном
токарно-винторезном станке мод. 16К30. Приспособление - трехкулачковый патрон и
центр А-1-5-Н морзе 5 ГОСТ 8742-75. Режущий инструмент - типовой: резец
проходной и резец расточной с напайными пластинками из твердого сплава
титано-кобальтовой группы Т5К10 ГОСТ 26611-85. Мерительный инструмент -
универсальный (штангенциркуль ГОСТ 166-80, линейка ГОСТ 162-80).
Чистовая токарная обработка детали с двух сторон
выполняется на токарном центре с одним суппортом, модели LB-400, фирмы “OKUMA”.
Установочно-зажимное приспособление - трехкулачковый патрон с пневмоприводом и
центр А-1-5-Н морзе 5 ГОСТ 8742-75. Режущий инструмент - Резец токарный
проходной упорный SECO: державка DCLNL 3225P12, пластина CNMG 120408-MR7; Резец
канавочный SECO: державка L150.10 2525-15, пластина 50.10-5N-12; Резец токарный
расточной SECO: державка S32T-PSLNL12, пластина CNMG 120416 MR4; Сверло
спиральное
30; 65 мм, Р6М5,
ГОСТ 10903-77; Зенковка ∟α=90˚,
Р6М5, ГОСТ 14953-80; Фреза для фрезерования резьбы SECO: корпус
R396.18-2012.3-13A, пластина 13NMS 2.0 ISO; зенкер ø68,18
ГОСТ
12489-88.
Мерительный инструмент - универсальный:
микрометр МК-400 ГОСТ 6507-90; угломер типа 1-5 ГОСТ 5378-88; линейка; пробка
резьбовая М72х4-8g ГОСТ 17756-72.
Операция шлифования производится на
круглошлифовальном станке мод. 3М150 универсальной группы. Приспособление -
поводковый патрон, упорный центр ГОСТ 18260-72, центр А-1-5-Н морзе 5 ГОСТ
8742-75 формообразующий инструмент-круг шлифовальный ПП 600×80×305
15А
50 СМ1 6 К6 35 м/с ГОСТ 2424-83. Контроль качества поверхностей - образцы
шероховатости; для контроля геометрической точности- средства активного
контроля.
Для крышки глухой:
Вертикально-фрезерный станок, мод. 6Р13
Размер рабочей поверхности стола: 500×1600
мм
Мощность электродвигателя привода главного
движения: 11кВт.
Приспособление: тиски с пневмоприводом
Режущий инструмент: фреза торцовая R220 мм ГОСТ
17026-71
Мерительный инструмент: штангенглубомер
ШГ-160-0.1 ГОСТ 165-90
Токарный станок, мод 16К30= 500 мм, Lmax = 1000
мм, N = 11 кВт
Приспособление: патрон 4х кулачковый ГОСТ
3890-82
Режущий инструмент: резец подрезной ГОСТ
26611-85; резец проходной ГОСТ 26611-85.
Мерительный инструмент: штангенциркуль
ШЦ-II-300-0,1 ГОСТ 166-89; линейка L=500мм ГОСТ 166-89.
Фрезерный станок с ЧПУ, мод.
Приспособление: специально приспособление с
пневмоприводом
Режущий инструмент: фреза R390 мм ГОСТ 17026-71;
фреза торцовая R220 мм ГОСТ 17026-71; сверло спирально ø31
мм
ГОСТ 8886-77; сверло спирально ø37 мм
ГОСТ 8886-77; зенкер ø48 мм
ГОСТ 12489-88; Мерительный инструмент: угломер типа 1-5 ГОСТ 5378-88;
штангенглубомер ШГ-160-0.1 ГОСТ 165-90; штангенциркуль ШЦ-II-300-0,1 ГОСТ 166-89;линейка
L=500мм ГОСТ 166-89.
Радиально сверлильный станок, мод. 2М57
Наибольший условный диаметр сверления: 75 мм;
Приспособление: тиски с пневмоприводом
Режущий инструмент: зенкер ø57
мм
ГОСТ 12489-88;
Мерительный инструмент: штангенглубомер ШГ-160-0.1
ГОСТ 165-90; штангенциркуль ШЦ-II-300-0,1 ГОСТ 166-89;
линейка L=500мм ГОСТ 166-89.
Токарный станок с ЧПУ, мод. Deltamab 400= 500
мм, Lmax = 1600 мм, N = 24 кВт
Приспособление: специально приспособление с
пневмоприводом
Режущий инструмент: фреза R390 мм ГОСТ 17026-71;
фреза торцовая R220 мм ГОСТ 17026-71; сверло спирально ø31
мм
ГОСТ 8886-77; сверло спирально ø37 мм
ГОСТ 8886-77; зенкер ø48 мм
ГОСТ 12489-88; Мерительный инструмент: угломер типа 1-5 ГОСТ 5378-88;
штангенглубомер ШГ-160-0.1 ГОСТ 165-90; штангенциркуль ШЦ-II-300-0,1 ГОСТ
166-89;линейка L=500мм ГОСТ 166-89.
1.2.8 Составление маршрута обработки
деталей представителей и предварительная разработка операций
Маршрут обработки для детали
“Шток-поршень”2-384806
Горизонтально расточная
Установить заготовку на призмы, выверить с
точностью 1 мм и закрепить. С поворотом стола на 180` зафрезеровать места под
центра. Зацентровать деталь с двух сторон центром формы "А".
Раскрепить деталь, снять.
Токарная
Установить деталь, закрепить. Точить ø328,4
мм
предварительно. Переустановить заготовку в приспособление и закрепить. Точить ø240
мм предварительно. Раскрепить деталь, снять. Контроль ОТК
Токарная
Установить деталь, закрепить. Подрезать торцы
детали с переустановкой. Точить ø328,4 мм
предварительно. Точить ø240
мм предварительно. Раскрепить деталь, снять. Контроль ОТК
Токарная с ЧПУ
Установить деталь, закрепить. Точить по
программе ø328,4 мм на L=95 мм
окончательно. Точить фаску 5х45`. Точить по программе две канавки 25 мм
окончательно.
Точить канавку 8,1 мм окончательно.
Переустановить деталь, закрепить. Точить по программе ø
240 мм
на L=530 мм окончательно. Точить канавку 10 мм под выход шлифовального круга.
Точить фаску 5х45`.Подвести авт. люнет. Сверлить по программе отв. ø72
мм,
рассверлить отв. ø72 мм,
зенкеровать отв. ø72 мм.
Расточить скос ø104,5 мм
под 30` окончательно. Зенковать фаску под углом 90`. Нарезать по программе
резьбу М72-4х8g на L=90 мм. Раскрепить деталь, снять. Контроль ОТК.
025 Круглошлифовальная
Установить деталь, закрепить. Шлифовать ø240f8
окончательно. Раскрепить деталь, снять. Контроль ОТК.
Круглошлифовальная
Установить деталь, закрепить. Накатать
поверхность ø240f8 с помощью метода
ППД. Раскрепить деталь, снять.
Маршрут обработки для детали “Крышка
глухая”2-384807
Вертикально фрезерная
Установить заготовку на столе, закрепить.
Фрезеровать вертикальным и боковым суппортом предварительно квадрат 460х460х115
мм. Раскрепить деталь, снять.
Термическая
Токарная
Установить заготовку на столе, закрепить.
Фрезеровать вертикальным и боковым суппортом предварительно квадрат 460х460х115
мм. Раскрепить деталь, снять.
Фрезерная с ЧПУ
Установить заготовку на столе, закрепить.
Фрезеровать контур детали, выдерживая размер 460х460 мм, фрезеровать в меру
скосы 30х30 мм 4 штуки. Отцентровать шпиндель по обработанному контуру с
точностью 0.1 мм. Фрезеровать торец детали выдерживая размер 115 мм. Сверлить 4
отв ø37
мм
сквозных.
Сверлить в меру 8 отв ø31
мм
сквозных. Зенкеровать в меру 8 потаев ø48 мм.
Раскрепить деталь, снять.
Сверлильная
Зенкеровать 4 потая ø57
мм
Токарная с ЧПУ
Установить деталь, закрепить. Проверить
установку с точностью до 0.1 мм. Подрезать торец детали в меру, выдержав размер
115 мм, точить ø330f7 окончательно,
подрезать бурт квадрата в меру, выдерживая размер 55 мм, точить R5, точить ø310
мм
с подрезкой бурта в меру, выдерживая размер 25 мм, точить в меру R2, врезанием
точить в меру канавку ø321.2h9 с
подрезкой буртов в меру В=7.6 с образованием R0.2 и R0.5 со скосами 5` max,
точить в меру фаску 5х45º на ø310
мм, точить в меру фаску 2х45º.
1.2.9 Расчет припусков и выполнение
чертежа заготовки деталей представителей
Расчет производится для двух наиболее
ответственных и точных поверхностей детали - Æ240f8(
)
Ra 0.8 и длины детали 625 Ra 6,3.
План обработки Æ240f8(
);L=530
мм.
. Заготовка поковка Rz=800, δ=4
,
Rz+T=3000кмк
. Точение предварительное Rz=80, h14 δ=1.15
T=140мкм
. Точение предварительное Rz=80, h12 δ=0.46Т=100мкм
. Точение окончательное Rz=40, h9, δ=115
мкм
Т=50мкм
. Шлифование окончательное Rz=20, f8(
),
δ=172 мкм Т=15мкм
(1.32)
Таблица 1.9 - Расчет припусков
расчетно-аналитическим методом
|
Перех
|
Элементы
припуска
|
Расч.
прип. 2Zmin
|
Расчетный
размер dр, мм
|
Доп.
δ,
мм
|
Граничный
размер
|
Граничные
знач. прип.
|
|
Rz
|
T
|
ρ
|
ε
|
|
|
|
dmin
|
dmax
|
2Zmin
|
2Zmaх
|
|
Загот
|
800
|
3000
|
7415
|
-
|
|
265,66
|
4
|
266
|
270
|
-
|
-
|
|
Точ.пр.
|
80
|
140
|
445
|
423
|
22430
|
243,23
|
243,3
|
244,4
|
22,7
|
25,6
|
|
Точ.пр.
|
80
|
100
|
445
|
423
|
1330
|
241,9
|
0,45
|
241,9
|
242,3
|
1,4
|
2,1
|
|
Точ.ок.
|
40
|
50
|
296
|
100,5
|
1250
|
240,65
|
0,115
|
240,6
|
240,7
|
1,3
|
1,6
|
|
Шлиф.ок
|
20
|
15
|
37
|
0
|
772
|
239,878
|
0,072
|
239,88
|
239,95
|
0,72
|
0,75
|
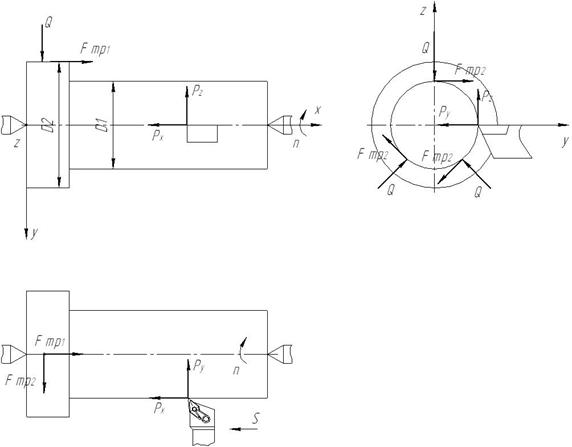
Погрешность установки детали в приспособлении:
, мкм(1.32)
где eб -
погрешность базирования (детальна всех операциях устанавливается в центрах,
производится совмещение технологической и измерительной баз); eб=0
мкм;
eз - погрешность
закрепления, мкм:
eз =423 мкм - для первого предварительного
точения;
eз =423 мкм - для второго предварительного
точения;
eз =100,5 мкм - для окончательного точения;
eз =0 мкм - для окончательного шлифования;
, мкм
где rкор -
отклонение от коробления, мкм; rкор= ΔК·l=1·530=530
мкм;
rц - погрешность
зацентровки, мкм;
(1.33)
мкм
Расчетный диаметр:=dpi-2Zmin, мкм получаем путем
округления dp, до количества знаков в припуске.
Предельный диаметр:
dmax=dmin+di, мм;
2Zmax пр=
dmax i-1-dmax i, мм;
Zmin пр=dmin
i-1-dmin i, мм.
Номинальный припуск:
Zном=å2Zminпр-Нд+Нз, мм;
где Нд, Нз- нижнее отклонение
детали и заготовки, мм;
Zном=26,12-0,122+2=27,998 мм
Диаметр
заготовки:заг=Dмахпр-2Zном=239,878+27,998= 264,87мм;
Принимаем Dзаг= 265мм. Размер заготовки
Dзаг=265(±2)мм.
Поверхность, L=625-1,75, Ra 6.3
План обработки поверхности:
. Заготовка поковка Rz=800, δ=6
Rz+T=3000
мкм
. Фрезеровать окончательно Rz=80, h15 δ=2,8
ммT=140мкм
. Подрезка окончательная Rz=40, h14, δ=1,75,
Т=50мкм
Расчет припусков приведен в таблице 1.10.
Таблица 1.10 - Расчет припуска на L=625-1.75 мм
|
Переход
|
Элементы
припуска
|
Расч.
прип. Zmin
|
Рас-чет-ный
раз-мер Lр, мм
|
Доп.
δ,
мм
|
Граничный
размер
|
Граничные
знач. прип.
|
|
Rz
|
T
|
ρ
|
ε
|
|
|
|
l
min
|
l
max
|
Zmin
|
Zmax
|
|
Загот
|
800
|
3000
|
3100
|
-
|
-
|
638
|
6
|
638
|
644
|
-
|
-
|
|
Фрезер.
|
80
|
140
|
186
|
112
|
13800
|
624
|
2,8
|
624
|
627
|
14
|
17
|
|
Подр.ок.
|
40
|
50
|
124
|
32
|
812
|
623,2
|
1,75
|
623,2
|
625
|
0,8
|
2
|
Припуск на обработку линейного размера
, мм (1.34)
rзаг=rкор,
где rкор - отклонение в
результате коробления, rкор= ΔК·D=0,7·328=230мкм;
Погрешность установки заготовки:
;(1.35)
где
- погрешность базирования;
фрезерование εб=0;
точение предварительное и окончательное εб=0.
eз - погрешность
закрепления, мкм:
eз =100 мкм - для фрезерования;
eз =30 мкм - для окончательного точения;
eпр- погрешность
приспособления, мкм;
eпр=50 мкм - для фрезерования;
eпр=10 мкм - для окончательного точения;
Номинальный припуск: 2Zном=
2Zmin
+Нз-Нд=14,8+3-1,75=16,05
мм
Размер заготовки: Lзаг=L
+2Zном=625+16,05=640
мм;
Принимается Lзаг=640(±3)мм
Коэффициент ужесточения припусков для
цилиндрических поверхностей:
Коэффициент ужесточения припусков для плоских
поверхностей:
Т.к. коэффициенты ужесточения близки к единице,
то оставляем размеры заготовки без изменений.
Определяем коэффициент использования материала
по новому технологическому процессу по формуле:
(1.36)
Полученный КИМн=0.79 значительно выше базового
(заводского) КИМз=0.60
Чертеж заготовки представлен на листе 2
графической части дипломного проекта.
Расчет производится для двух наиболее
ответственных и точных поверхностей детали - Æ330f7(
)
Ra 3.2 и длины детали 115 Ra 6,3.
План обработки Æ330f7(
);L=55
мм.
. Заготовка поковка Rz=800, δ=4
,
Rz+T=3000кмк
. Точение предварительное Rz=80, h9 δ=1.15
T=140мкм
. Точение окончательное Rа=80, f7 δ=0.46Т=100мкм
(1.32)
Таблица 1.9 - Расчет припусков
расчетно-аналитическим методом
|
Перех
|
Элементы
припуска
|
Расч.
прип. 2Zmin
|
Расчетный
размер dр, мм
|
Доп.
δ,
мм
|
Граничный
размер
|
Граничные
знач. прип.
|
|
Rz
|
T
|
ρ
|
ε
|
|
|
|
dmin
|
dmax
|
2Zmin
|
2Zmaх
|
|
Загот
|
800
|
3000
|
7415
|
-
|
|
329,66
|
4
|
330
|
330.06
|
-
|
-
|
|
Точ.пр.
|
80
|
140
|
445
|
423
|
22430
|
320,23
|
1,15
|
320,3
|
244,4
|
22,7
|
25,6
|
|
Точ.ок.
|
40
|
50
|
296
|
100,5
|
1250
|
357.02
|
0,46
|
357.02
|
240,7
|
1,3
|
1,6
|
Погрешность установки детали в приспособлении:
, мкм(1.32)
где eб -
погрешность базирования (детальна всех операциях устанавливается в центрах,
производится совмещение технологической и измерительной баз); eб=0
мкм;
eз - погрешность
закрепления, мкм:
eз =423 мкм - для первого предварительного
точения;
eз =423 мкм - для второго предварительного
точения;
eз =100,5 мкм - для окончательного точения;
eз =0 мкм - для окончательного шлифования;
, мкм
где rкор -
отклонение от коробления, мкм; rкор= ΔК·l=1·530=530
мкм;
rц - погрешность
зацентровки, мкм;
(1.33)
мкм
Расчетный диаметр:=dpi-2Zmin, мкм получаем путем
округления dp, до количества знаков в припуске.
Предельный диаметр:
=dmin+di, мм;
2Zmax пр=
dmax i-1-dmax i, мм;
Zmin пр=dmin
i-1-dmin i, мм.
Номинальный припуск:
Zном=å2Zminпр-Нд+Нз, мм;
где Нд, Нз- нижнее отклонение
детали и заготовки, мм;
Zном=26,12-0,122+2=27,998 мм
Диаметр заготовки:заг=Dмахпр-2Zном=239,878+27,998=
264,87мм;
Принимаем Dзаг= 265мм. Размер заготовки
Dзаг=265(±2)мм.
Поверхность, L=115, Ra 6.3
План обработки поверхности:
. Заготовка поковка Rz=800, δ=6
Rz+T=3000
мкм
. Фрезеровать окончательно Rz=80, h15 δ=2,8
ммT=140мкм
. Подрезка окончательная Rz=40, h14, δ=1,75,
Т=50мкм
Расчет припусков приведен в таблице 1.10.
Таблица 1.10 - Расчет припуска на L=625-1.75 мм
|
Переход
|
Элементы
припуска
|
Расч.
прип. Zmin
|
Рас-чет-ный
раз-мер Lр, мм
|
Доп.
δ,
мм
|
Граничный
размер
|
Граничные
знач. прип.
|
|
Rz
|
T
|
ρ
|
ε
|
|
|
|
l
min
|
l
max
|
Zmin
|
Zmax
|
|
Загот
|
800
|
3000
|
3100
|
-
|
-
|
127
|
6
|
127
|
127.3
|
-
|
-
|
|
Фрезер.
|
80
|
140
|
186
|
112
|
13800
|
120
|
2,8
|
624
|
627
|
14
|
17
|
|
Подр.ок.
|
40
|
50
|
124
|
32
|
812
|
115,2
|
1,75
|
623,2
|
625
|
0,8
|
2
|
Припуск на обработку линейного размера
, мм (1.34)
rзаг=rкор,
где rкор - отклонение в
результате коробления, rкор= ΔК·D=0,7·328=230мкм;
Погрешность установки заготовки:
;(1.35)
где
- погрешность базирования;
фрезерование εб=0;
точение предварительное и окончательное εб=0.
eз - погрешность
закрепления, мкм:
eз =100 мкм - для фрезерования;
eз =30 мкм - для окончательного точения;
eпр- погрешность
приспособления, мкм;
eпр=50 мкм - для фрезерования;
eпр=10 мкм - для окончательного точения;
Номинальный припуск: 2Zном=
2Zmin
+Нз-Нд=14,8+3-1,75=16,05
мм
Размер заготовки: Lзаг=L
+2Zном=625+16,05=640
мм;
Принимается Lзаг=640(±3)мм
Коэффициент ужесточения припусков для
цилиндрических поверхностей:
Коэффициент ужесточения припусков для плоских
поверхностей:
Т.к. коэффициенты ужесточения близки к единице,
то оставляем размеры заготовки без изменений.
Определяем коэффициент использования материала
по новому технологическому процессу по формуле:
(1.36)
Полученный КИМн=0.79 значительно выше базового
(заводского) КИМз=0.60
Чертеж заготовки представлен на листе 2
графической части дипломного проекта.
1.2.10 Назначение режимов резания и
нормирование технологических операций
Расчет режимов резания производим с помощью
программы Mathad Professional 2001
015 Токарная операция, станок мод. 16К30
Токарная с ЧПУ, токарном центре с одним
суппортом, модели , фирмы “OKUMA”.
020 Фрезерная с ЧПУ, станок мод. OKUMA MB-46V
То.общ=0.438×4=1.752 мин
020 Фрезерная с ЧПУ, станок мод. OKUMA MB-46V
То.общ.=0.424×8=3.392 мин
025 Токарная с ЧПУ, станок мод. Deltamab 400
Техническое нормирование операций
Нормирование операций для детали “Шток- поршень”
2-384806
Токарная операция, станок мод. 16К30
. Вспомогательное время определяем по формуле:
Твсп=Тву+Твп+Твк(1.37)
вспомогательное время связанное с установкой и
снятием детали. По карте 6 [42,стр.38] - установка в центрах, способ установки
- с надеванием хомутика, способ подвода пиноли задней бабки - вращением
маховика. Установка производится мостовым краном т.к. вес детали G=243 кг, Тву=4,9
мин [поз. 1] вспомогательное время связанное с переходом. По карте 18
[42,стр.64] с установкой резца по лимбу, группа станков II, по измеряемому
размеру:
Твп1=0,21мин [поз. 7]
вспомогательное время на контрольные измерения.
По карте 86 лист 2 [42,стр.186], измерительный инструмент - штангенциркуль,
измеряемый размер:
Твк1=0,20 мин [поз. 16]
Тогда:
Твсп=4,9+0,21+0,20=5,31 мин
.Определение оперативного времени
.1 Оперативное время определяем по формуле:
Топ=То+Твсп=1,32+5,31=6,63 мин(1.38)
Тобс=0,364 мин
.3 Определение времени на отдых и личные
надобности. По карте 88 [42, стр.203] - Тотд составляет 4% от оперативного
времени
Тотд=0,265 мин - при механической подаче.
. Определение подготовительно-заключительного
времени.
По карте 21 [42, стр.75] определяем:
А. На наладку станка, инструмента и
приспособлений. Установка детали в центрах. I группа станков - Тп.з=20 мин
[поз. 4]
Б. Нет
В. На получение инструмента и приспособлений до
начала и сдача их после окончания обработки - Тп.з=10 мин [поз. 9]
Следовательно: Тп.з.=20+10=30 мин
. Определение штучного времени.
Тшт=Топ+Тотд+Тобсл=6,63+0,364+0,265=7,25
мин(1.39)
. Определение штучно-калькуляционного времени.
Тш.к.=Тшт+Тп.з/п, (1.40)
где п - партия деталей
Тш.к.=7,25+30/10=10,25 мин
Токарная с ЧПУ, токарном центре с одним
суппортом, модели, фирмы “OKUMA”.
. Вспомогательное время определяем по формуле:
Твсп=Тву+Твп+Твк(1.41)
вспомогательное время связанное с установкой и
снятием детали. По карте 6 [42,стр.38] - установка в центрах, способ установки
- с надеванием хомутика, способ подвода пиноли задней бабки - вращением
маховика.
Установка производится мостовым краном т.к. вес
детали G=243 кг, Тву=4,9 мин [поз. 1]
вспомогательное время связанное с переходом. По
карте 18 [3,стр.64] с установкой резца по лимбу, группа станков II, по
измеряемому размеру:
Твп1=0,21мин [поз. 7]
вспомогательное время на контрольные измерения.
По карте 86 лист 2 [42,стр.186], измерительный инструмент - штангенциркуль,
измеряемый размер:
Твк1=0,20 мин [поз. 16]
Тогда:
Твсп=4,9+0,21+0,20=5,31 мин
. Определение оперативного времени
.1 Оперативное время определяем по формуле:
Топ=То+Твсп=1,32+5,31=6,63 мин(1.42)
.2 Определение времени на обслуживание рабочего
места. По карте 21 [42, стр.75] - Тобс составляет 5,5% от оперативного времени
Тобс=0,364 мин
.3 Определение времени на отдых и личные
надобности. По карте 88 [42, стр.203] - Тотд составляет 4% от оперативного
времени
Тотд=0,265 мин - при механической подаче.
. Определение подготовительно-заключительного
времени.
По карте 21 [42, стр.75] определяем:
А. На наладку станка, инструмента и
приспособлений. Установка детали в центрах. I группа станков - Тп.з=20 мин [поз.
4]
Б. Нет
В. На получение инструмента и приспособлений до
начала и сдача их после окончания обработки - Тп.з=10 мин [поз. 9]
Следовательно: Тп.з.=20+10=30 мин
. Определение штучного времени.
Тшт=Топ+Тотд+Тобсл=6,63+0,364+0,265=7,25
мин(1.43)
. Определение штучно-калькуляционного времени.
Тш.к.=Тшт+Тп.з/п, (1.44)
где п - партия деталей
Тш.к.=7,25+30/10=10,25 мин
Круглошлифовальная, станок мод. 3М142
. Вспомогательное время определяем по формуле:
Твсп=Тву+Твп+Твк(1.45)
вспомогательное время связанное с установкой и
снятием детали. По карте 6 [42,стр.38] - установка в центрах, способ установки
- с надеванием хомутика, способ подвода пиноли задней бабки - вращением
маховика. Установка производится мостовым краном т.к. вес детали G=243 кг,
Тву=4,9 мин [поз. 15]
вспомогательное время связанное с обработкой
поверхности:
Тво1=1,2мин
вспомогательное время на контрольные измерения.
По карте 86 лист 2 [42,стр.186], измерительный инструмент - штангенциркуль,
измеряемый размер:
Твк1=0,20 мин [поз. 16]
Тогда:
Твсп=4,9+1,2+0,20=6,3 мин
.Определение оперативного времени
.1 Оперативное время определяем по формуле:
Топ=То+Твсп=19,5+6,3=25,8 мин(1.46)
.2 Определение времени на обслуживание рабочего
места. По карте 21 [42, стр.75] - Тобс составляет 9% от оперативного времени
Тобс=2,32 мин
.3 Определение времени на отдых и личные
надобности. По карте 88 [42, стр.203] - Тотд составляет 4% от оперативного
времени
Тотд=1,03 мин - при механической подаче.
. Определение подготовительно-заключительного
времени.
По карте 45 [42, стр.130] определяем:
А. На наладку станка, инструмента и
приспособлений. Установка детали в центрах. I группа станков - Тп.з=10 мин
[поз. 4]
Б. Нет
В. На получение инструмента и приспособлений до
начала и сдача их после окончания обработки - Тп.з=7 мин [поз. 10]
Следовательно: Тп.з.=10+7=17 мин
. Определение штучного времени.
Тшт=Топ+Тотд+Тобсл=25,8+2,32+1,03=29,15
мин(1.47)
. Определение штучно-калькуляционного времени.
Тш.к.=Тшт+Тп.з/п, (1.48)
где п - партия деталей
Тш.к.=29,15+17/10=30,85 мин
Нормирование операций для детали “Крышка глухая”
2-384807
Фрезерная с ЧПУ, станок модели МB-46V, фирмы
“OKUMA”.
Сверление 4 отверстий в специальном
приспособлении
. Вспомогательное время определяем по формуле:
Твсп=Тву+Твп+Твк(1.49)
вспомогательное время связанное с установкой и
снятием детали. По карте16 [42,стр.58] - установка в специальном
приспособлении. Установка производится рукояткой пневматического зажима,
Тву=0.04 мин [поз. 32]
вспомогательное время связанное с переходом. По
карте 27 лист 1 [42,стр.95] по измеряемому размеру:
Твп1=0.13мин [поз. 1]
вспомогательное время на контрольные измерения.
По карте 86 лист 7 [42,стр.191], измерительный инструмент - штангенциркуль:
Твк1=0,20 мин [поз. 161]
Тогда:
Твсп=0.04+0.13+0.20=0.37 мин
.Определение оперативного времени
.1 Оперативное время определяем по формуле:
Топ=То+Твсп=1.752+0.37=2.122 мин(1.50)
.2 Определение времени на обслуживание рабочего
места. По карте 21 [42, стр.75] - Тобс составляет 4.5% от оперативного времени
Тобс=0.117 мин
.3 Определение времени на отдых и личные
надобности. По карте 88 [42, стр.203] - Тотд составляет 4% от оперативного
времени
Тотд=0.08 мин - при механической подаче.
. Определение подготовительно-заключительного
времени.
По карте 28 [42, стр.100] определяем:
А. На наладку станка, инструмента и
приспособлений. Установка детали в специальном приспособлении. Тп.з=13 мин
[поз. 1]
Б. Нет
В. На получение инструмента и приспособлений до
начала и сдача их после окончания обработки - Тп.з=7 мин [поз. 14]
Следовательно: Тп.з.=13+7=20 мин
. Определение штучного времени.
Тшт=Топ+Тотд+Тобсл=2.122+0.117+0.08=2.319
мин(1.51)
. Определение штучно-калькуляционного времени.
Тш.к.=Тшт+Тп.з/п, (1.52)
где п - партия деталей
Тш.к.=2.319+20/10=4.319 мин
Фрезерная с ЧПУ, станок модели МB-46V, фирмы “OKUMA”.
Сверление 8 отверстий в специальном
приспособлении
. Вспомогательное время определяем по формуле:
Твсп=Тву+Твп+Твк(1.53)
вспомогательное время связанное с установкой и
снятием детали. По карте16 [42,стр.58] - установка в специальном приспособлении.
Установка производится рукояткой пневматического зажима, Тву=0.04 мин [поз. 32]
вспомогательное время связанное с переходом. По
карте 27 лист 1 [42,стр.95] по измеряемому размеру:
Твп1=0.13мин [поз. 1]
вспомогательное время на контрольные измерения.
По карте 86 лист 7 [42,стр.191], измерительный инструмент - штангенциркуль:
Твк1=0,20 мин [поз. 161]
Тогда:
Твсп=0.04+0.13+0.20=0.37 мин
.Определение оперативного времени
.1 Оперативное время определяем по формуле:
Топ=То+Твсп=3.392+0.37=3.762 мин(1.54)
.2 Определение времени на обслуживание рабочего
места. По карте 21 [42, стр.75] - Тобс составляет 4.5% от оперативного времени
Тобс=0.169 мин
.3 Определение времени на отдых и личные
надобности. По карте 88 [42, стр.203] - Тотд составляет 4% от оперативного времени
Тотд=0.150мин - при механической подаче.
. Определение подготовительно-заключительного
времени.
По карте 28 [42, стр.100] определяем:
А. На наладку станка, инструмента и
приспособлений. Установка детали в специальном приспособлении. Тп.з=13 мин
[поз. 1]
Б. Нет
В. На получение инструмента и приспособлений до
начала и сдача их после окончания обработки - Тп.з=7 мин [поз. 14]
Следовательно: Тп.з.=13+7=20 мин
. Определение штучного времени.
Тшт=Топ+Тотд+Тобсл=3.762+0.169+0.150=4.081
мин(1.55)
. Определение штучно-калькуляционного времени.
Тш.к.=Тшт+Тп.з/п, (1.56)
где п - партия деталей
Тш.к.=4.081+20/10=6.081 мин
Токарная с ЧПУ, токарном центре, модели
, фирмы “Deltameb”, в четырехкулачковом патроне
. Вспомогательное время определяем по формуле:
Твсп=Тву+Твп+Твк(1.57)
вспомогательное время связанное с установкой и
снятием детали. По карте 5 [42,стр.36] - установка в четырехкулачковом патроне.
Установка производится подъемником при станке т.к. вес детали G=129 кг, Тву=3.8
мин [поз. 1]
вспомогательное время связанное с переходом. По
карте 18 [42,стр.64] по измеряемому размеру:
Твп1=0,17 мин [поз. 4]
вспомогательное время на контрольные измерения.
По карте 86 лист 2 [42,стр.186], измерительный инструмент - калибр скоба,
измеряемый размер:
Твк1=0.17 мин [поз. 20]
Тогда:
Твсп=3.8 +0.17+0.21=4.18 мин
.Определение оперативного времени
.1 Оперативное время определяем по формуле:
Топ=То+Твсп=0.713+4.18=4.893 мин
.2 Определение времени на обслуживание рабочего
места. По карте 19 [42, стр.70] - Тобс составляет 5,5% от оперативного времени
Тобс=0.270 мин
.3 Определение времени на отдых и личные
надобности. По карте 88 [42, стр.203] - Тотд составляет 4% от оперативного
времени
Тотд=0,195 мин - при механической подаче.
. Определение подготовительно-заключительного
времени.
По карте 21 [42, стр.75] определяем:
А. На наладку станка, инструмента и
приспособлений. Установка детали в четырехкулачковом патроне. Тп.з=22 мин [поз.
1]
Б. Нет
В. На получение инструмента и приспособлений до
начала и сдача их после окончания обработки Тп.з=10 мин [поз. 9]
Следовательно: Тп.з.=22+10=32 мин
Определение штучного времени.
Тшт=Топ+Тотд+Тобсл=4.893+0.270+0.195=5.358 мин
. Определение штучно-калькуляционного времени.
Тш.к.=Тшт+Тп.з/п, (1.58)
где п - партия деталей
Тш.к.=5.58+32/10=8.558 мин
1.2.11 Разработка
маршрутно-операционного технологического процесса с применением САПР
В дополнениях Б представлены маршрутные
технологические процессы механической обработки деталей-представителей и
операционные технологические процессы, разработанные с помощью программы ADEM,
и карты эскизов, разработанные с помощью программы КОМПАС.
1.2.12 Технико-экономическое
обоснование вариантов операций технологического процесса
Технико-экономическое обоснование выполняем за
методикой, приведенной в [11]. Основными оценками экономической эффективности
процесса является:
) технологическая себестоимость операции;
) сроки окупаемости капитальных вложений;
) производительность труда;
Технологическая себестоимость при сравнении по
технологической себестоимости учитываются не все расходы производства на
выполнение данной детали-операции, а только те из них, которые замещаются при
переходе от одного варианта обработки к другому. Целесообразно учитывать только
главные расходы, которые зависят от технологических процессов, а
второстепенными расходами для упрощения расчетов можно презреть [12].
Технологическая себестоимость рассчитывается по
следующей формуле:
Стех.оп=З+Аоб+Е+Роб+І+Сосн+Мдоп+Абуд+Рбуд+
,
(1.59)
где Из - зарплата производственных рабочих на
единицу изделия (основная и дополнительная с отчислениями на соцстрахование);
Аоб - амортизационные отчисления от стоимости
универсального оборудования на единицу изделия;
Е - расходы на энергию (силовую, технологическую)
на единицу изделия;
Роб - расходы на текущие ремонты и обслуживания
оборудования на единицу изделия;
И - расходы на универсальный инструмент
(режущий, мерительный) на единицу изделия; Сосн - расходы на универсальную
оснастку на единицу изделия;
Мдоп - расходы на вспомогательные материалы на
единицу изделия;
Абуд - амортизационные отчисления от стоимости
дома на единицу изделия;
Рзд - расходы на содержание здания на единицу
изделия;
Асп.об.г - годовые амортизационные отчисления от
стоимости специального оборудования;
Ссп.осн - расходы на специальную оснастку,
которые списываются за год;
Снал.г - годовые расходы на налаживание
оборудования;г - годовая программа изделий, которые выпускаются.
Составляющие технологической себестоимости
методом прямого счета рассчитываются таким способом:
Зарплата производственных рабочих за
изготовление единицы изделия
З = tшт lч Kдоп, (1.60)
где lч - часовая ставка рабочего, принято по
тарифной сетке, грн.; lб = 30 грн, lпр = 25 грн.
Кдоп - коэффициент, учитывающий дополнительную
зарплату и отчисление на социальное страхование, Кдоп =1.2-1.3.
Зб = 170 / 60 · 30 · 1,2 = 102 грн
Зпр = 56,1 / 60 · 25 · 1,2 = 28,05 грн
Амортизационные расходы по универсальному
оборудованию, которые приходятся на единицу изделия:
Аоб=
,
(1.61)
где а - норма амортизационных отчислений в
процентах; аб = 10%, апр = 12%
Цоб - полная первобытная стоимость оборудования
с учетом транспортно заготовительных расходов и расходов на монтаж Цоб.б. =
300000 грн, Цоб.пр. = 800000 грн
ηср - средний
коэффициент загрузки установки ηср
= 0,85
грн.
грн.
Стоимость электроэнергии по данной операции на
единицу изделия
Э = [0,25 · NТ · (tшт - tмаш) + 0,6 Nэ tмаш] ·
Цэ / 60, (1.62)
где Nэ - установленная мощность
электродвигателя, кВт, Nэ =18 кВт,Цэ=0,5 грн/ кВт-год.; маш - машинное время
хв.
Эб = [0,25 · 80 · (170 - 25,05) + 0,6 · 25,05 ·
18] · 0,5 / 60 = 16,7 грн
Эпр = [0,25 · 80 · (56,1 - 25,05) + 0,6 · 25,05
· 18] · 0,5 / 60 = 3,2 грн
Стоимость эксплуатации пластины режущего
инструмента, отнесенная к одному изделию, при обработке по данной операции
Іпл=
,
(1.63)
Цпл - первоначальная стоимость пластины, Цпл=60
гр; =8 - количество пластин
грн.
Вспомогательные расходы Сост, Роб, Азд, Рзд, Мвс
в дипломном проекте допускается не учитывать.
После расчета переменных Спер и постоянных Спост
расходов определяют критическую программу.
Стех.оп.б = 102 +24,907 + 16,7 + 3,13 = 146,7
грн
Стех.оп.пр = 28,05 +26,301 +3,2 + 3,13 = 60,7
грн
Срок окупаемости капитальных вложений:
=
, (1.64)
где
-
коэффициент загрузки оборудования обработкой данной детали на протяжении года.
Производительность труда
Производительность труда оценивается по снижению
трудоемкости обработки сравниваемых вариантов операции.
Процент снижения трудоемкости
, (1.65)
где tшт1, tшт2 - искусственное время
соответственно базового и проектируемого вариантов операции.
Для серийного производства в формулу необходимо
подставить tшт-к.
Рост производительности труда, %
(1.66)
Таким образом за счет снижения трудоемкости
выросла производительность, технологическая себестоимость снизилась, принимаем
проектуемый вариант, как более экономически целесообразный.
1.2.13 Разработка технологических
карт наладок на технологические операции
Технологические карты наладок приведены на
листах графической части данного дипломного проекта.
2. КОНСТРУКТОРСКО-ТЕХНОЛОГИЧЕСКАЯ
ЧАСТЬ
.1 Проектирование станочных
приспособлений
На токарной операции с ЧПУ требуется простая и
надежная установка детали с обеспечением самоцентрирования.
Разрабатываемое приспособление конструируется
для серийного производства. Конструкция конструируемого приспособления проста и
удобна в изготовлении.
При установки в приспособление применяется схема
центрирования вала на ось приспособления.
При самоцентрировании детали в приспособлении δ=0
- при
обработке диаметральных размеров.
Патрон трехкулачковый КП предназначен для
базирования и передачи крутящего момента заготовкам деталей типа вал,
устанавливаемым в центрах токарных станков с ЧПУ. Патрон состоит из постоянной
базовой части и сменной наладки вставки 2. В сменной вставке 2 установлен
подпружиненный центр 11. Заготовку устанавливают в центрах патрона и пиноли
задней бабки станка. Крутящий момент передается заготовке
самоустанавливающимися кулачками 8. Самоустановка кулачков обеспечивается
плаванием в радиальном направлении втулки 4 с клиновыми пазами, благодаря
наличию широкой выточки в наружной цилиндрической поверхности хвостовика
сменной вставки 2. Заготовку базируют и закрепляют кулачками 8,
устанавливаемыми и закрепляемыми в пазах основных кулачков 7. Сила зажима
кулачкам передается от установленного на заднем конце шпинделя станка привода
тягой 1 через втулки 3, 4 и клинорычажный механизм, состоящий из втулки 5,
клиновые скосы которой поворачивают рычаги 6. Сменную наладку закрепляют
винтами 10.
Привод закрепления - пневмо - как наиболее
удобный для использования на станках с ЧПУ.
Для расчета требуемого усилия закрепления
разрабатывается схема силового расчета.
Рисунок 2.1 - Схема силового расчета
приспособления
Силовой расчет приспособления
∑М02=0
При точении ø240 мм
с t=0.7, V=110 м/мин. Pz=423H
F=Q×t, D1=240 мм, D2=328
мм.=0.15 - коэффициент трения
423×240/2-3×Q×0.15×328/2=0
Q=632H
С учетом коэффициента запаса
Кзап=К0×К1×К2
×К3×К4×К5×К6
К0=1.5-коэфициент запаса, гарантированный
К1=1.2-точение стали
К2=1.0-припуск равномерный
К3=1.0-точение непрерывное
К4=1.0-удобство управления
К5=1.0-пневмопривод
К6=1.0-установка в центрах
Кзап=1.8тр=1,8×632=1138H
Точностной расчет приспособления
Необходимость в расчете общей погрешности
приспособления отсутствует, т.к. данное приспособление предназначено только для
закрепления заготовок, без участия в процессе базирования (базирование
осуществляется в центрах).
Погрешность базирования в центрах в линейном
направлении определяется по формуле:
,
где
-
допуск на длину детали, мм;
- допуск на
диаметр центрового отверстия (выполняется по 12-му квалитету);
= 60˚ -
рабочий угол центрового отверстия.
Погрешность базирования в диаметральном
направлении отсутствует, т.к происходит центрирование относительно конической
поверхности центра.
Приспособление для фрезерной операции.
На рисунке 2.1 приведена схема зажимного
устройства с пневмоприводом с двухрычажным шарнирным механизмом-усилителем
двухстороннего действия без плунжера. При подаче сжатого воздуха в штоковую
полость пневмоцилиндра поршень 1 со штоком 2 перемещается вниз. В это время
шток 2 опускает концы рычагов 5, шарнирно закрепленных на оси штока.
Перемещаясь, рычаги 5 через рычаги 7поворачивают прихваты 3 около осей 6, и
прихваты короткими плечами зажимают деталь 4.
При подаче сжатого воздуха в бесштоковую полость
пневмоцилиндра поршень 1 со штоком 2 перемещается вверх и концы рычагов 5,
шарнирно закрепленных на оси штока 2, через рычаги 7 поворачивают прихваты 3
около осей 6 в направлении разжима детали 4.
Рисунок 2.2 - Схема силового расчета
Уравнения статики:
где Рокр - окружная сила, передаваемая одним
рифлением;
Р1 - осевая сила, действующая на одно рифление;
Рпр - суммарная сила, развиваемая пружинами
сжатия рифленого центра, Рпр=1000 Н;
Рх - осевая составляющая силы резания, Рх=0,7
Рz;
Рц
- осевая сила, развиваемая приводом заднего центра;- количество рифлений,
m=12;- делительный диаметр нарезаемого зубчатого венца;р - приведенный диаметр
рифлений, мм
(2.1.1)
где
α
- экспериментальный
показатель степени, α=1,1;
k
- эмпирический коэффициент, k=0,89;
Требуемое
усилие закрепления:
(2.1.2)
где
К0=1,5 - гарантированный коэффициент запаса;
К1=1,0
- равномерный припуск;
К2=1,5
- фрезерование;
К3=1,0
- резание непрерывное;
К4=1,3
- привод механизированный двухстороннего действия;
К5=1,0
- удобство управления;
К6=1,0
- установка в центрах.
Диаметр
пневмоцилиндра привода заднего центра при принятом диаметре штока dшт=40 мм:
(2.1.3)
где
η=0,85
- коэффициент
полезного действия пневмоцилиндра;=0,4 МПа - рабочее давление в цеховой
магистрали сжатого воздуха.
Принимается
пневмоцилиндр стандартного диаметра 63 мм.
Фактическое
усилие, развиваемое пневмоцилиндром:
(2.1.4)
Т.к.
Wф > W, то усилие, развиваемое пневмоцилиндром, обеспечивает надежное
закрепление детали.
Расчет
приспособления на точность
Допускаемая
погрешность приспособления:
(2.1.5)
где
d - допуск на наиболее точный
размер детали, получаемый при нарезании зубьев;
Допуск
на размер d=66h9, δ=0,074мм;
Dэк - экономическая точность, Dэк =0,03 мм; К - коэффициент учитывающий
влияние экономической точности, К=0,5; eб
- погрешность
базирования, eб=0 мм;
eз - погрешность закрепления, eз=0 мм.
На
погрешность установки также оказывает влияние погрешность установки
приспособления на станке. По оси центров при центрировании приспособления по
конусу Морзе Δуп=0,008 мм.
Тогда
допуск на сборку
Δсб=
- Δуп
Δсб=0,018-0,008=0,01мм
Таким
образом, биение установочных конусов центров должно быть не более 0,005 мм.
2.2
Проектирование контрольного приспособления
Измерительный
прибор применяют для контроля наружного диаметра гладких и шлицевых валов при
шлифовании.
Рисунок
2.3 - Принципиальная схема прибора
Прибор
основан на применении дифференциальной пневматической схемы, при которой
чувствительный элемент реагирует на разность давления воздуха в двух ветвях
системы, питаемых от одного стабилизатора давления.
Сжатый
воздух после предварительной очистки поступает в блок фильтра и стабилизатора 17
и далее через входное сопло 2 в измерительную ветвь, состоящую из шланга,
полости сильфона 8 и измерительного сопла 26, а через входное сопло 20 - в
ветвь противодавления, состоящую из сопл 18, 20 и сильфона 16.
Давление
в измерительной ветви, а, следовательно, и в сильфоне 3 определяется величиной
зазора 2 у сопла 26 с защитной коронкой 27скобы 28. Величина зазора зависит от
диаметра D контролируемой детали. Давление в ветви противодавления и в сильфоне
16 в процессе контроля не изменяется, а зависит от ранее установленного винтом
19 зазора Zп у сопла 18.
Таким
образом, равность давлений в сильфонах, закрепленных на корпусе 4, и,
следовательно, положение связанной с ними каретки 15, подвешенной на
параллелограмме из плоских пружин при фиксированном положении винта
противодавления 19, зависит только от размера D. Перемещение каретки с помощью
рычажно-зубчатого механизма 5 передается на стрелку 8. С помощью этой стрелки и
шкалы 14 диаметром 130 мм можно производить визуальный отсчет величины
измеряемого размера и наблюдать за ходом процесса обработки детали.
На
каретке 15 установлены два контакта 6, которые могут замыкаться с двумя
регулируемыми контактами 11 и 9. В четырехкомандном устройстве этих контактов
четыре, и соответственно электрическая схема прибора более сложная.
Настройку
контактов 11 к 9 производят с помощью рукояток 21 и 22, которые перемещают
кулачки 23 и 24 с закрепленными на них указателями 10 и 12. Одновременно
перемещаются планки 7 и 13, несущие контакты. Срабатывание команд происходит
при похождении стрелки 8 мимо соответствующих указателей 10 и 12.
Описание
принципа работы.
Измерительная
скоба 25 в это время находится в нерабочем отведенном положении, и зазор Z у
измерительного сопла имеет наименьшее значение, зависящее от высоты коронки (обычно
0,1 мм).
После
начала обработки детали измерительная скоба надвигается на обрабатываемую
деталь и зазор у сопла увеличивается в зависимости от припуска на обработку.
После
того как измерительная скоба надвинулась на обрабатываемую деталь, контакты ПВ
6, 8 на станке размыкаются, но электрическая схема прибора остается в прежнем
положении.
По
мере съема припуска с обрабатываемой детали зазор у измерительного сопла 26
скобы уменьшается, давление в сильфоне 3 повышается и каретки 15, а также
стрелка 8 на приборе начинают перемещаться вправо. В тот момент, когда припуск
обрабатываемой детали достигнет величины, соответствующей припуску на чистовое
шлифование, разомкнутся настроенные контакты 6, 11 датчика.
Во
время дальнейшей обработки детали с чистовой подачей размер и зазор Z будут
продолжать уменьшаться. Давление в сильфоне 3 будет увеличиваться, каретка 15 и
стрелка 8 будут перемещаться вправо. При достижении обрабатываемой деталью
требуемого размера замкнутся настроенные на этот размер контакты 6, 9, при
замыкании которых реле окажется под током.
После
окончания обработки измерительная скоба 25 будет отведена в нерабочее положение
и зазор Z у сопла 26 станет минимальным, контакты 6,9 датчика останутся
замкнуты. При отводе скобы замкнутся контакты ПВ 6, 8 на станке, вновь
включится реле, которое своим размыкающим контактом 5, 7 обесточит второе реле.
На световом табло прибора включится лампа, сигнализирующая о том, что обработка
окончена. Схема придет в исходное положение, прибор и станок будут подготовлены
к обработке следующей детали.
При
наладке и настройке прибора контакты ПВ, должны быть разомкнуты, а реле наладки
РН обесточено. При этом его одни контакты окажутся замкнутыми, а другие
разомкнутыми.
3.
ТЕХНОЛОГИЧЕСКОЕ ПРОЕКТИРОВАНИЕ ЦЕХА
В
дипломном проекте необходимо разработать проект реконструкции базовой
производственной структуры механосборочного цеха НКМЗ.
Целью
реконструкции является создание эффективного, экономически целесообразного
производственного участка, обеспечивающего изготовление всех деталей
гидроцилиндра привода выталкивателя стола пресса гидравлического штамповочного,
за исключением нормализованных и стандартных.
Базовый
производственный механосборочный цех состоит из трех пролетов, разделенных
магистральными проездами и сборочного участка.
На
первом пролете базового цеха установлено металлорежущее оборудование для
обработки средних и мелких тел вращений. Предусмотрено заготовительное
отделение и склад заготовок. Транспортирование деталей и заготовок по пролету
осуществляется при помощи двух электромостовых кранов грузоподъемностью Q=5т.,
а между пролетами двумя железнознодорожными путями расположенными вначале и в
конце цеха.
На
втором пролете установлено среднее металлорежущее оборудование для обработки
средних корпусных деталей и тел вращений. Предусмотрено эмульсионная кладовая.
Транспортирование деталей и заготовок по пролету осуществляется двумя
электромостовыми кранами грузоподъемностью Q=5т.
На
третьем пролете установлено крупное оборудование для обработки крупных
корпусных деталей. Имеется помещение энергетика, кладовая для готовых изделий,
помещение для сборщиков. Транспортирование деталей и заготовок по пролету
осуществляется двумя электромостовыми кранами грузоподъемностью Q=5т.
Сборочный
участок площадью расположен перпендикулярно к механообрабатывающим пролетам.
Поперек пролетов предусмотрен 12 метровый участок по всей ширине цеха, где
находятся бытовые помещения, измерительная кладовая, вентиляционная камера,
заточное отделение, архив, цеховые подстанции, коммуникационный пункт,
аккумуляторная, слесарная мастерская механика и инструментальная кладовая.
Задача
реконструкции решается следующим образом. На основе анализа структуры
трудоемкости изготовления гидроцилиндра привода выталкивателя стола пресса
гидравлического штамповочного, по базовому варианту определяется перечень
оборудования и его часовая загрузка на механообработку детали
узла-представителя.
При
этом в общем перечне базового списка механообрабатывающего оборудования
необходимо иметь те модели станков, которые задействованы в проектируемых
вариантах обработки деталей представителей.
Сводка
нормированного времени обработки по группам станков базового варианта
изготовления взята на базовом предприятии. Необходимо выполнить расчет
количества станков участка, предназначенного для выпуска гидроцилиндра привода
выталкивателя стола пресса гидравлического штамповочного. После определения
станочного состава оборудования, его количества, общей удельной площади, один
из участков базового цеха будет освобожден от оборудования, а на их месте будут
установлены станки для обработки деталей гидроцилиндра привода выталкивателя
стола.
Демонтированное
оборудование, после его полного и всестороннего контроля и ремонта, будет
размещено на других участках цеха, взамен физически и морально устаревшего.
Расчет
количества станков i-го типоразмера:
(3.1.1)
где
N - годовая приведенная программа выпуска;
Кв.н.
- коэффициент выполнения норм, Кв.н.=1.1.
(3.1.2)
где
Тшт-кб - базовая трудоемкость;
Куж
- коэффициент ужесточения норм времени.
Коэффициент
Куж определяется для детали-представителя, на которую разработан
технологический процесс, пронормировано. Сравнивая полученную станкоемкость
Тпр.п с заводской станкоемкостью Тз.п., найдем Куж, который распространяется на
остальные детали и изделия.

уж=
(3.1.3)
Расчет
проектной станкоемкости приведен в таблице 3.1.
Таблица
3.1 - Расчет проектной станкоемкости
|
Наименование
|
Станкоемкость
по типоразмерам (моделям) станков, часы
|
|
OKUMA
LB-400
|
2М615
|
16К30
|
6550Ф3
|
2М57
|
OKUMA
MB-46V
|
3М194
|
Deltamab
400
|
|
Станкоемкость
заводская
|
1660
|
540
|
6730
|
2760
|
4630
|
1290
|
1095
|
300
|
|
Коэффициент
ужесточения
|
0.68
|
0.68
|
0.68
|
0.68
|
0.68
|
0.68
|
0.68
|
0.68
|
|
Станкоемкость
проектная
|
1129
|
367
|
4576
|
1877
|
2361
|
877
|
745
|
204
|
Расчет коэффициента загрузки оборудования.
Степень загруженности станков отдельных
типоразмеров характеризуется коэффициентом загрузки оборудования:
(3.1.4)
где Спр - принятое количество станков, шт.;
Ср - расчетное количество станков, шт.,
а загрузка в целом по участку или цеху - средним
коэффициентом загрузки:
(3.1.5)
где Срі - расчетное количество всех станков;
åСпі - принятое количество станков.
Расчет потребного количества станков и
коэффициента их загрузки приведены в таблице 3.2.
Таблица 3.2 - Расчет потребного количества
станков и коэффициента их загрузки
|
Наименование
|
Модели
станков
|
Габариты
|
Тшт-кб
|
Тшт-к
np
|
Cp
|
Cnp
|
Kз
|
|
Фрезерные
|
6550Ф3
|
5000×3550
|
7760
|
5277
|
1.18
|
2
|
0.59
|
|
OKUMA
MB-46V
|
1900×2700
|
9290
|
6317
|
1.41
|
2
|
0.71
|
|
Токарные
|
16К30
|
3795×1240
|
8730
|
5936
|
1.32
|
2
|
0.66
|
|
Deltamab
400
|
8000×6000
|
5300
|
3604
|
0.80
|
1
|
0.80
|
|
OKUMA
LB-400
|
2692×1880
|
9660
|
6569
|
1.47
|
2
|
0.74
|
|
Шлифовальные
|
3М194
|
14065×3515
|
4095
|
2785
|
0.62
|
1
|
0.62
|
|
Расточные
|
2М615
|
4330×2590
|
6540
|
4447
|
0.99
|
1
|
0.99
|
|
Сверлильные
|
2М57
|
3500×1630
|
5630
|
3828
|
0.85
|
1
|
0.85
|
|
Средний
коэффициент загрузки
|
0.77
|
Загруженность оборудования по цеху или участку
считается нормальной: для единичного и среднесерийного производства Кз = 0.8 -
0.9; для серийного Кз = 0.75 - 0.85; для крупносерийного и массового
Кз = 0.65-0.75.
Трудоемкость сборки гидроцилиндра привода
выталкивателя стола пресса гидравлического штамповочного - 82 ч.
Потребное количество рабочих мест
слесарей-сборщиков, при условии стендовой стационарной сборки:
(3.1.6)
Где,
-
трудоемкость сборки приведенной годовой программы;
=1880ч -
номинальный фонд времени работы сборочного стенда с механизированными
приспособлениями;=2 - количество смен в сутки.
Количество рабочих мест - 3.
Расчет количества рабочих-сборщиков:
(3.1.7)
где,
=3
- количество рабочих мест;
= 2040ч. -
эффективный годовой фонд рабочего места рабочего-сборщика;
=0,8 - нормативный
коэффициент загрузки рабочего места сборщика;
=1850ч. -
эффективный фонд рабочего;
П=2 - плотность работ, т.е. число рабочих
сборщиков на одном рабочем месте.
Принятое число рабочих сборщиков - 6 чел.
Площадь сборочного отделения для сборки
гидроцилиндра привода выталкивателя стола пресса гидравлического штамповочного:
(3.1.8)
=35 м2 - удельная
площадь на 1-го рабочего-сборщика
Расчет склада заготовок участка:
(3.1.9)
где Ки=0.4- коэффициент использования площади
склада;- черновой вес материала заготовки.
Масса гидроцилиндра - 826.6 кг.
Средний коэффициент использования материала
Кв=0.89.
Черновой вес гидроцилиндра:
кг=5 дн -
количество дней, для которых создается нормативный запас заготовок
Ф=254 дн - количество рабочих дней в
году.=0,5т/м2 - допустимое нагружение на площадь пола
Площадь склада деталей:
Выбор подъемно-транспортных средств участка:
Транспортировка деталей и заготовок на участке
механической обработки осуществляется:
цеховым мостовым краном, грузоподъемностью 20т,
предусмотренным общей компоновкой цеха.
внутрицеховым рельсовым транспортом (подача
заготовок на участок, вывоз готовых деталей на сборку).
Производственную площадь рассчитываем укрупнено:
,(3.1.10)
где Спр - принятое количество станков (по
типоразмерам), шт;- удельная производственная площадь, м2.
Значение f равно:= 15...25 м2 - для средних
станков (габариты до 4000 × 2000 мм);=
25...70 м2 - для крупных станков (габариты до 8000 ×
4000 мм);=
70...200 м2 - для особо крупных станков (габариты до 15000 ×
6000 мм
и больше).
м2
Таблица 3.3 - Ведомость площадей участка
|
Наименование
|
Площадь,
м2
|
|
Производственная
площадь
|
525
|
|
Склад
заготовок
|
10
|
|
Склад
готовой продукции
|
8
|
|
Межоперационный
склад
|
52
|
|
Магистральный
проезд
|
90
|
4. ОРГАНИЗАЦИОННО-ЭКОНОМИЧЕСКАЯ
ЧАСТЬ
.1 Маркетинговые исследования
Описание изделия
Проектируемым изделием является гидроцилиндр
привода выталкивателя стола пресса гидравлического штамповочного.
Производителем является предприятие с мировым именем - Новокраматорский
машиностроительный завод. Изделие имеет полное изображение, полученное с
помощью новых технологий. При формировании стоимости используют расходный метод
формирования цены. Уровень рентабельности в пределах 20-40%.
Рекламная политика включает участие изделия в
международных выставках и показе своих достижений. Со всеми потребителями
данного вида продукции заключаются договоры на последующее обслуживание.
Отличными качествами проектируемого изделия
является высокая точность и качество изготовления, а также сравнительно
невысокая отпускная цена.
Обязательной является организация
послепродажного сервиса, куда входит рекламное обслуживание первое время, а
иногда доставка потребителю.
Оценка рынка сбыта
На базовом предприятии работает отдел маркетинга
по единой информационной сети. Так завод узнает о потенциале возможностей своих
конкурентов: их товары, качество продукции, приблизительные цены, условия
продажи. Эту информацию отдел получает, проводя собственные исследования, а
также при помощи торговых палат. Они определяют, кто, почему, сколько, когда
готовый купить продукцию, ближайшие и долгосрочные перспективы, определяют
приблизительно цену реализации.
Конкурентный анализ
Объектом данного исследования является
гидроцилиндр привода выталкивателя стола пресса гидравлического штамповочного.
Анализ маркетинговых исследований показывают заинтересованность машиностроительных
предприятий на данный вид продукции, которая формирует спрос. В приобретении
гидроцилиндра заинтересованы такие предприятия, как Зальцгиттер (Германия),
Славянский завод тяжелого машиностроения, Дружковский завод метизных изделий.
Конкурентами являются широко известные в мире
бизнеса машиностроительные компании, такие как «Фест-Альпине» (Австрия),
«Сименс» и «Маннесман Демаг» (Германия), «Даниели» (Италия) и др., которые
также много уделяют внимание рекламе своей продукции (проспекты, выставки,
реклама, и др.).
Стратегия маркетинга
Схема распространения товара осуществляется по
договорам, условия поставки также оговариваются в договоре.
Для формирования общественной мысли о
предприятии и продукции ведется разработка методик, которые позволяют добиться
хорошей репутации своей продукции и самого завода. Используя высокий
интеллектуальный и производственный потенциал, нововведения защищены патентами.
Стратегия финансирования
Данная стратегия сводится к разработке плана
получения средств для реализации проекта, При этом указывается, сколько
потребуется средств для реализации данного проекта, и источники финансовых
ресурсов и форму их получения.
Источниками финансовых ресурсов могут служить:
собственные средства; кредиты банков; привлечение средств партнеров;
привлечение средств акционеров.
4.2 Расчет капитальных расходов
.2.1 Расчет стоимости оборудования
Количество производственного оборудования,
необходимого, для выполнения производственной программы, определяется по
каждому его виду (токарное, сверлильное, расточные и др.).
Стоимость оборудования определяется по
прейскуранту оптовых цен на металлорежущие станки или данным базовом
предприятием. В балансовую стоимость оборудования кроме прейскурантной
стоимости станков входят расходы на их транспортировку и монтаж в цехе, расходы
на которых принимаются в размере 10-12% от стоимости оборудования. Общие
расходы оборудования заносим в таблицу 4.1
Таблица 4.1 - Данные для расчета стоимости
оборудования
|
Модель
|
Количество,
шт
|
Масса
одного станка
|
Мощность
одного станка
|
Мощность
всех станков
|
Балансовая
стоимость одного станка
|
Балансовая
стоимость всех станков
|
Амортизационные
отчисления
|
|
Оборудование
|
|
кг
|
кВт
|
кВт
|
грн
|
грн
|
%
|
Ао
|
|
Токарный
16К30
|
2
|
3775
|
11
|
22
|
48000
|
96000
|
24
|
23040
|
|
Токарный
с ЧПУ Deltamab 400
|
1
|
8000
|
7.5
|
7.5
|
870000
|
870000
|
24
|
208800
|
|
Токарный
с ЧПУ OKUMA LB-400
|
2
|
5400
|
22
|
44
|
950000
|
1900000
|
24
|
456000
|
|
Фрезерный
с ЧПУ 6550Ф3
|
2
|
10490
|
8
|
16
|
628200
|
1256400
|
24
|
301536
|
|
Фрезерный
с ЧПУ OKUMA MB-46V
|
2
|
6200
|
22
|
44
|
920000
|
1840000
|
24
|
441600
|
|
Сверлильный
2М57
|
1
|
9500
|
7.5
|
7.5
|
34000
|
34000
|
24
|
1860
|
|
Расточной
2М615
|
1
|
8500
|
4.5
|
4.5
|
54000
|
54000
|
24
|
12960
|
|
Шлифовальный
3М194
|
1
|
34300
|
25
|
25
|
98000
|
98000
|
24
|
23520
|
|
Всего
|
12
|
|
107.5
|
170.5
|
3552200
|
6148400
|
|
1469316
|
|
Слесарный
верстак
|
2
|
986
|
|
|
14790
|
29580
|
24
|
7099.2
|
|
Всего
|
14
|
|
107.5
|
170.5
|
3566990
|
6177980
|
|
1476415.2
|
|
Мостовые
краны
|
2
|
|
75
|
150
|
42000
|
84000
|
24
|
20160
|
|
Консольно-поворотные
краны
|
12
|
|
5
|
60
|
13400
|
804000
|
24
|
192960
|
|
Рельсовая
тележка
|
2
|
|
10
|
20
|
16800
|
33600
|
24
|
8064
|
|
Всего
по участку
|
30
|
|
197.5
|
400.5
|
3639190
|
7099580
|
|
1697599.2
|
|
|
|
|
|
|
|
|
|
|
|
|
|
|
4.2.2 Определение стоимости
производственного здания участка (цеха)
Общая площадь проектируемого участка (цеха)
состоит из площадей производственного назначения и бытовых помещений и зависит
от производственной структуры участка (цеха), количества оборудования,
габаритов изделий, которые изготовляются, методов организации производственного
процесса и так далее.
Стоимость здания участка определяется
укрупненным методом исходя из норматива затрат на 1м3 здания по формуле:
где Vн - наружный объем здания, м3;
Наружный объем здания можно определить по
формуле:
где Sуч=685 м2 - площадь производственного
участка с учетом проходов и железнодорожных путей;ср=9 м - средняя высота
пролета.нар=685
9=6165 м3
Сзд=6165
90=554850 грн
4.2.3 Расходы на инструмент и
технологическую оснастку
При укрупненных расчетах принимаются в процентах
от стоимости технологического оборудования и составляют: в средне- и
мелкосерийном производстве - 6-15%:
Синстр=7099580
10/100=709958 грн
Из этой суммы в стоимость основных средств
включают 20-30% (на приобретение дорогого инструмента и приспособлений сроком
службы больше одного года)
Сдор. =0,2Синстр.
Сдор.=0,2·709958=141992 грн
4.2.4 Расходы на производственный
инвентарь
Затраты на производственный инвентарь покрупнено
принимаются в размере 1-1,5% от стоимости технологического оборудования:
Синв=6177980
1/100=61779.8 грн
Расходы на хозяйственный инвентарь
Затраты на хозяйственный инвентарь суммарно
принимаются в размере 1-1,5% от первобытной: стоимости всего оборудования:
Синв=7099580
1/100=70995.8 грн
Все расчетные данные представляются в таблице
4.2
Таблица 4.2 - Известность капитальных расходов
|
Наименование
основных фондов
|
Балансовая
стоимость, грн.
|
Норма
амортиза-ции
|
Сумма
амортизационных отчислений
|
|
|
%
|
грн.
|
|
|
|
|
|
1
Здания и сооружения
|
554850
|
8
|
44388
|
|
2
Оборудование:
|
|
|
|
|
а)
производственное
|
6148400
|
24
|
1475616
|
|
в)
подъемно-транспортное
|
921600
|
24
|
221184
|
|
3
Инструменты и приспособления дорогие
|
141992
|
40
|
56797
|
|
4
Инвентарь
|
|
|
|
|
а)
производственный
|
61779
|
40
|
24711
|
|
б)
хозяйственный
|
70995
|
40
|
28398
|
|
Всего:
|
7899636
|
|
1851094
|
4.3 Расчет эксплуатационных расходов
.3.1 Расчет количества работников
участка (цеха)
К работникам участка (цеха) относятся рабочие,
инженерно-технические рабочие, служащие, младший обслуживающий персонал,
ученики.
По цеховому признаку рабочие подразделяются на
основных и вспомогательных.
К основным относятся рабочие, которые выполняют
операции по непосредственному изготовлению продукции в цеху. Другие рабочие
относятся к категории вспомогательных.
Расчет численности основных рабочих
Для расчета численности основных
производственных рабочих необходимо знать трудоемкость программы основного
производства, действительный фонд времени одного рабочего, коэффициент
выполнения норм.
Трудоемкость программы участка (цеха) состоит из
расходов труда на производство продукции в нормо-часах по всем изделиям
планируемого периода и рассчитывается по формуле:
где Nпр - производственная программа, шт.; шт -
трудоемкость одного изделия, нормо-времени.

=100
54=54000 ч
Учетный состав основных производственных
рабочих-сдельщиков может быть укрупнено рассчитанный по формуле:
где Фд - эффективный фонд рабочего времени в
году, обусловленный по формуле:
где Д - количество рабочих дней в году (365 дней
минус выходные и праздничные дни);- число рабочих часов в изменение, 8 год;
К - коэффициент, который учитывает невыходы
рабочих на работу из регламентированных причин (0, 1-0,2);
Фд=290·8·(1-0,1)=1860 ч
Рст=54000/1860=22 чел
Рассчитываем количество рабочих по операциям:
(чел.);
(чел.);
(чел.);
(чел.);
(чел.)
Таким образом, количество основных
производственных рабочих Рс=22 чел. Количество рабочих-сборщиков Рсбор.=6 чел.
Таким образом, количество основных рабочих Росн=28 чел.
Расчет численности вспомогательных рабочих
К группе вспомогательных рабочих относятся
рабочие, которые не принимают личного участия в осуществлении технологических
процессов при изготовлении основной продукции цеха, которые заняты
обслуживанием основного производства.
Этими рабочими являются слесари по ремонту
оборудования, смазчики, наладчики, крановщики, электромонтеры, заточники,
кладовщики, транспортные и другие рабочие.
Расчет потребности вспомогательных рабочих
производится на основе установленных нормативов или укрупненно 20-30% от
численности основных производственных рабочих.
Рвсп=0,25Росн
Рвсп=0.25·22=5.5 чел
Принимаем: Рвсп=6 чел
Распределение вспомогательных рабочих по группам
производится по удельной базе их в общем составе:
слесари - ремонтники - 25 - 30 %;
транспортные рабочие - 20 - 25%;
крановщики - 20%
Ррем= 6
0.35=2 чел
Ртрансп=6
0.2=2 чел
Ркран=6
0.25=2 чел
Робщ.=Росн.+Рвсп.
Робщ.=28+6=34 чел
Определения численности других категорий
работающих
До этой группы относятся руководители,
специалисты и служащие. При укрупненных расчетах их отношение к общему числу
рабочих (основных и вспомогательных), можно принять:
руководители - 7%;
специалисты - 2,5%;
служащие- 1,6%
Ррук=34
0.07=2.3 чел
Принимаем: Ррук=3 чел.,
Рспец.=34
0.025=0.85 чел
Принимаем: Рспец.=1 чел.,
Рслуж.=34
0.016=0.54 чел
Принимаем: Рслуж=1 чел.
В пределах полученной численности складывается
штатное расписание участка (цеху).
Общая численность персонала
Робщ=Росн+Рвсп+Ррук+Рслуж+Рспец
Робщ=28+6+3+1+1=39 чел
4.3.2 Расчет фонда заработной платы
Фонд заработной платы рассчитывается по
категориям работающих, а затем возводится в годовой фонд заработной платы
участка.
Прямой фонд заработной платы рабочих -
сдельщиков определяется из трудоемкости годовой программы выпуска изделий
(деталей), часовой тарифной ставки рабочего первого разряда тарифного
коэффициента работ.
Прямой фонд заработной платы рабочих -
повременщиков рассчитывается исходя из действительного фонда времени работы
одного рабочего, численности рабочих, - повременщиков, часовой тарифной ставки
рабочего - повременщика первого разряда и среднего тарифного коэффициента.
Сумма премии рассчитывается на основании
действующего премиального положения в цехе, где студент проходив практику. Ее
размер не должен превышать 40% прямого фонда заработной платы.
Доплата к прямой заработной плате включает
премии, доплаты за работу в ночное время, праздничные и выходные дни, за
руководство бригадой, учеба учеников и т.п. Укрупненно для основных рабочих эти
доплаты принимают 35-40%, а для вспомогательных - 25-30%. Дополнительная
зарплата берется в процентах от основного в зависимости от длительности отпуска
-3,4%; 6,4%; 5,4% соответственно величине отпуска 24,18,15 дней. Фонд
заработной платы является суммой основной и дополнительной заработной платы.
Результаты расчета заносятся в таблицы 4.3, 4.4,
4.5.
Таблица 4.3 - Заработная плата основных рабочих
|
Наименование
профессии
|
Численность
|
В
частности по разрядами
|
Средний
разряд
|
Часовая
тарифная ставка
|
Трудоемкость
|
Фонд
заработной плати
|
Премии
|
Основная
заработная плата
|
Дополните-льная
заработная плата
|
Общий
фонд заработной платы
|
Отчисления
|
|
|
3
|
4
|
5
|
|
|
|
|
40%
|
|
30%
|
|
37,5%
|
|
Токари
|
9
|
3
|
4
|
2
|
3.88
|
14.38
|
16109
|
231647
|
92658
|
344129
|
103238.7
|
447367.7
|
167762.88
|
|
Фрезеровщики
|
7
|
2
|
3
|
2
|
4
|
14.38
|
11594
|
166722
|
66688
|
51800
|
15540
|
67340
|
25252.5
|
|
Сверловщики
|
2
|
|
1
|
1
|
4,5
|
14.38
|
3828
|
55047
|
22018
|
770565
|
231169.5
|
1001734.5
|
375650.44
|
|
Расточники
|
2
|
|
1
|
1
|
4,5
|
14.38
|
4447
|
63948
|
25579
|
89527
|
26858.1
|
116385.1
|
43644.41
|
|
Шлифовальщики
|
2
|
|
1
|
1
|
4,5
|
14.38
|
2785
|
40048
|
16019
|
56067
|
16820.1
|
72887.1
|
27332.66
|
|
Всего
|
22
|
5
|
10
|
7
|
|
|
38763
|
557412
|
222965
|
780377
|
234113.1
|
1014490.1
|
380433.79
|
|
|
|
|
|
|
|
|
|
|
|
|
|
|
|
Слесари-сборщики
|
6
|
2
|
2
|
2
|
4
|
13.66
|
15237
|
208137
|
83255
|
291392
|
87417.6
|
378809.6
|
142053.60
|
|
|
|
|
|
|
|
|
|
|
|
|
|
|
|
Всего
|
28
|
7
|
12
|
9
|
|
|
54000
|
765549
|
306220
|
1071769
|
321530.7
|
1393299.7
|
522487.39
|
Таблица 4.4 - Зарплата вспомогательных рабочих
|
Наименование
профессии
|
Численность
|
В
частности по разрядами
|
Средний
разряд
|
Часовая
тарифная ставка
|
Действительный
фонд
|
Фонд
заработной плати
|
Премии
|
Основная
заработная плата
|
Дополнительная
заработная плата
|
Общий
фонд заработной платы
|
Отчисления
|
|
|
3
|
4
|
5
|
|
|
|
|
40%
|
|
25%
|
|
37,5%
|
|
Слесари-ремонтники
|
2
|
|
1
|
1
|
4.5
|
8.75
|
1860
|
16275
|
6510
|
22785
|
5696.25
|
28481.25
|
10680.47
|
|
Крановщики
|
2
|
|
1
|
1
|
4.5
|
8.38
|
1860
|
15586.8
|
6232.72
|
21819.52
|
5454.88
|
27274.4
|
10227.90
|
|
Транс.
работники
|
2
|
|
1
|
1
|
4.5
|
8.52
|
1860
|
15847.2
|
6338.88
|
22186.08
|
55296.52
|
77482.6
|
29055.98
|
|
Всего
|
6
|
|
|
|
|
|
|
47709
|
19083.6
|
66792.6
|
16698.15
|
83490.75
|
31309.03
|
Таблица 4.5 - Зарплата руководителей,
специалистов, служащих
|
Должность
|
Численность
|
Оклад
|
Премия
40%
|
Зарплата
|
ФОТ
|
Отчисления
37,5%
|
|
|
одного
|
всех
|
|
|
|
|
|
Руководители
|
|
|
|
|
|
|
|
|
Начальник
участка
|
1
|
3600
|
3600
|
1440
|
5040
|
60480
|
22680
|
|
Ст.
мастер
|
1
|
2500
|
2500
|
1000
|
3500
|
42000
|
15750
|
|
Сменный
мастер
|
1
|
2300
|
2300
|
920
|
3220
|
38640
|
14490
|
|
Всего
|
3
|
8400
|
8400
|
3360
|
141120
|
52920
|
|
Специалисты
|
|
|
|
|
|
|
|
|
Технолог
|
1
|
1700
|
1700
|
680
|
2380
|
28560
|
10710
|
|
Служащие
|
|
|
|
|
|
|
|
|
Нормировщик
|
1
|
1500
|
1500
|
600
|
2100
|
25200
|
9450
|
|
Всего
|
5
|
11600
|
11600
|
4640
|
16240
|
194880
|
73080
|
4.3.3 Расходы на основные и
вспомогательные материалы
В группу материальных расходов на производство
входят основные материалы, покупные, полуфабрикаты, комплектующие изделия и
вспомогательные материалы. Расходы на основные материалы определяются, исходя
из годовой потребности и прейскурантных цен. Расходы на полуфабрикаты, что
приобретенные в порядке кооперации и на полуфабрикаты собственного производства
определяются исходя из годовой потребности и собственных цен.
где N - необходимое количество материала, кг;
Цопт - оптовая цена материала, грн.;
Цопт.отх - оптовая цена отходов, грн.
К полученным расходам на материалы и
полуфабрикаты должны быть прибавлены транспортные расходы (6-10% от
прейскуранта стоимости или базового завода). Расчет расходов на материалы и
полуфабрикаты оформляется в ведомости (табл. 4.6).
Таблица 4.6 - Ведомость потребности в основных
материалах, покупаемых изделиях и полуфабрикатах
|
Наименование
детали
|
Потребность
материалов, кг
|
Стоимость
материалов, грн.
|
|
на
одно изделие
|
на
программу
|
на
одно изделие
|
на
программу
|
|
1.
Сырье и материалы
|
|
|
|
|
|
Шток-поршень
|
243
|
24300
|
1215
|
121500
|
|
Крышка
глухая
|
129
|
12900
|
645
|
64500
|
|
2.
Возвратные отходы (вычитаются)
|
130
|
13000
|
130
|
13000
|
|
2.
Комплектующие
|
456.6
|
45660
|
2283
|
228300
|
|
Сумма
расходов на материалы
|
|
|
4273
|
427300
|
4.3.4 Расходы на энергетические
потребности участка
Затраты на силовую электроэнергию для
производственных потребностей
Расходы на силовую электроэнергию для
производственных потребностей определяются по формуле:
где Ссил - ставка за один кВт/ч за употребленную
энергию,
Ссил = 0.5 грн/кВт-ч;
Э - затрата электроэнергии в течении года,
кВт/ч.
Затрата электроэнергии в течении года
рассчитывается по формуле:
где Фд - действительный годовой фонд времени
работы оборудования, ч., Фд =4015 ч;
Кз - средний коэффициент загрузки оборудования
(согласно расчета оборудования), Кз =0.77;
Кс - коэффициент спроса, который учитывает
недогрузку и неодновременность работы электродвигателей (принимается в пределах
0,25 - 0,3);обор - суммарная мощность установленного оборудования, кВт., обор =
170.5 кВт.
(кВт/ч);
(грн.)
Расходы на электроэнергию для освещения
Затраты на электроэнергию для освещения
определяются по формуле:
где 15 - средняя часовая затрата электроэнергии,
кВт/ч на 1 м3 площади участка;общ - площадь участка, м2., Sобщ =685 м2
- число часов освещения в год при двусменной
работе;
,05 - коэффициент, который учитывает дежурное
освещение.
(грн.)
Расходы на воду для производственных
потребностей
В механических цехах затраты на приготовление
охлаждающих жидкостей определяются исходя из их затраты в пределах 14 - 18 м3 в
год на 1 станок при двусменной работе.
где N - количество станков, N=12 шт.
Св - тариф на воду, Св =5 грн/м3.
(грн.)
Затрата воды на бытовые потребности рассчитываются
исходя из расходов на хозяйственно-санитарные потребности 25 л на каждого
работника и число выходов каждого работника в год. Затрата воды для душевых
принимаются 60 л на каждого работающего в смене.
где n - количество рабочих дней на год, n=257
дней;
Св - стоимость 1 м3 воды, Св=5 грн/м3.
(грн.)
(грн.)
Расходы на отопление участка
Затраты на отопление участка определяются по
формуле:
,
где S - площадь участка, м2; - количество
месяцев отапливаемого периода;
Св - тариф на отопление на текущий период
времени, Св=6 грн.
(грн.);
Расходы на сжатый воздух
Сжатый воздух тратится на обдувку станков (для
удаления стружки, обдувки деталей, после мойки и во время составления, в
пневматических зажимах и инструментах, а также в распылителях краски). Годовая
затрата сжатого воздуха в кубических метрах подсчитывается по формуле:
где Нст - количество приемников данного
наименования;
Вп - затрата воздуха одним приемником, м /год;
Кзп - коэффициент использования приемника в
изменение;
Фи - эффективный фонд рабочего времени на год,
часы.
В формуле учтено увеличение теоретической
годовой затраты воздуха на 20-30 % для компенсации потери воздуха. При
укрупненных расчетах можно принять: при обдувке станков затрата воздуха-1.5
-2.0 м/ч на каждый станок; при обдувке детали после мойки - 1.0-1.2 м/ч на одно
установленое сопло; при оборудовании станка пневматическими зажимами - 0.1-0.5
м/ч на станок. Средняя стоимость 1000 м3 сжатого воздуха берется по данным
базового предприятия или прейскуранту на момент сбора данных, Сс.в.=0,02грн
(грн.)
4.4 Расчет суммы
общепроизводственных расходов
Общепроизводственные расходы подразделяются на
постоянные и переменные. К переменной части ОПР относятся расходы на
обслуживание и управление производством, которые изменяются прямо
пропорционально к изменению объема производства. К постоянным ОПР относятся
расходы, которые остаются неизменными при изменении объема производства.
В свою очередь постоянные ОПР могут быть
распределенными на производственную себестоимость и нераспределенными,
включенными в состав себестоимости реализованной продукции. Фактическая сумма
постоянных ОПР распределяется на производственную себестоимость пропорционально
трудоемкости фактического объема производства.
Перечень статей общепроизводственных расходов,
их расчет и распределение на постоянные и переменные возведены в таблице 4.4.1.
4.5 Расчет калькуляции себестоимости
продукции
Состав статей калькуляции может быть изменен в
соответствии с принятым на базовом предприятии или фирме. Топливо и энергия для
технологических потребностей учитывается в калькуляции, если такой же учет есть
на базовом предприятии или фирме. В противоположном случае они входят в состав
смет общепроизводственных расходов
Калькуляцию себестоимости продукции оформим в
виде таблицы 4.5.1.
Таблица 4.7 - Калькуляция себестоимости
продукции
|
Наименование
статей
|
Базовый
вариант
|
По
проекту
|
Уменьшение
(-), увеличение (+)
|
|
1
|
2
|
3
|
4
|
|
1
Сырье и материалы (за отчислением отходов)
|
5341.25
|
4273
|
-1068.25
|
|
2
Основная заработная плата производственных рабочих
|
13397.1
|
10717.69
|
-2679.4
|
|
3
Дополнительная заработная плата производственных рабочих
|
4019.1
|
3215.3
|
-803.8
|
|
4
Отчисления на соцстрах
|
6531
|
5224.8
|
1306.2
|
|
5
Общепроизводственные расходы
|
36731.8
|
29385.5
|
-7346.3
|
|
6
Общая производственная себестоимость
|
66020.4
|
52816.3
|
13204.1
|
|
7
Административные расходы
|
6602.03
|
5281.63
|
1320
|
|
8
Расходы на сбыт
|
1320.4
|
1056.3
|
264.1
|
|
9
Всего операционных расходов
|
73942.7
|
59154.2
|
-14788.5
|
|
10
Прибыль (25-30% от п.9)
|
18485.7
|
14788.6
|
3697.1
|
|
11
Оптовая цена (9+10)
|
92428.5
|
73942.8
|
18455.7
|
|
12
НДС (20% от п. 11)
|
18485.7
|
14788.6
|
3697.1
|
|
13
Отпускная цена (11+12)
|
110914.3
|
88731.4
|
22182.9
|
4.6. Расчет эффективности проекта
.6.1 Расчет прибыли и рентабельности
Расчет прибыли и рентабельности осуществляется
исходя из прогнозируемых объемов производства (в год), цен на единицу
продукции, производственной себестоимости и суммы административных расходов и
расходов на сбыт, которые сложились. К административным расходам относятся:
расходы на содержание аппарата управления и служебные
командировки;
расходы на содержание основных средств и
невещественных активов общехозяйственного назначения;
расходы за консультативные услуги;
расходы на связь;
расходы на урегулирование споров в судебных
органах;
плата за расчетно-кассовое обслуживание;
другие расходы общехозяйственного назначения.
Для упрощения расчетов величину административных расходов примем в размере 8 -
10% от производственной себестоимости.
К расходам на сбыт относятся:
расходы на упаковку;
расходы на тару; - оплата труда работникам,
которые обеспечивают сбыт;
расходы на предпродажную подготовку товара;
командировочные расходы службы маркетинга;
транспортные расходы, связанные с реализацией
продукции;
расходы на гарантийный ремонт;
другие расходы, связанные с сбытом продукции.
Ориентировочную сумму расходов на сбыт примем в
размере 2-3% от производственной себестоимости.
Таблица 4.8 - Расчет прибыли
|
Показатели
|
Сумма,
грн.
|
|
1
Выручка от реализации продукции (цена изделия х на программу выпуска)
|
8873140
|
|
2
НДС (1/6ВРП )
|
1478856.6
|
|
3
Чистая прибыль (п. 1 - п. 2)
|
7394283.4
|
|
4
Себестоимость реализованной продукции (производственная себестоимость всей
программы)
|
5281630
|
|
5
Валовая прибыль (п. 3 - п. 4)
|
2112653.4
|
|
6
Административные расходы
|
422530.4
|
|
7
Расходы на сбыт
|
105632.6
|
|
8
Финансовый от операционной деятельности (п. 5 - п. 6 - п. 7)
|
1584490.4
|
|
9
Налог на прибыль (30% от п. 8)
|
475347.12
|
|
10
Чистая прибыль (п. 8 - п. 9)
|
1109143.28
|
Рентабельность продукции = Чистая прибыль /
Себестоимость реализованной продукции •100%
Рентабельность продукции = 1109143.28/5281630х
100%=21%
Рентабельность производства определяется по
формуле:
где Пч - чистая прибыль от производства и
реализации продукции, грн.;
АΣ - суммарная
величина амортизации основных производственных фондов, грн;
К - величина капвложений на создание новых ОПФ
для реализации проекта, грн.;
ОС - стоимость оборотных средств (при
укрупненных расчетах 25-30% от стоимости основных фондов, грн.)
(%)
4.6.2 Окупаемость капитальных
расходов
Расчет периода окупаемости выполняется по
формуле
где ПО - период окупаемости вложенных средств по
инвестиционному проекту;
К - сумма средств, которые инвестируются,
направляются на реализацию, состоит из капитальных вложений;
Пч - чистая прибыль;
А- суммарная амортизация основных
производственных фондов.
(г)
4.6.3 Коэффициент роста
производительности труда
Коэффициент роста производительности труда
рассчитывается по формуле:
Тпр, Тбаз - проектная и базовая трудоемкость
продукции.
4.6.4 Расчет фондоотдачи, фондоемкости,
и фондовооруженности
Показатель фондоотдачи рассчитывается по
формуле:
где ПВ - выпущенная за год продукция, грн.;
Фос - стоимость основных производственных
фондов, грн.
Показатель фондоемкости Фе является обратным
показателем фондоотдачи и определяется по формуле:
Показатель фондовооруженности ФВ является
обратным показателем фондоотдачи и определяется по формуле
где Рсп - учетная численность производственных
рабочих.
(грн./чел.)
Показатели экономической эффективности проекта
сводим в таблицу 4.9.
Таблица 4.9 - Показатели экономической
эффективности проекта
|
Показатели
|
Ед.
измерения
|
Значение
|
|
Прибыль
|
тис.
грн.
|
1109.14
|
|
Рентабельность
продукции
|
%
|
21
|
|
Рентабельность
производства
|
%
|
35
|
|
Период
окупаемости
|
год
|
2.1
|
|
Рост
производительности труда
|
-
|
1.3
|
|
Фондоотдача
|
грн.
в год / грн.
|
1.7
|
|
Фондоемкость
|
грн.
в год / грн.
|
0.89
|
|
Фондовооруженность
|
грн.
/ чел.
|
232342
|
4.6.5 Расчет критического объема
(точки безубыточности)
Анализ безубыточности проводят в алгебраической
или в графической форме. График взаимосвязи между расходами, объемом и прибылью
предприятия имеет вид графика безубыточности. Зависимость доходов, переменных,
постоянных расходов и реализации продукции, можно представить в виде формул.
Выручка:
,
где Цизд - стоимость за единицу продукции,
грн.;- программа изготовления и реализации продукции.
(грн.)
Переменные расходы на весь объем выпуска:
где Звир - переменные расходы на единицу
продукции;
(грн.)
Постоянные расходы на весь объем выпуска - сумма
ОПР, административных и расходов на сбыт:
Зпост =2432905.6+422530.4+105632.6=2961068.6
Прибыль операционная:
где Зпост - постоянные расходы на весь объем
выпуска - это постоянная часть ОПР, административных расходов и расходов на
сбыт.
(грн.)
В точке безубыточности ОП=0. Выручку в точке
безубыточности можем представить в виде как умножение объема в точке
безубыточности и цены единицы продукции. В этом случае вышеприведенная формула
имеет следующий вид:
(шт.)
Критический объем производства и реализации
можно рассчитать не только в натуральном, но и в стоимостном, выражении.
Экономический смысл этого показателя - выручка, при которой прибыль
производства равняется нулю: если фактическая выручка предприятия больше
критического значения, оно получает прибыль, в противоположном случае - убыток.
График безубыточности приведен на рисунке 4.1.
Рисунок 4.1 - График безубыточности
Основные технико-экономические показатели
проектируемого участка (цеха) представлены в таблице 4.11.
Таблица 4.10 - Технико-экономические показатели
|
Наименование
показателей
|
Ед.
измер.
|
Проектный
вариант
|
|
1
|
2
|
3
|
|
1
Годовой выпуск продукции
|
шт.
тыс.грн
|
100
88731.40
|
|
2
Площадь производственная
|
м2
|
685
|
|
3
Количество работающих, в т.числе: основных рабочих вспомогательных рабочих
руководителей специалистов служащих
|
чел.
|
39
28 6 3 1 1
|
|
4
Фонд заработной платы, в т.числи: основных рабочих вспомогательных рабочих
других категорий
|
тыс.грн
|
1671.5
1393.2 83.5 194.8
|
|
4
Стоимость основных фондов
|
тыс.
грн.
|
7899.6
|
|
5
Число единиц оборудования
|
шт.
|
12
|
|
6
Производительность труда: одного работающего одного рабочего
|
тыс.грн./чел.
|
202.5
232.3
|
|
7
Коэффициент изменяемости
|
|
2.1
|
|
1
|
2
|
3
|
|
8
Коэффициент загрузки оборудования
|
|
0,77
|
|
9
Средняя заработная плата
|
грн.
|
|
10.
Коэффициент роста производительности труда
|
|
1,3
|
|
11
Себестоимость единицы продукции
|
грн
|
52816.30
|
|
12
Сумма общепроизводственных расходов
|
грн
|
29385.5
|
|
13
Процент общепроизводительных расходов
|
%
|
274
|
В результате проведенных расчетов можно сделать
вывод, что проект представляется эффективным за счет снижения расходов,
снижения общепроизводственных расходов.
5. ОХРАНА ТРУДА
.1 Анализ опасных и вредных
производственных факторов
На спроектированном участке
ремонтно-механического цеха при механической обработке возникает ряд
физических, химических, психофизиологических и биологически опасных и вредных
производственных факторов.
На работающих станках опасными производственными
факторами является:
движущиеся части производственного оборудования
стружка обрабатываемых материалов,
осколки при ломке инструментов,
высокая температура поверхности обрабатываемых
деталей и инструмента;
повышенное напряжение в электрической цепи или
статическое электричество, при котором может состояться замыкание через тело
человека,
возможность возникновения пожара.
При механической обработке, особенно на
скоростных режимах, что образуется стружка, имеет высокую температуру и большую
кинематическую энергию, являет собой опасность не только для работающего на
станке, но и для лиц, которые находятся вблизи станка. Самые распространенные
вследствие этого являются травмами глаз. Глаза могут повреждаться также
пылевыми частицами обрабатываемого материала, осколками резательного
инструмента и частицами абразива. Стружка, которая попадает на открытые участки
тела, вызывает ожоги, а которая попадает на пол, портит обувь.
Большинство инструментов, применяемого на
участке имеют сборную конструкцию и оснащенные твердосплавными пластинами. При
несоблюдении, установленных режимов резания твердосплавные пластины могут
разрушаться и наносить травмы.
К физическим вредным производственным факторам,
характерным для процесса резания относят: повышенную запыленность и
загазованность воздуха рабочей зоны; высокий уровень шума и вибрации;
недостаточную освещенность рабочей зоны; наличие прямой и отбитой блеклой;
повышенную пульсацию светового потока, недостаточное освещение рабочей зоны.
Аэрозоль нефтяных масел, которые входят в состав
смазочно-охладительной жидкости, может вызывать раздражение слизевых оболочек
верхних дыхательных путей, способствовать снижению иммунобиологической
активности. Сложная смесь паров, газов и аэрозолей является химическими
вредными производственными факторами.
К психофизиологическим вредным производственным
факторам можно отнести физические перегрузки при установке, закреплении и
снятии крупногабаритных деталей, напряжение зрения, монотонность труда.
К биологическим факторам относят болезнетворные
бактерии и микроорганизмы, которые появляются при работе со смазочными
жидкостями станка.
5.2 Разработка мероприятий по
обеспечению безопасных условий труда
Требования к производственному оборудованию
Согласно ГОСТ 12.2.003-91 «Оборудование
производственное. Общие требования безопасности» безопасность оборудования
обеспечивается:
.Выбором принципов действия конструктивных схем
безопасных элементов конструкции;
.Применением конструкции средств механизации,
автоматизации и дистанционного управления;
.Применением в конструкции средств защиты;
.Выполнением эргономичных требований;
.Выполнением требований безопасности в
технологической и конструкционной документации по монтажу, эксплуатации,
ремонту и транспортировке;
.Применением в конструкции соответствующих
материалов.
При обработке на фрезерных станках используют
специальные экраны и щитки, а также специальные пылестружкоуловители, которые
устанавливаются и крепятся на хоботе станка. Конструкция пылестружкоуловителя
позволяет исключить травмирование работающего в случае вылета элемента фрезы
или осколка, защищает от случайного попадания рук в рабочую зону.
Многооперационные станки (с ЧПУ), оснащены инструментальным механизмом с
автоматическим изменением инструмента должны иметь защитные устройства, которые
защищают от возможного травмирования работающих, инструментом, который
находится в магазине при его повороте.
При работе на шлифовальных станках уделяют
внимание соблюдению норм безопасности при установке и закреплении инструмента
на шпиндель, безопасным приемом правки. Обязательно при большом количестве
образования пыли станки обеспечиваются устройствами для удаления пыли и
аэрозолей.
Верстать из ЧПК и автоматы имеют защитные
средства с блокирующими устройствами, которые предотвращают включение шпинделя
при поднятии ограждения патрона, а также переключения частоты вращения шпинделя
станка, когда не закрытая дверка ограждение шестирень гитары.
Все вращательные части токарно-револьверных
станков-автоматов ограждены защитными тулупами и экранами.
Органы управления станков и других
производственных оборудований окрашиваются в зависимости от функционального
назначения в соответствующие сигнальные цвета за ГОСТ 12.4.026-76 ССБТ.
Производственные помещения, в которых
осуществляются процессы обработки резанием, обязаны, отвечают требованиям СНиП
11-2-80, СНиП 11-89-80, санитарных норм проектирования промышленных предприятий
СН 245-71. Бытовые помещения цеха отвечают требованиям СНиП 11-92-76. Все
помещения оборудуются средствами пожаротушение за ГОСТ 12.4. 009-83.