Регенеративный подогрев питательной воды на паротурбинных установках

  • Вид работы:
    Контрольная работа
  • Предмет:
    Физика
  • Язык:
    Русский
    ,
    Формат файла:
    MS Word
    426,91 Кб
  • Опубликовано:
    2014-09-16
Вы можете узнать стоимость помощи в написании студенческой работы.
Помощь в написании работы, которую точно примут!

Регенеративный подогрев питательной воды на паротурбинных установках

Содержание

Введение

. Влияние систем регенеративного подогрева питательной воды на экономичность ПТУ

. Системы топливоснабжения мазутной ТЭЦ

2.2 Основные свойства мазута

.3 Сжигание мазута

2.4 Устройство и технологическая схема мазутного хозяйства

Заключение

Список литературы

Введение


Начиная с 30-х годов ХIХ века электричество пошагово входило в повседневную жизнь цивилизации. События появления телеграфа, радио, электрического освещения, электродвигателя стали одними из величайших достижений научного труда и открыли пути к развитию новых наук. Ныне жизнь современного общества немыслима без использования электрической энергии: она применяется в транспорте, в сельском хозяйстве, в средствах передачи и обработки информации, в промышленности, в быту. Активное строительство электростанций в конце XIX - начале XX века дало мощную базу для развития всех отраслей промышленности и формирования индустриального общества.

В наше время электроэнергетика занимает позицию стратегически важной отрасли промышленности, основными целями которой являются:

·    Повышение эффективности предприятий электроэнергетики;

·              Создание условий для развития отрасли на основе частных инвестиций.

·    обеспечения надежного и бесперебойного энергоснабжения добросовестных потребителей электро- и тепловой энергии в кратко- и долгосрочной перспективе;

1. Влияние систем регенеративного подогрева питательной воды на экономичность ПТУ

Регенеративный подогрев питательной воды (см. рис. 2.1) применяется в настоящее время на всех паротурбинных установках. Это объясняется тем, что такой подогрев существенно повышает тепловую и общую экономичность установок. В схемах с регенеративным подогревом потоки пара, отводимые из турбины в регенеративные подогреватели, совершают работу без потерь в холодном источнике. При этом для одной и той же электрической мощности турбогенератора Nэ расход пара в конденсатор уменьшается и КПД установки увеличивается.

Количество пара, отбираемого из отборов, зависит, прежде всего от температуры, до которой может быть подогрет конденсат турбины. Чем выше параметры пара перед турбиной, тем больше интервал температур, на который может быть осуществлен подогрев конденсата, и больше эффект от применения схемы с регенеративным подогревом. Обычно на электростанциях средних параметров температура питательной воды находится в пределах от 150 до 1700С; при высоких давлениях от 225 до 275 0С.

Количество пара, отбираемого из отборов, зависит, прежде всего, от температуры, до которой мотет быть подогрет конденсат турбины. Чем выше параметры пара перед турбиной, тем больше интервал температур, на который может быть осуществлен подогрев конденсата, и больше эффект от применения схемы с регенеративным подогревом. Обычно на электростанциях средних параметров температура питательной воды находится в пределах от 150 до 170°С, при высоких давлениях - от 225 до 275°С (при номинальной нагрузке и номинальных параметрах пара перед турбиной).

Регенеративные подогреватели могут быть смешивающего и поверхностною типов. В подогревателях смешивающего типа теплопередача от пара к жидкости осуществляется в процессе барботажа и конденсации пара непосредственно на струях и каплях воды. Питательная вода при этом может быть нагрета до температуры насыщения греющего пара, поступающего из отбора турбины. Подогреватели поверхностного типа бывают с охладителями перегретого пара и без него.

При отсутствии охладителя перегретого пара поток из отбора конденсируется на всех поверхностях теплообмена и температура воды на выходе из подогреватели всегда на 3-5°С ниже температуры насыщения конденсирующегося пара. В подогревателях с охладителем перегретого пара после подогрева в части подогревателя, обогреваемой конденсирующим паром, поток воды проходит еще через поверхности, к которым подведен перегретый пар. Поэтому недогрев до температуры насыщения пара отбора оказывается ниже. Однако, так как расход пара по сравнению с расходом питательной воды относительно невелик, температура воды после поверхностных подогревателей обычно остается ниже температуры кипения.

При одной и той же температуре питательной воды, чем меньше недогрев до температуры насыщения, тем больше работа потока пара отбора и, как следствие, тем выше тепловая экономичность установки, Отсюда следует, что наибольший эффект от регенерации имеет место при применении подогрева гелей смешивающего типа.

На паротурбинных установках электростанций, работающих на органическом топливе, применяют только перегретый пар; в атомной энергетике широко используют также насыщенный пар. Поэтому рассмотрим паровой цикл с регенеративным подогревом питательной воды для обоих этих случаев.

На рис. 5.1, приведена теоретическая схема подогрева питательной воды при трех регенеративных подогревателях. По этой схеме регенеративный подогрев ведется всем потоком рабочей среды. При такой организации процесса регенеративные подогреватели, проходные сечения отборов и коммуникаций громоздки, а потери в них на трение чрезмерно велики. Кроме того, возрастает влажность пара в последних ступенях турбины. Поэтому в реальных установках в регенеративные подогреватели отводится не весь поток пара, а только небольшая его часть (рис. 5.1, б)


Здесь это пар конденсируется, отдавая свое тепло питательной воде. Образовавшийся при этом конденсат вводят в общий поток питательной воды. При такой схеме расход пара в турбине уменьшается от одного отбора к другому. Для одной и той же мощности турбины общий расход пара возрастает, так как поток, выводимый в регенеративную систему, совершает меньшую работу, чем поток, поступивший в конденсатор. В результате высота лопаток в ЧВД получается большей, чем для турбины без регенеративных отборов, а в ЧНД - меньшей. Это, как известно, увеличивает внутренний относительный КПД. Таким образом, применяемая на реальных установках схема не только устраняет недостатки цикла с постоянным расходом пара, но и дает возможность выполнить проточную часть турбины более совершенной.

На рис. 5.2 в Тs диаграмме изображены регенеративные циклы при адиабатическом расширении насыщенного и перегретого пара, когда подогрев питательной воды осуществляется изобарически во многих подогревателях. При такой схеме для насыщенного пара, когда число подогревателей бесконечно большое, нагрев воды может быть осуществлен до температуры пара Т0 и ступенчатая линия CD (рис.5.2 а) рабочего процесса преобразуется в плавную кривую, эквидистантную кривой подогрева питательной воды АВ Полученный при этом цикл называют предельным регенеративным циклом насыщенного пара. Легко видеть, что КПД этого цикла равен КПД цикла Карно.


Регенеративный подогрев питательной воды в цикле перегретым паром также повышает КПД, однако термический КПД регенеративного цикла перегретого пара всегда ниже КПД цикла Карно при одних и тех же начальных и конечных температурах. Нагрев питательной воды здесь может быть осуществлен до температуры, близкой к температуре насыщения Т0 нас, которая обычно значительно ниже начальной температуры пара Т0 (рис. 5.2 б).

Регенеративный цикл является основным способом экономии топлива на конденсационных электростанциях и на ТЭЦ при их работе с малыми теплофикационными нагрузками ( экономия может достигать 10-13%).

Главным параметром, который в основном определяет эффективность системы регенеративного подогрева, является температура питательной воды поступающей в котел. Она не может быть слишком высокой так как, хотя для нагрева питательной воды потребуется большое количества тепла, которое не потеряется в конденсаторе, работа, совершаемая отбираемым паром, будет очень малой. Но tпв не может быть и слишком малой, так как, хотя отбираемый пар совершит большую работу, пройдя почти всю турбину, его количества будет небольшим, так как нагреть питательную воду надо несильно. Поэтому существует термодинамическая оптимальная температура питательной воды, которая в основном зависит от давления свежего пара и количества РП.


На рис. 7.1 показана зависимость экономии топлива в регенеративном цикле без промежуточного подогрева пара по сравнению с циклом Ренкина от tпв и количества подогревателей z при начальном давлении 8,6 МПа, которому соответствует температура насыщения t s0 =3000C. Видно, что с установкой каждого следующего РП относительный выигрыш в экономии топлива уменьшается. Поэтому количество РП обычно не превосходит 7-9.

Обычно в реальных ПТУ реализуется не термодинамически оптимальная t опт, а экономически оптимальная t П.В, которая меньше t опт. Это снижает стоимость котла, паропроводов, подогревателей и арматуры. В России значение t П.В стандартизированы. Для турбоустановок ТЭЦ с начальными параметрами P0 =12,8 МПа, t0 = 5400С она находиться на пределах 230 - 2500С, а с параметрами 23,5 МПа, 5400С составляет 2650С.

Нагрев питательной воды в системе регенерации от температуры конденсата в конденсаторе до температуры tпв осуществляется примерно равномерно. Это обеспечивает максимальную выработку энергии турбиной при фиксированных значениях tпв и tк..

2. Системы топливоснабжения мазутной ТЭЦ

2.1 Структура и основные задачи топливных хозяйств электростанций

Топливное хозяйство представляет собой комплекс сооружений и механизмов, предназначенных для подготовки, хранения и подачи топлива в котел или реактор АЭС.

Основным экономическим показателем топливного хозяйства являются затраты на переработку и хранение, топлива, которые, в свою очередь, зависят от объема потерь топлива.

Потери топлива зачастую связаны с окислением и неудовлетворительным хранением, при котором происходит перемешивание с землей.

Задача переработки топлива складывается из следующих задач:

прием топлива от поставщика, контроль качества и количества.

очистка топлива от случайных предметов, измельчение твердого топлива до кусков размера 15-25 мм.

хранение топлива на складах.

подача топлива в бункеры котельной (в случае использования твердого топлива), к горелкам паровых котлов (в случае использования газа и мазута).

На АЭС эта задача сводится к установке и удалению ТВЭЛов в реакторе.

регенеративный паротурбинный мазутный установка

2.2 Основные свойства мазута

Сырую нефть как топливо не используют. Ее предварительно перерабатывают и получают различные топлива (бензин, керосин лигроин) и разнообразные масла. Остаток от переработки сырой нефти - мазут и является топливом для котлов.


Мазут относится к высококалорийным топливам: = 38,3 МДж/кг (9150 ккал/кг). По элементарному составу мазут характеризуется высоким содержанием углерода до 87%, водорода до 11%, кислорода и азота до 1%.

По содержанию серы нефть и мазут делят на два класса: малосернистые топлива с содержанием серы 1% и высокосернистые - 2,5%.

Мазут бывает моловязкий и высоковязкий с большим содержанием смолистых веществ и парафина. Вязкость с большим содержанием смолистых веществ и парафина. Вязкость мазута является важным эксплуатационным фактором, определяющим способность транспортировки, слива, перекачки и сжигания его. С повышением температуры вязкость мазута уменьшается, поэтому все операции с мазутом производят с подогревом.

Вязкость нефти и мазута обычно выражают в единицах условной вязкости ВУ. Согласно ГОСТ-6258-52 условной вязкостью называют отношение времени истечения из вискозимитра 200 мл испытуемого нефтепродукта при температуре испытания ко времени истечения 200 мл дистиллированной воды при 200С. Это отношение выражается числом условных градусов.

В зависимости от вязкости мазут бывает нескольких марок, различающихся температурой застывания, которая всегда выше нуля. Для наиболее вязких сортов мазута температура застывания - 250С и выше, поэтому необходим предварительный подогрев такого мазута: при перекачке до 60-700С, а при сжигании до 1400С.

Температурой вспышки мазута называют такую температуру, при которой пары его образуют с окружающим воздухом смесь, воспламеняющуюся при поднесении к ней огня.

При разогреве мазутов в открытых емкостях в целях пожарной безопасности температура подогрева должна быть примерно на 10 градусов ниже температуры вспышки. В закрытых емкостях топливо можно подогреть значительно выше температуры его вспышки.

Жидкое котельной топливо по своему элементарному составу мало отличается от сырой нефти. Мазут обычно содержит некоторое количество воды, увеличивающееся после водных перевозок, а также при разогреве в цистернах острым паром. Мазут подразделяют на шесть марок: Ф5, Ф12, М40, М100, М200 и МП, из них в стационарных котельных установках сжигают мазут трех марок - М40, М100 и М200. Характеристики мазута разных марок приведена в табл.


2.3 Сжигание мазута

Практика показывает, что сжигание мазута в топках котлов возможно только во взвешенном мелкораспыленном состоянии. Для распыления применяют специальные форсунки. Для полного сгорания топлива необходимы достаточное распыливание его и хорошее смешивание с воздухом.

Топочную камеру и лучевоспринемающую поверхность нагрева при сжигании мазута выполняют так же, ка при сжигании пылевидного топлива, но низ камеры делают горизонтальным или слегка наклонным подом в сторону фронта топки.

Форсунки бывают с механическим (рис.43, а) или паровым распыливанием (рис. 43, б). В механических форсунках распыливание осуществляется за счет высокого давления топлива, создаваемого насосом, а в паровых распыляется паром. В паровых форсунках топливо поступает по центру, а пар по окружности.



К станциям мазут доставляется железнодорожным транспортом, нефтеналивными судами, по трубопроводам.

При доставке мазута железнодорожным транспортом мазутное хозяйство включает в себя следующие сооружения и устройства: сливную эстакаду с промежуточной емкостью; мазутохранилища; мазутонасосную станцию; систему мазутопроводов между емкостями мазута, мазутонасосной и котельными установками; устройства для подогрева мазута; установки для приема, хранения и ввода мазута жидких присадок.

2.4 Устройство и технологическая схема мазутного хозяйства

Схема мазутного хозяйства приведена на рис. 7.6. Из железнодорожных цистерн 1, располагающихся в период слива на эстакаде 2, мазут по переносному сливному лотку 3 поступает в сливной желоб 4 и далее по отводящей трубе 5 - в приемную емкость 6. Из нее мазут по мазутопроводам в фильтры грубой очистки 10 и через насосы 9 и фильтры тонкой очистки 8 закачивается в емкость мазутохранилища 7. Из емкости мазутохранилища по мере необходимости через фильтры тонкой очистки 11 и подогреватель 13 насосами 12 мазут подается в горелки 14 котлоагрегатов. Часть разогретого мазута направляется по линии 15 рециркуляции в мазутохранилище для разогрева находящегося там мазута. Рециркуляция мазута необходима для предупреждения застывания мазута в трубопроводах при сокращении или прекращении его потребления.

При сливе из железнодорожно цистерны мазут самотеком движется по открытым цистерн проводится через нижний сливной прибор в межрельсовые желоба. Мазут из приемных резервуаров перекачивается погружными нефтяными насосами в основные резервуары для хранения. Для подогрева мазута в приемных и основных резервуарах до 700 С обычно используют трубчатые подогреватели поверхностного типа, обогреваемые паром.

Для слива мазута из цистерн применяют следующие способы повышения его текучести:

Рециркуляционным подогревом - прогревают отверстие в центре цистерны и затем мазут центробежным насосом прокачивают через наружный теплообменник для подогрева топлива до температуры на 10…200 ниже температуры вспышки и подают к брандспойту, установленному в цистерне; рециркуляцию проводят до полного слива мазута из цистерны;


Паром подаваемым в цистерну, - в цистерны оборудованные паровой рубашкой, подают пар, в результате чего стенки корпуса нагреваются до температуры 800С и холодный мазут, прогреваясь, начинает стекать по горячей поверхности к сливному патрубку;

Слив мазута под избыточным давлением - на люк колпака цистерны устанавливают сьемную крышку, имеющую специальные патрубки, через которые подается водяной пар или сжатый воздух;

Разогрев железнодорожных цистерн с помощью тепляков-  сараев, в который подается горячий воздух с температурой до 1200С

Виброподогрев позволяет существенно повысить эффективность прогревания мазута, контактирующего с вибрирующей поверхностью нагрева

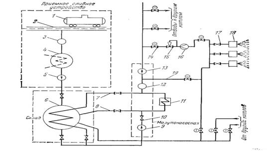
Технологическая схема устройства мазутного хозяйства показана на рисунке 11.

Мазут доставляется железнодорожным, водным, трубопроводным транспортом и сливается в приемный резервуар. В лотке перед резервуаром устанавливаются сетки, выполняющие функцию фильтра грубой очистки, предназначенный для отсеивания посторонних предметов размеры которых больше 10х10 мм. Из приемных резервуаров мазут перекачивается в хранилища. Из хранилищ мазут подается к насосной станции, где он очищается фильтрами тонкой очистки, подогревается теплообменниками и под заданным давлением подается в котельную.

В целях предотвращения застывания необходимо подогревать мазут на протяжении всего тракта движения. Первичный подогрев до 35-45 ᵒC производится в приемо-разгрузочном устройстве, далее мазут прогревается в резервуарах до 90ᵒC. Окончательный подогрев до 120-150ᵒC происходит в подогревателях, устанавливаемых в насосной станции.

Давление мазута на линии к котельной выбирается в зависимости от типа форсунок. Качественное распыление мазута обеспечивается при давлении 3-4,5 МПа.

Рисунок 11. Технологическая схема мазутного хозяйства ТЭС

1 - цистерна; 2 - сливное устройство; 3 - фильтр грубой очистки; 4 -приемный резервуар: 5 - перекачивающий насос: 6 - основной резервуар; 7, 8, 19 - линии рециркуляции мазута; 9 - насос первого подъема; 10 - обратный клапан; 11 - подогреватель мазута; 12 - фильтр тонкой очистки; 13 - насос второго подъема; 14 - запорная задвижка; 15 - регулятор расхода; 16 - расходомер; 17 - задвижка; 18 - форсунки котла.

Резервуары служат для приемки и хранения мазута. Конструкция их должна обеспечивать необходимую для хранения прочность. Суммарная емкость резервуаров должна обеспечивать 15-ти суточный запас топлива, при условии, что мазут является основным видом топлива и доставляется к электростанции водным или железнодорожным видом транспорта.

Исполнение резервуаров может быть наземным, подземным и полуподземным.

Мазутонасосные станции сооружаются в виде отдельного помещения, в котором располагаются насосы, вентиляционное оборудование, щит управления и распределительное устройство. Также в помещении станции устанавливаются такие технологические устройства как: фильтры, подогреватели и устройства для сбора и очистки загрязненных мазутом вод.

Помещение мазутонасосной станции и резервуаров относится к категории взрывоопасных объектов. Поэтому вся электрическая арматура и электродвигатели выбираются во взрывобезопасном исполнении. Мазутное хозяйство обычно размещается за пределами ТЭС, не ближе 500 м от ближайшего населенного пункта.

Заключение

На сегодняшний день основными целями электроэнергетики в России являются такие вопросы как:

ремонт и замена устаревших, а также, выработавших свой ресурс, фондов электростанций;

повышение выдачи больших объемов электроэнергии ввиду естественного роста электропотребления населенных пунктов и производств,

повышение и соблюдение требований экологических стандартов, защита окружающей среды;

развитие технологии эффективного использования альтернативных возобновляемых источников электроэнергии.

Ввиду скорого прогнозируемого дефицита углеводородных ресурсов возможный рост себестоимости электроэнергии может сыграть угнетающую роль на экономической сцене страны и поэтому следует уже сейчас развивать и продвигать энергоемкие системы обогрева и освещения жилых, служебных и производственных помещений. Внедрять установки, использующие в качестве ресурса энергию ветра, энергию солнца, энергию, выделяемую в процессе сжигания водорода. А так же повышать КПД уже используемых установок путем их глубокой, обоснованной модернизации.

Список литературы

1. В.Д. Буров, Е.В. Дорохов, Д.П. Елизаров и др. Тепловые электрические станции М.: Издательский дом МЭИ, 2009г. - 466 с.

2.       Маргулова Т.Х. Атомные электрические станции - М. Высш. Школа, 1978г. - 360 с.

.        Стерман Л.С. Тепловые и атомные электростанции - М.: Энергоиздат, 1982 г. - 456 с.

.        Кругликов П.А. Технико-экономические основы проектирования ТЭС и АЭС. СБП, СЗТУ, 2003г. - 118 с.

Похожие работы на - Регенеративный подогрев питательной воды на паротурбинных установках

 

Не нашли материал для своей работы?
Поможем написать уникальную работу
Без плагиата!
Без нейросетей!