|
Величина
|
Обозначение
|
Значение
|
Размерность
|
|
Номинальная электрическая нагрузка
|
|
200
|
МВт
|
|
Давление пара перед турбиной
|
|
14
|
МПа
|
|
Температура пара перед турбиной
|
|
550
|
ºC
|
|
Давление пара в первом отборе
|
|
2,8
|
МПа
|
|
Давление пара во втором отборе
|
|
2,0
|
МПа
|
|
Давление пара в третьем отборе
|
|
0,3
|
МПа
|
|
Давление в деаэраторе
|
|
0,7
|
МПа
|
|
Давление в конденсаторе турбины
|
|
0,006
|
МПа
|
|
Давление химически очищенной воды
|
|
0,03
|
МПа
|
|
Температура хим. очищенной воды
|
|
30
|
|
Температура слива
|
|
45
|
ºС
|
|
Относительно внутренний КПД отсека турбины
|
|
0,88
|
|
|
Электромеханический КПД
|
|
0,99
|
|
2.
Процесс расширения пара
в турбине
Рисунок 2 - Процесс расширения в проточной части турбины
Первая отсек:
Вторая отсек:
Третья отсек:
Четвертая отсек:
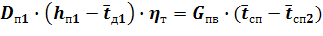
3.
Определение расходов
острого пара и питательной воды
где
- коэффициент регенерации, для расчета ПТС, принимается
ориентировочно в диапазоне 1,15
1,3;
- электрическая мощность, кВТ;
- электромеханический к.п.д., принимается
в расчетах равным
;
,
- коэффициент недовыработки паром соответственно
отопительного и теплофикационного отборов.
Расход питательной воды для барабанного котла определяется по формуле:
где
- внутренние потери пара и конденсата,
;
- расход пара на собственные нужды станции,
;
- расход котловой воды в расширители непрерывной продувки,
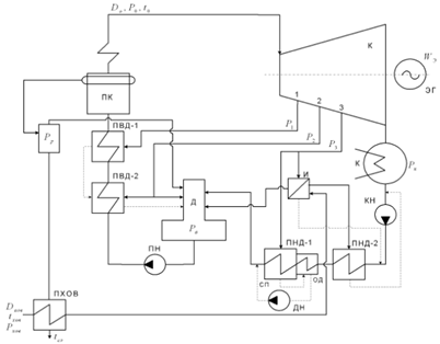
4.
Расчет элементов
тепловой схемы
Рисунок 3 - Расчетная схема расширителя непрерывной продувки
Материальный баланс для Р:
Тепловой баланс для Р:
Рисунок 4 - Расчетная схема ПХОВ
Тепловой баланс для ПХОВ:
Рисунок 5-Расчетная схема Деаэрационной установки
Материальный баланс для Д:
Тепловой баланс для Д:
Рисунок 7-Расчетная схема для КН
Рисунок 8-Расчетная схема для ДН
Рисунок 9-Расчетная схема ПНД-1
Тепловой баланс для зоны ОД:
Тепловой баланс для зоны СП:
Рисунок 10-Расчетная схема ПНД-2
Рисунок 11-Расчетная схема ПВД-2
Рисунок 12-Расчетная схема ПВД-1
Рисунок 13-Расчетная схема для Испарителя (И)
Материальный баланс для И:
Тепловой баланс для И:
5.
Решение матрицы
Решим данную систему уравнений методом Крамера, реализуя его в Mathcad. Находим неизвестные величины

Ответы:
6.
Определение расчетной
мощности отсеков паровой турбины
где
- расчетная мощность i-го отсека турбины, кВт;
- расход пара через i- й отсек
турбины;
- действительный теплоперепад на i- й
отсек.
Путем сравнения заданной электрической мощности (
и расчетной
) обосновывается вывод о
необходимости уточнения расчета. При этом определяется погрешность расчета (
), которая затем сравнивается с
допустимой погрешностью
Если
, то расчет заканчивается. Поскольку
, то расчет повторяется с уточнением
значения коэффициента регенерации:
1,18
. Код программы
double h0, S1,S2,S3,S4, h1t, H01, H1, h1, h2t, H02, H2,
h2, h3t, H03, H3, h3, h4t, H04, Hк, hк, Pпв,Pок,D0,Dхов,Gпв,hп2,hд2,h1п,hпр,
h1пр,hп3,h1и,h1пр1,hп1,hд1,hсп,tсп,hсп2,tсп2,hпв1,дt2,hпв,hд3,hок5,tок5,h1д3,t1д,hок3,tок3,hди,hсл,hхов,дt1,hК,Pб,Vвс,Gпр,hд,Wэ1,jWэ,Dк,nka,
Qpn,B,Qk,nbrэ,bээкэс,э = 200,= 14.0,= 550,= 2.8,= 2.0,= 0.3,д = 0.7,к = 0.006,
Pр = 0.7,хов = 0.03,хов = 30,сл = 45,i =
0.88,эм = 0.99,н=0.7,т=0.98,=
1.3;= WS.hpt(P0, t0);= WS.spt(P0, t0);t = WS.hps(P1, S1);= h0 - h1t;= H01 *
n0i;= h0 - H1;=WS.sph(P1,h1);t = WS.hps(P2, S2);= h1 - h2t;= H02 * n0i;= h1 -
H2;=WS.sph(P2,h2);t = WS.hps(P3, S3);= h2 - h3t;= H03 * n0i;= h2 -
H3;=WS.sph(P3,h3);t = WS.hps(Pк, S4);= h3 - h4t;к = H04 *
n0i;к = h3 - Hк;.Rows.Clear();.Rows.Add("1",
H01, h1);.Rows.Add("2", H02, h2);.Rows.Add("3", H03,
h3);.Rows.Add("4", H04, hк);
//ЭНТАЛЬПИИ
//деаэраторп2=h2;д2=WS.hfp(P2);
h1п=WS.hgp(Pр);
//расширительб=1.1 * P0;пр=WS.hfp(Pб);пр=WS.hfp(Pр);
//испарительп3=h3;и=WS.hgp(Pхов);пр1=WS.hfp(Pхов);д=WS.hfp(P3);
//ПВД-1п1=h1;д1=WS.hfp(P1);сп=WS.ts(P1)-3;сп2=WS.ts(P2)-3;пв=1.3
* P0;сп=WS.hpt(Pпв,tсп);сп2=WS.hpt(Pпв,tсп2);
//ПВД-2
дt2=(((Pпв-Pд)*(Vвс=WS.vfp(Pд)))/nн)*1000;пв=WS.hfp(Pд);пв1=hпв+дt2;
//СПд3=WS.hfp(P3);ок5=WS.ts(P3)-3;ок =
Pд;ок5=WS.hpt(Pок,tок5);
//ОДок3=WS.ts(Pхов)-3;ок3=WS.hpt(Pок,tок3);д=tок3+8;д3=WS.hpt(P3,t1д);
//ПНДди=WS.hfp(P3);
//ПХОВсл=WS.hpt(Pр,tсл);хов=WS.ts(tхов);
//Точки смешения
дt1=(((Pок-Pк)*0.0011)/nн)*1000;К=WS.hfp(Pк);
do
{= Kreg * (Wэ*1000 / ((H1 + H2 +
H3 + Hк) * nэм));хов = D0 *
0.01 + D0 * 0.03 + D0 * 0.02;пв = D0 + D0 * 0.01 + D0 * 0.03 + D0 * 0.02;
//G продувкипр = D0 * 0.03;[,] A =
new double[,] {
{0,0,0,0,0,0,0,(hп3-h1д3)*nт,0,0,-(hок5-hок3),0,0},
{0,0,(hп3*nт-hд),0,0,0,(h1пр-hсл)*nт,0,-h1и,-h1пр1,0,0,0},
{h1п*nт,0,hд,hп2,hд2,hд2,0,h1д3,0,0,hок5,0,0},
{1,1,1,1,1,1,0,0,0,0,0,0,0},
{1,0,0,0,0,0,1,0,0,0,0,0,0},
{h1п,0,0,0,0,0,h1пр,0,0,0,0,0,0},
{0,0,0,0,0,0,0,0,1,1,0,0,0},
{0,0,0,0,(hп1-hд1)*nт,0,0,0,0,0,0,0,0},
{0,0,0,0,(hд1-hд2),(hп3-h1д3)*nт,0,0,0,0,0,0,0},
{0,0,0,0,0,0,0,0,h1и*nт,h1пр,-hок3,дt1,hК},
{0,0,0,0,0,0,0,0,0,1,-1,1,0},
{0,-1,0,0,0,0,0,1,0,0,1,0,0},
{0,0,0,0,0,0,0,0,1,0,0,-1,1}};[] x = new
double[13];[] M = new double[] {0,-Dхов*hхов,Gпв*hпв,Gпв, Gпр,Gпр*hпр,Dхов,Gпв*(hсп-hсп2),Gпв*(hсп2-hпв1),0,0,0,0};=
G.GSolve(A,M);
//определение расчётной электрической мощностиэ1 = D0 *
H1 * nэм + (D0 - x[4]) * H2 * nэм + (D0 - x[4] - x[5] - x[3]) * H3 * nэм + (D0
- x[4] - x[5] - x[3] - x[7] - x[2]) * Hк * nэм;
//Погрешностьэ = Math.Abs((Wэ1 - Wэ*1000) /
(Wэ*1000))*100 ;.Rows.Add(Kreg, D0, Gпв, x[0], x[1], x[2], x[3], x[4], x[5],
x[6], x[7], x[8], x[9], x[10],x[11],x[12], Dхов, Wэ1, jWэ);
Kreg = Kreg * Wэ * 1000 /
Wэ1;
} while (jWэ > 0.5);
//Расход условного топлива на ТЭС (КЭС или ТЭЦ)= 0.91;=
29330;= D0 * (h0 - hсп) / (nka * Qpn);
//Коэффицент полезного действия брутто на выработке
электроэнергииэ = Wэ * 1000 / (B * Qpn);
//Удельный расход условного топлива на выработку
bээкэс = 0.123 / nbrэ;.Rows.Add("B",
B);.Rows.Add("Qk", Qk);.Rows.Add("nbrэ",
nbrэ);
dataGridView3.Rows.Add(" bээкэс", bээкэс);
. Вывод результатов машинных вычислений

9.
Технико-экономические
показатели
1) Общий расход топлива
2) Коэффициент полезного действия брутто на выработке электроэнергии
3) Удельный расход условного топлива на выработку 1 кВт*ч:
Заключение
турбина пар энергоблок тепловой
При выполнении расчета принципиальной тепловой схемы энергоблока
ознакомились с составом основного и вспомогательного оборудования
электростанции и способами его включения в тепловую схему энергоблока; с
методикой расчета упрощенной принципиальной тепловой схемы (ПТС) энергоблока,
разработали алгоритм и составили расчетную программу расчета ПТС. Выполнение
расчета ПТС произведено на ЭВМ. В ходе чего были определены параметры и расходы
теплоносителей во всех расчетных точках схемы.
В работе были определены параметры и расходы пара и воды на ТЭЦ и показатели
ее экономичности. Была построена h-s диаграмма процесса расширения пара в
проточной части турбины. Давления пара в отборах на регенерацию, выбраны из
условия распределения подогрева воды по ступеням. При уточнении электрической
мощности турбоустановки погрешность составила 0,03%. Поскольку уточненное
значение коэффициента регенерации
лежит в допустимых пределах, то
результаты расчета считаем приемлемыми. Посчитали технико-экономические
показатели.
Полученные результаты: расход острого пара составляет
Расход питательной воды для
барабанного котла составляет
Коэффициент полезного действия брутто на выработке
электроэнергии
Удельный расход условного топлива на выработку 1 кВт*Ч
составляет
.
Список
использованных источников
1 Математическое моделирование теплоэнергетических задач на
ЭВМ: Методические указания по лабораторным работам для студентов специальностей
- "Тепловые электрические станции", - "Промышленная
теплоэнергетика" / Сост. Е. А Бойко, Д. Г. Дидичин, П.В. Шишмарев; КГТУ.
Красноярск, 2001. 127с.
СТО 4.2-07-2012. Система менеджмента качества. Общие
требования к построению, изложению и оформлению документов учебной
деятельности. Введен взамен СТО 4.2-07-2010. Дата введения 27 февраля 2012
года. Красноярск ИПК СФУ, 2012. 57с.