Расчет принципиальной тепловой схемы и технико-экономических показателей работы энергоблока
Курсовой проект
Расчет принципиальной
тепловой схемы и технико-экономических показателей работы энергоблока (турбина
К-300-240)
СОДЕРЖАНИЕ
Введение
. Процесс
расширения пара в h,s-диаграмме
2. Баланс
основных потоков пара и воды
3. Расчет
схемы
3.1 Турбопривод
питательного насоса
3.2 Расчет
сетевой подогревательной установки
.3 Подогреватели
высокого давления
.4 Деаэратор
повышенного давления
.5 Подогреватели
низкого давления
.6 Сведения
балансов
4. Определение
показателей тепловой экономичности энергоблоков
5. Выбор
вспомогательного оборудования
Выводы
и заключения
Литература
Введение
В настоящее время развитие научно-технического
прогресса позволяет людям чувствовать себя более комфортно в городах. По
сравнению с прошлым веком, в веке нынешнем появилось множество различных,
доступных большинству людей удобств, таких как: водопровод, теплоснабжение,
централизованная система освещения. Уже практически невозможно представить себе
жизнь без этих благ цивилизации, которые стали привычны. Но улучшение жилищных
условий имеет и обратную сторону - возникновение экологических проблем.
Интенсивное развитие теплоэнергетики, освоение
новых типов схем и оборудования для получения и использования электрической и
тепловой энергии, внедрение в практику новых методов расчетов и
конструирования, обновление нормативных материалов - все это предъявляет особые
требования к соответствующей справочной литературе. В условиях мощного потока
информации специалистам - теплотехникам и теплоэнергетикам - необходимы книги,
в которых в компактной и удобной форме систематизированы сведения
фундаментального и прикладного характера, достижения в методологии и конкретных
разработках, имеющиеся в смежных областях техники.
Только при наличии соответствующего уровня
справочной литературы можно произвести выбор основного и вспомогательного
оборудования котлоагрегата и турбоагрегата.
1. Процесс расширения пара в турбине в h,s-диаграмме
Для определения
параметров пара в отборах турбины на h, s-диаграмме изображаются процессы расширения пара в цилиндрах
турбины. Для конденсационных турбин цилиндр высокого давления считается от
начала расширения до отбора пара на промежуточный перегрев, цилиндр среднего
давления от входа пара в турбину после промежуточного перегрева до его отвода в
цилиндр низкого давления и непосредственно цилиндр низкого давления - до
конденсатора.
Цилиндр высокого
давления
Параметры пара
после котла:
Ро=
24МПа
to= 545 °С
ho=3333кДж/кг
Давление пара на
входе в цилиндр высокого давления с учетом потери на дросселирование:
Po’ =P0· 0,96=24·0,96=23,5 МПа
Давление пара на
выходе из ЦВД берем по книге [1] : Р2=3,53 МПа
Находим
располагаемый теплоперепад в ЦВД:
∆h'=h0-h2=3333-2841=492
кДж/кг
Номинальный расход
свежего пара по книге [1]:
Go=930 т/ч при Vo=0,014 м3/кг (из h,s-диаграммы) Vo·Go=0,014·930=13·103
м3/ч Pо’/P2=23,5/3,53=6,67
По рис. 3.1 Определяем КПД ЦВД : η ЦВД= 85 %
Находим
использованный теплоперепад в ЦВД :
∆h1 = η ЦВД ·∆h'=0,85·492=418 кДж/кг
Цилиндр среднего
давления
В результате потерь
на промежуточном перегреве давление на входе в ЦСД
Pпп=0,9·Pi=0,9·3,53=3,18
MПа
Давление на выходе
из ЦСД будет равно давлению на ПНД №3:
P6=0,24 МПа
Вычислим
располагаемый теплоперепад в ЦСД, используя h,s-диаграмму :
∆h2'=hпп-h6=3556-2828=728 кДж/кг
Расход свежего
пара:
G1=930-57,7-84,6=787,7
т/ч при V1=0,117м3/кг
V1·G1=0,117·787,7=9,216·104 м3/ч Pпп/P6=3,18/0,24=13,25
По рис. 3.4 из
книги [1] определяем КПД ЦСД : η ЦСД =92,3 %
Находим
использованный теплоперепад пара в ЦСД :
∆h2=∆h2'· η ЦСД =728·0,923=672 кДж/кг
Цилиндр низкого давления Р6’=Р6·0,985=0,24·0,985=0,2364
МПа
Давление пара на
выходе из ЦНД равно давлению пара в конденсаторе турбины и равно Рк=0,003МПа.
Располагаемый теплоперепад в ЦНД :
∆h3'=h6’-hк=2884-2250=634Дж/кг
Расход свежего
пара:
Go=787,7-35-30-25,8-18=678,9 т/ч при Vo=0,96 м3/кг
Vo·Go=678,9·0,96=651,74·103
м3/ч
Р6//Рk=0,2364/0,003=78,8
По рис. 3.3 из
книги [1] относительный внутренний КПД ЦНД :
η ЦНД =88,6 %
Использованный
теплоперепад пара в ЦНД :
∆h3=∆h3' ·η ЦНД =634·0,886=562
кДж/кг
Суммарный
располагаемый теплоперепад пара :
∆h'=∆h'+ ∆h2'+∆h3'=492+728+634=1854
кДж/кг
Суммарный
использованный теплоперепад пара :
∆h=∆h1+∆h2+∆h3=418 +672 +562 =1652 кДж/кг
Результаты расчета
сводим в таблицу 1.
Таблица №1 Сводная таблица
параметров
|
Точки процесса Величины
|
Выход из котла O
|
Вход в ЦВД
O'
|
Вход в паропе-регрева-тель 2(ПП')
|
Выход из паропе-регрева-теля ПП"
|
Отбор на ПТН 3
|
4
|
Деаэратор
д
|
Отбор на ПНД №4 5
|
Отбор на ПНД №3 6
|
Отбор на ПНД №2 7
|
Отбор на ПНД № 1 8
|
Конден-сатор К
|
|
1 . Давление, Pi, МПа
|
24
|
23,5
|
6,12
|
3,53
|
3,09
|
1,56
|
1,51
|
1,04
|
0,51
|
0,24
|
0,09
|
0,02
|
0,003
|
|
2. Температура, ti,
°C и Х
|
545
|
543
|
360
|
280
|
545
|
425
|
421
|
380
|
300
|
210
|
125
|
40
х=0,965
|
25 х=0,901
|
|
3 . Энтальпия, hi, кДж./кг
|
3333
|
3333
|
3060
|
2915
|
3556
|
3310
|
3300
|
3220
|
3065
|
2884
|
2726
|
2511
|
2250
|
|
4. Температура насыщения в подогревателе, ti , °C
|
|
|
276,85
|
249,14
|
|
|
198,59
|
181,58
|
152,84
|
120,85
|
96,71
|
60,09
|
35,07
|
|
5. Энтальпия кипящей жидкости, hi,
кДж/кг
|
|
|
1220,6
|
1081,7
|
|
|
846,1
|
770,12
|
643,3
|
529,6
|
405,21
|
101,04
|
|
6, Температура кипящей воды на выходе, ti,
°C
|
|
|
272,85
|
245,14
|
|
|
194,59
|
177,58
|
148,84
|
116,85
|
92,71
|
56,09
|
|
|
7. Давление в корпусе подогревателя, Pi,
МПа
|
|
|
5,69
|
3,65
|
|
|
1,404
|
0,69
|
0,47
|
0,235
|
0,22
|
0,0186
|
|
|
8. Температура дренажа подогревателя, tдрi , °C
|
|
|
254,85
|
206,14
|
|
|
176,59
|
181,58
|
152,84
|
120,85
|
96,71
|
60,09
|
|
|
9. Энтальпия кипящей воды, hi,
кДж/кг
|
|
|
1195,6
|
1061,6
|
|
|
829,9
|
754,3
|
627,8
|
490,98
|
389,57
|
234,35
|
|
|
10. Энтальпия дренажа подогревателя, hдрi, кДж/кг
|
|
|
1110,3
|
879,5
|
|
|
749,9
|
776,4
|
645,1
|
508
|
406,42
|
251,09
.,, ,
|
|
Котлоагрегат
Выберем
котлоагрегат подольского завода Пп-950 255-2 (П-39-2 ): номинальная
производительность - 950 т/ч;
давление пара на
выходе - 25,02 МПа;
температура
перегретого пара - 545 °С;
температура
питательной воды - 265 °С;
тип топочного
устройства - камерное;
температура
уходящих газов - 130 °С;
расчетный КПД
брутто - 91,8 %.
Расчет ПТС по
методу последовательных приближений основан на предварительной оценке расхода
пара турбины :
Go≈KР (GКЭ + yт·Gт)
где Кp - коэффициент
регенерации, зависящий от температуры питательной воды, числа регенеративных
подогревателей и начальных параметров пара. Из [1]:
Кр=1,26
=0,5165
Gт=
где hn = 2726 кДж/кг - энтальпия греющего
пара;
hK = 405,21 кДж/кг - энтальпия кипящей жидкости по
соответствующей температуре насыщения.
Gэк=Nэ·103/∆h
·ηм· ηг
где NЭ - заданная мощность, МВт;
∆h - используемый теплоперепад, кДж/кг;
ηМ
= 0,985 - механический КПД турбины;
ηГ
= 0,985 - КПД генератора.
Go
=1,26(300·103/1652·0,985·0,985 +8,62·0,5165)= 235,8 кг/с =
= 849 т/ч
Данное значение меньше Go = 930 т/ч, следовательно, подходит
для дальнейших расчетов.
Потери рабочего
тела на электростанции можно разделить на внутренние и внешние. Внутренние
утечки пара условно относят к участку паропровода между котлом и турбиной. Их
выражают в долях αут от расхода пара Go на турбине. Внутренние
потери пара и конденсата не должны превышать при номинальной нагрузке 1% для
конденсационных энергоблоков.
Производительность
котлоагрегата равна:
GКА = GО( 1+ αУТ) = 849·(1+0,01) =
857,49 т/ч
Количество
добавочной воды:
GДВ = GО·αУТ = 849·0,01 = 8,49
т/ч
Используется
прямоточный котел, поэтому потери на продувку равны нулю. Расход питательной
воды в котел должен составлять:
GПВ=GКА = 857,49 т/ч = 238,19 кг/с
3. Расчет схемы
.1
Турбопривод питательного насоса
Задачей расчета ТПН
является определение расхода пара на приводную турбину. Мощность турбины
питательного насоса:
ηН
= 0,8 - КПД насоса;
ηМ=0,975
- механический КПД турбины;
Vд=
0.00112 - удельный объем воды при температуре насыщения в деаэраторе, м/кг;
Рд =
0,69 - давление в деаэраторе, МПа;
Рпв
= 1,35·Ро = 1,35·24 = 32.4 давление питательной
воды для всех
ПВД.
Находим давление на
входе в турбопривод: РТП = 1,51· 0,9 = 1,359 МПа
Давление на выходе
из турбопривода:
Р=Рkтп =4,76 кПа
Рктп=4,76кПа
(давление в конденсаторе конденсационной приводной турбины).
Исходя из диаграммы -h,s находим располагаемый теплоперепад пара в ТПН:
=
982 кДж/кг
Используемый
теплоперепад:
=
982 · 0,8 = 784,9 кДж/кг,
где ηт
= 0,8 - КПД турбины ТПН, принимается по книге [1].
Расход пара на приводную турбину:
турбопривод питательного насоса типа К-11-10П
номинальная мощность 11350- кВт;
номинальная частота вращения 76,67 с-1.
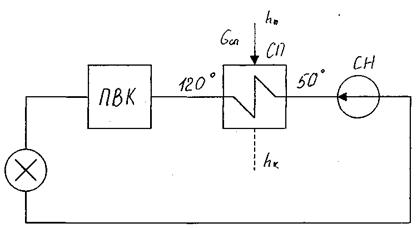
.2 Расчет сетевой
подогревательной установки
где hn = 2726 кДж/кг -
энтальпия греющего пара;
hK = 405,21 кДж/кг -
энтальпия кипящей жидкости по соответствующей температуре насыщения.
tС2 = 120 °С - температура
сетевой воды после верхнего сетевого подогревателя;
tС1 - температура сетевой
воды после нижнего сетевого подогревателя, °С;
η ПОД = 0,985 - КПД сетевого подогревателя по книге [1].
Из уравнения для температуры сетевой воды после верхнего сетевого подогревателя
находим gcb :
где tос = 50 °C - температура сетевой воды в обратной магистрали.
Тогда:
где СР =
4,19 кДж/кг · °С - теплоемкость воды.
Расход сетевой воды
после сетевого подогревателя:
.3
Подогреватели высокого давления
Для расчета ПВД
составляют уравнение теплового баланса:
где Спв - расход
питательной воды;
hпв1 - энтальпия питательной
воды в конце ПВД-1;
hпв2 - энтальпия питательной
воды в начале ПВД-1;
Gп2 - расход
подогревательной воды в ПВД-1;
hдрi
- энтальпия дренажа;
h= 0.99 -КПД подогревателя (выбираем
по [1])
Определяем расход
пара на ПВД-2, составляя аналогичный тепловой баланс для ПВД-2:
Отсюда находим GП2:
Определяем расход пара
на ПВД-3:
Энтальпия питательной
воды hпвд на входе в ПВД-3 определяется с учетом нагрева ее в питательном
насосе. Повышение энтальпии воды

.4 Деаэратор повышенного
давления
Составляем уравнения
материального и теплового баланса деаэратора:
GП1
+ GП2 +
GП3 + GОК +
GПД = GВЫП +
GПВ ,
[(GП1+GП2+GП3) ·hДР3+hПД·GПД]
·η+GОК·hОК=GВЫП·hВЫП+GПВ·hПВ,
где Gвып - расход пара из деаэратора.
hвып
- энтальпия выпара, принимаем ее равной энтальпии насыщенного пара
при данном давлении:
hвып
= 2778,7 кДж/кг
η
= 0,99 - КПД деаэратора, учитывающий потери в окружающую среду, принимается по
[1].
Оптимальный расход
выпара составляет 1,5-3 килограмма на 1 тонну деаэрируемой воды, примем Gвып=0,002·Gпв=0,48
кг/с
Из уравнения
материального баланса:
GОК
= 195,81 - GПД
Подставляем полученное
выражение в уравнение теплового баланса:
2,86·749,9·0,99+3205·0,99·GПД+(195,81 - GПД) ·627,8=
238,19(2778,7·0,0016
+ 754,3)
GПД = 25976,87/2545,15 =
10,21 кг/с
GОК = 195,81-10,21=185,6
кг/с - расход основного конденсата.
Давление в корпусе
деаэратора 0,69 МПа.
.5
Подогреватели низкого давления
Расход пара на
ПНД-4:
GП5=
=
=
10,49 кг/с
Расход пара на ПНД-3:
GП6 =
=
=
=7,316 кг/с
Расход пара на ПНД-2:
GП7
=
=
=
=
11,64 кг/с
Расход пара на ПНД-1
производим с учетом вспомогательных теплообменников. Повышение энтальпии в
вспомогательном теплообменнике принимаем по [1] равным:
∆h = 22,5 кДж/кг
hК
= h’К + ∆h
= 22,5 + 101,04 = 123,54 кДж/кг
(GП5 + GП6 + GП7) ∙(hДР7
- hДР8)
+ GП8∙(h8
- hДР8)
= GОК∙(hПВ8
- hК)
GП8 =
=
=
= 7,1 кг/с
Из уравнения
материального баланса:
GК = GО - (GП1 + GП2 + GП3 +GПД + GП5 +GП6 + GП7 + GП8 + GСП) =
= 235,8 - (16,54 + 25,51
+ 0,81 + 10,21 + 10,49 + 7,316 + 11,64 + 7,1 + 8,75) = 137,434 кг/с
GMП
= 235,8 - 137,434= 98,366 кг/с
.6 Сведение балансов
Материальный баланс
проверяется путем суммирования потоков пара из отборов турбины и в конденсаторе
и в сравнении полученного значения с расходом свежего пара на турбину.
GО’ = GП1 + GП2 + GП3 +GПД + GП5 +GП6 + GП7 + GП8 +Gк+ GСП =
= 16,54 + 25,51 + 0,81 +
10,21 + 10,49 + 7,316 + 11,64 + 7,1 +137,434+ 8,75= 235,8 кг/с
GО’
≈ GO
Материальный баланс
сходится.
Для сведения
энергетического баланса суммируется мощность всех потоков пара и сравнивается с
заданной мощностью турбины.
Теплоперепады
hi1
= hO - h1 = 3333 - 3060 = 273 кДж/кгi2
= hO - h2
= 3333 - 2915 = 418 кДж/кг
∆hПП
= hПП"
- hПП'
= 3556 - 2915 = 641 кДж/кг
hi3
= hO - h3
+ ∆hПП
= 3333 - 3310 + 641 = 664 кДж/кг
hiД
= hО
- hД
+ ∆hПП
= 3333- 3220 + 641= 754 кДж/кг
hi5
= hO - h5
+ ∆hПП
= 3333 - 3076 + 641= 898 кДж/кг
hi6
= hO - h6
+ ∆hПП
= 3333 - 2884 + 641 = 1090 кДж/кг
hi7
= hO - h7
+ ∆hПП
= 3333 - 2726 + 641 = 1248 кДж/кг
hi8
= hO - h8
+ ∆hПП
= 3333 - 2511 + 641 = 1463кДж/кг
hiСП
= hО
- hСП
+ ∆hПП
= 3333 - 2884 + 641= 1090 кДж/кг
hiK
= hO - hK + ∆hПП
= 3333 - 2250 + 641= 1616 кДж/кг
hiτ = hO - hτ
+ ∆hПП
=3333 - 3310+ 641 = 664кДж/кг
Сведем данные в таблицу
2:
Таблица № 2
|
Теплопадение, кДж/кг
|
Расход пара, кг/с
|
Мощность, МВт
|
|
1
|
273
|
16,54
|
4,52
|
|
2
|
418
|
25,51
|
10,66
|
|
3
|
664
|
0,81
|
0,54
|
|
Д
|
754
|
10,21
|
7,7
|
|
5
|
898
|
10,49
|
|
6
|
1090
|
7,316
|
7,97
|
|
7
|
1248
|
11,64
|
14,53
|
|
8
|
1463
|
7,1
|
10,39
|
|
СП
|
1090
|
8,75
|
9,54
|
|
К
|
1616
|
137,434
|
222,09
|
|
Сумма
|
9659
|
235,8
|
297,36
|
|
Т
|
664
|
13,67
|
9,08
|
Ni = 306,64 МВт - полученная мощность турбины. Вычислим
действительную потребляемую мощность турбины,
NP
= Ni
∙ ηГ∙ηМ
где ηГ = 0,985 - КПД ;
ηМ = 0,99 - механический
КПД турбины.
NP = (306,64 - 9,08)
∙0,985∙0,99
= 289,97 МВт
Вычислим
относительную погрешность:
∆N =
=
=
0,033
Погрешность в допустимых
пределах.
4.
Определение показателей тепловой мощности энергоблоков
Расчет теплоты на
турбогенераторную установку с учетом теплоносителя:
QТУ
= [GТУ
∙(hО
- hПВ)
+ GПП∙(h’’ПП
- h’ПП)
- GДВ∙(hПВ
- hДВ)]
∙10-3
где hДВ - энтальпия добавочной воды, подаваемой в тепловую схему
энергоблока.
hДВ = hR =
101,04 кДж/кг
GNE = 0,01∙GО + GО = 0,01∙235,8 + 235,8 = 238,158 кг/с
GПП = GО - GП1 - GG2 = 235,8 - 16,54 - 25,51 = 193,75 кг/с
QТУ = [238,158∙ (3333-1195,6) + 193,75∙ (3556- 2915) - 8,49∙
(1195,6 - -101,04)] = 623,94∙103 кВт = 623,94 МВт
КПД брутто
турбинной установки:
= 0,525
КПД брутто энергоблока:
0,525∙0,985∙0,918 = 0,475
где ηТП
= 0,985 - КПД теплового потока;
ηКА
= 0,918 - КПД котельного агрегата по П5 из книги [1].
КПД нетто энергоблока:
= 0,475(1 - 0,036) =
0,457
где β
= 0,037 - доля энергии потребляемой на собственные нужды, от
выработанной.
Удельный расход
топлива на отпущенную потребителем электроэнергию:
= 0,27
пар турбина давление
энергоблок
5.
Выбор вспомогательного оборудования
Конденсационные
насосы
Расчетная
производительность конденсационных насосов GКН определяется
с запасом 10 - 20 % к максимальному расходу пара в конденсаторе:
GКН = 1,2∙GК
= 1,2∙137,434 = 164,92 кг/с = 593,72
По П7 из [1]
выбираем 6 (3 основных и 3резервных) конденсационных насосов типа КсВ1000- 95:
подача - 1000 т/ч;
напор - 95 м;
допустимый
кавитационный запас - HДОП = 3,5 м; мощность - 342
кВт;
КПД - 76%;
температура
конденсата - 60 °С.
Деаэратор
повышенного давления
Исходя из GПВ = 238,19 кг/с = 619,294 т/ч выбираем 2 колонки ДСП - 800 :
рабочее давление - Рд = 0,69 МПа;
производительность
- G = 800
т/ч;
наружный диаметр -
2432 мм;
высота - 4000 мм;
масса -- 8,2∙103 кг.
Данные приводятся
без охладителя выпара.
Деаэраторные баки
Емкость аккомуляторного бака деаэраторов
принимаем из расчета запаса питательной воды: V=Go*t*60/1000
Для t
= 3мин V=235,8*3*60/1000=42,45м3
емкость - 50
м3 ;
рабочее давление -
0,6 МПа;
наружный диаметр -
3020 мм;
длина - 8471 мм;
масса - 12180 кг.
Питательные насосы
Расчётная производительность питательных насосов
выбирается по максимальному объему питательной воды с запасом 5%. Расчётный
напор питательного насоса Рпн должен превышать давление пара перед
турбиной Р0 на величину гидравлических потерь в тракте,Рпн=1,35*Р0
= =1,35*23,8=32,13 Мпа
В качестве основного турбонасоса выбираем
ПТН-1135-340:
Подача - 1135 м3/ч;
Напор - 3400 м;
Частота вращения - 4700 об/мин;
КПД насоса - 80%
В качестве дополнительного выбираем по П6 [1]
два электронасоса СВПЭ- 320-550г:
Производительность - 550 м3 ;
Давление нагнетания - 31,39 Мпа;
Температура питательной воды - 165 0С;
Скорость вращения -7500 об/мин;
Номинальная мощность электродвигателя - 8000
кВт.
Сетевые
подогреватели
Производительность
подогревателя сетевой воды выбирается по величине тепловой нагрузки. По уровню
теплопередачи определяется необходимая поверхность теплообмена сетевого
подогревателя:
F=
где Qсп
- тепловая нагрузка сетевого подогревателя, МВт:
к = 3,5 кВт/м2∙°С - коэффициент теплопередачи сетевого подогревателя;
∆tСР =
где ∆tСР - средняя логарифмическая разность температур;
∆t - нагрев сетевой воды в сетевом
подогревателе;
δtСП = 4 °С - температурный недогрев сетевых подогревателей.
F=
=238,40 м2
Согласно П10 [1]
выбираем подогреватель типа ПСВ - 315 - 14 - 23: поверхность нагрева - 315 м2;
расход воды - 1130
т/ч;
расход пара - 190
т/ч;
число отходов воды
- 2;
вес подогревателя,
(без воды) - 12,423;
рабочие параметры
по пару:
давление - 1,47
МПа, температура - 400 °С;
рабочие параметры
по воде:
давление - 2,35
МПа, температура - 50/120 °С.
Выводы и заключения
Выполняя курсовой
проект произвели расчет энергоблока на основе турбины К - 300 - 240 с заданными
исходными данными:
1тепловая схема турбоустановки;
2начальные и конечные параметры пара;
3расход пара производственного отбора и его давление;
4тепловая нагрузка;
5расход сетевой воды;
6параметры пара после промперегрева;
7дополнительные исходные данные выбирали самостоятельно.
В результате
расчета получили показатели тепловой экономичности энергоблока. Также был
произведен выбор вспомогательного оборудования.
Литература
1.
Методические указания для выполнения расчетных работ по дисциплине
«Теплоэнергетические установки электростанций».- Мн.:1989 г.
2.
С.И. Ривкин, А.А. Александров «Термодинамические свойства воды и
водяного пара» справочник: - М.: «Энергия», 1985 г,424 с., ил.
3.
В.Я. Рыжкин, «Тепловые электрические станции». Учебник для вузов
по специальности «Тепловые электрические станции». Изд. 2-е, перераб. И доп.
М., «Энергия», 1976, 448 с., ил.
4.
М.П. Вулканович, «Таблицы термодинамических свойств воды и пара».
Изд. 2-е, перераб. и. доп. М. 1965, 397 с.