Расчет принципиальной тепловой схемы турбины К-1000-60, оценка технико-экономических показателей работы энергоблока
Введение
Принципиальная тепловая схема электростанции определяет основное
содержание технологического процесса преобразования тепловой энергии на
электростанции. Она включает основное и вспомогательное теплоэнергетическое
оборудование, участвующее в осуществлении этого процесса, и входящее в состав
пароводяного тракта электростанции.
На чертеже, изображающем принципиальную тепловую схему, показывают
теплоэнергетическое оборудование вместе с трубопроводами пара и воды (конденсата),
связывающими это оборудование в единую установку. Принципиальная тепловая схема
изображается обычно как одноагрегатная и однолинейная схема.
В состав ПТС, кроме основных агрегатов и связывающих их линий пара и
воды, входят регенеративные подогреватели высокого и низкого давления с
охладителями пара и дренажей, сетевые подогревательные установки, деаэраторы
питательной и добавочной воды, трубопроводы отборов пара от турбин к
подогревателям, питательные, конденсатные и дренажные насосы, линии основного
конденсата и дренажей, добавочной воды.
ПТС является основной расчетной технологической схемой проектируемой
электростанции, позволяющей по заданным энергетическим нагрузкам определить
расходы пара и воды во всех частях установки, ее энергетические показатели.
На основе расчета ПТС определяют технические характеристики и выбирают
тепловое оборудование, разрабатывают развернутую (детальную) тепловую схему
энергоблоков и электростанции в целом.
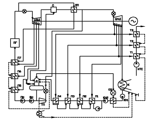
1. Тепловая схема энергоблока
2. Начальные данные
Для расчета принимаем следующие исходные данные:
P0=6
МПа; Х0=1; Рк=3.5кПа; Q=20
МВт; tпп=t0; N=1000
МВт.
Данные по состоянию пара в отборах турбины приведены в таблице 2.1.
Параметры пара в отборах турбины таблица 2.1
|
№ отбора
|
Подогреватель
|
P, Мпа
|
|
1
|
ПВД 7
|
2,87
|
|
2
|
ПВД 6
|
1,822
|
|
3
|
ПВД 5
|
1,122
|
|
31
|
Деаэратор
|
1,122
|
|
32
|
турбопривод
|
1,065
|
|
4
|
ПНД 4
|
0,582
|
|
5
|
ПНД 3
|
0,312
|
|
6
|
ПНД 2
|
0,08
|
|
7
|
ПНД 1
|
0,021
|
3. Построение процесса в hs-диаграмме
. Принимаем потери в регулирующих клапанах ЦВД - 3%, в сепараторе влаги -
2%;
. Вычисляем внутренний относительный в КПД: ЦВД - 0,77; ЦНД - 0,81.
.Уточняем давление в подогревателях:
Рпj=Pj-DР,
где DР - потери
давления в паропроводах отборов, принимаем 6 %.
. Температура воды в подогревателях:
tв=tн-dt,
где dt - температурный напор, принимаем 3
оС.
. Принимаем давление воды pf
питательным насосом:
Рв=1,30 Ро=1,30 ×6.0=7,8 МПа.
. Давление в дэаэраторе принимаем равным P=0.65МПа.
Строим процесс расширения в h-s диаграмме:
Рис.2.1 Процесс расширения в hs-диаграмме
4. Сводная таблица параметров пара и воды
|
Наименование величины
|
|
|
Точки процесса
|
|
0
|
0'
|
1(П7)
|
2(П6)
|
3(П5)
|
4(Д)
|
5(C)
|
6(ПП)
|
7(ТП)
|
8(П4)
|
9(П3)
|
10(П2)
|
11(П1)
|
12(КТП)
|
13(К)
|
|
Давление в патрубке отбора
турбины рi ,МПа
|
6.0
|
5.76
|
2.87
|
1.82
|
1.122
|
1.122
|
1.122
|
-
|
0.88
|
0.58
|
0.31
|
0.08
|
0.021
|
0.006
|
0.0035
|
|
Давление в корпусе
подогревателя рпi, Мпа
|
-
|
-
|
2.76
|
1.73
|
1.06
|
0.65
|
1.09
|
0.98
|
-
|
0.54
|
0.285
|
0.073
|
0.019
|
-
|
-
|
|
Температура пара ti
,°C и х, (если пар влажный)
|
t,C
|
-
|
-
|
229
|
205
|
182
|
162
|
183
|
275
|
275
|
155
|
131
|
90
|
59
|
-
|
-
|
|
X
|
1
|
0.995
|
0.94
|
0.92
|
0.9
|
0.9
|
0.99
|
-
|
-
|
-
|
-
|
0.995
|
0.96
|
0.91
|
0.91
|
|
Энтальпия пара в отборе
турбины hi, кДж/кг
|
2785
|
2785
|
2688
|
2640
|
2580
|
2580
|
2764
|
2996
|
-
|
2924
|
2848
|
2680
|
2536
|
2380
|
2368
|
|
Температура насыщения в
подогревателе tнi, °С
|
-
|
-
|
229
|
205
|
182
|
162
|
-
|
-
|
-
|
155
|
131
|
90
|
59
|
36
|
28
|
|
Энтальпия насыщенной водыhBнi,
кДж/кг
|
-
|
-
|
986
|
875
|
772
|
684.2
|
-
|
-
|
-
|
653
|
551
|
386
|
247
|
151.5
|
111.84
|
|
Температура дренажа за
охладителем дренажа tiдр,°C
|
-
|
-
|
205
|
182
|
162
|
-
|
-
|
-
|
-
|
131
|
90
|
62
|
59
|
-
|
-
|
|
Энтальпия дренажа за
охладителем дренажа hBiдр, кДж/кг
|
-
|
-
|
875
|
772
|
684.2
|
-
|
781
|
1197
|
|
550.6
|
377
|
255.3
|
247
|
-
|
-
|
|
Температура нагреваемой
воды после подогревателя tпi, °C
|
-
|
-
|
224
|
200
|
177
|
157
|
-
|
-
|
-
|
152
|
128
|
87
|
56
|
-
|
-
|
|
Энтальпия нагреваемой воды
после подогревателя hBпi , кДж/кг
|
-
|
-
|
962
|
852.4
|
750
|
662.4
|
-
|
-
|
-
|
641
|
538
|
364.32
|
234.35
|
-
|
-
|
|
|
|
|
|
|
|
|
|
|
|
|
|
|
|
|
|
|
|
5. Составление основных тепловых балансов для узлов и
аппаратов тепловой схемы
Расчет сепаратора-пароперегревателя.
Примем α0=1.
Рис.2.2
Схема сепаратора-пароперегревателя.
Тепловой
баланс СПП:
(2.3)
(2.4)
Расчет
ПВД
Рис.
2.3 Схема ПВД.
энергоблок турбина тепловой схема
Энтальпия
питательной воды на входе в ПВД-3(П5) определяется с учетом нагрева ее в
питательном насосе:

.
Повышение
энтальпии воды в питательном насосе:
где

-
удельный объем воды при температуре насыщения в дэаэраторе,

-
давление питательной воды 

-
давление в дэаэроторе 

- КПД
насоса, принимаем равным 0.8
Тогда
энтальпия питательной воды на входе в ПВД-3 будет равен:
Уравнение
баланса для П7:
(2.5)
Уравнение
баланса для П6:
(2.6)
Уравнение
баланса для П5:
(2.7)
Расчет
дэаэратора.
Составим
систему уравнений материального и теплового баланса:
где

- расход
выпара из дэаэратора и его энтальпия. Оптимальный расход выпара примем равным
2.5 кг на одну тонну дэаэрируемой воды. Т.О.

,

=2760
кДж/кг.
Решая
эту систему получим:
Рассчитываем
в явном виде определяющее значение расхода пара через промежуточный
перегреватель:
Определяем
значения величин выраженных через
:
Расчёт
ТП
Уравнение
мощности для насоса:
Мощность
турбопривода:
Где
- КПД насоса принимаем равным
=0.8;
-
механический КПД турбины
= 0.99;
-
удельный объем воды м3/т;
Расчет
сетевой установки.
Расход
сетевой воды на ТЭС:
Gсв = Qт
/(с × Dt) = 72× 103 / (4,19 × (140-70)) = 245.5 т/ч,
где
Dt -
разность температур сетевой воды в подающей и обратной магистрали,
с
- теплоемкость воды,
с
= 4,19 кДж/(кг × °C),
Qт - общая
тепловая нагрузка
Qт =72 ГДж/ч.
Определение
температуры t1 и t2
t1 = t6 - 
=90 -
4=86
t2 = t5 - 
= 131- 4
= 127
t3 = t4 - 
= 155 - 4
= 151
Определение
температуры, давления и энтальпии насыщенного пара, идущего на сетевые
подогреватели:
t1он = 90°С;
t2он = 131°С;
t3он = 155 °С;
по
[3] определяются давления пара в корпусе подогревателя по найденным t1он,
t2он ,t3он:
р1о
= 0.07 МПа,
р2о
= 0, 278 МПа.
р3о
= 0, 54 МПа.
пo h,s-диаграмме определяются энтальпии:
h6 = 2680
кДж/кг,
h5 = 2848
кДж/кг.
h4 = 2924
кДж/кг.
Энтальпии
конденсата греющего пара находятся по [3]:
h1ок =
386 кДж/кг,
h2ок =
551 кДж/кг.
h3ок =
653.3 кДж/кг.
Уравнение теплового баланса третьего сетевого подогревателя:

=
=11.03т
/ч
Уравнение
теплового баланса второго сетевого подогревателя:

=
=17.56т/ч
Уравнение
теплового баланса первого сетевого подогревателя:

=
=5.8т /ч
Составление
теплового баланса для подогревателей низкого давления. 5.6.1 Расчет П4.
Составим
уравнения теплового баланса для П4:

;
Откуда
находим:
Расчет
П3.
Составим
уравнения теплового баланса для П3:

;
Откуда
находим:
0.05
Расчет
П2
Составим
уравнения теплового баланса для П2:

;
Откуда
находим:
Расчет
П1
Составим
уравнения теплового баланса для П1 и См:
Откуда
находим:
,
и 
Контроль
материального баланса пара и конденсата.
Пропуск
пара в конденсатор главной турбины:
Поток
конденсата из главной турбины:
Погрешность
сведения материального баланса пара и конденсата
,что
допустимо.
Определим
расход пара на отдельные отборы:
Сводная
таблица материального и теплового баланса.
|
Номер отбора
|
Величина потока,кг/с
|
Используемый в потоке
теплоперепад, кДж/кг
|
Внутренняя мощность потока,
МВт
|
|
1
|
79.5
|
97
|
7.7
|
|
2
|
83.2
|
145
|
12.6
|
|
3
|
48.8
|
205
|
10
|
|
Дэаэратор
|
11.7
|
205
|
2.4
|
|
Сепаратор
|
112.1
|
205
|
22.9
|
|
Турбопривод
|
30.75
|
205
|
6.3
|
|
Перегреватель
|
166.4
|
-
|
-
|
|
4
|
61.4
|
277
|
17
|
|
5
|
95.27
|
353
|
33.6
|
|
6
|
70.3
|
521
|
36.6
|
|
7
|
39.8
|
665
|
26.5
|
|
К
|
1025.7
|
821
|
842.1
|
|
Σ
|
1806
|
|
987.7
|
Суммарная мощность потоков пара в турбине ΣΝi
= 987.7МВт. Расхождение
с предварительно заданной мощностью составляет 0,77% < 1 %.
6. Определение технико-экономических показателей
энергоустановки
. Расход тепла турбогенераторной установки:
.
Удельный расход пара на турбину:
3.
Расход теплоты на выработку электроэнергии :
.
Удельный расход теплоты на выработку электроэнергии:
.
КПД по выработке электроэнергии:
.
Абсолютный КПД турбоустановки:
.
Тепловая нагрузка парогенератора:
.
КПД транспорта теплоты второго контура:
9.
КПД АЭС брутто:
.Тепловая
мощность реактора:
.Удельный
расход выгоревшего ядерного топлива:
.Годовая
потребность в ядерном топливе:
7.
Выбор основного и вспомогательного оборудования
1. Питательные насосы выбираем на подачу
питательной воды при максимальной мощности установки с запасом 5 %:
Gпн=1,05
Gпв=1,05×6512=6838 т/ч. (7.1)
Выбираем два питательных турбонасоса 50 % производительности с одним
резервным на складе типа ПНТ-3750-100.
2. Конденсатные насосы выбираем по
максимальному расходу пара в конденсатор с запасом:
Gкн=1,2
Gк=1,2×3690=4428 т/ч. (7.2)
Выбираем два рабочих насоса 50 % производительности и один резервный типа
КСВА-2200-120.
3. Подогреватели высокого давления в
количестве четырёх штук типа ПВ-2500-97-18-А.
4. Сетевые подогреватели
Производительность подогревателей сетевой воды выбирается по величине
тепловой нагрузки Qсп. Исходя из
величины тепловой нагрузки, по уравнению теплопередачи определяется необходимая
поверхность теплообменника сетевого подогревателя:
F = Qсп ×103 / k /Dtcp
где Qсп - тепловая нагрузка сетевого
подогревателя, МВт:
Qсп = Qт / 3 = 20 / 3 = 6.67МВт;
k -
коэффициент теплопередачи в сетевом подогревателе, кВт/м2×°С:
k =
3,5 кBт/м2×°C;
Dtcp - средняя логарифмическая разность температур, °С:
Dtcp1 = Dt / ln ((Dt1 + dtсп) /dtсп) = 16 / ln ((16+4) / 4) = 9.94 °C,
Dtcp2 = Dt / ln ((Dt2 + dtсп) /dtсп) = 41 / ln ((41+4) / 4) = 16.9 °C
Dtcp1 = Dt / ln ((Dt3 + dtсп) /dtсп) = 24 / ln ((24+4) / 4) = 12.33 °C
где Dt -
нагрев сетевой воды в сетевом подогревателе, °С:
Dt1 = t1-to6p=86-70=16°C.
Dt2 = t2-t1=127-86=41°C
Dt3 = t1-to6p=151-127=24°C1 = 6.67 *103/ 3,5 / 9.94 = 191.7м3.
F2 =
6.67 *103/ 3,5 / 16.9 = 112.8м3.
F3 =
6.67 *103/ 3,5 / 12.33 = 154.6м3.
В качестве ПСВ-1 и ПСВ-3 по поверхности теплообмена и давлению греющего
пара принимаем к установке сетевой подогреватель типа ПСВ-200-7-15;в качестве
ПСВ-2 принимаем подогреватель типа ПСВ-125-7-15.
Выводы
В курсовом проекте произведён расчёт принципиальной тепловой схемы
турбины К-1000-60, выбор основного и вспомогательного оборудования и
произведена оценка технико-экономических показателей работы энергоблока.
На основании проделанной работы можно сделать выводы о работе
энергоблока: КПД турбоустановки получили равный 0,305.
Литература
1. Рыжкин В.Я. Тепловые электрические станции. -- М:
Энергоатомиздат, 1987 - 448 с.
. Методические указания для выполнения расчётных работ по
дисциплине "Теплоэнергетические установки электростанций".-Минск,
1989.- 43с.
. С.Л. Ривкин, А.А. Александров " Термодинамические
свойства воды и водяного пара. Справочник".-М.: Энергоатомиздат, 1984.- 80
с.
. "Паровые и газовые турбины. Курсовое
проектирование." А.М. Леонков.- М.: Минск “Вышэйшая школа”, 1986.-182с.