Дослідження системи контролю ожеледе-паморозевих відкладень на проводах електричних мереж та способів їх усунення
АНОТАЦІЯ
Розглянуто задачу попередження виникнення
ожеледних аварій на повітряних лініях електропередачі. З цією метою на найбільш
аварійно-небезпечних ділянках встановлюються автоматичні пости контролю
ожеледного навантаження і метеопараметрів, дані з яких використовуються для
прогнозування утворення ожеледі. Запропоновано нейромережевий метод для такого
прогнозування, його робота опробувана на реальних даних.
АННОТАЦИЯ
Рассмотрена задача предупреждения возникновения
гололедных аварий на воздушных линиях электропередачи. С этой целью на наиболее
аварийно-опасных участках устанавливаются автоматические посты контроля
гололедной нагрузки и метеопараметров, данные с которых используются для
прогнозирования гололедообразования. Предложен нейросетевой метод для такого
прогнозирования, его работа испытана на реальных данных.
THE SUMMARY
problem of prevention of faults
caused by overhead power line glazing is considered. With this purpose, in the
most fault-prone areas, automatic monitoring posts for glaze loads and
meteorological parameters are installed the data of which are used to predict
glazing. A neural network method for such prediction is proposed and has been
tested on real data.
РЕФЕРАТ
Магістерська робота складається з
розрахунково-пояснювальної записки, виконаної машинописним способом на 99
аркушах формату А4, яка вміщує 5 розділів, 4 таблиць, 19 рисунків, 24
найменування використаних джерел і презентаційного матеріалу на 13 аркушах.
Метою магістерської роботи є
розробка математичної моделі прогнозування ожеледе-паморозевих відкладень (ОПВ)
і автоматизованої системи прогнозування аварійних ситуацій внаслідок утворення
ожеледі на повітряних лініях електропередачі на основі нейронних мереж.
В процесі виконання магістерської
роботи використовувались спеціалізовані архітектури штучних нейронних мереж на
базі гібридних нейроподібних елементів, моніторинг ожеледно-вітрових і
температурних навантажень повітряних ліній електропередачі, програмне
забезпечення системи виявлення та плавки ожеледі на ПЛ 10-500 кВ.
В результаті проведених лабораторних
досліджень ми змогли з високою точністю спрогнозувати динаміку ожеледного
навантаження на ЛЕП. Винахід може бути використаний
для безперервного контролю навантаження на проводах ліній електропередачі від
ожеледі.
Таким чином, завдяки даній системі,
у диспетчера з'являється можливість контролю температури і вологості повітря,
вагового навантаження на провід в режимі реального часу.
Ключові слова:
ОЖЕЛЕДЕ-ПАМОРОЗЕВІ
ВІДКЛАДЕННЯ, МАТЕМАТИЧНА МОДЕЛЬ ПРОГНОЗУВАННЯ, НЕЙРОННІ МЕРЕЖІ, АВТОМАТИЗОВАНА
СИСТЕМА ПРОГНОЗУВАННЯ.
ЗМІСТ
ВСТУП
1. АНАЛІЗ
СУЧАСНОГО СТАНУ ПРОБЛЕМИ ЗАХИСТУ ПОВІТРЯНИХ ЛІНІЙ ЕЛЕКТРОПЕРЕДАВАННЯ ВІД
ОЖЕЛЕДІ
1.1 Актуальність теми
.2 Аналіз існуючих методів
боротьби з ожеледю
.3 Аналіз моделей прогнозування
та пристроїв контролю ожеледі
Висновок
. МАТЕМАТИЧНА МОДЕЛЬ
ПРОГНОЗУВАННЯ НАВАНТАЖЕННЯ ВІД ОЖЕЛЕДІ НА БАЗІ НЕЙРОННИХ МЕРЕЖ
.1 Задачі моніторингу
повітряних ліній в районах з високою інтенсивністю відкладення ожеледі
.2 Прогнозування ожеледного
навантаження на базі нейронних мереж
.3 Архітектура мережі на базі
гібридних нейроподібних елементів
Висновок
. ПОБУДОВА СИСТЕМИ МОНІТОРИНГУ
НАВАНТАЖКННЯ ВІД ОЖЕЛЕДІ НА ПОВІТРЯНИХ ЛІНІЯХ ЕЛЕКТРОПЕРЕДАВАННЯ
.1 Розробка структурної схеми
системи контролю ожеледі
.2 Програмно-апаратна частина
системи контролю ожеледі
.3 Використання за призначенням
системи контролю ожеледі
. ДОСЛІДЖЕННЯ СПОСОБІВ ТА
ТЕХНІЧНИХ ЗАСОБІВ ЗАХИСТУ ПОВІТРЯНИХ ЛІНІЙ ВІД ДІЇ ОЖЕЛЕДЕ-ПАМОРОЗЕВИХ
ВІДКЛАДЕНЬ
.1 Електротепловий спосіб
запобігання утаорення ОПВ
.2 Боротьба з ОПВ на проводах
ПЛ на основі явища скін-ефекту
Висновок
. ОХОРОНА ПРАЦІ ТА БЕЗПЕКИ В
НАДЗВИЧАЙНИХ СИТУАЦІЯХ
ЗАГАЛЬНІ ВИСНОВКИ ПО РОБОТІ
СПИСОК ВИКОРИСТАНИХ ДЖЕРЕЛ
ДОДАТКИ
ВСТУП
Магістерська робота присвячена
науковому обгрунтуванню основних технічних і технологічних рішень автора,
спрямованих на підвищення надійності, забезпечення енергобезпеки та
вдосконалення управління роботи електроенергетичних систем в екстремальних
погодних умовах.
Актуальність роботи. Робота
присвячена розробці програмних і технічних засобів щодо забезпечення надійного
і безперебійного енергопостачання споживачів. Ця мета не буде досягнута без
підвищення надійності функціонування електроенергетичних систем, особливо в екстремальних
умовах, у тому числі взимку при виникненні інтенсивних ожеледно - вітрових
впливів і влітку при високій температурі повітря, обмежує передачу потужності
по лініях електропередачі. Підвищення надійності можливо в даний час шляхом
комплексного використання нових інформаційних технологій.
Відкладення на проводах повітряної
лінії (ПЛ) у вигляді ожеледі, мокрого снігу з наступним його замерзанням є
одним з найбільш важких природних факторів, що призводять до перерв в
енергопостачанні, втрат матеріальних і фінансових ресурсів в Україні.
У світовій практиці на сьогодні є
достатньо пропозицій щодо захисту ПЛ всіх класів напруги від ожеледяно-вітрових
аварій, які можна класифікувати по виду і характеру використовуваної енергії на
тепловий фізичний, хімічний, механічний. Застосування того
чи іншого способу в кожному конкретному випадку має бути економічно виправдано.
На жаль, аналіз стану організації розробок і
впровадження нових ефективних способів боротьби з
ожеледяно-вітровими аваріями на сьогодні в Україні показав,
що галузь не використовує наявні напрацювання в цій галузі.
Фактично повністю відсутня відомча служба
оперативного та прогнозного моніторингу метеорологічних параметрів
навколишнього середовища, що виключає впровадження автоматизованої підсистеми
оперативного управління в умовах появи ожеледяно-вітрових аварій, а це, у свою
чергу, значно знижує ефективність попереджувальних заходів включаючи плавку на
проводах ПЛ всіх класів напруги.
Мета та
завдання
дослідження.
Метою магістерської роботи є розробка
математичної
моделі прогнозування ожеледе-паморозевих відкладень (ОПВ)
і автоматизованої
системи прогнозування аварійних ситуацій
внаслідок утворення ожеледі на повітряних лініях електропередачі на
основі
нейронних
мереж.
Для досягнення
сформульованої мети необхідно
розв'язати наступні задачі:
- проаналізувати сучасний стан
захисту повітряної лінії від ожеледі;
створення та впровадження
математичних моделей ожеледного навантаження;
розробити структурну схему та
програмно-апаратну частину автоматизованої системи контролю ожеледі;
запропонувати способи та технічні
засоби з ОПВ;
розробити заходи з охорони праці та
безпеки в надзвичайних ситуаціях.
Для вибору того чи іншого способу
захисту від ожеледяно-вітрових аварій, розробки і впровадження нових способів і
технічних засобів, недостатньо тільки оцінки їх економічної ефективності. У
зв'язку з цим в даній роботі нами розкривається «сутність» ожеледяно-вітрових
аварій, механізм його утворення, обгрунтовуються технічні та метеорологічні
параметри, існуючі способи боротьби, а також формулюються загальні принципи
побудови автоматизованих телеметричних систем контролю процесу утворення
ожеледі на основі штучних нейронних мереж.
Практичне значення одержаних
результатів. Застосування
мережі на базі гібридних нейроподібних елементів у поєднанні з генетичним
алгоритмом для оптимізації її структури дозволило з високою точністю
спрогнозувати динаміку ожеледного навантаження на ЛЕП, що підтверджено
експериментальною перевіркою на реальних даних.
Публікації. Основні результати
досліджень були опубліковані в 1 тезі доповіді на студентській
науково-практичній конференції "проблеми енергозабеспечення та
енергозбереження в АПК України" (Харків, ХНТУСГ, 2013р.).
1. АНАЛІЗ СУЧАСНОГО
СТАНУ ПРОБЛЕМИ ЗАХИСТУ ПОВІТРЯНИХ ЛІНІЙ ЕЛЕКТРОПЕРЕДАВАННЯ ВІД ОЖЕЛЕДІ
.1 Актуальність теми
електропередавання ожеледь повітряний лінія
Процес утворення ожеледі. Вітер
наносить мокрий сніг на вітряну сторону проводу. В результаті несиметричного
навантаження провід починає повертатися. Вільна від снігу частина поверхні
проводів знаходиться тепер на вітряній стороні і процес знову повторюється,
провід знову провертається [1]. Так відбувається доти, поки муфта ожеледі не
замикається (рис. 1.1). Після замикання першої муфти весь процес повторюється.
В результаті товщина льодяної муфти може виявитися більшою діаметра проводу і
досягати 75 -200 мм.
Рисунок 1.1
Динаміка (а) та види (б) утворення муфти ожеледі на проводі з часом
Повітряні лінії електропередавання (ПЛ) працюють
в умовах впливу на них численних експлуатаційних і метеорологічних факторів.
Найбільш небезпечними є екстремальні метеорологічні впливи у вигляді сполучень
ожеледних та вітрових навантажень на проводи та грозотроси ПЛ.
Наявність ожеледі на проводах і тросах
повітряних ліній електропередачі (ЛЕП) викликає додаткові механічні
навантаження на всі конструктивні елементи повітряної лінії. Великі відкладення
можуть призводити до обриву проводів і тросів, руйнування арматури, деформації
і падіння опор лінії. Оскільки відкладення ожеледі по фазним проводам звичайно
відбувається нерівномірно, то стріли провису стають неоднаковими, що призводить
до додаткових механічних навантажень і часто викликає схлистання проводів і
тросів, особливо під час опадання ожеделі. Наявність ожеледі також є однією з
причин так званої „пляски проводів”, яка може викликати важкі аварії на ЛЕП.
Наведемо декілька прикладів аварій в
системах НЕК «Укренерго». Внаслідок
сильної ожеледі, що супроводжувалась поривами вітру, сталася найбільша для
України природна катастрофа за останнє сторіччя, що паралізувала діяльність
майже п'яти тисяч населених пунктів 12 областей України (27 - 28.11. 2000 р.).
Товщина стінки ожеледі досягала 200 мм. Було пошкоджено 5 повітряних ліній (ПЛ)
750 кВ, 12 ПЛ 330 кВ, одна міждержавна ПЛ 110 кВ і знеструмлена підстанція 330
кВ "Котовська" (повністю або частково зруйновано 54 металевих опори
750 кВ, 245 залізобетонних і металевих опор 330 кВ і 141 залізобетонна опора
110 кВ, розірвані троси і проводи, зруйновані гірлянди ізоляторів та ін.).
Загальний збиток для НЕК „Укренерго” становив більше 68 млн грн.
Внаслідок погіршення погодних умов,
сильної ожеледі, покриття льодом проводів ліній електропередачі на території
Овруцького району (11.01.2010 р.) сталося пошкодження 4 ЛЕП-110 кВ, 5 ЛЕП-35
кВ, 30 ЛЕП-10 кВ, відключено 450 трансформаторних підстанцій (ТП) 0,6-10 кВ,
пошкоджено 85 опор, відключено від електропостачання 156 населених пунктів.
У Кримській електроенергетичній
системі в районі м. Красноперекопська (18.12.2009 р.) створилися складні
метеорологічні умови, що супроводжувалися утворенням ожеледі на проводах ПЛ.
Спостерігалось інтенсивне галопування проводів. Через це були зруйновані скоби
вузлів кріплення (типу ПВС-330 АМ), зруйновані 16 металевих проміжних опор
(типу ЦП-25И).
На ПЛ 330 кВ Каховська-Островська у
прогоні опор товщина ожеледної муфти становила близько 100 мм на проводах і
більше 50 мм -натросах, опорах, конструкціях опор, ізоляторах (рис. 1.2).
а б
в г
Рисунок 1.2 Приклад аварій,
спричинених відкладанням ожеледі:
а - руйнування траверси фази С; б, в
- руйнування проміжної опори ПЛ 330 кВ; г - муфта ожеледі на проводі
Такі впливи є випадковими метеорологічними
явищами, які, як правило, одночасно охоплюють великі райони, мають масовий
характер і тому приносять значні матеріальні збитки.
1.2 Аналіз існуючих методів боротьби
з ожеледю
Методи і шляхи боротьби з ожеледдю.
Нині енергетиками розроблено ряд комплексних заходів щодо боротьби з ожеледдю,
в основу яких покладено плавлення ожеледі. Вона дозволяє видалити ожеледь на
десятках кілометрах лінії протягом
0,5 - 1 год, попередити небезпечні перевантаження і галопування проводів[2].
Схеми плавлення ожеледі повинні бути простими і надійними. Плавлення можна
виконувати як на змінному струмі, так і на постійному, що визначається на
основі техніко-економічних розрахунків, наприклад методом порівняння.
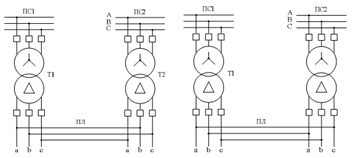
Плавлення ожеледі коротким
замиканням змінним струмом. При плавленні таким способом лінія, що
обігрівається, замикається з одного кінця, а з іншого до неї підводиться
напруга, достатня, щоб забезпечити протікання проводами необхідного для плавки
струму [4]. Плавлення може проводитись за способом: трифазного, двофазного або
однофазного короткого замикання (к.з) за схемою «змійка».
Найпростішим із них є метод
трифазного к.з. (рис.1.3)
Рисунок 1.3 Схема плавлення ожеледі
за методом трифазного короткого замикання
Переваги: простота і швидкість
складання та збирання. Недоліки: неможливість безперебійного електропостачання
споживачів.
Спосіб зустрічного вмикання фаз.
Полягає в тому, що на одному кінці проводу лінії, що обігрівається,
приєднуються до фаз А, В, С, а на другому - відповідно до фаз В, С і А або С, А
і В. Таким чином, на лінію подається не фазна, а лінійна напруга (рис 1.4).
Переваги: дозволяє збільшити довжину
ліній, на яких відбувається плавлення, на 70 % або збільшити струм плавлення;
можливе одночасне живлення споживачів. Недоліки: спосіб неможливий, якщо між
лініями, що розміщені між сусідніми підстанціями, немає зв'язку по лініях
високої напруги.
Плавлення шляхом перерозподілу
навантажень. Досягається шляхом: а) підвищення навантаження станцій, що
передають енергію через лінію, що обігрівається; б) підвищення навантаження
підстанцій шляхом перемикання в мережі нижчої напруги; в) відключення частини
лінії, в результаті чого збільшується потужність, що передається. Переваги:
можливість безперебійного постачання електроенергії; відсутні затрати на
придбання додаткового обладнання. Недоліки: доцільно застосовувати лише при
профілактиці ожеледеутворення.
Рисунок 1.4 Схеми плавки ожеледі за
способом зустрічного вмикання фаз
Метод резонансу струмів. При цьому
методі на робочий струм накладають додатковий струм, створений у контурі,
частиною якого є лінія, що обігрівається. Для цього в контур вмикають джерело
електрорушійної сили (ЕРС), величина і фаза якого підбирається таким чином, щоб
збільшити струм до необхідного значення (рис.1.5). Використовують
вольтододаткові трансформатори (ВДТ), що регулюють величину поздовжньої і
поперечної ЕРС, тим самим забезпечуючи оптимальний режим плавлення.
Переваги: можливість безперебійного
електропостачання. Недоліки: складна схема; необхідність додаткового
обладнання.
Плавлення постійним струмом. За
таким способом використовують спеціальні установки, виконані на базі
некерованих мостових випрямлячів або керованого шестиполюсного випрямляча [5].
Для першого випадку можлива лише дискретність у виборі струму плавки, другий
має ряд переваг: можливість плавного регулювання струму плавлення, підвищується
оперативність плавлення, полегшується робота комутаційних пристроїв.
а б
Рисунок 1.5 Схеми плавлення ожеледі
методом включення ЕРС у контур: а - при паралельних лініях; б - при кільцевій
мережі
Використовують схеми: «змійка»,
«провід - провід», «провід - два провода» і «провід - земля».
Наведені методи та шляхи боротьби з
ожеледдю не вичерпують всі існуючі рішення цієї проблеми. Так, нині в окремих
випадках використовують (починають використовувати) проводи складної
конструкції типу АЕГСО-2 (Мехапз, Бельгія), що мають 2-подібні зовнішні витки.
Така будова забезпечує високу крутильну жорсткість та низький вплив вітрових
навантажень на проводи, і, як результат, зменшення впливу ожеледі.
.3 Аналіз моделей прогнозування та
пристроїв контролю ожеледі
Моделі прогнозування
Показано, що швидкість наростання
відкладення залежить від виду відкладення і майже не залежить від тривалості
ожеледі. Між швидкістю наростання, масою і тривалістю ожеледеутворення отримані
прості і множинні кореляціїційні рівняння. Значення швидкості наростання і
тривалості ожеледі необхідні для вирішення питань оптимізації трансформаторної
потужності й вибору типу плавки ліній.
Для розробки заходів по боротьбі з
обмерзанням проводів необхідно знати деякі метеорологічні параметри, характерні
для даного району електричних мереж. До таких факторів, крім товщини стінки
ожеледі, щільності відкладення, швидкості вітру і температури повітря,
відносяться швидкість наростання відкладення в часі і тривалість обмерзання.
Інтенсивне ожеледеутворення може
призвести до того, що при існуючих схемах плавки не вдасться провести видалення
відкладення на ряді ліній. У результаті на проводах з'являються відкладення
критичної величини, що призводять до ожеледно-вітрових аварій.
При малій інтенсивності наростання
відкладень в районі можна використовувати дешевші схеми плавки.
Основою для визначення інтенсивності
та тривалості ожеледі на проводах ліній електропередавання являються дaні з
мeтeocтaнцій.
Середня за період швидкість
наростання відкладення знаходиться:
, (1.1)
де 
- маса ожеледного відкладення на
проводі ПЛ, г/м;
Т - тривалість наростання відкладення.
Маса відкладення на проводі
дорівнює:
, (1.2)
де 
- коефіцієнт перерахунку маси
відкладення з проводу ожеледного верстата на провід лінії;

- маса ожеледного відкладення на
верстаті, г/м.
Якщо відома маса осаду з
одного метра ожеледного верстата, то товщина стінки наведеного ожеледі
визначається за відомою формулою [1.1]:
, (1.3)
де
- діаметр проводу ожеледного
верстата, мм.
Товщина стінки наведеного ожеледі на
проводі ПЛ дорівнюватиме:
, (1.4)
де 
- коефіцієнт перерахунку товщини
стінки ожеледі з верстата на лінію.
З виразу (1.3), підставляючи d=5
хв, отримуємо:
, (1.5)
Приймаючи середній діаметр проводу,
підвішеного на ПЛ-10 кВ, рівним 10
мм, із (1.3) отримуємо:
, (1.6)
Підставляючи в (1.2) значення
маси ожеледних відкладень (1.5) і (1.6) та враховуючи (1.4), отримуємо:
, (1.7)
Коефіцієнт Kв
[6], починаючи з товщини стінки наведеного ожеледного відкладення на верстаті 4
мм, приймається рзвним 1,65, якщо відкладення утворено при мрячки або тумані, і
1,35, якщо відкладення утворено при переохолодженому дощу або мокрому снігу. Ці
коефіцієнти покладені в основу визначення товщини стінки ожеледі і швидкості
наростання відкладення.
Для кожного виду відкладення були
обчислені середньоквадратичне відхилення, математичне сподівання, початкові і
центральні моменти до 4-го порядку, наведені в табл. 1.1.
Таблиця 1.1
Основні статистичні характеристики
швидкості наростання ожеледно-паморозевих відкладень
Отримані частотні розподіли для всіх видів
відкладень апроксимувались аналітичними виразами. Для апроксимації були обрані
розподіли Релея, логарифмічно-нормальний розподіл, гамма-розподіл і криві
Пірсона [7].
Були отримані також кореляційні рівняння між
цими величинами. Коефіцієнти рівнянь знаходились
за способом найменших квадратів. В якості кореляційних рівнянь
використовувалися поліном другого ступеня і кореляційні рівняння ступеневого,
показового і логарифмічного типу. Найкращий
зв'язок між швидкістю наростання, масою і тривалістю ожеледі дають кореляційні
рівняння другого порядку. Рівняння регресії наведено в табл. 1.2.
Таблиця 1.2
Кореляційні рівняння між швидкістю
наростання, масою і тривалістю відкладення
Швидкість наростання ожеледне-паморозевих
відкладень залежить від виду відкладень. Найбільша швидкість їх утворення
спостерігається при мокрому снігу. Величина швидкості наростання залежить від
маси відкладення і майже не залежить від тривалості ожеледі.
Пристрої прогнозування
Основними при ожеледі є процеси кристализации
води і сублімації водяної пари з повітря, причому один з них - переважаючий в
конкретній метеорологічній
ситуації. Головна причина відкладення ожеледі на поверхнях укладена в
кристалізації переохолоджених крапель дощу, мрячки або туману. Швидкість
наростання шару льоду (інтенсивність) залежить від темпераури повітря і
поверхні, на яку осідають краплі, їх розмірів, вологовмісту води в одиниці
об'єму, швидкості і напряму вітру.
Складність процесу ожеледі є основою причиною
відсутності достатньо надійних методів і засобів його короткострокового
прогнозу.
У СРСР і за кордоном досить масштабно
проводилися дослідження з вивчення впливу різних факторів на процес утворення
ожеледі, їх фізико-хімічного
зв'язку і закономірності для отримання емпіричних рівнянь можливого утворення
ожеледі з певним ступенем ймовірності настання події. Такий підхід був
викликаний відсутністю достатньо надійних динамічних моделей.
Інший напрям робіт - створення за результатами
досліджень апаратури короткострокового прогнозу ожеледі. Першим етапом її було
виготовлення пристроїв попереджувальної сигналізації появи
ожеледиці (СПО) .
В основу цього напрямку покладено дані при
граничних умовах метеопараметрів,
які з імовірністю 0,9 дозволяють визначати виникнення ожеледиці (температура
повітря від -8°С до + 0,5°С, відносна його вологість - більше 80%, швидкість
вітру - менше 10 м/с). СПО
автоматично їх вимірює, порівнює із заданими уставками в точках настройки, а
при збігу видає сигнали «Можлива
ожеледь». Для реєстрації початку утворення ожеледне-паморозевих
відкладень в сигналізаторі передбачений датчик, опитування якого здійснює видачу
сигналу «Можлива ожеледь». При
наявності на датчику навіть малих відкладень льоду видається сигнал «Ожеледь».
Виходом сигналізатора є контакти відповідного реле з допустимим навантаженням
на контактах до 2 А постійного струму
при напрузі комутованій ланцюга 30 В
і до 0,3
А
при змінній напрузі 250 В активного
навантаження.
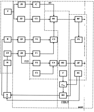
Сигналізатор конструктивно розділений на блок
датчиків ( БД) , що складаються з датчиків температури (Т), відносної вологості
повітря (В) та ожеледиці (О), блоку виявлення утворення
ожеледі (БВУО). Він призначений
для вироблення системи команд опитування датчиків, нормування та порівняння
електричних сигналів з них, а також для видачі результуючих сигналів «Можлива
ожеледь» і «Ожеледь». У блоці виявлення та утворення
ожеледі по каналу вітру передбачена стиковка з сигнальним анемометром М-95М-2.
Обидва датчика з'єднані кабелем довжиною 30
м.
Сигналізатор працює від мережі змінного струму з напругою 220
В
(споживана потужність не більше 20 ВА)
в автоматичному режимі. Час опитування датчиків - 10
хв,
міжопитувалбний час - 50
хв,
протягом якого датчики відключені.
Діапазон настройки і похибка відпрацювання в
точках уставки сигналізатора становить по температурі повітря від -15°С до +5
°С (± 0,8 °С), відносної вологості повітря - від 70 до 100% ( ± 5%), час
відпрацювання сигналізатора при зміні температури і вологості повітря - не
більше 5
хв,
в умовах природного обдування повітряним потоком зі швидкістю не менше 0,3
м/с.
БВУО
зібраний за функціонально - блоковим принципом і містить, крім блоку джерела
стабілізованого живлення електричних схем ( БЖ ) плати; «дільник» (ПД),
«температура» (ПТ), «вологість - ожеледь» (ПВГ), «час - логіка» (ПВЛ), «реле»
(ПР).
Плата «дільник» лінеарізірує
сигнали, що надходять від датчиків температури, вологості, ожеледі, а також
регулює опорні напруги на плати ПТ і ПВГ. Плата «температура» зібрана на двох
операційних підсилювачах С1 і С2, що працюють в компараторних
режимах, де порівнюється напруга, що надходить зі схеми вимірювання
температури, і напруга уставок приладу, відповідних верхньому і нижньому
діапазону спрацьовування по температурі. Плати «вологість - ожеледь» забезпечує
порівняння напруг датчиків В і ГР з напруженнями уставок та отримання логічних
сигналів «О», «1». Вона містить два ідентичних канала,
кожен з яких складається з фазочутливих
детектора, зібраних на
підсилювачах VI і V2, генераторів опорної фази П і Г2, суматорів СЗ, С4. Фазочутливі
підсилювачі зміщують фазу вихідного сигналу на 180° при перевищенні рівнів
напружень уставок по вологості, генератори виробляють позитивні імпульси
опорної фази з частотою, що відповідає частоті вихідних сигналів підсилювачів.
Суматори складають їх вихідні і сигнали генераторів.
Т - датчик температури повітря; В - датчик
відносної вологості повітря; ГР - датчик ожеледі; Н - нагрівач; БЖ
- блок живлення; Д1 - Д4 - дільники;
CI, С2 - операційні підсилювачі; У1, У2 - фазочутливі підсилювачі; Г1, - генератор
опорної фази; СЗ, С4 - суматори; И1 - ІЗ - логічні елементи; Г - генератор
секундних імпульсів; Сч - лічильник; ВГ - сигнальне реле «Можлива ожеледь»; Р1
- виконавче реле включення нагрівача; ГД - сигнальне реле «ожеледь»; Р2 - реле
включення живлення датчиків.
Датчики вологості та ожеледі працюють на
змінному струмі для виключення їх поляризації. Плата «час - логіка »
функціонально складається з електронного лічильника, що представляє собою
генератор секундних імпульсів Г, лічильник С і формувач команд, що складається
з логічних елементів «І - АБО ».
Вихідні сигнали електронного лічильника -
імпульси тривалістю 1 хвилина і 10 хвилин. Перші імпульси забезпечують роботу
сигналізатора один раз на годину, впливаючи на реле Р2, при спрацьовуванні
якого отримують живлення датчики та виконавчі реле. Імпульс тривалістю 1
хвилина включає нагрівальний елемент датчика ожеледі в повторно -короткочасному
режимі (1 хвилина - нагрів, 1 хвилина - пауза, для уникнення перегріву
датчика), після відпрацювання сигналу «Можлива ожеледь».
У останньої модифікації пристрою СУО-4
застосований модернізований датчик ожеледі, в якому для підвищення чутливості і
точності визначення початку утворення ожеледі на поверхні використано нове
вологочутлива речовина - суміш полиакрилонитрила з полівініловим спиртом. На
відміну від попередніх, новий датчик містить електроди з нержавіючої сталі або
титану, термодіод КД 102 А, закріплений в один з електродів, і корпус з
опорами, на які встановлено пластини електродів. Такий датчик дозволяє не
тільки підвищити точність, але й отримати кількісну інформацію про товщину шару
льоду. Вся ця конструкція, залита епоксидною смолою, є чутливий елемент ЧЕ
нового датчика, до якого з нижньої сторони корпусу на термопровідній
пасті приклеюється твердотілий мікрохолодильник, або нагрівальний
термотранзистор КТ819Г.
Характеристики ДО
були досліджені на тривалість дії підвищеної вологості і температури, сонячної
радіації, а також на циклічний вплив сконденсованої вологи у вигляді роси та
ожеледі в спеціально розробленому стенді.
Технічна характеристика датчика ожеледі:
електроди - нікель, титан, нержавіюча сталь; міжелектродний зазор - 0,8
мм;
напруга живлення нагрівача - 12 ... 25 В
постійного струму, чутливого елемента -0,5 В
змінного струму з частотою 50 ... 1000 Гц; час розтоплення 0,5
мм
шару льоду на поверхні - не більше 5 хв.
Принцип роботи ДО
полягає в наступному: при наявності на поверхні ОПВ (не води) його опір складає
більше 60 кОм. Плавлення
льоду (підігрів включений) при відпрацюванні реле «Можлива ожеледь» зменшує
опір датчика стрибком до 10 кОм, що і
фіксується схемою порівняння каналу ожеледі
в БВУО.
Рисунок 1.6 Блок-схема сигналізатора
ожеледі
У ситуації, коли метеоумови
відповідають можливості утворення ожеледі, а він відсутній на поверхні ДГ, його
опір зростає до сотень кОм. У цьому випадку сигналізатор по каналу «ожеледь» не
відпрацьований. Таким чином попереджувальна сигналізація про можливість і
початок ожеледі дозволяє підвищити ефективність застосування заходів по
боротьбі з цим небезпечним явищем.
Сигналізатор ожеледі має високу
чутливість спрацьовування, зручний у монтажі та експлуатації завдяки уніфікації
конструкції, малими габаритними розмірами і масою.
До сучасних засобів контролю і
попередження ОПВ слід віднести і автоматичні метеорологічні станції, що мають
наступні технічні характеристики:
температура:
діапазон внутрішній: від 0°С
-
+50°С, зовнішній: від -40°С -
+60°С, дозвіл: 0,1°С, можлива установка тригера, час вимірювання: 10
с.;
відносна вологість:
вимір відносної вологості всередині
і поза приміщенням, діапазон: від
10% до 97%. Можлива установка тригера, дозвіл
1%, час
виміру:
10
с.;
тиск:
вимір абсолютного атмосферного тиску
або тиску щодо рівня моря, діапазон: від 795 мбар до 1050 мбар, піктограма
прогнозу погоди, прогноз швидкості вітру, можлива установка тригера, дозвіл: 1
мбар, час вимірювання: 15 хв., побудова прогнозу: 1 годину;
точка роси:
вимір точки роси усередині і поза приміщенням,
діапазон: від 0°С до +59°С, дозвіл:
1°С, можлива установка тригера, час вимірювання: 10 с.;
швидкість і напрям вітру:
діапазон: від 0 до 56
м/с,
можлива установка тригера, дозвіл 0,2 м/с,
діапазон напрямку вітру: від 0 м/с 359
м/с,
дозвіл 1°, час вимірювання напрямку вітру: 5 с.;
приведена температура:
діапазон: від -85°С до +60°С, дозвіл: 1° час
вимірювання 5 с.;
кількість опадів
діапазон: від 0
до 9999 мм, дозвіл 1 мм, час
вимірювання: накопичувальне. 24 години. Один імпульс на 1 мм опадів -
відповідає випадання 1 л. опадів на 1 кв.м.
У наборі поставляються датчики для вимірювання
рівня опадів, температури, вологості і параметрів вітру. Станція показує всі
необхідні параметри. характеризують стан погоди, в тому числі і кліматичні
умови всередині приміщення.
Висновок
На жаль, вище перераховані способи і
пристрої не мають додаткових елементів (або вони не досконалі ), що значно
знижує використання. Тому ми пропонуємо використати більш складнішу модель
прогнозування параметрів ОПВ на базі нейронних мереж, що дозволяють
контролювати і вимірювати масу і інтенсивність льодоутворення, а також силу
вітру.
2. МАТЕМАТИЧНА МОДЕЛЬ ПРОГНОЗУВАННЯ
НАВАНТАЖЕННЯ ВІД ОЖЕЛЕДІ НА БАЗІ НЕЙРОННИХ МЕРЕЖ
.1 Задачі моніторингу повітряних
лінй в районах з високою інтенсивністю відкладення ожеледі
Повітряні лінії електропередавання
(ПЛ) працюють в умовах впливу на них численних експлуатаційних і
метеорологічних факторів. Найбільш небезпечними є екстремальні метеорологічні
впливи у вигляді сполучень ожеледних та вітрових навантажень на проводи та
грозотроси ПЛ. Такі впливи є випадковими метеорологічними явищами, які, як
правило, одночасно охоплюють великі райони, мають масовий характер і тому
приносять значні матеріальні збитки. Статистичні дані показують, що середній
період повторюваності масових ожеледно-вітрових аварій в розподільних
електричних мережах України складає 10 років [8]. Без електричної енергії на
декілька діб залишаються цілі райони електричних мереж. Найефективнішим
способом запобігання ожеледно-вітрових аварій є плавлення відкладень.
Ефективність плавлення визначається не тільки режимом плавлення, але й
своєчасністю його початку та закінчення, його оптимальною тривалістю та
можливістю регулювання струму плавлення. Для задоволення цих вимог ПЛ повинна
бути оснащена автоматизованою телеметричною системою контролю процесу утворення
ожеледі, яка здатна в масштабі реального часу забезпечувати персонал
електромереж інформацією про стан контрольованих елементів лінії та параметри
метеорологічних впливів на ПЛ.
В [9] відмічається, що система
контролю утворення ожеледі повинна, в першу чергу, здійснювати моніторинг
метеопараметрів, які характеризують процес виникнення відкладень, а саме
температури повітря, швидкості вітру, розмірів та ваги відкладень. В
[10, 11]
увага звертається на необхідність програмного комплексу, який дозволяє
прогнозувати розвиток процесу наростання ожеледі та її плавлення на
взаємозалежних ПЛ з урахуванням параметрів режиму плавлення (струм плавлення,
тривалість знімання відкладень на кожній з ПЛ, черговість плавлень на ПЛ).
Такий програмний комплекс в [12]
пропонується доповнювати прикладними програмами для розрахунку механічних
параметрів лінії.
Автоматизована система контролю
процесу утворення ожеледі повинна бути складовою частиною більш функціональної
автоматизованої системи моніторингу ПЛ (АСМ), яка дозволить контролювати
механічні й електричні параметри лінії в умовах мінливого зовнішнього
середовища. Це дасть можливість у більшій мірі використовувати закладені
ресурси ПЛ (механічні, електричні), а також приймати адекватні керуючі рішення
в нормальному та аварійних режимах (плавлення ожеледі, регулювання потужності,
що передається, і т.д.).
Основними вимогами при побудові АСМ
необхідно вважати такі:
розробка та використання сучасних
технічних засобів збору, передачі й обробки інформації;
розробка багатофункціонального
гнучкого програмного забезпечення, сумісного з існуючими програмними засобами;
модульний вигляд системи, що
дозволяє інтегрувати її в загальну автоматизовану систему керування
технологічним процесом передачі електричної енергії.
В ожеледних районах АСМ повинна мати
наступні специфічні функціональні можливості:
. Короткостроковий і довгостроковий
прогнози виникнення ожеледно-паморозевих відкладень (ОПВ) на ПЛ із визначенням
імовірності виникнення, часу виникнення, наростання й існування, а також виду,
розмірів відкладень і супутніх метеопараметрів (із залученням даних
Гідрометеослужби).
. Раннє виявлення утворення ожеледі,
а також початку інтенсивного галопування проводів, сигналізація, збір і
первинна обробка поточних даних про ожеледно-вітрову ситуацію в режимі
реального часу (температура й вологість повітря, напрямок і швидкість вітру,
розпізнавання виду ОПВ, щільність відкладень, швидкість їх наростання, розміри
й вага відкладень). Можливе доповнення інформаційної картини відео- і
фотоданими.
. Розрахунок прогнозних параметрів
режиму плавлення ожеледі (визначення моментів вмикання й вимикання схеми,
черговості плавлень, величини струму й часу плавлень на кожній із
взаємозалежних ліній (ділянок ліній), кількості ліній (ділянок ліній) з
одночасним плавленням відкладень, кількості циклів плавлень з наступним
коригуванням за поточними даними.
. Розрахунок механічних параметрів
лінії у режимі реального часу (тяжіння, механічного напруження в проводах,
габаритів).
. Архівування даних про
ожеледно-вітрову ситуацію та параметри ПЛ з метою подальшого аналізу й
накопичення досвіду.
Таким чином, програмне забезпечення
АСМ в ожеледних районах повинне включати технологічні й прикладні програми.
Технологічні програми забезпечують
функціонування апаратної частини системи.
До прикладних програм відносяться:
• програма обробки і представлення
прогнозних і поточних даних про ожеледно-вітрову ситуацію та параметри ПЛ;
• програма розрахунку параметрів
режиму плавлення ожеледі з коригуванням у режимі реального часу;
• програма архівування даних.
Очевидно, що при розробці систем
контролю утворення ожеледі необхідно прагнути
до максимально можливого рівня автоматизації процесів моніторингу ПЛ та
плавлення ожеледних відкладень, що дозволить мінімізувати роль людського
фактору та підвищити загальну ефективність роботи таких систем.
2.2 Прогнозування ожеледного
навантаження на базі нейронних мереж
Прогнозування ожеледного
навантаження може допомогти енергокомпаніям вчасно підготуватися до можливих
аварійних ситуацій і вжити відповідних перспективних заходів. Тому розробка і
впровадження таких систем прогнозування є одним з пріоритетних напрямів
досліджень в енергетиці та суміжних галузях науки.
На сьогоднішній день існує безліч
моделей динаміки ожеледного навантаження, які можна розділити на дві великі
групи: фізичні та імітаційні моделі. Перші описують процес утворення ожеледі у
вигляді явної математичної залежності від безлічі факторів, що впливають, які
необхідно безпосередньо вимірювати, що може бути досить важко. До таких
параметрів, наприклад, відноситься розподіл розміру крапель рідких опадів.
Другий тип моделей заснований на чисельному аналізі експериментальних даних, що
описують реальні періоди зледеніння ЛЕП та сприятливі для цього погодні й інші умови.
Серед імітаційних моделей особливо
слід виділити методи, пов'язані з обчислювальному інтелекту: нейронні мережі,
еволюційні алгоритми і системи на основі нечіткої логіки. Ці методи володіють
високою гнучкістю, здатністю обробляти нечітку, недостовірну інформацію,
адаптуватися до мінливих умов функціонування, здатністю до навчання і
самонавчання. Всі ці властивості виявляються надзвичайно корисними при побудові
систем прогнозування ожеледного навантаження, оскільки тут доводиться мати
справу з різного роду невизначеністю (помилкові або втрачені показники
датчиків, непрямий облік параметрі, що не піддаються прямому виміру, тощо),
нестаціонарностью (зміна в часі властивостей модельованих процесів) та іншими
складнощами, безпосередній облік яких може бути дуже громіздким або взагалі
неможливим.
Основою для моделювання є дані
постів контролю ожеледного навантаження і метеофакторів, які розміщують на
опорах ЛЕП в місцях найбільш вірогідної ожеледі. У даній роботі використані
дані, зібрані на лініях 35 кВ «Старий Крим - Планерское» і «Підгірне - Оріон»,
розташованих в АР Крим. Особливістю цих ліній є їх проходження в прибережній
зоні, яка характеризується підвищеною вологістю. Автоматичні пости контролю
ожеледного навантаження і метеофакторів розташовуються на опорах ЛЕП в районах
перевалів, де часто спостерігаються сильні вітри, що є додатковим чинником, що
призводить до ожеледно - вітрових аварій.
Головним контрольованим
параметром є вага дроту
,
вимірюваний за допомогою тензодатчика в точці підвісу (Рис.2.1). Для зручності
моделювання (так як для різних ділянок нормальна вага різна) цей параметр
виражається у відсотках від ваги чистого дроту. При утворенні ожеледі вага
починає рости і може досягти критичного значення
, визначеного конструктивними
параметрами лінії. Завдання прогнозування полягає у завчасному попередженні
чергового персоналу про ймовірне перевищення критичного значення ваги
. З
урахуванням часу, необхідного для прийняття рішення та підготовки до виконання
плавки ожеледі, інтервал попередження
прийнятий рівним 2 ч.
Рисунок 2.1. Тензодатчик в
точці підвісу
Крім ваги проводу,
вимірюється температура
і відносна
вологість
повітря,
які безпосередньо впливають на процес утворення ожеледі. Інші метеопараметри
(сила і напрям вітру, тип і інтенсивність опадів і т.д.) не вимірюються,
оскільки це викликає певні технічні складності і значно збільшує вартість
постів контролю. Знімання інформації з датчиків відбувається в реальному часі,
потім виконується усереднення отриманих даних за минулу годину, і вже ці значення
передаються по каналу зв'язку на диспетчерський пункт. Виняток становить
параметр ваги проводу, для якого передається також максимально зафіксоване
протягом години значення
, за яким
можна побічно судити про наявність вітрового навантаження на провід .
Отже, завдання полягає в
побудові на основі наявних архівних даних спостережень прогнозуючої
математичної моделі виду:
(2.1)
де
- номер
години;
- Порядок моделі , відповідний
глибині використовуваної передісторії ;
- Шукане, в загальному випадку
нелінійне, перетворення .
У силу того, що за наявними
даними побудова фізичної моделі неможливо (недостатньо вимірюваних параметрів),
звернемося до імітаційних моделей . Більшість з них оцінюють кількості ожеледі,
виходячи з припущення, що йде переохолоджений дощ. Таким чином, для прогнозування
ожеледного навантаження на ЛЕП спочатку необхідно спрогнозувати появу цього
виду опадів, для чого можуть використовуватися декілька алгоритмів
прогнозування опадів, одним з кращих вважається алгоритм Рамера [ 7], який
забезпечує високу точність в задачах прогнозу обмерзання. Останнім часом для
цієї мети стали використовувати деякі сучасні методи машинного навчання, які в
свою чергу піддавалися множинним модифікаціям, що ще більш підвищило якість
прогнозування .
Всі названі алгоритми
покладаються на просту моделі наростання ожеледі, тобто виконується двохетапне
прогнозування: випадання опадів і утворення ожеледі. Однак такий підхід може
бути джерелом додаткових помилок, і при наявності достатньої архівної
інформації доцільно використовувати одноетапні моделі, прямо зв'язують
вимірювані параметри з ожеледним навантаженням. Так як фізичні принципи
вказують на нелінійний характер взаємозв'язків між параметрами, то необхідно
застосування нелінійних навчальних моделей. Цим вимогам задовольняють штучні нейронні
мережі, застосування яких у дослідженнях вже показало перспективність цього
підходу. Зокрема, були спроби застосування багатошарового персептрона, а також
мереж з кінцевою пам'яттю і рекурентних мереж.
.3 Архітектура мережі на базі
гібридних нейроподібних елементів
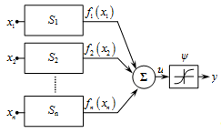
У цій роботі пропонується
використовувати нову архітектуру мережі на гібридних нейроподібних елементвах
[23] (рис. 2.2). Вона є узагальнюючою для названих вище типів нейронних мереж,
тобто має властивості їх всіх одночасно і деякими додатковими можливостями.
Вхідними сигналами мережі є
поточні значення прогнозованої змінної
та інших вимірюваних величин
. Подавати
на вхід передісторію вимірювань немає необхідності, оскільки вона формується
автоматично всередині гібридних нейроподібних елементів (HNU) [24], структура
яких представлена на рис. 2.3.
Рисунок 2.2. Архітектура мережі на
базі гібридних нейроподібних елементів (HNU)
Рискнок 2.3. Гібридний нейроподібний
елемент
Вхідні сигнали
перетворяться
за допомогою синапсів різних типів
в сигнали
, які потім
об'єднуються в сигнал внутрішньої активації
. Вихідний сигнал нейроподібного
елемента формується за допомогою нелінійної активаційної функції:
, (2.2)
де в якості
, зазвичай,
використовується сигмоїдальна функція або гіперболічний тангенс.
У гібридному нейроподібному
елементі використовуються синапси чотирьох типів: лінійний синапс (рис. 2.4),
синапс-фільтр з нескінченною імпульсною характеристикою (рис. 2.5),
синапс-фільтр з кінцевою імпульсною характеристикою (рис. 2.6) і нелінійний
синапс на основі нечіткої системи (рис. 2.7). У наведених схемах
-
настроюються синаптичні ваги,
- функції приналежності,
- елементи
чистого запізнювання,
-
максимальні порядки запізнювань.
Рисунок 2.4. Лінійний синапс
Рисунок 2.5. Синапс-фільтр
Рисунок 2.6. Синапс-фільтр з
кінцевою імпульсною характеристикою
Рисунок 2.7. Нелінійний
синапс на основі нечіткої системи
У відповідності з даними
схемами вихідні сигнали різних типів синапсів формуються наступним чином:
Для лінійного синапсу:
; (2.3)
Для синапсу-фільтра з
нескінченною імпульсною характеристикою:
; (2.4)
Для синапсу-фільтра з кінцевою
імпульсною характеристикою:
; (2.5)
Для нелінійного синапсу на
основі нечіткої системи:
; (2.6)
де
- кількість
функцій належності для
-го входу.
У нелінійних синапсах на
основі нечіткої системи зазвичай застосовуються трикутні функції приналежності,
значення яких визначаються відстанню між входом
і центрами
:
(2.7)
при цьому автоматично
забезпечується розбиття Руспіні
.
Якщо активний нечіткий
інтервал
, вихід
нелінійного синапсу можна виразити таким чином:
(2.8)
;
.
Застосування гібридних
нейроподібних елементів дозволяє будувати нейронну мережу за стандартною багатошарової
архітектури, спеціалізація якої досягається за рахунок:
Вибору типу синапсу для
кожного зв'язку мережі, включаючи можливість розриву зв'язку (відсутність
синапсу);
Вибору кількості та порядку
елементів затримок в синапсах - фільтрах з кінцевою і нескінченною імпульсними
характеристиками;
Вибору кількості і параметрів
функцій належності в нелінійних синапсах.
Таким чином, побудова мереж
на базі гібридних нейроподібних елементів дає можливість гнучкого вибору між
універсальними (всі синапси одного типу, повнозв'язна архітектура) і
спеціалізованими (синапси різних типів і / або неполносвязная архітектура)
архитектурами. При цьому можлива реалізація нелінійних моделей авторегресії
(NAR), авторегресії із зовнішніми входами (NARX), авторегресії - ковзного середнього
(NARMA), авторегресії - ковзного середнього з зовнішніми входами (NARMAX).
З урахуванням усього
вищесказаного вихідний сигнал нейроподібних елементів першого прихованого шару
формується таким чином:
, (2.9)
де
- індекс
нейроподібних елементів першого прихованого шару,
- Кількість нейроподібних елементів
першого прихованого шару;
- Функції синапсів нейроподібних
елементів першого прихованого шару, обрані з варіантів (3) - (6).
Обробка даних в другому
прихованому шарі виконується відповідно з виразом:
, (2.10)
де
- індекс
нейроподібних елементів першого прихованого шару,
- кількість нейроподібних елементів
першого прихованого шару.
І, нарешті, в єдиному
нейроподібному елементі вихідного шару обчислюється прогноз ожеледного
навантаження:
. (2.11)
Тоді загальна формула отримання
прогнозу за допомогою мережі на базі гібридних нейроподібних елементів може
бути записана у вигляді:
. (2.12)
У цьому виразі невідомими
величинами, які вимагають настройки, є синапси нейроподібних елементів
, причому
необхідно виконати спочатку структурну оптимізацію - визначити типи кожного
синапсу, кількість елементів затримки в них, типи функцій належності, а потім
виконати параметричну оптимізацію отриманої архітектури - виконати налаштування
синаптичних ваг
і
.
Звичайно структурна
оптимізація мережі виконується експертним шляхом на основі апріорної інформації
про прогнозований процесі . В умовах даної задачі відомі фізичні залежності, що
описують процеси утворення ожеледі не можуть бути безпосередньо використані,
оскільки відсутні вимірювання за багатьма входять до них параметрами. Отже, ці
апріорні знання не можуть бути враховані при побудові мереж, що змушує
використовувати для цієї мети ті чи інші методи структурної оптимізації .
У нашому випадку для синтезу
мережі скористаємося генетичним алгоритмом. Це досить універсальний метод, який
не потребує дифференціонування оптимального функціоналу. Структура мережі
кодується за допомогою так званих хромосом, що несуть всю інформацію про шари,
окремих нейроподібних елементах і їх синапсах, за винятком синаптичних ваг.
Імітуючи процес природної еволюції в природі, що полягає в генерації поколінь,
природному відборі і обміні генетичною інформацією, можливо знаходити
оптимальні в заданому сенсі або достатньо близькі до них рішення.
Налаштування параметрів (синаптичних
ваг) мережі може здійснюватися за допомогою тих чи інших відомих в теорії
штучних нейронних мереж алгоритмів, заснованих на процедурі зворотнього
поширення помилки. Для цього необхідно обчислити градієнт критерію навчання з
усіх налаштованих ваг мережі . Покажемо це для найпростішого випадку, коли всі
синапси мережі приймають форму (2.3). Навчання будемо робити , використовуючи
локальний квадратичний критерій виду:
(2.13)
а в якості активаційної
функції - сигмоїда:
, (2.14)
де
- параметр
крутизни активаційною функції.
Градієнтну процедуру навчання
нейроподібного елемента вихідного шару можна записати у вигляді:
, (2.15)
де
- параметр
кроку пошуку, визначає швидкість процесу навчання і, звичайно, обираний з
емпіричних міркувань;
локальна помилка вихідного
шару.
Тоді алгоритм навчання (2.15)
можна переписати у вигляді:
(2.16)
. (2.17)
Алгоритм навчання
нейроподібних елементів другого прихованого шару може бути записаний у вигляді:
(2.18)
Записавши локальну помилку
другого прихованого шару у вигляді:
(2.19)
з урахуванням того, що:
(2.20)
отримуємо:
(2.21)
Представивши далі
у вигляді:
(2.22)
можна переписати (2.21):
(2.23)
звідки випливає:
(2.24)
Нейроподібні елементи першого
прихованого шару налаштовуються аналогічно другому за допомогою рекурентних
співвідношень:
(2.25)
де
- номер входу мережі;
;
;
;
;
Застосуємо описаний підхід до задачі
прогнозування ожеледного навантаження. Вихідними даними для моделювання є
спостереження з постів контролю, отримані в зимові періоди 2009/2010 і
2010/2011 рр.. За цей час відбулося 21 подія, коли вага ожеледно-вітрових відкладень
тривало перевищувала 10 % ваги проводу, з них 14 використані
для навчання моделей, 7 - для перевірки. Для порівняння також застосована
лінійна авторегресійна модель із зовнішніми входами (ARX) такого ж порядку, як
і отримана в результаті структурної оптимізації нелінійна модель (NARX). В
якості базової оцінки використана модель наївного прогнозування: майбутнє
значення приймається рівним поточному.
Так як прогнозована величина
виражається
у відсотковому відношенні, то мірою якості прогнозу найзручніше прийняти
середню абсолютну помилку у відсотках (MAPE):
, (2.26)
де
- кількість
вимірювань.
Результати прогнозування на
тестовій вибірці наведені в таблиці 2.1. На рис. 7 наведено приклад графіків
істинного ваги проводу і його прогнозу, а також відповідного графіка
температури повітря.
Таблиця 2.1
|
Помилка прогнозування (MAPE)
|
|
наївний
прогноз
|
2.65%
|
|
ARX
|
2.16%
|
|
NARX
|
1.12%
|
Рисунок 2.8. Графіки ваги проводу
(суцільна лінія) , його прогнозу ( штрихова лінія) і температури повітря
(нижній графік)
Аналіз помилок прогнозування
показує: так як серед аналізованих ситуацій не було випадків з бурхливим
наростанням ожеледі, то навіть наївний прогноз виявляється точним. Тим не менш,
лінійна модель дозволяє знизити помилки на ~ 0.5%, а пропонована нелінійна
модель на базі методів обчислювального інтелекту покращує цей показник ще на ~
1%.
Висновок
Застосування мережі на базі
гібридних нейроподібних елементів у поєднанні з генетичним алгоритмом для
оптимізації її структури дозволило з високою точністю спрогнозувати динаміку
ожеледного навантаження на ЛЕП, що підтверджено експериментальною перевіркою на
реальних даних. Підвищення точності прогнозування найбільш актуально для
ситуацій з бурхливим наростанням ожеледно-вітрових відкладень на проводах і
опорах ЛЕП, коли зволікання у прийнятті контрзаходів може мати значні технічні
та матеріальні наслідки. У цьому відношенні доцільно підвищити інтервал
попередження для більш раннього оповіщення чергового персоналу про можливість
виникнення аварійної ситуації.
Аналіз графіків прогнозів також
показує, що максимальні помилки прогнозування виникають, коли відбувається
різка зміна погодних умов. Оскільки при даній постановці завдання
використовуються тільки поточні і минулі вимірювання метеофакторів, то модель
не може врахувати майбутні зміни в них. З іншого боку, за наявності надійного
зовнішнього джерела метеопрогнозу цю інформацію також доцільно використовувати
при прогнозуванні .
3. ПОБУДОВА СИСТЕМИ МОНІТОРИНГУ
НАВАНТАЖКННЯ ВІД ОЖЕЛЕДІ НА ПОВІТРЯНИХ ЛІНІЯХ ЕЛЕКТРОПЕРЕДАВАННЯ
.1 Розробка структурної схеми
системи контролю ожеледі
Винахід відноситься до електроенергетики
і може бути використаний для безперервного контролю навантаження на проводах
ліній електропередачі від ожеледі.
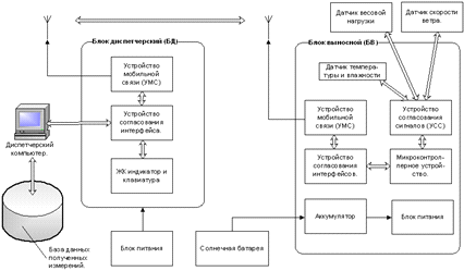
Рисунок 3.1 - Структурна схема
системи КО
Вище зазначена система складається з виносного і
диспетчерського блоків з додатковим обладнанням. Виносний блок, що представляє
собою автоматизований метеопост, встановлюється на опорі ПЛ напругою 35 або 110
кВ в зоні можливого інтенсивного утворення ожеледі. До складу виносного блоку
входять датчики температури,
ваги,
вологості повітря, пристрій узгодження сигналів з датчиків, мікроконтролер,
пристрій мобільного зв'язку, блок живлення на основі акумулятора з підзарядкою
від сонячної батареї. Блок додатково комплектується виносним датчиком вагового
навантаження і датчиком швидкості вітру. Мікроконтроллерні пристрій, що входить
до складу виносного блоку, забезпечує прийом, зберігання і обробку інформації
про контрольовані параметри, а також управляє режимами прийому і передачі
даних.
Які канали передачі інформації можна
використовувати:
Радіоканал з типом модуляції - FFSK;
GSM зв'язок;
Волоконно-оптична лінія зв'язку
(ВОЛЗ);
Супутниковий канал зв'язку.
Одним з головних переваг
використання GSM каналу є можливість установки пункту прийому (або декількох
пунктів прийому) практично на будь-якому віддаленні від пунктів контролю, що
дозволяє збирати інформацію на дуже великій території. Пристрій мобільного
зв'язку - це GSM-
модем, що працює в діапазоні 900/1800 МГц, що має вбудовані функції управління
до модемного інтерфейсу. У режимі передачі даних виносний
блок споживає 1 Вт, в черговому режимі - близько 80 мВт.
Отримані дані накопичуються,
аналізуються, обробляються у виносному блоці і по GSM
- каналу передаються на диспетчерський блок, з'єднаний з комп'ютером, де
відбувається архівування отриманих даних. Диспетчерський блок
встановлюється на регіональному диспетчерському пункті. Роботою диспетчерського
блоку управляє спеціалізоване програмне забезпечення, за допомогою якого
виконується настройка і конфігурація,
входять до складу системи апаратних засобів та налаштування часових періодів
передачі даних. Він приймає в реальному часі інформацію від виносних блоків,
виконує попередню обробку отриманих даних і зберігає її в базі для подальшої
обробки і використання. Зібрана інформація може відображатися на моніторі
комп'ютера у вигляді таблиць і графіків (рис. 3.2
) . Контрольовані ділянки ліній відображаються у вигляді мнемосхеми, де для
позначення різних режимів роботи застосовані Блінкер з різним кольором
засвічення. До складу диспетчерського блоку входять мікроконтролер, пристрій
мобільного зв'язку, блок живлення, клавіатура і рідкокристалічний індикатор,
персональний комп'ютер диспетчера.
Рисунок
3.2
- Інтерфейс програмного забезпечення диспетчерського блоку системи КО
У нормальних умовах, коли не спостерігається
відкладень ожеледі, виносний блок збирає інформацію через короткі інтервали
часу і, в певний оператором час, передає накопичену інформацію на центральний
блок. Інтервали часу між передачами даних можуть бути обрані в широких межах. У
разі початку утворення ожеледних відкладень на дроті ПЛ в контрольованому
прольоті і досягненні певних вагових меж, виносний блок передає на центральний
блок попереджувальний сигнал. У разі продовження збільшення ожеледного
навантаження і досягнення максимально допустимої ваги відкладень, виносний блок
додатково видає на диспетчерський пункт аварійний сигнал. Якщо в результаті
подальшої за цим плавки ожеледі або в результаті зміни погодних умов лід, що
утворився на дроті, почав опадати і вагове навантаження прийшло
в норму, виносний блок посилає на центральний блок повідомлення про зниження
ваги відкладення із зазначенням фактичного значення ваги на даний момент.
Система КО має наступні основні технічні
характеристики :
· діапазон вимірювання температури, °С
…………… от -40 до +100;
· точність вимірювання температури, °С
……....……. не гірше ± 2,0;
· діапазон вимірювання вологості
повітря при tвозд=0-35 °С,
% ….. от 0 до 100;
· точність вимірювання вологості, %
………….………. не гірше ±
5,0;
· Номінальний поріг спрацьовування на
ток міжфазного КЗ, А. . .100;
· Критерій наявності напруги в лінії,
не менше, кВ. . . . . . . . . . 4;
· діапазон вимірюваної вагового
навантаження, кг …… от 0 до 1000;
· точність вимірювання навантаження,
кг ………………. не гірше 0,2;
· діапазон вимірюваної швидкості
вітру, м/с …….………. от 0 до 40;
· точність вимірювання швидкості
вітру, % ……………….. не гірше 5.
Розроблена система дозволяє
підключати до центрального блоку одночасно кілька виносних блоків. Кожному
виносного блоку присвоюється індивідуальне ім'я для впізнання, що дозволяє
контролювати процес відкладення ожеледних утворень відразу на декількох лініях,
що досить зручно при необхідності здійснювати контроль за ожеледі на різних
ділянках, що знаходяться на значній відстані один від одного. Спеціально
розроблене програмне забезпечення для виносного блоку дозволяє змінювати
контрольні параметри для попереджувального і аварійного сигналу залежно від
технічних характеристик конкретної лінії. Це, в свою чергу, робить систему
гнучкою і мобільною, так як дає можливість змінювати контрольовані дані у разі
реконструкції лінії або необхідності перенесення датчика на інше місце.
У процесі дослідної експлуатації удалость
усунути такий недолік, як помилкове спрацьовування при сильному бічному вітрі,
що є характерним для механічних датчиків. При цьому система реєструє і зберігає
в протоколі пікові значення динамічних зусиль у проводі в точці підвісу при
поривах вітру.
3.2 Програмно-апаратна частина
системи контролю ожеледі
Блок диспетчерський складається з
мікроконтролера, GSM-
модему, пристроя узгодження сигналів і світлодіодів індикації, розташованих в
пластмасовому корпусі. На передній панелі розташовується вимикач живлення з
світлодіодом індикації. На верхній кришці розташовані світлодіоди індикації і
кнопка управління. На задній панелі розташовані роз'єми живлення, антени ( з
підключеною антеною) і зв'язку з комп'ютером.
Блок диспетчерський спільно з
комп'ютером під управлінням програми «Dispetcher_GSM.
Exe» здійснює прийом
інформації від блоків виносних, передачу конфігураційних параметрів для блоків
виносних, а також відображення та архівування прийнятої інформації.
Зв'язок між диспетчерським блоком і
блоками виносними здійснюється через GSM-
мережі діючих операторів мобільного зв'язку. Номери абонентів мережі,
присвоєних блокам виносним і блоку диспетчерському.
Блок виносний складається з
наступних частин:
) модуль управління (містить плату
управління, плату заряду, GSM
-модем, акумулятор, розташовані в металевому корпусі; датчики напруги, струму,
температури і вологості, які разом з антеною модему розташовуються в
радіопрозорих кожухах корпусу);
2) сонячна батарея (підключається за допомогою
кабелю).
Принцип дії датчика напруги заснований на
ємнісний зв'язок між проводами
повітряної лінії і чутливим елементом датчика.
Рисунок 3.3. Блок виносний
Принцип дії датчика струму
заснований на перетворенні за допомогою котушок індуктивності магнітного поля,
зароджуваного струмами в проводах повітряної лінії і пронизливого котушки
датчика, в напруги. Число котушок-2. Сердечники котушок мають взаємно
перпендикулярне розташування. Таким чином, вимірювана на котушках напруга буде
залежати від відстані і конфігурації проводів, а також від рівня струму в них.
Блок виносний має два режими роботи:
) режим моніторингу;
) режим зв'язку.
Після включення живлення блоку
виносного він переходить в режим зв'язку і проходить процедуру ініціалізації,
при якій через GSM -модем на диспетчерську станцію передається реєстраційне
повідомлення і приймається настроювальна інформація з диспетчерської станції.
Після цього модем вимикається, і блок виносний переходить в режим моніторингу
відповідно до отриманих настройками. Модем залишається вимкненим до чергового
сеансу зв'язку.
У режимі моніторингу блок виносної
відстежує метеопараметри і параметри лінії і контролює відсутність у них
заданих аварійних або критичних значень (станів). Модем стільникового зв'язку в
цьому режимі відключений для економії заряду акумулятора. При появі аварійних
або критичних станів, блок виносний переходить в режим зв'язку .
Сеанси зв'язку ініціюються блоками
виносними в заданий час або негайно після фіксації аварійних або критичних
станів. У режимі зв'язку блок виносний включає модем стільникового зв'язку,
здійснює реєстрацію в GSM- мережі, з'єднання з модемом блоку диспетчерського,
передає дані моніторингу, інформацію про аварійні та критичні стани
контрольованих параметрів, і приймає настроювальну інформацію. По завершенні
сеансу зв'язку GSM -модем відключається.
Аварійними станами вважаються:
Перевищення заданого порогу струму
міжфазного короткого замикання;
Зникнення напруги в повітряній лінії
електропередач;
Перевищення метеопараметрів заданих
критичних значень.
Після включення і ініціалізації,
блок виносної фіксує з періодом 1 година інформацію про метеоумови і передає її
на диспетчерську станцію по GSM-каналу один раз на 8 годин.
Наявність короткого замикання в
контрольованих проводах визначається за допомогою датчика струму при
перевищенні струмом, що протікає I_ABC порогової величини I_KZ. Якщо струм
контрольованої лінії перевищує порогове значення струму короткого замикання
(I_ABC>=I_KZ), то фіксується аварійний стан струму (коротке замикання).
Після фіксації короткого замикання запускається пауза для перевірки відключення
напруги на лінії протягом заданого часу (T_OU). Величина порога струму КЗ може
бути змінена за допомогою диспетчерської станції і передається на блок виносний
при черговому сеансі зв'язку.
Наявність напруги на контрольованих
проводах визначається за допомогою датчика напруги при перевищенні напруги
U_ABC порогової величини U_NV. Якщо напруга на лінії відсутня або нижче, ніж
4000 В + -25% то контролер фіксує аварійний стан напруги. Фіксація відсутності
змінної напруги на лінії та струму короткого замикання в лінії відбувається за
час 0.3 сек. Після фіксації короткого замикання запускається пауза для перевірки
відключення напруги на лінії протягом заданого часу (T_OU), після чого цикл 0.3
сек. поновлюється. Параметри струму короткого замикання (I_KZ) і максимального
часу відключення напруги після короткого замикання (T_OU) можуть змінюватися з
диспетчерської станції. Кожний перехід порогового значення параметрів U_ABC або
I_ABC (як в аварійне, так і з аварійного значення) фіксується і призводить до
ініціалізації початку сеансу зв'язку з диспетчерською станцією. Стан, коли
після фіксації короткого замикання напруга на лінії відключається до закінчення
максимального відрізку часу T_OU, передається як одне аварійне повідомлення. По
закінченню передачі даних блок виносний повертається до режиму моніторингу. Час
нормального сеансу зв'язку складає приблизно 30 секунд.
За відсутності аварійних станів блок
виносний фіксує пакет поточних параметрів лінії і навколишнього середовища із
заданим періодом часу збору даних і потім передає зібрані дані на диспетчерську
станцію з заданим періодом передачі даних. Час періодів може змінюватися з
диспетчерської станції. Співвідношення між періодами збору даних і передачі
даних повинне знаходитися в межах від 1 до 8. При зміні налаштувань первісний
відлік періодів здійснюється від 00 годин.
Якщо виявлені помилки в процесі
зв'язку і передачі даних, то робиться одна повторна спроба зв'язку з
диспетчерською станцією через час ( 20сек * № блоку), після чого блок
управління переходить в сплячий режим до наступного сеансу зв'язку. При цьому
блок управління продовжує циклічний моніторинг параметрів контрольованої лінії
електропередачі і метеопараметрів навколишнього середовища.
.3 Використання за призначенням
системи контролю ожеледі
Підготовка до роботи системи КО.
Підключити кабель диспетчерського
блоку до послідовного порту COM1 або COM2 комп'ютера і включити живлення
диспетчерського блоку. Після виконання внутрішніх процесів ініціалізації на
панелі диспетчерського блоку періодично блимає світлодіод модему (№ 12).
Завантажити програму «Dispetcher_GSM.exe». На екрані з'являється вікно програми,
яке складається з двох частин. У лівій частині знаходяться органи управління і
відображення оперативної інформації, в правій частині знаходиться мнемосхема,
що відображає стан блоків виносних на момент останнього сеансу зв'язку з кожним
з них. Перевірити відповідність обраного порту COM у вікні програми і, при
необхідності, відкоригувати його, потім натиснути за допомогою «миші» програмну
кнопку "Ініціалізація". При нормальній роботі системи у вікні
програми з'являється напис "Ініціалізація" і активізується вікно у
формі мобільного телефону із зеленою рамкою. Потім у вікні програми натиснути
кнопку "Робота". Після цього у вікні програми з'являється напис
"Старт прийому" і диспетчерська станція переходить в режим прийому
повідомлень від блоків виносних.
Підготовка блоку виносного до
роботи.
При підготовці керуватися малюнками
ДОДАТОК В, ДОДАТОК Г і ДОДАТОК Д. Для зручності, малюнки наведені з розрізами.
На малюнках цифрами позначені:
- радіопрозорі кожухи блоку
виносного;
- вушка для кріплення на опору;
- тумблер живлення блоку виносного;
- тумблер включення сонячної
батареї;
- модем сотового зв'язку;
- передня кришка блоку виносного;
- акумулятор;
- плата заряду;
- клема заземлення блоку виносного;
- гермоввод для підключення кабелю
сонячної батареї;
- кабель сонячної батареї;
- задня кришка блоку виносного.
Зняти задню кришку 12 блоку
виносного. Перевірити напругу на клемах акумулятора. Значення напруги перед
установкою на тривалу експлуатацію повинно бути не менше 4,2 В. При
недостатньому напрузі акумулятора призвести заряд.
Підключити кабель сонячної батареї
11 до клемника плати заряду 8 блоку виносного як показано на малюнку ДОДАТОК Г.
Позитивний провід кабелю має коричневий колір і підключається до зажиму
клемника, позначеному «+». За допомогою гвинтів щільно закрити задню кришку 12
блоку виносного. Закріпити блок внесений і сонячну батарею на опорі лінії
електропередач. Приєднати дріт заземлення до затискача заземлення блоку
виносного.
При підключенні кабелю сонячної
батареї слід враховувати усадку ізоляції кабелю під дією затиску ущільнювача
гермовводами блоку виносного. У зв'язку з цим, перед установкою блоку виносного
на опору лінії, рекомендується зробити саджання ізоляції протягом доби. Для
цього слід підключити кабель сонячної батареї в робочому положенні і з зусиллям
затиснути кабель в гермовводами. Через добу, не витягуючи кабель, додатково
ущільнити гермоввод за допомогою гайки.
Місце встановлення сонячної батарей
і її орієнтація повинні забезпечувати максимальну освітленість протягом доби і
року. Для цього конструкція кріплення сонячної батареї передбачає можливість
орієнтації з кроком 45 градусів і кут нахилу батареї, оптимізований для
географічної широти 50 градусів пн.ш.
Порядок роботи з системою КО.
Порядок роботи з диспетчерською
станцією
Включити диспетчерський блок.
Завантажити на комп'ютері програму «Dispetcher_GSM.exe». У вікні програми
натиснути кнопки «Ініціалізація» і потім «Робота». Після цього активізується
вікно у формі мобільного телефону і з'являється напис «Старт прийому». Диспетчерська
станція переходить в режим прийому повідомлень від блоків виносних .
У вікні повідомлень диспетчерської
програми і на мнемосхемі відображаються параметри моніторингу контрольованих
відгалужень повітряних ліній електропередачі. Відображаються такі основні
параметри:
Наявність напруги контрольованої
лінії ( U_ABC );
Усереднений ток контрольованої лінії
( I_ABC);
Температура навколишнього повітря (
Темпер.) в градусах Цельсія;
Відносна вологість повітря ( Влаж.)
у відсотках ;
Вага проводу ( Вес ), кг;
Наростання
( Нарастание ), кг;
Критична вага (Критич. вес ) кг/год.
Крім того, у вікні повідомлень
додатково відображаються рівень напруги батареї живлення і рівень сигналу від
базової станції GSM-мережі, а також поточний час повідомлення.
Введення параметрів налаштування
системи здійснюється адміністратором після введення пароля. Первісним паролем є
слово «Адміністратор». Для введення нових значень параметрів настройки
необхідно відредагувати значення у відповідному вікні і натиснути відповідну
кнопку «Введення». Для установки нових значень параметрів настройки блоку
виносного необхідно ввести їх в програму до початку чергового сеансу зв'язку з
блоком виносним. Сеанси зв'язку ініціюються блоками виносними в заданий час або
в момент фіксації аварійних станів. При завданні параметрів настройки часу
використовуються годинник комп'ютера.
Для збереження результатів
моніторингу на твердих носіях інформації необхідно натиснути програмну кнопку
«Зберегти» і потім у вікні задати носій (диск), шлях (директорію) і ім'я файлу.
Для очищення накопичилися у вікні
програми повідомлень досить натиснути програмну кнопку «Скидання» .
Для відключення диспетчерської
станції необхідно натиснути кнопку «Відключення» і закрити вікно програми,
потім вимкнути перемикач живлення блоку диспетчерського.
Порядок роботи з блоком виносним.
Включення блоку виносного
проводиться таким чином.
Зняти передню кришку 6 блоку
виносного. Перевірити підключення внутрішніх роз'ємів.
Включити тумблер живлення 3 блоку
виносного (у верхнє положення). Після деякої затримки на платі управління
спалахує світлодіод в перебігу 0.5 секунди і потім гасне. Після цього
включається модем і відбувається реєстрація модему в GSM- мережі протягом 15-20
секунд. Після реєстрації модему в GSM- мережі блок виносної переходить в режим
зв'язку.
Режим зв'язку супроводжується
миготінням світлодіода модему. Під час першого після включення сеансу зв'язку
блок виносної виробляє передачу реєстраційного повідомлення на диспетчерську
станцію і прийом настроювальної інформації. Після сеансу зв'язку блок виносної
переходить в режим моніторингу. При цьому модем вимикається, і світлодіод
модему переходить на слабке постійне світіння.
Після сеансу зв'язку включити
тумблер сонячної батареї 4 всередині блоку виносного і щільно закрити передню
кришку виносного блоку за допомогою гвинтів.
Для виключення блоку виносного
необхідно зняти передню кришку і перевести в нижнє положення тумблер живлення 3
і тумблер сонячної батареї 4 .
4. ДОСЛІДЖЕННЯ СПОСОБІВ ТА ТЕХНІЧНИХ
ЗАСОБІВ ЗАХИСТУ ПОВІТРЯНИХ ЛІНІЙ ВІД ДІЇ ОЖЕЛЕДЕ-ПАМОРОЗЕВИХ ВІДКЛАДЕНЬ
.1 Електротепловий спосіб
запобігання утаорення ОПВ
З усіх відомих способів боротьби з
ОПВ найбільш ефективним вважається тепловий, точніше електротепловий спосіб. Це
пояснюється рядом особливостей, пов'язаних з необхідністю забезпечення
безперервності процесів вироблення, передачі, розподілу та споживання
електричної енергії до вимог електробезпеки, з режимом нейтралі, з обмеженою
електричною міцністю.
Перша з таких особливостей -
складність сполучення різних видів енергії, що застосовуються для захисту ПЛ.
Так, наприклад, для використання фізико -хімічного методу, заснованого на
використанні гідрофобних препаратів, що змінюють природу кристалізації вологи
на поверхні проводів повітряних ліній (ПЛ) електропередачі і зчеплення її з
металом проводів, необхідно на захищаєму лінію за допомогою спеціальних
механічних пристроїв нанести захисну мастило безпосередньо перед процесом
початку утворення ОПВ.
Виконання такого виду робіт на ПЛ
без зняття напруги не припустимо за умовами електробезпеки, а значить вимагає
вимкнення ПЛ.
Друга особливість пов'язана з
тривалим відключенням захищаємого об'єкта від джерел енергії. При цьому
потрібна реалізація нових схем мережі для створення обхідних каналів живлення
споживачів енергії, для скорочення перерви в подачі енергії. Частина такої
схеми відрізняється низькими техніко - економічними показниками.
Третя особливість пов'язана з
необхідністю застосування спеціальних технічних пристроїв, які в потрібний
момент повинні перебувати в заданій точці мережі.
Четверта особливість полягає в тому,
що в певних випадках може знадобитися зміна режиму нейтралі мережі. Зміна
режиму нейтралі вимагає зміни схеми контролю ізоляції мережі, змінює величину
струмів при замиканнях на землю. У таких випадках може знадобитися установка
пристроїв компенсації ємнісних струмів, підвищення термічної і динамічної
стійкості обладнання.
П'ята особливість полягає в
складності узгодження дій цілого ряду інстанцій експлуатують електричні мережі
організацій .
Обсяг завдань значно зменшується,
якщо захист від ОПВ здійснюється на змінному струмі промислової частоти. При
цьому відпадають проблеми із сполученням видів енергії, із зміною режиму
нейтралі, складності погодження та ін.
Як показує аналіз, найбільш
ефективним і тому найбільш широко використовуваним в практиці експлуатації
електричних мереж є метод плавки ОПВ струмами штучного К.З.
Залежно від режиму нейтралі мережі
створюється режим штучного одно-, двох - або трифазного к.з. в точці мережі,
віддаленої від джерела живлення на такі відстані, при яких струм штучного к.з.
(ІКЗ) дорівнює рекомендованому значенню одногодинного струму плавки. За рахунок
значного збільшення розсіюваною проводами активної потужності відбувається
розплавлення відкладень на його поверхні.
ПЛ одним кінцем підключається до
джерела живлення, яким, як правило, служать шини 6 - 10 кВ підстанцій або
окремий трансформатор, провода на іншому кінці ПЛ замикаються. Напруга і
потужність джерела вибираються таким чином, щоб забезпечити протікання по проводах
ВЛ струму в 1,5 ... 2 рази перевищує тривало допустимий струм. Таке перевищення
допустимого тривалого струму виправдано короткочасовому процесу плавки (~1ч), а
також більш інтенсивним охолодженням проводу в зимовий період.
Експлуатаційний персонал ПЛ повинен
контролювати процес утворення ожеледі і забезпечувати своєчасне включення схем
плавлення ожеледі. ПЛ, на яких відбувається плавка ожеледі, повинні бути
оснащені сигналізаторами ожеледі, працездатність яких повинна перевірятися
щорічно перед настанням зимового періоду.
.2 Боротьба з ОПВ на проводах ПЛ на
основі явища скін-ефекту
Назва ефекту походить від
англійського слова « skin » - шкіра. Скін - ефект полягає в тому, що струми
високої частоти, на відміну від постійного струму, що не розподіляються
рівномірно по перетину провідника, а концентруються в дуже тонкому шарі його
поверхні, товщина якого при частоті f > 10 кГц складає вже частки міліметра,
а опір проводів зростає в сотні разів.
Електромагнітні коливання високої
частоти можуть поширюватися у вільному просторі (при випромінюванні антеною) і
в хвилеводах, наприклад, в так званих довгих лініях, по яких електромагнітна
хвиля ковзає, немов по рейках. Такою довгою лінією може служити пара проводів
лінії електропередачі. Чим більше опір проводів лінії, тим більша частина
енергії електромагнітного поля біжить уздовж лінії хвилі перетворюється в
тепло. Саме цей ефект і покладений в основу нового способу запобігання ожеледі
на лініях електропередач.
У разі обмежених розмірів лінії або
якого-небудь високочастотного перешкоди, наприклад ємності, в лінії крім
падаючої буде поширюватися і відбита хвиля, енергія якої також буде
перетворюватися в тепло в міру її поширення від перешкоди до генератора.
Розрахунки показують, що для захисту
від ожеледиці ЛЕП довжиною порядку 10 км потрібен високочастотний генератор
потужністю 20 кВт, тобто віддає 2 Вт потужності на метр проводу. Стаціонарний
режим розігріву проводів при цьому настає через 20 хвилин. А при тому ж типі
дроти застосування постійного струму потрібно потужність 100 Вт на метр з
виходом на режим за 40 хвилин.
Струми високої частоти генерують
потужні радіопередавачі УКХ ЧМ, що працюють в діапазоні 87,5-108 МГц. Їх можна
підключати до проводів ЛЕП через пристрій узгодження з навантаженням - лінією
електропередачі.
Для перевірки ефективності
запропонованого методу в МІРЕА був проведений лабораторний експеримент.
Генератор потужністю 30 Вт, частотою 100 МГц підключили до двухпроводной лінії
довжиною 50 м, розімкнутої на кінці, з проводами діаметром 0,4 мм і відстанню
між ними 5 мм.
Під дією електромагнітної хвилі
температура нагріву двухпроводной лінії склала 50-60 ° С при температурі
повітря +20 °С. Результати експерименту з задовільною точністю співпали з
результатами розрахунків.
Висновки
Пропонований спосіб вимагає,
звичайно, ретельної перевірки в реальних умовах діючої електромережі з
проведенням повномасштабних експериментів, бо лабораторний експеримент дозволяє
тільки дати першого, попередню оцінку новому способу боротьби з ожеледицею. Але
деякі висновки з усього сказаного таки можна зробити:
. Розігрів ліній електропередач
струмами високої частоти дозволить запобігати утворенню ожеледиці на проводах,
оскільки можна нагріти їх до 10-20 ° С, не чекаючи утворення щільного льоду.
Відключати від електричної мережі споживачів не доведеться - високочастотний
сигнал до них не проникне.
Підкреслимо: спосіб дозволяє не
допускати появи ожеледі на проводах, а не починати з ним боротися після того,
як крижана «шуба» їх огорне.
. Оскільки дроти можна нагрівати
всього на 10-20 °С, то в порівнянні з плавкою, що вимагає нагріву проводів до
100-130 °С, значно зменшується витрата електроенергії.
. Так як опір проводів струмів
високої частоти в порівнянні з промислової (50 Гц) різко зростає, коефіцієнт
перетворення електричної енергії в теплову виявляється великий. Це в свою чергу
призводить до зниження необхідної потужності. На перших порах, по всій
видимості, можна обмежитися частотою близько 100 МГц генератора потужністю
20-30 кВт, скориставшись існуючими мовними радіопередавачами .
5. ОХОРОНА ПРАЦІ ТА БЕЗПЕКИ В
НАДЗВИЧАЙНИХ СИТУАЦІЯХ
Оперативне обслуговування
. Оперативне
обслуговування електроустановок повинне здійснюватися оперативними чи
оперативно-виробничими працівниками, за якими закріплена ця електроустановка,
або оперативно - виїзними бригадами, за якими закріплена група
електроустановок.
Вид оперативного обслуговування, кількість
оперативних працівників у зміну чи на електроустановці визначається
керівництвом підприємства.
. До оперативного
обслуговування електроустановок допускаються працівники, які знають їх схеми,
компоновку, інструкції з експлуатації, безпечного виконання робіт, особливості
конструкції та роботи обладнання і пройшли відповідне навчання та перевірку
знань з цих питань.
. Оперативні
перемикання повинні виконувати оперативні або оперативно-виробничі працівники,
яким надано право проведення таких перемикань, з дозволу або/чи за
розпорядженням працівника вищого рівня оперативного управління.
. В
електроустановках понад 1000 В працівники зі складу оперативних або
оперативно-виробничих працівників, які одноособово обслуговують
електроустановки, а також старші в зміні повинні мати групу IV, решта - групу
III.
В електроустановках до 1000 В працівники зі
складу оперативних або оперативно-виробничих працівників, які обслуговують
електроустановки, включно з працівниками, які одноособово обслуговують
електроустановки, повинні мати групу ІІІ.
. В
електроустановках не дозволяється наближення людей, пристосувань, механізмів і
вантажопідіймальних машин до неогороджених струмовідних частин, що перебувають
під напругою, на відстані, менші за вказані в таблиці 5.1.
Таблиця 5.1.
Допустима відстань до струмовідних частин, що
перебувають під напругою
|
Напруга,
кВ
|
Відстань
від людини у будь-якому можливому її положенні та інструментів і
пристосувань, що використовується нею, м
|
Відстань
від механізмів та вантажопідіймальних машин у робочому та транспортному
положеннях, від стропів, вантажо-захватних пристосувань та вантажів, м
|
|
1
|
2
|
3
|
|
До
1: На ПЛ
|
0,6
|
1,0
|
|
у
решті електроустановок
|
Не
нормується (без дотику)
|
1,0
|
|
6,
10, 20, 35
|
0,6
|
1,0
|
|
110
|
1,0
|
1,5
|
|
154
|
1,5
|
2,0
|
|
220
|
2,0
|
2,5
|
|
330
|
2,5
|
3,5
|
|
400,
500
|
3,5
|
4,5
|
|
750
|
5.0
|
6,0
|
|
800
постійного струму
|
3,5
|
4,5
|
Примітка. В тексті цих Правил електроустановки
напругою 3 кВ прирівнюються до електроустановок 6 кВ, 60 кВ - до 110 кВ
В електроустановках до 1000 В під час огляду
дозволяється відчиняти двері щитів, збірок, пультів керування та інших
пристроїв.
Забороняється під час огляду виконувати будь-яку
роботу.
. Працівників, які
не обслуговують дані електроустановки, допускають до цих установок у супроводі
оперативних працівників з дозволу працівника вищого рівня оперативного
управління. В електроустановки без оперативного персоналу такі працівники
допускаються в супроводі працівників, які мають право одноосібного огляду цих
установок з дозволу особи, відповідальної за електрогосподарство
(відповідальної за електроустановку).
Працівник, який супроводжує, повинен забезпечити
створення безпечних умов для людей та попереджати їх про наближення до
струмовідних частин.
. Виключати та
включати роз’єднувачі, відокремлювачі, вимикачі, заземлюючі ножі напругою понад
1000 В з ручним приводом необхідно в діелектричних рукавичках.
. Знімати та
встановлювати запобіжники необхідно при знятій напрузі.
Під напругою, але без навантаження, допускається
знімати та встановлювати запобіжники на приєднаннях, у схемі яких відсутні
комутаційні апарати, що дають змогу зняти напругу.
Під напругою та під навантаженням дозволяється
замінювати запобіжники у вторинних колах, мережах освітлення та запобіжники
трансформаторів напруги.
. Під час знімання
та встановлення під напругою запобіжників необхідно користуватись:
- в електроустановках понад 1000 В - ізолюючими
кліщами (штангою) із застосуванням діелектричних рукавичок та захисних окулярів
(масок);
- в електроустановках до 1000 В - ізолюючими
кліщами або діелектричними рукавичками. Роботу слід виконувати із застосуванням
захисних окулярів (масок).
. У разі
розташування запобіжників приєднання вертикально один над одним (вертикальне
розташування фаз) на щитах і збірках до 1000 В та в разі відсутності
комутаційних апаратів дозволяється встановлювати та знімати запобіжники під
навантаженням. У такому разі необхідно використовувати замість засобів захисту
очей засоби захисту обличчя (захисні маски).
11.
Огляд електроустановок, електротехнічних частин технологічного обладнання може
виконуватись одноосібно:
- працівником зі складу керівників і
спеціалістів підприємства з групою V в електроустановках понад 1000 В і з
групою IV в електроустановках до 1000 В;
оперативним або оперативно-виробничим
працівником, що обслуговує цю електроустановку.
Дозвіл на проведення огляду видається особою, в
управлінні якої перебуває електроустановка (відповідальний за
електрогосподарство, персонал вищого рівня оперативного управління в управлінні
якого знаходиться дана електроустановка).
. Під час огляду
електроустановок понад 1000 В не дозволяється наближатись до струмовідних
частин на відстань, меншу за зазначену в таблиці 5.1 цих Правил та відчиняти
двері приміщень, комірок, не обладнаних огородженнями або бар’єрами, якщо
відстань між дверима і струмовідними частинами менша за зазначену в таблиці 5.1
цих Правил. Перелік таких приміщень і комірок затверджується наказом по
підприємству, з яким повинні бути ознайомлені під розпис працівники, які
обслуговують ці електроустановки, та знаходитися на робочому місці відповідного
оперативного та оперативно-виробничого персоналу. На мнемонічних (оперативних)
схемах такі електроустановки (комірки, приміщення) повинні мати спеціальні
позначення.
В електроустановках понад 1000 В, у яких вхід до
приміщень, комірок обладнано огородженнями або бар’єрами, під час огляду не
дозволяється відчиняти двері огороджень і проникати за огородження або бар’єри.
В електроустановках до 1000 В під час огляду
дозволяється відчиняти двері щитів, збірок, пультів керування та інших
пристроїв.
Не дозволяється поєднувати огляд з виконанням
будь-якої іншої роботи.
Працівникам інших підприємств на правах
відряджених, дозволяється одноосібно записувати покази електролічильників та
інших вимірювальних приладів, установлених на щитах керування і в РУ.
Відряджені працівники повинні мати групу з електробезпеки:
- в електроустановках з місцевими оперативними
(оперативно-виробничими) працівниками - групу ІІ;
без місцевих оперативних (оперативно-виробничих)
працівників - групу ІІІ.
Огляд електроустановок не електротехнічними
працівниками та екскурсії за наявності дозволу керівництва підприємства можуть
виконуватись у супроводі і під контролем працівника з групою IV, який має право
одноосібного огляду, або оперативного персоналу з дозволу працівника вищого
рівня оперативного управління, в управлінні якого знаходиться дана
електроустановка.
. В
електроустановках 3 - 35 кВ не дозволяється наближатися до виявленого місця
замикання на землю на відстань менше 4 м в ЗРУ та менше 8 м в ВРУ та на ПЛ.
Наближатися до місця замикання на землю в цих електроустановках допускається
тільки для знімання напруги та звільнення людей, які потрапили під напругу. У цьому
разі слід користуватись відповідними електрозахисними засобами.
У разі нещасних випадків для звільнення
потерпілого від дії електричного струму слід негайно зняти напругу з
електроустановки без попереднього дозволу.
. Двері приміщень
електроустановок, камер, щитів та збірок повинні бути закриті на механічний
замок, крім тих, в яких проводяться роботи.
. Ключі від
електроустановок всіх класів напруги повинні перебувати на зберіганні та обліку
у оперативних працівників. В електроустановках без місцевих оперативних
працівників ключі можуть перебувати на обліку у адміністративно-технічних
працівників, за якими закріплена ця електроустановка.
Ключі повинні бути пронумеровані. Один комплект
ключів повинен бути запасним. Запасний комплект ключів повинен бути у оперативних
або адміністративно-технічних працівників, за якими закріплена ця
електроустановка.
Ключі видаються під розписку:
- працівникам, які мають право на одноособовий
огляд;
- працівникам, які готують робоче місце,
працівнику, який допускає (далі - допускачу), керівнику робіт, працівнику, який
наглядає за безпечним виконанням робіт (далі - наглядачу).
. Ключі слід
повертати кожного дня після завершення огляду або роботи.
Під час виконання робіт в електроустановках без
місцевих оперативних працівників ключі слід повертати не пізніше наступного
робочого дня після огляду або повного закінчення роботи.
Необхідність видавання ключів на тривалий термін
працівникам підприємств-споживачів, які мають право на оперативні перемикання в
електроустановках постачальних організацій, а також оперативним,
оперативно-виробничим працівникам, адміністративно-технічним працівникам свого
підприємства, які мають право одноособового огляду, визначається керівництвом
підприємства або відповідальним за електрогосподарство.
Видавання та повернення ключів слід реєструвати
в журналі довільної форми або в оперативному журналі.
Порядок виконання робіт
1. Роботи в
діючих електроустановках слід проводити за нарядами-допусками (далі - наряд),
розпорядженнями або в порядку поточної експлуатації.
Форму наряду та вказівки щодо його заповнення
наведено в додатку 4. до цих Правил.
. На підприємствах
складаються і затверджуються організаційно-розпорядчим документом переліки
робіт, які виконуються у порядку поточної експлуатації. Роботи, що не ввійшли
до вищезазначеного переліку, слід виконувати за нарядами та розпорядженнями.
Переліки повинні міститися у відповідних
структурних підрозділах та на робочих місцях працівників.
. Не дозволяється
самовільне проведення робіт, а також розширення робочих місць та обсягу
завдання, визначених нарядом або розпорядженням.
. Виконання робіт у
зоні дії іншого наряду слід узгоджувати з працівником, який видав цей наряд або
з керівником робіт (наглядачем), який працює за раніше виданим нарядом.
Узгодження оформлюється до початку виконання робіт записом на лицьовому боці
наряду «Узгоджено» за підписом працівника, який узгоджує.
. Ремонт
електроустановок із застосуванням вантажопідіймальних машин, механізмів або
великогабаритних пристроїв, а також роботи під робочою або наведеною напругою
слід виконувати за технологічними картами або ПВР.
. В
електроустановках до 1000 В і на КЛ під час виконання роботи під напругою
необхідно:
- відгородити розташовані поблизу робочого місця
струмовідні частини, що перебувають під напругою, до яких можливий випадковий
дотик;
працювати в діелектричному взутті або стоячи на
ізольованій підставці чи на гумовому діелектричному килимку;
застосовувати інструмент з ізольованими
рукоятками (у викруток повинен бути ізольований стержень).
Не дозволяється працювати в не застебнутому
одязі або в одязі з короткими чи закоченими рукавами, користуватись ножівками,
металевими метрами тощо.
. В
електроустановках понад 1000 В під час проведення робіт на струмовідних
частинах, що перебувають під напругою, з використанням захисних ізолюючих
засобів необхідно:
- користуватися тільки випробуваними сухими та
чистими ізолюючими засобами з непошкодженим лаковим покриттям;
тримати ізолюючі засоби за ручки-захвати не далі
обмежувального кільця;
- розміщувати ізолюючі засоби так, щоб не
виникала небезпека перекриття між фазами або фази на землю.
. Під час виконання
роботи із застосуванням електрозахисних засобів (ізолюючі штанги,
електровимірювальні штанги та кліщі, покажчики напруги) дозволяється
наближатися до струмовідних частин на відстань, визначену довжиною їхньої
ізолюючої частини.
. Не дозволяється
без застосування електрозахисних засобів торкатись ізоляторів, ізолюючих частин
обладнання, яке перебуває під напругою.
. В
електроустановках не дозволяється працювати в зігнутому положенні, якщо в разі
випрямлення відстань до струмовідних частин буде менше за зазначену в таблиці
5.1. цих Правил.
Не дозволяється під час роботи розміщуватися
так, щоб неогороджені струмовідні частини, які перебувають під напругою, були
позаду або з двох боків.
. Працівникам
необхідно пам’ятати, що після зникнення напруги в електроустановці вона може
бути знову подана без попередження.
. Не дозволяється
виконувати роботи в неосвітлених місцях. Освітлення робочих місць, під’їздів і
проходів до них повинне бути рівномірним, без осліплювальної дії на
працівників.
. У разі наближення
грози слід припинити всі роботи на ПЛ, ПЛЗ, у ВРУ та ЗРУ на виводах та лінійних
роз’єднувачах ПЛ, на КЛ, приєднаних до ПЛ, а також на вводах ПЛЗ у приміщеннях
вузлів зв’язку та на антенно-щоглових спорудах.
. Усі працівники,
які перебувають у діючих електроустановках (за винятком щитів керування,
приміщень з релейними панелями та їм подібних), у колодязях, тунелях, траншеях
повинні користуватися захисними касками.
. Під час проведення
земляних робіт необхідно дотримуватися вимог будівельних норм і правил.
. Працівникам
підприємств інших організацій, направлених у відрядження, одноособово можна
записувати покази електролічильників та інших вимірювальних приладів, встановлених
на щитах керування і в РУ. У разі наявності місцевих оперативних працівників
відряджені працівники повинні мати групу II, а у разі відсутності місцевих
оперативних працівників - групу III.
ЗАГАЛЬНІ ВИСНОВКИ ПО РОБОТІ
Таким чином, завдяки даній системі, у диспетчера
з'являється можливість контролю температури і вологості повітря, вагового
навантаження на провід в режимі реального часу. Аналізуючи попередній графік
зміни ваги ожеледних відкладень на проводі
і температури повітря, а також орієнтуючись на прогноз погоди, особа, яка
приймає рішення, з більшою точністю зможе визначити необхідність і момент початок
плавлення ожеледі на ПЛ. Система також дозволяє стежити за процесом плавки і
визначати час її закінчення, що, в свою чергу, може знизити технологічні
витрати електроенергії на плавку.
На сьогоднішній день розроблена
система успішно використовується у Феодосійському високовольтному РЕЗ ПАТ
«Крименерго» на двох лініях 110 кВ - «ПС Старий Крим - ПС Коктебель» і «ПС
Старий Крим - ПС Судак», а також на лінії 35 кВ «ПС Підгірна - ПС
Орджонікідзе».
СПИСОК ВИКОРИСТАНИХ ДЖЕРЕЛ
1.
Рудакова Р. М. Борьба с гололедом в
злектросетевых предприятиях:
Пособие по вопросам организации борьбы с гололедом / Рудакова Р. М., Вавилова
И. В., Голубков И. Е. - Уфа: Башкирзнерго, 1995. - 126 с.
2.
Быстрицкий Г.Ф. Методы борьбы с
гололедом на воздушных линиях злектропередачи / Быстрицкий Г.Ф. // Главный
знергетик. - 2008. - №2 - С. 14 - 23.
3.
Гребенюк А. Н. Особенности
зксплуатации линий злектропередачи в сложных погодных условиях / Гребенюк А. Н.
- Донецк: Национальный горный ун-т, 2006. - 3 с.
4.
Методические указания по плавке
гололеда переменным током. Ч. 1. МУ 34-70-027-82. - М.: СПО Союзтехзнерго.
1983. - 114 с.
5.
Методические указания по плавке
гололеда постоянным током. Ч. 2. МУ 34-70-028-82. - М.: СПО Союзтехзнерго,
1983. - 49 с.
6.
Инструкцмя
по определению нормативных толщин стенок гололеда и скоростей ветра при
гололеде для разработки заключений при проектировании сельских воздушных линий
0,4 - 20 кВ. - Киев: Сельэнергопроект, 1976.
7.
Митропольский
А.К. Техника статистических вычислений. - М.: Наука, 1971.
8.
Усманов
Ф.Х. Обеспечение надежности работы ВЛ в гололедных районах / Ф.Х. Усманов, А.Л.
Лившиц // Электрические станции. - 1986. - №4.-
С. 50-52.
9.
Башкевич
В. Я. Мониторинг гололедно-ветровых
и температурных нагрузок воздушных линий электропередачи
/
В.
Я.
Башкевич,
Г.
Г. Угаров // Материалы
международной НТК «Электроэнергия и будущее цивилизации»
-
Томск, ТГУ, 2004.
10.
Левченко
И.И.
Программный
комплекс для расчета и управления режимом плавки гололеда на ВЛ
электропередачи. /
И.И.
Левченко,
Е.И. Сацук // VII Симпозиум
«Электротехника 2010», 2003. -
Том1,
2.21.
11.
Левченко
И.И. Программное обеспечение системы обнаружения и плавки гололеда на ВЛ 10-500
кВ.
/
И.И.
Левченко,
Е.И. Сацук //
Известия
вузов. Электромеханика. - 2002. - № 6.
12.
Левченко
И.И.
Диагностирование
воздушных линий электропередачи на устойчивость к гололедно-ветровым
нагрузкам. /
И.И.
Левченко,
А.С.
Засыпкин,
Е.И. Сацук // Материалы XXVIII
сессии семинара «Кибернетика энергетических систем», Известия высших учебных
заведений. Северо-Кавказский регион. -
2006.
-
№
15.
-
С.11-12.
13.
Королев A.M. Усовершенствование сигнализатора появления гололеда: Сборник
научных трудов МИИСП. - Москва, 1987. - Вып. 17. - С. 24-27.
.
Колмогоров И.М. Устройство для контроля за гололедообразованием / И.М.
Колмогоров, Р.Ш. Саргутдинов, В.И. Зубенко и др. // Техника в сельском
хозяйстве. - 1984. - № 3. - С. 28-29.
.
Фигурнов Е.П. Датчики гололеда для электрических сетей / Е.П. Фигурнов, Т.А.
Бойко // Электрические станции. - 1974. - № 12. - С. 39-41.
.
Дьяков А.Ф. Опыт борьбы с гололедом на линиях электропередачи / А.Ф. Дьяков,
И.И. Левченко // Электрические станции. - 1982. - № 1. - С. 50-54.
.
Горохов Е.В., Козакевич М.И., Турбин C.B., Назим Я.В. и др. Ветровые и
гололедные воздействия на воздушные линии электропередач / Под ред. Горохова
Е.В. - Донецк, 2005. - 348 с.
.
Инструкция по производству наблюдений над обледенением проводов и сильным
ветром на гололедных постах. - Киев: Сельэнергопроект, 1986.
.
Білаш І.П. Задачі моніторингу повітряних ліній електропередавання в ожеледних
районах / І.П. Білаш, O.A. Савченко, O.B. Пархоменко // Проблеми
енергозабезпечення та енергозбереження в АПК України. - Харків: ХНТУСГ ім. П.
Василенка, 2011. - Вип. 117. - С.13-15.
.
Дьяков А.Ф. Информационные системы контроля гололедных нагрузок на BJI / А.Ф.
Дьяков, Л.И. Левченко, A.C. Засыпкин, A.A. Аллилуев, Е.И. Сацук, А.И. Быткин,
Ф.А. Дьяков // Энергетик. - 2005. - № 11.-С. 20-25.
.
Титов H.H. Формирование ведомственной системы сбора метеоданных в условиях
эффективного оптового рынка электроэнергии / H.H. Титов, М.С. Доценко, С.И.
Доценко и др. // Праці інституту електродинаміки HAH України. Спеціальний
випуск. Енергетичні ринки: перехід до нової моделі ринку двосторонніх
контрактів і балансуючого ринку. - Київ, 2009. - С. 41-48.
.
Пат. 91310 Україна, МКВ H 02 H 7/00. Пристрій для контролю навантаження ліній
електропередачі від ожеледі / Черемісін М.М., Зубко В.М., Пархоменко О.В.,
Булага В.В., Хоменко В.И., Гриценко A.B. - , № 200910600; Заявл. 19.10.09;
Опубл. 12.07.10, Бюл. № 13-6 с.
.
Попов С.В., Шкуро К.А. Эволюционная нейро-фаззи сеть на базе гибридных
нейроподобных элементов // 17 міжнародна конференція з автоматичного управління
«Автоматика-2010». Тези доповідей. Том 2. - Харків, 2010. - С. 193-194.
.
Попов С.В. Специализированные архитектуры искусственных нейронных сетей на базе
гибридных нейроподобных элементов // Збірник наукових праць Національного
гірничого університету. - 2009. - Vol Т. 2. - N. 33. - С. 76-82.
ДОДАТОК А
Протокол випробування
ДАТА_06.01.11 [ЧТ:8:10:23]
Диспетчер СМ РЭС (3.5.6) Включение мониторинга
-------------------------------------------------------------------------------------------
ДАТА_06.01.11 [ЧТ:8:10:26]
БЛОК_1(2) Подг-Орион,13 -ВСЕ В НОРМЕ-
[СР:9:0:0] F=147кг(7232)
Fmax=149кг S=0кг/час Темп.=-8.0°C Влаж.=18.1% Бат.=73%(73) GSM=60%
[СР:10:0:0] F=147кг(7241)
Fmax=150кг S=0кг/час Темп.=-7.7°C Влаж.=18.2% Бат.=100%(108)GSM=60%
[СР:11:0:0] F=147кг(7237)
Fmax=149кг S=0кг/час Темп.=-6.7°C Влаж.=18.4% Бат.=100%(155)GSM=60%
[СР:12:0:0] F=146кг(7223)
Fmax=149кг S=0кг/час Темп.=-5.4°C Влаж.=17.9% Бат.=100%(158)GSM=60%
[СР:13:0:0] F=146кг(7211)
Fmax=149кг S=0кг/час Темп.=-4.5°C Влаж.=15.7% Бат.=100%(168)GSM=60%
[СР:14:0:0] F=146кг(7196)
Fmax=148кг S=0кг/час Темп.=-3.6°C Влаж.=19.8% Бат.=100%(223)GSM=60%
[СР:15:0:0] F=146кг(7194)
Fmax=148кг S=0кг/час Темп.=-3.9°C Влаж.=18.8% Бат.=100%(158)GSM=60%
[СР:16:0:0] F=146кг(7211)
Fmax=148кг S=0кг/час Темп.=-5.3°C Влаж.=15.5% Бат.=100%(107)GSM=60%
-------------------------------------------------------------------------------------------
ДАТА_06.01.11 [ЧТ:8:10:26]
БЛОК_1(2) Подг-Орион,13 -ВСЕ В НОРМЕ-
[СР:17:0:0] F=147кг(7235)
Fmax=149кг S=0кг/час Темп.=-6.2°C Влаж.=17.4% Бат.=95%(95) GSM=81%
[СР:18:0:0] F=147кг(7256)
Fmax=149кг S=0кг/час Темп.=-6.2°C Влаж.=18.5% Бат.=92%(92) GSM=81%
[СР:19:0:0] F=147кг(7256)
Fmax=149кг S=0кг/час Темп.=-5.9°C Влаж.=18.4% Бат.=92%(92) GSM=81%
[СР:20:0:0] F=147кг(7236)
Fmax=149кг S=0кг/час Темп.=-5.6°C Влаж.=16.8% Бат.=91%(91) GSM=81%
[СР:21:0:0] F=146кг(7210)
Fmax=149кг S=0кг/час Темп.=-5.4°C Влаж.=15.6% Бат.=91%(91) GSM=81%
[СР:22:0:0] F=146кг(7181)
Fmax=148кг S=0кг/час Темп.=-5.3°C Влаж.=15.5% Бат.=88%(88) GSM=81%
[СР:23:0:0] F=145кг(7152)
Fmax=148кг S=0кг/час Темп.=-5.0°C Влаж.=15.2% Бат.=88%(88) GSM=81%
[ЧТ:0:0:0] F=144кг(7126)
Fmax=147кг S=0кг/час Темп.=-4.7°C Влаж.=15.3% Бат.=88%(88) GSM=81%
-------------------------------------------------------------------------------------------
ДАТА_06.01.11 [ЧТ:8:10:26]
БЛОК_1(2) Подг-Орион,13 -ВСЕ В НОРМЕ-
[ЧТ:1:0:0] F=144кг(7097)
Fmax=146кг S=0кг/час Темп.=-4.5°C Влаж.=15.6% Бат.=87%(87) GSM=81%
[ЧТ:2:0:0] F=143кг(7072)
Fmax=146кг S=0кг/час Темп.=-4.4°C Влаж.=15.5% Бат.=88%(88) GSM=81%
[ЧТ:3:0:0] F=143кг(7054)
Fmax=145кг S=0кг/час Темп.=-4.4°C Влаж.=14.8% Бат.=88%(88) GSM=81%
[ЧТ:4:0:0] F=143кг(7040)
Fmax=146кг S=0кг/час Темп.=-4.3°C Влаж.=14.6% Бат.=88%(88) GSM=81%
[ЧТ:5:0:0] F=143кг(7029)
Fmax=145кг S=0кг/час Темп.=-4.5°C Влаж.=14.7% Бат.=88%(88) GSM=81%
[ЧТ:6:0:0] F=142кг(7017)
Fmax=145кг S=0кг/час Темп.=-4.6°C Влаж.=15.1% Бат.=87%(87) GSM=81%
[ЧТ:7:0:0] F=142кг(7013)
Fmax=144кг S=0кг/час Темп.=-4.6°C Влаж.=15.8% Бат.=86%(86) GSM=81%
[ЧТ:8:0:0] F=142кг(7008)
Fmax=144кг S=0кг/час Темп.=-4.6°C Влаж.=16.8% Бат.=86%(86) GSM=81%
-------------------------------------------------------------------------------------------
ДАТА_06.01.11 [ЧТ:9:03:27]
БЛОК_1(2) Подг-Орион,13 -ВСЕ В НОРМЕ-
[ЧТ:9:1:50] F=142кг(6993)
Fmax=143кг S=-1кг/час Темп.=-4.2°C Влаж.=17.5% Бат.=88%(88) GSM=60%
-------------------------------------------------------------------------------------------
ДАТА_06.01.11 [ЧТ:11:06:23]
Диспетчер СМ РЭС (3.5.6) Выключение
==========================================================
ДОДАТОК Б
УДК 621.315.175
ЕФЕКТИВНІСТЬ МОНІТОРИНГУ ПОВІТРЯНИХ ЛІНІЙ
ЕЛЕКТРОПЕРЕДАВАННЯ В ОЖЕЛЕДНИХ РАЙОНАХ
Тихоненко В.М.
Науковий керівник к.т.н., професор
Черемісін
М.М.
ХНТУСГ
ім.
П.Василенка, м. Харьков, Україна
Постановка задачі,
аналіз останніх досліджень та публікацій.
Повітряні
лінії електропередавання (ПЛ) працюють в умовах впливу на них численних
експлуатаційних і метеорологічних факторів. Найбільш небезпечними є екстремальні
метеорологічні впливи у вигляді сполучень ожеледних та вітрових навантажень на
проводи та грозотроси ПЛ. Такі впливи є випадковими метеорологічними явищами,
які, як правило, одночасно охоплюють великі райони, мають масовий характер і
тому приносять значні матеріальні збитки.
Мета досліджень.
Формулювання
загальних принципів побудови автоматизованих телеметричних систем контролю
процесу утворення ожеледі, що мають функцію прогнозування метеопараметрів.
Основні напрямки досліджень.
Очевидно, що при розробці систем контролю утворення ожеледі необхідно прагнути
до максимально можливого рівня автоматизації процесів моніторингу ПЛ та
плавлення ожеледних відкладень, що дозволить мінімізувати роль людського
фактору та підвищити загальну ефективність роботи таких систем. Для
вирішення задач подібного типу добре зарекомендували себе методи, що
відносяться до обчислювального інтелекту та базуються на основі штучних
нейронних мереж . Головним
параметром, який підлягає прогнозуванню, є вага проводу, вкритого ожеледдю.
Висновки. В
ожеледних районах загальна автоматизована система керування технологічним
процесом передачі електричної енергії повинна доповнюватись підсистемою
контролю утворення ожеледі на ПЛ, до функціональних можливостей якої входять
моніторинг та прогнозування процесу наростання ожеледних відкладень, розрахунок
параметрів режиму плавлення ожеледі на ПЛ та керування цим режимом, розрахунок
механічних параметрів ліній. Реалізацію функції прогнозування доцільно
здійснити на основі нейронної мережі , що дозволяє отримати досить низькі
похибки.
ДОДАТОК В
Рисунок 1 - блок виносний, вид
спереду
ДОДАТОК Г
Рисунок 2 - Блок виносний, вид ззаду
ДОДАТОК Д
Рисунок 3 - блок виносний, вид збоку