Установка гидроочистки и лёгкого гидрокрекинга нефтяных, газоконденсатных дистиллятов на алюмоникельмолибденовом или алюмокобальтмолибденовом катализаторе

  • Вид работы:
    Курсовая работа (т)
  • Предмет:
    Химия
  • Язык:
    Русский
    ,
    Формат файла:
    MS Word
    688,84 Кб
  • Опубликовано:
    2014-04-13
Вы можете узнать стоимость помощи в написании студенческой работы.
Помощь в написании работы, которую точно примут!

Установка гидроочистки и лёгкого гидрокрекинга нефтяных, газоконденсатных дистиллятов на алюмоникельмолибденовом или алюмокобальтмолибденовом катализаторе

Введение

В нефтепереработке гидроочистка сырья является заключительной операцией очистки нефтепродуктов, которую проходят почти все нефтяные топлива прямой гонки, крекинга и риформинга, так и вторичного происхождения: бензин, керосин, дизельное топливо и вакуумный газойль.

Процесс гидроочистки применяется для облагораживания компонентов смазочных масел и парафинов.

Гидроочистка представляет одну из разновидностей гидрогенизационного процесса и протекает в условиях близких к условиям гидрокрекинга и на тех же катализаторах.

В процессе гидроочистки из нефтепродуктов удаляются соединения серы, азота, кислорода и некоторых металлов, гидрируются ненасыщенные углеводороды.

При гидроочистке одновременно происходит также гидрирование нестабильных непредельных углеводородов до соответствующих предельных.

Образовавшиеся продукты гидрирования отделяются от нефтепродуктов путем поглощения их сорбентами (этаноламина, раствором гидроксида натрия).


. Назначение процесса

установка гидроочистка катализатор

Моторные топлива - бензин, керосин, дизельное топливо - в основном получаются в процессе переработки нефти. В зависимости от состава нефти и способа переработки моторные топлива могут различаться качеством, не всегда соответствующим требованиям ГОСТа на товарную продукцию.

Цель гидроочистки - улучшение качества продукта или фракции за счет удаления нежелательных примесей, таких, как сера, азот, кислород, смолистые соединения, непредельные углеводороды [1].

Установка Л-16-1 - установка гидроочистки и лёгкого гидрокрекинга нефтяных, газоконденсатных дистиллятов на алюмоникельмолибденовом или алюмокобальтмолибденовом катализаторе в среде водорода при давлении до 55 кгс/см2 и при температуре до 425 оС.

Назначение установки:

гидроочистка дизельных фракций с целью улучшения эксплуатационных характеристик моторных топлив за счет удаления гетероорганических соединений серы, азота, кислорода, мышьяка, галогенов, металлов и гидрирования непредельных углеводородов при частичном гидрировании и гидрокрекинге полициклических ароматических и смолисто-асфальтеновых углеводородов, снижения коррозионной активности топлив, склонности к образованию осадков и количества токсичных газовых выбросов в окружающую среду;

гидроочистка вакуумного газойля с целью снижения содержания соединений серы в сырье установок каталитического крекинга;

лёгкий гидрокрекинг вакуумного газойля с целью увеличения выхода дизельной фракции.

2. Сырье процесса (состав, структура, свойства)

Гидроочистку дизельных топлив проводят для повышения их качества путем удаления сернистых, смолистых, непредельных соединений и других примесей, ухудшающих эксплуатационную характеристику топлив. В результате гидроочистки повышается термическая стабильность, снижается коррозионная агрессивность топлив, уменьшается образование осадка при хранении, улучшаются цвет и запах топлива.

Характеристика сырья представлена в таблице 1.

Таблица 1 - Характеристика сырья

Наименование продукта.

ГОСТ, ТУ, СТП

Показатели ГОСТ, ТУ, СТП.

Допустимые

1

2

3

4

1.Компаненты топлива дизельного «Л»

СТП 010600-401-108-84

1.Фракционный состав: - 50% вскипает при температуре, С не выше - 96% вскипает при температуре, С не выше 2. Температура застывания, С не выше 3. Температура помутнения С не выше 4. Температура вспышки в открытом тигле, С не ниже 5. Массовая доля серы, %

 280 360 -10 или 0 минус 5 65  Не нормируется, определение обязательно

2. Газойль легкий каталитический

СТП 010600-401228-89

1.Фракционный состав: - 50% выкипает при температуре, С не выше - 96% выкипает при температуре, С не выше 2. Цвет  3. Температура помутнения С не выше

 275 360 до светло коричневого минус 5

3. Мотоалкилат

СТП 010600-401140-86

1.Фракционный состав: - температура начала перегонки, С не ниже 2.Испытание на медной пластинке

 135 выдерживает

4. Флегма термических крекингов

_

1. Цвет визуально  2. Температура конца кипения, С не более

светло - коричневый 360

5. Газ водородсодержащий

ТУ-38-3011-79

1. Компонентный состав, % об.: а) содержание водорода, не менее б) содержание сероводорода, не более в) содержание кислорода, не более г) содержание углекислогогаза, не более д) содержание окиси углерода, не более

  65 0,001 0,2 0,5 0,2



. Вспомогательные вещества и катализаторы, их экологическая оценка

.1 Катализаторы

Состав катализаторов оказывает существенное влияние на избирательность реакций, поэтому соответствующим подбором катализаторов удается осуществлять управление процессом гидроочистки дизельных топлив в довольно широких пределах [2].

В промышленности для данных процессов широко применяются алюмокобальтмолибденовые (АКМ) или алюмоникельмолибденовые (АНМ) катализаторы.

Промышленный алюмокобальтмолибденовый катализатор обладает весьма высокой избирательностью. Реакций разрыва связей С-С или насыщения ароматических колец в его присутствии практически не протекают. Он обладает высокой активностью в реакциях разрыва связей С-S и высокой термической стойкостью, вследствие чего имеет длительный срок службы. Важным преимуществом данного катализатора является стойкость к потенциальным каталитическим ядам. Кроме того, этот катализатор обладает приемлемой активностью в реакциях насыщения непредельных соединений, разрыва связей углерод - азот, углерод - кислород, и практически используется для гидроочистки всех нефтяных фракций. Алюмоникельмолибденовый катализатор менее активен в реакциях насыщения непредельных соединений, зато более активен в отношении насыщения ароматических углеводородов (10-50 % по сравнению с АКМ) гидрирования азотистых соединений (на 10- 18 % выше, чем с АКМ).

В условиях гидроочистки дизельных топлив температура и парциальное давление водорода и сероводорода являются определяющими параметрами для сохранения катализатора в той или иной сульфидной форме. В зависимости от значения указанных параметров никель и молибден будут в различной степени насыщены серой, что отразится на их каталитической активности [3].

Характеристика вспомогательных материалов и катализаторов представлена в таблице 2.

Таблица 2 - Характеристика вспомогательных материалов и катализаторов

Реагенты 1. Моноэтаноламин технический

ТУ С-02-915-84 Сорт 1

1. Массовая доля МЭА, % не менее 2. Массовая доля диэтаноламина, % не более 3. Цветность в единицах оптической плотности, не более 4. Плотность при 20 С, г/см

98,0  1,0  2,5 1,015-1,018



5. Массовая доля воды, % не более

 1,0

2. Газ инертнный

СТП 010600-401179-83

Для продувки систем установки 1. Содержание кислорода, % не более 2. Точка росы, С не выше для регенерации катализатора: 1. Содержание кислорода, % не более 2. Содержание СО, % не более 3. Содержание горючих, % не более 4. Точка росы, С не выше

 0,5  минус 40 0,5 1,2 0,5 минус 40

Катализатоторы




1.ГS-168 ШсГЗК

ТУ 38-101938-83

1. Массовая доля для активных компонентов, менее 2. Относительная активность по обессериванию дизельного топлива при У=6 час - 1,% - для гранул диаметром 3,0-5,0 мм, не менее - для гранул диаметром 1,5-3,0 мм, не менее

2. ГО-117

ТУ 3810184-85

1.Массовая доля для активных компонентов, %: а) трехокиси молибдена (МоО не менее б) закиси никеля (NiО) не менее 2. Массовая доля вредных примесей, % не более: а) окиси натрия (Na O) б) окиси железа (Fe O ) 3. Насыщенная плотность, г\ см не менее 4. Размер гранул, мм а) средний диаметр в пределах б) средняя длина при диаметре 3,2-5,0 мм в пределах

марка марка А А 21,0 21,0 7,0 6,0  0,08 0,20 0,16 0,20 0,8 0,8   1,5-5,0 1,0-5, 3,0-8,0 3,0-8,



5.Массовая доля влаги, % не более 6. Индекс прочности, кг/мм, не менее 7. Массовая доля крошки % размером менее 2,0 мм для гранул диаметром 3,0-5,0 мм не более - Размером менее 1,0 мм для гранул диаметром 1,5-3,0 мм, не более 8. Относительная активность по обессериванию дизельного топлива при У=6 час-1,%, не менее Относительная активность по обессериванию дизельного топлива при У=6 час-1,% - для гранул диаметром 3,0-5,0 мм, не менее - для гранул диаметром 1,5-3,0 мм, не менее.

2,3 3,0 1,3   1,2  2,5   2,5   2,5  101




. Целевые продукты, побочные продукты, отходы (свойства, состав, структура) их экологическая опасность

.1 Характеристика продуктов

Целевым продуктом процесса гидроочистки является стабильное дизельное топливо. Выход стабильного дизельного топлива в среднем составляет 97 % (масс.). Побочными продуктами процесса являются отгон (бензин), углеводородный газ (второй ступени сепарации и стабилизации), сероводород и отдуваемый водородсодержащий газ [5].

Состав и свойства отгона:

плотность, кг/м3  750;

фракционный состав: перегоняется при температуре, н. к. 60;

% (об.)  90;

% (об.)  130;

% (об.)  160;

к. к  180;

Содержание серы, % (масс.)  0,01-0,05;

Октановое число (моторный метод)  50;

Давление насыщенных паров, МПа Не выше 0,067.

Выход отгона зависит от содержания легких фракций в исходном сырье и составляет 0,5-1,5 % (масс.).

Состав углеводородного газа второй ступени сепарации зависит как от характеристики сырья и состава свежего водородсодержащего газа, так и рабочего давления в сепараторе. Состав углеводородного газа стабилизации в основном также зависит от состава свежего водородсодержащего газа. Выход газа колеблется в пределах 0,97-2,3 % (масс.) на сырье.

Сероводород получается в результате очистки циркуляционного водородсодержащего и углеводородных газов от сероводорода. Содержание углеводородов в сероводороде, уходящем с установки, не превышает 2 % (об.). Выход сероводорода зависит от содержания серы в сырье, глубины очистки сырья и газов и колеблется в пределах 0,5-2,5 % (масс.) на сырье. Количество и состав отдуваемого водородсодержащего газа зависит от режима процесса и концентрации водорода в свежем водородсодержащем газе. В качестве «отдува» в топливную сеть сбрасывается очищенный циркуляционный газ.

Важнейшими характеристиками дизельных топлив являются: воспламеняемость, фракционный состав, нагарообразование, вязкость, температура помутнения и др.

Воспламеняемость - склонность дизельного топлива к самовоспламенению, определяется периодом запаздывания его воспламенения и является почти таким же важным свойством, как и антидетонационная характеристика бензинов для карбюраторных двигателей. Период запаздывания зависит от цетанового числа.

Цетановое число - показатель самовоспламеняемости топлива, численно равный такому содержанию, в % (об.), цетана в смеси с α-метилнафталином, при котором самовоспламенение этой смеси и сравниваемого с ней испытуемого топлива одинаково. При высоком цетановом числе период запаздывания самовоспламенения достаточно короткий, топливо при впрыске его в камеру сгорания воспламеняется почти сразу, давление в цилиндре двигателя нарастает плавно, и он работает без стуков. При низком цетановом числе период запаздывания большой, впрыскиваемое в цилиндр топливо сразу не воспламеняется, а накапливается, и затем воспламеняется вся масса топлива. В этом случае давление в цилиндре нарастает скачкообразно, появляется детонация (стуки). Цетановые числа дизельных топлив зависят от их углеводородного состава.

Фракционный состав определяется конструктивными особенностями двигателя и условиями эксплуатации. Нефтеперерабатывающая промышленность выпускает дизельные топлива двух видов: легкие маловязкие топлива для быстроходных двигателей с частотой вращения вала 800-1000 об/мин и более; тяжелые высоковязкие топлива для тихоходных двигателей с частотой вращения вала до

-700 об/мин.

Фракционный состав топлива оказывает влияние на степень его распыления, полноту сгорания, дымность выхлопа, нагароотложение и разжижение картерного масла. При высоком содержании легких фракций увеличивается давление сгорания. Утяжеленное топливо хуже распыляется вследствие повышения поверхностного натяжения топлива.

Содержание легких фракций в дизельном топливе характеризуется температурой вспышки. Дизельные топлива, содержащие значительное количество легких фракций, быстрее испаряются, пожароопасны и непригодны для применения в закрытых помещениях.

Высокотемпературные свойства дизельных топлив характеризуются их склонностью к нагарообразованию при сгорании топлива и повышенному отложению осадков в двигателе.

Нагарообразование зависит от химического состава топлив: наличия в нем смол, непредельных углеводородов, кислородных и сернистых соединений. В результате сгорания сернистых соединений образуются оксиды серы. При работе дизелей на топливах, содержащих смолистые вещества и углеводороды, склонные к окислению, наблюдается повышенное нагарообразование на деталях двигателя и закоксование отверстий распылителей форсунок, резко падает мощность и повышается износ двигателя. Наличие в топливе кислородсодержащих соединений характеризуется содержанием фактических смол. В связи с этим предусматривается ограничение содержания в дизельном топливе смол и непредельных углеводородов.

На количество отложений в двигателе также влияет коксуемость и зольность дизельных топлив. Зола может вызвать износ деталей двигателей. Повышенное нагарообразование в двигателе наблюдается при сгорании топлива, содержащего органические кислоты. Продукты сгорания также корродируют топливную аппаратуру; аналогичное действие оказывают водорастворимые кислоты и щелочи [1]. Низкотемпературные свойства дизельных топлив характеризуются следующими показателями: вязкостью, температурой помутнения, температурой застывания.

Вязкость дизельного топлива зависит от углеводородного состава и температуры. Наибольшей вязкостью обладают нафтеновые углеводороды, наименьшей - парафиновые [2]. С понижением температуры значение вязкости возрастает. Вязкость дизельного топлива влияет на степень распыления топлива в камере сгорания и однородность рабочей смеси. Маловязкое топливо распыляется более однородно, чем высоковязкое. Высокая степень распыления и однородность смеси обеспечивают полноту сгорания топлива, сокращают его удельный расход.

Для эксплуатации дизельного топлива большое значение имеет его прокачиваемость, особенно при низких температурах воздуха. Прокачиваемость топлива зависит от вязкости. С увеличением вязкости топлива возрастает сопротивление в топливной системе. При больших потерях напора нарушается нормальная подача топлива к насосу и он начинает работать с перебоями [1, 2].

.2 Побочные продукты, отходы (свойства, состав, структура) их экологическая опасность

Отходы при производстве продукции, сточные воды, выбросы в атмосферу, методы их утилизации, переработки, а также твердые и жидкие отходы представлены в таблицах 3, 4 и 5.

Сырьё, основные и побочные продукты производства при больших концентрациях оказывают вредное воздействие на человека и на элементы окружающей среды (воздух, почва, вода, растительный и животный мир).

С целью снижения степени вредного влияния производства необходимо выполнять следующие мероприятия:

ограничивать до минимума возможные сбросы нефтепродуктов в атмосферу и систему промышленной канализации;

не допускать неполного сгорания топлива в печах и появления коптящих

газов из дымовой трубы печей установки;

производить контроль за герметичностью оборудования, фланцевых соединений, торцевых уплотнений насосов, принимать меры по своевременному устранению выявленных нарушений;

исключить постоянные сбросы горючих газов на факел.

Установка гидроочистки дизельных топлив имеет следующие выбросы вредных веществ в атмосферу:

организованные;

неорганизованные.

К организованным выбросам относятся дымовые газы из дымовой трубы печей и выбросы вытяжной системы вентиляции, газы продувки компрессоров на свечу, газы регенерации.

Источниками неорганизованных выбросов являются воздушники аппаратов, продувочная свеча, неплотности технологического оборудования аппаратного двора.

Основными вредными веществами, выбрасываемыми, в атмосферу из источников являются: углеводороды, окислы азота, сероводород, окись углерода, сернистый газ.

Согласно ГОСТу 17.2.302.-78 и «Временной инструкции по установлению допустимых выбросов вредных веществ в атмосферу предприятиями Миннефтехимпрома РФ» установлены следующие величины ПДК в рабочей зоне:

Сернистого газа (SO ) -10 мг/м.

Окиси углерода (CO) -20 мг/м.

Сероводород (H S) -10 мг/м.

Углеводород -300 мг/м.

Окиси азота -5 мг/м.

Для исключения сбросов жидких нефтепродуктов со сточными водами на очистные сооружения предприятия предусматриваются мероприятия:

дренирование системы аппаратов, оборудования, трубопроводов от остат-

ков жидких продуктов производства осуществляется в закрытую систему (дренажную емкость Е - 5), с последующей откачкой дренажа в резервуары сырьевого парка;

вода в водяные холодильники поступает из системы оборотного водоснабжения. За состоянием оборотной воды на выходе с установки ведется систематический контроль, во избежание попадания в нее нефтепродукта;

промывание воды от смыва полов в открытой насосной и газовой компрессорной сбрасываются в промышленную канализацию, оборудованную гидрозатворами, затем на очистные сооружения;

ливневые стоки с территории установки направляются в промывную канализацию.

Для снижения норм расхода воды на установке необходимо производить контроль за температурой отходящей воды и чистить пучки холодильной аппаратуры в период ремонта.

Для контроля за процессом горения и полноты сжигания топлива установлен тягомер для измерения разрежения в камерах радиации и конвекции (разряжение должно быть до 30 мм вод. ст.)

Высота дымовой трубы 120 метров обеспечивает рассеивание вредных веществ.

Таблица 3 - Твердые отходы

Наименование отходов

Куда складируется, транспортируется

Периодичность образования

Условия (метод и место) захоронения, обезвреживание, утилизация

Примечание

1

Отработанный катализатор

Затаривается в металлические бочки

По истечению срока службы (4,5 года) после регенерации

Отправляются на переработку на катализаторную фабрику.

52,3

Возможно загрязнение воздуха,воды и земли.


Таблица 4 - Сточные воды

Наименование стока

Количество образования сточных вод. М/час

Условия (метод) ликвидации, обезвреживания, утилизации

Периодичность выбросов

Куда сбрасывается

Установленная норма содержания загрязнений в стоках мг/л

Примечание

1.

Ливневые стоки с площадок, стоки от мытья полов

0,03

Очистные сооружения

периодически

в промывную канализацию

1000


2.

После пропарки, промывки аппаратов при ремонте

10,0

Очистные сооружения

периодически, в период подготовки к ремонту

в промывную канализацию

1000




Таблица 5- Выбросы в атмосферу

  п.п.

Наименование сброса

Количество образование выбросов по видам г/сек

Условия (метод) ликвидации, обезвреживание, утилизация

Периодичность выбросов

Установленная норма содержания загрязнений в выбросах

 1

Дымовые газы печей П-1, П-2 печь неоргоническая SO CO NO CH

   0,032 0,075 2,47 0,0026

   выброс из трубы высотой 120 м

   постоянно

    0,221 0,075 0,0026

2

Газы регенерации катализатора SO CO H S

  6,96 0,096 0,669

 выброс из трубы высотой 120 м

  в период регенирации

  6,96 0,096 0,669

3

Вентсистема помещения компрессорной

0,2139


 постоянно

0,2139

4

Неорганизованные выбросы

 10,854


 постоянно

10,854



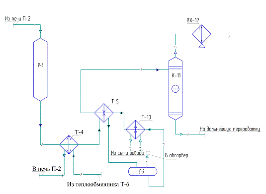
. Технологическая схема производства

Технологическая схема установки гидроочистки представлена на рисунке 1.

Установка предназначена для гидроочистки дистиллята дизельного топлива, включает реакторный блок, состоящий из печи и одного реактора, системы стабилизации гидроочищенного продукта, удаления сероводорода из циркуляционного газа, а также промывки от сероводорода дистиллята.

Сырьё, подаваемое насосом, смешивается с водородсодержащим газом, нагнетаемым компрессором. После нагрева в теплообменниках и в змеевике трубчатой печи поз. П - 2 смесь при температуре 380-425 °С поступает в реактор поз. Р - 3. Разность температур на входе в реактор и выходе из него не должна превышать 10°С.

Продукты реакции охлаждаются в теплообменниках поз. Т - 4 и Т - 5 до 160 °С, нагревая одновременно сырьевую смесь, а также сырьё для стабилизационной колонны. Дальнейшее охлаждение газопродуктовой смеси осуществляется в аппарате воздушного охлаждения ВХ - 12, а доохлаждение (примерно до 38 °С) - в водяном холодильнике.

Нестабильный гидрогенизат отделяется от циркуляционного газа в сепараторе высокого давления поз. С - 9. Из сепаратора гидрогенизат выводится снизу, проходит теплообменник поз. Т - 10, где нагревается примерно до 240 °С, а затем теплообменник поз. Т - 5 и поступает в стабилизационную колонну поз. К - 11.

На некоторых установках проводится высокотемпературная сепарация газопродуктовой смеси. В этом случае смесь разделяется при температуре 210-230 °С в горячем сепараторе высокого давления; уходящая из сепаратора жидкость поступает в стабилизационную колонну, а газы и пары в аппарат воздушного охлаждения. Образовавшийся конденсат отделяется от газов в холодном сепараторе и направляется также в стабилизационную колонну.

Рисунок 1 - Технологическая схема установки ГО-2

Циркуляционный водородсодержащий газ после очистки в абсорбере от сероводорода водным раствором моноэтаноламина возвращается компрессором в систему.

Гидроочищенный продукт, уходящий с низа колонны поз. К - 11, охлаждается последовательно в теплообменнике, аппарате воздушного охлаждения и с температурой 50 °С выводится с установки.

На установке имеется система для регенерации катализатора (выжиг кокса) газовоздушной смесью при давлении 2-4 МПа и температуре 400-550 °С. После регенерации катализатор прокаливается при 150 °С и 2 МПа газовоздушной смесью, а затем система продувается инертным газом.

. Оценка степени морального и физического стержня установки и её соответствие современным экологическим требованиям

В настоящее время в мире проблемы экологической безопасности становятся ключевыми, так как человеческая деятельность приняла такое развитие, что происходящие изменения в окружающей среде стали представлять непосредственную угрозу самому человеку. Поэтому организацию производства новой продукции и внедрение любого технического процесса необходимо рассматривать не только с экономической, но и с экологической точек зрения. При этом на плечи государства должна лечь обязанность обеспечения необходимой законодательной базы, экономически стимулирующей применение экологически чистых технологий, продукции, энергии.

Отрицательное воздействие на окружающую среду часто принято связывать с авариями на нефтепроводах, нефтеперерабатывающих заводах и нефтебазах, с чрезвычайными ситуациями и проблемами, возникающими при добыче и разведке нефти. Оценить влияние каждого нефтепродукта и процесса его производства на экологическую безопасность - проблемная задача. В то же время вопросу воздействия на окружающую среду на стадии переработки нефти пока уделяется недостаточное внимание.

Повышение уровня экологической чистоты технологии переработки углеводородного сырья связано, прежде всего, с недопустимостью выбросов любых вредных веществ в окружающую среду как при нормальной эксплуатации оборудования, так и при аварийных ситуациях. Сегодня наиболее привлекательными стали безотходные технологии, в которых все отходы производства полностью утилизируются и перерабатываются во вторичные материальные ресурсы. Безотходное производство предполагает создание оптимальной технологической схемы с замкнутыми материальными и энергетическими потоками. Производственный цикл при этом организуется таким образом, чтобы все технологические потоки (в том числе воздушные и водные), содержащие загрязнители, были изолированы от окружающей среды и циркулировали в замкнутом контуре, проходя через специальные системы их выделения и переработки в товарные виды продукции, не оказывая отрицательного воздействия на среду обитания. Из-за несовершенства некоторых технологий переработки углеводородного сырья, их аппаратурного оформления, недостаточного уровня инженерных решений в нефтеперерабатывающих производствах допускается сравнительно большое количество безвозвратных потерь нефти и нефтепродуктов, которые на весь объём используемого сырья (нефть и газ) составляют сотни тысяч тонн в год.

Вследствие создания высокоинтенсивных технологических процессов переработки нефти и газа, а также установок большой единичной мощности возникли принципиально новые экологические требования как к технологическому оформлению этих производств, так и к их размещению, а именно:

обеспечение высокой степени надежности их функционирования во избежание аварийных выбросов вредных веществ в окружающую среду;

·организация оптимальной работы каждого аппарата, системы и всей технологической схемы с учётом совокупных требований энерготехнологии, экономики и экологии;

·оптимальное распределение нагрузок по аппаратам, реакторам, подсистемам и т.п., обеспечивающих наиболее полную регенерацию энергетических потоков и эффективное использование материальных ресурсов с целью полной утилизации всех возможных выбросов вредных веществ в окружающую среду;

·оптимальное сочетание вновь размещаемой установки со всей совокупностью ранее действующих на этом заводе нефтеперерабатывающих производств, в том числе по объёму загрязнителей и взаимному влиянию на экологическую обстановку среды обитания.

На современном предприятии, использующем энерготехнологические системы существенно возрастает сложность и жёсткость связей между аппаратами. Это обуславливает необходимость высокого уровня надёжности и устойчивости работы каждого из них и всего комплекса в целом для снижения вероятности аварийных остановок производства и осуществления технологического процесса в высокоэффективном оптимальном режиме без выбросов вредных веществ в окружающую среду.

Результатом отрицательного влияния на окружающую среду предприятий и отдельных технологических установок является загрязнение сфер обитания, содержащих активную биомассу, приводящее к её угнетению и, в конечном итоге, к полному уничтожению. Ранее экологические организации отстаивали антропоцентристскую точку зрения, то есть выделяли из всей биомассы человека (центральное звено) и критерием оценки результатов всей деятельности считалось отсутствие негативного ее воздействия на здоровье человека. Соответственно подбирались определяющие критерии - предельно допустимые концентрации (ПДК) для различных веществ. Нормы различались по продолжительности действия вредного вещества (максимальные разовые, рабочего места, атмосферного воздуха, среднесуточные и т.п.). Объединяло их одно условие - отсутствие негативного влияния на здоровье человека после контакта с вредным веществом не выше ПДК в течение определенного промежутка времени. Однако практика показала, что игнорирование влияния вредных веществ на остальную часть биомассы приводит к пагубным для неё последствиям. В ряде случаев экологическая система теряет способность самовосстанавливаться после определенного воздействия вредных веществ, и наступает экологическая катастрофа - угнетение жизнедеятельности всего живого в месте загрязнения, нарушение обмена важнейшими химическими элементами и, как следствие, место загрязнения становится на долгие годы непригодным для жизни.

В качестве более общего индикатора дополнительно применяют удельные показатели выбросов вредных веществ в различные сферы (атмосферу, почву, водный бассейн). В последнее время предлагается относить количество вредных выбросов на производимый товар. Тогда этот показатель может быть полезен для обоснования выбора (на существующий период времени) наилучшей доступной технологии с точки зрения экологической безопасности установки или предприятия для окружающей среды.

Охрана окружающей среды на любой установке НПЗ включает в себя систему мер, позволяющих свести выбросы вредных и ядовитых веществ в окружающую среду, т.е. в атмосферу, водоемы, почву, до минимально достижимых на сегодняшний день концентраций, но не выше ПДК. Воздействие вредных и ядовитых веществ на окружающую среду, взаимосвязь с ней человеческой деятельности и методы ее защиты изучает наука экология. В связи с этим все системы мер по охране окружающей среды на установке должны отвечать требованиям экологии [5].

. Мероприятия по улучшению экологичности производства

Экологическая характеристика установки гидроочистки ДТ оценивается четырьмя показателями:

·количеством газообразных выбросов;

·количеством неутилизированных отходов;

·количеством потребляемой воды;

·количеством потерь нефтепродуктов.

Для уменьшения газообразных выбросов в печи необходимо установить аккустические горелки, т.к. они являются наиболее экологически безопасными. Для уменьшения расхода топлива необходимо предусмотреть в печи подогреватель воздуха.

При пуске и остановке установки необходимо предусмотреть сброс газа на факел.

Установка резервуаров с плавающей крышей позволит существенно снизить потери лёгких нефтепродуктов в окружающую среду.

Для неутилизированных отходов - песок, пропитанный нефтепродуктами, промасленную ветошь, изношенный прокладочный материал, шланги и др. - необходимо оборудовать специальную бетонную ёмкость, из которой периодически отходы вывозятся на специальную свалку.

Алюмокобальтмолибденовый катализатор уже не подлежащий регенерации собирают в герметичные ёмкости и отправляют на специальные заводы для извлечения цветных металлов.

Для снижения количества потребляемой воды на установке используется тепло отходящих потоков, в качестве концевых холодильников применяются аппараты воздушного охлаждения.

Во избежание попадания дождевых и талых вод на площадку установки и разлитых нефтепродуктов за пределы установки территорию установки необходимо оградить бордюром.

Замена сальниковых уплотнений насосов на торцевые позволяет существенно снизить потери нефтепродуктов через их неплотности. Сброс жидких нефтепродуктов из аппаратов и трубопроводов при отборе проб опорожнении проводится в специальную заглубленную емкость.

Разлитый нефтепродукт смывается с площадки водой в промливневую канализацию, из которой эта вода поступает на очистные сооружения НПЗ. Для снижения содержания нефтепродуктов в этой воде на выходе канализации с установки необходимо установить локальную нефтеловушку с гидрозатвором и насосом для откачки нефтепродукта в специальную ёмкость.

. Технологический расчет отстойника для очистки сточных вод

Разлитый нефтепродукт смывается с площадки водой в промливневую канализацию, поэтому предлагается установить отстойник для предварительной очистки сточных вод.

Исходные данные:

расход сточных вод V = 23 м3/час = 0,006 м3/с;

массовая концентрация загрязнений Сз = 3000 мг/дм3;

температура t = 20 ºС.

Применяемые обозначения:

L - кг/час массовый объем сточных вод;

G - кг/час сплошная фаза: вода;

g - кг/час взвешенная фаза: загрязнитель;

Lв, Gв, gв - массовая концентрация воды в потоках L, G, g;

Lз, Gз, gз - массовая концентрация загрязнений в потоках L, G, g.

Принимаем для воды при t = 20 ºС:

rв = 998 кг/м3, rз = 2200 кг/м3 - удельная плотность загрязнений;

содержание воды в потоке g, Хв = 0,25;

содержание загрязнений в потоке L.

Определим расход загрязнителя по формуле

 к,        (1)

 кг/час.

Расход сплошной фазы определим по следующей формуле

(2)

 кг/час.

Тогда содержание воды в потоке L определяем по формуле

= G + g,= 22922,7 + 69 = 22991,7 кг/час.

Содержание твердой фазы в осадке определяем исходя из уравнения

Хз = 100 - Хв,

Хз = 100 - 25 = 75 %.

Тогда

 %.в = 1 - Gз = 0,997.

Определяем плотность осадка по формуле

;

r0 = 1690 кг/м3.

Получим

aв = 0,997 aз = 0,003;

Хв = 1,0, Хз = 0;

Ув = 0,25, Уз = 0,75.

Объемные выходы осадка

 м3/час.

Объемный выход воды


В поле земного притяжения на шарообразную частицу, находящуюся в воде, действует сила тяжести Р и подъемная сила Архимеда= rв ×Vч - равная весу воды, вытесненной частицей.

Тогда результирующая сила

.    (4)

Сила сопротивления воды при осаждении по закону Ньютона

,         (5)

где x - коэффициент сопротивления среды;- площадь сечения частицы, мм;

rв - плотность воды, кг/м3;

w - скорость движения частицы, м/с.

Определим силу сопротивления для частиц шарообразной формы

.     (6)

Учитывая, что коэффициент сопротивления среды равен

y = x × p /8,         (7)

получим

= y × w2 × d2 × rв .        (8)

Величины x, l зависят от характера движения потока, т.е. от величины критерия Рейнольдса

,                                                              (9)

где d - диаметр частицы, мм;

w - относительная скорость, м/с;

n - кинематическая вязкость, м2/сек;

m - динамическая вязкость, м×сек/м2;

r - плотность среды, кг/м3.

При ламинарном потоке Re < 2320

;        (10)

.    (11)

Принимая R = F, получим

.       (12)

Использование этой формулы позволяет определить w0 методом попыток.

Используем определение w0 методом П.В. Лещенко для ламинарного потока

.    (13)

Получим

, (14)

где nв = 0, 010 × 10-4 м2/с для воды при t° = 40 °С;

µв = r × n = 998 ×0,010 × 10-4 = 0,000998 м×сек/м2.

 м/с.

Значение отношения w/w0 рекомендуется принимать из промежутка от 10 до 20.

Принимаем значение w/w0 равное 10. Тогда

w=10 × w0; (15)

w = 10 × 0,0066 = 0,066 м/с.

При w/w0 = 10 a - поправочный коэффициент, зависящий от w/w0

;        (16)= 1,25 × 10 h = 16,25 м.

Принимаем d = 4,2 м, тогда l = 6,25 м.

Принимаем коэффициент полезного действия (КПД) отстойника 95 % [5].

Массовая концентрация загрязнений на выходе из отстойника составит

;       (17)

 млг/л.

Таким образом, принимаем горизонтальный отстойник (рисунок 3.1) со следующими параметрами:

диаметр 2400 мм,

длина 8,5 м.


Список использованных источников

Ахметов С.А. Технология глубокой переработки нефти и газа. - Уфа: Гилем, 2002. - 669 с.

Черножуков Н.И. Очистка и разделение нефтяного сырья, производство товарных нефтепродуктов. - М.: Химия, 1978. - 423с.

Магарил Р.З. Теоретические основы химических процессов переработки нефти. - М.: Химия, 1976. - 311 с.

Аспель Н.Б., Демкина Г.Г. Гидроочистка моторных топлив. - М.: Химия, 1977.- 158 с.

Танатаров М.А., Ахметшина М.Н. и др. Технологические расчеты установок переработки нефти.- М.: Химия, 1987г. - 351 с.

Багиров И.Т. Современные установки первичной переработки нефти.- М.: Химия, 1974. - 237 с.

Ластовкин Г.А. Справочник нефтепереработчика. - М., 1986. - 649 с.

Эрих В.Н. Химия и технология нефти и газа. - М.: Химия, 1977. - 424 с.

Каминский Э.Ф. Глубокая переработка нефти. - Уфа, 2001. - 385 с.

Похожие работы на - Установка гидроочистки и лёгкого гидрокрекинга нефтяных, газоконденсатных дистиллятов на алюмоникельмолибденовом или алюмокобальтмолибденовом катализаторе

 

Не нашли материал для своей работы?
Поможем написать уникальную работу
Без плагиата!
Без нейросетей!