Расчет усилительного каскада на биполярном транзисторе
Содержание
Техническое задание
Введение
1. Расчет элементов схемы по постоянному току
1.1 Предварительные данные для расчета
1.2 Выбор транзистора
1.3 Определение координат рабочей точки транзистора на
выходных характеристиках транзистора
1.4 Входные и выходные характеристики
.5 Определение постоянных тока и мощности, потребляемых в
режиме покоя
. Графоаналитическтй расчет параметров усилителя
2.1 Построение динамической нагрузочной прямой и графический
расчет амплитуд сигналов
.2 Расчёт параметров каскада по переменному сигналу
.3 Определение емкостей конденсаторов на входе и выходе
каскада и в цепи эмиттера
3. Определение h-параметров и характеристик каскада
3.1 Определение входного сопротивления
3.2 Определение коэффициента обратной связи напряжению
3.3 Определение коэффициента усиления по току
3.4 Определение выходной проводимости
3.5 Определение коэффициентов усиления через h - параметры
Заключение
Список литературы
Техническое задание
. Рассчитать элементы схемы и параметры однокаскадного усилителя на
биполярном транзисторе малой мощности.
. Схема каскада с эмиттерной стабилизацией режима работы.
ток транзистор усилитель мощность
. Рассчитать элементы схемы по постоянному току.
. Рассчитать графически параметры усилителя.
. Определить h - параметры транзистора и характеристики схемы.
. Тип биполярного транзистора МП26.
.Напряжение питания 40В.
. Нижняя частота усиливаемого сигнала 10 кГц.
. Сопротивление нагрузки 1000 Ом.
. Амплитуда тока базы 0,5 мА.
Введение
Транзистор - это полупроводниковый прибор с двумя или
несколькими р-n-переходами, позволяющий усиливать
электрические сигналы и имеющий три вывода или более.
Транзисторы в зависимости от принципа действия и
конструктивных признаков подразделяются на два больших класса: биполярные и
полевые.
Биполярными транзисторами называют полупроводниковые
приборы с двумя или несколькими взаимодействующими электрическими p-n-переходам и тремя выводами или более, усилительные свойства
которых обусловлены явлениями инжекции и экстракции неосновных носителей
заряда.
В настоящее время широко используют биполярные
транзисторы с двумя p-n-переходами, к которым чаще всего и
относят этот термин. Они состоят из чередующихся областей (слоев)
полупроводника, имеющих электропроводности различных типов. В зависимости от
типа электропроводности наружных слоев различают транзисторы р-n-р-типа и n-р-n-типа.
Транзисторы, в которых p-n-переходы создаются у
поверхностей соприкосновения полупроводниковых слоев, называют плоскостными.
Физические процессы в транзисторах состоят в
следующем.
Упрощенная структура плоскостного р-n-р-транзистора показана на рис. 1а,
условные обозначения р-n-р- и
n-р-n-транзисторов- на рис. 1 б.
Рис. 1. Упрощенная структура плоскостного транзистора
(а) и его условные обозначения с указанием направления токов (б)
При подключении напряжений к отдельным слоям биполярного
транзистора оказывается, что к одному переходу приложено прямое напряжение, а к
другому обратное. При этом переход, к которому при нормальном включении
приложено прямое напряжение, называют эмиттерным, а соответствующий наружный
слой - эмиттером (Э).
Рис. 2. Структуры транзисторов.
а - сплавного; б - эпитаксиально-диффузионного; в -
планарного; г - мезатранзистора; 1 - база; 2 - эмиттер; 3 -эпитаксиальная
пленка; 4 - подложка.
Средний слой называют базой (Б). Второй переход,
смещенный приложенным напряжением в обратном направлении, называют
коллекторным, а соответствующий наружный слой - коллектором (К).
Однотипность слоев коллектора и эмиттера позволяет при
включении менять их местами. Такое включение носит название инверсного. При
инверсном включении параметры реального транзистора существенно отличаются от
параметров при нормальном включении.
Типовые конструкции биполярных транзисторов,
изготовленных различными методами, приведены на рис. 2.
В зависимости от технологии изготовления транзистора
концентрация примесей в базе может быть распределена равномерно или
неравномерно. При равномерном распределении внутреннее электрическое поле
отсутствует и неосновные носители заряда, попавшие в базу, движутся в ней вследствие
процесса диффузии. Такие транзисторы называют диффузионными или бездрейфовыми.
При неравномерном распределении концентрации примесей
в базе имеется внутреннее электрическое поле (при сохранении в целом
электронейтральности базы) и неосновные носители заряда движутся в ней в
результате дрейфа и диффузии, причем дрейф играет доминирующую роль. Такие
транзисторы называют дрейфовыми. Понятие «диффузионный транзистор» отражаем
основные процессы, происходящие в базе, поэтому его не следует путать с технологическим
процессом получения р-n-переходов.
Рис. 3. Энергетические зонные диаграммы диффузионного
(а) и дрейфового (б) транзисторов при равновесном состоянии p-n-переходов.
При
изготовлении транзисторов эмиттер и коллектор выполняют низкоомными, а базу -
сравнительно высокоомной. При этом удельное сопротивление области эмиттера
несколько меньше, чем области коллектора, Это видно из энергетических зонных
диаграмм диффузионного и дрейфового транзисторов, приведенных на рис.3 а, б.
Для базы уровень Ферми лежит вблизи середины запрещенной зоны, характеризуемой
электростатическим потенциалом цE, для эмиттера уровень
Ферми лежит вблизи потолка валентной зоны
, а для
коллектора - на несколько большем расстоянии. В связи с разной концентрацией
примеси в базе дрейфового транзистора расстояние между уровнем Ферми и дном
зоны проводимости изменяется по длине базы (рис.3, б). Потенциальные барьеры
эмиттерного и коллекторного переходов (контактные разности потенциалов)
обозначены, как
и
Все
положения, рассмотренные ранее для единичного p-n-перехода,
справедливы для каждого из p-n-переходов транзистора. В равновесном состоянии
наблюдается динамическое равновесном между потоками дырок и электронов,
протекающими через каждый p-n-переход, и результирующие токи равны нулю.
Инерционные
свойства транзистора.
При
быстрых изменениях входного сигнала, например IЭ, проявляются инерционные свойства транзистора. Они
обусловлены конечным временем «пролета» носителей заряда через область базы;
временем, необходимым на перезарядку емкостей эмиттерного и коллекторного
переходов и на установление необходимых концентраций носителей зарядов. В итоге
выходной сигнал (ток IК) будет
иметь искаженную форму. Если у транзистора, работающего в активной области,
скачком изменить ток на ДIЭ (рис.4,
а), то IК вначале
практически не меняется, а затем начинает нарастать до установившегося значения
по сложному закону, увеличиваясь на ДIК (рис. 4, б).
Рис.4.
Диаграмма изменения токов эмиттера (а) и коллектора (б).
В инженерной практике чаще всего считают, что
изменения выходного сигнала происходят по экспоненте с задержкой на время tздб. Экспоненциальная функция имеет постоянную
времени фб, приблизительно равную времени, в течение которого
выходной сигнал достигает 0,63 установившегося значения. Изменения выходного
сигнала не соответствуют изменениям входного. Это свидетельствует о том, что
коэффициент б является функцией времени. Так как данная зависимость достаточно
сложная, при практических расчетах ее заменяют более простыми функциями. В
большинстве случаев считают, что в операторном виде изменение сигнала
происходит в соответствии с выражением
, (1)
где
б0 -статическое значение коэффициента передачи эмиттерного тока; р -
оператор Лапласа.
Постоянная
времени фб определяется как
фб=1/щб.
(2)
Здесь
щб - предельная частота, на которой коэффициент б становится равным
0,7 своего статического значения (уменьшается на 3 дБ).
При
необходимости учесть время задержки (1) несколько усложняют, вводя в числитель
функцию е
. (3)
Иногда
применяют другое приближение, которое является более cложным и менее
удобным, но позволяет точнее аппроксимировать передаточную характеристику:
Используют
три схемы включения транзистора.
В
зависимости от того, какой электрод транзистора является общим для входного и
выходного сигналов, различают три схемы включения транзистора (рис.5): с общей
базой (ОБ); с общим эмиттером (ОЭ); с общим коллектором (ОК).
Рис. 5. Включение транзистора по схеме с общей базой
(а), с общим эмиттером (б), с общим коллектором (в).
В этих схемах источники постоянного напряжения и
резисторы обеспечивают режимы работы транзисторов по постоянному току, т.е.
необходимые значения напряжений и начальных токов. Выходными напряжениями UВЫХ являются переменные составляющие
напряжений на резисторах RК и RЭ.
Для удобства и упрощения расчетов в справочниках
приводят статические входные и выходные характеристики для схем включения с ОБ
и ОЭ.
Используют h-параметры транзисторов.
При любой схеме включения транзистор может быть
представлен в виде активного четырехполюсника, на входе которого действует
напряжение u1 и протекает ток i1 а на выходе - напряжение u2 и ток i2. Для транзисторов чаще всего
используются h- параметры, так как они наиболее
удобны для измерений. Система уравнений, показывающая связь напряжений и токов
с h-параметрами, имеет вид:
Физический
смысл соответствующих коэффициентов следующий:
-входное
сопротивление при коротком замыкании на выходе;
-коэффициент
обратной связи по напряжению;
-
коэффициент передачи тока при коротком замыкании на выходе;
-
выходная проводимость при холостом ходе на входе.
По
эквивалентной схеме транзистора для переменного тока можно найти, от чего
зависит каждый из коэффициентов. Для схем с ОБ и с ОЭ например, если СЭ
и СК и генератор напряжения мЭКuкб не учитывать, то*
h
≈ rэ.диф+r
(1-б); h
≈ r' + rэ.диф
(в+1);
h
; h
;
h
; h
; (5)
h
; h
.
В
выражениях (5) учтено, что сопротивление базы у реальных транзисторов порядка
сотен Ом. Значения сопротивления r
находится в пределах долей - десятков мегом,
0,9 ч 0,99.
Значения
коэффициентов h можно определить также с помощью эквивалентной схемы
для постоянного тока. Однако наиболее часто представляют интерес только h21э и h21б:
h21б ≈ (Iк - IКБО)/IЭ=
;
h21э=(IЭ -IКЭО)/IБ=(IК-IКБО)/(IБ+IКБО)=
;
Они
равны интегральным коэффициентам передачи эмиттерного и базового токов.
Для
транзисторов в соответствии с ГОСТ 20003-74 задают не коэффициенты б, в, а
равные им в первом приближении параметры h21э и h21б. При
анализе цепей с биполярными транзисторами в дальнейшем будем использовать
параметры транзистора, выраженные через коэффициенты четырехполюсника.
Коэффициенты б и в будем привлекать лишь для объяснения физических особенностей
работы различных полупроводниковых приборов.
Основные
параметры биполярных транзисторов:
Коэффициенты
передачи эмиттерного и базового тока (дифференциальные коэффициенты передачи)
дифференциальное
сопротивление эмиттерного перехода
обратный
ток коллекторного перехода при заданном обратном напряжении
IКБО=IК
; UКБ<0;
Объемное
сопротивление базы биполярного транзистора
;
Коэффициент
внутренней обратной связи по напряжению
;
Выходная
проводимость или дифференциальное сопротивление коллекторного перехода
;
максимально
допустимый ток коллектора IК max;
наибольшая
мощность рассеяния коллектором РКmax;
емкость
коллекторного перехода СК;
тепловое
сопротивление между коллектором транзистора и корпусом RТ =ДТ/ РКmax, где
ДТ- перепад температур между коллекторным переходом и корпусом;
предельная
частота усиления f21 или щh21, на которой коэффициент
передачи тока h21
уменьшается до 0,7 своего статического значения: 

; 

;
часто
вмеасто предельной задают граничную частоту коэффициента передачи в схеме с ОЭ fгр или щгр, когда h21Э→1;
Максимальная
частота генерации fmax ≈
это наибольшая частота, при которой может работать в
схеме автогенератора. Ориентировочно можно считать, что на этой частоте
коэффициент усиления транзистора по мощности равен единице.
1. Расчет элементов схемы по постоянному току
.1 Предварительные данные для расчета
Максимальное напряжение между коллектором и базой: Uкэ макс=70 В, максимальны ток
коллектора: I к макс = 400 мА, напряжение питания:
Eп = 40 В, амплитуда тока базы: Imб = 0,5 мА, максимальная мощность на
коллекторе: Ркмакс = 400 мВт.
.2 Выбор транзистора
При выборе транзистора необходимо руководствоваться следующими условиями:
1. Uкэ макс>Eп;
2. I к
макс
(1,5-2)Ioк;
. Ркмакс
Рок;
где Ioк - коллекторный ток в рабочей точке
транзистора, Рок - мощность, рассеиваемая на коллекторе в рабочей точке.
Так как 70 В >40 В, то условие 1 выполняется. Остальные условия будут
проверены ниже.
.3 Определение координат рабочей точки транзистора на выходных
характеристиках транзистора
Для определения тока Ioк
необходимо воспользоваться соотношением:
Ioк=1,4
Imk,
где Imk - амплитуда тока коллектора,
Imк= Imб
,
-коэффициент
передачи тока транзистора, mб - амплитуда тока базы. Из справочника выбираем
=20. Тогда
Ioк=1,4*0,5*20=14
(мА).
Так как 400 мА > 28 мА, то условие 2 выполняется. Вычислим
сопротивление в цепи коллектора транзистора Rk по следующей формуле:
Используя
стандартный ряд Е24, выберем следующее значение сопротивления RК = 1,2 кОм.
Определим мощность, рассеиваемую на сопротивлении RК, по формуле:
PRк=Iок
Rк=196·10-6·1142=0,235 (Вт).
Используя стандарт, выбираем значение мощности на сопротивлении RК, равное PRk = 0,25 Вт. Выбираем резистор типа МЛТ-0,25-1,2кОм.
Полагая, что токи коллектора и эмиттера транзистора равны IОК=IОЭ, определяем сопротивление в цепи эмиттера по следующей
формуле:
Используя
стандартный ряд Е24, выбираем следующее значение сопротивления RЭ = 560 Ом. Определим мощность на сопротивлении RЭ по формуле:
РRЭ=IОЭ2·RЭ=196·10-6·560=0,108 (Вт).
Используя
стандарт, выбираем значение мощности на сопротивлении RЭ, равное PRэ = 0,125
Вт. Выбираем резистор типа МЛТ-0,125-560 Ом.
Рис.
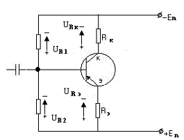
6. Фрагмент схемы для определения напряжения в рабочей точке.
Исходя
из второго закона Кирхгофа, для рис.6 можно записать соотношение:
Еп=URк+URэ+Uокэ,
откуда следует, что
Uокэ=Еп - URк - URэ= Еп- Iок(Rк+Rэ)=40-14*
(1200+560)=15,36 (В).
По параметрам рабочей точки определяем мощность, рассеиваемую на
коллекторе транзистора по следующей формуле:
Pок= Iок Uокэ=14·
·15,36=215 (мВт).
Так как 400 мВт > 215 мВт, то условие 3 выполняется. Таким образом
транзистор выбран правильно.
1.4 Входные и выходные характеристики
Выходные
характеристики транзистора в схеме с общим эмиттером имеют большой наклон, что
объясняется сильной зависимостью коэффициента передачи тока от напряжения UКЭ. Кроме того, в схеме с общим эмиттером сильно
сказывается эффект умножения носителей заряда в коллекторном переходе.
Возникающие в результате умножения электроны, проникая в базу, смещают
эмиттерный переход в прямом направлении. Поэтому ток IЭ (следовательно, ток IК) при постоянном токе базы возрастает с увеличением UКЭ. Последнее обстоятельство приводит к пробою
коллекторного перехода транзистора при более низких напряжениях на коллекторе
. При больших токах базы характеристики заметно
сгущаются. Начальные участки выходных характеристик транзистора в схеме с общим
эмиттером сходятся в начало координат, т.к. при UКЭ = 0 разность потенциалов на коллекторном переходе
практически равна нулю, а следовательно, равен нулю ток коллектора.
Взаимное
расположение входных характеристик в схеме с общим эмиттером зависит от
напряжения коллектора. Однако входные характеристики в схеме с общим эмиттером,
снятые при больших значениях напряжения UКЭ, располагаются дальше от оси токов, чем
характеристики, снятые при меньших значениях напряжения UКЭ.
По вычисленным значениям UОКЭ и IОК построим рабочую точку А на выходной характеристике, показанной
на рис.7. Проведем через эту точку и точку Eп статическую нагрузочную прямую, которая пересекает ось
токов в точке Ik.
Рис.7. Выходные характеристики транзистора с рабочей точкой и нагрузочной
прямой.
Вычислим ток Ik’ по формуле:
На рис.7 ток IК=22,5 (мА). После сравнения токов
делаем вывод, что они совпадают.
По местоположению рабочей точки на выходных характеристиках определяем
ток базы в рабочей точке. Он определяется характеристикой, на которой лежит
рабочая точка.
. Если рабочая точка А лежит непосредственно на характеристике, то справа
на выходных характеристиках необходимо прочитать ток базы, соответствующий этой
характеристике.
. Если рабочая точка А лежит между характеристиками, то ток базы
вычисляется методом экстраполяции. Для этого проводим примерно через рабочую
точку А выходную характеристику и для неё рассчитываем ток базы: Iоб=900 (мкА).
Здесь
необходимо проверить условие Iоб
Imб,
соответствующее линейному режиму работы усилительного каскада. Так как 900 мкА
> 500 мкА, то условие выполняется. Для определения напряжения на базе в
рабочей точке необходимо построить рабочую точку на входной характеристике
транзистора.
Рис.8. Входная характеристика транзистора с рабочей точкой.
На входной характеристике по Iоб наносим рабочую точку А, по которой определяем постоянное напряжение в
рабочей точке: UОЭБ = 250 (мВ).
Рассчитаем параметры резисторов, стоящих в цепи входного делителя
напряжения (схема 2):
Рис.9. Фрагмент схемы для расчета делителя напряжения.
Ток делителя, стоящего в цепи базы, определяется по формуле:
Iд=(3-5) Iоб=
=3,6 (мА).
По второму закону Кирхгофа из рис.9 можно записать следующее выражение
для напряжения UR2:
UR2 = Uобэ + URэ = Uобэ + Iок Rэ
=0,25+14 
560=8,09
(B).
Найдем сопротивление R2 по закону Ома:
Найдем мощность на сопротивлении R2 по следующей формуле:
РR2=IД2R2=(3,6·10-3)2·2247=0,0285 (Вт)=285 мВт.
Выбираем резистор типа МЛТ-0,125-2,2 кОм.
Рассмотрим резистор R1. По второму закону Кирхгофа
(см.рис.9):
UR1+
UR2=EП,
откуда следует, что
(IД+IОБ)R1=EП - IД R2.
Тогда:
Найдем
мощность на сопротивлении R1:
РR1=IД2·R1=
(мВт).
Используя
стандартный ряд мощности, выбираем значение мощности на сопротивлении R1, равное PR1 = 0,125 Вт.
Используя
стандартный ряд Е24, выбираем следующее значение сопротивления R1 = 7,2 кОм. Выбираем резистор типа МЛТ-0,125-7,2 кОм.
1.5 Определение постоянных тока и мощности, потребляемых в режиме покоя
Находим ток потребляемого устройства в отсутствии входного сигнала или в
режиме покоя по формуле:
I0=IД+IОК+IОб=3,6+14+0,9=18,5 (мА).
Находим мощность, потребляемую транзистором в режиме покоя, по формуле:
РО=IOEП=18,5·10-3·40=0,74
(Вт)=740 (мВт).
2. Графоаналитическтй расчет параметров усилителя
.1 Построение динамической нагрузочной прямой и графический расчет
амплитуд сигналов
В этом разделе построим кривые входного и выходного сигнала и найдем
амплитуды входных и выходных токов и напряжений. Этим значениям тока на
динамической нагрузочной прямой соответствуют точки пересечения прямой и
выходных характеристик транзистора, соответствующих входным токам.
Нанесем на выходную характеристику (рис. 10) статическую нагрузочную
прямую под углом б и динамическую
нагрузочную прямую под углом б’. Она получается из-за влияния
сопротивления нагрузки RН
на работу каскада.
Рис.10. Выходные характеристики с нагрузочными прямыми.
Определить тангенс угла наклона статической нагрузочной прямой к оси
напряжений можно по следующей формуле:
Рассчитаем
тангенс угла наклона нагрузочной прямой к оси напряжений с учетом сопротивления
нагрузки RН.
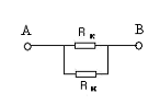
Сопротивление нагрузки RН =1000
(Ом) соединяется по переменному сигналу параллельно с сопротивлением RК и общее сопротивление RК’
вычисляется по следующей формуле:

Рис. 11. Фрагмент схемы, поясняющий соединение сопротивлений RК и RН.
.
Рассчитаем тангенс угла наклона динамической нагрузочной прямой:
По расчетам можно сделать следующие выводы:
1.
теор =
граф
, 2.
>
, так как
>
.
Iбмакс=Iоб+Iмб=0,9+0,5=1,4(мА), Iбмин=Iоб-Iмб=0,9-0,5=0,4(мА).
Искомые точки определяются пересечением динамической нагрузочной прямой и
выходных характеристик, соответствующих этим токам (рис.10). По входной
характеристике транзистора определяем амплитуду напряжения на базе (рис.11). По
найденным точкам определяем координаты максимального и минимального значений
тока коллектора и напряжения между коллектором и эмиттером.
Из рис.10 находим: IКМАКС=18 мА, IКМИН=4,5 мА, UКЭМАКС=33 В, UКЭМИН=7 В, из рис 12 находим: UБЭМАКС=0,29 В, UБЭМИН-=0,18 В.
По найденным значениям определяем амплитуды входных и выходных напряжений
и выходного тока:
Рис.12. Входные характеристики с входными сигналами.
2.2 Расчёт параметров каскада по переменному сигналу
Коэффициент усиления по напряжению Ku равен отношению амплитудных или действующих значений
выходного и входного напряжений. Входным является переменное напряжение база -
эмиттер Umб, а выходным - переменное напряжение на нагрузке или,
что все равно, между коллектором и эмиттером Umk:
Коэффициент усиления каскада по напряжению имеет значения от десятков до
сотен.
Коэффициент усиления по току Ki представляет собой отношение амплитуд (или действующих
значений) выходного и входного токов, т.е. переменных составляющих токов
коллектора и базы. Определим данный коэффициент по формуле:
Коэффициент KI
имеет значения от десятков до сотен.
Коэффициент усиления каскада по мощности Kp получается равным сотням, или
тысячам, или даже десяткам тысяч. Этот коэффициент представляет собой отношение
выходной мощности к входной. Каждая из этих мощностей определятся половиной
произведения амплитуд соответствующих токов и напряжений:
Найдем коэффициент усиления каскада по мощности, используя следующую
формулу:
Важными
величинами, характеризующими транзистор, является его входное и выходное
сопротивления, рассчитываемые по следующим формулам:
Определим
КПД усилителя по формуле:
2.3 Определение емкостей конденсаторов на входе и выходе каскада и в цепи
эмиттера
Разделительный конденсатор Ср1 служит для передачи на вход
транзистора усиливаемого переменного напряжения. Чтобы потеря этого напряжения
на конденсаторе Ср1 была незначительной, его емкостное сопротивление
для самой низкой частоты должно быть достаточно малым. Емкость этого конденсатора
на низких частотах равна единицам и даже десяткам микрофарад. Поэтому в
качестве конденсатора Ср1 в низкочастотных схемах обычно применяют
малогабаритные электролитические конденсаторы.
Используя
стандартный ряд, выбираем следующее значение емкости Ср1=100нФ =
0,1мкФ. Таким же образом определим емкость на выходе транзистора Ср2
по формуле:
Используя
ряд, выбираем следующее значение емкости Ср2=250 нФ = 0,25 мкФ.
Рассчитаем емкость в цепи эмиттера Сэ транзистора, по следующей
формуле:
Используя
стандартный ряд, выбираем следующее значение емкости Сэ=250 нФ =
0,25 мкФ.
3. Определение h-параметров и характеристик каскада
В настоящее время основными считаются смешаннее (или гибридные)
параметры, обозначаемые буквой h или H. Название «смешанные» дано потому,
что среди них имеются две относительные величины, одно сопротивление и одна
проводимость. Именно h -
параметры приводятся во всех справочниках. Эти параметры удобно измерять. Это
весьма важно, т.к. публикуемые в справочниках параметры являются средними,
полученными в результате измерений параметров нескольких транзисторов данного
типа. Два из h - параметров определяются при
коротком замыкании для переменного напряжения на выходе. В этом случае на выход
транзистора подается только постоянное напряжение. Остальные два параметра
определяются при холостом ходе для переменного тока на входе, т.е. при
разомкнутой для переменного тока входной цепи, когда во входной цепи имеется
только постоянный ток, создаваемый источником питания. Эти условия нетрудно
осуществить на практике при изменении h - параметров.
В систему h - параметров
входят следующие величины:
входное сопротивление h11;
коэффициент обратной связи по напряжению h12;
коэффициент усиления по току (коэффициент передачи тока) h21;
выходная проводимость h22.
Определить параметры можно не только через приращения токов и напряжений,
но и через амплитуды переменных составляющих токов и напряжений.
.1 Определение входного сопротивления
Входное сопротивление представляет собой сопротивление между входными
зажимами для переменного входного тока при коротком замыкании на выходе, т.е.
при отсутствии выходного переменного напряжения. При этом условии изменение
входного тока Дi1 является результатом изменения
только входного напряжения Дu1, а если бы на выходе было переменное
напряжение, то оно за счет обратной связи, существующей в транзисторе, влияло
бы на входной ток. В результате входное сопротивление рассчитывается по
формуле:
где значения ДUбэ и ДIб определяются по входным характеристикам транзистора.
Параметр h11 - должен характеризовать сам
транзистор (независимо от Rн) и поэтому он определяется при Uкэ = const, т.е. при Rн = 0
Рис. 13. Определение параметра h11Э.
3.2 Определение коэффициента обратной связи напряжению
Рис.14. Определение параметра h12Э.
Коэффициент обратной связи по напряжению:
показывает,
какая доля выходного напряжения передается на вход транзистора вследствие
наличия в нем внутренней обратной связи.
Условие
Iб = const
в данном случае подчеркивает, что во входной цепи нет переменного тока, т.е.
эта цепь разомкнута для переменного тока, и, следовательно, изменение
напряжения на входе ДU, есть результат изменения только выходного напряжения
ДUкэ.
В
транзисторе всегда есть внутренняя обратная связь за счет того, что электроды
транзистора имеют электрическое соединение между собой, и за счет сопротивления
базы. Эта обратная связь существует на любой низкой частоте, даже при f= 0,
т.е. на постоянном токе. Значения приращений напряжений находятся также по
входным характеристикам.
3.3 Определение коэффициента усиления по току
Рис.15. Определение параметра h21Э.
Коэффициент усиления по току (коэффициент передачи тока) равен:
и
показывает усиление переменного тока транзистором в режиме работы без нагрузки.
Условие Uкэ = const,
т.е. Rн = 0, и
здесь задается для того, чтобы изменение выходного тока ДIк зависело только от изменения входного тока Д Iб. Именно при выполнении такого условия параметр h21 будет действительно характеризовать усиление тока
самим транзистором. Если бы выходное напряжение менялось, то оно влияло бы на
выходной ток, и по изменению этого тока уже нельзя было бы правильно оценить
усиление. Значения приращений токов находятся по выходным характеристикам
транзистора.
3.4
Определение выходной проводимости
Рис.16.
Определение параметра h22Э.
Параметр
h22представляет
собой внутреннюю проводимость для переменного тока между выходными зажимами
транзистора.
Ток
Iк’ должен изменяться только под влиянием изменения
выходного напряжения Uкэ. Если
при этом ток Iб не будет
постоянным, то его изменения вызовут изменения тока Iк’ и
значение h22Э будет
определено неправильно.
.5 Определение коэффициентов усиления через h - параметры
Определим коэффициент передачи по напряжению Ku по следующей формуле:
В
расчетах, приведенных в разделе 2, значение коэффициента передачи по напряжению
равен Кu=20,16.
Определим
коэффициент усиления по току Ki, по данным, по следующей формуле:
В
расчетах, приведенных в разделе 2, значение коэффициента усиления по току равно
КI=13,5.
Определим
сопротивления каскада Rвых и Rвх
по следующим формулам:
В
расчетах, приведенных в разделе 2, значения сопротивлений каскада
соответственно равны: Rвых=1800
(Ом) и Rвх=1240
(Ом).
Определим
коэффициент усиления по мощности Кр используя формулу:
В
расчетах, приведенных в разделе 2, значение коэффициента усиления по мощности
равно Кр=280.
Заключение
В работе рассчитан усилительный каскад на биполярном транзисторе. Изучены
основные принципы его работы, свойства, факторы, влияющие на работу, определены
h - параметры транзистора и
коэффициенты усиления по мощности, напряжению и току.
Использованы входные и выходные характеристики для графического расчета,
выявлены основные свойства характеристик транзистора.
Каскад
с общим эмиттером обладает наибольшим усилением по мощности и поэтому может
применяться при необходимости получить максимальное усиление с минимальным
числом транзисторов. Это обстоятельство определяет широкое распространение
схемы с общим эмиттером. Каскад с общим эмиттером менее стабилен, чем другие
схемы по коэффициенту усиления при изменении температуры и требует для
стабилизации введения отрицательных обратных связей, снижающих усиление.
Область устойчивой работы меньше, чем в схеме с общей базой. Максимальное
напряжение на коллекторе ниже
, что
накладывает некоторые ограничения на амплитуду переменного напряжения на
коллекторе и на напряжения источника питания. При конструировании схем все это
необходимо учитывать. Коэффициент усиления по току каскада с общим эмиттером
обычно составляет десятки и сотни, входное и выходное сопротивления достаточно
велики, все это облегчает построение многокаскадных усилителей с такой схемой.
Определены
h-параметры транзистора и рассчитаны основные
характеристики усилительного каскада.
Список литературы
1. Транзисторы. - Справочник. Издание 3-е /под ред.
И.Ф. Николаевского. Издательство «Связь»: М.: 1999, - 623 стр.
2. Мощные полупроводниковые приборы. Транзисторы. -
Справочник. Б.А. Бородин, В.М. Ломакин, В.В. Моряков. М.: Радио и связь, 1985,
- 904 стр, ил.
. Агаханян Т.М. Основы транзисторной электроники - М.:
Энергия, 1973, - 256 стр. с ил.
. Виноградов Ю.В. Основы электронной и
полупроводниковой техники. - Учебник для студентов ВТУЗов. Издание 2-е доп. М.:
Энергия, 1972, - 536 стр. с ил.
. Батушев В.А. Электронные приборы: учебник для ВУЗов.
- 2-е издание, перераб. и доп. - М.: Высшая Школа, 1980 - 383 стр., ил.
. Полупроводниковые приборы. Транзисторы. - Справочник
/под ред. Н.Н. Горюнова М.: Энергоиздат, 1982, - 904 стр., ил.
. Спиридонов Н.С. Основы теории транзисторов. -
Издание 2-е испр. и доп. К.: Техника, 1975, - 360 стр.
. Гусев В.Г., Гусев Ю.В. Электроника: учеб. Пособие
для ВУЗов. - М.: Высшая школа, 1982, - 495 стр., ил.
. Жеребцов И.П. Основы электроники. - 5-е изд.,
перераб. и доп. - Л.: Энергоатомиздат. Ленингр. отд - ние, 1990, - 352 стр.,
ил.
. Прянишников В.А. Электроника: полный курс лекций. -
3-е изд., испр. и доп. - СПб.: Учитель и ученик: Корона принт, 2003, - 416
стр., ил.
. Транзисторы. Параметры, методы измерений и
испытаний. /под ред. И.Г. Бергельсона Издательство Советское радио, М.: 1968, -
506 стр.