Расчет дешифратора

  • Вид работы:
    Контрольная работа
  • Предмет:
    Информатика, ВТ, телекоммуникации
  • Язык:
    Русский
    ,
    Формат файла:
    MS Word
    361,18 Кб
  • Опубликовано:
    2014-03-30
Вы можете узнать стоимость помощи в написании студенческой работы.
Помощь в написании работы, которую точно примут!

Расчет дешифратора

Введение

цифровой триггер индикатор

Проектирование и разработка базовых электронных схем и создаваемых из них более сложных систем как раз и составляют то, чем занимается электроника.

Среди близко знакомых многим электронных систем - радиоприемники и телевизоры, стереофонические системы и видеомагнитофоны. В деловой сфере находит применение разнообразное электронное оборудование - от простых систем внутренней связи до мощных компьютеров для обработки информации. Государственные организации многих стран используют весьма сложное электронное оборудование для управления воздушным движением, сбора и обработки информации о погоде и стратегического планирования обороны.

Одна из выдающихся характеристик электронных схем - гибкость их применения. Многие базовые схемы можно объединять многочисленными способами для выполнения совершенно различных функций. Так, например, высококачественный усилитель может в одном случае использоваться электронные системы управления, измерения и обнаружения проникают во все уголки жизнедеятельности для исследования электрических сигналов мозга, а в другом - при добавлении соответствующего датчика - для измерения напряжений нагруженной балки. В цифровой электронике простое базовое устройство памяти в одном случае может показывать, открывалась дверь или нет, а в другом - быть частью системы, подсчитывающей количество консервных банок, транспортируемых ленточным конвейером.

1.Выбор элементарной базы проектируемого цифрового устройства

Для синтеза ЦУ выберем из серии цифровых интегральных схем К1533

Пусть в первом состоянии в счетной схеме записано число, десятичный эквивалент которого равен 20. Счетная схема имеет 5 устойчивых состояний.

Составим таблицу состояний счетной схемы (табл.1).

Таблица 1

Номер состояния счетной схемы

1

2

3

4

5

Десятичный эквивалент числа в счетной схеме

20

43

79

95

18


Для индикации состояний счетной схемы выбираем тип индикатора - полупроводниковый, семисегментный (рис.1).

Рис. 1

Так как состояние счетной схемы должно отображаться двухразрядным десятичным числом, то необходимы два семисегментных индикатора для отображения обоих разрядов.

Оба разряда состояний счетной схемы представляют собой десятичные цифры. Поэтому для дешифрации состояний счетной схемы выбираем двоично-десятичный вид кодирования.

2.Синтез схемы дешифратора состояний счетной схемы

Для синтеза дешифратора состояний счетной схемы дан базис логических элементов "ИЛИ-НЕ". Синтез этой схемы проще осуществлять поразрядно. Для построения схемы дешифратора старшего разряда индикатора составим таблицу:

Таблица

Номер состояния счетной схемы

Цифра на индикаторе

Выходы дешифратора

Состояние сегментов индикатора



х3

х2

х1

х0

a

b

c

d

e

f

g

1

2

0

0

1

0

1

1

0

1

1

0

1

2

4

0

1

0

0

0

1

1

0

0

1

1

3

7

0

1

1

1

1

1

1

0

0

0

0

4

9

1

0

0

1

1

1

1

1

0

1

1

5

1

0

0

0

1

0

1

1

0

0

0

0


В данной таблице значения переменных  для каждого состояния соответствуют двоичному эквиваленту десятичной цифры на индикаторе. Состояния сегментов a, b, c, d, e, f, g семисегментного индикатора соответствуют отображаемой цифре. При этом активное (видимое) состояние каждого сегмента записывается в таблице логической единицей, а пассивное - логическим нулем.

Полагаем, что состояние каждого сегмента описывается функцией алгебры логики (ФАЛ):

.

Тогда синтез схемы дешифратора индикатора старшего разряда будет заключаться в нахождении и реализации, например МДНФ ФАЛ каждого сегмента индикатора.

Найдем МДНФ каждого сегмента, воспользовавшись методом Карт Карно, а затем для перехода к базису "ИЛИ-НЕ" выражения найденных функций преобразуем к виду, соответствующему только операциям дизъюнкции и инверсии. Для этих преобразований воспользуемся законом де Моргана, в соответствии с которым инверсия суммы (произведения) переменных равна произведению (сумме) их инверсий.

Таблица


) Из таблицы видно, что Fb = 1

Таблица



Таблица


) Из таблицы истинности видно, что

Таблица



Таблица



На основе полученных выражений ФАЛ в базисе "ИЛИ-НЕ" построим схему дешифратора старшего разряда (рис.2)

Рис.2 - Схема дешифратора старшего разряда индикатора.

По аналогии синтезируем схему для младшего разряда.

Таблица

Номер состояния счетной схемы

Цифра на индикаторе

Выходы дешифратора

Состояние сегментов индикатора



х3

х2

х1

х0

a

b

c

d

e

f

g

1

0

0

0

0

0

1

1

1

1

1

1

0

2

3

0

0

1

1

1

1

1

1

0

0

1

3

9

1

0

0

1

1

1

1

1

0

1

1

4

5

0

1

0

1

1

0

1

1

0

1

1

5

8

1

0

0

0

1

1

1

1

1

1

1


Из таблицы видно, что , , , .

Таблица



На основе полученных выражений в базисе "ИЛИ-НЕ" построим схему дешифратора младшего разряда (рис.3)

Рис.3 - Схема дешифратора младшего разряда индикатора.

3. Синтез счетной синхронной схемы

Счетная схема (счетчик) служит для хранения двоичного числа и изменения его на заданную константу при переходе в следующее устойчивое состояние. Число устойчивых состояний счетной схемы называется модулем счета (М). После поступления на счетную схему М входных сигналов она устанавливается в исходное состояние, и начинается новый цикл счета, повторяющий предыдущий. В данном примере М=5.

Основными элементами счетной схемы являются триггеры - элементы памяти.

В зависимости от момента прихода тактового (счетного) импульса на синхронизирующие входы триггеров счетные схемы можно разделить на асинхронные и синхронные.

В асинхронных счетных схемах тактовые импульсы поступают на синхронизирующие входы триггеров в разные моменты времени. В таком счетчике синхронизирующие входы связаны с выходами других триггеров или логических элементов триггеров.

В синхронных счетных схемах тактовые импульсы поступают на синхронизирующие входы триггеров одновременно.

В данном примере синтезируем синхронную счетную схему.

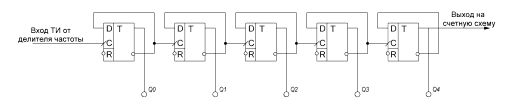
В общем случае такая схема состоит из ряда триггеров, количество которых определяется разрядностью счетчика и вспомогательной комбинационной схемы, которая обеспечивает заданный переход счетчика из предыдущего состояния в следующее. Структура синхронной счетной схемы показана на рис.4.

Рис.4

В качестве триггеров обычно используют универсальные J-K- триггеры, либо D-триггеры. Для синтеза счетной схемы в данном примере выберем D-триггеры.

На рис.4 условное обозначение триггера содержит вход С для подачи на него тактовых импульсов (ТИ); информационный вход D для реализации функций возбуждения триггеров, обеспечивающих переход счетной схемы в следующее состояние, а также прямой и инверсный выходы (Q и Q соответственно).

3.1 Синтез счетной схемы старшего разряда индикатора


Количество входов счетной схемы должно соответствовать числу входов схемы дешифратора. Так как в схеме дешифратора старшего разряда используются четыре входа (х0, х1, х2, х3), то счетная схема старшего разряда должна иметь четыре триггера и четыре соответствующих выхода Q0, Q1, Q2, Q3. Причем Q0= х0, Q1= х1, Q2= х2, Q3=x3.

Для определения функций возбуждения триггеров счетной схемы составим таблицу переходов, в которой каждому состоянию схемы ставится в соответствие определенная кодовая комбинация состояний выходов.

Таблица

Номер состояния сч. схемы

Десятичный эквивалент числа в сч. схеме

Исходное состояние выходов

Следующее состояние выходов

Состояние D-входов



Q3

Q2

Q1

Q0

Q3

Q2

Q1

Q0

D3

D2

D1

D0

1

2

0

0

1

0

0

1

0

0

0

1

0

0

2

4

0

1

0

0

0

1

1

1

0

1

1

1

3

7

0

1

1

1

1

0

0

1

1

0

0

1

4

9

1

0

0

1

0

0

0

1

0

0

0

1

5

1

0

0

0

1

0

0

1

0

0

0

1

0


Данная таблица составлена на основе известных таблиц истинности D-триггера и таблицы его переходов из предыдущего состояния Qn в следующее Qn+1:

Таблица

Переход Qn→Qn+1

Состояние D-входа

0→0

0

0→1

1

1→0

0

1→1

1


Определим функции возбуждения триггера каждого разряда, воспользуемся КНФ (объединяются нули):

Таблица




Таблица



Таблица



Таблица


Построим счетную схему старшего разряда (рис.5):

Рис. 5 - Счетная схема старшего разряда

3.2 Синтез счетной схемы младшего разряда индикатора


Синтез счетной схемы младшего разряда индикатора выполняется анологично как и для старшего разряда.

Так как в схеме дешифратора младшего разряда используются четыре входа (х0, х1, х2, х3), то счетная схема старшего разряда должна иметь четыре триггера и четыре соответствующих выхода Q0, Q1, Q2, Q3. Причем Q0= х0, Q1= х1, Q2= х2, Q3=x3.

Для определения функций возбуждения триггеров счетной схемы составим таблицу переходов, в которой каждому состоянию схемы ставится в соответствие определенная кодовая комбинация состояний выходов.

Таблица

Номер состояния сч. схемы

Десятичный эквивалент числа в сч. схеме

Исходное состояние выходов

Следующее состояние выходов

Состояние D-входов



Q3

Q2

Q1

Q0

Q3

Q2

Q1

Q0

D3

D2

D1

D0

1

0

0

0

0

0

0

0

1

1

0

0

1

1

2

3

0

0

1

1

1

0

0

1

1

0

0

1

3

9

1

0

0

1

0

1

0

1

0

1

0

1

4

5

0

1

0

1

1

0

0

0

1

0

0

0

5

8

1

0

0

0

0

0

0

0

0

0

0

0


Определим функции возбуждения триггеров:

Таблица



Таблица




Таблица



Таблица



Построим счетную схему младшего разряда (рис.6):


Рис.6 - Счетная схема младшего разряда

4.Синтез схемы делителя частоты

Делитель частоты служит для уменьшения частоты импульсов источника цифровых импульсов (генератора тактовых импульсов) в Кд раз. Здесь Кд - коэффициент делителя частоты.

Частота выходных импульсов делителя частоты:

fвых = fвх / Кд,

где fвх - частота генератора тактовых импульсов на входе делителя частоты.

Схема делителя частоты строится по принципу асинхронных счетных схем и состоит из n триггеров, соединенных последовательно. Число триггеров в схеме и Кд связаны соотношением

n ≥ Кд.

Рассмотрим пример построения схемы делителя частоты на D-триггерах и Кд = 26.

4<26<25 (16<26<32)

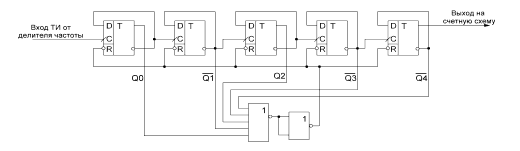
В данном случае схема состоит из пяти D-триггеров и комбинационной схемы. Так как D-триггер имеет инверсный вход сброса (вход R), то активным сигналом сброса является логический ноль. Для организации смены состояний триггеров в момент прихода очередного импульса на тактовый (счетный) вход триггера младшего разряда их инверсные выходы должны быть соединены с D-входом. Для организации асинхронной передачи информации инверсные выходы триггеров нулевого, первого и второго разрядов необходимо соединить с тактовыми входами триггеров соответственно первого, второго и третьего разрядов, т. е. по принципу построения схемы суммирующего счетчика (рис. 7).

Рис.7

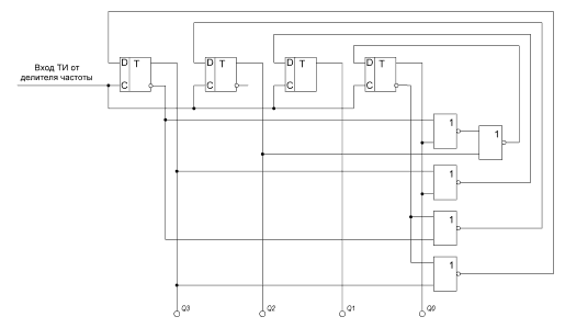
Представим временные диаграммы на входе делителя частоты и на каждом прямом выходе триггеров (рис.8)

Рис.8

Максимальное значение Кд схемы на рис.8 равно 32, т.е. модулю асинхронного счетчика, построенного на пяти D-триггерах, так как 25= 32. Для получения значения Кд= 26 необходимо изменить (уменьшить) модуль счета путем обнуления всех разрядов в момент прихода 26-го импульса. Для этого служит комбинационная схема, реализующая функцию обнуления триггеров. Для определения вида этой функции и реализации ее запишем значение Кд в виде 5-разрядного двоичного числа: 2610= 110102. Каждый разряд этого числа поставим в соответствие со значением прямого или инверсного выхода триггеров, т.е. Q4=1 Q3=1; Q2=0; Q1=1; Q0=0.

Функция обнуления триггеров будет иметь вид:

.

Тогда комбинационная схема, реализуемая на основе этой ФАЛ, будет состоять из 5-входового логического элемента типа 5ИЛИ-НЕ (рис.9).

Рис.9

5.Синтез схемы источника цифровых импульсов

Генератор тактовой частоты (генератор тактовых импульсов) генерирует электрические импульсы заданной частоты (обычно прямоугольной формы) для синхронизации различных процессов в цифровых устройствах.

В зависимости от сложности устройства, используют разные типы генераторов:

)        Классический - применяется в несложных конструкциях, не критичных к стабильности тактового генератора, часто используется последовательное включение нескольких инверторов через RC-цепь. Частота колебаний зависит от номиналов резистора и конденсатора. Основной минус данной конструкции - низкая стабильность. Плюс - предельная простота.

)        Кварцевый

)        Кварц + микросхема генерации (микросхема генерации представляет собой специальную микросхему, которая при подаче на её входную ногу сигнала с кварцевого резонатора будет выдавать на остальных выводах частоту, делённую или умноженную на исходную.) Данное решение используется в часах, а также на старых материнских платах (где частоты шин были заранее известны, только внутренняя частота центрального процессора умножалась коэффициентом умножения).

)        Программируемая микросхема генерации. В современных материнских платах необходимо большое количество разных частот, помимо опорной частоты системной шины, которые, по возможности, не должны быть зависимы друг от друга. Хотя базовая частота всё же формируется кварцевым резонатором (частота - 14,3 МГц), она необходима лишь для работы самой микросхемы. Выходные же частоты корректируются самой микросхемой. Например, частота системной шины может быть всегда равна стандартным 33 МГц, AGP - 66 МГц и не зависеть от частоты FSB процессора.

)        Тактовый генератор - автогенератор, формирующий рабочие такты процессора («частоту»). В некоторых процессорах (например, Z80) выполняется встроенным.

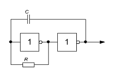
В данной работе источник цифровых импульсов можно построить по типовым схемам генераторов и формирователей тактовых импульсов (ГТИ) на логических элементах.

Рис.

В этой схеме резистор R вводит в режим усиления первый инвертор, а выходное напряжение этого инвертора удерживает в режиме усиления второй инвертор. Положительная обратная связь осуществляется через конденсатор С. Для схемы характерно, что генератор обладает "мягким", т. е. не нуждающимся в первоначальном "толчке", самовозбуждением. Это означает, что как бы медленно не увеличивалось напряжение питания, генератор всё равно заработает.

Длительность импульсов регулируют резистором R. Частоту следования импульсов можно определить по выражению

f =1/2RC,

где f - частота, Гц; R - сопротивление, Ом; C- емкость, Ф.

f=1,45кГц. => RC = 2f = 2900 Гц

Выбираем резистор из ряда номиналов сопротивлений и емкостей Е24:

С = 2,2 мкФ, R = 1,3 МОм.

Заключение

В данной курсовой работе был произведен синтез цифрового устройства на базе схемы К1533.

Цифровой устройство может быть выполнено на базе любой серии микросхем. Устройство, работающее по одному алгоритму, может быть построен (в зависимости от применяемой серии) по разным схемам. Возможно использование базиса ИЛИ-НЕ, И-НЕ, НЕ.

Библиографический список

1. Опадчий Ю.Ф. и др. Аналоговая и цифровая электроника:Учебник для вузов. - М.: Радио и связь, 2002.- 768с.

.Угрюмов Е.П. Цифровая схемотехника. - СПб.: БХВ-Петербург, 2001.-528с.

. Кучумов А.И. Электроника и схемотехника. Учеб. псоб. для вузов. М.: Гелиос АРВ, 2004.

. Бойко В.И. и др. Схемотехника электронных систем. Цифровые устройства. СПб.: БХВ-Питер, 2004.

1.  ено н

Похожие работы на - Расчет дешифратора

 

Не нашли материал для своей работы?
Поможем написать уникальную работу
Без плагиата!
Без нейросетей!