Проектирование специализированного распределителя импульсов, вырабатывающего восемь выходных сигналов
Содержание
Введение
.
Сравнительный анализ возможных вариантов реализации узла
.
Описание возможных вариантов реализации разрабатываемого узла на уровне
функциональных схем
.
Выбор наилучшего варианта реализации по заданному критерию
.
Описание используемых интегральных схем
5.
Разработка принципиальной электрической схемы узла
6.
Анализ переходных процессов и оценка предельного быстродействия
.
Выбор генератора тактовых сигналов (ГТИ) и расчет параметров его элементов
.
Начальная установка
.
Расчёт потребляемой мощности
Заключение
Список
использованных источников
Введение
Основой построения любого узла вычислительной
системы является элементная база, которая определяет параметры и характеристики
ЭВМ.
Для анализа и синтеза цифровых схем применяется
аппарат алгебры логики, позволяющий минимизировать аппаратные затраты при их
реализации. Одним из основных понятий алгебры логики являются булевы функции,
которые, также как и их аргументы (логические переменные), могут принимать
только два значения - 0 и 1. Реализация булевых функций осуществляется
логическими элементами, которые и составляют основу всех узлов ЭВМ.
Элементом ЭВМ называется простейшая компонента,
реализующая логическую или вспомогательную функцию над двоичными переменными.
Набор стандартных элементов, реализующих
определенные логические функции, образует систему элементов.
Системой элементов называется функционально
полный набор логических элементов, объединённый общими электрическими,
конструктивными и технологическими параметрами, использующий одинаковый способ
представления информации и одинаковый тип межэлементных связей.
Функциональный узел - устройство,
предназначенное для выполнения типовых микроопераций в вычислительной системе.
1. Сравнительный анализ возможных
вариантов реализации узла
Специализированный распределитель тактовых
сигналов, вырабатывающий восемь выходных сигналов, конструктивно и
схемотехнически реализован в виде ТЭЗа, подключаемого на внешний интерфейс с
n-разрядной шиной данных (D) и двумя управляющими сигналами (С1, С2); выходные
сигналы узла выводятся на свободные контакты разъема. Для управления режимами
работы узла в него с шины данных по инверсному сигналу С1 записывается код
операции, а инверсный сигнал С2 является импульсом запуска новой команды.
Рис. 1. Условно-графическое обозначение узла на
уровне внешних связей
Режимы работы:
=D1=1 - автоколебательный;=0, D1=1; D0=1, D1=0 -
ждущий;=D1=0 - останов.
Рис. 2.Обобщённая структурная схема узла
Реализация распределителя импульсов
на основе счётчика и дешифратора:
В исходном состоянии схемы на выходе устройства
управления низкий потенциал. В этом случае, так как счётчик не имеет сброса,
операция производится путём параллельной записи нуля в данный счётчик, и в
таком состоянии он находится постоянно. На выходах схемы устанавливается низкий
уровень. В случае записи в регистр управления очередного режима
(автоколебательного или ждущего), после подачи сигнала C2 счётчик начинает
отсчёт от записанного в него параллельно числа по сигналу синхроимпульса.
Выходы дешифраторов заводятся на комбинационную схему, с помощью которой
формируются выходные последовательности.
Реализация распределителя импульсов
на основе сдвигающего регистра:
Формирователь импульсов реализован на трёх
сдвигающих регистрах. Сдвиг вправо происходит по нарастающему фронту
синхроимпульса. По мере сдвига происходит её переход в следующий регистр и т.д.
Таким образом, реализован «кольцевой» счётчик.На выходе также содержится комбинационная
схема из логических элементов для формирования выходных сигналов.
Реализация распределителя импульсов
на основе счётчика Джонсона:
В исходном состоянии на выходах триггеров
находятся нули. На последнем такте анализируется состояние схемы для того, чтобы
определить, что вдвигать в следующем такте. То есть, если схема находится в
автоколебательном режиме, то на вход первого триггера в следующем такте мы
должны подать «1» (чтобы перейти в первое состояние). А если схема находилась в
ждущем режиме, то на вход первого триггера в следующем такте мы должны подать
«0» (что бы перейти в исходное состояние).Так как при использовании кода
Джонсона нет комбинаций, в которых повторяются состояния всех выходов
триггеров, то комбинационная схема получается минимальной.
2. Описание возможных вариантов
реализации разрабатываемого узла на уровне функциональных схем
Распределитель импульсов на основе счётчика и
дешифратора:
узел
вычислительный микрооперация сигнал
Распределитель импульсов на основе
сдвигающего регистра:
Распределитель импульсов на основе
счётчика Джонсона:
3. Выбор наилучшего варианта
реализации по заданному критерию
В реализованных узлах используются микросхемы с
размерами корпусов DIP14 и DIP16.
CT-DC=6*SDIP14+5*SDIP16=6*146,25+6*161,25=877,5+967,5=1845
мм2SHIFT-RG=12*SDIP14=13*146,25=1901,25мм2CT-JOHNSON
= 14*SDIP14 + 8*SDIP16 = 14 * 146,25 + 8 * 161,25 =
2047,5 +
= 3037,5мм2
Наиболее компактным является узел, реализованный
на основе счётчика и дешифратора.
К155ЛА3 (зарубежный аналог - SN7400)
. Описание используемых интегральных
схем
Четыре логических элемента 2И-НЕ
Микросхема содержит четыре идентичных логических
элемента со стандартными активными выходами, выполняющих Булевы функции
или
в
положительной логике.
Корпус DIP14, технические условия И63, 088,
042-ТУ3, Iпср=15,6 мА, Тзср=18,5 нc, функции 4*2.
К155ЛА1 (зарубежный аналог - SN7420)
Два логических элемента 4И-НЕ
Микросхема содержит два идентичных логических
элемента, выполняющих Булеву функцию
или
в
положительной логике.
Корпус DIP14, технические условия И63, 088,
042-ТУ3, Iпср=7,8 мА, Тзср=18,5 нc, функции 2*4.
Два D-триггера синхронных с
дополняющими выходами
Микросхема содержит два независимых D-триггера,
срабатывающих по положительному фронту тактового сигнала.
КР1533ТМ2 (зарубежный аналог - SN74ALS74)
Низкий уровень напряжения на входах установки
или сброса устанавливает выходы триггера в соответствующее состояние вне
зависимости от состояния на других входах (C и D). При наличии на входах
установки и сброса напряжения высокого уровня для правильной работы триггера
требуется предварительная установка информации по входу данных относительно
положительного фронта тактового сигнала, а также соответствующая выдержка
информации после подачи положительного фронта синхросигнала.
Корпус DIP14, технические условия
бК0.348.806-02ТУ, Iпср=4 мА, Тзср=17 нc, функции 2*D, RS,
FF.
КР1533ТВ15 (зарубежный аналог - SN74ALS109)
Два JK-триггера
При наличии на входах установки и сброса
напряжения высокого уровня для правильной работы триггера требуется
предварительная установка информации по входам J и
относительно положительного фронта тактового сигнала, а также соответствующая
выдержка информации после подачи отрицательного фронта синхросигнала С. При
подаче на вход
напряжения низкого
уровня, а на вход J- высокого уровня, триггер будет работать в качестве
счетного, а при объединении входов J и
-
в качестве D-триггера.
Корпус DIP16, технические условия
бК0.348.806-13ТУ, Iпср=4 мА, Тзср=17 нс, функции 2*JK, RS,
FF.
КР1533ИЕ10 (зарубежный аналог - SN74ALS161A)
Четырехразрядный двоичный счетчик с
асинхронной установкой в состояние логического нуля
Микросхема КР1533ИЕ10 представляет собой
четырехразрядный двоичный счетчик с асинхронным сбросом. В микросхеме
предусмотрена возможность предварительной записи информации. Работа КР1533ИЕ10
определяется тремя управляющими входами P1, V1,V2. Низкий уровень напряжения на
входе V2 разрешает предварительную установку счетчика в состояние, определяемое
логическими уровнями на информационных входах. Установка проводится синхронно
по переднему фронту синхроимпульса.
Счет импульсов, начиная с числа, предварительно
установленного, будет осуществляться только при наличии напряжения высокого уровня
на всех трех входах управления P1, V1,V2. При напряжении низкого уровня на
одном из входов P1, V1 на выходах счетчика сохраняется предыдущее состояние.
Установка счетчика в исходное состояние низкого уровня напряжения на выходах
производится асинхронно при подаче низкого уровня напряжения на вход R.
Корпус DIP16, технические условия
бКО.348.806-27ТУ, Iпср=21 мА, Тзср=27 нc, функция 4P, M2,
СИНХР.
КР1533ИД7 (зарубежный аналог - SN74ALS138)
Дешифратор-демультиплексор 3 на 8
Микросхема КР1533ИД7 представляет собой
дешифратор/демультиплексор 3 на 8. При работе микросхемы в качестве дешифратора
входы D1, D2, D4 являются информационными, а входы C1, 
играют роль
стробирующих. При работе микросхемы в качестве демультиплексора 1-8 входы D1,
D2, D4 являются селектирующими и подача на них соответствующего кода позволяет
сигналу проходить от информационного входа к выбранному выходу. Роль
информационного входа играет C1, а
и
являются
стробирующими.
Корпус DIP16, технические условия
бКО.348.806-08ТУ, Iпср=10 мА, Тзср=20 нc, функция
3->8.
5. Разработка принципиальной
электрической схемы узла
Основная диаграмма работы узла
Разводка цепей питания и их фильтрация
Для обеспечения надежной работы схемы и
увеличения помехоустойчивости напряжение питания в цепи в цифровых устройствах
обязательно фильтруются. Как правило, используется простейший способ фильтрации
- при помощи конденсаторов. В составТЭЗа вводятся:
один низкочастотный электрический конденсатор
значительной емкости по каждой из шин питания (используются конденсаторы типа
К50, К52, К53, или подобные им).
При разработке был использован конденсатор К50
на 10мкФ.
один высокочастотный конденсатор, емкостью
0,1-1мкФ на каждые 2-5 корпусов интегральных схем (конденсаторы типа КМ5, КМ6).
В данной реализации используется КМ5 на 0,33 мкФ. Так как в схеме используется
11 корпусов, следовательно, мы используем 4 высокочастотных конденсатора.
Решение проблемы неиспользованных
входов и свободных элементов
В логических элементах реализующих операции «И»
свободные входы можно объединять с соседними, однако, при этом необходимо
учитывать, что коэффициент нагрузки по входу увеличивается. Входы, на которых
должна быть постоянно логическая единица, и прочие неиспользуемые входы
подключаем через резистор R1, номиналом 10кОм, к плюсу источника питания.
6. Анализ переходных процессов и
оценка предельного быстродействия
При составлении временных диаграмм находится и
отображается случай такого сочетания входных сигналов и режимов работы, при
которых переходный процесс в схеме наиболее длителен.
Следовательно, необходимо определить максимально
длинную цепь, элементы которой должны иметь наибольшее время задержки
прохождения сигнала (Задержки элементов приведены в технических
характеристиках). В разрабатываемом узле - это цепь элементов обратной связи: DD7,
DD4:
Tз = 20 + 24,5 = 44,5нс (для сигнала Z2)
По техническому заданию тактовая частота должна
быть не менее 1 МГц или схема должна срабатывать за 500нс. Из этого можно
сделать вывод о том, что полученная схема распределителя тактовых импульсов
соответствует требованиям по быстродействию.
7. Выбор генератора тактовых
сигналов (ГТИ) и расчет параметров его элементов
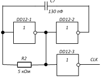
Генератор синхроимпульсов представленный на рис.
3 вырабатывает сигнал с частотой, которая рассчитывается по формуле
,
где f - частота, заданная в техническом задании
f=1МГц.
Отметим, что номинал резистора для серий КР1533
и К155 должен лежать в пределах R=2..5 кОм.
Принимаем номинал резистора R=5 кОм.
Наиболее подходящий конденсатор номиналом из
стандартного ряда - 130 пФ.
Рис. 3. Генератор синхроимпульсов
8. Начальная установка
Цепь начального сброса R1-C1 рассчитывается на
100мс. Следовательно,
, возьмем R1=10кОм,
тогда C1=10мкФ. На каждые три микросхемы ставится 0,33 мкФ конденсатор.
Фильтрующие конденсаторы: С3-С6 - КМ6a-0,33мкФ;
С2 - К53-18-10мкФ.
9. Расчёт потребляемой мощности
Для расчёта средней потребляемой мощности
требуется подсчитать сумму произведений напряжения питания на средний ток
потребления каждой микросхемы.
Микросхемы, используемые в выбранном варианте:
|
Элемент
|
Тип
ИС
|
Кол-во
ИС
|
Средний
ток ИС, мА
|
Суммарный
ток, мА
|
|
2И-НЕ
|
SN7400
|
3
|
15,6
|
46,8
|
|
4И-НЕ
|
SN7420
|
2
|
7,8
|
15,6
|
|
D-триггер
|
KR1533
TM8
|
1
|
4
|
4
|
|
JK-триггер
|
KR155
LA6
|
1
|
4
|
4
|
|
Счётчик
|
1
|
21
|
21
|
|
Дешифратор
|
KR1533LR11
|
4
|
10
|
40
|
|
Итого
|
-
|
11
|
-
|
131,4
|
Потребляемая схемой мощность при напряжении
питания 5 В равна: 131 мА * 5В = 655 мВт.
Заключение
В данном курсовом проекте был разработан
формирователь импульсов, реализованный различными способами. Самым подходящим
по критерию оптимальности (Smin) является узел, реализованный на
основе счётчика и дешифратора. Его площадь - 1845 мм2
Спроектированный узел полностью удовлетворяет
техническому заданию.
Частота выдаваемых сигналов - 1 МГц, Iвых0>=16
мА.