Проектирование двухвходовой КМОП-схемы дешифратора 2 в 4

  • Вид работы:
    Курсовая работа (т)
  • Предмет:
    Информатика, ВТ, телекоммуникации
  • Язык:
    Русский
    ,
    Формат файла:
    MS Word
    238,66 Кб
  • Опубликовано:
    2013-07-01
Вы можете узнать стоимость помощи в написании студенческой работы.
Помощь в написании работы, которую точно примут!

Проектирование двухвходовой КМОП-схемы дешифратора 2 в 4














Курсовой проект

по дисциплине Проектирование и конструирование полупроводниковых приборов и ИМС

Тема

Проектирование двухвходовой КМОП-схемы дешифратора 2 в 4


Разработал студент

А.А. Скиданов

Задание на курсовой проект

двухвходовый схема дешифратор

по дисциплине Проектирование и конструирование полупроводниковых приборов и ИМС

Тема проекта Проектирование КМОП дешифратора 2 в 4

Студент группы МТЭ-061 Скиданов Алексей Александрович

Выполнить приближённый расчёт электрических параметров схемы по техническому заданию. На основе типового технологического процесса рассчитать электрические параметры компонентов топологического чертежа схемы. Провести схемотехнический анализ с помощью программы T-Spice, убедившись в соблюдении заданных технических условий.

Введение

КМОП (комплементарная логика на транзисторах металл-оксид-полупроводник; англ. CMOS, Complementary-symmetry/metal-oxide semiconductor) - технология построения электронных схем. В технологии КМОП используются полевые транзисторы с изолированным затвором с каналами разной проводимости. Отличительной особенностью схем КМОП по сравнению с биполярными технологиями (ТТЛ, ЭСЛ и др.) является очень малое энергопотребление в статическом режиме (в большинстве случаев можно считать, что энергия потребляется только во время переключения состояний). Отличительной особенностью структуры КМОП по сравнению с другими МОП-структурами (N-МОП, P-МОП) является наличие как n-, так и p-канальных полевых транзисторов; как следствие, КМОП-схемы обладают более высоким быстродействием и меньшим энергопотреблением, однако при этом характеризуются более сложным технологическим процессом изготовления и меньшей плотностью упаковки.

Подавляющее большинство современных логических микросхем, в том числе, процессоров, используют схемотехнику КМОП.

1. МДП-транзисторы, использование МДП-транзисторов

.1 Общие сведения о МДП транзисторах

МДП-транзистор имеет 4 электрода, которые называют истоком, стоком, затвором и подложкой. Принцип действия МДП-транзистора основан на эффекте изменения электропроводности поверхностного слоя полупроводника между стоком и истоком под действием напряжения, приложенного к управляющему электроду (затвору), отделенного от поверхности полупроводника тонким диэлектрическим слоем. Участок полупроводника с изменяющейся электропроводностью называют каналом.

Существуют две разновидности МДП-транзисторов: с встроенным каналом и индуцированным каналом. В МДП-транзисторе с индуцированным каналом при нулевом напряжении на затворе канал отсутствует. Если увеличивать напряжение на затворе (по модулю), то при некотором значении напряжения на затвор-исток U0, называемом пороговым напряжением на поверхности полупроводника будет индуцироваться инверсный слой, тип электропроводности которого будет совпадать с типом электропроводности стока и истока. В результате образования этого слоя области стока и истока оказываются соединенными тонким токопроводящим каналом и во внешней цепи возникает ток.

Структура МДП-транзистора с встроенным каналом такова, что создание канала в тонком приповерхностном слое полупроводника предусматривается самой технологией производства. Поэтому конструкция такого транзистора будет отличаться от конструкции, приведенной на рисунке 1 изображением нижней границы канала сплошной линией.

Электропроводность канала обязательно совпадает с электропроводностью стока и истока. Поскольку электропроводность подложки обратна электропроводности канала, области стока, истока и канала отделены от подложки p-n-переходом. Ток в канале такого транзистора может возникать и при нулевом напряжении на затворе.

Рисунок 1 - МДП-транзистор со встроенным каналом (а) и его условное обозначение (б).

Исток и сток в принципе обратимы, их можно менять местами при включении транзистора в схему. В этом случае при симметричной структуре транзистора его параметры сохраняются, а при несимметричной структуре (сток и исток могут различаться формой, площадями) они будут различаться.

По электропроводности различают n-канальные и р-канальные транзисторы. Интегральные микросхемы, содержащие одновременно n-канальные и р-канальные транзисторы называются комплементарными (сокращенно КМДП-ИМС). Они отличаются высокой помехоустойчивостью, малой потребляемой мощностью, высоким быстродействием. Эти преимущества, однако, достигаются за счет более сложной технологии с меньшим выходом годных. [1]

1.2 Особенности использования МДП-транзистора как типового схемного элемента ИМС

В электрических схемах цифровых ИМС кроме активных элементов используются резисторы больших номиналов и конденсаторы. Резисторы являются нагрузками ключевых схем (инверторов), а конденсаторы находят применение при проектировании ячеек памяти запоминающих устройств.

Проектирование резисторов по аналогии с полупроводниковыми ИМС на биполярных транзисторах в МДП-ИМС является нецелесообразным по двум причинам: площадь диффузионного резистора большого номинала (>20кОм) почти на порядок превышает площадь активного МДП-прибора; паразитная емкость резистор-подложка диффузионного резистора значительна и существенно ухудшает частотные свойства схемы. Поэтому для получения высокой степени интеграции в МДП-ИМС в качестве резисторов нагрузки используют так называемые нагрузочные МДП-транзисторы. Эти транзисторы имеют конструкцию, сходную с МДП-транзисторами, работающими в активном режиме. Необходимый номинал резистора достигается подачей на затвор транзистора определенного потенциала и подбором геометрических размеров канала.

При необходимости спроектировать конденсатор в МДП-ИМС можно использовать емкость затвор-подложка или сток (исток)-подложка МДП-транзистора.

На основании изложенного можно утверждать, что МДП-транзистор является основным схемным элементом МДП-ИМС и может выполнять функции как активных, так и пассивных элементов. Это позволяет при проектировании МДП-ИМС обходиться только использованием МДП-транзисторов, конструктивные параметры и схема включения которых будут зависеть от выполняемой функции. [3]

2. Расчет электрических параметров КМОП-схемы

Исходные данные: Е = 10 В, δU+ = 1,5 В, δU- = 1,5 В, максимальная помехоустойчивость, минимальная площадь кристалла, марка кремния КДБ-10, минимальный технологический линейный размер на поверхности кремния Lмин=2 мкм, материал затвора - поликремний, Nss = 0.

Для заданной марки кремния по таблице определяем концентрацию примеси в подложке Nsubp = 1,2·1015см-3 и подвижности U0p = 520 см2/(В·с), U0n = 1120 см2/(В·с). [2]

Расчет ведется из условия равенства напряжений логических уровней по входу и выходу.

Геометрические размеры транзисторов практические влияют на выходные уровни "0” и “1”. В первом приближении можно считать, что

1 » E, а U0 » 0.                                      (1)

Так как помехоустойчивость такой схемы максимальна, то определяем порог n-канального транзистора (VnTo) и порог p-канального транзистора (|VpTo |)

VTon = δU+ = 1,5 (В), VTop = δU- = - 1,5 (В) (2)

 

Максимальная помехоустойчивость достигается, когда UП = Е/2, и SН » SУ, причем необходимо, чтобы |δU+| + |δU-| ≤ E. UП = 5 В.

(3)


Так как А > 1, то длину и ширину канала рассчитываем по следующим формулам:


где    Lmin = 2 мкм

Wmin = 3 мкм

Рассчитаем разность работ выхода затвор-подложка. Для этого необходимо вычислить потенциал уровня Ферми для подложки и затвора:

        (4)

Где

φF - потециал уровня Ферми;

k - постоянная Больцмана, k=1,38×10-23Дж/К;

T - температура, T=300K;

q - заряд электрона, q=1,6×10-19Кл;

ni - собственная концентрация носителей, ni=1,45×1010см-3;

N - концентрация примеси в подложке.

Потенциал уровня Ферми для подложки и затвора:


Тогда разность работы выхода затвор-подложка равна:


По пороговому напряжению n-канального транзистора (Vton=0,5) и рассчитанным уровням Ферми и qЗП определяем удельную емкость Cox и толщину подзатворного диэлектрика Tox:

        (5)

                                 (6)

Используя рассчитанные длину и ширину канала из условия для максимальной помехозащищенности (UП = E/2), рассчитаем крутизну управляющего и нагрузочного транзистора:

 (7)

(8)

Таким образом, мы нашли все параметры для n-канального транзистора. Теперь рассчитаем уровень легирования подложки (Nsub) для p-канального транзистора. Расчет будем проводить, решая транцендентное уравнение методом поразрядного приближения:

,(8)


3. Схемотехническое моделирование

.1 Статический анализ

Используя САПР Tanner, выполним статический анализ 2-входового элемента «Искл-ИЛИ». Электрическая схема этого элемента, выполненная в редакторе S-Edit САПР Tanner, изображена на рисунке 2.

Рисунок 2 - Схема для статического анализа

Построим передаточную характеристику инвертора. Для этого на вход А подадим напряжение питания, соответствующее входному уровню единицы, а напряжение входе В будем изменять от 0 до E = 4 В.

Текстовое описание, сгенерированное из электрической схемы:

* SPICE netlist written by S-Edit Win32 11.00

* Written on Jun 26, 2010 at 03:21:39

* Waveform probing commands

.probe

.options probefilename="OTK_FOR_BO.dat"

+ probesdbfile="C:\sklf_tann\OTK_FOR_BO.sdb"

+ probetopmodule="Module0"

.include "C:\Program Files\Tanner EDA\T-Spice 11.0\models\ml2_125.md"

.dc lin source v22 0 5 0.001

.print dc v(F1) v(F3) v(A) v(B)

* Main circuit: Module0F4 N6 Gnd Gnd NMOS L=2u W=3.79u AD=66p PD=24u AS=66p PS=24u F4 N7 Gnd Gnd NMOS L=2u W=3.79u AD=66p PD=24u AS=66p PS=24u N7 Gnd Gnd Gnd NMOS L=2u W=3.79u AD=66p PD=24u AS=66p PS=24u N6 A Gnd Gnd NMOS L=2u W=3.79u AD=66p PD=24u AS=66p PS=24u F3 Gnd Gnd Gnd NMOS L=2u W=3.79u AD=66p PD=24u AS=66p PS=24u F3 N6 Gnd Gnd NMOS L=2u W=3.79u AD=66p PD=24u AS=66p PS=24u F1 A Gnd Gnd NMOS L=2u W=3.79u AD=66p PD=24u AS=66p PS=24u F2 A Gnd Gnd NMOS L=2u W=3.79u AD=66p PD=24u AS=66p PS=24u F1 Gnd Gnd Gnd NMOS L=2u W=3.79u AD=66p PD=24u AS=66p PS=24u F2 N7 Gnd Gnd NMOS L=2u W=3.79u AD=66p PD=24u AS=66p PS=24u N1 N6 Vdd Vdd PMOS L=2.53u W=3.0u AD=66p PD=24u AS=66p PS=24uF4 N7 N1 N1 PMOS L=2.53u W=3.0u AD=66p PD=24u AS=66p PS=24uN6 A Vdd Vdd PMOS L=2.53u W=3.0u AD=66p PD=24u AS=66p PS=24uN7 Gnd Vdd Vdd PMOS L=2.53u W=3.0u AD=66p PD=24u AS=66p PS=24uN3 N6 Vdd Vdd PMOS L=2.53u W=3.0u AD=66p PD=24u AS=66p PS=24uF3 Gnd N3 N3 PMOS L=2.53u W=3.0u AD=66p PD=24u AS=66p PS=24uN2 A Vdd Vdd PMOS L=2.53u W=3.0u AD=66p PD=24u AS=66p PS=24uF2 N7 N2 N2 PMOS L=2.53u W=3.0u AD=66p PD=24u AS=66p PS=24uN4 A Vdd Vdd PMOS L=2.53u W=3.0u AD=66p PD=24u AS=66p PS=24uF1 Gnd N4 N4 PMOS L=2.53u W=3.0u AD=66p PD=24u AS=66p PS=24uVdd Gnd 5A Gnd 5

* End of main circuit: Module0

В результате моделирования получим характеристику, представленную на рисунке 3.

Рисунок 3 - Передаточная характеристика элемента

Из характеристики видно, что напряжение переключения инвертора равно примерно 1,85 В, что в пределах 20% соответствует точному Uп = E / 2 = 2 В. [5]

.2 Динамический анализ

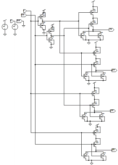
Для проверки работоспособности схемы необходимо перебрать все возможные входные сигналы и проконтролировать правильность выходных. Для этого источники постоянного напряжения заменяем на импульсные и проводим анализ переходных процессов (рисунок 4).

Рисунок 4 - Электрическая схема для анализа переходных процессов

Текстовое описание, сгенерированное из электрической схемы:

* SPICE netlist written by S-Edit Win32 11.00

* Written on Jun 26, 2010 at 03:13:06

* Waveform probing commands

.probe

.options probefilename="OTK_FOR_BO.dat"

+ probesdbfile="C:\sklf_tann\OTK_FOR_BO.sdb"

+ probetopmodule="Module0"

.include "C:\Program Files\Tanner EDA\T-Spice 11.0\models\ml2_125.md"

.tran 1e-10 5e-6 start=1e-10

.print tran v(F1) v(F2) v(F3) v(F4) v(A) v(B)

* Main circuit: Module0F4 N6 Gnd Gnd NMOS L=2u W=3.79u AD=66p PD=24u AS=66p PS=24u F4 N7 Gnd Gnd NMOS L=2u W=3.79u AD=66p PD=24u AS=66p PS=24u N7 B Gnd Gnd NMOS L=2u W=3.79u AD=66p PD=24u AS=66p PS=24u N6 A Gnd Gnd NMOS L=2u W=3.79u AD=66p PD=24u AS=66p PS=24u F3 B Gnd Gnd NMOS L=2u W=3.79u AD=66p PD=24u AS=66p PS=24u F3 N6 Gnd Gnd NMOS L=2u W=3.79u AD=66p PD=24u AS=66p PS=24u F1 A Gnd Gnd NMOS L=2u W=3.79u AD=66p PD=24u AS=66p PS=24u F2 A Gnd Gnd NMOS L=2u W=3.79u AD=66p PD=24u AS=66p PS=24u F1 B Gnd Gnd NMOS L=2u W=3.79u AD=66p PD=24u AS=66p PS=24u F2 N7 Gnd Gnd NMOS L=2u W=3.79u AD=66p PD=24u AS=66p PS=24u N1 N6 Vdd Vdd PMOS L=2.53u W=3.0u AD=66p PD=24u AS=66p PS=24uF4 N7 N1 N1 PMOS L=2.53u W=3.0u AD=66p PD=24u AS=66p PS=24uN6 A Vdd Vdd PMOS L=2.53u W=3.0u AD=66p PD=24u AS=66p PS=24uN7 B Vdd Vdd PMOS L=2.53u W=3.0u AD=66p PD=24u AS=66p PS=24uN3 N6 Vdd Vdd PMOS L=2.53u W=3.0u AD=66p PD=24u AS=66p PS=24uF3 B N3 N3 PMOS L=2.53u W=3.0u AD=66p PD=24u AS=66p PS=24uN2 A Vdd Vdd PMOS L=2.53u W=3.0u AD=66p PD=24u AS=66p PS=24uF2 N7 N2 N2 PMOS L=2.53u W=3.0u AD=66p PD=24u AS=66p PS=24uN4 A Vdd Vdd PMOS L=2.53u W=3.0u AD=66p PD=24u AS=66p PS=24uF1 B N4 N4 PMOS L=2.53u W=3.0u AD=66p PD=24u AS=66p PS=24uA Gnd bit({000000000000111111111111} pw=100n on=5.0 off=0.0 rt=10n ft=10n delay=0 lt=10n ht=10n)B Gnd bit({000000111111000000111111} pw=100n on=5.0 off=0.0 rt=10n ft=10n delay=0 lt=10n ht=10n)Vdd Gnd 10

·   End of main circuit: Module0

В результате моделирования получим характеристику, представленную на рисунке 5.

Рисунок 5 - Выходная характеристика схемы при подаче на входы различных комбинаций сигналов

. Топологический чертеж

Разработаем топологический чертеж заданной схемы в топологическом редакторе L-Edit САПР Tanner (рисунок 6).

Рисунок 6 - Топологический чертеж

Извлечем текстовое описание из топологии для проверки ее правильности. Получим:

* Circuit Extracted by Tanner Research's L-Edit Version 11.12 / Extract Version 11.12 ;

* TDB File: C:\sklf_tann\PC-OTK.tdb

* Cell: Cell0         Version 1.03

* Extract Definition File: ..\Program Files\Tanner EDA\L-Edit 11.1\samples\spr\example2\morbn20.ext

* Extract Date and Time: 06/26/2010 - 07:581 0 C=13.524fVDD 0 C=315.657fGND_3 0 C=260.654fGND_1 0 C=43.43fGND 0 C=43.43fGND_2 0 C=83.408f7 0 C=13.524f8 0 C=13.524fGND_4 0 C=43.43fB 0 C=62.99fA 0 C=56.996f12 0 C=13.524fVDD B GND_2 VDD PMOS L=3u W=3u AD=45p PD=30u AS=28.5p PS=19uGND_2 GND_2 1 VDD PMOS L=3u W=3u AD=28.5p PD=19u AS=21p PS=17u1 VDD VDD VDD PMOS L=3u W=3u AD=21p PD=17u AS=45p PS=30uGND_3 B GND_2 GND_3 NMOS L=4u W=3u AD=45p PD=30u AS=27p PS=18uGND_2 GND_2 GND_2 GND_3 NMOS L=4u W=3u AD=27p PD=18u AS=27p PS=18uGND_2 VDD GND_3 GND_3 NMOS L=4u W=3u AD=27p PD=18u AS=45p PS=30uGND_1 GND_2 8 VDD PMOS L=3u W=3u AD=45p PD=30u AS=21p PS=17u8 A VDD VDD PMOS L=3u W=3u AD=21p PD=17u AS=45p PS=30uVDD A 7 VDD PMOS L=3u W=3u AD=45p PD=30u AS=21p PS=17u7 B GND VDD PMOS L=3u W=3u AD=21p PD=17u AS=45p PS=30uGND_3 GND_2 GND_1 GND_3 NMOS L=4u W=3u AD=45p PD=30u AS=27p PS=18uGND_1 A GND_3 GND_3 NMOS L=4u W=3u AD=27p PD=18u AS=45p PS=30uGND_3 A GND GND_3 NMOS L=4u W=3u AD=45p PD=30u AS=27p PS=18uGND B GND_3 GND_3 NMOS L=4u W=3u AD=27p PD=18u AS=45p PS=30uGND_4 B 12 VDD PMOS L=3u W=3u AD=45p PD=30u AS=21p PS=17u12 VDD VDD VDD PMOS L=3u W=3u AD=21p PD=17u AS=45p PS=30uVDD A VDD VDD PMOS L=3u W=3u AD=48p PD=32u AS=45p PS=30uGND_3 B GND_4 GND_3 NMOS L=4u W=3u AD=45p PD=30u AS=27p PS=18uGND_4 VDD GND_3 GND_3 NMOS L=4u W=3u AD=27p PD=18u AS=45p PS=30uVDD A GND_3 GND_3 NMOS L=4u W=3u AD=45p PD=30u AS=45p PS=30u

* Total Nodes: 12

* Total Elements: 32

* Total Number of Shorted Elements not written to the SPICE file: 0

* Output Generation Elapsed Time: 0.000 sec

* Total Extract Elapsed Time: 14.781 sec

.END

После проведения симуляции получаем передаточную характеристику (рисунок 7).

Рисунок 7 - Результаты моделирования извлеченного из топологии схемного описания

Из рисунка видно, что U0 = 0 , U1 = E = 4 В, UП = 1,85 В ≈ E / 2, значит топология построена правильно.

Заключение

В курсовом проекте произведен приближенный расчет электрических параметров КМОП-схемы «Искл-ИЛИ». На основе типового технологического процесса были рассчитаны электрофизические и конструктивные параметры компонентов схемы. Проведен схемотехнический анализ в программе T-Spice САПР Tanner. Разработан топологический чертеж, осуществлена его проверка с помощью извлечения текстового описания схемы и моделирования.

Список литературы

1    Ефимов И.Е. Микроэлектроника: Проектирование, виды микросхем, функциональная микроэлектроника: Учеб. пособие для приборостроит. спец. вузов. / И.Е. Ефимов, И.Я. Козырь, Ю.И. Горбунов. - М.: Высш. шк., 1987. - 416 с.

         Березин А.С. Технология и конструирование ИМС: Уч. пособ. для вузов / А.С. Березин, О.Р. Мочалкина. - М.: Радио и связь, 1983. - 232 с.

         Методические указания к выполнению лабораторных работ № 1-4 по дисциплине «Проектирование и конструирование полупроводниковых приборов и интегральных микросхем» для студентов специальности 200100 «Микроэлектроника и твердотельная электроника» очной формы обучения /Воронеж, гос. техн. ун-т: Сост. Е.В. Бордаков, В.И. Пантеелев. - Воронеж: Воронеж. гос. техн. ун-т, 2006, - 45с.

         Бордаков Е.В. Проектирование топологии и технологии интегральных микросхем: Учеб. пособие. Ч.1. / Е.В. Бордаков, В.И. Пантелеев. - Воронеж: Воронеж. гос. техн. ун-т, 2005. - 243 с.

         Бордаков Е.В. Проектирование и конструирование полупроводниковых приборов и интегральных микросхем: Учеб. пособие. / Е.В. Бордаков, В.И. Пантелеев. - Воронеж: Воронеж. гос. техн. ун-т, 2004. - 226 с.

Похожие работы на - Проектирование двухвходовой КМОП-схемы дешифратора 2 в 4

 

Не нашли материал для своей работы?
Поможем написать уникальную работу
Без плагиата!
Без нейросетей!