Проектирование канала сбора аналоговых данных микропроцессорной системы
Министерство образования и науки
Украины
Сумской государственный университет
ОДЗ
по дисциплине «Электронные системы»
Проектирование канала сбора
аналоговых данных микропроцессорной системы
Выполнил: студент группы ЭС-91
Доротько А.Э.
Проверил: Бережная О. В.
Сумы - 2013
ВВЕДЕНИЕ
Применяя микропроцессоры и микро-ЭВМ для контроля за сложными
производственными процессами, можно обрабатывать в реальном масштабе времени
сигналы, поступающие одновременно от многих источников и датчиков, и восстанавливать
аналоговую информацию на выходе МП или микро-ЭВМ, а также распределять ее между
различными потребителями. При этом перед пользователем возникает задача
аналого-цифровой и цифроаналогового преобразования многоканальной информации,
имеющей некоторые особенности, связанные с различием характеристик сигналов
отдельных каналов: динамического диапазона измерений, уровень помех, частотного
спектра и т.д.
Понимание внутренней логики функционирования разработанной системы
особенно важно именно для специалистов по автоматике и промышленной
электронике, поскольку цифровые микросхемы изначально создавались для
выполнения строго определенных функций в составе ЭВМ. В условиях автоматики и
радиотехники они часто выполняют функции, не запланированные в свое время их
разработчиками, и грамотное использование микросхем в этих случаях прямо
зависит от понимания логики их работы. Хорошее знание тонкостей
функционирования схем узлов становится жизненно необходимым при поиске
неисправностей, когда нужно определить, имеется ли неисправность в данном узле
или же на его вход поступают комбинации сигналов, на которые схема узла не
рассчитана. Составление тестов, а тем более разработка самотестируемых схем
также требуют очень хороших знаний принципов работы узлов.
Постановка задачи
Цель курсовой работы - овладение методикой и навыками инженерного расчета
основных функциональных узлов непрерывного и импульсивного действия,
применяемых в управляющей и информационной электрике.
Указанная цель достигается в итоге проектирования канала сбора аналоговых
данных реальной микропроцессорной системы, которое представляет собой
устройство, обеспечивающее преобразование аналогового сигнала датчика в
цифровой код. При этом в канале осуществляется усиление, фильтрации и
нормирование сигнала, подавление синфазной помехи; производится нелинейная
обработка сигнала с целью линеаризации характеристики датчика и приведение
анологового сигнала к виду, пригодному для ввода аналого-цифровой
преобразователь (АЦП) путем запоминания его мгновенных значений и хранения в
течение определенного промежутка времени.
Исходные
данные:
Вариант № 5
Максимальная
величина ЭДС датчика
: 0,08 В;
Динамический
диапазон измерения ЭДС датчика
: 40 дБ;
Выходное
сопротивление
датчика: 200…300 Ом;
Диапазон
частот сигнала датчика: 0…20 Гц;
Напряжение
синфазной помехи
: 1,0 В;
Зависимость
ЭДС датчика от измеряемой величины: 0,4 q2;
Количество
каналов: 7;
Разрядность
АЦП: 10;
1.
РАЗРАБОТКА СТРУКТУРНОЙ СХЕМЫ УСТРОЙСТВА
Изначально
следует определиться с типом мультиплексирования каналов сбора данных. Как
следует из теоремы Котельникова - для того чтобы из дискретных уровней можно
было восстановить исходный аналоговый сигнал, необходимо, чтобы частота
квантования минимум в два раза превышала наивысшую частоту спектра сигнала. С
учетом некоторого коэффициента запаса частота квантования выбирается в пять раз
больше максимальной частоты спектра сигнала:
[Гц]
микросхема импульс
аналоговый
Исходя из требуемой в условии разрядности выходной комбинации, выбирается
12-разрядный АЦП К572ПВ1А, обладающий временем преобразования 170 мкс и на вход
которого можно подавать максимальное напряжение 10 В.
Схема включения микросхемы K572ПВ1
Таким образом с помощью данного АЦП можно опрашивать состояние сигнала с
максимальной частотой 1/tацп.
Для аналогового мультиплексирования необходимо чтобы частота опроса состояния
на входе АЦП была больше либо равна произведению числа каналов на частоту
квантования:
;
;
Таким
образам аналоговое мультиплексирование вполне удовлетворит нуждам
проектируемого устройства.
АЦП
имеет несимметричный аналоговый вход, а датчик - симметричный выход. Отсюда
ясно, что в состав аналогового тракта должен входить дифференциальный
усилитель, подключенный к выходу датчика. Назовем этот усилитель согласующим
(СУ).
Наибольшая
точность преобразования аналогового сигнала в цифровой код получается, когда
используется вся шкала АЦП, т.е. в том случае, когда:
,
где
- максимальное значение сигнала на аналоговом входе
АЦП,
- шкала АЦП.
Максимальная
величина ЭДС
датчика намного меньше шкалы АЦП, поэтому аналоговый
тракт должен обладать коэффициентом усиления не менее чем:
,
где
- коэффициент запаса по усилению.
Из
задания на проект известно, что наряду с полезным сигналом действует синфазная
помеха. Для исключения ее влияния аналоговый тракт должен иметь коэффициент
ослабления синфазного сигнала (КОСС):
Зависимость
ЭДС датчика от измеряемой величины является не линейной. В связи с этим
требуется включение в состав измерительного тракта функционального
преобразователя, обеспечивающего линеаризацию характеристики датчика.
Из
задания на проект известна полоса частот спектра полезного сигнала. Это дает
возможность сформулировать технические требования к фильтру низких частот по
полосе пропускания: граничная частота фильтра
, где
- верхняя частота спектра сигнала датчика.
В
задании на проект не оговорены требования к АЧХ фильтра, поэтому тип фильтра
низких частот (ФНЧ) выбирается RC-фильтр типа Баттерворта 2-го порядка.
Преимущества
применения активных RC-фильтров по сравнению с LC-фильтрами - хорошая
равномерность АЧХ в полосе пропускания и хорошая скорость спада на переходном
участке: практически полная развязка входных и выходных цепей, малые габариты и
т.д.
Если фильтр выполняется в виде отдельного функционального узла, то его
необходимо включать обязательно до нелинейного устройства. В противном случае
высокочастотные помехи наводки (с ними практически всегда приходится иметь
дело) могут быть трансформированы в область спектра полезного сигнала.
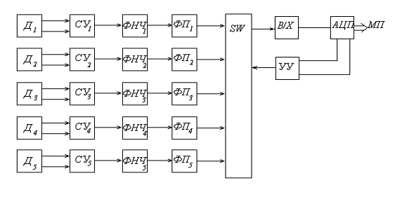
Производим выбор структурной схемы аналогового тракта, которая имеет
следующий вид:
Рисунок 4- Структурная схема аналогового тракта
где СУ- согласующий усилитель;
ФНЧ- фильтр низких частот;
ФП- функциональный преобразователь;
УВХ- устройство выборки-хранения;
АЦП - аналогово-цифровой преобразователь;
УУ- устройство управления.
2. ОПРЕДЕЛЕНИЕ ТЕХНИЧЕСКИХ ТРЕБОВАНИЙ К ФУНКЦИОНАЛЬНЫМ УЗЛАМ СИСТЕМЫ
Расчет технических требований будем производить в обратном порядке
прохождения аналогового сигнала.
Устройство выборки и хранения. Основными техническими характеристиками
УВХ являются:
1.Коэффициент
передачи в момент окончания выборки
.
.Максимальные
значения входного
и выходного
напряжений.
.Входное
и выходное
сопротивление
по аналоговому сигналу.
.Отнасительные
ошибки выборки
и
хранения.
.Форма
и параметры сигнала на управляющем входе УВХ.
.Напряжение
источников питания УВХ.
Так
как существует большая неопределённость выбора указанных параметров УВХ, то их
нужно задать, используя практический опыт построения подобных устройств и
инженерную интуицию. Следует помнить, что в случае невозможности реализации УВХ
с заданными наперёд характеристиками, возможен этап коррекции технического
задания. Это, собственно, обычный (стандартный) путь решения инженерных и
исследовательских задач.
Зная,
что современные методы построения УВХ дают возможность реализации относительных
ошибок
и
до
и ниже, можно установить требования к допустимой
погрешности:
Ориентируясь
на выполнение аналогового тракта на операционных усилителях (ОУ), задаются
стандартной величиной напряжения источников питания:
Как
известно, в схемах на ОУ достаточно легко реализуются большое входное
сопротивление (до единиц мегом) и малое выходное сопротивление (менее десятков
- сотен Ом),поэтому устанавливаем требования:
Длительность
импульсов управления и период их следования оговорены в техническом задании на
проект. Подлежит определению величины времени хранения:
и
амплитудные значения импульса и впадины на управляющем входе УВХ.
При
реализации управляющего тракта полностью на ОУ выбираем:
При
расчёте принципиальной схемы эти данные будут учтены.
Функциональный
преобразователь. Основной характеристикой функционального преобразователя
является зависимость выходного напряжения 
от
входного 
:
Зависимость
ЭДС датчика задана аналитическим выражением:
e =0.4 * q2
где
q - измеряемая величина.
Приделы
измеряемой величины можно най ришив систему уравнений:
e
= 0.4 * q2 (qmin)
e
= 0.4 * q2 (qmax)
Находим что: qmin = 0,1(В),
qmax= 0,25(В),
Найдем
зависимость 
графичиским
путем. Для этого построим график зависимости
.
e = 0.4 * q2*K
Затем
стороим симметричную относительно иси кривую, она и будет искомой передаточной
характристикой функционального преобразователя. Далее аппроксимируем кривую
ломаной и определяем графичиским пуьом координаты точек излома 
, и
требуемый коеффициент усиления на участках по формуле:
Необходимые
построения приведены на рис.6
Найдем
коефициенты уселения на каждом кусочно-линейным отрезке:
Выходное сопротивление функционального преобразователя
R
≤0,1 R
Входное
сопротивление ФУ
R
=(10*103 - 1*106) Ом
Фильтр нижних частот. Основными характеристиками и параметрами фильтра
нижних частот являются:
Верхняя
граничная частота
.
1. Неравномерность АЧХ в полосе
пропускания.
2. Скорость спада частотной
характеристики на переходном участке АЧХ.
Коэффициент
передачи
по напряжению в полосе пропускания.
Входное
и выходное
сопротивления.
При использовании фильтров Баттерворта неравномерность АЧХ в полосе
пропускания задавать не требуется, т.к. она получается минимальной.
Скорость спада выберем порядка 12 дБ/октаву.
Фильтры
Баттерворта, выполненные на ОУ, имеют
.
Зададимся
. Исходя из этого, можно определить требования к
максимальной величине входного напряжения:
Входное
и выходное сопротивления выберем
,
Согласующий
усилитель должен обладать номинальным коэффициентом усиления разностного
сигнала не менее чем
Этот
коэффициент изменяется в пределах
, т.е.
Коэффициент
ослабления синфазной помехи должен быть не менее чем (расчет приведен выше):
Входное
сопротивление
выберем из соотношения:
Выходное
сопротивление согласующего усилителя
.
ВЫБОР И РАСЧЕТ ПРИНЦИПИАЛЬНЫХ СХЕМЫ ОСНОВНЫХ БЛОКОВ
Согласующий усилитель выполняет несколько функций:
- усиление сигнала до максимального входного напряжения АЦП;
- ослабление синфазной помехи;
- согласование симметричных выходов датчика с несимметричными входами
функциональных блоков аналогового тракта.
Расчет СУ начнем с выбора операционного усилителя (ОУ). Критериями выбора
является возможность удовлетворения следующих неравенств:
Согласующий
усилитель
Дрейф нуля в рабочем диапазоне температур (принимается 0…80oC):
Входное
дифференциальное сопротивление:

Для построения схемы согласующего усилителя будем использовать
операционный усилитель КР140УД7 с такими характеристиками:
- максимальный коэффициент усиления Ku = 50000;
- коэффициент ослабления синфазного сигнала КОСС = 70 дБ;
- максимальное синфазное входное напряжение Uсинф max =
11 В;
- максимальное входное напряжение Uвх max = 12 В;
- максимальное выходное напряжение Uвых max =
11,5 В;
- напряжение питания Uп =
±15 В;
- максимальный выходной ток Iвых max = 20 мА;
- входные токи Iвх = 200 нА.
Выбранная микросхема удовлетворяет предъявленным к ней требованиям.
Для достижения наибольшего ослабления синфазной помехи коэффициент
усиления первой ступени усиления на DA1, DA2 желательно брать наибольшим (т.е.
реализовать на ней основное усиление сигнала), а коэффициент усиления
разностного усилителя на ОУ DA3 принять равным единице. В этом случае резисторы
R5÷R8 получатся одного номинала, а
следовательно, облегчается их подбор по требуемому допуску и температурному
коэффициенту. Расчет элементов схемы начинаем с каскада на DA3.
Зададим номиналы резисторов в пределах
где Uвх мах - максимальное входное
напряжение операционного усилителя,
Iвых max - максимальный выходной ток
операционного усилителя.
Выбираем номиналы R5, R6, R7, R8
равными 1 кОм. Резисторы R3 и R4 выбираем равными 20 кОм. Для
определения сопротивления резистора R2, воспользуемся формулами:
RSmax =
2*R3/(Kсу min
-1) = 2*20*103/(10,97 -1) = 4 кОм
RSmin =
2*R3/(Kсу max
-1) = 2*20*103/( 109,7-1) = 0,37 кОм
Так как резистор R1=Rmin, то задаемся номинальным значением R1 - 390 Ом.
R2 = Rmax -Rmin = 3,63 кОм
Выбираем резистор R2
номиналом 3,9 кОм с учетом допустимых отклонений в значениях резисторов R1 и R2.
Допуск на относительный разброс номиналов резисторов (кроме R1 и R2), %
определяем по формуле:
.
При
определении номиналов резисторов учитываем, что резисторы R5÷R8 определяют величину входного сопротивления каскада
по инвертирующему и неинвертирующему входам и являются фактическими нагрузками
ОУ DA1, DA2. Кроме того, применение высокоомных резисторов R5÷R8 приводит к повышенному дрейфу выходного напряжения
из-за некомпенсируемой разности входных токов ∆Iвх (паспортный параметр
ОУ).
Выбираем
резисторы:

С2-33Н-0,25-390
Ом±10%

С2-33Н-0,25-3,9
кОм±10%

С2-33Н-0,25-20
кОм±10 %

С2-33Н-0,25-20
кОм±10%

С2-33Н-0,25-1
кОм±10%

С2-33Н-0,25-1
кОм±10%

С2-33Н-0,25-1
кОм±10%

С2-33Н-0,25-1
кОм±10%
Фильтр низких частот.
Фильтр низких частот (рис. 3) выполнен по схеме Баттерворта второго
порядка.
Фильтр
низких частот
Верхняя граничная частота определяется по формуле:
Целесообразно
задаться сначала величиной емкости из ряда стандартных значений, затем
рассчитать величины резисторов:
Величину
емкости С следует выбрать такой, чтобы получить значения резистора R в
пределах 10 100 кОм. Выбираем емкость С = 0.1 мкФ.
Ом
Выбираем
номинал R=6,8 кОм. С целью уменьшения влияния разности входных
токов ОУ должно выполняться равенство:
В
то же время для получения необходимой АЧХ:
Решая
систему уравнений, получаем значения R1=24,57 кОм (выбираем номинал 27
кОм), R2=14,4 кОм (выбираем номинал 15 кОм). По полученным
параметрам рассчитываем коэффициент усиления фильтра низких частот:
Выбираем резисторы:

С2-33Н-0,25-27
кОм±5% 
К73-11-63
В-0.15 мкФ±20%

С2-33Н-0,25-15
кОм±5% 
К73-11-63
В-0.15 мкФ±20%

С2-33Н-0,25-68
кОм±5%

С2-33Н-0,25-68
кОм±5%
Расчет устройства выборки хранения
В качестве
устройства выборки/хранения можно использовать микросхему КР1100СК2, имеющую
такие характеристики:
время выборки 510 мкс;
- коэффициент усиления Kувх =
1;
- напряжение питания Uп =
±12 В;
- напряжение управления Uупр =
2.7В;
- скорость изменения выходного напряжения U = 0.25 В/с;
- максимальное входное напряжение Uвх = 10 В;
- напряжение смещения Uсм =
530 мВ.
При подключении к данной микросхеме конденсатора емкостью 1000пФ, можно получить время
хранения равное 10 мкс.
Расчет функционального преобразователя
Схема функционального преобразователя, у которого с ростом входного
сигнала возрастает коэффициент усиления приведена на Рисунке 7
Принципиальная
схема функционального преобразователя
(кОм)
Выбираем
R14=10 кОм, R13=5,1 кОм
С
ростом входного напряжения повышаются потенциалы анодов диодов, в то время как
потенциалы их катодов остаются неизменными и близкими к нулю. При
открывается диод VD3, коэффициент
усиления возрастает и становится
Получаем
R11+R12=16,6 кОм. Выбираем R12=13 кОм, R11=5,1
кОм.
При
открывается диод VD2, коэффициент
усиления возрастает и становится
Получаем
R9+R10=10,25 кОм. Выбираем R10=8,2 кОм, R9=2,2
кОм. При
открывается диод VD1, коэффициент
усиления возрастает и становится
При
открывается диод VD1, коэффициент
усиления возрастает и становится
Получаем
R1+R2=19,3 кОм. Выбираем R2=16 кОм, R1=6,2
кОм.
Рассчитываем
значение сопротивлений делителя. Для этого зададимся опорным напряжением равным
Еоп=10 В. Величины входных напряжений необходимых для поочередного отпирания
диодов возьмем из графика Uвых=f(Uвх). Расчет сопротивлений делителя производится из
условия:
Rоп=
Таким образом сопротивления
делителя находятся как:
Выбираем R8=68 кОм, R7=22 кОм.
Выбираем
R6=15 кОм, R5=6,8 кОм.
Выбираем
R4=22 кОм, R3=9,1 кОм.
Расчет управляющего
тракта
Блок управления необходим для управления работой всего устройства. Он
синхронизирует работу отдельных блоков. Для обеспечения нормальной работы
системы сбора аналоговых данных необходимо поочередно подавать сигналы с
генератора на вход счетчика, аналогового коммутатора, УВХ, АЦП, буфера хранения
и сигнал готовности для микропроцессорного устройства. Частота работы
генератора определяется частотой опроса датчиков. Сигналы на входы блоков должны
подаваться с определенной задержкой, равной времени преобразования предыдущего
устройства. Принцип работы блока управления отображен на диаграмме .
Принцип
работы блока управления
где
tсч - время преобразования счетчика; tан.к.
- время преобразования аналогового коммутатора; tхр - время
хранения данных в УВХ; tУВХ - время преобразования в УВХ; tпр
АЦП - время преобразования АЦП.
В
качестве аналогового коммутатора воспользуемся микросхемой КР590КН6 Справочные
данные: Uпит = ± 15B; Uком = ± 15B; Iком
= 20 мА; tвкл = 0,3 мкс; Uвх0 = 0…0,8В; Uвх1
= 4…16,5B.
Аналоговый коммутатор
Для формирования номера опрашиваемого датчика будет использоваться
счетчик на основе D-триггеров,
показанный на рис.10
Счетчик с коэффициентом пересчета 5
Схема блока управления изображена на рис.11. Она состоит из: генератора
прямоугольных импульсов; цепей задержки, сформированных на базе RC-цепочек; а также из одновибратора,
который используется как расширитель импульса для УВХ.
Схема блока управления
В качестве
генератора импульсов будем использовать схему, приведенную на рис.12.
Схема
генератора прямоугольных импульсов
Частота
опроса датчиков составляет f=120 Гц. Длину импульса возьмем равную 1 мкс. Тогда
tИ=R1*C1*ln(U1/Uпор)
*10-6=R1*C1*ln(2,4/1,25)
Выбираем
R1=2,2 кОм, а С1=765 пФ.
tП=R2*C2*ln(U1/Uпор)
*10-6=R2*C2*ln(2,4/1,25)
Выбираем
R2=22 кОм, С2=0,1302 мкФ.
Для
обеспечения подачи импульса на УВХ равного tв=10 мкс будем
использовать одновибратор на основе микросхемы К155АГ1. Для этой микросхемы
длительность импульса обеспечивается из условия tвых=С3*R3*ln2.
Поэтому выбираем С3=650 мкФ, а R3=22 кОм.
Расчет
RC-цепочек
1. Время задержки сигнала на вход аналогового коммутатора равно 500
нс.
tcч=С1*R1=500*10-9
Выбираем R1=2,2 кОм, С1=227
пФ.
2. Время задержки сигнала на вход УВХ равно 0,3 мкс.
tан.к.=С2*R2=0,3*10-6
Выбираем R2=10 кОм, С2=30
пФ.
3. Время задержки сигнала на вход АЦП равно 0,8 мкс.
tУВХ=С4*R4=0,8 мкс
Выбираем R4=10 кОм, С4=80
пФ.
4. Время задержки сигнала на вход микропроцессорного устройства
равно 170 мкс.
tАЦП=C5*R5=170*10-6
ЗАКЛЮЧЕНИЕ
Для обработки аналоговых сигналов на современном этапе характерны
цифровые методы, в результате чего операционный усилитель вытесняется
микропроцессорами, ставшими универсальными компонентами электронных
конструкций. Тем не менее, специалисты по аналоговым схемам продолжают
создавать микросхемы с более высокой степенью интеграции, предназначенные для
универсальных подсистем. На базе АЦП, ЦАП, коммутаторов, схем выборки и
хранения, операционных усилителей и других аналоговых элементов разрабатывают
операционные узлы в виде БИС, способные обрабатывать аналоговую информацию без
преобразования ее в цифровую форму.
Датчики, пожалуй, являются теми устройствами, в которых острее всего
нуждаются производственные участки предприятий, особенно промышленные роботы.
В области преобразования данных основной движущей силой является
стремление к повышению точности и быстродействию. Однако существенное значение
начинают приобретать и новые факторы: сильный сдвиг в сторону технологии КМДП,
разработка преобразователей специального назначения и использование новых
методов преобразования, в том числе схем коррекции погрешностей.
Весьма сложную задачу представляет собой организация ввода-вывода
информации. Это связано с огромным разнообразием периферийных устройств,
которые необходимы в микро-ЭВМ.
СПИСОК
ЛИТЕРАТУРЫ
. Электронные промышленные устройства: Учеб для студ. Вузов
спец. «Пром. электрон.» /В.И. Васильев, Ю.М. Гусев, В.Н. Миронов и др.-М.:
Высш. Шк., 1988.-303 с.: ил.
. Цифровые и аналоговые интегральные микросхемы:
справочник/С.В. Якубовский, Л.И. Нисельсон, В.И. Кулешова и др.; под ред С.В.
Якубовского.-М.: Радио и связь, 1990.-с.: ил.
. Микропроцессоры: В 3-х кн. Кн. 2. Средства сопряжения.
Контролирующие и информационно-управляющие системы: Учеб для втузов/В.Д.
Вернер, Н.В. Воробьёв, А.В. Горячев и др.; Под ред. Л.Н. Преснухина.-М.: Высш.
шк., 1986.-383с.: ил.
. СПРАВОЧИК «ДИОДЫ»
. СПРАВОЧИК «РЕЗИСТОРЫ»