Проектирование системы сбора данных
ФИЛИАЛ МОСКОВСКОЙ ГОСУДАРСТВЕННОЙ АКАДЕМИИ
ПРИБОРОСТРОЕНИЯ И ИНФОРМАТИКИ
В Г. УГЛИЧ
Кафедра «ТОЧНЫЕ ПРРИБОРЫ И ИЗМЕРИТЕЛЬНЫЕ СИСТЕМЫ»
КУРСОВОЙ ПРОЕКТ
по дисциплине
«Микропроцессорная
измерительная техника»
на тему :
«Проектирование системы сбора данных»
|
Студент Алещенко Д. А.
|
Шифр 96207
|
|
Вариант 1
|
преподаватель Канаев С.А.
|
|
Подпись студента
|
Подпись преподавателя
|
|
Дата 2.06.2000
|
Дата
|
г. Углич 2000 г.
СОДЕРЖАНИЕ
|
1. ВВЕДЕНИЕ
|
3
|
|
2.
ТЕХНИЧЕСКОЕ ЗАДАНИЕ
|
4
|
|
3. РАЗРАБОТКА
СТРУКТУРНОЙ СХЕМЫ. ОБОБЩЕННЫЙ АЛГОРИТМ РАБОТЫ
|
5
|
|
4. РАЗРАБОТКА
И РАСЧЕТ ЭЛЕМЕНТОВ ПРИНЦИПИАЛЬНОЙ ЭЛЕКТРИЧЕСКОЙ СХЕМЫ
4.1 Выбор микропроцессорного
комплекта
4.1.1 Аппаратное сопряжение ПК и
микроконтроллера
4.1.2 Выбор
кварцевого резонатора
4.1.3 Выбор скорости приема/передачи по RS-232
4.1.4 Разработка формата принимаемых
и передаваемых данных по RS-232
4.2 Выбор буфера RS-232……………………………………………………………….
4.3 Выбор АЦП.
4.3.1 Расчет погрешности вносимой
АЦП.
4.4 Выбор сторожевого таймера.
4.5 Выбор интегральной микросхемы
операционного усилителя
4.5.1 Расчет погрешностей от
нормирующего усилителя
4.6 Выбор и
расчет внешних элементов гальванической развязки
|
7
7
7
8
8
9
9
10
11
12
12
14
16
|
|
5. АПРОКСИМАЦИЯ СТАТИЧЕСКОЙ ХАРАКТЕРИСТИКИ НЕЛИНЕЙНОГО
ДАТЧИКА
5.1 Оценка погрешности от аппроксимации
|
18
19
|
|
6. ВЫБОР ФОРМАТА ДАННЫХ
6.1 Оценка погрешности от перевода коэффициентов
|
20
20
|
|
7. ОЦЕНКА
ПОГРЕШНОСТЕЙ
|
21
|
|
8. РАСЧЕТ
ПОТРЕБЛЯЕМОЙ МОШНОСТИ ОСНОВНЫМИ ЭЛЕМЕНТАМИ СХЕМЫ
|
22
|
|
ПРИЛОЖЕНИЯ
Приложение 1
Приложение 2
Приложение 3
Приложение 4
Приложение 5
|
23
24
25
26
27
|
|
СПИСОК
ИСПОЛЬЗОВАННЫХ ИСТОЧНИКОВ
|
34
|
1. ВВЕДЕНИЕ
В настоящее
время проектированию измерительных систем уделяется много времени. Делается
большой акцент на применение в этих системах электронно-цифровых приборов.
Высокая скорость измерения параметров, удобная форма представления информации,
гибкий интерфейс, сравнительно небольшая погрешность измерения по сравнению с
механическими и электромеханическими средствами измерения все эти и многие
другие преимущества делаю данную систему перспективной в развитии и в
дальнейшем использовании во многих отраслях производства.
Развитие
микроэлектроники и широкое применение ее изделий в промышленном производстве, в
устройствах и системах управления самыми разнообразными объектами и процессами
является в настоящее время одним из основных направлений научно-технического
прогресса.
Использование микроконтроллеров в
изделиях не только приводит к повышению технико-экономических показателей
(надежности, потребляемой мощности, габаритных размеров), но и позволяет
сократить время разработки изделий и делает их модифицируемыми, адаптивными, а
также позволяет уменьшить их стоимость. Использование микроконтроллеров в
системах управления обеспечивает достижение высоких показателей эффективности
при низкой стоимости.
Системы сбора
данных в наши дни сделали большой шаг в вперед и в плотную приблизились к
использованию совершенных электронных технологий. Сейчас, многие системы сбора
данных состоящие из аналогового коммутатора, усилителя выборки-хранения, АЦП,
стали размещать на одной интегральной микросхеме, что сравнительно повлияло на
скорость обработки данных, удобство в использовании, и конечно же на их
стоимость.
2. ТЕХНИЧЕСКОЕ ЗАДАНИЕ
Требуется
спроектировать систему сбора данных предназначенную для сбора и первичной
обработки информации поступающей с четырех датчиков давления и датчика контроля
за давлением.
Основные
характеристики:
|
Количество каналов подключения
датчиков давления
|
4
|
|
Количество линейных датчиков
статическая
характеристика
диапазон
измеряемого давления
собственная
погрешность измерения
|
3
U(p)=a0p+b a0=0.1428
b=-0.71
5..50 КПа
0.1%
|
|
Количество нелинейных датчиков
статическая
характеристика
диапазон
измеряемого давления
собственная
погрешность измерения
|
1
U(p)=a0p+a1p2+a2p3+b
a0=0.998, a1=0.003 a2=-0.001 b=-2.5
0.01..5 Мпа
0.1%
|
|
Максимальная погрешность одного
канала не более
|
0.5%
|
|
Количество развязанных
оптоизолированных входов для подключения датчика контроля за давлением
Активный
уровень
Выходное
напряжение логического нуля
Выходное
напряжение логической единицы
Максимальный
выходной ток
логического
нуля мА
логической
единицы мА
|
1
1
уровень ТТЛШ
уровень ТТЛШ
2.5
1.2
|
|
Режим измерения давления
|
Статический
|
|
Базовая микро-ЭВМ
|
89С51 фирмы Atmel
|
3. РАЗРАБОТКА СТРУКТУРНОЙ СХЕМЫ.
ОБОБЩЕННЫЙ АЛГОРИТМ РАБОТЫ
Структурная
схема системы сбора данных представлена на рис.1
Обобщенная структурная схема системы сбора данных.
ДД1,ДД2,ДД3 – линейные датчики давления,
ДД4- нелинейный датчик давления,
ДКД1, ДКД2 – датчики контроля за давлением
AD7890 – АЦП, УВХ, ИОН, аналоговый
коммутатор,
98С51 – микро-ЭВМ,
WDT –сторожевой таймер.
Рисунок 1.
Датчики
давления преобразовывают измеренное давление в электрический сигнал.
Нормирующие
усилители преобразовывают выходное напряжение с датчиков давления к входному
напряжению АЦП.
AD7890 (далее АЦП) служит для того
чтобы, переключать требуемый канал коммутатора, преобразовать аналоговую
величину напряжения в соответствующий ей двоичный цифровой код.
Однокристальная
микро-ЭВМ предназначена для того чтобы:
·
производить расчет - Р(код) по известной статической
характеристике датчика давления;
·
передавать рассчитанное давление по последовательному интерфейсу RS-232 в ПК.
Буфер
последовательного интерфейса RS-232 введен в схему, для
того чтобы преобразовывать логические уровни между ПК и микро-ЭВМ и микро-ЭВМ и
ПК.
Т.К. работа
системы производится в автономном режиме и она не предусмотрена для работы с
оператором, то в состав системы дополнительно вводится интегральная микросхема
сторожевого таймера, предназначенная для вывода микро-ЭВМ из состояния
зависания и ее сбросе при включении питания.
Временная
диаграмма работы сторожевого таймера представлена на листе 2 графической части.
Блок схема
обобщенного алгоритма работы представлена в приложении 4.
При включении
питания микро-ЭВМ 89С51 реализует подпрограмму инициализации (1. инициализация
УАПП, 2. установка приоритета прерываний, 7. разрешение прерываний). По запросу
от ПК «Считать измеренное давление с датчика N» (где N – номер датчика давления), МП последовательно выдает с линии 1 порта 1(Р1.1), байт данных (в котором 1-ый,
2-ой и 3-ий биты указывают на выбор канала мультиплексора) на вход АЦП — DATA IN. Прием каждого бита этого байта происходит по
фронту импульсов сигнала поступающего на вход SCLK от
МП с линии 2 порта 1 (Р 1.2). Передача этого байта
стробируется сигналом (низкий уровень), поступающего на вход
от МП с линии 4 порта 1 (см. графическую
часть лист 2) Приняв байт информации АЦП производит переключение требуемого
канала. После этого МП выдает отрицательный импульс на вывод
с линии 7 порта 1 и по положительному
переходу этого импульса начинается процесс преобразования напряжение в двоичный
код, которое поступает от датчика давления – N. По
истечении 5.9 mс (время преобразования
) АЦП готов к последовательной передачи полученного 12-ти разрядного двоичного
кода. Процесс передачи данных от АЦП к МП производится при стробировании
сигнала (низкий уровень), поступающего с линии 5 порта 1 на вывод
(см. графическую часть лист 2). Формат
посылки состоит из 15-ти бит (первые три бита несут за собой номер включенного
текущего канала, а остальные 12 бит двоичный код ). Приняв двоичный код, МП
путем математических вычислений(см. п.5) находит зависимость Р(код) и посылает
в ПК по последовательному интерфейсу RS-232 полученное
значение давления P. На этом цикл работы системы
заканчивается.
4. РАЗРАБОТКА И РАСЧЕТ ЭЛЕМЕНТОВ ПРИНЦИПИАЛЬНОЙ
ЭЛЕКТРИЧЕСКОЙ СХЕМЫ
4.1 Выбор микропроцессорного
комплекта
В соответствии
с заданием ядром системы послужила однокристальная микро-ЭВМ 89С51 фирмы Atmel.
Основные
характеристики однокристальной микро-ЭВМ 89С51:
• Совместима с однокристальной
микро-ЭВМ серии MCS-51™
• 4Kb
ре-программируемой флешь памяти
–
допустимо: 1000 циклов Записи/Стирания
• Рабочий диапазон частоты
синхронизации : от 0 Гц до 24 МГц
• 128 x 8-бит встроенного ОЗУ
• 32 программируемых I/O линии
• Два 16-разрядных таймер/счетчика
• Семь источников внешних прерываний
• Программируемый УАПП
• Возможность включения режима
пониженного энергопотребления
4.1.1
Аппаратное сопряжение ПК и микроконтроллера
Для решения задачи сопряжения ПК и
микроконтроллера было решено использовать интерфейс RS-232C.
Последовательный порт используется в
качестве универсального асинхронного приемопередатчика (УАПП) с
фиксированной или переменной скоростью последовательного обмена информацией и
возможностью дуплексного включения.
Последовательный интерфейс
микроконтроллера МК-51 может работать в следующих четырех режимах:
·
Режим 0. Информация
передается и принимается через вход RxD приемника (вывод P3.0). Через выход передатчика TxD (вывод P3.1) выдаются импульсы синхронизации,
стробирующие каждый передаваемый или принимаемый бит информации. Формат посылки
– 8 бит. Частота приема и передачи – тактовая частота микроконтроллера.
·
Режим 1. Информация
передается через выход передатчика TxD, а принимается через вход приемника RxD. Формат посылки
– 10 бит: старт-бит (ноль), восемь бит данных, программируемый
девятый бит и стоп-бит (единица). Частота приема и передачи задается
таймером/счетчиком 1.
·
Режим 2. Информация
передается через выход передатчика TxD, а принимается через вход приемника RxD. Формат посылки – 11 бит: старт-бит (ноль), восемь бит данных, программируемый девятый бит и 2
стоп-бита (единицы). Передаваемый девятый бит данных принимает значение бита ТВ8
из регистра специальных функций SCON.
Бит ТВ8 в регистре SCON может быть
программно установлен в «0» или в «1», или в него, к примеру, можно поместить
значение бита Р из регистра PSW
для повышения достоверности принимаемой информации (контроль по паритету). При приеме девятый бит данных принятой посылки поступает в бит RB8 регистра SCON. Частота приема и передачи в режиме 2 задается
программно и может быть равна тактовой частоте микроконтроллера деленной на 32
или на 64.
·
Режим 3. Режим 3 полностью
идентичен режиму 2 за исключением частоты приема и передачи, которая в режиме 3
задается таймером/счетчиком 1.
Для реализации обмена информацией
между ПК и микроконтроллером наиболее удобным является режим 2, т.к. для работы
в этом режиме не требуется таймер/счетчик. Этот режим полностью удовлетворяет
предъявленным требованиям.
4.1.2 Выбор
кварцевого резонатора
Для работы МП
необходим кварцевый резонатор который подключается к выводам XTAL1
и
XTAL2 (см. графическую часть курсового проекта, лист 1)
Рабочая частота кварцевого резонатора
непосредственно связана со скоростью работы УАПП, мы выбираем из п.1 fрез=11.059 МГц
4.1.3
Выбор скорости приема/передачи по RS-232
Скорость приема/передачи, т.е.
частота работы универсального асинхронного приемопередатчика (УАПП) в режиме 2 зависит от значения управляющего бита SMOD в регистре специальных функций.
Частота передачи определяется
выражением:
f=(2SMOD/64)fрез.
Иными словами, при SMOD=0 частота передачи равна (1/64)fрез, а при SMOD=1 равна (1/32)fрез.
Исходя из вышеизложенного, выберем
частоту приема данных при SMOD=1.
Если fрез=11,059 МГц, тогда частота приема данных
будет 19,2 КБод.
Другие
значения частот кварца могут быть выбраны из таблиц в п.1 и п.2.
4.1.4 Разработка формата принимаемых
и передаваемых данных по RS-232
Формат принимаемых и передаваемых
данных почти полностью описан режимом 2 работы последовательного интерфейса.
Формат должен состоять из 11 бит:
·
стартовый бит –
ноль;
·
восемь бит
данных;
·
девятый бит –
контроль по паритету, для повышения достоверности принимаемой информации;
·
два стоповых бита
– единицы.
4.2 Выбор буфера RS-232
Обмен данными между ПК и микроконтроллером будет
производиться по последовательному интерфейсу RS-232. Т.к. стандартный уровень
сигналов RS-232 - -12 В и +12 В, а стандартный уровень сигналов асинхронного
интерфейса микроконтроллера 89С51 – +5 В необходимо обеспечить согласование
уровней между RS-232 и 89С51. Преобразование напряжения будет производить
цифровая интегральная микросхема ADM 202E. Выбор данной микросхемы был
произведен исходя из ТЗ (техническое задание). Основные характеристики цифровой
интегральной микросхемы ADM 202E приведены в табл. 3.
Таблица 3.
Основные характеристики цифровой интегральной
микросхемы ADM 202E
|
Параметр
|
Минимальный
|
Максимальный
|
Единица измерения
|
|
Напряжение питания
|
4.5
|
5.5
|
В
|
|
Нижний входной лог. порог
|
|
0.8
|
В
|
|
Высокий входной лог. порог
|
2.4
|
|
В
|
|
RS-232 приемник
|
|
|
|
|
Входное допустимое напр.
|
-30
|
+30
|
В
|
|
Входной
нижний парог
|
0.4
|
|
В
|
|
Входной
высокий парог
|
|
2.4
|
В
|
|
|
Продолжение таблицы 3
|
|
RS-232 передатчик
|
|
|
|
|
Выходной размах напр.
|
-+5
|
|
В
|
|
Сопр. Выхода передатчика
|
300
|
|
Ом
|
|
Температурный диапазон
|
-40
|
+85
|
°C
|
Функциональная
блок-схема интегральной микросхемы ADM 202E представлена на рис.2
Функциональная блок-схема интегральной микросхемы ADM 202E
Рисунок. 2
4.3 Выбор АЦП.
В качестве
аналого-цифрового преобразователя послужила интегральная микросхема фирмы Analog Devices – AD7890-2. Выбор данной микросхемы был произведен
исходя из ТЗ
Основные
характеристики:
• 12-разрядный АЦП, время
преобразования 5.9 мкс
• Восемь входных аналоговых каналов
• Входной диапазон :
от 0 В до +2.5
В
• Раздельный доступ к мультиплексору и
к АЦП
•
Встроенный источник опорного напряжения +2.5 В (возможно
подключение внешнего.)
• Высокая скорость, «гибкость»,
последовательный интерфейс
• Низкая потребляемая мощность (50 мВт
максимум)
• Режим пониженного энергопотребления
(75 мкВт).
Функциональная
блок-схема интегральной микросхемы AD 7890-2 представлена на
рис.3
Функциональная блок-схема интегральной микросхемы AD
7890-2
Рисунок 3
4.3.1 Расчет погрешности вносимой АЦП.
Аналого-цифровой
преобразователь вносит следующие виды погрешностей:
·
нелинейности
(погрешность нелинейности- это максимальное отклонение линеаризованной реальной
характеристики преобразования от прямой линии, проходящей через крайние точки
этой характеристики преобразования АЦП.);
·
дифференциальной
нелинейности(погрешность дифференциальной нелинейности- это отклонение
фактической разности уровней (входного сигнала АЦП), соответствующим двум
соседним переключениям кода, от идеального значения этой разности, равной 1
МЗР. Для идеального АЦП разница уровней между соседними переключениями кода в
точности равна 1 МЗР.);
·
погрешность
полной шкалы (погрешность полной шкалы- это отклонение уровня входного сигнала,
соответствующего последнему переключению кода от идеального значения, после
того как была откорректирована погрешность биполярного нуля.);
В
табл. 4 приведены погрешности взятые из каталога,
на интегральную микросхему AD7890 фирмы
Analog Devices
Таблица
4
Основный
погрешности интегральной микросхемы AD7890
|
Вид
погрешности
|
Значение
|
%
|
|
Интегральная
нелинейность
|
±1 МЗР
|
0.0244
|
|
Дифференциальная
нелинейность
|
±1 МЗР
|
0.0244
|
|
Полной
шкалы
|
±2.5 МЗР
|
0.061
|
|
Общая
(DАЦП)
|
|
0,1098
|
4.4 Выбор сторожевого таймера.
Т.к.
работа системы происходит в автономном режиме и не предусматривает работу
оператора с ней, то для случая зависания микро-ЭВМ в схему системы сбора данных
добавляется интегральная микросхема MAX690AMJA – сторожевой
таймер. Выполняющая две основные функции: выведение МП из состояния зависания и
сброс МП при включении питания.
Основные
характеристики интегральной микросхемы МАХ690AMJA:
•
Время сброса: 200 мС
•
Рабочий диапазон напряжения питания: от 1 до 5.5 В
•
Ток потребления: 200 мкА
•
температурный диапазон эксплуатации: от –55 до +125 °C.
4.5 Выбор интегральной микросхемы
операционного усилителя
Нормирующий усилитель выполнен на аналоговой микросхеме OP-27А (операционный усилитель), исполненной в восьми
контактном DIP-корпусе. Основные хар-ки операционного
усилителя OP-27A приведены в табл.5.
Таблица 5
Основные характеристики аналоговой микросхемы ОР-27А
Напряжение
питания (UПИТ)В:
|
V+
|
V-
|
|
22
|
-22
|
|
Напряжение
смещения (UСМ)мкВ:
|
25
макс.
|
|
Ток
смешения (IСМ)нА
|
±40
макс.
|
|
Ток
сдвига (IСДВ)нА
|
35
макс.
|
|
Коэффициент
озлобления синфазного сигнала (КООС)
|
501190
макс. (144 Дб)
|
|
Коэффициент
усиления при разомкнутой обратной связи
|
1800000
|
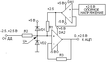
В систему
сбора данных входят три линейных и один нелинейный датчики давления. Выходной
диапазон напряжения нелинейного датчика давления составляет -2.5..+2.5, в
входной диапазон АЦП – 0..+2.5. Согласовать уровни напряжения выхода датчика
давления и входа АЦП можно с помощью схемы представленной на рис. 4. Данная
схема состоит из: операционного усилителя – DA1, повторителя напряжения – DA2,
схемы смещения – R1 и R2, схемы
защиты – VD1 и VD2.. Для того
чтобы не нагружать источник опорного напряжения[1]
в состав схемы нормирующего усилителя вводится повторитель напряжения. Данная
схема вносит в ССД погрешность.
Нормирующий усилитель
R1,R2 – 40
КОм,
R3 – 20 КОм.
VD1, VD2 – схема защиты
Рисунок 4
4.5.1 Расчет погрешностей нормирующего
усилителя
Суммарная
погрешность нормирующего усилителя складывается из погрешности напряжения
смещения (DUсм),
погрешности тока сдвига (DIсдв),
погрешности обратного тока диодов (В схеме защиты используются диоды марки
1N914A с обратным током утечки IД ОБР.=25 нА. Рассмотрим худший
случай, когда IД ОБР.== 2*IД ОБР.) (DIд
обр.), погрешности КООС (DКООС),
погрешности разброса параметров сопротивлений от номинального значения (DR1
R2 MAX).
Оценка
погрешности от напряжения смещения (DUсм)
DUсм= Uсм*Ку
где Ку –
коэффициент усиления (в нашем случае Ку=1)
DUсм=25 мкВ
DUсм%=
DUсм%=0.001 %
Оценка
погрешности от обратного тока диодов (DIд обр )
U+д= IД ОБР.*R2
U+д=0.002
DIд обр= U+д*Ку
DIд обр=2 мВ
DIд обр%=
DIд обр%=0.0016
Оценка
погрешности от КООС (DКООС)
,
где Кд – коэффициент
усиления дифференциального сигнала (Кд=1);
КС
– коэффициент усиления синфазного сигнала
КС=1/501190
КС=1.96*10-6
DКООС=UВХ СИН MAX*KC,
где UВХ СИН MAX – синфазное максимальное входное напряжение (UВХ СИН MAX=2.5
В).
DКООС=2.5*1.996*10-6
DКООС=7.7 мкВ
DКООС%=
DКООС%=0.0003
Оценка
погрешности от тока сдвига (DIсдв)
U+=IСДВ*R2
где U+ - см. рис.4
U+= 0.7 мкВ
DIсдв= U+*Ку
DIсдв=0.7 мкВ
DIсдв%=
DIсдв%=0.00004%
Оценка
погрешности вносимой разбросам сопротивлений R1 и R2 от их номинального значения.
Для
того чтобы уменьшить погрешность выбираем сопротивления с отклонениями от
номинального значения ± 0.05%
R1MIN= 39,996 Ом
R2MAX=40,004
Ом
Ток
протекаемый через R1 и R2 будет
И тогда общая
погрешность нормирующего усилителя будет равна
DНУ=((DR1R1max+DIсдв+DКООС+DIд обр+DUсм)/Ку)*100

4.6 Выбор и расчет внешних элементов
гальванической развязки
В качестве
элементов гальванической развязки используется цифровая микросхема 249ЛП5
- оптоэлектронный переключатель на основе диодных оптопар выполненных в
металлостеклянном корпусе. основные характеристики цифровой микросхемы 249ЛП5
приведены в табл. 5.
Таблица 5
Основные характеристики цифровой микросхемы 249ЛП5
|
Электрические
параметры
|
|
Входное
напряжение при IВХ=15 мА
|
не
более 1.7 В
|
|
Выходное
напряжение в состоянии логического нуля
|
0.4
В
|
|
Выходное
напряжение в состоянии логической единицы
|
2.4
|
|
Входной
постоянный ток
|
12
мА
|
|
Входной
импульсный ток
|
15
мА
|
|
Напряжение
питания
|
5(±0.5) В
|
|
Диапазон
рабочих температур
|
-60…+85
°С
|
Принципиальная
схема подключения элемента гальванической развязки в соответствии с ТЗ
приведена на рис. 5
Схема включения элемента гальванической развязки
VT1- КТ3102Г(h
21Э=100),
R2, VT1 –схема усиления входного
тока,
Рисунок 5
Выходной ток
ДКД усиливается с помощью транзистора VT1 т.к.
максимальный выходной ток датчика контроля за давлением меньше, чем входной ток
элемента гальвано развязки.
Значения
сопротивления R1 можно рассчитать по следующей формуле
при IД=5 мА, а значение сопротивления R2 будет равно
где UБЭ VT1 – напряжение насыщения на переходе база - эмиттер транзистора
VT1;UВХ_МIN – минимальное входное напряжение (2.4 В - уровень
ТТЛШ);
IБ – ток протекающий через базу VT1
где IК – ток протекающий
через коллектор VT1 (IК= IД)
5. АПРОКСИМАЦИЯ СТАТИЧЕСКОЙ
ХАРАКТЕРИСТИКИ НЕЛИНЕЙНОГО ДАТЧИКА
Уравнение
аппроксимированного участка статической характеристики нелинейного датчика
выглядит следующим образом:
где a и b – коэффициенты, представленные
в форме чисел с фиксированной точкой.
С АЦП приходит
12-ти разрядный код в диапазоне 0..4095,что
соответствует диапазону входных напряжений 0 ...+2.5
В.
Разрешающую способность
по напряжению можно рассчитать как:
|
U = код*МЗР(Младший
Значащий Разряд)
|
(3)
|
где МЗР =
где
UВХ
MAX – максимальное входное
напряжение подаваемое на вход АЦП;
UВХ
MIN – минимальное входное
напряжение подаваемое на вход
Выразив p из (2) и приняв во внимание
(3), формула нахождения давления от напряжения примет следующий вид:
|
|
(3)
|
Для уменьшения
погрешности аппроксимации статическая характеристика нелинейного датчика
давления делится на 4 равных отрезка и находятся
коэффициенты a и b (см. табл.6)
для уравнения вида p(код)=a*код+b описывающего каждый из этих
отрезков.
Таблица 6
Таблица переведенных коэффициентов
|
№
участка
|
a10
|
b10
|
a16
|
b16
|
|
1
|
0.001203
|
0.010377
|
0.004edf
|
0.02a8
|
|
2
|
0.001206
|
0.007413
|
0.004f03
|
0.01e5
|
|
3
|
0.001219
|
-0.02094
|
0.004fe5
|
0.055c
|
|
4
|
0.001245
|
-0.101148
|
0.005197
|
0.19e4
|
Аппроксимация
статической характеристики нелинейного датчика давления была произведена с
помощью программы MATHCAD 8.0 (см п.5)
5.1 Оценка погрешности аппроксимации
Оценка этой
погрешности была произведена на программе MATHCAD 8.0
(см п.4), и она составляет DАПР=0.093 %
6. ВЫБОР ФОРМАТА ДАННЫХ
В курсовом
проекте выбран формат чисел с фиксированной точкой.
Для
коэффициентов a выделяется три байта под дробную
часть и один байт под целую часть, а для b два
байта под дробную часть и один байт под целую часть Для кода достаточно двух
байт, а для результата три байта под целую и два байта под дробную части
соответственно.
6.1 Оценка погрешности от перевода
коэффициентов
В соответствии
с выбранным форматом данных данную погрешность можно найти так:
Dпер.коэф=Dk*код+Db=2-24*4096-2-16
7. ОЦЕНКА ПОГРЕШНОСТЕЙ
При
расчетах в курсовой работе мы оценили погрешности возникающие от АЦП,
аппроксимации, нормирующего усилителя и других. Суммарная погрешность всей ССД
равняется сумме найденных погрешностей, то есть:
DСУМ=DАЦП+DНУ+DАПР+Dпер.коэф
где
DАЦП
– погрешность вносимая от АЦП (см табл.4);
DНУ
- погрешность от нормирующего усилителя (см. ф.(1));
DАПР
- погрешность от аппроксимации(см.п.4);
Dпер.коэф
- погрешность от перевода коэффициентов (см. 4)
DСУМ=0,1098+??+0.093+0.044
8. РАСЧЕТ ПОТРЕБЛЯЕМОЙ МОШНОСТИ ОСНОВНЫМИ ЭЛЕМЕНТАМИ СХЕМЫ
Примерную
потребляемую мощность можно найти по формуле

где РМП – мощность потребляемая МП(РМП=0,1 Вт);
РАЦП - мощность потребляемая АЦП(РАЦП=0.0050
Вт);
РWDT - мощность потребляемая сторожевым таймером (РWDT=0.001);
PБУФ - мощность
потребляемая буфером порта RS-232 (PБУФ=0.01);
PОУ - мощность
потребляемая операционным усилителем (PОУ=0.09);
ПРИЛОЖЕНИЯ
Приложение 1
Точные значения кварцев
|
Кратность
|
Скорость передачи
(Кбод)
|
Частота кварца (МГц)
|
|
SMOD=0 (1/64)
|
SMOD=1 (1/32)
|
|
1
|
115,2
|
7,3728
|
3,6864
|
|
2
|
57,6
|
3,6864
|
1,8432
|
|
3
|
38,4
|
2,4576
|
1,2288
|
|
4
|
28,8
|
1,8432
|
0,9216
|
|
5
|
23,04
|
1,4746
|
0,73728
|
|
6
|
19,2
|
1,2288
|
0,6144
|
|
7
|
16,457142
|
1,053257
|
0,526628
|
|
8
|
14,4
|
0,9216
|
0,4608
|
|
9
|
12,8
|
0,8192
|
0,4096
|
|
10
|
11,52
|
0,73728
|
0,36864
|
|
12
|
9,2
|
0,6144
|
0,3072
|
Приложение 2
Возможные значения кварцев
SMOD=0
|
Кратность
|
Скорость передачи
(Кбод)
|
Частота кварца (МГц)
|
|
SMOD=0 (1/64)
|
SMOD=1 (1/32)
|
|
1
|
115,2
|
7,366503
|
7,378725
|
|
2
|
57,6
|
3,673807
|
3,698251
|
|
3
|
38,4
|
2,438711
|
2,475377
|
|
4
|
28,8
|
1,818014
|
1,866903
|
|
5
|
23,04
|
1,443078
|
1,504189
|
|
6
|
19,2
|
1,191022
|
1,264355
|
|
7
|
16,457142
|
1,009183
|
1,094738
|
|
8
|
14,4
|
0,871229
|
0,969007
|
|
9
|
12,8
|
0,762533
|
0,872533
|
|
10
|
11,52
|
0,674317
|
0,796539
|
|
12
|
9,2
|
0,538844
|
0,685511
|
SMOD=1
|
Кратность
|
Скорость передачи
(Кбод)
|
Частота кварца (МГц)
|
|
SMOD=0 (1/64)
|
SMOD=1 (1/32)
|
|
1
|
115,2
|
3,683252
|
3,689363
|
|
2
|
57,6
|
1,836904
|
1,849126
|
|
3
|
38,4
|
1,219356
|
1,237689
|
|
4
|
28,8
|
0,909007
|
0,933452
|
|
5
|
23,04
|
0,721539
|
0,752095
|
|
6
|
19,2
|
0,595511
|
0,632178
|
|
7
|
16,457142
|
0,504592
|
0,547369
|
|
8
|
14,4
|
0,435615
|
0,484504
|
|
9
|
12,8
|
0,381267
|
0,436267
|
|
10
|
11,52
|
0,337159
|
0,398270
|
|
12
|
9,2
|
0,269422
|
0,342756
|
Приложение
3 ОБОБЩЕННЫЙ АЛГОРИТМ РАБОТЫ
Нет
Да

Приложение 5
Подпрограмма инициализации
MOV SCON,#10010000b ; устанавливается второй режим УАПП
SETB 87h,1 ;SMOD=1
MOV
IP,#00010000b ;высокий
уровень приоритета прерывания у приема передатчика
MOV
IE,#10010000b ;
разрешаем прерывания
Подпрограмма записи 12-ти бит в управляющий регистр AD7890
SETB P1.2 ;Устанавливаем линию SCLK
SETB P1.4; Устанавливаем
линию TFS
MOV R1,0Ch ;
организовываем счетчик переданных бит (12)
MOV A,R0 ;
загружаем а аккумулятор передаваемые биты
MET0: RRC A ; проталкиваем во флаг С
передаваемый бит
MOV P1.1,C ; выставляем передаваемый бит на
Р1.1
ACALL DELAY
;ожидаем
CPL P1.2 ;инверсия
Р1.2
ACALL DELAY
;ожидаем
CPL P1.2 ; инверсия
Р1.2
DJNZ R2,MET0
CPL P1.4
Подпрограмма задержки на 0.006 сек.
DELAY: MOV R0,C8h
MET1: NOP
DJNZ
R0,MET1
RET
Подпрограмма задержки на 0.6 сек.
DELAY2: MOV R0,Ah
` MOV
R1,Ah
MET1: NOP
MET2: NOP
DJNZ
R1,MET2
DJNZ
R0,MET1
RET
Подпрограмма работы сWDT
ACALL DELAY2
;ожидаем
CPL
P1.6
ACALL DELAY2
;ожидаем
CPL
P1.6
Подпрограмма чтения 15-ти бит с линии DATA OUT
AD7890
SETB P1.2 ;Устанавливаем линию SCLK
SETB P1.3; Устанавливаем
линию RFS
MOV R2,08h ; организовываем счетчик принятых бит в аккумулятор (если R2=0 – аккумулятор полный
ACALL DELAY
;ожидаем
CPL P1.2 ;инверсия
Р1.2
ACALL DELAY
;ожидаем
CPL P1.2 ;инверсия
Р1.2
MET0: MOV C,P1.0
; принимаем бит на Р1.0 и отправляем его во флаг
RLC A ; достаем из
флага С принятый бит
DEC R2
JZ MET2 ; если
байт принят R2=0
MOV R3,A ; тогда
занесем из А в R3 принятый байт
CLR A ; и
обнулим аккумулятор, если не принят то -
MET2: ACALL
DELAY ;ожидаем
CPL P1.2 ;
инверсия Р1.2
ACALL DELAY
;ожидаем
DJNZ R2,MET0
MOV R2,07h
;приняли первые восемь бит, теперь приймем еще семь
CPL P1.2 ;инверсия
Р1.2
MET3: MOV C,P1.0 ;
принимаем бит на Р1.0 и отправляем его во флаг
RLC A ; достаем из
флага С принятый бит
DEC R2
JZ MET4
MOV R4,A
CLR A
MET4: ACALL
DELAY ;ожидаем
CPL P1.2 ;
инверсия Р1.2
ACALL DELAY ;ожидаем
DJNZ R2,MET3 ;ну
вот, и все готово младшая часть посылки находится (8 бит) в R3, а старшая (7 бит) в R4
CPL P1.4
;Подпрограмма
выбора коэффициентов нелинейного датчика
MOV DPL,00h
MOV DPH,04h
MOV A,#00001100b
ANL A,R0
RL A
RL A
CLR 0D4H
CLR 0D3H
MOV R0,#0AH
MOV R1,#04H
M1:
MOV A,#06H
MOVC A,@A+DPTR
MOV @R0,A
INC R6
INC R0
DJNZ R1,M1
END
;Подпрограмма
умножения двух байт (регистры R0, R1 - 1-ый банк) на три (регистры ;R2,
R3, R4 - 1-ый банк ), результат помещается в R3, R4, R5, R6, R7 - 0-ой ;банк.
MOV
R4,#0h
MOV
R5,#0h
MOV
R6,#0h
MOV
R7,#0h
MOV
R3,#0h
MOV
R0,#10h
me1: SETB
0D3h
CLR
0D4h
MOV
A,R0
MOV
R0,A
MOV
A,R1
RRC
A
MOV
R1,A
JNC
me2
MOV
A,R4
ADD
A,5h
MOV
5h,A
MOV
A,R3
ADDC
A,4h
MOV
4h,A
MOV
A,R2
ADDC
A,3h
MOV
3h,A
me2: CLR
0D4h
CLR
0D3h
MOV
A,R4
RRC
A
MOV
R4,A
MOV
A,R5
RRC
A
MOV
R5,A
MOV
A,R6
RRC
A
MOV
R6,A
MOV
A,R7
RRC
A
MOV
R7,A
DJNZ
r0,MET1
;Подпрограмма
сложения пяти байт(R3, R4, R5, R6, R7 - 0-ой банк.
;)
с двумя (R2(0Dh),R3(0Eh)
- 0-ый банк),
результат помещается в R3(13h),
;R4(14h),
R5(15h),
R6(16h),
R7(17h)
- 2-ой банк.
CLR
0D3H ;
CLR 0D4H ;
MOV A,R5
ADD A,R3
MOV 12H,A
MOV A,R4
ADDC A,R2
MOV 11H,A
JNC M1
MOV A,#01
ADD A,11H
MOV 11H,A
JNC M1
MOV A,#01H
ADD A,10H
MOV 10H,A
MOV
14h,0Ch
MOV
13h,0Bh
M1: CLR 0D3H
SETB 0D4H
END
Подпрограмма
передачи пяти байт находящихся в R3 R4 R5 R6 R7.
;Выбор второго банка
SETB 0D4h
CLR 0D3h
;Передача первого байта
данных
MOV
A,R7
MOV
C,P ;Р - бит четности аккумулятора
MOV
TB8,C
MOV
SBUF,A
MOV
IE,#10010000b ;Выставляется приоритет прерываний
NOP
NOP
NOP
;Передача 2 байта
данных
MOV
A,R6
MOV
C,P
MOV
TB8,C
MOV
SBUF,A
MOV
IE,#10010000b
NOP
NOP
NOP
;Передача 3 байта
данных
MOV
A,R5
MOV
C,P
MOV
TB8,C
MOV
SBUF,A
MOV
IE,#10010000b
NOP
NOP
NOP
;Передача 4 байта
данных
MOV
A,R4
MOV
C,P
MOV
TB8,C
MOV
SBUF,A
MOV
IE,#10010000b
NOP
NOP
NOP
;Передача 5 байта
данных
MOV
A,R3
MOV
C,P
MOV
TB8,C
MOV
SBUF,A
MOV
IE,#10010000b
END
8.СПИСОК ИСПОЛЬЗОВАННЫХ ИСТОЧНИКОВ
1. Каталог
по интегральным микросхемам фирмы ANALOG DEVICES за
1996 год.
[1]
В качестве источника опорного напряжения будет использоваться внутреннее
опорное напряжение интегральной микросхемы AD7890.
Вклад погрешности вносимой источником опорного напряжения учитываться не будет.