Процесс изготовления вала
ВВЕДЕНИЕ
В технологии машиностроения относятся все этапы
процесса изготовления машиностроительной продукции.
Однако сложившееся понятие «технология
машиностроения» обозначает преимущественно процессы механической обработки
заготовок для изготовления деталей и сборки машин. Это объясняется тем, что в
машиностроении заданные формы детали с требуемой точностью их параметров и
необходимым качеством поверхностного слоя достигаются в основном путем
механической обработки.
В процессе механической обработки возникает
наибольшее число проблем, связанных с выполнением требований к качеству машин,
заданных конструктором. Процесс механической обработки реализуется достаточно
сложной технологической системой, включающей в себя металлорежущий станок,
станочную технологическую оснастку, режущий инструмент и заготовку.
Это объясняет направление развития технологии
машиностроения как научной дисциплины, в первую очередь, в сторону изучения
технологии механической обработки со снятием стружки и сборки.
Разработка технологического процесса
изготовления любой детали начинается с изучения ее служебного назначения и
критического анализа норм точности и других технических требований. Далее в
последовательности, определенной соответствующими стандартами, разрабатывается
технологический процесс. Это связывает технологию со служебным назначением
детали и обеспечивает согласованность решений, принимаемых на различных этапах
технической подготовки
1. СЛУЖЕБНОЕ НАЗНАЧЕНИЕ ИЗДЕЛИЯ
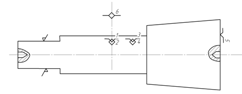
По представленному на рисунке эскизу детали
можно сделать следующие выводы об её служебном назначении по конструктивным и
технологическим признакам деталь рис. 1.1 относится к классу “валы”. Валы
служат опорами для деталей, с помощью которых осуществляется передача
вращательного движения и передаточного момента конструкции.
Служебное назначение валов должно быть, как
правило, точность базирования смонтированных на них деталей, а также величины
скоростей движения и крутящих моментов передаваемые ими.
Ступенчатые валы подобного конструкционного
исполнения применяются в машинах и механизмах где передаются незначительные
вращательные моменты, а также практически отсутствуют статические и
динамические нагрузки (как правило, для установки натяжных роликов шестерён или
же для передачи осевого усилия посредством других регулировочных механизмов). С
одной стороны вала имеются 2 лыски.
Данная деталь изготовлена из Стали 45 по ГОСТ
1050-88 и не подвергается термообработке, твёрдость вала составляет 220 HB.
Фаски по поверхностям не предусмотрены,
следовательно, необходимо притупить острые кромки.
Шероховатости поверхностей шеек вала различны.
Шероховатость цилиндрической поверхности равна
6,3, а шероховатость торцов и шпоночного паза равна 12,5.
Диаметр вала равен
.
Выполненные на валу лыски снижают жесткость вала, однако, отношение длины вала
к диаметру не вызывает сложностей в процессе обработки, связанные с возможным
прогибом вала. Требование к точности обработки цилиндрической поверхности
наиболее высоки. В целом деталь можно считать достаточно технологичной.
Рисунок 1.1 - Эскиз вала
2. АНАЛИЗ ТЕХНОЛОГИЧНОСТИ
КОНСТРУКЦИИ ИЗДЕЛИЯ
Проведя краткий анализ представленного вала
можно сделать вывод о его технологичности на следующих основаниях:
Вал достаточно жесткий (равно жесткий);
Простая конфигурация детали облегчает выбор
исходной заготовки;
Расположение шеек удобное для обработки;
Вал не имеет труднодоступных поверхностей;
Возможно применение стандартного оборудования,
режущего и измерительного инструмента;
Удобные базирующие поверхности при фрезеровании
и обточке вала (наружные поверхности шеек и торец, при фрезеровании, при
токарной обработке - центровые отверстии и торец), лыски открыты и
легкодоступны;
Отсутствие термообработки упрощает
технологический процесс изготовления детали;
Могут быть использованы зажимные приспособления
на всех технологических операциях;
Контроль заданных параметров вала может
осуществляться стандартными контрольно-измерительными приборами;
Для анализа технологичности конструкции детали,
по величине параметров шероховатости обрабатываемой поверхностей приведем рис
2.1 с указанием обрабатываемых поверхностей вала, результаты сведём в таблицу.
Рисунок 2.1 - Обрабатываемые поверхности вала
На основе проведенной работы можно сделать
вывод, что по величине параметров шероховатости данная деталь весьма
технологична, так как из 5 поверхностей 4 имеют одинаковую шероховатость,
обеспечиваемую получистовым точением или фрезерованием.
Таблица 2.1
|
№поверхности
|
Наименование
поверхности
|
Общее
количество
|
Количество
обрабатываемых поверхностей
|
|
|
|
6,3
|
12,5
|
|
1,2
|
торец
|
2
|
-
|
2
|
|
3,4
|
цилиндрическая
|
2
|
1
|
1
|
|
5,6
|
лыска
|
2
|
-
|
2
|
|
итого
|
6
|
1
|
5
|
Для анализа технологичности конструкции детали
по соответствию возможности выполнения принципа постоянства и совмещение баз в
нашем случае достаточно провести описание. При обработке данного изделия
совмещаются конструкторская, технологическая и измерительные базы. При черновой
и чистовой обработке всех диаметров (поверхность 3) в качестве баз используются
технологические центровые отверстия (непредусмотренные конструкцией),
использование которых позволяет производить обработку диаметров детали за одну
установку в приспособление. При обработке лысок в качестве баз используем
наружную поверхность (двойная направляющая) база и торец (опорная база).
На основе проведенного анализа можно сделать
вывод, что деталь весьма технологична с точки зрения технологии изготовления,
однако для упрощения процесса производства на торцевых поверхностях детали
будет необходимо выполнить технологические центровые отверстия, не
предусмотренные конструкцией детали.
3. ОПРЕДЕЛЕНИЕ ТИПА ОРГАНИЗАЦИОННОЙ
ФОРМЫ ПРОИЗВОДСТВА
Тип производства характеризуется коэффициентом
закрепления операций (КЗ.О.), который показывает отношение всех различных
технологических операций выполняемых или подлежащих выполнению подразделением в
течении месяца, к числу рабочих мест. Коэффициент закрепления операций должен в
производственных условиях определятся для планового периода равного 1 месяцу.
Последнее обстоятельство учитывает условия серийности производства, для
которого характерны большая номенклатура изделий и сравнительно частная смена
объектов производства.
При отсутствии производственных данных для
КЗ.О., типы производства можно определить по таблице 3.1.
Таблица 3.1 - Типы производства в зависимости от
массы и годовой программы
|
Масса,
кг
|
Типы
производства
|
|
единичное
|
мелкосерийное
|
среднесерийное
|
крупносерийное
|
|
<1
1…2,5 2,5…5 5…10 >10
|
<10
<10 <10 <10 <10
|
10…2000
10…1000 10…500 10…300 10…200
|
1500…1000000
1000…500000 500…35000 300…25000 200…10000
|
73000…2000000
50000…100000 35000…75000 25000…50000 10000…25000
|
>2000000
>100000 >75000 >50000 >25000
|
При объёме годового выпуска меньше указанного в
таблице не более 10 штук принимается мелкосерийное производство, а при годовой
программе 10 и менее деталей тип производства следует отнести к единичному
производству. От типа производства зависит характер и оборудование технологического
процесса.
Коэффициент закрепления операции:

,
где О - число различных
технологических операций выполняемых в течении месяца, Р - число рабочих мест.
если 
- массовое производство;
если 
- крупносерийное производство;
если 
- среднесерийное производство;
если 
- мелкосерийное производство;
если 
- единичное производство.
При отсутствии производственных
данных для определения коэффициента КЗ.О. и т.к. при технологической подготовке
нового изделия известна лишь годовая программа Nг=500.
Рисунок 3.1 - Эскиз вала разбитого
на элементарные объёмы
Определим массу детали.

,где ρ=7830 кг/м3 -
плотность стали; V - объём детали.
Объём детали равен:
=V1+V2-V3-V4
Объём цилиндра равен:

; 
= 217326мм3.
Объём усечённого конуса равен

; 
= 380335 мм3
Объём лыски равен:

;
=82421
мм3=V4=217326+380335-82421-82421=432819мм3=0,000433м3;

=3,4 кг.
Учитывая массу детали и годовой
объём выпуска определим тип производства по таблице 3.1.
Для данной детали тип производства
среднесерийный.
Определим такт выпуска продукции -
это интервал времени, через который периодически производится выпуск детали:

,
где Fд - годовой фонд работы (при односменной
работе равен 2000 часов).

2400мин/шт.
Определим режим выпуска - количество
деталей определенного наименования выпускаемых в единицу времени:

0,00042 шт/мин.
Уточним тип производства по
коэффициенту серийности:
,
где Тср.шт. - среднее штучное время,
принимается по существующей базовой технологии процесса завода.
Коэффициент серийности определяет
количество различных операций по обработке деталей закрепленных за 1 станком в
течении года:
для массового производства Кс=1…2;
для крупносерийного производства
Кс=2…10;
для среднесерийного производства
Кс=10…20;
для мелкосерийного и единичного
производства Кс>20.
На основании расчетов принимаем
среднесерийное производство.
4. ВЫБОР СПОСОБА ПОЛУЧЕНИЯ ЗАГОТОВОК
Метод выполнения заготовок для деталей машин
определяется назначением и конструкцией детали, материалом, техническими
требованиями, масштабом и серийностью выпуска, а также экономичностью
изготовления. Выбрать заготовку значит установить способ её получения наметить
припуск на обработку каждой поверхности. Рассчитать размеры и указать допуски
на неточность изготовления.
Для рационального выбора заготовки необходимо
одновременно учитывать все вышеперечисленные исходные данные т.к. между ними
существует тесная взаимосвязь окончательное решение можно принять только после
экономического комплексного расчета себестоимости заготовки.
Основными факторами, влияющими на решение
принимаемые на данном этапе разработки технологии процесса изготовления детали
является:
а) конструкция детали;
б) материал, служебное назначение;
в) технические требования;
г) программа выпуска в году;
д) тип производства;
е) вид и форма организации производства;
ж) стоимость материала;
з) себестоимость исходной заготовки;
и) расход материала;
к) себестоимость изготовления детали.
Технико-экономическое обоснование выбора
заготовки для обрабатываемой детали производят по нескольким направлениям:
металлоемкости, трудоемкости и себестоимости. Технико-экономический расчет
производят в следующем порядке:
Устанавливают метод получения заготовки,
согласно типу производства;
Назначают припуски на обрабатываемые поверхности
по нормативным таблицам;
Определяют расчетные размеры на каждую
поверхность заготовки, назначают предельные отклонения на размеры заготовки;
Определяют норму расхода материала;
Определяют коэффициент использования материала;
Определяют себестоимость изготовления заготовки;
Определяют годовую экономию материала.
Так как материал детали Сталь 45 производства
среднесерийная программа выпуска 20000 детали, то способом изготовления
заготовки может быть горячая штамповка или прутки из проката. Допустимые
отклонения припуска на механическую обработку необходимо назначить по
действующим стандартам и справочникам ГОСТ 26645-85 “Отливки из металлов и
сплавов”. Допуски размеров массы и припуска на механическую обработку ГОСТ
7505-89 “Поковки стальные штамповочные”. Допуски припуски и кузнечные напуски
ГОСТ 7829-70 “Поковки из углеродистой и легированной стали” изготавливаемые
свободной ковкой на молотах.
Исходя из диметра заготовки, выбираем пруток для
производства заготовки:

;
Рисунок 4.1
Определим массу заготовки:

;

455300 мм3
Объём усечённого конуса
=
=471471 мм3=V1+V2 =926771 мм3
=0,000927 м3

7,3кг.
Определим величину коэффициента
использования материала заготовки:
Расчет общей стоимости изготовления
детали:

;
- затраты на металл;
- затраты на
оснастку;
- затраты на
мех обработку;
- стоимость отходов на механическую
обработку.
руб.
- стоимость погонного метра проката,

=250 руб.
руб;

- средняя стоимость прокатного
валка, 
=5000 руб.- количество деталей в
партии;

;
где а - периодичность запуска
деталей в производство примем равной 10;
Р - количество рабочих дней в году
примем равной 240.

руб.
- стоимость механической обработки
1кг металла, 
=1,55 руб.

руб.
=3 руб. - закупочная цена 1 кг
детали.

=1825+6+6-11,7=1825,3 руб.
На основании условий работы детали
технических требований нет необходимости упрощать конструкцию детали и заменять
металл. Деталь изготавливается из Стали 45, которая обладает достаточно
высокими прочностными свойствами хорошо обрабатывается режущим инструментом
принимает закалку в широком диапазоне твердости.
Из экономических расчетов делаем
вывод, что экономически целесообразным является заготовка изготовляемая
прокатом из прутка

.
5. ВЫБОР ТЕХНОЛОГИЧЕСКИХ БАЗ
В технологическом процессе обработки
детали класса “Валы” предусмотрено обеспечение принципа постоянства баз за счет
обработки вала в центрах, поэтому первой операцией будет обработка торцов и
выполнение центровых отверстий. В качестве схемы базирования заготовки на
фрезерно-центровальной операции (фрезеровать 2 торца одновременно, и
центрировать 2 отверстия на двухстороннем фрезерно-центровальном полуавтомате
последовательного действия МР 71) принимаем наружные поверхности шеек вала и
торец на поверхности один (двойная направляющая и две опорные точки).
Рисунок 5.1 - Схема базирования заготовки на
фрезерно-центровальной операции
На токарной (черновой и чистовой) и шлифовальной
операции в качестве технологических баз используем технологической базы под
вращающиеся центра и торец. Схема базирования двойная направляющая и две
опорные точки.
Рисунок 5.2 - Схема базирования заготовки на
токарной операции
Рисунок 5.3 - Схема базирования на шлифовальной
операции
В качестве базирования заготовки на фрезерной
операции (лыска) принимаем наружную поверхность шейки вала и торец (вторая
направляющая и 2 опорных точки).
Рисунок 5.4 - Схема базирования заготовки на
фрезерной операции
Погрешность базирования заготовки при установке
её в приспособление на станке возникает при несовпадении конструкторских,
технологических и измерительных баз, что крайне не желательно для изготовления
деталей высокой точности. В случае когда базы не совпадают целесообразно
провести расчеты погрешностей базирования в различных вариантах при этом может
оказаться что погрешность базирования в одном варианте равно 0, но потребуется
дополнительные затраты на её осуществление. В другом случае погрешность
базирования на порядок меньше чем допуск на получаемый размер, что вполне
приемлемо и не требует дополнительных затрат средств и времени, т.к.
погрешность базирования должна быть меньше или равна 0,3 допуска на полученный
размер.
6. ВЫБОР МАРШРУТА МЕХАНИЧЕСКОЙ
ОБРАБОТКИ
При выборе маршрута механической обработки
следует учитывать способ получения и технологичность изготовления детали. Для
разработки технологического процесса обработки детали требуется предварительно
изучить её конструкцию и функции. Разрабатываемый технологический процесс
детали обеспечивает повышение производительности труда и качество детали,
сокращение материальных и трудовых затрат на его реализацию, уменьшение вредных
воздействий на окружающую среду. Технологический процесс обработки детали типа
“валы” включает в себя несколько этапов обработки наружных поверхностей при
установке на необработанные и предварительно обработанные поверхности,
получение базовых поверхностей (центровые отверстия) используемых в дальнейшем
на других операциях. При разработке технологического процесса обработки детали
следует придерживаться следующих правил:
обрабатывать наибольшее количество поверхностей
данной детали за одну установку;
использовать по возможности стандартный режущий
инструмент;
не проектировать обработку на универсальных
станках применение универсальных и дорогостоящих станков должно быть
технологически и экономически оправдано;
с целью экономии труда и времени технологические
подготовки производства использовать типовые.
Таблица 6.1 - Технологический маршрут обработки
вала
|
№
п/п
|
Наименование
и краткое содержание операций
|
Технологическая
база
|
Тип
оборудования
|
|
005
010 015 020 025 030 035 040 045 050 055 060 065
|
заготовительная
прокатная фрезерно-центровальная токарная (черновое точение) контрольная
токарная (чистовое точение) контрольная шлифовальная контрольная фрезерная
(фрезеровать лыски) контрольная моечная контрольная (контроль всех размеров)
|
цилиндрическая
поверхность - цилиндрическая поверхность центровые отверстия вала - центровые
отверстия вала - цилиндрическая - цилиндрическая поверхность и торец - - -
|
отрезной
станок крупносортовой полунепрерывный стан фрезерно-центровальный станок
токарно-винторезный станок штангенциркуль токарно-винторезный станок
микрометр круглошлифовальный станок штангенциркуль, микрометр
вертикально-фрезерный станок штангенциркуль - штангенциркуль, микрометр
|
Проведем расчет коэффициента закрепления
операции:
О - число всех технологических
операций;
Р - число рабочих мест
7. ВЫБОР СТАНКОВ ПРИСПОСОБЛЕНИЙ
РЕЖУЩЕГО И ИЗМЕРИТЕЛЬНОГО ИНСТРУМЕНТА
Выбор и описание станков:
На фрезерно-центровальной операции
будет использоваться двухсторонний фрезерно-центровальный полуавтомат
последовательного действия МРО2ФИ, станок предназначен для фрезерования торцов
заготовки с последующей зацентровкой заготовок при обработке деталей
цилиндрической формы. Мощность привода и высокая жесткость станка позволяет
применять фрезы изготовленные из быстрорежущей стали, а также инструмент
оснащенный пластинами из твердых и сверх твердых и сверх твердых материалов.
Данные станки позволяют обрабатывать валы диаметром до 150 мм, длиной до 750 мм
при этом имеет число оборотов шпинделя от 70 до1600 об/мин и мощность главного
привода 30 КВт.
Для токарной обработки вала выбираем
станок с ЧПУ для автоматизированной обработки деталей типа валов 16 К20 Ф3
станок используется для токарной обработки различных заготовок типа валы диски,
нарезки различных резьб конусов, внутренних и внешних криволинейных
поверхностей с высокой точностью обработки. Допустима установка вертикально 4 и
6 позиционных резцедержателей. Станок позволяет обработать валы диаметром до
400 мм и длиной до500мм, скорость рабочих подач от 1 до 2000 об/мм. Мощность
электродвигателя 10 КВт, габаритные размеры станка 370х2260х1650 мм. Масса
станка 3800 кг.
Для фрезерования лыски принимаем
вертикально фрезерный станок, предназначенный для выполнения разнообразных
фрезерных, сверлильных работ при обработке деталей любой формы из стали, чугуна
и других материалов. Поворотная шпиндельная головка станка оснащена механизмом
ручного осевого перемещения гильзы шпинделя, что позволяет производить
обработку отверстий, ось которых расположена под углом до ±450 к рабочей
поверхности стола.
Станок имеет стол 250х1000 мм,
мощность электродвигателя 5,5 КВт, частота вращения шпинделя от 50 до 1600
об/мин, наибольшее усилие допускаемые механизмом подачи стола Р=10 кН. Выбор и
описание станочных приспособлений
Для выбранной технологической
оснастки следует указывать ГОСТ и основные характеристики, в качестве
приспособлений при изготовлении вала используется:
шлицевая оправка, прямобочная,
центровая ГОСТ 18438-73, обеспечивающая передачу крутящего момента от шпинделя
станка к детали
тиски станочные, винтовые,
самоцентрирующие, с призматическими губками для круглых профилей ГОСТ 21168-75,
обеспечивающая надёжное базирование заготовки по наружному диаметру при
фрезеровании торцов, высверливании центровых отверстий, и фрезеровании лысок и
шпоночных пазов.
Универсальный круглошлифовальный станок
мод. ШУ 321 предназначен для обработки наружных, торцевых и внутренних
поверхностей высокоточных деталей цилиндрической и конусообразной формы
посредством шлифования. При шлифовании наружных поверхностей деталь может быть
закреплена в центрах, либо зажата в патроне. При шлифовании внутренних
поверхностей зажим детали производится только в патроне. Шпиндель станка
оборудован специальными гидравлическими опорами, что позволяет достигать
шероховатости обрабатываемой поверхности 0,4 мкм и допусков отклонения от
круглости обрабатываемой поверхности в поперечном сечении в пределах 0,0025 мм,
цилиндричности - в пределах 0,01 мм. Круглошлифовальный станок оснащён
гидравлической системой управления подачей, что позволяет проводить циклическую
обработку поверхностей с минимальными затратами основного и вспомогательного
технологического времени. Круглошлифовальный станок обладает удобной системой
наладки и управления, позволяющей производить переналадку между однотипными
деталями, а также между настройками на шлифование наружных и внутренних
поверхностей с минимальными временными затратами.
Выбор и описание режущего
инструмента
Для фрезерования торцов и лыски
применяется фреза торцевая правый и левый торец диаметром 200 мм, со вставными
ножами оснащённые пластинками из твёрдого сплава ВК-8. фреза 2-2-14-0159 ГОСТ
9473-80. для изготовления центровочных отверстий применяются свёрла
центровочные комбинированные ГОСТ 14952-75-В, свёрла для центровочных отверстий
60 град. с предохранительным конусом 120 град режущая часть из быстрорежущей
стали Р-9, для токарной операции используются резцы. Проходной прямой
ВК-8 ГОСТ
18869-73, резцы выбираются в зависимости от материала заготовки. Для
шлифовальной операции используем круг шлифовальный Нормальный электрокорунд
12А, зернистость 40, твёрдость СТ2, связка керамическая.
Выбор и описание измерительных
инструментов.
Контрольные операции являются
важнейшими и начинаются с проверки исходных заготовок проводится пооперационно
и заканчивается окончательным контролем, что обеспечивает предупреждение
появления брака и несмотря на дополнительные операции снижение себестоимости
изделия, операционный контроль проводится во время и после технологических
операций при обработке валов обычно контролируют геометрические размеры, форму
и взаимное расположение поверхностей, реже величину параметров шероховатости.
Оценка величины параметра
шероховатости обычно осуществляется выборочно в цеховых условиях может
производиться с помощью образцов шероховатости поверхности. В единичном и
серийном производстве применяются универсальные измерительные инструменты
(штангенциркули, микрометры) в крупносерийном и массовом производствах
применяются калибры, для контроля размеров поверхности, полученных после
точения и сверления применяем ШЦ-1-150-0,01 ГОСТ 166-89, двухсторонний с
глубиномером пределы измерения от 0 до 150 мм, цена деления шкалы 0,01мм.
Для конечного контроля размеров
более точных поверхностей, применяем гладкий микрометр МКЦ-25-50 либо 50-75,
75-100) с ценой деления 0,001, ГОСТ 6507-90.
Таблица 7.1 - Выбор средств
технологического оснащения
|
Операция
|
Станки
|
Станочные
приспособления
|
Режущий
инструмент
|
Измерительные
средства
|
|
Токарная
Фрезерно-центровальная Фрезерная Шлифовальная
|
16К20Ф3
6Р11 МРО2ФИ ШУ 321
|
Центр
токарный вращающийся с высокотемпературной смазкой А-2-4-Н, ЧПУ ГОСТ8742-75
Тиски станочные винтовые самоцентрирующиеся с призматическими губками для
круглых профилей ГОСТ 21168-75 Тиски станочные винтовые самоцентрирующиеся с
призматическими губками для круглых профилей ГОСТ 21168-75 Трёхкулачковый
патрон ГОСТ8742-75
|
Резец
проходной Т15К6 Фреза из быстрорежущей стали Р18 с коническим хвостовиком.
ГОСТ 9140 Сверло центровочное комбинированное из быстрорежущей стали Р9
ГОСТ14952-75В Шлифкруг нормальный электрокорунд ГОСТ 3647-80
|
Штангенциркуль,
микрометр Штангенциркуль с нутромером Штангенциркуль штангенциркуль
|
8. ОПРЕДЕЛЕНИЕ РЕЖИМОВ ОБРАБОТКИ
При черновом точении припуск на обработку
цилиндрической поверхности 3 составит 4мм, при чистовом - 1мм, поверхности 4
составит при черновом точении 6 мм, при чистовом -1,5На торцевые поверхности
припуск составит 1мм. Операции 015, 025токарная (черновая и чистовая операция
схема базирования двойная направляющая и две опорных точки рисунок 5,2).
Принимаем: для поверхности 3
глубину резания при черновом точении t=2 мм, при
чистовом точении t=0,5мм;
подачу при черновом точении S=0,8 мм, при
чистовом точении S=0,08мм (см. [1] стр. 364 табл.11);
стойкость инструмента принимаем T=100 мин.
Принимаем: для поверхности 3
глубину резания при черновом точении t=3 мм, при
чистовом точении t=0,75мм;
подачу при черновом точении S=0,8 мм, при
чистовом точении S=0,08мм (см. [1] стр. 364 табл.11);
стойкость инструмента принимаем T=100 мин
Определим скорость резания:
, м/мин
где
- коэффициент, зависящий от условий
обработки для черновой обработки
= 290; Т - стойкость резца, мин
(принимаем Т1 = Т2 = 100 мин); t- глубина резания; S- подача; m, xv, yv -
показатели степеней;
- общий
коэффициент, представляющий собой произведение отдельных коэффициентов, каждый
из которых отражает влияние определенного фактора на скорость резания.
Показатели степеней (см. [1]
стр.367, табл.17)
для черновой обработки -
= 0,20,
= 0,15,
= 0,35.
для чистовой обработки -
= 0,20,
= 0,15,
= 0,20.
где
- общий поправочный коэффициент,
учитывающий влияние физико-механических свойств обрабатываемого материала:
- поправочный коэффициент,
учитывающий состояние поверхности заготовки, (см. [1] стр.361, табл.6);- при
черновой обработке
= 0,9, при
чистовой обработке -
= 1,15;
-
поправочный коэффициент, учитывающий материал режущей части,
= 1
=0,75x0,9x1=0,67=0,75x1,15x1=0,86
Скорость при черновом точении:

м/мин
м/мин
Скорость при чистовом точении:
м/мин

м/мин
Число оборотов шпинделя:
При черновом точении:

об/мин Принимаю n=500 об/мин
об/мин Принимаю n=250 об/мин
При чистовом точении:

об/мин, принимаю n=1250 об/мин
об/мин, принимаю n=630 об/мин
Фактическая скорость резания:
При черновом точении

м/мин
м/мин
При чистовом точении

м/мин
м/мин
Сила резания:
где
- коэффициент, учитывающий свойства
обрабатываемого материала, материал режущей части резца, а также условия
обработки,
= 300 (см.
[1] стр.362, табл.9);
- общий
поправочный коэффициент, численно равный произведению ряда коэффициентов,
каждый из которых отражает влияние определенного фактора на силу резания.
где
- поправочный коэффициент на
обрабатываемый материал;
-
поправочный коэффициент на главный угол в плане;
- поправочный коэффициент на
главный передний угол;
-
поправочный коэффициент на угол наклона главной режущей кромки;
-
поправочный коэффициент на радиус резца при вершине.
(см. [1] стр.324, табл.23)

х = 1,0; у = 0,75; n = -0,15

Н
Н
При чистовом точении.

Н
Н
Мощность резания:
Мощность, затрачиваемая на резание,
должна быть меньше или равна мощности на шпинделе:
где
- мощность электродвигателя
токарного станка, кВт; для станка 1К20Ф3,
= 10 кВт;
- КПД
привода токарного станка, для станка 1К20Ф3
= 0,8.
При черновом точении.
кВт
кВт
При чистовом точении.

кВт
кВт
Так как,
то
выбранный режим резания удовлетворяет условию по мощности на шпинделе станка.
Для шероховатости 6,3 достаточно
будет выполнить только черновое шлифование, припуск составит 0,5 мм, принимаем
скорость круга -
=25 м/с,
скорость вращения детали -
=10 м/мин,
подачу-
=700мм/мин,
глубину резания -t=0,025мм.
Определяем требуемую частоту
вращения детали, т.е. число оборотов шпинделя
=
=38,6 принимаю 40 об/мин
Определяем машинное время чернового
шлифования.
=
=0,031 мин.
Определяем фактическую скорость
м/мин
Определяем эффективную мощность
, r=0,75 x=0,85 y=0,7 Cn=1,3
=2,6 кВт 2,6<5,5 кВт
Таблица 8.1 - Параметры обработки вала
|
Параметр
|
Черновая
обработка шеек вала
|
Чистовая
обработка
|
Шлифование
|
|
3
|
4
|
3
|
4
|
4
|
|
Глубина
резания, t мм Подача, S мм/об Скорость резания V м/мин Частота оборотов
шпинделя n об/мин Сила резания, Pz H Мощность резания, N КВт
|
2
0,8 76,9 500 3738 4,7
|
3
0,8 70,65 250 5678 6,55
|
0,5
0,08 176,6 1250 147 0,42
|
0,75
0,08 166,2 630 222 0,6
|
0,025
700 10,4 40 - 2,6
|
Вывод: при составлении режимов обработки, были
учтены правила обработать наибольшее количество поверхностей за одну установку,
использованы стандартные режущие инструменты, спроектирована обработка на
стандартных универсальных станках, станок при токарной обработке загружен ниже
допустимого значения. Что обеспечивает номинальную нагрузку, и отсутствие
перегрузок работы.
9. НОРМИРОВАНИЕ ТЕХНОЛОГИЧЕСКОГО
ПРОЦЕССА
вал заготовка токарный изготовление
Норма времени на изготовление одной детали
определяется по формуле:

где Тосн - основное время, на
протяжении которого непосредственно происходит процесс обработки;
- вспомогательное время, принимаем
=0,0014 ч;
- время технического обслуживания
рабочего места, принимаем
=0,0028 ч;
- подготовительно-заключительное
время, принимаем
=0,5 ч;-
количество деталей в партии, z=42 шт.

,
где
- длина врезания;
- длина обрабатываемой поверхности
заготовки;

- длина перебега.

Получаем:

;

мин.
мин.

мин
мин.
Определяем машинное время шлифования.
=
=0,031 мин

0,933 мин=0,015 ч

ч
Таким образом, за смену предложенной
технологией можно провести токарную обработку и шлифование 833 деталей, т.е.
одну партию.
10. РАСЧЕТ ЭКОНОМИЧЕСКОЙ
ЭФФЕКТИВНОСТИ
Первый вариант технологического
процесса:
Определим часовые приведенные
затраты:

где 
- основная и дополнительная
заработная плата;

- часовые затраты по эксплуатации
рабочего места;

=0,15 - нормативный коэффициент
экономической эффективности;

,
- удельные часовые капитальные
вложения в станок.

где Е - коэффициент, учитывающий
дополнительную заработную плату, Е=1,53;
- часовая тарифная ставка,
=60,6руб/ч
К- тарифный коэффициент, учитывающий
заработную плату наладчика, для 3-го разряда К=1,2;
У - коэффициент, учитывающий оплату
рабочих, У=0,65.

руб/ч.

где 
- поправочный коэффициент;
- часовые затраты, 
=30 руб/ч.

где а - доля постоянных затрат в
часовой себестоимости на рабочем месте, а=0,3;
- коэффициент основного времени.


руб/ч.

где
- действительный годовой фонд
времени, 
=3725 ч;
Ц - балансовая стоимость станка,
Ц=345000 руб.

руб/ч, 
где F - производственная площадь,
занимаемая станком, F=6 м2

руб/ч

руб/ч
Технологическая себестоимость
операции рассчитывается:

где
- коэффициент выполнения норм,
=1,2;

руб
Второй вариант технологического
процесса:
Обработка ведется на токарном
многорезцовом полуавтомате 1Б732.
Дано: Ц=435000 руб.; F=7,7м2;
Т0=0,00765 ч; Т=0,01189 ч, остальные данные берем из предыдущего случая.


руб/ч.

руб/ч. 
руб/ч.

руб/ч.

руб.
Результаты определения
технологических себестоимостей сопоставляющих вариантов технологического
процесса представлен в таблице 10.1.
Таблица 10.1 - Варианты
себестоимости технологического процесса
|
Наименование
|
Варианты
|
|
Станок
16К20Ф3
|
Станок
1Б732
|
|
Балансовая
стоимость станка, руб.
|
345000
|
435000
|
|
Площадь
станка в плане, м2
|
6
|
7,7
|
|
Операционное
время на точение, ч.
|
0,015
|
0,00765
|
|
Норма
времени на изготовление одной детали, ч.
|
0,0198
|
0,01189
|
|
Часовые
приведенные затраты, руб/ч.
|
1956,1
|
2843,89
|
|
Технологическая
себестоимость, руб
|
0,54
|
0,47
|
|
Коэффициент
основного времени
|
0,75
|
0,64
|
Вывод: Определили служебное назначение изделия,
деталь является достаточно технологичной, обладает достаточной жёсткостью.
Деталь имеет простую конфигурацию, удобные базы
установки, отсутствие термической обработки.
Выбрали способ получения заготовки это заготовка
из прутка круг В90.
Выбрали технологические базы для всех видов
операций и универсальные станки и приспособления. Определили режимы обработки
не превышающие номинальные значения. Экономически более выгодным на токарной
операции является использование станка 16К20Ф3 в силу низкой себестоимости
изготовления вала она составляет 0,54 и более высоким коэффициентом основного
времени, меньшей площадью станка, так как это значительно упрощает установку в
стандартном помещении, универсальностью обслуживания и ремонта. Выбор данного
станка обусловлено следующими причинами: станок 16К20Ф3 является наиболее массовой
моделью отечественного токарного станка, предназначен для выполнения патронных
и центровых токарных работ, на нём в полуавтоматическом режиме, станок имеет
традиционную для токарных станков компоновку, а также потребляет меньше
электроэнергии из-за меньшей мощности двигателя.
ЛИТЕРАТУРА
1. Справочник
технолога - машиностроителя. В 2-х т. С74 Т.2/ Под ред. А.М. Дальского, А.Г.
Суслова, А.Г. Косиловой, Р.К. Мещерекова - 5е изд., перераб. и доп. - М.:
Машиностроение - 1, 2001 г. 944 с.
. Технология
машиностроения: в 2-х томах. Учеб. пособ. для вузов/Э.Л. Жуков, И.И. Козарь,
С.Л. Мурашкин и др.; Под ред. С.Л. Мурашкина. - М.: Высш. шк., 2003.
. Худобин
Л.В. Курсовое проектирование по технологии машиностроения. М.: Машиностроение,
1989.
. Металлорежущие
станки. Учебник для машиностроительных вузов. М.: Машиностроение, 1973.