Основы машиностроения
Задача 1
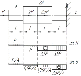
К консольному стержню (рис. 1.1) переменного
сечения приложены продольные силы. Построив эпюры нормальной силы и нормальных
напряжений, Определить из условия прочности допустимое значение параметра
нагрузки Р. При найденном значении Р вычислить перемещение свободного конца
стержня.
Принять площадь поперечного сечения А = 2 см2;
длину l = 20 см;
нормативный коэффициент запаса прочности [n]
= 2.
Рисунок 1.1.
Дано: F1
= -P; F2
= 2P; l1
= l; F3
= 2,5P; l2
= l; Сталь 40Х.
Решение:
Составим расчетную схему с учетом исходных
данных (рис. 1.2)
Выбираем положительное
направление оси z. Разбиваем
стержень на участки, начиная от свободного края. Границами участков будут
сечения, в которых приложены нагрузки и меняются размеры сечения (рис. 1.2).
Рисунок 1.2
Данный стержень имеет 4
участка. В пределах каждого участка воспользуемся методом сечений:
- Разбиваем стержень на
рассматриваемом участке сечением, перпендикулярным оси стержня;
Мысленно отбрасываем левую
часть стержня;
Заменяем влияние отброшенной
части на оставленную внутренней силой N;
- Рассматриваем в равновесии
оставленную правую часть стержня под действием внешних сил и внутренней силы N;
- Составляем уравнение
равновесия (уравнение статики Z
= 0) и, решив его, определяем искомые внутренние силы.
- растяжение
- сжатие
- сжатие
- сжатие
Вычисляем нормальные напряжения
на участке
По полученным данным строим
эпюру нормальных напряжений.
Из условия прочности при растяжении (сжатии)
находим значение нагрузки Р:
где [σр]
- допускаемое напряжение при растяжении; МПа.
где σТ
= 800 МПа - предел текучести для Стали 40Х.
[n]=2
- нормативный запас прочности .
Тогда
Находим перемещение свободного
конца бруса:
т.е. стержень под действием нагрузок сжимается.
Задача 2
Для плоской стержневой системы, изображенной на
рис. 2.1 требуется:
. определить усилия в стержнях (в долях ql);
. из расчета на прочность найти площади
поперечных сечений стержней;
. считая, что каждый стержень состоит из двух
одинаковых равнополочных уголков, подобрать по ГОСТ 8509-72 соответствующий
номер профиля.
Принять: материал - сталь Ст. 5; нормативный
коэффициент запаса прочности [n]
= 1,4; длину l = 0,5 м;
интенсивность распределенной нагрузки q
= 200 кН/м.

Рисунок 2.1
Дано: а = 1,6l;
c = 2l;
α = 60º;
F = 0,3ql
Решение: Составляем
расчетную схему согласно исходных данных. Разрезаем стержни и вводим
неизвестные усилия N1, N2 и N3, считая, что
стержни растянуты (рис. 2.2).
Для определения неизвестных усилий составляем
уравнение равновесия, жесткого стержня:
,
(1)
Отсюда
- стержень
растянут
,
(2)
,
(3)
Из уравнения (2) выразим N2
и подставим в уравнение (3)
Отсюда:
- стержень сжат
Тогда
- стержень сжат
Рисунок 2.2
Условие прочности при растяжении (сжатии) имеет
вид:
где Ni
- усилие в стержне, Н;
Аi
- площадь поперечного сечения стержня, мм;
[σр]
- допускаемое напряжение, Мпа
где σТ
= 280 МПа - предел текучести для стали Ст.5.
[n]=1,4
- нормативный запас прочности
для первого стержня:
по условию каждый стержень состоит из двух
равнобоких уголков, поэтому площадь одного уголка будет равна:
по таблице сортамента (ГОСТ 8509-93) принимаем
уголок 50х50х6 у которого Атабл1= 5,69 см2
для второго стержня:
по таблице сортамента (ГОСТ 8509-93) принимаем
уголок 20х20х3 у которого Атабл2= 1,13 см2
для третьего стержня:
по таблице сортамента (ГОСТ 8509-93) принимаем
уголок 20х20х3 у которого Атабл3= 1,13 мм2
Задача 3
Для стальной балки (рис. 3.1) из расчета на
прочность по наибольшим нормальным напряжениям подобрать размеры поперечных
сечений трех типов (рис. 3.1): 1 - двутавровое; 2 - прямоугольное с отношением
высоты к основанию h/b
= 2; 3 - круглое сечение.
Вычертить найденные сечения в одном масштабе
(можно наложить их друг на друга) и найти соотношение весов соответствующих
балок.
Принять: интенсивность поперечной распределенной
нагрузки q = 50 кН/м; длину l
= 40 см; допускаемые нормальные напряжения [σ] = 160 МПа.

Рисунок 3.1
Дано: l1
= 1,8l; F = 3ql;
l2
=2,4l; M
= -2ql2
Решение:
Составим расчетную схему с учетом исходных
данных (рис. 4.2).
Определим действующие нагрузки:
= 50 кН/м; F
= 3ql=3∙50∙0,4=60
кН; M = 2ql2
= 2∙50∙0,42= 16 кНм
Определение опорных реакций.
Рисуем на схеме реакции опор А и В, считая их
направление положительным. Составляем уравнения равновесия и определяем
величину реакций
(1)
(2)
Из уравнения (1) находим RB
Из уравнения (2) находим RА
Сделаем проверку. Для чего приравняем сумму
проекций всех сил на вертикальную
ось
к нулю:
Условие выполняется, опорные реакции определены
верно.
Разделим балку на два участка (рис. 3.2)
Находим значения поперечных сил
на участках:
На участке 1:
На участке 2 :
при z2
= 0
при z2
= 0,72 м
По найденным значения строим
эпюру Qy
(рис.
3.2)
Находим значения изгибающих
моментов на участках:
На участке 1:
при z1
= 0
при z1
=0,96 м
на участке 2:
при z2
= 0
при z2
= 0,72 м
По полученным значениям строим
эпюру изгибающих моментов (рис. 3.2). Опасным
является сечение, в котором изгибающий момент принимает наибольшее по модулю
значение
,
т.е. сечение, расположенное над правой опорой балки.
Рисунок 3.2
3. Определение размеров поперечного сечения
балки.
Размеры балки определяются максимальными
напряжениями в наиболее опасном сечении. В нашей схеме опасное сечение в точке приложения
силы F.
Из условия прочности определим момент
сопротивления поперечного сечения:
Для балки:
• сечения из двутавра: по ГОСТ 8239-89 выбираем
двутавр № 18, имеющий параметры:
x=143
см3;
S=23,4см2
; h=18см;
b=9 см.
• прямоугольного сечения (h/b=2):
,
,
Принимаем
=6 cм;
h =2∙6=12 см; S=6∙12=72
см2;
• круглого поперечного сечения:
;
;
принимаем d
= 11,5 см; 
Выбираем оптимальное поперечное сечение с
минимальной площадью сечения:
Оптимальным сечением является двутавр №16.
Рисунок 3.2.
Задача 4
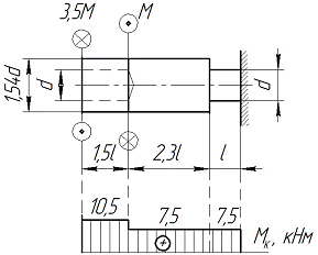
К стальному валу переменного круглого сечения
(рис. 4.1) приложены скручивающие моменты М и М1.
Определить из условия прочности размеры
поперечных сечений и округлить до ближайшей величины по ГОСТ 6636-69.
При найденных размерах вычислить угол поворота
свободного конца вала (в градусах).
Принять: М = 3 кН∙м; l
= 20 см; допускаемое касательное напряжение [τ] = 80 МПа;
модуль сдвига G = 8∙104
МПа.
Рисунок 4.1
Дано: l1
= 1,5l; D=1,54d;
l2
= 2,3l; M1=3,5M
Решение:
Составим расчетную схему с учетом исходных
данных (рис. 4.2.)
Пользуясь методом сечений, определяем крутящие
моменты в произвольном сечении каждого из участков бруса, по направлению справо
налево (рис. 4.2).
Участок I. Условие равновесия: MK1 -
3,5М = 0, отсюда MK1 = 3,5M = 10,5 кНм.
Участок II. Условие равновесия: MК2-
3,5M+М = 0, отсюда MK2 = 2,5M = 7,5 кНм,
Участок III. Условие равновесия: MК3 -
3,5M +M = 0, отсюда MK3 =2,5M = 7,5 кНм,
По полученным данным строим эпюру MK
(рис. 4.2)
Определяем значения полярного момента
сопротивления и полярного момента инерции по участкам:
Участок I:
Участок II:
;
Участок III:
;
Определяем напряжения по участкам бруса:
Участок I:
Участок II:
Участок III:
Определяем диаметр бруса. Из условия прочности
имеем
Принимаем d
= 80 мм
Определяем угол поворота свободного конца вала:
Рисунок 4.2
Задача 5
Для соединения, показанного на рис. 5.1, из
расчетов на прочность (при растяжении, сжатии, срезе, смятии) найти значения
указанных на чертеже размеров и уточнить в соответствии с ГОСТ 6636-69 (нормальные
линейные размеры).
Принять: материал - сталь; допускаемые
напряжения при растяжении (сжатии) [σ] = 100 МПа;
на срез [τ]ср
= 0,8 [σ]; на смятие [σ]см
= 2,0 [σ].
Рисунок 5.1
Дано: F
= 70 кН.
Решение:
) Из условия прочности заклепочного соединения
по деформации среза определим диаметр заклепки.
консольный стержень
балка вал
где d-
диаметр заклепки, мм;
F = 70 кН -
растягивающая сила;
m = 2 - количество
срезов
n = 5 - количество
заклепок.
[τ]ср
= 0,8[σ] = 0,8∙100
= 80 МПа - допускаемое напряжение на срез.
Отсюда
Примем d
= 11 мм
) Из условия прочность заклепочного соединения
по деформации смятия определим толщины деталей:
где δmin
- наименьшая толщина соединяемых деталей, мм;
n = 5 - количество
заклепок.
[σ]см=
2,0[σ] = 2,0∙100
= 200 МПа - допускаемое напряжение на смятие
Отсюда принимаем следующие размеры деталей
= δmin=7
мм и а = δmin/2=7/2=3,5
мм
3) Из условия прочности при растяжении определим
ширины листов:
Для листа шириной b:
Условие прочности по деформациям растяжения:
где Aсеч
= a·b
- 3·a·d
- площадь наиболее ослабленного сечения соединяемых деталей.
Отсюда:
Принимаем b
= 100 мм
Ответ: a
= 3,5 мм; b = 100 мм; t
= 7 мм, d = 11 мм