Масляные выключатели
Реферат на
тему
"Масляные
выключатели"
Общие сведения
Выключатель - это коммутационный аппарат, предназначенный для включения
и отключения тока.
Выключатель является основным аппаратом в электрических установках, он
служит для отключения и включения в цепи в любых режимах:
· длительная нагрузка,
· перегрузка,
· короткое замыкание,
· холостой ход,
· несинхронная работа.
Наиболее тяжелой и ответственной операцией является отключение токов КЗ и
включение на существующее короткое замыкание.
К выключателям высокого напряжения предъявляют следующие требования:
· надёжное отключение любых токов (от десятков ампер до
номинального тока отключения);
· быстрота действия, то есть наименьшее время отключения;
· пригодность для быстродействующего автоматического повторное
включения, то есть быстрое включение выключателя сразу же после отключения;
· возможность пофазного (пополюсного) управления для
выключателей 110 кВ и выше;
· лёгкость ревизии и осмотра контактов;
· взрывобезопасность и пожаробезопасность;
· удобство транспортировки и эксплуатации.
Выключатели высокого напряжения должны длительно выдерживать номинальный
ток I ном и номинальное напряжение U ном.
В соответствии с ГОСТ 687 - 78Е выключатели характеризуются следующими
параметрами:
. Номинальный ток отключения Ι откл. ном. - наибольший
ток КЗ (действующее значение), который выключатель способен отключить при
напряжении, равном наибольшему рабочему напряжению при заданных условиях
восстанавливающего напряжения и заданном цикле операций. Номинальный ток
отключения определяется действующим значением периодической составляющей в
момент расхождения контактов.
. Допустимое относительное содержание апериодической составляющей
тока в токе отключения ß н., %.
. Цикл операций - выполняемая выключателем последовательность
коммутационных операций с заданными интервалами между ними. В эксплуатации
выключатель может неоднократно включаться на существующие КЗ с последующим
отключением, поэтому ГОСТ 687 - 78 Е предусматривает для выключателей
определенный цикл операций.
. Стойкость при сквозных токах, характеризующаяся токами
термической стойкости Ι тер и электродинамической стойкости Ι дин (действующее
значение), i дин - наибольший пик (амплитудное значение); эти токи
выключатель выдерживает во включенном положении без повреждений, препятствующих
дальнейшей работе.
. Номинальный ток включения - ток КЗ, который выключатель с
соответствующим приводом способен включить без приваривания контактов и других
повреждений, при
U ном и заданном цикле. В каталогах
приводятся действующее значение этого тока Ι вкл ном, и его
амплитудное значение i вкл ном.
. Собственное время отключения - интервал времени от момента
подачи команды до момента прекращения соприкосновения дугогасительных
контактов.
Время отключения - интервал времени от подачи команды на отключение до
момента погасания дуги во всех полюсах.
Время включения- интервал времени от момента подачи команды на включение
до возникновения тока в цепи.
. Параметры восстановления напряжения - в соответствие с
нормированным характеристиками собственного переходного восстанавливающегося
напряжения (ПВН).
. Выключатели, не предназначенные для АПВ, должны допускать не
менее пяти операций ВО (включения и немедленного отключения) при токах КЗ 0,6 -
1 Ι откл. ном без осмотра
дугогасящего устройства.
Выключатели, предназначенные для АПВ, должны допускать в тех же условиях
от 6 до 10 операций ВО (включения и немедленного отключения) в зависимости от Ι откл. ном.
Основными конструктивными частями выключателей являются:
· контактная система с дугогасительным устройством;
· токоведущие части;
· корпус;
· изоляционная конструкция;
· приводной механизм.
По конструкционным особенностям и способу гашения дуги различают
следующие типы выключателей:
· масляные баковые (масляные многообъемные) (серии ВМ, МКП, У,
С);
· маломасляные (масляные малообъемные) (ВМП, МГГ, МГ, ВМК, ВГМ
и др.);
· воздушные (серии ВВГ, ВВУ, ВВН, ВВБ, ВВБК, ВНВ);
· элегазовые;
· электромагнитные (серии ВЭМ);
· автогазовые;
· вакуумные.
К особой группе относятся выключатели нагрузки, рассчитанные на
отключение токов нормального режима.
Каждая группа выключателей обладает определенными техническими
характеристиками, указанными в каталогах, и имеет преимущества и недостатки,
определяющие области их применения.
Масляные баковые выключатели
В масляных баковых выключателях масло служит для гашения дуги и изоляции
токоведущих частей.
При напряжении до 10кВ (в некоторых типах выключателей до 35кВ)
выключатель имеет один бак, в котором находятся контакты всех трех фаз, при
большем напряжении для каждой фазы предусматривается свой бак.
На рисунке 1 показан схематически баковый выключатель без специальных
устройств для гашения дуги.
Стальной бак выключателя подвешен к литой чугунной крышке с помощью болтов.
Через крышку проходят шесть фарфоровых изоляторов, на нижних концах токоведущих
стержней которых закреплены неподвижно контакты.
Подвижные контакты находятся на контактном мосту или траверсе. Движение
им передается с помощью изолирующей тяги от приводного механизма,
расположенного под крышкой выключателя. Во включенном положении траверса
поднята и контактный мост замыкает цепь между неподвижными контактами. При этом
отключающаяся пружина сжата.
Выключатель во включенном положении удерживается защелкой привода, с
которой он связан валом.
При отключении автоматически или вручную освобождается защелка и под
действием пружины траверса быстро опускается вниз (скорость движения достигает
1,5 - 2,7 м/ с), при этом образуется разрыв цепи в двух точках на каждом полюсе
выключателя. Возникшие дуги разлагают и испаряют масло, образуется газопаровой
пузырь, содержащий до 70% водорода. Давление внутри пузыря достигает 0,5 - 1
МПа, что повышает деионизирующую способность газов. Дуга гаснет через 0, 08 -
0, 1 с. На стенках бака имеются защитные изоляционные покрытия.
Масло в бак выключателя заливается не полностью, под крышкой остается
воздушная подушка. Это необходимо, чтобы уменьшить силу удара в крышку
выключателя, обусловленного высоким давлением, возникающим в процессе гашения
дуги.
Если уровень масла будет недопустимо низок, то газы попадут под крышку
сильно нагретыми, что может вызывать взрыв смеси водорода с воздухом.
В выключателе нет никаких специальных устройств для гашения дуги, поэтому
отключающая способность его невелика. Выключатели такой конструкции (ВМБ - 10,
ВМЭ - 6, ВМЭ - 10, ВС - 10) применяются в установках 6 - 10кВ, но в настоящее
время они вытесняются маломасляными выключателями.
В масленых выключателях серий МКП, У, С и другие масло в баке служит для
гашения дуги и для изоляции токоведущих частей от заземлённых конструкций; в
маломасленных выключателях серий ВМГ, МГГ, ВМК и других - для гашения дуги и не
обязательно для изоляции от земли частей, находящихся под напряжением. Их баки
специально изолируются от земли.
Многообъемные выключатели напряжением 110 кВ и выше снабжаются
маслонаполненными вводами. Надежная работа маслонаполненных вводов
гарантируется, если обеспечивается тщательный надзор за заполняющим их маслом.
Систематические отборы проб масла из вводов производятся при помощи
маслоотборных устройств, обеспечивающих взятие проб из нижних слоев масла, где
обычно концентрируются вода и шлам.
В
масляных баковых выключателях масло служит для гашения дуги и изоляции
токоведущих частей. При напряжении до 10 кВ (в некоторых типах выключателей до
35 кВ) выключатель имеет один бак, в котором находятся контакты всех трех фаз,
при большем напряжении для каждой фразы предусматривается свой бак. В
установках 6 - 10 кВ применяли масляные выключатели ВМБ-10, ВМЭ-6, ВМЭ-10,
ВС-10, им на смену пришли выключатели маломасляные
<#"728537.files/image002.jpg">
Рис. 3 Однобаковый масляный выключатель ВМЭ-6-200
Рис.
4. Баковый масляный выключатель на 35 кВ 1 - муфта для прохода кабеля
<#"728537.files/image004.gif">
Рис.
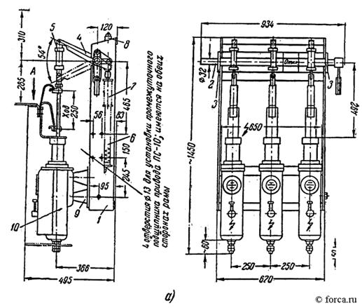
5. Полюс бакового масляного выключателя типа У-110-2-300-50 на 110 кВ
-
бак; 2 - ввод; 3 - приводной механизм; 4 - встроенные ТТ; 5 - изоляция бака; 6
- изоляционная тяга; 7 - дугогасительное устройство; 8 - шунтирующий резистор
Баковый
масляный выключатель на 110 кВ (рис. 5 и 6) имеет три бака цилиндрической формы
I. На крышке <#"728537.files/image005.jpg">
В
изоляционном корпусе ДУ 4 (рис. 7) закреплены по две камеры поперечного
масляного дутья 7, соединенные последовательно посредством перемычки 6 с
токоснимающими контактами. В корпусе 4 закреплены торцевые неподвижные контакты
8. Подвижная контактная система состоит из корпуса 1, в который ввернуты правый
цилиндрический подвижный контакт 10 и изоляционный стержень 5, в верхней части
которого закреплен левый подвижный контакт 5. При включении масляного
выключателя подвижная траверса с двумя цилиндрическими контактами (на рисунке
не показана) поднимается и входит в соприкосновение с корпусом 1. При
последующем ее движении вместе с ней поднимаются подвижные контакты 5 и 10 и
входят соответственно в неподвижные контакты 8 и 9, осуществляя замыкание цепи
масляного выключателя.
При
отключении масляного выключателя подвижная траверса вместе с контактами 5 и 10
опускается и происходит размыкание подвижных контактов 5 и 10 с неподвижными
контактами 8 к 9 и возникновение двух дуг, которые гасятся в камерах масляного
дутья 7. Ходу подвижных контактов способствует пружина 2.
Газы,
выходящие из ДУ, сообщают слою масла, находящемуся над ними, большую
кинетическую энергию. Разогнавшееся масло ударяется о крышку
<#"728537.files/image006.gif">
Рис.
7. Дугогасящее устройство поперечного масляного дутья
Таблица
1. Усилия, возникающие при работе масляного выключателя
|
Тип выключателя
|
Место приложения усилия
|
Усилие, кН
|
|
|
вниз
|
вверх
|
|
C-35M-630-10
|
По оси среднего полюса
|
20
|
15
|
|
С-35-3200/200-50
|
|
60
|
40
|
|
МКП-35-1000-25
|
|
80
|
60
|
|
ВМК-35
|
|
20
|
15
|
|
МКП- 110Б-1 000/630-20
|
По оси каждого полюса
|
70
|
40
|
|
У-110-2000-40
|
|
70
|
40
|
|
У-110-2000-50
|
|
120
|
100
|
|
У-220-25
|
|
300
|
150
|
|
ВМТ-110Б
|
По оси обеих фундаментных
опор
|
20
|
3
|
|
ВМТ-220Б
|
|
15
|
2
|
Примечание. При расчете фундамента усилие, указанное в
таблице, следует удвоить.
Масляные выключатели
Маломасляные выключатели (горшковые) получили широкое распространение в
закрытых и открытых распределительных устройствах всех напряжений.
Масло в этих выключателях в основном служит дугогасящей средой и только
частично изоляцией между разомкнутыми контактами. Изоляция токоведущих частей
друг от друга и от заземленных конструкций осуществляется фарфором или другими
твердыми изолирующими материалами. Контакты выключателей для внутренней
установки находятся в стальном бачке (горшке), отсюда сохранилось название
выключателей «горшковые». Маломасляные выключатели напряжением 35кВ и выше
имеют фарфоровый корпус. Самое широкое применение имеют выключатели 6 - 10кВ
подвесного типа (рисунок 2, а, б). В этих выключателях корпус крепится на
фарфоровых изоляторах к общей стальной раме для всех трех полюсов. В каждом
полюсе предусмотрен один разрыв контактов и дугогасительная камера.
По типу, показанному на рисунке 2, а, изготовляют выключатели ВМГ - 10
(выключатель масляный горшковый) и ВПМ - 10, а ранее изготовлялись выключатели
ВМГ - 133.
Выключатели серии ВМГ могут комплектоваться приводами типов ПРБА, ПЭВ 14,
ПП - 61, ПП - 63, ПП - 63к, ПП - 67, ПП - 67к, ПЭ - 11.
Выключатели ВМГ применяются в сетях с большими номинальными токами. Имеют
по два бочка на каждую фазу, внутри которых находятся дугогасительная камера и
контакты (подвижные и неподвижные), а снаружи массивные рабочие контакты. Эти
выключатели выпускаются на номинальные токи до11200А и токи отключения до 90кА,
устанавливаются в цепях генераторов и мощных трансформаторов.
Три полюса выключателя монтируются на стальной раме. На лицевом боку рамы
установлено шесть фарфоровых опорных изоляторов, на каждую пару изоляторов
крепится полюс выключателя.
Ток от шины через гибкую связь поступает на подвижные контакты. Во
включенном положении контактный стержень находится внутри розеточного контакта.
Подвижные контакты, находящиеся внутри полюса, с помощью изоляционной тяги
связаны с механизмом электромагнитного привода, встроенного в раму. Внизу бака
расположены розеточные контакты с зажимами для шины. Подвижный контакт в виде
стержня, прикрепленного к изоляционной тяге, входит внутрь бака через проходной
изолятор.
Дополнительной изоляцией между полюсами являются изоляционные
перегородки. Основной частью полюса является металлический цилиндр. В середине
металлического цилиндра устанавливаются изоляционные цилиндры, между которыми
устанавливается дугогасительная камера.
Изоляция контактного стержня от цилиндра осуществляется с помощью
проходных изоляторов.
Каждый полюс имеет масломерное стекло и газоотводные щели.
Масло в этих выключателях служит дугогасительной средой и только частично
изоляцией между разомкнутыми контактами.
Гашение дуги в выключателе обеспечивается потоком газомаслянной смеси,
что возникает при размыкании контактов.
Процесс гашения дуги сопровождается разложением масла под воздействием
электрической дуги с возникновением газа в виде газового пузыря. В газовой
смеси содержится 70% водорода, что определяет высокую дугогасительную
способность масла, так как в водороде дуга отдает в 20 раз больше энергии, чем
в воздухе.
Уровень масла над контактами имеет существенное значение при гашении
дуги. Чем выше уровень масла, тем больше давление газового пузыря. Вместе с
этим высокий уровень масла в баке снижает объем воздушной подушки и может
привести к опасному увеличению давления в баке и сильному удару масла в крышку.
При заниженном уровне масла над контактами горючие газы, проходящие через
них, не успевают охлаждаться и в результате смешивания с кислородом воздушной
подушки могут образовать гремучие смеси.
Ранее широко применялся масляный выключатель типа
ВМГ-133. Затем вместо него стали выпускать модифицированные конструкции ВМГ-10,
ВМГП-10 и В МП-10. Выключатели ВМГП-10 (рис. 8) и ВМП-10У (рис. 9) имеют
сварную раму, являющуюся их основанием. На раме установлены фарфоровые
изоляторы. На этих изоляторах закреплено дугогасительное устройство поперечного
масляного дутья.
Разновидностью масляного выключателя типа ВМП-10
являются выключатели со встроенными пружинными или электромагнитными приводами
(выключатели серий ВМПП и ВМПЭ), предназначенные преимущественно для установки
в КРУ (рис. 10).
Приводы расположены внутри рамы высоковольтного
выключателя. Наибольшее число операций отключения и включения, которое способен
совершить пружинный привод при полностью заведенных рабочих пружинах привода
(без подзавода), - три. Время завода рабочих пружин привода на три операции при
минимальном напряжении сети не более 30 с.
Рис.
9. Малообъемный масляный выключатель типа ВМП-10У: 1 - дугогасительное
устройство; 2 - механизм; 3 - изолятор; 4 - рама
Выключатели
типов МГГ-10, МГУ-20 и ВГМ-20 рассчитаны на номинальные токи от 2000 до 11 200
А (рис. 11). Выключатель представляет собой трехполюсный аппарат, управляемый
отдельно стоящим электромагнитным приводом. Все три полюса смонтированы на
сварной раме 1, внутри которой расположен приводной механизм, предназначенный
для передачи движения от привода к подвижным контактам 4 при помощи
изоляционных тяг. На раме, на опорных изоляторах 2 установлены шесть
дугогасительных устройств 3.
Рис.
10. Малообъемный масляный выключатель типа ВМПП-10

В
МГУ-20 и ВГМ-20 между полюсами установлены изоляционные перегородки.
Маломасляный
выключатель типа ВМТ-110Б на 110 кВ (рис. 12) имеет один разрыв на полюс. Все
три полюса установлены на общем сварном основании - раме 5, к которой
прикреплен также и пружинный привод 1 типа Г1ПК-2300.
Полюс
выключателя представляет собой маслонаполпенную колонну, состоящую из опорного
и камерного изоляторов, в котором расположены дугогасительные устройства 3 с
токовыми выводами 4, механизм управления и электронагревательное устройство.
Неподвижный контакт одноразрывного дугогасительного устройства, расположенного
в камерном изоляторе, жестко укреплен на верхнем фланце с выводом 4. На
неподвижном контакте закреплена камера встречно-поперечного дутья. Камерный
изолятор закрыт сверху колпаком.
Колпак
снабжен манометром <#"728537.files/image011.jpg">
Рис.
12. Малообъемный масляный выключатель типа ВМТ-110Б: 1 - привод ППК-2300; 2 -
изолятор опорный; 3 - дугогасительное устройство; 4 вывод; 5 рама
Устройство
и назначение основных частей ВМГ 133
Общий
вид выключателя приведен на рисунке 2.
Выключатель
смонтирован на сварной раме 1.
Для
крапления рамы к стене /или конструкции/ в углах рамы имеются 4 отверстия
диаметром 16мм. На раме выключателя размещен приводной механизм, а в нижней
части рамы установлены три сдвоенных опорных изолятора, на которых подвешены
основные цилиндры 10.
Фаза
выключателя ВМГ-133 показана на рис.2. Основной цилиндр 1 снабжен
маслоотделителем 2 и дополнительным резервуаром 3. В основном цилиндре
установлен нижний бакелитовый цилиндр 17, дугогасительная камера 19 и верхний
бакелитовый цилиндр 18. Основной цилиндр закрыт фланцем 14 с проходным
изолятором 13, на дне основного цилиндра укреплен неподвижный розеточный
контакт /розетка/ 20. Через проходной изолятор цилиндра проходит подвижный
контактный стержень /свеча/ 26, связанный с приводным механизмом с помощью
фарфоровых тяг 5 рис 2.
Токоведущая
цепь выключателя проходит с верхнего контактного угольника 30 /рисунок 3/ по
гибкой связи 29 на свечу 26.Свеча при включенном состоянии выключателя входит в
розетку 20. С розетки ток попадает на контактный вывод и через контактные гайки
- на шину. При этом основные цилиндры находятся под напряжением и изолированы
от заземленной рамы опорными изоляторами 15.
Рисунок 2 - Масляный выключатель типа ВМГ-133. а -
общий вид: б - расположение отверстий в раме для крепления выключателя. 1 -
рама; 2 - вал: 8 - подшипник вала; 4 - двуплечевая тяга; 5 - отключающие
пружины; 7 - масляный буфер; 8 - пружинный буфер; 9 - опорные изоляторы.
В месте прохода свечи через фланец 14 основного
цилиндра она изолирована с помощью фарфорового проходного изолятора 13.
При отключении выключателя приводной механизм под
действием отключающих пружин приходит в движение и перемещает тяги и
соединенные с ним свечи вверх. Между розеткой и свечой возникает дуга, которая
гасится в камере 19,
постоянно находящейся в масле и заполненной им. Для
нормального гашения в камере необходима определенная скорость движения свечи,
которая обеспечивается силой отключающих пружин, и нормальный уровень масла.
Гашение дуги в камере происходит следующим образом:
В выключателе, залитом маслом, в верхней части кармана
4 /рис.3/ имеется воздушная подушка под некоторым незначительным давлением за
счет столба масла в основном цилиндре. При включенном выключателе свеча
находится в нижнем положении и перекрывает вход в горизонтальные щели А, Б, В
со стороны сегментного выреза камеры. При отключении выключателя между розеткой
и свечой возникает дуга. Дуга, разлагая и испаряя масло под камерой, создает
парогазовый пузырь с большим давлением. Газы не имеют выхода из-под камеры до
тех пор, пока при движении свечи вверх не будут открыты выходы в горизонтальные
щели.
Давлением газового пузыря из нижней части основного
цилиндра в карман 4 вытесняется масло и воздушная подушка в нем сжимается.
Когда открывается вход в горизонтальные щели, то под действием большого
давления создается интенсивное дутье газов и масла через щели поперек дуги.
Благодаря сегментному вырезу в нижней части камеры обеспечиваются наиболее
благоприятные условия для дутья через щели.
К моменту начала дутья дуга соприкасается с нижней
фибровой прокладкой камеры, при этом происходит мощное газообразование, чем
усиливается дутье. В момент перехода тока через нуль давление в зоне горения
дуги спадает и в это время сжатия в кармане 4 подушка расширяется и подобно
поршню обеспечивает подачу свежего масла в зону щелей.
При этом за счет поперечного дутья и поступления
свежего масла происходит восстановление электрической прочности промежутка
между свечой и розеткой и протекание тока прекращается. При отключении малых
токов газообразование происходит слабо и дутье может оказаться недостаточным
для восстановления электрической прочности промежутка, даже при открытии всех
трех щелей. В этом случае горение дуги будет продолжаться и тогда карманы,
расположенные в верхней части камеры, также будут заполнены газом под
давлением.
При переходе тока через нуль и уменьшении давления в
зоне горения дуги дополнительно к поперечному дутью создается давление вдоль
канала дуги за счет карманов. Это обеспечивает гашение дуги при отключении
малых токов.
В отключенном состоянии выключателя свеча находится в
верхнем положении. При этом слой воздуха и слой масла надежно изолирует свечу
от розетки, а изоляция свечи от основного цилиндра обеспечивается за счет
фарфорового проходного изолятора 13, бакелитовой трубки, внутри которой
проходит свеча, и верхнего бакелитового цилиндра 18.
При включении выключателя приводной механизм под
действием привода приходит в движение, опускает свечи из верхнего
/отключенного/ положения вниз до вхождения в розетку, чем замыкается
токоведущая цепь, и одновременно растягивает отключающие пружины.
Достоинства выключателей ВМГ:
· небольшое количество масла;
· более удобный доступ к дугогасительным контактам по сравнению
с баковыми выключателями.
Недостатки:
· взрыво- и пожароопасность;
· необходимость периодического контроля, доливки, замены масла;
· трудность установки трансформаторов тока;
· относительно малая отключающая способность.
Рисунок
3 - Фаза выключателей ВМГ-133-II, ВМГ-133-III: 1-основной цилиндр;
2-маслоотделитель; 3 - дополнительный резервуар; 4 - карман; 5-отверстие
кармана; 6 -выхлопные отверстия цилиндра;7 - клапан; 8 - маслоуказатель; 9 -
маслоспускная пробка; 10 - маслоналивная пробка; 11 - упорный болт; 12 -
проушина; 13 - проходной изолятор; 14 - фланец проходного изолятора; 15 -
опорный изолятор; 16 - опорное кольцо; 17 - нижний цилиндр; 18 - верхний
цилиндр; 19 - дугогасительная камера; 20 - розетка; 21 - выводной штырь
розетки; 22 -фибровая прокладка; 23 - нажимная шайба; 24 - контактная гайка;
25- контргайка; 26 - подвижной контакт (свеча); 27 - контактная колодка; 28 -
промежуточная пластина; 29 - гибкая связь; 31 - кронштейн
<#"728537.files/image015.jpg">
Устройство и назначение основных частей ВМП-10
По конструктивной схеме, приведенной на рисунке 4, б, изготовляются
выключатели серии ВМП (выключатель маломасляный подвесной). При больших
номинальных токах обойтись одной парой контактов (которые выполняют роль
рабочих и дугогасительных) трудно, поэтому предусматривают рабочие контакты
снаружи выключателя, а дугогасительные внутри металлического бачка (рисунок 4,
в). При больших отключающих токах на каждый полюс имеются два дугогасительных
разрыва (рисунок 4, г).
Выключатель ВМП - 10 на напряжение 10кВ рассчитан на мощность отключения
350МВ*А, изготовляется на номинальные токи 630, 1000 и 1500А.
Выключатель ВМП - 10 с массой масла 4,5кг предназначен для установки в
обычных распределительных устройствах - камерах КСО; выключатели ВМП - 10К, ВМП
- 10П и ВМПП - 10 - для малогабаритных комплектных распределительных устройств
с выкатными тележками КРУ.
Специально для КРУ выдвижного исполнения разработаны и изготовляются
колонковые маломасляные выключатели серии ВК по схеме рисунок 4, д.
Выключатели серии ВМП широко применяются в закрытых и комплектных
распределительных устройствах 6 - 10кВ. Выключатели для КРУ имеют встроенный
пружинный или электромагнитный привод (типы ВМПЭ и ВМПП).Выключатели этих серий
рассчитаны на номинальные токи 630 - 3150 А и токи отключения 20 и 31,5 кА.
На рисунке 5 показан общий вид выключателя ВМПЭ-10 на токи 250 и 3150 А.
Этот выключатель имеет два параллельных токовых контура. Рабочие контакты 1 расположены
снаружи, дугогасительные - внутри корпуса. Внутреннее устройство полюса для
выключателей всей серии одинаково. Количество масла в выключателях на токи 630
- 1600 А 5,5 кг, в выключателях на 3150 А 8кг.
Рисунок 5 - Общий вид выключателя ВМПЭ-10 на номинальные токи 2500 и 3150
А.
Полюс выключателя на рисунке 6 представляет собой влагостойкий
изоляционный цилиндр 5 (стеклоэпоксидный пластик), торцы которого армируются
металлическими фланцами. На верхнем фланце изоляционного цилиндра укреплён
корпус из алюминиевого сплава, внутри которого расположены приводной
выпрямляющий механизм, подвижный контактный стержень, роликовое токосъёмное
устройство и маслоотделитель. Нижний фланец из силумина закрывается крышкой, внутри
которой вмонтирован розеточный контакт, а снаружи - пробка для спуска масла.
Внутри цилиндра над розеточным контактом имеется гасительная камера, собранная
из изоляционных пластин с фигурными отверстиями. Набором пластин создаются три
поперечных канала и масляные карманы.
Во включенном положении контактный стержень находится в розеточном
контакте (рисунок 6,б). При отключении привод освобождает отключающую пружину,
находящуюся в раме выключателя, и под действием ее силы вал выключателя
повертывается, движение передается изоляционной тяге, а от нее приводному
механизму 10 и контактному стержню, который движется вверх. При размыкании
контактов возникает дуга, испаряющая и разлагающая масло. В первые моменты
контактный стержень закрывает поперечные каналы дугогасительной камеры, поэтому
давление резко возрастает, часть масла заполняет буферный объем, сжимая в нем
воздух. Как только стержень открывает поперечный канал, создается поперечное
дутье газами и парами масла. При переходе тока через нуль давление в газопаровом
пузыре снижается и сжатый воздух буферного объема, действуя подобно поршню,
нагнетает масло в область дуги (рисунок 6, в).
При отключении больших токов образуется энергичное поперечное дутье и
дуга гаснет в нижней части камеры. При отключении малых токов дуга тянется за
стержнем и в верхней части камеры испаряется масло в карманах, создавая
встречно-радиальное дутье, а затем при выходе стержня из камеры - продольное
дутье. Время гашения дуги при отключении больших и малых токов не превышает 0, 015
- 0, 025 с.
Для повышения стойкости контактов к действию электрической дуги и
увеличения срока их службы съемный наконечник подвижного контакта и верхние
торцы ламелей неподвижного контакта облицованы дугостойкой металлокерамикой.
После гашения дуги пары и газы попадают в верхнюю часть корпуса, где пары
масла концентрируются, а газ выходит наружу через отверстие в крышке. Когда
камера заполняется маслом, выключатель готов для выполнения следующего цикла
операций. Бестоковая пауза при АПВ для этих выключателей довольно большая (0, 5
с).
Полюсы выключателя смонтированы на сварной раме 3 /рисунок 7/. Внутри
рамы расположены общий приводной вал 5 с рычагами, отключающие пружины,
пружинный и масляный 6 демпфера. На раме укреплены опорные изоляторы, на
которых установлены полюсы.
У выключателя типоисполнения ВМП-10К в целях уменьшения ячеек КРУ ширина
рамы и всего выключателя снижена до 666 мм, из-за чего расстояние между осями
полюсов уменьшено до 230мм, а между полюсами установлены изоляционные
перегородки.
Опорные изоляторы - фарфоровые с внутренним эластичным механическим
креплением арматуры через цилиндрическую пружину. Резьба в резьбовых отверстиях
"левая".
Полюс
/рисунок 8/ выполнен в виде изолирующего цилиндра 1, на концах которого
заармированы металлические фланцы 2 и 9. На верхнем фланце укреплен корпус 4 с
подвижным токоведущим стержнем 7, роликовым токосъемным устройством 3 и
маслоотделителем 19. К нижнему фланцу крепится крышка
<#"728537.files/image021.jpg">
На
главном валу приварены четыре двуплечих рычага для подсоединения изолирующих
тяг, отключающих пружин и сочленения с пружинным и масляным буферами, а также
одноплечий рычаг для сочленения с приводом.
Отключение
выключателя происходит за счет усилия отключающих пружин и пружинного демпфера.
Отключающая пружина одним концом крепится к раме выключателя, а другим - к
рычагу на валу.
Масляный
демпфер 6 (рисунок 7) предназначен для смягчения удара при отключении
выключателя. При этом один из двуплечих рычагов, приваренных на главном валу,
роликом ударяется о шток демпфера и за счет дросселирования масла и работы на
сжатие возвратной пружины происходит поглощение энергии удара.
Пружинный
буфер предназначен для смягчения удара при включении выключателя, кроме того,
его пружина увеличивает усилие на отключение выключателя и повышает скорость
размыкания контактов. Имеются две конструкции пружинных демпферов. В одной
пружина работает на растяжение, в другой - на сжатие.
Внутри изолирующего цилиндра над розеточным контактом
установлена дугогасительная камера 15 (рисунок 8). В нижней части камеры один
над другим расположены поперечные дутьевые каналы, а в верхней - масляные
карманы.
Дутьевые каналы имеют раздельные выходы вверх. Большие
и средние токи гасятся в поперечных каналах.
При гашении электрической дуги трансформаторное масло,
выбрасываемое
из
гасительной камеры, устремляется вверх. Часть масла доходит до маслоотделителя
19 рис.2 ударяется об него и стекает вниз. Газы проходят через отверстия в
маслоотделителе и далее через канал в крышке <#"728537.files/image023.jpg">
Рисунок
9 - Привод типа ПП-67. 1 - редуктор; 2 - электродвигатель; 3 -траверса; 4 -
металлический сварной кожух; 5 - рычаг конечного выключателя: 6 - зубчатое
колесо; 7 и 8 - рычажные передачи; 9 - включающие пружины; 10 - направляющий
стержень; 11 - ролик; 12 - зуб; 13 - рукоятка: 14 - опорная ось; 15 - упор; 16
- натяжной болт: 17 - заводная рукоятка.
ПП-67 - пружинно-грузовой привод косвенного действия.
Включение выключателя производится за счет энергии предварительно натянутых
включающих пружин привода, а отключение - пружинами выключателя.
Привод
применяется с различными типами выключателей, имеющих максимальный статический
момент на валу не больше 400 Дж и работу включения на КЗ не больше 250 Дж.
Привод
пружинный типа ПП-67. Привод применяется с выключателями типов ВМП-10, ВМГ-133,
ВМБ-10, ВМБ-35 и другими имеющими максимальный момент на валу при включении не
более 40 кгс • м и статическую работу включения не более 25 кгс.
Привод
ПП-67 (рисунки 9 и 10) состоит из следующих основных частей:
механизма
отключения и свободного расцепления, имеющего ударник расцепления 17 с
укрепленной на нем планкой 15, которая удерживает его во взведенном состоянии,
и стойкой подъема ударника 14 для взвода ударника расцепления.
Для
отключения выключателя имеется отключающая планка 23 с катушками отключения 24,
механизма включения, состоящего из рычага 5, свободно вращающегося на валу с
закрепленными на нем роликом 6 для взвода ударника зацепления 17 и защелкой
зацепа 7 для захвата рычага вала 22 при включении;
вала
привода 16, имеющего жесткое крепление с рычагом вала 22 привода;
встроенных
реле и электромагнитов 2, 4, 24, 27-, траверсы 3 с грузом (рис. 9), которая
надевается на ступицу рычага 5.
Рисунок
10 - Кинематическая схема привода ПП-67. 1 - блок-контакт БКА; 2 - катушка; 3 -
рычаг включения: катушка электромагнита включения: 5 -рычаг; 6 -ролик; 7-
защелка зацепа; 8 - кнопки ручного управления; 9 -планка рычага блокировки
привода; 10 - ось; II - удерживающее устройство; 12 - опорная ось; 13 -
блок-контакты вала привода: 14 - стойка подъема ударника: 15 - планка: 16 - вал
привода: 17- ударник расцепления; 18 - удерживающая стоика; 19 - защелка; 20 -
буфер: 21 - опоры; 22 - рычаг вала; 23 - отключающая планка: 24 - катушка; 25 -
устройство АПВ; 26 - регулировочный винт; 27 - реле.
Рисунок
11 - Электрическая схема привода ПП-67. а - выключатель отключен оперативно,
включающие пружины не заведены: б - выключатель включен, пружины заведены: в -
выключатель отключен оперативно, пружины заведены; г - выключатель отключен от
защиты, пружины заведены.
При
помощи рычагов 7 и 8 траверса соединяется с выключающими пружинами 9 устройства
завода пружин (рис. 9), состоящего из электродвигателя 2, редуктора 1, зубчатых
колес 6, которые роликом 11 захватывают на траверсе привода зуб 12. и рычага
конечного выключателя 5;
блок-контактов
(рис. 9) вала привода 13, аварийных БКА 5 положения пружин КГП;
устройства
АПВ (рис. 9) однократного действии с выдержкой времени (часовой механизм,
имеющий планку с подвижным контактом).
Подготовка
привода к включению может производиться вручную и автоматически.
Автоматический
завод (рис. 9) производится электродвигателем 2, который через редуктор 1
вращает зубчатое колесо 6. На траверсе привода имеется зуб 12, который
захватывая ролик 11 зубчатого колеса 6, поворачивает траверсу с грузом на 180°
и одновременно производит натяжение пружин. Траверса, повернувшись, запирается
роликом удерживающего устройства 11 внутри привода (рис. 10). Зубчатое колесо 6
вращается далее, пока упор 15 не расцепит ролик 11 с зубом 12 и при этом
произойдет расцепление зубчатого колеса с траверсой, а электродвигатель 2
посредством специальной планки отключится от конечного выключателя 5. Привод
подготовлен к включению. Завод привода вручную производится заводной ручкой 17.
Включение привода.
Для включения привода необходимо освободить рычаг 5,
который задерживается роликом устройства 11. Включая кнопку «Включено», мы
освобождаем рычаг 5, который под воздействием пружин поворачивается по часовой
стрелке, захватывая зацепом 7 рычаг 22, и доводит его до запирания защелкой 19.
Рычаг 22 жестко связан с валом привода и поэтому происходит включение
выключателя.
При срабатывании привода на включение рычаг 7,
вращаясь, действует на конечный выключатель и включает электродвигатель 2,
который автоматически осуществляет завод пружины.
Отключение привода
Для отключения привода необходимо, чтобы повернулась
отключающая планка 23, которая поворачивается на опорах 21 под действием
ударника электромагнита отключения или реле, механизм срабатывает и стойка
расцепления 18 освобождает ударник расцепления 17, который ударяет по концу
защелки 19, освобождает рычаг 22, а с ним и вал привода 16. Под воздействием
пружины вал привода поворачивается и отключает выключатель.
Под воздействием отключающих элементов привода с
помощью механизма свободного расцепления подвижные части привода расцепляются с
приводным механизмом после взвода ударника расцепления 17, т. е. при повороте
вала при включении на 40°.
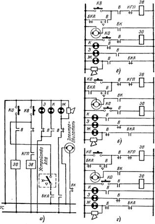
Электрическая схема привода ПП-67 (рисунок 11) имеет
некоторые особенности.
Для работы АПВ имеется проскальзывающий контакт,
включенный последовательно с блок-контактом аварийной сигнализации БКА в цепь
электромагнита включения (рис. 11,а); при отключении выключателя от защиты
(рис. 11,г) замыкается контакт БКА, срабатывает устройство АПВ и после
истечения установленного времени (уставки АПВ) подается импульс на катушку
включения привода и выключатель включится; двукратное АПВ может быть
осуществлено только посредством релейной схемы, но при этом используется
заводящее устройство привода; при оперативном отключении привода АПВ работать
не будет (рис. 11в), так как блок-контакт БКА не замкнут.
Запуск электродвигателя для завода пружин
осуществляется в конце операции включения привода блок-контактом ВК-
Блок-контакт готовности отключающих пружин КГП замыкается при заведенных
пружинах и разрешает произвести включение привода. Остальная работа
электрической схемы привода ПП-67 ясна и не требует дальнейших пояснений.
Включающие пружины привода 1 (рисунок 12), имея
значительное начальное натяжение, в конце включения выключателя обладают
небольшим запасом энергии. В то же время сопротивление включению возрастает и
усилия пружин может оказаться недостаточным для успешного включения выключателя.
Недостаток усилий пружин в конце хода включения компенсирует груз 2, который за
счет кинетической энергии помогает довключить выключатель.
Привод позволяет управлять выключателями вручную,
дистанционно, автоматически, производить АПВ и АВР. АПВ может быть с выдержкой
времени, что позволяет в некоторых случаях осуществить селективную работу без
применения специальных релейных схем.
Благодаря мощным пружинам и совершенной кинематике
привод обеспечивает необходимую скорость включения выключателя. Время включения
выключателей типов ВМГ и ВМП составляет 0,25-0,3 с, отключения (собственное) -
0,10-0,11 с, время цикла мгновенного АПВ (от подачи команды на отключение до
замыкания контактов выключателя)-0,3-0,5 с, время выдержки АПВ можно
регулировать в пределах 0,5-2 с. Выдержка времени обеспечивается часовым
механизмом, на оси которого укреплен подвижный контакт, а. на корпусе -
неподвижные контакты. Передвигая устройство ЛПВ относительно корпуса привода, изменяют
выдержку времени. Привод обеспечивает операции с выключателями (с
металлокерамическими контактами) при токах КЗ до 20 кА.
В приводе устанавливают два электромагнита включения и
отключения и не более пяти отключающих элементов защиты. Электромагниты
включения и отключения имеются во всех вариантах исполнения приводов, а
количество и тип отключающих элементов зависят от применяемой схемы защиты.
Всего привод типа ПП-67 имеет 26 вариантов исполнения. Каждый вариант
обозначается своим цифровым индексом, состоящим из пяти цифр.
Каждая цифра соответствует определенному типу
встроенного отключающего элемента защиты, так цифрой 1 обозначено реле
максимального тока мгновенного действия РТМ, цифрой 2 - реле максимального тока
с выдержкой времени РТВ, цифрой 4 - электромагнит релейного отключения с
питанием от независимого источника оперативного тока РЭ, цифрой 5 - токовый
электромагнит отключения для схем защиты с дешунтированием ТЭО, цифрой 6 - реле
минимального напряжения с выдержкой времени РНВ. Например, привод ПП-67/1120
помимо электромагнитов включения и отключения имеет два реле максимального тока
мгновенного действия РТМ и два реле максимального тока с выдержкой времени РТВ.
Приводы при вариантах исполнения с реле минимального напряжения не имеют устройства
АПВ. Привод типа ПП-67 имеет свободное расцепление в пределах 140° поворота
вала. Масса привода 88 кг.
На рисунке 10 а показан общий вид привода, а на рис.
2, б - его кинематическая схема. Целесообразно рассматривать назначение деталей
и взаимодействие частей привода, обращаясь попеременно к обоим рисункам. Привод
имеет металлический сварной корпус 14 (рис. 2). В съемной передней и задней
стенках корпуса имеются подшипники, в которых вращается вал привода 37 с жестко
закрепленным рычагом вала 42. Вал привода, выступающий с задней стороны,
соединяется с валом выключателя шарнирной муфтой или рычажной передачей.
На валу привода свободно вращается заводящий рычаг 22
с роликом 23 и защелкой зацепа 25. На четырехгранную ступицу рычага 22
насаживается траверса 12 с грузом. Траверса связана с включающими пружинами 10
трехзвенной рычажной передачей 5. Для безопасности траверса с грузом защищена
диском (кожухом).
Натяжение пружин (завод привода) производится при
помощи специального двигательного устройства, состоящего из электродвигателя
типа МУН 18 (110 и 220 В постоянного и переменного тока мощностью 80- 100 Вт),
редуктора 3, шестерни 6 и конечного выключателя 17. Цепь питания
электродвигателя включается автоматически после срабатывания привода на
включение выключателя и отключается после натяжения пружин привода. Подготовка
привода к включению выключателя происходит в течение 25-30 с. Привод может быть
заведен и вручную при помощи съемной рукоятки 1.
Для цепей автоматического управления и сигнализации на
приводе устанавливают вспомогательные контакты КСА, действующие в зависимости
от положения вала привода при включении и отключении привода от изменения
состояния включающих пружин при их срабатывании и заводе. Аварийный
вспомогательный контакт БКА дает сигнал аварийного отключения при действии
любого отключающего элемента защиты. Привод имеет механическую блокировку, не
позволяющую включать его вхолостую при включенном выключателе, и рычаг
блокировки 28 для блокировки привода в отключенном положении блокировочным замком.
Для подготовки привода к включению необходимо
повернуть траверсу с грузом против часовой стрелки. Включающие пружины при этом
растягиваются. Поворот происходит до тех пор, пока рычаг 22 не будет заперт
роликом 24 запорно-пускового механизма 31. Привод заведен.
Рисунок
13- Привод типа ПП-67: а - общий вид; б - кинематическая схема; 1 и 4 -
рукоятки; 2, 5, 8 и 16 - рычаги; 3 - редуктор; 6 - шестерня; 7 -зуб траверсы; 9
- упор; 10 - включающие пружины; 11 - регулировочный болт: 12 - траверса; 13 -
отражатель; 14 - корпус; 15 - планка; 17 - конечный выключатель; 18 -
электродвигатель; 19, 21 и 44 - электромагниты; 20, 22, 28, 29 и 42 - рычаги;
23 и 24 - ролики; 25 и 39 - защелки: 26 и 27 - кнопки отключения и включения;
30, 32 и 43 - оси; 31 - запорно-пусковой механизм; 33 и 46 - вспомогательные
контакты; 34 и 36 - стойки; 35 - планка; 37 - вал привода; 38 - ударник
расцепления; 40 - буфер; 41 - опора релейной оси; 45 - устройство АПВ
Как
уже отмечалось, завод привода можно выполнить вручную при помощи съемной
рукоятки и двигательным устройством. При заводе привода с помощью двигательного
устройства электродвигатель 18 через редуктор 3 приводит во вращение шестерню
6. Шестерня, вращаясь против часовой стрелки, захватывает роликом рычага 8 зуб
траверсы 7 и поворачивает траверсу с грузом на 180°, растягивая одновременно
включающие пружины 10. В конце поворота заводящий рычаг траверсы 22 запирается
роликом запорно-пускового механизма 31. При дальнейшем вращении шестерни 6
рычаге, упираясь в упор 9, выходит из зацепления с зубом траверсы 7, т. е.
происходит расцепление шестерни с траверсой. Электродвигатель отключается
конечным выключателем, на рычажок 2 которого воздействует планка имеющаяся на
шестерне 6.
Включение
можно произвести вручную, нажав кнопку «ВКЛ» 27, или дистанционно, с помощью
электромагнита включения 21. При этом поворачивается запорно-пусковой механизм
31, освобождая рычаг 22. Под действием включающих пружин заводящий рычаг
поворачивается по часовой стрелке, захватывая защелкой 25 рычаг вала 42. При
повороте на 180° рычаг 42 запирается удерживающей защелкой 39. Для ограничения
поворота и смягчения удара служит буфер 40.
В
начале поворота ролик 23 рычага 22, упираясь в стойку 34, взводит ударник
расцепления 38, подготавливая таким образом привод к отключению. Ударник имеет
конусообразный прилив, выполняющий роль механического блинкера. Торец прилива
окрашен в желтый цвет. Массивный чугунный ударник и сильная отключающая пружина
позволяют осуществить надежное зацепление защелки зацепа и удерживающей защелки
с рычагом вала. Ударник расцепления запирается роликом удерживающей стойки
расцепления 36.
Отключение
может быть выполнено вручную кнопкой «Откл» 26, дистанционно электромагнитом
отключения 19 или от действия защиты - электромагнитом 44. При ручном
отключении рычаг 20 нажимает на планку релейной оси 43. Ось, поворачиваясь,
упирается планкой с винтом в стойку расцепления 36. Достаточно небольшого
усилия, чтобы вывести стойку расцепления из-под планки 35 ударника. Ударник при
падении ударяет по нижнему концу удерживающей защелки 39. Освобожденный рычаг
42 с жестко связанным с ним валом привода 37 свободно поворачивается под
воздействием пружин выключателя, не препятствуя отключению выключателя.
При
дистанционном отключении замыкается цепь электромагнита отключения 19,
сердечник ударяет бойком по рычагу 20, который поворачивает релейную ось 43.
Дальнейшее происходит так же, как и при ручном отключении. При отключении
выключателя от действия защиты импульс тока в любом из отключающих элементов
защиты 44 приводит в действие сердечники катушек, которые бойками поднимают
планки оси 43. При повороте релейной оси отключение выключателя происходит
аналогично рассмотренному выше.
Рисунок
14- Узел включающего и удерживающего механизмов привода типа ПП-67: 1и 5
- защелки; 2 и 7 - планки; 5 - стойка; 4- ударник расцепления; 6 и 9 - рычаги:
6 - регулировочный винт
Привод
ПП-67 имеет три включающие пружины, которые при максимальном натяжении
обеспечивают надежное, с достаточной скоростью включение выключателей типов
ВМГ-133, ВМГ-10 и ВМП-10 при токах КЗ до 20 кА.
Как
уже отмечалось, привод может иметь встроенное электромеханическое устройство
однократного автоматического повторного включения (АПВ) 45 с выдержкой времени.
Для устройства АПВ используются включенные последовательно в цепь
электромагнита включения специальный проскальзывающий контакт и аварийные
вспомогательные контакты БКА 33. Автоматическое повторное включение выключателя
может происходить только при отключении выключателя от защиты, так как при
ручном или дистанционном отключении вспомогательные контакты БКА разрывают цепь
АПВ. При автоматическом отключении вспомогательные контакты БКА замкнуты и
устройство АПВ через определенную установленную выдержку времени замыкает цепь
электромагнита включения, в результате происходит повторное включение
выключателя.
Плановый
ремонт привода ПП-67 производится одновременно с ремонтом выключателя.
На
успешное включение оказывает также влияние регулировка пружинного буфера 1
(рис. 15). Буфер должен вступать в работу немного раньше, чем удерживающая
защелка захватит рычаг вала. Во включенном положении сжатие буфера должно быть
0,5-1 мм. Высоту буфера регулируют с помощью регулировочных прокладок 2.
Надежность зацепления рычага вала 6 удерживающей защелкой 5 (см. рис. 14)
проверяют многократным включением привода включающими пружинами, а также путем
легкого постукивания по корпусу.
Узел
отключающего механизма (рис. 16) прикреплен к корпусу привода 1 с помощью
кронштейна <#"728537.files/image032.jpg">
Запорно-пусковой
механизм (рис. 18) удерживает включающие пружины в заведенном состоянии и
освобождает их для включения выключателя. Удерживающее устройство 1 должно
свободно поворачиваться на оси 2 и возвращаться в исходное положение под
действием пружины возврата.
При
правильной регулировке зацепление заводящего рычага 3 роликом 4 должно быть
0,25-1,0 мм. При меньшем зацеплении может произойти самопроизвольное
расцепление запорного ролика и заводящего рычага и включение выключателя, а при
глубоком зацеплении усилия бойков включающих электромагнитов может оказаться
недостаточным для расцепления и, следовательно, включение не произойдет.
Глубина зацепления регулируется винтом, находящимся на планке рычага включения
5.
При
завинчивании винта удерживающее устройство, поворачиваясь на оси 2, отклоняется
влево, уменьшая тем самым глубину зацепления ролика с заводящим рычагом, а при
вывинчивании винта устройство отклоняется вправо, увеличивая глубину
зацепления.
Регулируя
запорно-пусковой механизм, проверяют также зазор между роликом и поверхностью
зуба заводящего рычага при предельном его отклонении до упора при вращении
против часовой стрелки. Зазор должен быть не менее 1,5-2 мм. Надежность работы
запорно-пускового механизма проверяют многократной заводкой механизма и
включением привода.
Работа
привода зависит также от правильности его сопряжения с выключателем.
Закрепление рычагов на валу выключателя и на валу привода должно быть выполнено
таким образом, чтобы при включенном положении выключателя рычаг вала привода
находился возможно ближе к мертвой точке, а рычаг вала выключателя переходил на
10° за угол 90° по отношению к оси тяги.
На
рис. 20 показана установка привода к выключателю типа ВМП-10, а на рис. 21- к
выключателю типа ВМГ-10. По окончании ремонта и регулировки опробуют работу
привода, включая и отключая его 4-5 раз как вручную, так и с помощью
электромагнитов и реле.
Основными частями приводов подобного типа ППМ - 10 являются спиральная
пружина, встроенная в коробку и обод штурвала. Завод пружины производится
электродвигателем мощностью 350 В*А через редуктор. Движение от редуктора
передается шестеренке взвода, свободно вращающейся на переднем подшипнике.
Ведущая собачка упирается роликом в зуб рычага и заводит пружину.
Запорно-пусковой механизм привода удерживает пружины в заведенном состоянии.
Для автоматического включения необходимо освободить заводной рычаг, после чего
энергия заведенной спиральной пружины поворачивает вал выключателя на
включение.
Дистанционное и автоматическое отключение выключателя производится с
помощью реле, встроенных в нижней части привода, которые через планку
отключения воздействуют на механизм свободного расщепления. Привод допускает
механическое АПВ. Импульс для работы такого АПВ дается при отключении благодаря
освобождению включающего механизма привода. Если повторное включение произойдет
на КЗ, то выключатель опять отключиться, но повторное АПВ не произойдет, так
как включающая пружина не успеет завестись. Механическое АПВ можно вывести из
работы при ручном или дистанционном отключении, для чего в приводе есть
специальное устройство.
Пружинные привода могут оснащаться схемами электрического АПВ с
необходимой выдержкой времени.
Аналогичное устройство имеет привод ПП - 67.
Пружинные приводы не требуют для своего управления источника постоянного
тока, что является преимуществом перед другими приводами.
Недостатками привода являются его малая мощность, поэтому он применяется в
основном для маломасляных выключателей 6 - 10кВ.
Привод ППМ-10
Привод пружинный типа ППМ-10 применяется с
выключателями типов ВМГ-133, ВМП-10, ВМБ-10 и другими, имеющими максимальный
статический момент на валу при включении не более 40 кгс-м и статическую работу
включения 20 кгс с углом поворота вала в пределах 120-150°.
Привод типа ППМ-10 (рисунки 22 и 23) состоит из
следующих частей и механизмов:
ü механизма взвода и свободного
расцепления, имеющего серповидный рычаг 4 с уголком 12 для взвода и удержания
рычага в поднятом положении; пружины 16, которая увеличивает скорость рычага 4
при падении;
ü релейно-отключающей планки 18,
которая с помощью удерживающего механизма 15 с роликом держит механизм на
взводе и в случае необходимости (при срабатывании реле и электромагнита
отключения) освобождает его;
ü механизма включения, который состоит
из рычага 11, свободно вращающегося па валу; защелки 8, служащей для подхвата и
удержания рычага 17 во время включения;
ü на валике 7 имеются устройство 6,
удерживаемое спиральной пружиной, и рычаг 5, запускающий устройство АПВ;
встроенных реле и электромагнитов 2, 19 и 20, служащих
для дистанционных и аварийных включений и отключений выключателя;
ü устройства вала привода 14, которое
имеет удерживающую защелку и рычаги 13 и 17;
ü заводного устройства (рис. 22),
служащего для подготовки привода к включению (т. е. завода спиральной пружины
26); это устройство состоит из электродвигателя 33, редуктора 22 и шестерни
взвода 24, кроме того, оно имеет планку 21, предназначенную для запуска
электродвигателя в конце включения выключателя, и отсечку 27, ролик которой
выводит из зацепления ведущую собачку с зубом, когда пружины заведены;
ü аварийных блок-контактов БКА 1 и
блок-контактов КСА 32, необходимых для управления электродвигателем и
сигнализации срабатывания защиты и положения пружины привода.
Для включения привода 23 необходимо подать импульс от
кнопки на электромагнит включения, который своим ударником приводит к
перемещению ролика удерживающего устройства 15 и освобождает рычаг 11, который
связан с пружиной завода и под ее воздействием повернется по часовой стрелке.
При повороте рычаг 11 своей защелкой 8 захватит рычаг 17, который жестко связан
с валом 14. В результате рычаг 17 окажется запертым защелкой и привод будет включен.
Одновременно рычаг 11 при помощи сектора и планки поднимает вверх серповидный
рычаг 4, подготавливая возможность отключения выключателя.
В конце процесса включения планка 21 (рис. 22),
укрепленная на маховике 28, окажет воздействие на рычаг 23 пуска двигателя 33.
Электродвигатель включается и заводит пружину 26, подготовляя привод к
очередному включению (после отключения).
Для отключения привода необходимо, чтобы повернулась
отключающая планка 18, которая поворачивается на опорах под действием ударника
электромагнита отключения или реле. Отключающая планка 18 переместит
удерживающую стойку 15 в результате чего рычаг 4 упадет и ударит по хвосту
защелки, которая повернется на своей оси по часовой стрелке и освободит рычаг
17.
Рычаг 17, жестко связанный с валом привода, под
воздействием отключающих пружин выключателя повернется против часовой стрелки и
отключит выключатель. Привод имеет также механизм свободного расцепления,
который под воздействием отключающих элементов расцепляет подвижные части привода
с приводным механизмом после взвода ударника расцепления, если выключатель
включается на короткое замыкание.
Ниже рассматриваются регулировка механической части
привода, проверка управления приводом и проверка устройства завода пружин.
Механизм привода имеет следующие регулировочные элементы, которые
регулируют при необходимости:
o тяга с резьбой I; регулируется так, чтобы при ручном и
дистанционном отключении и отключении от РНВ защелка БКА надежно отходила от
диска, давая возможность контактам БКА повернуться;
o винт II (7); предназначен для регулировки механизма включения
(рис. 22,а), т. е. глубины западания рычага 1 за ролик удерживающего механизма
3, глубина эта должна быть равна приблизительно 1 мм; при заводе пружины рычаг
/ должен свободно расходиться с роликом 2, т. с. складывать механизм;
регулировка мертвой точки при необходимости производится винтом 8.
Рисунок 22 - Общий вид пружинного привода типа ППМ-10.
В приводе ППМ-10 последних выпусков (рис. 23,6) регулировка заводящего
рычага 1 за ролик рамки 2 производится перемещением вилки на тяге 6. При
поднятии ее вверх по тяге зацепление уменьшается, при опускании -
увеличивается. Включающая катушка должна производить включение в пределах
80-110% номинального напряжения на ее зажимах;
o винт III (рис. 20; служит для регулировки завода планки 10
серповидного рычага 4 планкой с сектором 9; планка 10 должна быть
отрегулирована так, чтобы при поднятом серповидном рычаге 4 зазор между планкой
12 и роликом удерживающей стойки был равен 2-4 мм (при этом ударник не должен
упираться в верхнюю стенку корпуса привода); при опущенном серповидном рычаге и
заводе пружины планка 10 должна свободно расходиться с сектором 9 рычага У У;
o винт IV; служит для регулировки зацепления защелки 8 с
рычагом 17 вала при включении выключателя; величина захвата должна быть 6-7 мм;
o винт V; предназначен для регулировки механизма завода РНВ;
o винт VI (рис 23); предназначен для регулировки мертвой точки
отключающего механизма 15;
o Шлицы Vlt; в механизме отключения они позволяют перемещать
подшипник таким образом, чтобы планка 12 при поднятом серповидном рычаге
находилась в соответствующем положении, указанном в инструкции. В приводах
последних выпусков удерживающий механизм состоит из серьги и рычага и поэтому
удержания серповидного рычага не требуется. Шлицы отсечки 27 (рис.20) служат
для регулировки расцепления рычага и ролика 25 с рычагов 30\ при срывах отсечка
поднимается вверх, при глухом упоре рычага внутри привода - опускается вниз;
шлицы планки 21 служат для смещения планки при незаведенной пружине, так чтобы
планка рычажного механизма находилась в центре ее;
o винты-отражатели 31 и винты крепления оси служат для
регулировки размера 5 мм и угла наклона пружинного стержня; регулировка
необходима для надежного зацепления ролика 25 с зубом рычага 30.
Рисунок
23- Кинематическая схема пружинного привода типа ППМ-10.
Рисунок
24- Узел для регулировки механизма включения привода ППМ-10. а - ППМ-10 ранних
выпусков; 6 - ППМ-10 последних выпусков.
После
регулировки необходимо приступить к прозвонке вторичных цепей схемы и проверке
работы блок-контактов привода согласно рекомендациям § 7. Нередки случаи, когда
необходимо произвести перерегулировку заводского натяжения пружин, в том
случае, когда привод ППМ-10 используется с выключателями, не указанными в
заводской инструкции. При перерегулировке необходимо учитывать, что натяжение
пружин должно обеспечить надежное включение MB при минимально допустимой
скорости движения контактов. Перерегулировку натяжения пружин производят
следующим образом.
При
включенном положении выключателя и незаведенной пружине отворачивают болты 29
(см. рис. 22); придерживая маховик руками, поворачивают его на угол, кратный
15°, в ту или другую сторону в зависимости от необходимости увеличить или
уменьшить натяжение пружин. Затем вновь заворачивают болты 29, снимают планку
21 и опробуют путем включения правильность выбранного натяжения пружин. Затем
при незаведенной пружине необходимо установить планку 21 так, чтобы палец
рычажного механизма 23 оказался посредине дугообразной части планки. Если
отверстия на маховике 28 не подходят для крепления планки в новом положении,
следует просверлить новые отверстия.
Электромагнитные
приводы относятся к приводам прямого
действия: энергия, необходимая для включения, сообщается приводу в процессе
включения от источника большой мощности.
Электромагнитные
(соленоидные) приводы постоянного тока изготавливаются отечественными заводами
нескольких типов для выключателей напряжением 10 - 220кВ.
Наиболее
удобным является электромагнитный привод ПЭ - 11, который обеспечивает
возможность дистанционного управления выключателем. Для работы такого
выключателя необходимо иметь источник постоянного тока (аккумуляторную батарею,
мощный выпрямитель).
Усилие,
необходимое для включения выключателя, создается стальным сердечником 2,
который втягивается в катушку электромагнита 3 по прохождению по ней тока.
Электромагнитные
приводы типов ПЭ-11, ПЭВ-11А, ПЭГ-7 в отличие от пружинных относятся к группе
приводов прямого действия. Привод ПЭ-11 предназначен для управления масляными
выключателями типов ВМГ и ВМП, встроенный привод ПЭВ-11А - для управления
выключателем типа ВМПЭ, ПЭГ-7 - выключателем типа ВЭМ.
Электромагнитные
приводы для включения выключателя потребляют ток во много раз больший, чем
приводы косвенного действия (грузовые, пружинные).
У
привода ПЭ-11 потребляемый постоянный ток обмоток электромагнитов:
включающего-120 А при напряжении 110 В или 60 А при 220 В, отключающего -
соответственно 2,5 и 1,25 А; у привода ПЭВ-11А: включающего- 200/100 А,
отключающего - 5/2,5 А; у привода ПЭГ-7: включающего-160/80 А, отключающего -
2,5/1,25 А.
Ток
потребления катушек контактора при напряжении 110 В - 2 А, при 220 В - 1 А.
Для
управления приводом ПЭ-11 применяется контактор КМВ-521, а для ПЭВ-11А и ПЭГ-7
- КМВ-621. Приводы ПЭ-11 и ПЭВ-11А обеспечивают включение выключателей за время
не более 0,3 с, отключение - не более 0,1 с. Время включения привода ПЭГ-7 с
выключателем - 0,25 с, отключения - 0,05 с. Масса привода ПЭ-11 55 кг.
Электромагнитные
приводы благодаря простой конструкции характеризуются высокой надежностью.
Недостатком является необходимость в мощных источниках постоянного тока для
питания включающих электромагнитов.
Механизм
приводов ПЭ-11 и ПЭВ-11А расположен в верхней части, в сварном корпусе. В
нижней части корпуса находится включающий электромагнит, состоящий из
подвижного цилиндрического сердечника 1 со штоком, магнитопровода и катушки 2.
Верхней частью магнитопровода служит нижняя плита корпуса механизма, а нижней -
плита нижнего основания и штампованная П-образная скоба. Шток сердечника
проходит через отверстие в нижней плите корпуса механизма и воздействует при
включении на ролик 10 механизма привода. Под сердечником установлены резиновые
прокладки 20, служащие для амортизации сердечника, падающего после окончания
включения. Для предотвращения прилипания сердечника к корпусу привода после
включения на нижней плите его привернута шайба 19 из немагнитного материала.
Для установки рычага ручного включения 21 в нижнем основании сделаны
специальные вырезы. Отключающий электромагнит 17 у привода ПЭ-11 укреплен на
нижней плите корпуса механизма, а у привода ПЭВ-11А расположен сверху.
Цепи
управления электромагнитами включения и отключения содержат быстродействующие
вспомогательные контакты КБВ и КБО, Благодаря этому автоматически прекращается
питание электромагнитов после совершения ими очередных операций и происходит
подготовка цепей к последующим операциям.
Приводы
имеют электрическую блокировку от самопроизвольного повторного включения на КЗ
(«прыганий»), осуществляемую при помощи специального вспомогательного контакта,
связанного с сердечником отключающего электромагнита. Ручное отключение
приводов ПЭ-11 и ПЭВ-11А осуществляется рукояткой (кнопкой) 15.
Главный
вал 9, система рычагов 7, 8, 12 и 13, ось 6 с роликом 10, удерживающая защелка
4, отключающая собачка 14 и регулировочный винт 3 закрыты съемной крышкой
<#"728537.files/image039.gif">
Рисунок
26 - Электрическая схема управления приводов ПЭ-11.
УП
- ключ управления: ЛB. ЛО. ЛАО - лампы включения, отключения и аварийного
отключения соответственно; КО - катушка отключения: Л77 - конденсатор
включения; КБО. КБП. КБВ - блокировочные контакты привода выключателя;
КВ
- катушка включения.
Шток
сердечника 1 упирается в ролик 5 рычажного механизма, поднимает его вверх
вместе с двумя шарнирно-связанными рычагами. Последние через приводной рычаг передают
движение валу выключателя 7. При подъеме ролика защелка 4 отодвигается влево, а
в конце хода сердечника, когда выключатель включился, срез защелки заскакивает
под ролик и удерживает механизм во включенном положении.
В
конце включения сигнальные вспомогательные контакты 6 разрывают цепь
электромагнита включения и сердечник падает вниз.
На
рисунке 22 привод показан при включенном положении выключателя.
При
отключении ток подается в электромагнит отключения 11, его боек ударяет в рычаг
механизма свободного расцепления и ролик 5 соскакивает с защелки. Вал
выключателя под действием отключающей пружины поворачивается против часовой
стрелки - происходит отключение.
Электромагниты
включения и отключения получают питание от аккумуляторной батареи через сборку
зажимов 12.
Ток,
потребляемый электромагнитом включения привода ПЭ - 11 - 58А, электромагнитом
отключения - 1, 25А при напряжении 220В.
Приводы
должны обеспечивать четкую работу выключателей при понижении напряжения на
включающем электромагните до 80%, а на отключающем - до 65% номинального.
Работа
электрической схемы привода ПЭ-11 (рис. 24) имеет следующие особенности.
Привод
имеет электрическую блокировку от самопроизвольного повторного включения на
короткое замыкание («прыгания»), которая осуществляется с помощью специальных
блок-контактов КБП (контакты КБП связаны с отключающим сердечником).
Цепь
управления включения заведена через блок-контакт КБВ, а цепь управления
отключения - через контакты КБО. Этим достигается автоматический разрыв цепей
питания после произведенной операции. При включенном приводе контакты КБВ
отключены, а контакты КБО включены.
Для
замыкания и размыкания силовой цепи привода имеется контактор постоянного тока
типа КВМ-521.
Рисунок
27 - Регулируемые зазоры в механизме привода ПЭ-11.
Электромагнитные
приводы ПЭ-11 и ПЭВ-11А значительно проще пружинных, а следовательно, ремонт и
регулировка их менее трудоемки. Во время ремонта все детали привода очищают от
грязи и старой смазки и осматривают, обращая особое внимание на состояние
поверхностей зацепления удерживающей защелки 4 и отключающей собачки 14, а
также роликов рычагов и оси 6. На поверхностях зацепления не должно быть
задиров, а ролики должны свободно вращаться на своих осях.
Рис. 2. Соединение привода типа ПЭ-11 с
выключателем типа ВМП-10
Проверяется состояние осей, пружин, шплинтов. Подтягивают все болты,
гайки, винты, зажимы вторичной цепи. Тщательно протираются и зачищаются
контактные поверхности вспомогательных контактов. Разборку привода следует
производить по мере надобности, в основном при необходимости замены изношенных
деталей.
Все трущиеся места механизма привода, особенно рабочие поверхности
защелки 4 и собачки 14, а также сердечники включающего и отключающего
электромагнитов должны быть покрыты смазкой. При необходимости восстанавливают
окраску привода.
После проверки правильности соединения привода с
выключателем (рис. 2, 3) проверяют регулировочные данные механизма привода и
вспомогательных контактов. Регулировку привода типа ПЭ-11 удобно рассмотреть с
помощью рис. 3.
Для предотвращения случайного отключения привода в
процессе его регулировки и возможного при этом несчастного случая необходимо
застопорить отключающую собачку привода стальной планкой 17 размером 6X20X60
мм. Для этой же цели в приводе типа ПЭВ-11А используют стальной стержень 22
(см. рис.1) длиной 100 и диаметром 6 мм. При отключениях планку (стержень)
удаляют. Зазор между отключающей собачкой 14 и роликом треугольного рычага 13
регулируется винтом 3.
Ввинчивая или вывинчивая винт, можно регулировать
переход рычагов 12 и 13 за мертвое положение. В отключенном положении привода
зазор между роликом и отключающей собачкой должен быть 1 мм для привода ПЭ-11 и
0,3-0,8 мм для ПЭВ-11А. После установки требуемого зазора положение
регулировочного винта 3 фиксируется. Регулировка рычажного механизма. Обычно
все приводы полностью регулируются и испытываются на заводах-изготовителях.
Однако бывают случаи, когда заводская регулировка нарушена (при плохой
транспортировке и упаковке, небрежном хранении и т. д.). В этом случае
необходимо произвести регулировку рычажного механизма. При регулировке должны
быть выдержаны следующие зазоры:
ü величина между отключающей собачкой 1 и роликом 2 должна быть
1-2 мм (регулируется упорным болтом 3);
ü величины остальных зазоров показаны на рис. 34. Ход
сердечника должен быть равен 18-20 мм;
ü угол расцепления а=15°; полный угол поворота (3=60°.
Зацепление между запирающей защелкой и упором не нормируется, а между
отключающей защелкой и упором оно должно быть в средней части седла отключающей
защелки.
Достоинства электромагнитных приводов является простота конструкции и
надежность работы в условиях сурового климата.
Недостатки - большой потребляемый ток и вследствие этого необходимо
мощной аккумуляторной батареи, а также значительное время включения.
Ручные приводы применяются для маломощных выключателей, когда мускульной
силы оператора достаточно для совершения работы включения. Отключение может
быть автоматическим с помощью реле, встроенных в привод.
Привод ПРА - 17 предназначен для управления выключателями нагрузки ВНП -
16, ВНП - 17. Привод снабжен механизмом свободного расщепления и имеет
электромагнит для дистанционного отключения. Если дистанционное отключение не
предусмотрено, то применяют привод без электромагнита отключения ПР - 17.
При ручном приводе включение и отключение выключателя могут производиться
воздействием руки на рычаг, или маховик привода; кроме того, отключение может
быть автоматическим или дистанционным. Для выключателя напряжением до 10 кВ
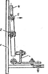
наиболее широко применяются ручные автоматические приводы типов ПРАМ-10 и ПРБА.
ПРАМ-10
ПРАМ-10 (ручной привод с автоматическим отключением)
обычно применяется с выключателями ВМБ-10 и другими, имеющими включающий момент
на валу не выше 14 кгс-м. Включение производится поворотом рычага по часовой
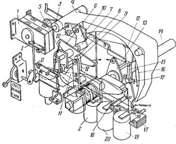
стрелке из исходного положения в крайнее. Привод (рис. 25) состоит из основания
1, па котором смонтированы все детали привода и через которое проходит
включающий вал механизма свободного расцепления 4. Механизм свободного
расцепления (рис. 26) производит отделение механизма выключателя от механизма
привода в процессе включения шли при включенном положении. Это обеспечивает
отключение выключателя от защиты при включении его на короткое замыкание.
Механизм свободного расцепления состоит из муфты 1,
соединенной с рычагом включения привода, который поворачивается и вращает щеки
механизма, связанные болтами 5 В механизме имеются три собачки (2, 3 и 4).
Ведущая собачка 2 зацепляет жестко связанную с валом муфту и поворачивает ее;
промежуточная собачка 3, связанная с ведущей 2, в конце операции включения
упирается в отключающую собачку 4 и запирает механизм. Отключение происходит
либо вручную при повороте рычага, либо от защиты. При ручном отключении нижний
палец муфты расцепляет отключающую собачку 4 и промежуточную 3, которая под
действием пружины 6 выводит собачку 2 из зацепления с кулачковой муфтой. При
этом собачки механизма свободного расцепления теряют связь и освобождают вал
привода, который под действием пружин отключает MB.
При работе защиты (см. рис. 25) боек сердечника
максимального реле 2 освобождает защелку ударного устройства 5, которое
действует на отключающую собачку привода и отключает выключатель. Привод
ПРАМ-10 имеет максимальную защиту с выдержкой времени и реле напряжения или
отключающую катушку в зависимости от варианта исполнения.
Рисунок 28- Привод типа ПРАМ-10. I - основание: 2 -
реле максимального тока: 3 - катушка реле: 4 - механизм свободного расцепления;
5 - механизм ударного устройства; 6 - заводной рычаг; 7 -пружина; 8 - собачка.
Привод
типа ПРБА (ручной блинкерный с автоматическим отключением) применяется с
выключателями типов ВМГ-133, ВМ-35, ВМП-10 и др. Привод состоит из чугунного
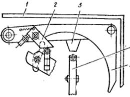
корпуса, внутри которого на кронштейне <#"728537.files/image045.jpg">
Рисунок
30 - Механизм привода типа ПРБА в различных положениях. а - при заводе
механизма: б - в исходном положении; в - по включенном положении; г - в
положении после автоматического отключения.
Отключение
выключателя происходит при опускании рукоятки 10. При этом поворачиваются диск
6 и связанный с ним рычаг 8, который, упираясь концом в отключающую планку 13,
поворачивает ее и освобождает конец рычага 1 от зацепления. Рычаг 1 под
действием пружины 9 поворачивается и освобождает собачку 2 от зацепления.
Теперь главный рычаг 4 не может удерживать выключатель во включенном положении
(центр За не заперт) и под действием пружин происходит отключение выключателя.
При автоматическом или дистанционном отключении шток 12 ударяет по отключающей
планке 13 и дальнейший процесс происходит, как и при ручном отключении.
При
регулировке и проверке привода необходимо соблюдать осторожность для предотвращения
несчастных случаев при случайных отключениях выключателя. С этой целью
рекомендуется установить стопорные приспособления между собачкой и корпусом
привода. Если привод имеет реле минимального напряжения, то во время
регулировки необходимо принудительно удерживать боек реле в отключенном
положении, так как в противном случае нельзя будет включить выключатель.
Проверку
привода начинают с внешнего осмотра. При этом снимается крышка
<#"728537.files/image046.gif">
Одновременно с ремонтом дугогасительных камер вскрывают коробки приводных
механизмов полюсов выключателя и проверяют состояние всех рычагов и буферных
устройств, правильность работы указателей положения полюсов.
Разбираются и чистятся маслоуказатели. При этом все механизмы приводов
тщательно осматриваются, проверяют отсутствие люфтов в шарнирных соединениях,
удаляют грязь, ржавчину, старую смазку и наносят новую смазку (незамерзающая
смазка марки типа ЦИАТИМ - 221 или ГОИ - 54П).
Общая сборка выключателя проводится в последовательности обратной той,
которая была при его разборке.
После установки дугогасительных камер на место приступают к регулировке
выключателя и его привода.
Прежде всего, проверяют и регулируют установку камер с таким расчетом,
чтобы центры нижних контактов камер находились против центров траверсы.
Проверяют полный ход штанг камер, который должен быть 101±2мм. Затем включают
выключатель и с помощью специального шаблона, поставляемого заводом, проверяют
положение звеньев запирающего механизма. Дело в том, что оси плоских рычагов
запирающего механизма не должны находиться на одной прямой - это «мертвое»
положение, при котором перемещение рычагов становится невозможным. Оси рычагов
должны занимать то положение, которое было установлено на заводе.
После этого устанавливают необходимый ход траверсы (800мм) и с помощью
ламп, включенных по схеме, приведенной на рисунке 5, проверяют «одновременность»
замыкания контактов полюса.
Для этого с помощью домкрата доводят траверсу до сопротивления ее
контактов с контактами камер. При этом, как правило, загорается одна из ламп.
Это положение траверсы замечают карандашом на штанге и направляющем устройстве.
При дальнейшем подъеме траверсы и замыкании всех контактов полюса
загорается другая лампа. Это положение также замечают риской.
Затем измеряют расстояние между рисками, которое должно быть не более
2мм. По аналогичной схеме проверяют «одновременность» замыкания контакта каждой
камеры. Разница в ходе контактов допускается до 1мм.
При регулировке выключателя в приводе проверяют зазоры между отдельными
звеньями его механизма, проверяют работу вспомогательных контактов и действие
механизма свободного расцепления привода при включенном положении выключателя и
в момент замыкания его контактов. Проверяют состояние вторичных цепей вместе с
электромагнитами включения и отключения. Сопротивление изоляции должно быть не
менее 1МОм.
По окончании регулировки проводит испытание выключателя вместе с
приводом. При этом измеряют время включения и отключения выключателя при
различных уровнях напряжения на зажимах электромагнитов. На время измерений
шунтирующие резисторы должны быть отсоединены от дугогасительных камер. В
момент подачи ключом КУ команды на включение выключателя включается и
электросекундомер ЭС, который при касании контактов выключателя шунтируется ими
и останавливается.
Далее снимают характеристики скорости включения и отключения выключателя
при различных уровнях напряжения на зажимах привода. Характеристики снимают
дважды: когда баки выключателя не залиты маслом и после заливки масла. В
качестве отметчика времени используют виброграф (рисунок 29). К его обмотке подводят
переменное напряжение 12В промышленной частоты, благодаря чему колебания якоря
с карандашом повторяются через 0, 01с. Колебания якоря записывают на бумажной
ленте, прикрепленной к тяге выключателя или какой-либо другой движущейся части,
имеющей достаточно большой ход и не обладающей заметным люфтом относительно
траверсы.
Виброграф включают одновременно с подачей импульса на включение или
отключение выключателя. Полученную графическую запись движения (виброграмму)
расшифровуют. Для этого виброграмму разбивают на участки и на каждом из них
подсчитывают среднюю скорость движения v ср, м/ с, по формуле:
ср = S / t,
где S - длина участка, м; t - время движения на участке, с,
определяемое по числу периодов колебаний якоря вибрографа.
Полученные таким образом средние значения скоростей относятся к
определенным участкам движения контактов. На этих участках выбирают точки,
расположенные по средине, и по ним строят зависимость скорости движения
контактов выключателя от их пути.
Построенные зависимости сравнивают с типичными. Отклонения полученных
значений от типичных допускаются не более ±10%.
Во время ремонта до заливки масла в выключатель измеряют сопротивление
его внутрибаковой изоляции. Измерение производят мегомметром напряжением 2500В
с помощью электродов, прикладываемых к поверхности изоляционной конструкции.
Если значение сопротивления изоляции меньше указанного, изоляцию подвергают
сушке.
Для сдачи выключателя после капитального ремонта в эксплуатацию заполняют
ведомость (акт) его технического состояния. В ведомости сравниваются результаты
проведенных испытаний и измерений с паспортными данными.
Литература
1. Мандрыкин
С. А., Филатов А. А. «Эксплуатация и ремонт электрооборудования станций и
сетей. Учебник для техникумов» - 2-е издание, переработанное и дополненное -
Москва, Энергоатомиздат, 1983 - 344 с.
. Рожкова Л.
Д., Козулин В. С. «Электрооборудование станций и сетей. Учебник для техникумов»
- 3-е издание, переработанное и дополненное - Москва, Энергоатомиздат, 1987 -
648 с.