Конструктивный расчет узла механизма

  • Вид работы:
    Курсовая работа (т)
  • Предмет:
    Другое
  • Язык:
    Русский
    ,
    Формат файла:
    MS Word
    825,52 Кб
  • Опубликовано:
    2014-03-06
Вы можете узнать стоимость помощи в написании студенческой работы.
Помощь в написании работы, которую точно примут!

Конструктивный расчет узла механизма

Федеральное государственное образовательное учреждение

высшего профессионального образования

«ЧУВАШСКИЙ ГОСУДАРСТВЕННЫЙ УНИВЕРСИТЕТ»

имени И. Н. Ульянова

кафедра электрических и электронных аппаратов (ЭиЭА)






КУРСОВАЯ РАБОТА

Выполнил студент гр. ЭТ-22-11

Шмакин А. В.

Преподаватель:

Максимов В. М.

 

 

 

 

 

 

 

Чебоксары 2013

Задание на конструктивный расчет узла механизма

В качестве варианта расчета выбрана конструктивная схема представленная на рис. 1: 1. Шток; 2. Фиксатор; 3. Корпус ; 4. Пружина; 5. Фланец;

Рис. 1

Исходные данные по табл. 1

Табл. 1

перемещение А, мм

30±0,45

усилие действующее на шток F1, Н

30

усилие действующее на шток F2, Н

90

перемещение В, мм

0

Степень прочности материала , Н/мм2

580


Необходимо обеспечить перемещение А=30±0,45 с заданной точностью. При этом выделяются 2 положения:

.        Шток прижат к пружине направляющей втулке рис. 1

.        Шток касается упора, при этом пружина дополнительно сжимается и величина ее деформации равна А. В работе также обеспечить заданное усилие действующее на шток в каждом положении

F1=30 Н

F2=90 Н

Силовая характеристика узла механизма приведена на рисунке 2

рис. 2

F1- усилие в начальном положении штока;

f1- начальная деформация пружины;

F2- усилие в конечном положении штока;

f2- конечная деформация пружины;

F3- расчетное значение усилия, F3=(1,2-1,25) F2;

f3- расчетная деформация пружины.

Работа состоит из следующих основных этапов:

.        Расчет силового элемента (пружины сжатия) при этом определяются геометрические размеры и число витков пружины W

l0- длина пружины в свободном состоянии, мм

l1- начальное положение штока- встроена, мм

l2- длина пружины во втором положении штока, мм

d- диаметр проволоки из которой сделана пружина, мм

D0- средний диаметр витка пружины, мм

W- число витков пружины

Проводится проверка силового элемента на прочность.

.        Определение номинальных размеров конструкции: главных размеров которые указывают на конструктивной схеме и на упрощенных эскизах детали

.        Определение предельных отклонений на размерах деталей обеспечивающих перемещение штока на величину А с заданной точностью (прямая задача)

.        Определение общей погрешности силовой характеристики узла механизма. При этом учитываются конструктивно-технологические факторы влияющие на характеристику пружины и погрешности деталей.

.        В масштабе разрабатывается конструктивная компоновка, затем проводится ее конструктивная доработка с указанием неосновных размеров, а также прорабатываются вопросы установки изделия на объект. Определяются посадки в конструкции (втулка-посадка с натягом, движение штока- с зазором). Определяется погрешность относительно смещения штока относительно оси упора.

.        Разрабатываются чертежи деталей, узлов и общего вида

.        Выводы направленные на улучшение конструкции узла механизма. Например: дать описание конструкции, если они выполнены из полимерных материалов.

1.   Расчет силового элемента

Наибольшее распространение в аппаратостроении получили цилиндрические пружины.

Витые из проволоки цилиндрические пружины, применяют медь (деформации) они могут развивать усилие от долей до 1000 Н. Задача состоит в том, чтобы необходимо определить геометрические размеры которые влияют на конструкцию и компоновку.

В качестве материала выбираем проволоку стальную углеродистую пружинную для которой характерны 3 степени прочности: высокопрочные (В), нормальной прочности (Н), повышенной прочности (П).

Высокопрочная Ϭдкр=580 Н/мм2;

При расчетах необходимо знать модуль упругости (G)


1.1 Определяем жесткость пружины (х), Н/мм

 (1.1)

x =2Н/мм

1.2 Определяем диаметр провода (d) необходимой для изготовления пружины, мм

Определяется по формуле:

 (1.2.)

где, с=D0/d=8..16 конструктивный показатель пружины d=2,63 мм

по ГОСТ 9389-75 примем d=2,5±0,02 мм

.3 Определяем средний диаметр витка пружины D0, мм

D0= с∙d (1.3.)

D0= 30 мм

1.4    Определяем число витков пружины

 (1.4.)

Расчетная деформация f3=F3/x

 

f3=54=7 витков

.5   Шаг навивки пружины, мм

 (1.5.)

t=10,2

 

1.6 Свободная длинна пружины l0, мм

l0=lоси=wt+1,5d (1.6.)

 

где, 1,5d необходима для поджатия двух крайних витков и их подшлифовки, т.о. чтобы плоскость витка и ось пружины образовали угол =900

l0=lоси=75,15 мм

Этим обеспечивается установка пружины в механизм перпендикулярно оси упора в фиксаторе.

1.7 Длина пружины в сжатом состоянии виток к витку

lсж= wd+1,5d (1.7.)

lсж=21,25

 

1.8 Определяется длина пружины l1 и l2, мм

l1=l0-f1=60,15

l2=l0-f2=30,15

f1=15

f2=45

1.9 Проверка по допускаемым напряжениям. Должно выполняться условие

Ϭкр ≤ [ Ϭдкр] (1.9.1.)

Определяется по формуле:

 (1.9.2.)

Где, F2 - реальное усилие в положении 2

Ϭкр=440,2

При расчетах были учтены округленно значения d, w, этим самым была нанесена погрешность в расчет силовой характеристики пружины, поэтому, чтобы скомпенсировать это хотя и незначительно, уточним значения D0 из формулы 1.4

 

D0=30,33

2.   Определение номинальных размеров конструкции

Основой для определения номинальных размеров являются полученные при расчетах номинальные размеры силового элемента, величина хода штока и соответствия размеров приведенной на конструктивной схеме, часть размеров принимается конструктивно, обеспечивающих базирование детали в конструкции конструктивно также задается толщина стенок корпуса.

Полученные расчетные данные из п.1 приведены в табл. 2

Таблица 2

Длина пружины l1, мм

60,15

Длина пружины l2, мм

30,15

перемещение А, мм

30±0,45

Диаметр провода пружины d, мм

2,5±0,02


Эскизы для расчета размерных цепей

Рис. 2.1 Фиксатор

Рис. 2.2 Фланец

Рис. 2.3 корпус

2.1 Определение размеров А1, А3, А4, А2, А6, А7

Рис. 2.1 размерная цепь для определения А1, А3

Примем размер

А13;

A15=A31=3;

А= l1-A1-A15-A31-A3;1+A3=-А+54=24;


Рис. 2.2 размерная цепь для определения А6

А=A6-A1-A5-A6-A2-A4-A3;

Принимаем A1=A5=A5=12 и A2=A1/2;

А6=A+A1+A5+A6+A2+A4+A3=84;

Более рационально взять размер A7, и взять размеры A3 и A4 одним A34=24, тогда размерная цепь будет выглядеть следующим образом:

Рис. 2.1.3 размерная цепь для определения А7

2.2 Прямая задача

Для узла рис. 2.4 требуется определить допуски (отклонения) всех размеров деталей Влияющих на величину зазора [A]=0.45 Технологически возможна точность изготовления деталей ограничивается 11-м квалитетом

Рис. 2.2.1 размерная цепь

Табл. 2.4.1 Исходные данные

 Размер на детали A, мм

 Единица допуска i, мкм

 Поле допусков, мм

 Предельные отклонения, мм

 

Окончательные предельные отклонения, мм

А1=12

i1=1.08

T1=0,18

∆С1=0

А34=24

I34=1,31

T34=0,21

24-0,21

∆С34=-0,105

-0,21

А5=12

I5=1,08

T5=0,18

12+0,018

∆С5=+0,09

+0,18

А7=78

I7=1,86

T7=0,3

∆С7=0


Составляем уравнение РЦ

А73415

Проводим проверку размеров

А= 78-24-12-12

Следовательно, номинальные размеры составляющих звеньев выбраны правильно

Рассчитываем допуски составляющих звеньев, считая, что все детали изготовлены по одному квалитету ЕСПД. Для этого необходимо знать среднее число единиц допуска (относительный коэффициент точности):

 

Где m+n - число составляющих звеньев;  - среднее геометрическое интервала размеров, мм; [T] - допуск исходного звена, мкм; величину  - единица допуска - находим по табл. 2.4.2 (для каждого размерного звена РЦ: данные занесены в табл 2.4.1 )

Табл. 2.4.2

Значение


Числу ac соответствует, примерно, 12-й квалитет ЕСПД

Определяем поле допусков составляющих звеньев по табл. 2.4.3 Допуски для размеров до 500 мм (по СТ СЭВ145-75 и СТ СЭВ177-75) (данные занесены в табл. 2.4.1)

Проверяем правильность назначения допусков составляющих звеньев

Ti= T1+ T34+T5+ T7

Ti=0,870

[T]=0,9

Условие Ti ≤ [T] выполняется, следовательно 12-й квалитет выбран правильно. узел механизм шток конструкция

Назначаем допустимые предельные отклонения на все составляющие размеры с учетом достижимой технологической точности (холодная штамповка, формирование из пластмасс, механическая обработка и др.), а также особенностей конструктивных элементов.

А10=3 h11 - охватываемый размер

А13=20 h11 - охватываемый размер

А14=28 Н11 - охватывающий размер

А15=26 h11 - охватываемый размер

Для достижения заданной точности необходимо выполнение условия

∆С=∆С7-∆С1-∆С5-∆С34=0 (2.4)

Подставляем значения, проводим проверку

∆С=0-0-(+0,09)-(-0,105)=0,096

При принятых отклонениях на составляющие звенья условие (2.4) не выполняется. Обычно, чтобы обеспечить T <[T], при решении предельные отклонения одного из звеньев принимают неизвестными. Выбирается то звено, которое требует более простой обработки, Принимаем ∆С7

∆С7*=0,015

Определяем предельные отклонения звена А7:

∆S7=∆С7*+(1/2)T7=-0,015+(1/2)0,3=+0,135

∆I7=∆С7*-(1/2)T7=-0,015-(1/2)0,3=-0,165

Окончательные результаты расчета:

А1=

А34=24-0,21

А5=12+0,18

А7=

3. Общая погрешность силовой характеристики

При расчете силового элемента (пружины сжатия) были определены только номинальные размеры пружины, отвечающие силовой характеристике. Необходимо учитывать, что провод имеет свои отклонения и навить точное число витков при навивке не получится. Это приводит к возникновению погрешностей. Диаметр вика, модуль сдвига G и высота пружины при навивке также будут иметь свои отклонения. Каждый из этих факторов будет влиять на точность силовой характеристики, т.е. значения F1 и F2 будут иметь свои погрешности. Следовательно нам надо определить погрешность самой пружины с учетом всех вышеперечисленных факторов.

За основу для определения погрешности принимается формула расчета усилия винтовых цилиндрических пружин:

 

где F - осевое усилие пружины, H;

G - модуль сдвига пружины, ;

d - диаметр провода пружины, мм;

f - деформация пружины по свободной длине до сжатого состояния, мм;

D0 - средний диаметр витка пружины, мм;

W - число витков пружины;

Исходные данные:

.        Модуль сдвига материала пружины для углеродистой стали

.        Средний диаметр витка пружины D0 = 21,6 мм

.        Усилие пружины в начальном положении штока F1=30 Н

.        Усилие пружины в конечном положении штока F2=90 Н

.        Расчетное значение максимального значения усилия пружины F3=108Н

.        Диаметр провода пружины

.        Длина пружины в свободном состоянии l0=75,15мм

.        Длина пружины в нерабочем положении l1=60,15мм

.        Длина пружины в рабочем положении l2=30,15мм

.        Число витков пружины W = 7 витков

.        Деформация пружины в конечном положении штока f2=45мм

.        Конструктивный показатель пружины C=12

Определение погрешности осевого усилия пружины, вызванные отклонением диаметра проволоки

 

Определение погрешности осевого усилия пружины, вызванные отклонением диаметра пружины

 

При конструктивном показателе пружины C=12 и среднем диаметре витка пружины D0=30 мм, получим допуск

 

 

Определение погрешности осевого усилия пружины, вызванные отклонением числа рабочих витков

 

 

 

Определение погрешности осевого усилия пружины, вызванные отклонением длины пружины

 

 

 

Определение погрешности осевого усилия пружины, вызванные отклонением сдвига материала пружины по ТУ на материал

 

Расчет пружины был проведен методом max-min. Принимая 10% риска получаем коэффициент p=10% и t=1,65. Случайная погрешность будет составлять λ=1/3

Определение случайной погрешности осевого усилия пружины

 

 

 

Суммарная погрешность составляет 7,8%, что соответствует заданным требованиям.

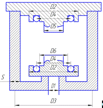
4. Конструктивная доработка узла механизма

.1 Определение недостающих размеров по ширине

Рис. 4.1 - к определению недостающих размеров по ширине

d=3 мм

D4=30 мм

D6=D4-d=27 мм

D2=D6+4d=39 мм

S=5 мм

D3=61 мм

5.  Посадки

5.1 Определение видов посадки в конструктивной схеме механизма

Рис. 5.1 Конструктивная схема механизма с видами посадок

5.2 Определение посадки при соединении штока с корпусом

Примем посадку

Посадки находим по таблице «Поля допусков отверстий (валов) при номинальных размерах от 1 до 500 мм ГОСТ 25347-82


Минимальный зазор:

Максимальный зазор:

5.3 Определение посадки при соединении фланца с корпусом

Посадка с зазором.

Примем посадку

Посадки находим по таблице «Поля допусков отверстий (валов) при номинальных размерах от 1 до 500 мм ГОСТ 25347-82


Минимальный зазор:

Максимальный зазор:

6. Погрешность смещения штока относительно оси упора

Для всех осевых смещений e по оси х в конструктивной схеме механизма примем отклонение соосности T=0,3.

Отклонение соосности по оси х находится по формуле:

e=0,15 мм; T=2e

Рис. 6.1 - Смещения конструктивной схемы механизма

Рис. 6.2 - Распределение осевого смещения соосности

6.1 Определение смещения зазоров A

Формула для определения смещения зазоров:

 

Смещения зазоров:


6.2 Определение суммарного смещения в конструктивной схеме механизма

 

7. Сборка механизма

Рисунок 7.1 - Схема сборки механизма

Похожие работы на - Конструктивный расчет узла механизма

 

Не нашли материал для своей работы?
Поможем написать уникальную работу
Без плагиата!
Без нейросетей!