Дослідження електроприводу технологічного обладнання, розрахунок електропривода ліфта та мостового крана
Вступ
електропривод мостовий
кран
Електропривод - це система
пристроїв,призначених для перетворення електричної енергії на механічну, яка
використовується для приведення в рух виконавчих органів робочої машини та
керування цим рухом. Він є споживачем електричної енергії у всіх сферах
суспільного життя. Прагнення до максимального підвищення продуктивності
технологічного обладнання та якості виробленої продукції призвели до високого
розвитку регульованих електроприводів, комп’ютерних засобів автоматизації, використання
інформаційних засобів. На сучасному етапі всі провідні електротехнічні
корпорації випускають регульовані електроприводи разом з комп’ютерними засобами
автоматизації у вигляді програмованих систем, призначених для різного
застосування.
Можна виділити наступні загальні
тенденції розвитку електроприводів, що мають стійкий характер:
постійно розширюється застосування
регульованих електроприводів в промисловому обладнанні, транспорті, авіаційній
і космічній техніці, медицині, побутовій техніці для досягнення нових якісних
результатів в технології;
поширення блочно-модульних принципів
побудови електроприводів, інформаційних засобів, засобів управління і систем
управління в цілому;
динамічна комп'ютеризація
електроприводів, механізмів, агрегатів і комплексів і нова ідеологія
проектування систем;
активний розвиток і впровадження
систем діагностування, обслуговування, візуалізації технологічних процесів і
процесів управління.
За таких умов спеціалісти з області
електротехніки повинні знати сучасне обладнання, вміти здійснювати вибір і
налаштування електроприводів.
1.Розробка електропривода підйомного
механізму
Цикл роботи підйомного механізму
мостового крана складається із піднімання вантажу, паузи, протягом якої кран
переміщується до місця вивантаження, опускання вантажу, піднімання
вантажозахватного при строю, другої паузи, викликаної поверненням крана до
місця завантаження.
Керування краном здійснюється з
кабіни за допомогою контролерів, які перемикають режими роботи електродвигунів
механізмів крана (швидкість, реверс, гальмування), у кабіні встановлено панель
освітлення і сигналізації, вимірювальних приладів і захисна.
1.1 Вимоги до електропривода
мостового крана
Для якісного виконання своїх функцій
електропривод крана повинен задовольняти вимоги:
регулювання кутової швидкості
двигунів у діапазонах 4:1, 10:1, що дозволяє переміщувати вантажі з меншою
швидкістю, а порожній кран -з більшою швидкістю для збільшення продуктивності.
Зниження швидкості також необхідне для точної зупинки;
забезпечення необхідної жорсткості
механічних характеристик двигуна з метою підтримання сталої швидкості за
будь-якої маси вантажу;
обмеження прискорень до припустимих
меж за мінімальної трясалості перехідних процесів. Це дозволяє уникнути ударних
навантажень в механічних передачах у ході вибору зазору та унеможливлює
пробуксовування ходових коліс візка, мостів, зменшує розгойдування;
реверсування електропривода і
забезпечення Його роботи яку, так і в гальмівному режимах.
Електродвигуни кранів працюють, як
правило, в повторно - короткочасному режимі. Повторно-короткочасний режим (S3)
це, послідовність ідентичних робочих циклів, кожен із яких складається з пері
одів роботи за постійного навантаження і відключеного нерухомого стану.
Тривалість цих періодів недостатня для досягнення теплової рівноваги за час
роботи одного циклу. Наявність пускового струму суттєво не впливає на
нагрівання. Режим характеризується тривалістю вмикання:
1.2 Розрахунок електропривода
підйомного механізму мостового крана
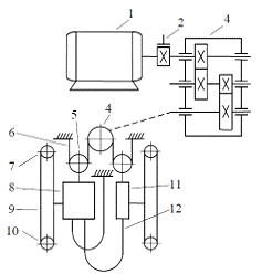
На рис. 1 зображено кінематичну
схему механізму піднімання мостового крана
Рисунок 1.1 Кінематична схема
механізму піднімання мостового крана 1 - електродвигун; 2 - гальмо; 3 -
редуктор; 4 - барабан; 5 - поліспаст
Проведемо розрахунок та виберемо
електродвигун для підйомного механізму крана.
Вихідні дані:
вага монтажу: Gв = 250000
Н;
ККД редуктора: hр
= 0,83;
ККД поліспаста: hп
= 0,89;
ККД системи барабан-трос: hб
= 0,95;
швидкість переміщення вантажу: n=
0,16 м/с;
тривалість вмикання: ТВ = 24%;
прискорення при розгоні та
гальмуванні з вантажем: e = 0,27 м/с2;
прискорення при розгоні та
гальмуванні без вантажу: eІ
= 0,42 м/с2;
тривалість циклу: tцикл =
460 с.
кратність поліспаста: m = 4
Попередній вибір електродвигуна
привода підйомного механізму
Приймаємо вагу вантажопідйомного
механізму:
Потужність на валу двигуна
при підйомі кабіни з вантажем:
Потужність на валу двигуна за
гальмівного спуску вантажу:
Приймаємо
ККД механізму без навантаженняƞмех =
0,3.
Потужність
на валу двигуна за піднімання гака
Потужність на валу двигуна за
силового спуску гака:
Середня потужність:
Приймаємо коефіцієнт запасу
за потужністю: a=1,2.
Номінальна потужність
двигуна:
Потужність відносно
найближчої стандартної тривалості вмикання:
За довідником Копилова [2,
ст. 341] вибираємо електродвигун з фазним ротором МТН512-8.
Дані двигуна: Р2ном=37
кВт; n2ном = 705 об/хв.; I2ном = 77А; U2ном=305В
; Мmax=1370Нм; Jд = 1,43 кг × м2;
ПВст= 40 %.
Номінальна частота обертання
ротора двигуна в рад / с:
,
Передаточне число редуктора:
.
Розрахунок вихідних даних для
побудови навантажувальної діаграми
Загальний час роботи:
.
Середній час на кожну
технологічну операцію:
.
Сумарний час на паузи:
.
Середній час на кожну паузу:
.
Час розгону та гальмування з
вантажем:
,
Час розгону та гальмування з пустим
гаком:
,
Час усталеної роботи при
підйомі та опусканні вантажу:
.
Час усталеної роботи при
підйомі та опусканні пустого ліфта:
.
Статичний момент опору з
вантажем:
,
,
Приймаємо: wд = w2ном.
Статичний момент опору без
вантажу:
,
.
Момент інерції з вантажем:
.
Момент інерції без вантажу:
.
Приймаємо коефіцієнт запасу
за моментом інерції: y
= 1,15.
Сумарний момент інерції з
вантажем:
.
Сумарний момент інерції без
вантажу:
.
Динамічний момент з вантажем:
Динамічний момент без
вантажу:
Перевірка електродвигуна
Приймаємо умови охолодження
при пуску і зупинці: d
= 0,8.
Еквівалентний момент:
Еквівалентний момент відносно
найближчої стандартної тривалості вмикання:
Перевіряємо виконання умови:
.
Номінальний момент
електродвигуна:
.
- умова виконується.
Перевіряємо виконання умови:
.
Максимальний момент
електродвигуна:
- умова виконується.
Рисунок1.2- Навантажувальна
діаграма електропривода підйомного механізму
1.3 Вимоги
до електропривода ліфта
Для якісного виконання
операції з транспортування пасажирів і вантажів за високої продуктивності
електропривод ліфта повинен забезпечувати:
) реверсивну роботу двигуна;
) плавний пуск і гальмування
за умови, щоб прискорення й уповільнення, а також їх похідні (ривок) не
перевищували встановлені норми;
) мінімальний час перехідних
процесів;
) точну зупинку кабіни на рівні
підлоги поверху;
) швидкість кабіни ліфта в
режимі ревізії не повинна перевищувати 0,36 м/c.
Схема керування ліфтами
повинна виконувати такі завдання:
) контроль положення кабіни в
шахті;
) автоматичний вибір напрямку
руху;
) визначення часу початку гальмування,
точної зупинки кабіни на поверсі;
) автоматичне відкривання і
закривання дверей
) захист електропривода.
Вимоги до схем керування
ліфтами:
) контроль положення кабіни в
шахті
) автоматичний вибір напрямку
руху
) визначення часу початку
гальмування, точної зупинки на поверсі
) автоматичне відкривання і
закривання дверей
) захист електропривода
1.4
Розрахунок електропривода ліфта
Кінематичну схему ліфта зображено на
рис. 1.3.
Приймаємо вагу вантажопідйомного
механізму:
Рисунок 1.3. Кінематична схема
механізму ліфта: 1 - електродвигун; 2 - гальмо; 3 - редуктор; 4 - барабан; 5 -
поліспастний блок; 6 - тяговий канат; 7 - обмежувач швидкості; 8 - кабіна
ліфта; 9 - канат; 10 - пристрій натягу; 11 - противага; 12 - компенсуючий
ланцюг.
Потужність на валу двигуна за
піднімання кабіни з вантажем:
Потужність на валу двигуна у
разі опускання кабіни з вантажем:
Потужність на валу двигуна за
піднімання кабіни без вантажу:
Потужність на валу двигуна у разі
опускання кабіни без вантажу:
Середня потужність:
Приймаємо коефіцієнт запасу
за потужністю
Номінальна потужність
двигуна:
Потужність відносно
найближчої стандартної тривалості вмикання:
За довідником Копилова
вибираємо електродвигун з фазним ротором MTН 511-8.
Дані двигуна:
,
,
,
, ККД = 83%,
,
,
,
Номінальна частота обертання
ротора двигуна в рад/с:
Приймаємо
Передаточне число редуктора:
Статичний момент опору з
вантажем:
Статичний момент опору без
вантажу:
Розрахунок моменту інерції
для вантажного ліфта:
Момент інерції з вантажем:
Момент інерції без вантажу:
Приймаємо коефіцієнт запасу
за моментом інерції
Сумарний момент інерції з
вантажем:
Сумарний момент інерції без
вантажу:
Динамічний момент з вантажем:
.
Динамічний момент без
вантажу:
.
Перевірка електродвигуна
=(309+242,63)2×0,59+3092·26,42+(309-242,63)2
0,59+(152,16+242,63)2·0,59+152,162·26,42+(152,16-242,63)2·0,59+(227,67+309)2
0,38+227,672·26,84+(227,67-309)2·0,38+(463,47+309)2·0,38+463,472·26,84+(463,47-309)2·0,38=
= 10919811H2м2с.
Приймаємо умови охолодження при
пуску і зупинці: d = 0,8.
Еквівалентний момент:
Еквівалентний момент відносно
найближчої стандартної тривалості вмикання:
Перевіряємо виконання умови:
Мном³Мекв.ст
Номінальний момент
електродвигуна:
.
Мном>Мекв.ст
: умова виконується.
Перевіряємо виконання умови:
Мmax³Мдіагр.
max.
Мдіагр. max= Мверх
+ Мдин. верх = 309 + 242,63 = 551,63Нм.
Максимальний момент електродвигуна:
Мmax= 1000Нм.
Мmax>Мдіагр.max
: умова виконується.
Рисунок 1.4- Навантажувальна
діаграма електропривода ліфта
1.5 Побудова механічних
характеристик асинхронного електродвигуна
Визначимо опори пускового реостата
та побудуємо механічні характеристики асинхронного електродвигуна з фазним
ротором
Дані двигуна: Р2ном=55
кВт; n2ном = 960 об/хв.; I2ном = 105А; U2ном=340В;
Мmax=1630Нм; Jд= 1,03 кг ×
м2.
Номінальна частота обертання ротора
двигуна в рад/с:
,
Номінальний момент:
Кратність максимального
моменту:
Число пар полюсів обмотки
статора для МТН 512-6: рп= 3.
Частота обертання магнітного
поля статора в рад/с:
Номінальне ковзання:
,
Критичне ковзання:
Опір обмотки ротора:
Кратність мінімального
пускового моменту:
.
Приймаємо кількість ступенів
пускового реостата x
= 3.
Відношення максимального
пускового моменту до моменту перемикання:
Загальний опір ступеня 1:
.
Опір секції 1:
.
Загальний опір ступеня 2:
.
Опір секції 2 :
.
Загальний опір ступеня 3:
.
Опір секції 3 :
.
ФормулаКлосса:
.
Електромагнітний момент при
ковзанні 0,2:
.
Електромагнітний момент при
ковзанні 0,4:
.
Електромагнітний момент при
ковзанні 0,6:
.
Електромагнітний момент при
ковзанні 0,8:
.
Електромагнітний момент при
ковзанні 1:
.
Штучні характеристики для
кожного опору побудуємо за двома точками.
Координати першої точки для
всіх характеристик: s = 0; М = 0.
Друга точка відповідає
максимальному пусковому моменту:
.
Ковзання для характеристики з
опором R1:
.
Ковзання для характеристики з
опором R2:
.
Ковзання для характеристики з
опором
:
= 1.
Ковзання, яке відповідає
точці перемикання на природну характеристику:
.
Мінімальний пусковий момент
(момент перемикання):
.
Рисунок1.5- Механічні характеристики
асинхронного двигуна МТН 512-6
В даному розділі було здійснено
розрахунок та підбір електродвигуна підйомного механізму, побудовано
навантажувальну діаграму мостового крана та вантажного ліфта і механічну
характеристику асинхронного електродвигуна МТН 512-6.Було проведено розрахунок
пускових опорів для пуску в роботу даного двигуна.
Електродвигуни технологічних
механізмів працюють в різних режимах: 1) тривалий режим (S1) 2) короткочасний
режим (S2) 3) періодичний короткочасний режим (S3) 4)періодичний короткочасний
режим з пусками (S4) 5)періодичний короткочасний з електричним гальмуванням
(S5) 6) періодичний безперервний режим з короткочасними навантаженнями (S6) та
ін..Як правило найпоширеніший - повторно-короткочасний режим.
Повторно-короткочасний режим - це послідовність ідентичних робочих циклів,
кожен з яких складається з періодів роботи за постійного навантаження.
Тривалість цих періодів недостатня для досягнення теплової рівноваги за час
роботи одного циклу. Тому при невідповідності тривалості вмикання, за
паспортних умов двигуна, може відбутися перегрів двигуна і вихід його з ладу.
Статичні моменти підйомного
механізму ліфта та крана під час піднімання без вантажу мають протилежні
значення тому, що в ліфті є противага ,яка служить для врівноваження кабіни.
Формула еквівалентного моменту
підйомного механізму використовується для оцінки нагріву при довготривалому
режимі роботи, і ця оцінка буде точною, якщо враховувати тільки час
безпосередньої роботи електропривода без врахування часу паузи коли нагрів буде
зменшуватись.
2.Дослідження електропривода
установки з насосною характеристикою
.1Особливості електроприводів
насосів та вентиляторів
Вибір системи електропривода і
режиму його роботи в значній мірі визначаються статичним навантаженням, яке
створюється механізмом на валу привідного двигуна. Механічна характеристика
насосних та вентиляційних установок описується рівнянням квадратичної параболи.
Відповідно, споживана потужність пропорційна кубу швидкості обертання.
Для регулювання обертів насосних
агрегатів великого поширення на даний час набувають керовані електроприводи по
системі перетворювач частоти - асинхронний (синхронний) двигун. Сучасні
перетворювачі частоти окрім регулювання параметрів напруги живлення двигунів
надають можливість замкненого регулювання технологічних параметрів насоса та
формування «насосних» (U / f2 = const) механічних характеристик, які
сприяють плавності пуску механізму.
Функції сучасних перетворювачів
частоти в приводах насосних установок:
електронний захист від аварій у
мережі електроживлення;
захист від коротких замикань;
електронний захист від струмових
перевантажень;
функція прогріву обмоток двигунів
для унеможливлення зволоження ізоляції - перетворювач частоти періодично
пропускає по обмотках непрацюючого двигуна невеликий постійний струм;
ПІ-контролер процесу, який регулює
оберти двигуна у функції сталого напору;
вбудовані енергонезалежні лічильники
моторесурсу, кВт×год. При виробленні
насосом добового моторесурсу відбувається перемикання між насосами;
сплячий режим, який виключає роботу
насоса на низьких обертах (наприклад, вночі при незначному водоспоживанні);
електронний захист насоса від сухого
ходу за струмом (cosj) або від датчика
на вході насосної установки (реле тиску, датчика тиску із виходом 4-20 mА,
поплавкового вимикача);
захист від прориву труби. При цьому
видається повідомлення про аварію;
При паралельному (каскадному)
вмиканні агрегатів розрізняють насосні установки типу Fта Е.
Насосні установки типу F мають один
регульований насос з частотним приводом. Двигуни інших насосів включаються
безпосередньо в мережу змінного струму і працюють з постійною частотою
обертання. Зазвичай, такі установки містять від двох до шести насосів, один з
яких є резервним. У загальному випадку кількість основних і резервних насосів
визначається призначенням та умовами експлуатації установки.
Насосні установки типу Е обладнані
всіма регульованими агрегатами. Алгоритм роботи таких установок відрізняється
тим, що після включення наступного насоса оберти всіх включених до цього
насосів вирівнюються, після цього оберти насосів змінюються синхронно до
досягнення заданого значення необхідного напору.
Сучасні системи керування
вентиляційними установками, як правило, комплектуються типовим обладнанням:
датчиками температури;
датчиками роботи насоса;
сервоприводами повітряних клапанів;
термостатами проти замерзання та
перегріву водяного калорифера;
диференційними датчиками перепаду
тиску.
Функції систем керування
вентиляційними установками:
контроль і керування роботою
агрегатів, які входять до складу обладнання систем вентиляції;
забезпечення індикації стану
обладнання;
захист обладнання від неправильного
вмикання напруги живлення, перегріву і короткого замикання;
підтримання та зміна температури
повітря, як на виході вентиляційної установки, так і в приміщенні;
плавне або ступінчасте регулювання
продуктивності вентиляційної установки;
контроль стану повітряних фільтрів;
реалізація будь-якого часового
алгоритму керування (від доби до року) вентиляційною системою без втручання
персоналу.
2.2 Дослідження математичної моделі
системи автоматичного керування установки з насосною характеристикою
Проведемо дослідження математичної
моделі системи автоматичного керування насосним агрегатом.
Дані електродвигуна АИР 112M4: Р2ном
= 5,5 кВт; n2ном = 1430 об/хв; kм = 2,2; Jд =
0,017 кг×м2;I1ном=11,4A.
Дані відцентрового насоса: НN
= 62,8м; Но = 89,1 м.
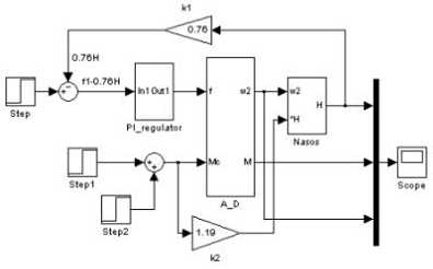
Дослідження перехідних процесів
проведемо на основі математичної моделі системи автоматичного керування
насосним агрегатом (рис. 2.1). Схема передбачає підтримання сталого значення
напору при зміні продуктивності установки. Спад напору при зростанні
продуктивності відбувається синхронно із зміною навантаження на валу двигуна.
Структурна схема електропривода
складається із чотирьох складових: структурних схем задавача моменту
навантаження, задавача траєкторії руху, структурної схеми ПІ-регулятора та
структурної схеми асинхронного електродвигуна.
Структурна схема асинхронного
двигуна побудована відповідно до рівняння жорсткості механічної характеристики
та рівняння рівноваги моментів. Для реалізації основних залежностей використані
аперіодична ланка першого порядку, інтегрувальні та без інерційні ланки.
Рисунок2.1 - Структурна схема
системи автоматичного керування насосним агрегатом
Алгоритм ПІ-регулятора реалізується
при допомозі передаточної функції:
,
де kp- коефіцієнт
передачі регулятора; Тр- стала часу регулятора.
Рисунок 2.2- Структурна схема
ПІ-регулятора
Структурна схема насосного агрегату
побудована на основі виразу:
,
де Но - напір
насоса при нульовій продуктивності;
- номінальна частота обертання
робочого колеса;
- спад
напору в насосі при зміні водоспоживання.
Рисунок2.3- Структурна схема
насосного агрегату
N-коефіцієнт
пропорційності.
N=
,
де
- частота
обертання робочого колеса насоса, яка забезпечує нульову продуктивність при
номінальному напорі НN.
Рисунок2.4- Структурна схема
електродвигуна
Число пар обмотки статора для АИР
112M4: рn = 2.
Частота обертання магнітного поля
статора:
Номінальне ковзання:
.
Номінальна частота обертання
ротора в рад/с:
.
При безпосередньому з’єднанні
вала двигуна і вала насоса:
.
Номінальний момент
асинхронного електродвигуна:
.
Максимальний момент двигуна:
.
Критичне ковзання:
.
Частота обертання магнітного
поля статора в рад/с:
.
Коефіцієнт жорсткості
механічної характеристики на ділянці О - Мmax:
.
Електромагнітна стала часу
електродвигуна:
.
Частота перетворювача, при
якій забезпечується нульова продуктивність та номінальний напір:
.
.
При незмінній жорсткості
механічної характеристики електродвигуна:
.
Коефіцієнт пропорційності:
.
Коефіцієнт зміни напору:
.
Стала часу ПІ-регулятора:
.
Приймемо:
.
Коефіцієнт передачі
ПІ-регулятора:
.
Момент навантаження при t =
3c:
.
Момент навантаження при t =
7c:
.
Різниця моментів при t = 3c
та t = 7c:
.
Сумарний момент інерції
приймемо рівним моменту інерції ротора:
.
Параметри ланки Step:=0;=
=47,66.
Параметри ланки Step1:= 3;=
=18,37.
Параметри ланки Step2:= 7;=
=25,73.
Рисунок2.5 - Графіки перехідних
процесів при стабілізації тиску насосної установки
Підтримання сталого тиску в системі
при зміні водоспоживання відбувається за рахунок регулювання швидкості двигуна.
ПI-регулятор забезпечує необхідний сигнал завдання на вході системи для
компенсації зміни напору в процесі водоспоживання.
На початку роботи здійснюється пуск
двигуна до швидкості 142рад/с. Зростання навантаження відбулося в момент часу
3с до значення 18,37Нм. При досягненні моменту часу 7с навантаження зросло ще
на25,73 Нм внаслідок збільшення водоспоживання. Зменшення водоспоживання
призведе до сповільнення швидкості двигуна.
При відсутності ПІ-регулятора
зростання витрат води буде супроводжуватись зменшення опору та спаданням
швидкості двигуна через нахил механічної характеристики.
Проведемо дослідження математичної
моделі системи автоматичного керування вентиляційною установкою в Simulink.
Дані вентилятора на параболічній
ділянці напірної характеристики:
максимальне значення тиску p0=
1880Па;
розрахункове значення тискурv=
1692Па.
Вентилятор приводиться в дію
асинхронним електродвигуном АИР 112M4 через пасову передачу.
Частота обертання робочого
колеса вентилятора nv=1330об/хв.Втрати тиску на чистому фільтрі
рmin
= 208Па.
Втрати тиску на засміченому
фільтрі
pmax=442Па.
Схема передбачає підтримання
сталого значення тиску на вході вентиляційної системи у разі засмічення фільтра
вентилятора. Зменшення втрат тиску на вентиляторі у разі засмічення фільтра
відбувається синхронно зі зміною навантаження на валу двигуна. Приймемо, що
навантаження електропривода у разі засмічення фільтра зменшиться від
до
на проміжку
часу t1=9c.
Інтенсивність зменшення
навантаження на валу двигуна у разі засмічення фільтра:
.
Інтенсивність зменшення спаду
тиску на вентиляторі:
.
Інтенсивність засмічення
фільтра:
.
Рисунок2.6 - Структурна схема
системи автоматичного керування вентиляційною установкою
Рисунок2.7- Структурна схема
вентиляційної установки
Частота перетворювача, при якій
забезпечується нульова продуктивність та номінальний напір:
.
Коефіцієнт зворотного зв’язку
за тиском:
.
При незмінній жорсткості
механічної характеристики електродвигуна:
.
Передаточне
число пасової передачі:
.
Коефіцієнт пропорційності:
.
Параметри ланки Step:= 0;=
=46,44.
Параметри ланки Step1:= 0;=
0,9Mном =0,9·36,75=33,08.
Параметри ланки Saturation
1:= 0;= -Mном(0,9-0,3) = -36,75·0,6= -22,05.
Параметри ланки Ramp 1:= -tg1=-2,45;=
0.
Параметри ланки Step2:= 0;= p0-pv
=1880-1692=188.
Параметри ланки Saturation
2:= 0;= pv-p0 =1692-1880= -188.
Параметри ланки Ramp2:= -tg2=-20,88=
0.
Параметри ланки Step3:= 0;=
pmin
=208.
Параметри ланки Saturation
3:=
pmax-
pmin=442-208=234;=
0.
Параметри ланки Ramp 3:= tg3=26;=
0.
Рисунок2.8- Графік зміни втрати
тиску на вентиляторі та фільтрі
Рисунок2.9 - Графік перехідних
процесів за стабілізації тиску вентиляційної установки
Пуск установки здійснюється при
опорі мережі 1880Па, втрати тиску на фільтрі становлять 208Па. У процесі роботи
відбувається зростання втрат тиску на фільтрі через його засмічення. При цьому
втрати тиску на вентиляторі будуть спадати, але з меншою інтенсивністю.
Швидкість двигуна буде збільшуватися для компенсації втрат тиску. У схемі без
ПІ-регулятора частота обертання також буде незначно зростати у разі засмічення
фільтра через зменшення навантаження двигуна. Тиск на вході вентиляційної
системи в такому випадку буде тільки зменшуватися.
У частотному асинхронному
електроприводі для управління частотою обертання електродвигуна застосовують
напівпровідникові перетворювачі з регульованою вихідний частотою (ПЧ). Це
дозволяє змінювати частоту обертання ротора (вала) двигуна пропорційно частоті
і амплітуді підведеного до статора напругу. Частотне управління є найбільш
економічним способом регулювання частоти обертання асинхронного двигуна з
короткозамкненим ротором, тому що забезпечує плавний пуск із струмом, близьким
до номінального струму двигуна , і його роботу у всьому діапазоні регулювання
при малій величині ковзання ротора (з малими втратами ковзання) , зберігає його
високий ККД , хорошу жорсткість механічних характеристик і можливість роботи в
руховому і генераторному режимах.
3. Проектування частотного
електропривода
.1 Побудова та дослідження
математичної моделі електропривода з асинхронним електродвигуном
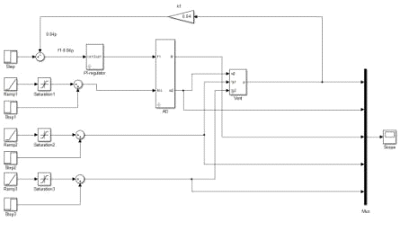
Проведемо дослідження електропривода
з асинхронним електродвигуном АИР 112M4при відпрацюванні заданої траєкторії
руху.
Момент опору відповідатиме
потроєному значенню частоти. Навантаження будемо змінювати в момент завершення
усталеного режиму на ділянках із незмінним знаком швидкості та в момент
проходження швидкістю нульової відмітки при реверсуванні двигуна.
Рисунок3.1-
Завдання траєкторії руху електропривода
-
найменша частота
;
середня менша частота
;
середня більша частота
;
найбільша частота
;
інтенсивність розгону до
:
;
інтенсивність сповільнення
від
:
;
інтенсивність розгону до
,
,
,
:
;
інтенсивність сповільнення
від
,
,
,
:
;
час роботи на ділянках в
усталеному режимі:
;
номінальний момент двигуна
;
характер моменту навантаження
- реактивний.
Розрахунок вихідних даних для
побудови траєкторії руху електропривода
Інтервали часу відповідно до
траєкторії руху:
;
;
;
;
;
;
;
;
;
;
;
;
;
;
;
;
;
;
;
;
;
;
;
;
Розрахунок вихідних даних для
побудови графіка моменту навантаження
;
;
;
.
Рисунок3.2-
Структурна схема електропривода для відпрацювання заданої траєкторії руху
Параметри ланки Ramp:
;
.
Параметри ланки Saturation:
;
.
Параметри ланкиRamp1:
;
.
Параметри ланкиSaturation1:
;
.
Параметри ланкиRamp2:
;
.
Параметри ланкиSaturation2:
;
.
Параметри ланкиRamp3:
;
.
Параметри ланкиSaturation3:
;
.
Параметри ланкиRamp4:
;
.
Параметри ланкиSaturation4:
;
.
Параметри ланкиRamp5:
;
.
Параметри ланкиSaturation5:
;
.
Параметри ланкиRamp6:
;
.
Параметри ланкиSaturation6:
;
.
Параметри ланкиRamp7:
;
Параметри ланкиSaturation7:
;
.
Параметри ланкиRamp8:
;
.
Параметри ланкиSaturation8:
;
.
Параметри ланкиRamp9:
;
.
Параметри ланкиSaturation9:
;
.
Параметри ланкиRamp10:
.
Параметри ланкиSaturation10:
;
.
Параметри ланкиRamp11:
;
.
Параметри ланки Saturation11:
;
.
Параметри ланкиRamp12:
;
.
Параметри ланки Saturation12:
;
.
Параметри ланки Step:
;
.
ПараметриланкиStep1:
;
.
ПараметриланкиStep2:
;
.
ПараметриланкиStep3:
;
.
ПараметриланкиStep4:
;
.
Параметри ланки Step 5:
;
.
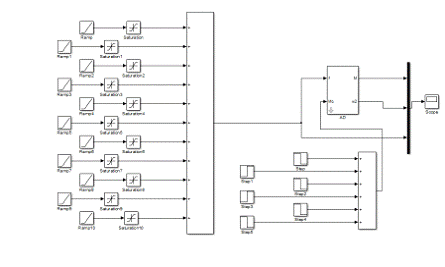
Рисунок3.3 -
Графіки перехідних процесів при відпрацюванні заданої траєкторії руху
електропривода та вихідної частоти перетворювача та моменту навантаження на
валу двигуна
3.2 Перевірка електродвигуна на
нагрів методом еквівалентної потужності
Приймемо, що потужність в
коливальних режимах при зміні навантаження або частоти обертання буде
дорівнювати відповідно максимальному значенню на зростаючих ділянках та
мінімальному значенню на спадаючих ділянках. Тривалість коливальних режимів
складатиме 0,1с. На похилих ділянках потужність дорівнюватиме середньому
значенню. Визначимо за графіком значення потужностей на відповідних інтервалах
часу.
Рисунок3.5-
Структурна схема електропривода для визначення потужностей на відповідних
інтервалах часу
Рисунок3.6-
Графік потужності двигуна під час відпрацювання заданої траєкторії руху електропривода
На інтервалі часу
:
.
На інтервалі часу 
На інтервалі часу
:
.
На інтервалі часу
:
.
На інтервалі часу 
На інтервалі часу
:
.
На інтервалі часу
:
.
На інтервалі часу 
На інтервалі часу 
.
На інтервалі часу 
.
На інтервалі часу 
На інтервалі часу 
На інтервалі часу 
На інтервалі часу 
На інтервалі часу 
На інтервалі часу
:
.
На інтервалі часу
:
.
На інтервалі часу
:
.
На інтервалі часу
:
.
Еквівалентна потужність:
.
Перевіряємо виконання умови
.
Номінальна потужність
електродвигуна
. Умова
виконується.
3.3 Вибір
обладнання силового кола
Виберемо частотний
перетворювач для кола живлення електродвигуна АИР 112M4.Потужність двигуна: Р2ном
= 5,5кВт.
Умова вибору частотного
перетворювача:Рпр.ном³ Р2ном
За каталогом фірми
SchneiderElectricAltivar312 вибираємо частотний перетворювач ATV312HV55N4
потужністю 5,5кВт, напругою живлення 380-500В, номінальним струмом 21,9Аза
напруги 380В, струмом навантаження 15 А .
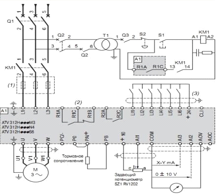
Рисунок 3.7 - Схема електропривода
Altivar
Виберемо автоматичний вимикач для
кола живлення електродвигуна АИР 112M4.
Дані двигуна: U1ном = 380
В; І1ном = 1,4A; кратність пускового струму k1 = 7;
пусковий струм Іn = k1×I1ном=
7 ×11,4 = 79,8А.
Умови вибору:a³U1ном,
де Ua - номінальна
напруга автоматичного вимикача.
Іa³І1ном,
де Іa - номінальний струм
автоматичного вимикача.
Іе³І1ном,
де Іе - номінальний струм
електромагнітного розчіплювача.
Іуе³kзап×kр
×kрп×Іп,
де Іуе- струм спрацювання
електромагнітного розчіплювача; kзап - коефіцієнт, який враховує
коливання напруги мережі (kзап = 1,1); kр - коефіцієнт,
який враховує неточність спрацювання електромагнітного розчіплювача (kр
= 1,25); kрп - коефіцієнт, який враховує можливість відхилення
пускового струму (kрп= 1,2).
Іуе³
1,1 × 1,25 ×
1,2 ×79,8
Іуе³131,67
Іm³І1ном,
де Іm - номінальний струм
теплового розчіплювача.
Іуm=І1ном,
де Іуm - струм
неспрацювання теплового розчіплювача.
При відсутності частотного
перетворювача вибираємо автоматичний вимикач фірми SchneiderElectricGV2P16 з
даними: Ua = 690В; Іа = 14А; Іе = 14А; Іуе
= 170А; Іm = 9…14А. Тип захисної характеристики -D.
У випадку застосування частотного
перетворювача вибираємо автоматичний вимикач без теплового розчіплювачаGV2L16 з
даними: Ua = 690В; Іа = 14А; Іе = 14А; Іуе
= 170А.
Виберемо електромагнітний контактор
для кола живлення електродвигуна АИР 112M4.
Умови вибору:п.ном³U1ном,
де Uп.ном - номінальна
напруга контактора.
Іп.ном³І1ном,
де Іп.ном - номінальний
струм контактора.к..ном = Uкер,
де Uк..ном - номінальна
напруга котушки контактора; Uкер - номінальна напруга кола
керування.
Вибираємо контактор фірми
SchneiderElectricLC1D18B7.
Дані контактора: Uп.ном =
690В; Іп.ном = 18А; Uк..ном = 24В.
Перевіримо контактор на пусковий
струм: 6 ×Іп..ном
= 6 ×18 = 108 А.
Умова: 6 Іп..ном³Іпвиконується.
Виберемо провід для живлення шафи
керування асинхронним електроприводом.
Номінальний струм установки
Умова вибору:
Ітр.доп. ³
,
де Ітр.доп-
тривало допустима сила струму проводу.
За довідником Марченко
вибираємо провід АПВ, прокладений в трубі, площею поперечного перерізу 5 мм2,
струмом Ітр.доп. = 30А.
3.4
Налаштування конфігурації перетворювача частоти
Для доступу до пунктів меню
перетворювача частоти Altivar необхідно натиснути клавішу «Enter» на лицевій
панелі, спостерігаючи за зображенням на дисплеї. Після цього, натискаючи на
клавіші «вперед» або «назад», обираємо один із восьми пунктів. Знову натискаємо
«Enter» і потрапляємо в підменю даного пункту. Коди меню і підменю
відрізняються від кодів параметрів наявністю тире з правого боку. Окремі
параметри доступні в різних пунктах меню. Для виходу із підпункту необхідно
натиснути клавішу «Escape».
Під час роботи перетворювач
частоти Altivar індикатори відображують
Один з параметрів контролю.
Заводське налаштування-вихідна частота перетворювача rFr. Параметр можна
змінити в меню SUP-.
При підготовці перетворювача
до роботи на дисплеї може з’явитися інформація:: перетворювач готовий до
роботи;: ініціалізація перетворювача.
У процесі зупинки можливі
сигнали на дисплеї:: режим динамічного гальмування;: зупинка вільним вибігом;:
швидка зупинка;: режим автопідстроювання.
Проведемо налаштування
перетворювача частоти Altivar.
Вихідні дані:
;
;
;
.
Підпункт StC-
Час розгону:
= rMp, AdC = YES
Підпункт AdC-= 21,9·0,7=15,33
Підпункт PSS-= 17, SP3 =
23, SP4 = 32, SP5 = 44.
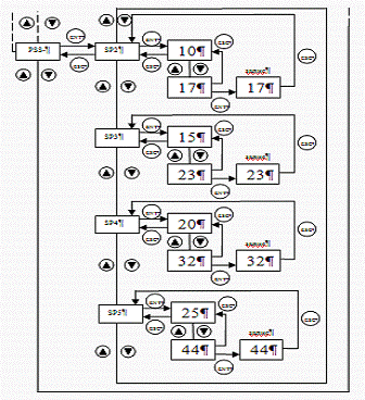
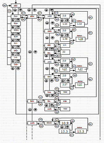
Рисунок 3.8- Фрагмент структурної
схеми алгоритму перетворювача частоти
3.5 Розроблення схеми керування
електроприводом
Розробимо схему керування
електроприводом, який працює в режимі повторюваних циклів відповідно до заданої
траєкторії руху.
Таблиця 1. Комбінації сигналів на
входах LІ частотного перетворювача
|
Інтервал часу
|
Вихідна частота
|
L11
|
L12
|
L13
|
L14
|
L15
|
|
0-t2
|
-f13
|
0
|
1
|
1
|
1
|
0
|
|
t3- t5
|
f12
|
1
|
0
|
0
|
1
|
0
|
|
t6- t8
|
-f11
|
0
|
1
|
1
|
0
|
0
|
|
t9- t11
|
-f14
|
0
|
1
|
0
|
0
|
1
|
|
t13- t15
|
f12
|
1
|
0
|
1
|
0
|
|
t16- t18
|
-f13
|
0
|
1
|
1
|
1
|
0
|
|
t19
|
0
|
0
|
0
|
0
|
0
|
0
|
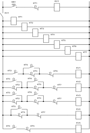
Рисунок 3.9 - Релейно-контактна
схема керування електроприводом
Вмикання котушок КМ1, КМ2, КМ3, КМ4,
КМ5 відповідає подачі сигналів на входи частотного перетворювача LI1, LI 2, LI
3, LI 4, LI 5. В схемі застосована кнопка SB1 без самоповернення.
Реле часу КТ 1задає проміжок часу,
який відповідає тривалості одного циклу t19S
= 29,02с.
Таблиця 2. Налаштування реле часу
|
Позначення на схемі
|
Витримка часу
|
|
КТ1
|
t19S
= 29,02c
|
|
КТ2
|
t2S
= 3,86с
|
|
КТ3
|
t5S
= 8,48с
|
|
КТ4
|
t8S
= 12,64с
|
|
КТ5
|
t11S
= 17,33с
|
|
KT6
|
t15S
= 23,45с
|
|
КТ7
|
t18S
= 28,02с
|
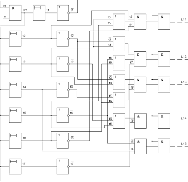
Рисунок 3.10 - Фрагмент
безконтактної схеми керування електроприводом
Таблиця 3. Взаємозв’язок елементів
та сигналів на схемах
|
Позначення елементів на релейно-контактній
схемі
|
Позначення сигналів на безконтактній схемі
|
|
SB1
|
a
|
|
KV1
|
Р1
|
|
КТ1
|
t1
|
|
КТ2
|
t2
|
|
КТ3
|
t3
|
|
КТ4
|
t4
|
|
КТ5
|
t5
|
|
КМ1
|
LI1
|
|
КМ2
|
LI2
|
|
КМ3
|
LI3
|
|
КМ4
|
LI4
|
|
КМ5
|
LI5
|
3.6 Програмування технологічного
контролера
Контролер MaxyConFlexy є
універсальним вільно програмованим контролером для керування різними
виробничими процесами. Призначений для побудови багатофункціональних систем
автоматизації.
Контролер здійснює керування
будь-якими технологічними процесами за програмою користувача. Програма
створюється користувачем в спеціальному прикладному середовищі «КонфігураторFBD»
за допомогою бібліотеки FBD блоків, а також набору спеціальних користувацьких
блоків і функцій. Програма записується в контролер за допомогою flash-карти
формату SD (SecureDigital). Функціональні особливості контролера при цьому
будуть визначатися записаною програмою і її режимом роботи.
Контролер має можливість створення
архіву роботи алгоритму, а також збереження його на SD-карту. До контролера
може бути підключено до 8 модулів розширення (МС ADAD, МС ADxD або МCADxx).
Вбудований мережевий інтерфейс Ethernet (MODBUS-TCP) при допомозі модуля
МІ-RS-485 зовнішнього мережевого інтерфейсу RS-485 дозволяє об’єднати
контролери в мережу або підключити їх до систем диспетчеризації. Модуль
встановлюється з лівого боку приладу. Зв’язок модуля з приладом забезпечується
за допомогою ІЧ-порту. На одну лінію інтерфейсу RS-485 можна підключити до 32-х
пристроїв.
Всі входи контролера -
конфігуровані. Тип входу (дискретний або аналоговий) можна налаштувати на етапі
написання алгоритму роботи контролера в редакторі програм.
Для запису програми в контролер в
редакторі програм «Конфигуратор FBD» необхідно відкрити відповідну програму та
вибрати пункт меню Програма «Подготовить к записи». Далі зберегти отриманий
файл на flash-карту та вставити її в спеціальне розняття контролера. Запис
програми в контролер здійснюється в наступній послідовності:
натиснути клавішу «F2» на лицевій
панелі контролера для переходу в інженерне меню;
клавішею «F1» включити фокус;
встановити фокус на елемент запису
програм і натиснути «Enter»;
обрати записану на flash-карту
програму і натиснути «Enter».
Виконаємо програмування
технологічного контролера відповідно до розробленої безконтактної схеми
керування електроприводом.
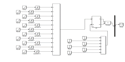
Рисунок3.11 - Фрагмент FBD-діаграми
контролера Maxy Con Flexy
Рисунок3.12 - Схема підключення
контролера до частотного перетворювача
Треба враховувати той фактор, що при
включені частотний перетворювач споживає великий струм і тому при виборі
автоматичного вимикача потрібно обирати з більшим струмом.
Схеми запускається натисканням
кнопки SB1. Сигнали на виходи LI1..LI5 частотного перетворювача подаються через
внутрішні без потенціальні контактори контролера .
Налаштування частотного
перетворювача не відповідають реальному часу розгону та сповільнення, тому що
частотний перетворювач працює зі значеннями проекції часу розгону до
номінальної частоти на вісь часу .
Зміна номеру заданої швидкості на
виході перетворювача пояснюється появою на його виходах певного значення - «0»
або «1», які дають команду контролеру на замикання або розмикання «ключів», які
відповідають тому чи іншому значенню частоти.
Формування заданої траєкторії руху в
програмі Math Lab (додатку Simulink) відбувається шляхом збирання моделі , яка
дає змогу при введенні даних отримувати потрібну тратторію руху. А налаштування
частотного перетворювача ми виконуємо в самому перетворювачі шляхом введення в
його пам'ять даних, які потрібні нам для створення даної траєкторії. Також
відбувається програмування технологічного контролера, тобто створення у
спеціальному програмному середовищі програми , відповідно до якої буде
відбуватися керування електроприводом.
Висновок
Курсова робота по дослідженню
електроприводу технологічного обладнання з теоретичними питаннями та
практичними розрахунками має на меті навчити студента за наданими методичними
рекомендаціями по вибору потужності електродвигуна привода мостового крана та
ліфта. Побудувати механічну характеристику і навантажувальну діаграми вибраного
двигуна. Також завдання ставилося таким чином, щоб розглянути перехідні процеси
електропривода при відпрацюванні ним заданої траєкторії руху з допомогою
програми MATLAB>Simulink. Відпрацьовано методику програмування перетворювача
частоти та технологічного контролера.
Вибрано двигун ліфта з потужністю
Р=28 кВт, та двигун мостового крана з потужністю Р=37 кВт, що забезпечує
підйомні характеристики та задовольняє умові (Mmax>Мном). У математичній
моделі системи керування насосною установкою побудовані графіки перехідних
процесів при зміні напору, частоти обертання, електромагнітного моменту при
стабілізації тиску, відповідно за якими прослідковуємо правильність розрахунків
(підбору) всіх необхідних параметрів, характер зміни перехідних процесів. Це
дає змогу нам бачити можливі помилки при обрахунках (роботи установки) і
подальше виправлення недоліків. Був проведений вибір обладнання силового кола
зокрема, частотний перетворювач маркиATV312HU55N4,
автоматичний вимикач маркиGV2L16, електромагнітний контактор
LC1D18B7 та провід для живлення шафи керування асинхронним електроприводом
марки АПВ площею поперечного перерізу 5 мм2.Після чого було
здійснено програмування перетворювача частоти та технологічного контролера.
Загалом мета курсової роботи досягнута.
Перелік
рекомендованої літератури
1.Справочник
по электрическим машинам. Кн. 2. / под общ.ред. И.П. Копылова, Б.К. Клокова -
М.: Энергоатомиздат, 1989. - 688 с.
.Островерхов
М.Я. Моделювання електромеханічних систем в Simulink: [навч. посібник для
студентів вищих навчальних закладів] / М.Я.Островерхов, В.М. Пижов - К. ВД
«Стилос», 2008. - 528 с.
.Преобразователи
частоты для асинхронных двигателей Altivar312 / Каталог фирмы» Schneider
Electric». - 2009.
.Електропривод:
[підручник] / [Ю.М. Лавріненко, О.С. Марченко, П.І. Савченко та ін.]; під ред.
Ю.М. Лавріненка. - К.: Ліра-К, 2009, - 504 с.
.АвтоматическиевыключателиTeSys
/ Каталог фирмы «Schneider Electric». - 2007.
.КонтакторыTeSys
/ Каталог фирмы «Schneider Electric». - 2006.
.Марченко
О.С. Довідник по монтажу і налагодженню електрообладнання / О.С. Марченко. -
К.: Урожай, 1994.- 240 с.
.Електромеханічні
системи автоматичного керування та електроприводи: [навч. посібник] /
[М.Г.Попопвич, О.Ю.Лозинський, В.Б.Клепіков та ін.]; під ред. М.Г. Поповича та
О.Ю.Клепікова. - К.: Либідь, 2005. - 680 с.
.Свободнопрограммируемый
контроллер MaxyConFlexy / Каталог фирмы «Rautautomatic». - 2010.
1. ено н