Автоматизация технологического процесса фильтрования

  • Вид работы:
    Курсовая работа (т)
  • Предмет:
    Другое
  • Язык:
    Русский
    ,
    Формат файла:
    MS Word
    952,69 Кб
  • Опубликовано:
    2013-12-19
Вы можете узнать стоимость помощи в написании студенческой работы.
Помощь в написании работы, которую точно примут!

Автоматизация технологического процесса фильтрования

Федеральное агентство по образованию РФ

Уральский государственный лесотехнический университет

Кафедра автоматизации промышленных процессов









КУРСОВОЙ ПРОЕКТ

по автоматизации производственных процессов

на тему: «Автоматизация технологического процесса фильтрования»

Выполнил: Клещёв Д.М

Проверил: Машков В.М







Екатеринбург 2013г.

Содержание

Аннотация

Введение

Автоматизация технологического процесса

.1 Описание функциональной схемы автоматизации технологического процесса фильтрования

1.2 Описание структурной схемы автоматизации технологического процесса

.3 Описание принципиальной схемы автоматизации технологического процесса и ее регулирование

Описание принципа действия приборов системы регулирования параметра

2.1 Манометр показывающий типа МП4-У

.2 Показывающий и самопишущий прибор РПВ4.1

.3 Позиционный регулятор ПР1.3

.5 Исполнительный механизм КРШ

Спецификация приборов систем автоматизации

Список используемой литературы

Анотация

Тема курсовой работы: «Проект автоматизации процесса фильтрования».

Исходные данные проектирования:

Манометр показывающий типа МП4-У;

вторичный прибор: показывающий и самопишущий РПВ4.1;

регулятор: позиционный ПР1.3;

исполнительный механизм: КРШ.

В результате внедрения системы регулирования давления при фильтровании возможно улучшение условий труда и повышения качества выпускаемых изделий.

Введение

Процесс фильтрования - это сложный технологический процесс, отличающийся высокой чувствительностью к нарушению технологического режима, поэтому целесообразна его автоматизация.

Современная измерительная техника на основе использования достижений вычислительной техники и радиоэлектроники позволяет получить сведения о большом числе величин, часто и быстро меняющихся, различных по своей природе и диапазонах значений. При этом результаты измерений, как правило, должны быть сосредоточены в одном или нескольких центрах и представлены в формах, удобных для использования операторами машин, а датчики, установленные на объектах измерения, рассредоточены в пространстве и удалены на незначительное расстояние.

Для получения большого объема информации, ее обработки и представления необходимы сложные устройства, которые получают информацию непосредственно от измеряемых датчиков, расположенных на объектах исследований, выполняют измерительные операции, то есть сравнивают измеряемые величины со шкалами, хранят полученную информацию и выдают ее потребителю в требуемой форме.

Такими устройствами являются информационные измерительные системы, представляющие собой совокупность средств измерений и вспомогательных устройств, соединенных между собой каналами связи, предназначенными для выработки сигналов в форме, удобной для автоматической обработки, передачи и использования.

Прогрессивные технологии на современной базе автоматизации обеспечивают повышение производительности труда, увеличение выпуска продукции, улучшение качества, сопровождающееся ощутимым технико - экономическим эффектом.

.        Автоматизация технологического процесса

.1 Описание функциональной схемы автоматизации технологического процесса фильтрования

Процесс фильтрования в промышленных условиях проводится на фильтрах периодического и непрерывного действия. Фильтры периодического действия позволяют проводить фильтрование в любом режиме. Непрерывно действующие фильтры работают только при постоянной разности давлений, обеспечивая непрерывное удаление осадка, что является их существенным преимуществом.

Процесс фильтрования заключается в пропускании фильтруемой суспензии через фильтрующий материал, на поверхности которого оседает осадок. С увеличением толщины слоя осадка качество фильтрата улучшается, но одновременно и возрастает сопротивление процессу. Пропускная способность или производительность любой фильтрующей перегородки при установленной разности давлений до и после нее зависит от свойств фильтрующего материала, пористости и толщины слоя осадка на нем.

Процесс фильтрования в большой степени зависит от соблюдения оптимальных условий кристаллизации дикальцийфосфа-та: чем больше образуется дикальцийфосфата в виде крупных кристаллов, тем легче протекает фильтрование. Обычно не заканчивается разделением суспензии на осадок и фильтрат. Осадок часто ( до удаления с фильтрующей перегородки) подвергается промывке другими жидкостями ( для извлечения остатков фильтрата), продувке или подсушке.

Процессы фильтрования, кристаллизации, сушки, перегонки и ректификации не являются специфичными для производства нитро-продуктов, кроме того, они рассматриваются в курсе Основные процессы и аппараты химической технологии..

Процесс фильтрования с образованием осадка на практике встречается чаще, чем фильтрование с закупориванием пор. По достижении установленной толщины слоя осадка его снимают с фильтровальной перегородки различными механическими устройствами или отделяют от нее обратным потоком фильтрата. Чтобы предотвратить появление мутного фильтрата в первый момент последующего цикла фильтрования, при снятии осадка механическими устройствами на фильтровальной перегородке иногда оставляют тонкий слой твердых частиц. С той же целью фильтрование в некоторых случаях начинают при небольшой, постепенно возрастающей разности давлений и приблизительно постоянной скорости процесса, а затем переходят к фильтрованию при постоянной разности давлений и постепенно уменьшающейся скорости процесса.

Процесс фильтрования, протекающий при непрерывно уменьшающейся скорости и возрастающей разности давлений. Как уже сказано, этот процесс осуществляется, когда суспензия транспортируется на фильтр центробежным насосом. Учитывая возможность регулирования расхода и давления вентилями на трубопроводах, по которым транспортируется разделяемая суспензия, можно принять с некоторым приближением, что рассматриваемый процесс состоит из двух последовательных стадий, протекающих при постоянной скорости фильтрования и постоянной разности давлений. При таком условии определение наибольшей производительности фильтра может выполняться так же, как описано выше.

Процесс фильтрования, протекающий при непрерывно уменьшающихся скорости и разности давлений. Такой процесс наблюдается в фильтрах-отстойниках, применяемых при очистке промышленных сточных вод. В этих аппаратах происходит совместное оседание твердых частиц суспензии и фильтрование ее жидкой фазы. С применением вспомогательных веществ, несмотря на его распространенность, до настоящего времени далеко не полностью исследован и освещен в литературе. Работы, посвященные данной теме ( в основном статьи технических журналов), часто носят лишь описательный характер, при их изучении трудно получить цельное представление о процессе и сделать выводы о целесообразности и методах его использования в-конкретных случаях. Кроме того, многие сведения, приведенные в литературе, являются противоречивыми и требуют критического рассмотрения и обобщения.

Процесс фильтрования можно осуществлять при постоянном и переменном перепаде давления, что в основном зависит от насоса, выбранного для транспортировки суспензии на фильтр.

При переменном давлении имеет существенные особенности. Рассмотрим такой режим шламового фильтрования, при котором перепад давления в процессе увеличивается таким образом, что компенсируется возрастание сопротивления и поддерживается неизменной скорость на протяжении всего цикла фильтрования. Такой вид процесса называется фильтрованием при постоянной скорости.

Процесс фильтрования, протекающий при непрерывно уменьшающейся скорости и возрастающей разности давлений. Как уже сказано, этот процесс осуществляется, когда суспензия транспортируется на фильтр центробежным насосом. Учитывая возможность регулирования расхода и давления вентилями на трубопроводах, по которым транспортируется разделяемая суспензия, можно принять с некоторым приближением, что рассматриваемый процесс состоит из двух последовательных стадий, протекающих при постоянной скорости фильтрования и постоянной разности давлений. При таком условии определение наибольшей производительности фильтра может выполняться так же, как описано выше.

шланговый фильтрование клапан автоклав

Схема 1.1 Технологическая схема фильтрования

.2 Описание структурной схемы автоматизации технологического процесса

На схеме 1.2 представлена структурная схема автоматизации технологического процесса.

Схема 1.2 Структурная схема технологического процесса

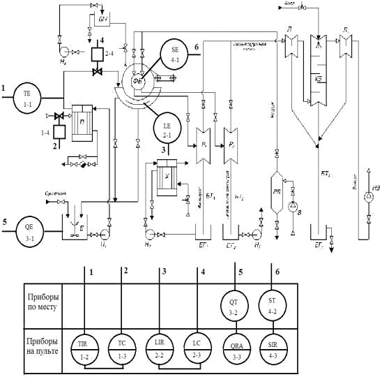
1.3 Описание принципиальной схемы автоматизации технологического процесса и ее регулирование

Система регулирования и контроля температуры в реакторе-автоклаве при производстве поливинилхлорида включает в себя следующие приборы и аппаратуру:

Манометр показывающий типа МП4-У;

вторичный прибор: показывающий и самопишущий РПВ4.1;

регулятор: позиционный ПР1.3;

исполнительный механизм: КРШ.

При изменении давления ΔР в фильтрев манометре появляется сигнал и преобразуется в электрический сигнал стандартного значения электронным устройством. Данное обстоятельство приводит к движению рычага и появляется сигнал, пропорциональный давлению в реакторе. Значение данного давления регистрируется на указателе.

При отклонении давления от номинального значения изменяется значение тока, на входе регулятора появляется сигнал ΔR.. На третий вход регулятора поступает сигнал обратной связи от исполнительного механизма в виде изменения сигнала сопротивленияΔR, для обеспечения заданного закона регулирования. При отклонении давления от заданного значения в схеме регулятора появляется разбаланс, и на его выходе появляется изменение сопротивления. Данное сопротивление подается на исполнительный механизм. Работа двигателя исполнительного механизма приводит во вращение привод клапана. Клапан в зависимости от команды, поданной с регулятора, открывается или закрывается. Изменение положения клапана позволяет увеличить или уменьшить подачу суспензии в фильтр и, как следствие, изменять давление в фильтре. Система регулирования поддерживает температуру в реакторе 110 кПа (1,1 кгс/см2). При соответствии давлении в фильтре номинальному значению сигнал на выходе регулятора отсутствует. Система находится в равновесии. Клапан находится в положении, обеспечивающем определенное значение давления в фильтре. При отклонении давления от заданного значения цикл системы регулирования повторяется.

Схема 1.3 Принципиальная схема автоматизации технологического процесса.

2. Описание принципа действия приборов системы регулирования параметра

.1 Манометр показывающий типа МП4-У

Манометры предназначены для измерения и записи избыточного и вакуумметрического давления неагрессивных жидкостей, парови газов в стационарных установках. В зависимости от модификации показывающие приборы имеют дополнительное устройство, обеспечивающее сигнализацию о состоянии измеряемого давления или выдачу сигналов (электрических или пневматических), пропорциональных измеряемому давлению.

Принцип работы приборов основан на уравновешивании измеряемого давления силами упругой деформации одновитковой трубчатой пружины. Приборы имеют круглый корпус диаметром 160мм; они приспособлены для установки на стене или на щите в вертикальном положении и крепятся за фланцы корпуса.

Предназначен для установки в системы автоматического регулирования. Выходной сигнал прибора изменяется в пределах 0,2 - 1 кгс/см2 при измерении изменяемого давления среды от нижнего до верхнего предела шкалы прибора. Питание приборов осуществляется воздухом давлением 1,4 кгс/см2. Расстояние передачи пневматического сигнала по трубопроводу диаметром 6 мм - до 300 мм.

Рисунок 2.1 Манометр МП4-У

.2 Показывающий и самопишущий прибор РПВ4.1

Шкалы приборов могут быть 100% или иметь размерность в соответствии с родом измеряемой величины и стандартным рядом пределов изменений для манометров. Показывающие приборы, не имеющие устройства сигнализации, и самопишущие с пневматическим приводом лентопротяжного механизма могут использоваться в пожаро- и взрывоопасных помещениях.

Длина шкалы приборов и ширина поля записи показаний диаграммы 160 мм, у остальных 100 мм. Имеют пневматический привод диаграммы: приборы с индексом «Э» имеют синхронный двигатель привода диаграммы, которые питается от сети напряжением 127 или 220 В, 50 Гц у приборов завода «Тизприбор» и от сети напряжением 220 В, 50 Гц у приборов Саранского приборостроительного завода. Скорость движения диаграммы у приборов с непрерывной записью 20, 40 или 60 мм/ч (по условиям заказа). Класс точности остальных приборов 1. У приборов с индексом «К» предусмотрено извлечение корня квадратного из величины изменяемого входного сигнала.

Рисунок 2.2 Показывающий и самопишущий прибор РПВ4.1

.3 Регулятор ПР1.3

Предназначен для двухпозиционного регулирования и обеспечивает получение дискретных пневматических сигналов 0 и 1 при повышении или понижении поступающего на вход регулятора давления сжатого воздуха, пропорционольного величине регулируемого или измеряемого параметра, когда последний отклоняется от заданного значения. Прибор может быть настроен на получение пневматического сигнала при превышении измеряемым параметром заданного значения (сигнал «на максимум») или при уменьшении величины параметра ниже заданного значения (сигнал «на минимум»).

Регулятор с настраиваемой зоной возврата получает дискретные пневматические сигналы 0 и 1 при входе параметра за пределы установленной зоны возврата. Зона возврата может быть настроена на любое значение в пределах от 0,1 до 0,8 кгс/см2, при этом нижняя граница зоны должна быть не менее 0,2 кгс/см2, а верхняя не более 1 кгс/см2.

Рисунок 2.3 Принципиальная электрическая схема реостатного регулятора ПР1.3

.4 Исполнительный механизм КРШ

Клапаны шланговые специальные КШС предназначены для автоматического регулирования расхода вязких жидкостей, суспензий, пульп, в том числе состоящих из агрессивных веществ, сыпучих сред, запыленных газов, в том числе доменного, и т.п. Используются для загрязненных сред (пульп, стоков и т.п.) при значительных расходах. Принцип действия шлангового клапана основан на изменении гидравлического сопротивления регулирующего органа за счет пережатия патрубка в зависимости от хода штока клапана. Управление перемещением штока осуществляется приводом (ручной, мембранного типа, электропривод).

Клапаны изготавливаются c условным проходом DN от 6 до 80 мм, и условной пропускной способностью Kvy от 1,2 до 320 на условное давление PN 1,0 и 2,5 МПа, применяются на трубопроводах до DN 200 мм.

В зависимости от среды рабочие органы клапана выполнены из различных материалов, гарантирующих их высокую износостойкость, длительную работу, а также упругие свойства.

Клапан характеризуется высокой стойкостью к агрессивным и эррозионным средам, компактностью узлов фиксации и пережатия, и комплектуется мембранным исполнительным механизмом.

Клапан имеет герметичный корпус, что исключает попадание рабочей среды наружу при выходе из строя рабочего органа, т.е. при разрыве и/или повреждении патрубка. При необходимости, на клапане может быть установлена сигнализация герметичности патрубка.

Корпус клапана изготавливается из стали 20, по специальному заказу, материал корпуса может быть из стали 12Х18Н10Т или других специальных материалов.

Конструкция шлангового клапана КШС позволяет производить замену патрубка без разборки корпуса.

Клапаны КШС с функцией отсечки (запорно-регулирующие) могут не только регулировать, но и аварийно перекрывать или открывать поток регулируемой среды. Запорные (отсечные) клапаны КШС предназначены для автоматического открытия или перекрытия потоков жидкостей, паров и газов.

Клапаны КШС в стандартном исполнении комплектуются мембранным исполнительным механизмом (МИМ).

Клапаны комплектуются электропневматическими клапанами; пневматическими или электропневматическими позиционерами; сигнализаторами конечных положений (концевыми выключателями);фильтром-редуктором, обеспечивающим дополнительную очистку воздуха; ответными фланцами с крепежом и прокладками.

Управление запорным (отсечным) клапаном осуществляется электромагнитным клапаном с питанием 24, 48, 110, 220В постоянного тока или 110, 220В переменного тока.

Управление регулирующим клапаном осуществляется с помощью электропневматического позиционера или электропневматического клапана с входным сигналом 4-20 мА (0-5мА), пневматического позиционера с пневмосигналом 0,2-1,0 кПа.

Управление запорно-регулирующим клапаном осуществляется с помощью позиционера и электромагнитного клапана.

Все комплектующие поставляются установленными на клапан и регулируются совместно с клапаном.

Возможно исполнение клапанов КШС с электроприводом и ручным приводом. Конструкция клапанов типа КШС позволяет устанавливать их в любом положении относительно трубопровода, предпочтительное - МИМ вверх.

Рисунок 2.4. Схема принципиальная исполнительного механизма КРШ

Спецификация приборов систем автоматизации

п/п

Поз.

Наименование параметра измеряемой или контролируемой среды

Предельное значение параметра

Место отбора импульса

Наименование и характеристика средств автоматизации

Тип прибора

Литература

1


Регулирование давления

1 кгс/см2

Фильтр

Манометр

МП4-У

1






Вторичный прибор - показывающий и самопишущий

РПВ4.1







Регулятор позиционный

ПР1.3







Электрический исполнительный

КРШ




Список используемой литературы

1 Автоматические приборы, регуляторы и вычислительные системы. Справочное пособие./Под ред. Б.Д. Кошарского. - Л.: Машиностроение, 1976.

А.И. Бабин, С.П.Санников. Методические указания к курсовому и дипломному проектированию по автоматизации производственных процессов. Екатеринбург, УГЛТА, 1999.

Похожие работы на - Автоматизация технологического процесса фильтрования

 

Не нашли материал для своей работы?
Поможем написать уникальную работу
Без плагиата!
Без нейросетей!