Совершенствование технологических процессов на предприятиях отрасли ликероводочного производства

  • Вид работы:
    Реферат
  • Предмет:
    Другое
  • Язык:
    Русский
    ,
    Формат файла:
    MS Word
    136,32 Кб
  • Опубликовано:
    2013-06-05
Вы можете узнать стоимость помощи в написании студенческой работы.
Помощь в написании работы, которую точно примут!

Совершенствование технологических процессов на предприятиях отрасли ликероводочного производства

Министерство образования и науки Российской Федерации

ФГБОУ ВПО Кемеровский Технологический Институт Пищевой Промышленности

Кафедра: «Организация и экономика предприятий пищевой промышленности»





Реферат по организации производства на тему: Совершенствование технологических процессов на предприятиях отрасли ликероводочного производства

Выполнила: студентка гр. БП-91 Рысина В.Ю.

Проверила: Румянцева Е.Е,








Кемерово 2013 г

Содержание

Введение

1.   Современные системы комплексной водоподготовки

2.   Оборудование для приготовления сортировок

3.      Новые адсорбционные материалы при производстве водок

.        Укладка бутылок

Заключение

Список используемой литературы

ликероводочный водоподготовка адсорбционный

Введение

Ликероводочная промышленность - один из важнейших секторов пищевой промышленности. Выработка этилового спирта в России началась в 15 веке. До революции это были мелкие, в основном помещичьи заводы. В 60-х и 70-х годах прошлого столетия сырьем служило главным образом зерно.

В период становления большая часть спирта выпускалась в виде вина (водки), почему и производство называлось винокуренным. Позже произошло обособление, причем спиртовые заводы остались в зоне сельскохозяйственного сырья, а водочные обосновались в городах-местах наибольшего сбыта алкогольных напитков.

Водки приготавливали кустарным способом, разбавляя спирт-сырец речной водой до требуемой крепости и фильтруя полученную смесь.

Начиная с 18 века для очистки водно-спиртовой смеси стали применять древесный уголь, что улучшило качество водок. Способы очистки были различными, расход угля не регламентировался. С развитием техники спиртового производства и получения ректификованного спирта устойчивого качества повысилось также и качество водки.

В 19 и начале 20 в.в. изучением физико-химических свойств водно-спиртовых растворов, качества воды для приготовления водок, разработкой методов химического контроля спиртового и водочного производства занимались известные русские ученые Д.И.Менделеев, Д.П.Коновалов, М.Г.Кучеров и др.

Водкой называют спиртной напиток, полученный путем обработки водно-спиртовой смеси активным углем с последующем фильтрованием.

В 1985г. была введена государственная монополия на производство водки. В период с 1985 по 1903г.г. построено большое количество водочных заводов. Заводы оборудовали специальной аппаратурой, была разработана и внедрена единая технологическая схема производства водки. В то же время тяжелые, трудоемкие операции по приемке и складированию тары, мойки бутылок, оформлению готовых изделий, их складированию и отпуску выполнялись вручную.

Водочные заводы выпускали в то время 40%-ную водку «хлебное вино», вырабатываемую из спирта одинарной ректификации, водку повышенного качества «вино столовое», для приготовления которой использовали спирт двойной ректификации «прима-прима», а также питьевой спирт крепостью 57% и 90%.

Ликеры, наливки и настойки в небольших количествах выпускали частные предприятия. Спрос населения на ликеры удовлетворялся главным образом в результате ввоза этих изделий из зарубежных стран.

В период Первой мировой войны производство водки и торговля ею были прекращены. После Октябрьской революции производственная база водочной промышленности была перестроена. В 1923 г. было возобновлено производство водок, а с 1925 г. водочные заводы стали вырабатывать также ликероводочные изделия. Водочная промышленность была преобразована в ликероводочную.

В период с 1936 по 1940 г.г. на многих заводах были оборудованы ликерные цеха, проведена малая механизация трудоемких работ в цехах розлива с внедрением поточных линий для розлива водок и ликероводочных изделий.

После восстановления разрушенных во время ВОВ предприятий и в последующие годы в ликероводочной промышленности был выполнен большой объем работ по внедрению передовой технологии, механизации и автоматизации трудоемких работ. Это обеспечило повышение производительности труда и качества продукции. На предприятиях были внедрены динамический метод приготовления водок, научно обоснованные рецептуры ликероводочных изделий, организован четкий химический контроль производства.

Монопольная государственная водка была в Советской России продуктом такого же высокого качества, как и лучшие образцы водки, полученной на казенных предприятиях дореволюционной России.

Решением международного арбитража 1982г. за СССР было бесспорно закреплен приоритет создания водки как русского оригинального алкогольного напитка и исключительное право на ее рекламу под этим наименованием на мировом рынке, а также признан основной советский экспортно - рекламный лозунг-«Only vodka from Russia is genuine Russian vodka»(«Только водка из России - настоящая русская водка»).

В настоящее время углубление экономической реформы в России привело к развитию предпринимательства, которое наиболее эффективно на малых предприятиях.

В последнее время повысилась заинтересованность предприятий в применении новых и усовершенствованных способов производства ликероводочной продукции. Наибольшее распространение получают ускоренные процессы, методы экономного использования сырьевых ресурсов, малоотходные и безотходные технологии.

Особое внимание уделяется выпуску доброкачественной и безопасной продукции. С этой целью на предприятиях должны строго соблюдаться нормативно-технические документы, в первую очередь - ГОСТы.

В России в 1993 г. введена обязательная сертификация продукции как отечественного, так и импортного производства, на которую в стандартах или законодательных актах установлены требования по безопасности для жизни, здоровья граждан и охраны окружающей среды.

Разработана российская национальная система сертификации ГОСТ Р. Занимаясь сегодня сертификацией ликероводочной продукции, нельзя забывать, что этому должна предшествовать каждодневная напряженная работа по совершенствованию оборудования, технологии, повышению квалификации кадров. [4]

1. Современные системы комплексной водоподготовки

ОАО «Московский завод «Кристалл»». Система водоподготовки состоит из следующих блоков: многослойный фильтр, блок умягчения, барьерный фильтр и установка обратного осмоса.

Многослойный фильтр удаляет взвешенные частицы коллоидного железа, взвешенные частицы кремния и других механических примесей, крупные колонии микрофлоры. Принцип работы фильтра основан на задержании вышеуказанных загрязнителей на поверхности зернистых фильтрматериалов различной структуры, размеров и механизмов взаимодействия. Засыпка фильтра состоит из четырех фильтрующих слоев: «Birm», фильтроантрацит, кварцевый песок, рубиновый гаркнет. Обслуживание фильтра сводится к установке автоматического режима промывки обратным током.

Фильтры для умягчения воды удаляют соли жесткости (в основном кальция и магния), снижают содержание солей жесткости до уровня 0,05 мг-экв/дм3. Состоит из двух фильтров-умягчителей, работающих в «дежурном» режиме, емкости для сухого хранения соли, двух блоков управления и блока-сумматора, координирующего работу фильтров-умягчителей и многослойного фильтра. Регенерация фильтров проводится один раз в 12 дней. Фильтрационные колонны выполнены из стеклопластика повышенной прочности.

Барьерный фильтр предназначен для контрольного фильтрования умягченной воды перед подачей на установку обратного осмоса. Фильтрэлементы из мелкодисперсного полипропиленового волокна с рейтингом задержания частиц 5-10 мкм. Ресурс наработки одной зарядки фильтрэлементов при двухсменном графике работы -4-5 месяцев.

Мембранная установка очистки воды предназначена для очистки воды методом обратного осмоса на TFS (The Film Composition)- композитных мембранах. В установке применены современные мембранные фильтрэлементы типа «Magnum», которые удаляют до 99% растворенных неорганических солей, до 99,8% растворенных органических соединений и 100% микрофлоры. Управление осуществляется системой аналогового контроля. Блок регенерационной промывки мембран также интегрирован в общую сеть аналогового контроля установки. Все материалы, из которых выполнены узлы и трубопроводы, находятся в прямом контакте с водой. На стороне высокого давления - из коррозионностойкой стали, на стороне низкого давления - из высококачественного поливинилхлорида.

Конструкция установки допускает регулировку микороэлементного состава очищенной воды в широком диапазоне - например, по щелочности - от 0,1 до 3,5 мг-экв/дм3., что позволяет оптимизировать состав технологической воды.

Регенерационные промывки мембранного контура осуществляются адаптированными моющими ингредиентами через 500-700часов эксплуатации в автоматическом режиме.

ООО «ЧЗАП Ост-Алко»(г. Черноголовка). В г. Черноголовке водопроводная вода удовлетворяет всем требованиям к технологической, кроме жесткости (преимущественно гидрокарбонатной). Это позволило значительно упростить схему водоподготовки. Отсутствие в воде активного хлора не требует дехлорирования.

Умягчение воды производится на сильнокатионитовом фильтре типа Purolite С-100Е (аналог Na-катионита КУ-2-8чс), который обеспечивает умягчение до 0,05-0,1 мг-экв/дм3. Регенерация катионита производится раствором NaCl в деминерализованной воде.

Установка состоит из двух одинаковых цепочек аппаратов. Каждая из них включает: грязевой сетчатый фильтр, установку умягченной воды, микрофильтр, контрольный манометр, электромагнитный клапан, пробоотборник. Для удаления растворенного в воде воздуха предусмотрен воздухоотделитель.

В грязевом фильтре извлекаются крупные частицы, после вода подается в блок управления, в котором расположены: счетчик очищенной воды; программно-временное устройство (для проведения взрыхления катионита, его отмывки и регенерации); многоходовой электроклапан.

В рабочем режиме вода из блока поступает в корпус фильтра, фильтруется через слой катионита в Na-форме и через расположенный в нижней части корпуса дренаж выводится из него. Умягченная вода поступает в микрофильтр, на котором расположен манометр для контроля загрязненности микрофильтра.

Схема деминерализации воды осуществляется в процессе ее фильтрования через ионообменные смолы - катионит и анионит.

Ионитовые фильтры, выполненные в виде цилиндрических колонн со съемными сферическими днищами, в нижней и верхней части имеют дренажные устройства в виде штуцеров с резьбой, на которые навинчены распределительные колпачки со щелевыми продольными отверстиями.

С целью предохранения от попадания в фильтрат мелких фракций смолы, на колпачки настилается слой битого стекла с размерами частиц 5-10 мм и высотой 150-200 мм. После этого загружается товарный ионит.

Ионит заливается 20%-ным раствором поваренной соли и выдерживается 24 ч. Для медленного набухания смолы.

После этого иониты отмываются от грязи водопроводной водой, затем от низкомолекулярных и растворимых веществ 4%-ным раствором едкого натра и 5%-ным раствором соляной кислоты и выдерживается по 4 ч. дважды с каждым раствором. После этого проводят регенерацию катионита и анионита.

При пуске установки вся система заполняется водой до полного удаления из нее воздуха. В начале процесса деминерализации первые порции обессоленной воды сливаются в сборник и используется для промывки ионитов.

Из нижней части катионитовой колонны, в которой катионы обмениваются на ионы водорода, вода поступает в верх анионитовой колонны, где происходит обмен анионов сильных кислот на гидроксильные ионы.

Деминерализованная вода, выходящая из нижней части анионитовой колонны, собирается в сборник обессоленной воды.

Регенерация катионита проводится путем пропуска через колонку сверху вниз раствора соляной кислоты концентрацией 4-5%. Регенерация катионита проводится с периодической выдержкой катионита в растворе кислоты по 1-2ч. и более с последующей отмывкой водопроводной водой, которая подается сверху вниз. [3]

2. Оборудование для приготовления сортировок

Сортировочный чан с применением барботажа.

Представляет собой цилиндрический сосуд. На верхней крышке аппарата укреплена горловина со смотровыми стеклами. Для подачи воды, спирта, возвратных продуктов аппарат снабжен измерительным стеклом и патрубками.

Готовая водно-спиртовая смесь выкачивается из аппарата через трубопровод, который для полного опорожнения аппарата опущен в коробку. Аппарат снабжен измерительным стеклом и кранами для отбора проб.

Основным достоинством данного аппарата по сравнению с другими - это применение барботажа (сжатого воздуха). При применении барботажа сокращается продолжительность перемешивания, создаются наиболее безопасные условия труда. Воздух для перемешивания подается в аппарат чрез лучевой барботер, который состоит из радиальных лучевых трубок с отверстиями. Продолжительность перемешивания до 10 минут. [2]


Устройство с УФ-излучениями.

Известен способ производства водки, предусматривающий получение сортировки смешением воды со спиртом, фильтрацию и разлив, в котором воду фильтруют через активированный уголь, умягчают ее сульфоуглем, а после фильтрации через активированный уголь и умягчения сульфоуглем воду пропускают через сетку из серебра, далее водно-спиртовую смесь пропускают через сетку из серебра, и перед окончательной фильтрацией водно-спиртовую смесь для насыщения ионами серебра подвергают электролизу (Патент РФ №2032731, МПК 6 С 12 G 3/08, 1995 г.).

Известны способы производства водки, включающие приготовление водно-спиртовой смеси путем соединения воды и спирта, в которых воду очищают и, по крайней мере, один раз воздействуют постоянным магнитным полем (А.С. №1193193, МКИ 4 С 12 G 3/02, 1985 г., патент SU №1825374, МПК 6 С 12 G 3/06, 1993 г.).

К недостаткам известных способов можно отнести: биологическую нестабильность готового продукта, образование помутнений, возможность непредсказуемого роста бактерий, а также чрезмерно высокую магнитную активность готового продукта.

Наиболее близким к предлагаемому способу является способ производства спиртосодержащей смеси, предусматривающий соединение потока воды и потока спирта, перемешивание смеси и воздействие магнитным полем, в котором в воду вводят ионы серебра Ag+ в концентрации (50-200)·10-6 г/л, на водно-спиртовую смесь воздействуют постоянным электромагнитным полем с магнитной индукцией (0,5-0,2)·10-4 Тл (Патент РФ №2122023, МПК 6 С 12 G 3/08, 1995 г.).

К недостаткам прототипа также можно отнести возможность непредсказуемого роста бактерий, чрезмерно высокую магнитную активность готового продукта. Кроме того, все известные способы производства спиртосодержащей смеси не позволяют одновременно с очищением, обеззараживанием воды нагревать ее до технологических температур.

Техническая задача, на решение которой направлено предлагаемое изобретение, состоит:

в получении водно-спиртовой смеси высокого качества с улучшенными органолептическими свойствами за счет создания единородной смеси водно-спиртовой смеси путем придания водной составляющей увеличенной внутренней энергии;

в максимальном сокращении затрат для нагревания воды до требуемых по технологии приготовления водки технологических температур.

Поставленная техническая задача решается тем, что в способе производства водно-спиртовой смеси, предусматривающем соединение воды и спирта и перемешивание смеси, согласно предложенному изобретению, осуществляют предварительную равномерную обработку воды нефильтрованным светом источника УФ-излучения с содержанием не менее 30% УФ-спектра с длиной волны не более 270 нм в емкости, снабженной, по меньшей мере, одним источником УФ-излучения, отражателем излучения, выполненным в виде полированной стальной пластины, и выполненным в виде сетки средством для создания электростатического барьера непроницаемости для заряженных недоокисленных частиц, которое размещено между отражателем излучения и уровнем обрабатываемой воды.

Использование обработанной УФ-излучением воды в производстве водно-спиртовой смеси для приготовления водки позволяет за счет повышения ее внутренней энергии:

получить эффект азеотропности (испарение воды и спирта в одинаковом соотношении к исходному раствору), что позволяет создать единородную смесь;

получить конечный продукт высокого качества с улучшенными органолептическими свойствами:- одновременно исключает дополнительные затраты для нагревания воды до требуемых по технологии приготовления водки технологических температур.


Способ реализуется следующим образом: водно-спиртовую смесь для приготовления водки готовят на воде, которую предварительно обрабатывают до максимального повышения внутренней энергии.

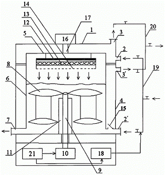
Способ предусматривает подачу воды в устройство, которое содержит разъемный кожух, включающий крышку 1 с входным патрубком 2 для подвода воды и выходным патрубком 3 для отвода воды, разъемный корпус, а также емкость 4 для охлаждающей воды с входным патрубком 2' для подвода воды и выходным патрубком 3' для отвода воды. Внутри кожуха расположен разъемный корпус, включающий крышку 5 и емкость 6 для обрабатываемой воды с входным патрубком 2' для подвода воды и выходным патрубком 7 для отвода обработанной воды. Внутри корпуса размещено средство 8 для перемешивания воды, которое выполнено в виде, как минимум, одной двухуровневой лопасти. Такое конструктивное выполнение позволяет перемешивать придонные и поверхностные слои воды для равномерной обработки ее УФ-излучением.

Средство 8 герметично установлено на валу 9 электродвигателя 10. При этом вал 9 защищен трубой 11, жестко закрепленной на донной внутренней части корпуса, например, сваркой. Поэтому обрабатываемая вода соприкасается только со средством 8 для перемешивания воды, выполнены, например, из нержавеющей стали. Конструкция устройства выполнена таким образом, чтобы обеспечивалась возможность охлаждения стенок кожуха и корпуса. Охлаждение осуществляется посредством перемещения проточной воды в герметичном объеме, образовавшемся между стенками кожуха и корпуса. Устройство для подготовки воды содержит отражатель 12 УФ-излучения, выполненный в виде полированной стальной пластины. В устройстве источник 13 УФ-излучения размещен посередине между отражателем УФ-излучения 12 и уровнем обрабатываемой воды и связан электроконтактами с автономным блоком питания (не показан). При этом источник 13 УФ-излучения может содержать как один излучательный элемент, так и их совокупность из не менее двух излучательных элементов с автономным питанием каждый. Это дает возможность расширить температурный интервал нагрева обрабатываемой воды и позволяет производить замену элементов в соответствии с технологическими требованиями конечного продукта. Источник 13 УФ-излучения снабжен средством 14 для создания электростатического барьера непроницаемости для заряженных недоокисленных частиц (окисные и закисные соединения кислорода, аллотропные модификации кислорода (озон), и все составляющие газовоздушной смеси, которые имеют дипольный момент и способны передвигаться в электрическом поле). Упомянутое средство 14 выполнено в виде сетки из, например, платинита. Сетка соединена с источником высокого напряжения и заизолирована. Благодаря ей, заряженные частицы осаждаются и таким образом создается электростатический барьер непроницаемости, что позволяет повысить степень очищения воды. Устройство дополнительно снабжено воздушным насосом 16, соединенным патрубком 17 с полостью корпуса, предназначенным для охлаждения отражателя 12 УФ-излучения, системой 18 регулирования подачи воды в систему водообеспечения устройства. Оснащение устройства упомянутой системой 18 позволяет охлаждающую воду из объема, образованного стенками кожуха и корпуса, подавать в емкость 6 для обработки воды.

В устройство для обработки воды из системы подачи воды 19 через входные патрубки 2 и 2' подают воду для обработки в емкость 6 корпуса, охлаждающую воду в герметичный объем, образованный стенками крышки 1 кожуха и крышкой 5 корпуса, и в герметичный объем, образованный стенками емкости 4 кожуха и емкости 6 корпуса. Подвод воды входным патрубком 2' осуществляется с использованием углового клапана 15 периодического действия, переключение которого из одного положения в другое позволяет подавать воду в емкость 6 в герметичный объем, образовавшийся между стенками кожуха и корпуса.

Из соотношения характеристик излучаемого спектра от источника к поглощаемому спектру, отраженного от воды, поступающей в емкость 6 для обработки воды и необходимой по технологии температуры, по известным математическим зависимостям определяются параметры излучения (количество энергии) для обработки заданного объема воды до достижения максимального повышения ее внутренней энергии.

Далее воду обрабатывают потоком электромагнитной энергии в ультрафиолетовом диапазоне. Для равномерной обработки воды в процессе облучения постоянно перемешивают поверхностные и придонные слои воды с помощью средства 8 для перемешивания воды, которое выполнено в виде как минимум одной двухуровневой лопасти. Кожух и корпус в процессе работы устройства постоянно охлаждаются перемещающимися в герметичном пространстве между стенками потоками воды, а отражатель 12 УФ-излучения - с помощью воздушного насоса 16. При достижении обрабатываемым объемом воды максимального повышения ее внутренней энергии, которое может быть определено по «плато» показателей измерения в визуально-графическом отображении результатов измерений, обработка прекращается. При этом водной составляющей водно-спиртовой смеси придается увеличенная внутренняя энергия, так степень диссоциации молекул воды более чем в сто раз выше, чем у спирта. Тестирующий контроль температуры осуществляется по поверхностному натяжению воды. Обеззараженная и нагретая до заданной технологической температуры вода отводится через патрубок 7, а поток охлаждающей воды отводится через патрубки 3 и 3' в систему отвода воды 20. Устройство снабжено известной системой термометрии для управления и регулирования температурными режимами водоподготовки, а также блоком управления 21 системами водообепечения 18, 19, 20 устройства и электродвигателя 10, выполненным известным способом. Весь процесс, осуществляемый устройством, проводится в автоматическом режиме, обеспечивающимся известными программно-аппаратными средствами.

Обработанную воду смешивают со спиртом в соотношении, определяющем заданные параметры крепости водно-спиртовой смеси.

Конечный готовый продукт, приготовленный с использованием предложенного способа, обладает:

качеством высокой родственности растворов (эффект Ганемана), вследствие чего, переход в иную среду осуществляется совместно, в заданной концентрации (испарение, всасывание и т.д.);

стабильностью при длительных сроках хранения смеси;

улучшенными органолептическими свойствами;

пониженными интоксикационными параметрами.

Готовый продукт, полученный на основе данной смеси, имеет мягкий, характерный для водок вкус без постороннего привкуса и аромата, и характерный водочный аромат. При этом опытная проверка показала, что применение предложенного способа позволяет уничтожить до 100% бактерий в готовом продукте.

3. Новые адсорбционные материалы при производстве водок

В водочном производстве наибольшее распространение получил березовый активный уголь марки БАУ-А. В последние годы изучены и рекомендованы к применению новые марки активных углей - БАУ-ЛВ, КАУ-А, ВСК. Отечественным углям стали составлять конкуренцию и другие, хорошо зарекомендовавшие себя зарубежные угли из кокосовой скорлупы, например угли Norit GCN 830 PLUS и Norit РК 1-3 фирмы «Norit Activated Curbon» (Нидерланды).

Также хорошо себя зарекомендовали и другие фильтрующие материалы для очистки водно-спиртовой жидкости, в частности фильтрующие материалы «Зета-карбон», в которых частицы активированного угля удерживаются волокнами целлюлозы.

При изготовлении фильтрующих материалов целлюлоза с определенной длиной волокна, активированный уголь и катионитовая смола смешиваются с обессоленной водой. Полученная смесь отжимается на вакуумном столе и полученный влажный лист направляется в печь, где при t=900°С происходит высушивание и полимеризация. Из полученного материала изготавливаются диски и ячейки различного диаметра. Ячейки собираются в патроны под действием определенного давления и удерживаются в конструкции патрона полипропиленовыми уплотнительными кольцами с тремя стяжками из нержавеющей стали.

ЗМ «ZetaCarbon» выпускает пять марок фильтрующих материалов различной плотности, позволяющих фильтровать жидкости с различной вязкостью. [1]

4. Укладка бутылок

В современных линиях производительностью свыше 30000 бут/ч групповая упаковка в пластмассовые ящики осуществляется робототехническими системами непрерывного действия. Наиболее эффективными для этого являются «Контипак», «Роундпак», и другие, в том числе применяемые для извлечения из ящиков. Роторный робот «Роундпак II» тип У64 с шестью грейферными головками непрерывно вращается в вертикальной плоскости.

Бутылки и ящики движутся синхронно по транспортерам, расположенным на разных уровнях в одной плоскости. Каждая головка робота оснащена двадцатью сменными захватками, подбираемыми под любую бутылку. Производительность робота до 6000 ящиков в час или до 120 000 бут/ч. KHS выпускает карусельную машину «Jnnpack» с шестью головками для укладки, выемки бутылок. Ротор С захватами вращается в горизонтальной плоскости, а бутылки и ящики перемещаются на параллельных транспортерах. [2]

Заключение

В данном реферате рассмотрены наиболее современные технологии и оборудование в ликероводочном производстве.

Существуют немало методов очистки полупродуктов. Например: на Московском заводе «Кристалл» имеется многоуровневая подготовка воды, которая в дальнейшем хорошо влияет на вкус готового продукта.

Для очистки сортировки стали применять более современные адсорбционные материалы.

В настоящее время данная тема реферата актуальна, так как потребители хотят покупать продукты, в данном случае алкогольные напитки, хорошего качества и безопасные для здоровья.

Список используемой литературы

[1.] А.Н. Макеева, Н.А. Шубина, В.М. Мухин, О.Л. Крайнова, И.Д. Зубова.-М.: Пищепромиздат, 2003.-С.152-157

[2.] Антипов С.Т, Кретов И.Т, Острихов А.Н. и др. Машины и аппараты пищевых производств. В 2 кн. Кн. 2: Учебник для вузов. - М.: Высшая школа, 2001.680 с.

[3.] Бурачевский И.И., Федоренко В.И. Подготовка технологической воды и ее влияние на качество водок // Ликероводочное производство и виноделие.-2003.-№8.-С.20-23.

[4.] Ильина Е.В., Макаров С.Ю. Технология и оборудование для производства водок и ликероводочных изделий. - М.:ДеЛи,2010.-492с.

Похожие работы на - Совершенствование технологических процессов на предприятиях отрасли ликероводочного производства

 

Не нашли материал для своей работы?
Поможем написать уникальную работу
Без плагиата!
Без нейросетей!