Электроснабжение цеха обработки корпусных деталей
Содержание
Введение
. Краткая
характеристика проектируемого объекта и потребителей электроэнергии
. Анализ
электрических нагрузок. Выбор схемы силовой сети и места установки силовых
распределительных пунктов (шинопроводов)
. Расчет
электрических нагрузок
. Расчет и
выбор компенсирующего устройства
. Выбор числа
и мощности трансформаторов
. Расчет и
выбор сетей напряжением до 1 кВ
. Расчет
сетей напряжений до 1 кВ по потере напряжения
. Расчет и
выбор аппаратов защиты напряжением до 1 кВ
. Расчет и
выбор сетей высокого напряжения
. Расчет
токов короткого замыкания
. Выбор
высоковольтного электрооборудования
. Выбор
защиты трансформатора
. Расчет
заземляющего устройства
Заключение
Список
литературы
электроснабжение
трансформатор заземляющий защита
Введение
Электрификация играет важную роль в развитии всех отраслей
промышленности, являются стержнем строительства экономики страны. Отсюда
следует необходимость опережающих темпов роста производства электроэнергии.
В настоящее время электроэнергетика России является важней
жизнеобеспечивающей отраслью страны. В ее состав входит более 100
электростанций общей мощностью 800 мВт.
В зависимости от используемого вида первичной энергии все существующие
станции разделяются на следующие основные группы: тепловые, гидравлические,
атомные, ветряные, приливные и др.
Совокупность электроприёмников производственных установок цеха, корпуса,
предприятия, присоединённых с помощью электрических сетей к общему пункту
электропитания, называется электропотребителем.
Совокупность электрических станций, линий электропередачи, подстанций
тепловых сетей и приёмников, объеденных общим и непрерывным процессом
выработки, преобразования, распределения тепловой и электрической энергии
называется энергетической системой. Электрические сети подразделяются по
следующим признакам:
Напряжение сети. Сети могут быть напряжением до 1 кВ низковольтными, или
низкого напряжения (НН), и выше 1 кВ - высоковольтными, или высоковольтного
напряжения.
Род тока. Сети могут быть постоянного и переменного тока. Электрические
сети выполняются в основном по системе трёхфазного переменного тока, что
является наиболее целесообразным, поскольку при этом может производиться
трансформация электроэнергии.
Назначение. По характеру потребителей и от назначения территории, на которой
они находятся, различают: сети в городах, сети промышленных предприятий, сети
электрического транспорта, сети в сельской местности.
Кроме того, имеются районные сети, сети межсистемных связей и др.
В современных условиях главными задачами специалистов осуществляющих
проектирование и эксплуатацию современных систем энергоснабжения промышленных
предприятий, является правильное определение электрических нагрузок,
рациональная передача и распределение электроэнергии, обеспечение определенной
степени надежности электроснабжения, экономия электроэнергии и других
материальных ресурсов.
1. Краткая характеристика проектируемого объекта и
потребителей электроэнергии
Цех механической и антикоррозийной обработки деталей предназначен для
механической и антикоррозийной обработки изделий. Он содержит станочное
отделение, гальванический и сварочный участки. Кроме того, имеются
вспомогательные, бытовые и служебные помещения.
Цех получает ЭСН от ГПП. Расстояние от ГПП до ТП - 0,8 км, а от
энергосистемы до ГПП - 16 км.
Низкое напряжение на ГПП - 6 и 10 кВ. Количество рабочих смен - 2.
Потребители цеха относятся к 2 и 3 категории надежности ЭСН.
Грунт в районе цеха - суглинок при температуре +5 0С. Каркас
здания цеха смонтирован из блоков-секций длиной 8 м каждый.
Размеры цеха
A × B × H=48 × 30 × 8 м
Все помещения, кроме станочного отделения, двухэтажные высотой 3,6 м.
Перечень основного оборудования показан в таблице 1.
Мощность электропотребления (Pэп) указана
для одного электроприемника.
Таблица 1 - Перечень технологического оборудования
|
№ на плане
|
Наименование ЭО
|
Рэп, кВт
|
Примечание
|
|
1…21
|
Сварочные аппараты
|
48
|
ПВ= 60%
|
|
5…9
|
Гальванические ванны
|
30
|
|
|
10,11
|
Вентиляторы
|
12
|
|
|
12,13
|
Продольно-фрезерные станки
|
28
|
|
|
14,15
|
Горизонтально-расточные
станки
|
12,5
|
|
|
16,24,25
|
Агрегатно-расточные станки
|
12
|
|
|
17,18
|
Плоскошлифовальные станки
|
14
|
|
|
19…23
|
Краны консольные поворотные
|
9,5
|
ПВ= 25%
|
|
26
|
Токарно-шлифовальный станок
|
8,2
|
|
|
27…30
|
Радиально-сверлильные
станки
|
4,8
|
|
|
31,32
|
Алмазно-расточные станки
|
7
|
|
. Анализ электрических нагрузок. Выбор схемы силовой сети и
места установки силовых распределительных пунктов (шинопроводов)
Схемы электроснабжения промышленных предприятий должны разрабатываться с
учетом следующих основных принципов:
) источники питания должны быть максимально приближены к потребителям
электрической энергии;
) число ступеней трансформации и распределения электрической энергии на
каждом напряжении должно быть по возможности минимальным;
) схемы электроснабжения и электрических соединений подстанций должны
обеспечивать необходимые надежность электроснабжения и уровень резервирования;
) распределение электроэнергии рекомендуется осуществлять по
магистральным схемам питания.
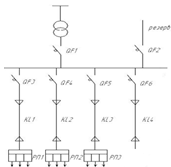
3. Расчет электрических нагрузок
Расчет электрических нагрузок проводим для отдельно взятого
распределительного пункта (РП). Расчет электрических нагрузок для РП1.
Таблица 2 - Исходные данные электрооборудования
|
Наименование
электроприемников
|
Рн, кВт
|
n
|
Kи
|
cos
φ
|
tq
φ
|
|
Сварочные аппараты
|
37,2
|
4
|
0,2
|
0,5
|
1,73
|
Определяем
общее число электроприемников РП1 (n):
,
где m - количество групп ЭП;
ni - количество ЭП в i - ой группе.
n=4
Определяем
суммарную номинальную активную мощность группы ЭП (
, кВт)
,
где
- номинальная активная мощность i
- го ЭП.
Рном
= 37,2×4=148.8 кВт
Определяем
показатель силовой сборки m:
где
Рннб, Рннм - номинальные активные мощности приведённые к
длительному режиму наибольшая и наименьшая в группе;
Определяем среднюю активную мощность за наиболее загруженную смену для
сварочного аппарата:
Для остальных электоприёмников средняя активная мощность находится
соответствующим образом.
Определяем среднюю реактивную мощность за наиболее загруженную смену для
сварочного аппарата:

кВар
Для
остальных электоприёмников средняя реактивная мощность находится
соответствующим образом.
Определяем
сумму средних активных мощностей группы:

;

кВт
Определяем
сумму средних реактивных мощностей группы:

;
кВар
Определяем
полную среднюю мощность группы:
Определяем
средний коэффициент использования:
Определяем
средний сosφ:
Определяем
средний tqφ
Определяем
эффективное число электроприемников группы nэ
F(n,m,Kиср,Pн):
Из
этого условия nэ определяется
по формуле
Определяем значения коэффициента максимума активной нагрузки Kм=F(Kиср,nэ) и реактивной нагрузки:
По [1], таблица 1.5.3 Км=2,4, Км`=1,1
Определяем максимальную активную мощность группы:
Определяем максимальную реактивную мощность группы:
Определяем полную максимальную мощность группы:
Определяем максимальный ток группы:
Для остальных групп электроприемников расчет ведется соответствующим
образом. Результаты заносятся в сводную ведомость нагрузок по цеху.
Таблица 3 - Сводная ведомость нагрузок по цеху
|
Наименование РУ и
электро-приемников
|
Нагрузка установленная
|
Нагрузка средняя на смену
|
Нагрузка max
|
|
Pн, кВт
|
n
|
P∑n, кВт
|
Kи
|
cosφ
|
tqφ
|
m
|
Pсм, кВт
|
Qсм, кВар
|
Sсм, кВА
|
nэ
|
Kм
|
Kм`
|
Pм, кВт
|
Qм, кВар
|
Sм, кВА
|
Iм, А
|
|
1
|
2
|
3
|
4
|
5
|
6
|
7
|
8
|
9
|
10
|
11
|
12
|
13
|
14
|
15
|
16
|
17
|
18
|
|
РП1
|
|
Сварочные аппараты
|
37,2
|
4
|
148,8
|
0,2
|
0,5
|
1,73
|
|
29,66
|
51,5
|
59,48
|
-
|
-
|
-
|
71,4
|
56,65
|
91,14
|
138,6
|
|
РП2
|
|
Гальванические ванны
|
30
|
5
|
150
|
0,17
|
0,65
|
1,17
|
|
25,5
|
29,8
|
39,21
|
-
|
-
|
-
|
53,55
|
29,8
|
61,2
|
93,09
|
|
РП3
|
|
Вентиляторы
|
12
|
2
|
24
|
0,6
|
0,8
|
0,75
|
|
14,4
|
10,8
|
18
|
-
|
-
|
-
|
34,56
|
11,88
|
36,48
|
55,49
|
|
ШРА
|
|
Продольно-фрезерные станки
|
28
|
2
|
56
|
0,16
|
0,6
|
1,33
|
|
8,9
|
11,92
|
14,59
|
|
|
|
|
|
|
|
|
Горизонтально-расточный
станок
|
12,5
|
2
|
25
|
0,17
|
0,65
|
1,17
|
|
4,25
|
4,97
|
7,07
|
|
|
|
|
|
|
|
|
Токарно-шлифовальный станок
|
8,2
|
1
|
8,2
|
0,16
|
0,6
|
1,33
|
|
1,31
|
1,7
|
2,26
|
|
|
|
|
|
|
|
|
Плоскошлифовальные станки
|
14
|
2
|
28
|
0,16
|
0,6
|
1,33
|
|
4,48
|
5,95
|
7,41
|
|
|
|
|
|
|
|
|
Краны консольные поворотные
|
4,75
|
5
|
23,75
|
0,1
|
0,5
|
1,73
|
|
2,37
|
4,1
|
4,6
|
|
|
|
|
|
|
|
|
Радиально-сверлильный
станок
|
4,8
|
4
|
19,2
|
0,16
|
0,6
|
1,33
|
|
3,72
|
4,08
|
4,89
|
|
|
|
|
|
|
|
|
Алмазно-расточный станок
|
7
|
2
|
14
|
0,17
|
0,65
|
1,17
|
|
2,38
|
2,78
|
3,31
|
|
|
|
|
|
|
|
|
Агрегатно-расточный станок
|
12
|
3
|
36
|
0,16
|
0,6
|
1,73
|
|
5,76
|
9,96
|
10,48
|
|
|
|
|
|
|
|
|
ИТОГО по ШРА
|
|
21
|
210,15
|
0,2
|
0,6
|
1,4
|
<3
|
42,03
|
58,9
|
72,36
|
11
|
1,75
|
1,0
|
73,55
|
58,9
|
94,22
|
139,29
|
|
РУ НН
|
|
ИТОГО по РУНН
|
|
32
|
532,48
|
0,2
|
0,6
|
1,33
|
>3
|
106,1
|
141,42
|
11
|
1,8
|
1,0
|
191,1
|
141,4
|
237,7
|
360,2
|
|
|
|
|
|
|
|
|
|
|
|
|
|
|
|
|
|
|
|
4. Расчет и выбор компенсирующего устройства
Таблица 4 - Исходные данные для расчета
|
Параметр
|
сosφ
|
tgφ
|
Рр, кВт
|
Qр, кВар
|
Sр, кВА
|
|
Всего на НН без КУ
|
0,6
|
1,33
|
191,1
|
141,4
|
237,7
|
Значения Pp,Qp, Sp, cosφ, tqφ выбираются из таблицы "Сводная
ведомость электрических нагрузок цеха".
Определяем расчетную мощность компенсирующего устройства:
,
где
- коэффициент, учитывающий повышение коэффициента
мощности естественным способом, принимается
= 0,9 по
[1], с. 33;
tqφ и tqφк - коэффициенты реактивной мощности до и после
компенсации.
Компенсацию реактивной мощности по опыту эксплуатации производят до
получения значения cosφк = 0,92…0,95
Задавшись cosφк из этого промежутка, определяем tqφк
Принимаем cosφк = 0,95, тогда tqφк = 0,33
По [2], с.123, таблица 6.1.1 выбираем стандартное компенсирующее
устройство, близкое по мощности.
Устанавливаем УКМ -0,38-150- УЗ не регулируемая.
Определяем
фактические значения
и
после
компенсации реактивной мощности:
сosφф=0,91
. Выбор числа и мощности трансформаторов
Определяем расчетную мощность трансформатора с учетом потерь:

;
где
n - количество трансформаторов, n=1,
так как имеются потребители второй и третьей категории, устанавливаем на
подстанции один трансформатор, а резерв возьмем с другого цеха металлургического
завода;
Кз
- коэффициент загрузки трансформаторов для 2 категории надежности при
однотрансформаторных подстанциях Кз=0,7 - 0,8.
Окончательно
выбираем трансформатор с номинальной мощностью Sном= 160 кВА по [2], таблица 5.1.1 с.106
Таблица
5 - Технические данные трансформатора ТМ-160/10/0,4
|
Тип
|
, кВА , кВ , кВ , кВт , кВт , % , %
|
|
|
|
|
|
|
|
ТМ
|
160
|
10
|
0,4
|
2650
|
510
|
4,5
|
2,4
|
6. Расчет и выбор сетей напряжением до 1кВ
В качестве питающих и распеделительных линий принимаем кабели с медными
жилами марки ПРН с резиновой изоляцией, прокладываемые в воздухе, пятижильные.
Условие выбора кабеля по нагреву:
где

-
длительно-допустимый ток кабеля, А, [3], с.87, таблица 1.3.6;

-
расчетный ток группы или электроприемника.
Определяем
расчетный ток для сварочного аппарата:
Выбираем
кабель сечением S = 35 мм2
Расчет
токов для остальных электроприемников и групп аналогичен, результаты расчета
сведены в таблицу 6.
Таблица
6 - Сводная ведомость питающих линий
|
Наименование
электроприемника или РУ
|
Pн, кВт
|
cosφ
|
Iр, А
|
Iдоп, А
|
Сечение кабеля, мм2
|
|
Сварочные аппараты
|
37,2
|
0,5
|
112,73
|
120
|
5×35
|
|
Гальванические ванны
|
30
|
0,65
|
69,8
|
75
|
5×16
|
|
Вентиляторы
|
12
|
0,8
|
22,6
|
25
|
5×2,5
|
|
Продольно-фрезерные станки
|
28
|
0,6
|
71,8
|
75
|
5×16
|
|
Горизонтально-расточные
станки
|
12,5
|
0,65
|
29,1
|
35
|
5×4
|
|
Краны консольные поворотные
|
4,75
|
0,5
|
14,4
|
19
|
5×1,5
|
|
Агрегатно-расточные станки
|
12
|
0,65
|
27,9
|
35
|
5×4
|
|
Токарно-шлифовальные станки
|
8,2
|
0,6
|
21
|
25
|
5×2,5
|
|
Радиально-сверлильные
станки
|
4,8
|
0,6
|
12,3
|
19
|
5×1,5
|
|
Плоскошлифовальный станок
|
14
|
0,6
|
35,9
|
42
|
5×6
|
|
Алмазно-расточные станки
|
7
|
0,65
|
16,3
|
19
|
5×1,5
|
|
До РП1
|
37,2
|
0,6
|
296,2
|
305
|
3×150,
2×95
|
|
До РП2
|
30
|
0,61
|
72
|
75
|
3×16,
2×10
|
|
До РП3
|
12
|
0,6
|
60,5
|
75
|
3×16,
2×10
|
r0, x0 выбираем по [1], с. 62, таблица 1.9.5.
7. Расчет сетей напряжений до 1 кВ по потере напряжения
Определяем потери напряжения от РУ НН до алмазно-расточного станка.
Определяем потерю напряжения на кабеле идущего от РУ НН до РП3:
Определяем потерю напряжения от РП3 до станка:
Таким образом, в питающая линия теряет:
Нормально допустимое значение отклонения напряжения ∆U на
выводах приёмников электроэнергии по ГОСТ 13109-97 равны ± 5 % от номинального
напряжения сети.
Полученное значение меньше допустимого отклонения, что соответствует
норме.
8. Расчет и выбор аппаратов защиты напряжением до 1 кВ
Производим выбор аппарата защиты для сварочного аппарата, исходя из
следующих условий:
где Iнр - наибольший длительный ток,
протекающий по расцепителю и не вызывающий его срабатывания.
где Кпуск- кратность пускового тока, Кпуск=5,
Io- ток отсечки выключателя.
1,6
кА =
По
[2], c. 39 таблица 2.1.1 выбираем автоматический выключатель
типа ВА 51-33.
Производим
выбор аппарата защиты на вводе РП1.
Аппарат
защиты выбираем исходя из следующих условий:
где
Iпик -
пиковый ток
Iпускнб - наибольший пусковой ток электродвигателя группы
Iннб - номинальный ток пускаемого электродвигателя
Kи - коэффициент использования механизма с наибольшим
пусковым током.
Определяем
номинальный ток расцепителя:
Определяем
пиковый ток:
Определяем
ток отсечки:
По
[2], c. 39 таблица 2.1.1 выбираем автоматический выключатель
типа ВА 51-37.
Для
остальных электроприемников и распределительных устройств выбор аппаратов
защиты производится аналогично.
Таблица
7 - Выбор аппаратов защиты
|
Наименование оборудования и
РП
|
Iр, А
|
Iпуск, А
|
Iнр, А
|
Ку (ЭМ)
|
Iна, А
|
Iоткл, кА
|
Тип АЗ
|
|
Сварочные аппараты
|
112,7
|
563,65
|
160
|
10
|
160
|
12,5
|
ВА 51-33
|
|
Гальванические ванны
|
69,8
|
349
|
100
|
10
|
160
|
12,5
|
ВА 51- 33
|
|
Вентиляторы
|
22,6
|
113
|
31,5
|
7
|
100
|
6
|
ВА 51Г- 31
|
|
Продольно-фрезерные станки
|
71,8
|
359
|
100
|
10
|
100
|
7
|
ВА 51Г- 31
|
|
Горизонтально-расточные
станки
|
29,1
|
145,5
|
40
|
7
|
100
|
7
|
ВА 51Г- 31
|
|
Краны консольные поворотные
|
14,4
|
72
|
20
|
7
|
25
|
3,8
|
ВА 51-25
|
|
Агрегатно-расточные станки
|
27,9
|
139,5
|
40
|
7
|
100
|
5
|
ВА 51Г- 31
|
|
Токарно-шлифовальный станок
|
21
|
105
|
31,5
|
7
|
100
|
6
|
ВА 51- 31
|
|
Радиально-сверлильные
станки
|
12,3
|
61,3
|
16
|
7
|
100
|
3,8
|
ВА 51-31
|
|
Плоскошлифовальные станки
|
35,9
|
179,5
|
50
|
7
|
100
|
5
|
ВА 51Г-31
|
|
Алмазно-расточные станки
|
16,3
|
81,5
|
31,5
|
7
|
100
|
6
|
ВА 51- 31
|
|
РП1
|
296,2
|
837,3
|
400
|
10
|
400
|
25
|
ВА 51- 37
|
|
РП2
|
72
|
419,5
|
80
|
10
|
160
|
12,5
|
ВА 51-33
|
|
РП3
|
60,9
|
669
|
80
|
10
|
160
|
12,5
|
ВА 51-33
|
|
РУ НН
|
1569,6
|
2000
|
2000
|
2
|
2500
|
36
|
ВА 53- 45
|
9. Расчет и выбор сетей высокого напряжения
Выбираем сечение проводника на напряжение 10 кВ по экономической
плотности тока по формуле:
где I - расчетный ток
jэк - экономическая плотность тока по
[3], таблица 1.3.36 jэк = 3,5
Определяем ток в линии напряжением 10 кВ
Определяем экономическое сечение проводника:
Выбираем ближайшее большее сечение кабеля марки СЦБ S = 16 мм2
Проверяем выбранное сечение по допустимому нагреву электрическим током:
. Условия выполняются.
. Расчет токов короткого замыкания
Составляем расчетную схему:
Рисунок 10.1- Расчетная схема
По расчетной схеме составляем схему замещения:
Рисунок 10.2- Схема замещения
Вычисляем сопротивления элементов.
Для кабеля со стороны ВН переводим его сопротивления к НН:
Для трансформатора по [1], таблица 1.9.1:
Rт=16,6 мОм, Xт=41,7 мОм
Для автоматов по [1], таблица 1.9.3:
RАВ1 = 0,06 мОм, XАВ1 = 0,07 мОм, RПАВ1 = 0,07 мОм
RАВ2 = 1,3 мОм, XАВ2 = 1,2 мОм, RПАВ2 = 0,75 мОм
RАВ3 = 1,3 мОм, XАВ3 = 1,2 мОм, RПАВ3 = 0,75 мОм
RАВ4 = 5,5 мОм, XАВ4 = 4,5 мОм, RПАВ4 = 1,3 мОм
Для кабельных линий:
По [1], таблица 1.9.5 выбираем удельные сопротивления r0 и x0 в зависимости от сечения кабеля,
вида изоляции и вида жилы.
RКЛ1
= r0×L= 1,16×46= 53,36 мОм, XКЛ1 = x0×L=
0,095×46= 4,37 мОм
Для ступеней по [1], таблица 1.9.4:
RСТ1=15 мОм, RСТ2= 20 мОм
Определяем эквивалентные сопротивления:
RЭ1=RВЛ+RТ+RАВ1+RПАВ1+RСТ1=1,34+16,6+0,06+0,07+15=33,07 мОм
XЭ1=XВЛ+XТ+XАВ1=0,11+41,7+0,07=41,88 мОм
RЭ2=RАВ2+RПАВ2+RКЛ1+RАВ3+RПАВ3+RСТ2=1,3+0,75+53,36+1,3+
+0,75+20=77,46 мОм
XЭ2=XАВ2 +XКЛ1+XАВ3=1,2+4,37+1,2=6,77 мОм
RЭ3=RАВ4+RПАВ4+RКЛ2=5,5+1,3+246= 252,8 мОм
XЭ3=XАВ4+XКЛ2=4,5+2,52=7,02 мОм
Вычисляем сопротивления до каждой точки КЗ и заносим в сводную ведомость:
RК1=RЭ1=33,07 мОм, XК1=XЭ1=41,88 мОм
К2=RЭ2+ RК1=77,46+33,07=110,53 мОм
XК2=XЭ2+ XК1=6,77+41,88=48,65 мОм
RК3=RЭ3+ RК2=252,8+110,53=363,3 мОм,
XК3=XЭ3+ XК2=7,02+48,65=55,7 мОм
Определяем коэффициенты Ку (по [1], рисунок 1.9.2) и q:
q2=q3=1.
Определяем трехфазные токи КЗ и заносим их в сводную ведомость:
Таблица 8- Сводная ведомость токов КЗ
|
Точка КЗ
|
R, мОм
|
X, мОм
|
Z, мОм
|
Kу
|
IК, кА
|
IУК, кА
|
iУК, кА
|
|
К1
|
33,07
|
41,88
|
53,36
|
1,08
|
4,1
|
4,14
|
6,2
|
|
К2
|
110,53
|
48,65
|
120,8
|
1
|
1,8
|
1,8
|
2,5
|
|
К3
|
363,3
|
55,7
|
367,5
|
1
|
0,6
|
0,6
|
0,8
|
11. Выбор высоковольтного электрооборудования
Выбираем высоковольтный выключатель из следующих условий:

630
Выбираем
вакуумный выключатель для внутренней установки типа
ВВЭ 10-31,5/630У3 выбранный по [4], таблица 5.1
Разъединитель
не выбирается, так как выключатель выкатного типа.
12.
Релейная защита трансформатора
Выбор
релейной защиты трансформатора зависит от мощности, назначения, места установки
и эксплуатационного режима трансформатора.
В
качестве основной защиты от повреждений на выводах и внутренних повреждений
трансформатора при его мощности 6300 кВА и выше, как правило, применяется ДТЗ.
Кроме того, ДТЗ устанавливается на трансформаторах мощностью 1000 кВА и выше,
если то не обеспечивает необходимой чувствительности при КЗ на выводах низшего
напряжения, а МТЗ имеет выдержку времени более 1 с.
Для
защиты трансформаторов мощностью до 6300 кВА вместо сложной ДТЗ устанавливается
ТО. Ток срабатывания ТО выбирают таким образом, чтобы отсечка не работала при
КЗ за трансформатором. Схема ТО может быть использована в качестве резервной
защиты в трансформаторах мощностью 6300 кВА и выше.
Для
защиты трансформатора мощностью 1000 кВА и выше от внешних КЗ и перегрузок
применяют МТЗ или НМТЗ со стороны основного питания. как правило, защита от
перегрузки устанавливается в одной фазе трансформатора, так как перегрузки
обычно бывают симметричными.
Применение
газовой защиты является обязательным на трансформаторах мощностью 6300 кВА и
выше, а также на трансформаторах мощностью 1000- 4000 кВА, не имеющих ДТЗ или
отсечки, и если МТЗ имеет выдержку времени 1 с и более. Применение газовой
защиты является обязательным также для внутренних трансформаторов мощностью до
630 кВА и более.
Газовая
защита является более чувствительной защитой трансформатора по сравнению с ДТЗ,
так как она реагирует на замыкание небольшого количества витков обмотки
трансформатора, от которого другие защиты из-за недостаточного повышения тока
не срабатывают.
Так
как в нашем случае трансформатор находится внутри цеха, мощность равна 100 кВА
применяем газовую защиту трансформатора. Газовая защита осуществляется
частотным реле РГЧЗ-66. При КЗ в трансформаторе возникает сильное
газообразование. Сила потока газа, воздействуя на лопасть заставляет чашку
повернуться около оси вниз и тем самым замыкая контакты газового реле. Оно в
свою очередь вызывает срабатывание указательного реле, которое действуя на
отключающие электромагниты выключателей с двух сторон трансформатора отключают
его от сети.
.
Расчет заземляющего устройства
В
качестве искусственных заземлителей применяем вертикальные заземлители -
стержни длинной 5 м, диаметром 12 мм и горизонтальные заземлители - стальные
полосы сечением 40×4
мм.
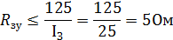
Определяем
предельное сопротивление совмещенного ЗУ
где
IЗ - ток
замыкания на землю, IЗ=25 А.
Выбираем

=4 Ом.
Определяем
сопротивление одного вертикального стержня:
где

где
Kсезв = 1,9
- коэффициент сезонности, учитывающий промерзание и усыхание грунта для
вертикального электрода;

-
удельное сопротивление грунта по [1], таблица 1.13.3.
Принимаем
предварительно количество стержней равное 10.
По
[1], таблица 1.13.5 выбираем коэффициент использования вертикальных электродов ƞв=0,59.
Уточняем точное количество вертикальных электродов:
Уточняем
коэффициент использования вертикальных электродов по [1], таблица 1.13.5: ƞв=0,46
Определяем
уточненные значения сопротивлений вертикальных и горизонтальных электродов:
где
Lп- длина
заземляющего контура, м; ƞг- коэффициент использования
горизонтального электрода; Kсезг-
коэффициент сезонности, учитывающий промерзание и усыхание грунта для
горизонтального электрода; b- ширина полосы, м; t- глубина
заложения, м.
Определяем
фактическое сопротивление ЗУ:
Следовательно
ЗУ эффективно.
Заключение
В
ходе выполнения курсового проекта были решены поставленные задачи, были
закреплены полученные теоретические знания. Важнейшим условием надежности
действия сети и оборудования, а также безопасности их обслуживания является
правильный их выбор в зависимости от технологического назначения помещений, в
которых они должны работать.
В
курсовом проекте большое внимание уделялось вопросам повышения экономии системы
электроснабжения, снижения потерь электроэнергии, применения современного
оборудования, а также приведены сведения о расчетах силовых сетей. Были
приведены схемы электроснабжения. Для достижения всех этих целей использовалась
различного рода справочная литература.
Курсовой
проект обеспечивает качественные технические показатели, то есть у принятых
вариантов высокое номинальное напряжение сети для перспективного развития
производства, малое количество оборудования, кабелей и материалов, простота и
надежность и наглядность схемы, готовность к росту нагрузок предприятия без
существенной реконструкции действующей сети, есть условия для индустриального
метода монтажа, удобства и безопасность эксплуатации.
Список
литературы
1. Шеховцов
В.П. Расчет и проектирование схем электроснабжения: методическое пособие для
курсового проектирования: М.: Форум - ИНФРА - М, 2004
. Шеховцов
В.П. Спавочное пособие по электрооборудованию и электроснабжению.- М.: Форум:
Инфра-М, 2006
. Правила
устройств электроустановок. - 6-ое изд., перераб. и доп.- М.: Энергоатомиздат,
2000
. Неклепаев
Б. Н., Крючков И. П. Электрическая часть электростанций и подстанций.: М.:
Энергоатомиздат