Основы информации и передачи сигналов. Базовые логические элементы
Конспект
лекций
1. Основы теории информации и
передачи сигналов
Научно-технический прогресс сопровождается интенсивным ростом объемов
информации, необходимой для управления промышленностью, аграрным сектором,
транспортом и др. отраслями экономики.
Из всего многообразия современных технических систем можно выделить
особую группу так называемых информационных систем, предназначенных для
передачи, преобразования и хранения информации. К этой группе можно отнести:
связные, телемеханические, навигационные, телевизионные системы,
электронно-вычислительную и информационно-измерительную технику,
автоматизированные системы управления и контроля.
Теорией информации называется раздел кибернетики, в котором
математическими методами изучаются способы измерения количества информации,
содержащейся в каких-либо сообщениях, и способы ее передачи.
Под информацией понимают совокупность сведений о каких-либо событиях,
процессах, объектах управления и т.п., рассматриваемых в аспекте их передачи в
пространстве и во времени. В более общем смысле "информация - это
содержание связи между материальными объектами, проявляющееся в изменении
состояний этих объектов".
"Информация выступает как свойство объектов порождать многообразие
состояний, которые посредством отражения передаются от одного объекта к
другому".
При всех различиях в трактовке понятия информации бесспорно то, что
проявляется информация всегда в материально-энергетической форме в виде
сигналов.
Возможно и взаимосвязанное определение сигнала как материального носителя
информации. Материальную основу сигнала составляет какой-либо физический объект
или процесс, называемый носителем (или переносчиком) информации (сообщения).
В качестве носителей информации используются колебания различной природы,
чаще всего гармонические, включая частный случай - постоянное состояние (f =
0).
В технических информационных системах наиболее широкое распространение
получили носители в виде электрического напряжения или тока.
Рис. 1.1 - Структурная схема системы передачи информации
В передающем устройстве (рис. 1.1) какой-либо параметр сигнала (носителя
информации) изменяется по закону изменения сообщения. Этот процесс называется
модуляцией. Выходной сигнал передающего устройства передается через канал
связи, где сигнал искажается помехами. Задача демодулятора в приемном
устройстве - восстановить с максимальной достоверностью переданное сообщение.
Под каналом связи понимают любой способ передачи сигналов во времени или
пространстве:
возможна передача информации в пространстве с максимальной скоростью
(скоростью света) - телевидение, электрические, оптические и др. каналы связи;
возможна передача информации только во времени - запись и воспроизведение
информации на магнитные или оптические диски и др. носители;
возможна передача информации во времени и в пространстве - запись
информации на твердый носитель и воспроизведение ее в другом месте.
Если носителем информации (сигналом) в системе является постоянный ток,
то он имеет один информационный параметр - уровень (например: телефонный канал
для передачи аналоговых и цифровых сигналов).
При использовании электрических сигналов в виде гармонических колебаний -
информативными могут стать такие параметры, как амплитуда, частота или фаза.
Электрические сигналы принято подразделять на : детерминированные и
случайные.
Детерминированными называют сигналы, параметры которых точно определены в
любые моменты времени (даже для моментов времени в будущем). Случайные сигналы
отличаются тем, что значения их некоторых параметров предсказать невозможно.
Случайные сигналы разделяются на полезные (информационные) - несущие
интересующую нас информацию; и на помехи, которые мешают наблюдению
интересующих нас полезных сигналов.
Полезные сигналы являются принципиально случайными колебаниями, т.к.
источник сообщений выдает каждое сообщение с некоторой вероятностью и
предсказать точно изменения значений информативного параметра невозможно.
Например: записав на самописец изменения температуры, передаваемые по
каналу связи, мы получим одну из реализаций случайного сигнала. Наблюдая на
осциллографе передаваемый сигнал речи или музыки, мы также получаем реализации
случайного сигнала.
С точки зрения теории информации детерминированный сигнал, т.е. сигнал, у
которого известны все параметры, нет смысла передавать.
Тем не менее детерминированные сигналы необходимо изучать, т.к.
результаты анализа детерминированных сигналов являются основой для изучения
более сложных случайных сигналов.
Детерминированные сигналы иногда специально создаются и передаются для
целей измерения, наладки и регулировки каналов передачи информации, выполняя
роль эталонов. Например: тестовые таблицы в телевидении.
.1 Формы представления детерминированных сигналов
В зависимости от структуры информационных параметров сигналы
подразделяются на: дискретные, непрерывные и дискретно-непрерывные.
Сигнал считают дискретным по данному параметру, если число значений,
которое может принимать этот параметр, - конечно.
Если множество возможных значений параметра образуют континиум, то сигнал
считают непрерывным по данному параметру.
Сигнал, дискретный по одному параметру и непрерывный по другому, -
называют дискретно-непрерывным.
Существуют следующие разновидности математических моделей
детерминированных сигналов:
Рис. 1.2.а - непрерывная функция непрерывного аргумента, например:
непрерывная функция времени;
Рис. 1.2.б - непрерывная функция дискретного аргумента, например:
функция, значения которой отсчитываются в отдельные (дискретные) моменты
времени;
Рис. 1.2.в - дискретная (квантованная) функция непрерывного аргумента,
например: времени;
Рис. 1.2.г - дискретная функция дискретного аргумента.
.2 Спектральный анализ периодических и непериодических сигналов
Рассмотренные математические модели сигналов отражают изменение их
параметра (уровня) во времени. На экране осциллографа можно наблюдать изменение
уровня сигнала во времени. Известно, что с помощью математического
преобразования Фурье каждой временной функции можно поставить в соответствие ее
отображение в виде частотного спектра. Существуют приборы - спектроанализаторы,
которые позволяют наблюдать спектральные характеристики сигналов.
Таким образом, одни и те же сигналы можно наблюдать во временном или
спектральном базисе. Это два разных способа описания (анализа) сигналов, между
которыми существует однозначное соответствие, т.е. каждому временному
представлению сигнала соответствует единственное спектральное представление и
наоборот.
.2.1 Преобразование фурье для периодических сигналов
Периодическим сигналом будем называть сигнал, для которого справедливо
равенство:
(t) = U(t+nT) , (1.1)
где: n - целые числа от -00 до +00- период функции.
Простейший пример периодической функции - меандр:
Рис. 1.3.а
В пределах одного периода эти функции могут иметь произвольную форму:
Рис. 1.3.б
Рис. 1.3.в
При спектральном анализе периодических сигналов подразумевается, что
сигнал существует во времени от -00 до +00.
Временную периодическую функцию U(t) можно представить в виде дискретного
спектра:
(1.2)
где:
(1.3)
В
этих формулах: T - период временной функции (см. рис. 1.3); k - целые числа от
- 00 до +00.
-
круговая частота периодического сигнала. (1.4)
Преобразование (1.3) называют прямым преобразованием Фурье для
периодических сигналов. Формула (1.2) - обратное преобразование Фурье.
Функция S°(kw) принято называть комплексным спектром периодического
сигнала U(t). Этот спектр - дискретный, т.к. функция S°(kw) определена по
частотной оси только для целых значений k. Значение функции S°(kw) при
конкретных значениях k называются комплексной амплитудой.
Комплексные числа (в отличии от обычных действительных) имеют 2
параметра. Эти числа можно представить в показательной форме:
(1.5)
где:
- спектр фаз (фаза комплексного числа)
Рис. 1.4
S(
) - спектр амплитуд (модуль комплексного числа).
Комплексные
числа можно представить двумя параметрами и в алгебраической форме:
(1.6)
где:
(1.7)
(1.8)
Формула (1.7) называется косинус-преобразование Фурье, а формула (1.8) -
синус-преобразование Фурье.
Если временное представление U(t) - является четной функцией времени, то
синус-преобразование Фурье равно нулю: B(kw) Если U(t) - нечетная функция
времени, то нулю равно косинус-преобразование Фурье: A(kw)
Существуют формулы перехода от алгебраической формы комплексного числа к
показательной:

(1.9)
(1.10)
При
k = 0 получаем из (1.3) постоянную составляющую сигнала:
(1.11)
Рассчитаем
спектры амплитуд и фаз периодической последовательности прямоугольных
импульсов, длительностью r, амплитудой U и периодом Т (рис. 1.5).
Рис.1.5 - Периодическая последовательность прямоугольных импульсов
(1.12)
где:
Q = T/r - скважность импульсов.
Огибающая
спектра амплитуд изменяется по закону (sin x) / x. На частотах спектра, кратных
2*П / r огибающая равна нулю. Приведенный на рис.1.6 спектр амплитуд
соответствует скважности прямоугольных импульсов, равной: Q = 3. Составляющие
спектра (гармоники) с номером, кратным Q, обращаются в нуль. Составляющие
спектра до первого нуля огибающей (рис.1.6) имеют фазы, равные нулю (рис. 1.7).
После каждого перехода через нуль огибающей спектра амплитуд (рис. 1.6) фазы
гармонических составляющих изменяются на 180°.
Постоянная
составляющая S(0) равна средней площади импульсов пределах одного периода.
Рис.1.6 - Модуль спектра прямоугольного периодического сигнала
Рис. 1.7 - Фаза спектра прямоугольного периодического сигнала
Для пилообразного сигнала (рис. 1.3.б), заданного временной функцией
в пределах одного периода:
при
(1.13)
комплексный
дискретный спектр равен:
(1.14)
Рис. 1.8 - Модуль спектра пилообразного сигнала
Рис. 1.9 - Фаза спектра пилообразного сигнала
Огибающая спектра амплитуд изменяется по закону гиперболы (рис. 1.8), а
фаза каждой спектральной составляющей изменяется на 180° (рис. 1.9).
Напомним, передача информации связана с затратами энергии. Для
электрического сигнала, заданного в виде временной функции напряжения U(t),
можно рассчитать мощность, рассеиваемую на резистивной нагрузке:
(1.15)
Средняя за период мощность сложного периодического сигнала равна сумме
средних мощностей каждой гармонической составляющей в отдельности (включая
постоянную составляющую).
Учитывая,
что спектры периодических сигналов имееют составляющие в диапазоне частот от
полоса частот реальных каналов связи ограничена, - при передаче необходимо
выбирать сигналы, у которых не менне 80..90% мощности спектральных составляющих
попадают в полосу частот канала связи. Например, у импульсных прямоугольных
сигналов около 85% мощности спектральных составляющих сосредоточено в главном
лепестке (до первого нуля спектра амплитуд, см. рис. 1.6). Поэтому полоса
частот канала связи для таких сигналов должна быть:
(r - длительность импульса).
.2.2
Гармонический анализ непериодических сигналов
Реальные
сигналы конечны во времени и поэтому не могут считаться периодическими. Даже те
сигналы, которые мы называем периодическими, имеют начало и конец во времени;
и, строго говоря, периодическими не являются.
Распространим
гармонический (спектральный) анализ на непериодические сигналы.
Рис.
1.10 - Непериодический сигнал
Выделим
произвольный отрезок времени T, включающий в себя интервал t1...t2 (рис.1.10).
Для этого интервала можно рассчитать дискретный спектр по известной формуле
(1.3):
(1.3*)
Однако,
полученный дискретный спектр (рис. 1.11) соответствует периодическому сигналу с
периодом T. Для того, чтобы выбранная модель сигнала соответствовала реальному
непериодическому сигналу, необходимо увеличить T от -00 до +00. При этом
расстояниее между дискретными спектральными составляющими будет уменьшаться до
нуля (cм. формулу (1.4)), т.е. получаем сплошной (а не дискретный, линейчатый)
спектр. Но и амплитуда каждой гармонической (спектральной) составляющей
(согласно формуле (1.3')) стремиться к нулю.
Рис. 1.11
Расстояние
между спектральными составляющими:
превращается
в бесконечно малую величину, и ее представляют в виде "dw".
Последовательность спектральных составляющих с частотами kw становится сплошной
(континиумом) с текущим параметром w.
Поскольку
спектральные составляющие S°(kw) между ними
рировать
ими при работе с реальными сигналами неудобно, вводят новое понятие -
спектральная плотность или спектральная характеристика:
(1.16)
Хотя
интервал интегрирования задан в бесконечных пределах, но реально сигнал U(t)
отличен от нуля только в интервале t1..t2, и интегрирование необходимо
проводить в этом интервале. Аналогично как и с периодическими сигналами,
обратное преобразование Фурье для непериодических сигналов имеет вид:
(1.17)
Сравнение
формул для огибающей дискретного линейчатого спектра периодического сигнала
(1.3) и сплошной спектральной характеристики одиночного импульса (1.16)
указывает на отличие только в постоянном множителе. Аналогично с периодическими
сигналами, можно представить комплексную функцию S°(w) в показательном или
алгебраическом виде:
(1.18)
где:
(1.19)
(1.20)
Справедливы
также формулы (1.9), (1.10) перехода от алгебраической формы представления
комплексных чисел - в показательную:
(1.21)
(1.22)
Определим спектральную плотность одиночного прямоугольного импульса (рис.
1.12):
U(t)
= Uo при
, U(t) = 0 при остальных t.
Рис. 1.12
(1.23)
График
спектральной плотности одиночного прямоугольного импульса (рис. 1.13) совпадает
с огибающей спектра периодического сигнала.
Рис. 1.13 - Модуль спектральной плотности одиночного импульса
Рис. 1.14 - Фаза спектральной плотности одиночного импульса
Из формулы (1.23) можно сделать вывод о том, что с уменьшением
длительности одиночного импульса "r" расширяется главный лепесток
спектральной характеристики и наоборот: при увеличении длительности импульса
ширина спектральной характеристики сужается.
Отметим интересную особенность прямого (1.16) и обратного преобразования
Фурье (1.17). Их формулы отличаются постоянным множителем и знаком фазы.
Поэтому можно говорить о симметрии прямого и обратного преобразования Фурье.
Так, сигналу с модулем спектральной характеристики S(w) в виде
прямоугольника будет соответствовать одиночный импульс в виде графика sin(x)/x.
Используя математические преобразования, можно показать, что импульсу в
виде экспоненциального колокольчика соответствует спектральная характеристика в
форме экспоненциального колокольчика. Чем короче длительность импульса, тем
шире спектр, и наоборот.
Для преобразования Лапласа, как и для преобразования Фурье (которое
является частным случаем преобразования Лапласа) справедливы следующие
соотношения:
если продифференцировать исходную функцию, то это соответствует умножению
ее преобразованной функции на оператор (для преобразования Лапласа -
"p", для преобразования Фурье - "jw");
аналогично: интегрированию исходной функции соответствует деление
преобразованной (отображенной) функции на оператор (для преобразования Фурье -
"jw"),
т.к. преобразования Лапласа и Фурье являются линейными, то алгебраической
сумме исходных функций соответствует алгебраическая сумма преобразованных
функций,
сдвиг во времени исходной функции на "t к изменению фазовой
характеристики спектра на величину "wt
(1.24)
Применим эти соотношения для расчета спектра треугольного импульса (рис.
1.15):
Рис. 1.15 - Треугольный импульс
Рис. 1.16 - Производная треугольного импульса.
Можно вычислить спектральную характеристику по известным формулам (1.16),
но использование свойств преобразования Фурье упрощает вычисления.
Рассчитываем спектральную характеристику для производной треугольного
импульса (рис.1.16),состоящей из двух прямоугольных импульсов.
Спектральная характеристика для положительного импульса (см. рис. 1.16),
с учётом формул (1.23), (1.24), имеет вид:
Аналогично
для отрицательного импульса спектральная характеристика имеет вид:
Суммарная
спектральная характеристика двух импульсов:
Спектральная
плотность S3 треугольного импульса (рис. 1.15), являющегося интегралом от
рассматриваемых импульсов, получается делением рассчитанной спектральной
характеристики на "jw":
Необходимо
отметить, что уровень боковых лепестков спектра треугольного импульса убывает
быстрее, пропорционально 1/w0 (сплошная линия на рис. 1.17), а не 1/w, как в
случае прямоугольного импульса (пунктирная линия на рис. 1.17).
Рис.
1.17 - Спектральная характеристика треугольного импульса
Для
неискаженной передачи информации (сигнала) необходимо согласование
характеристик канала связи и параметров сигнала, т.е. "объем сигнала"
V (пропускной способности канала передачи информации)
где:
Fk - полоса частот канала;полоса частот сигнала;- динамический диапазон канала
связи;- динамический диапазон сигнала;
Тk
- время работы канала связи;
Тc
- длительность исгнала.
Рис. 1.18 - Объем сигнала Vc и объем сигналаVk
Условие (1.25) является необходимым, но не достаточным условием
согласования сигнала с каналом. Достаточное условие:
;
;
(1.26)
Если
одно из этих условий (1.26) не выполняется, но выполняется основное условие
(1.25), возможна передача информации с преобразованием сигнала.
Например,
если полоса сигнала Fc больше полосы канала связи Fk, возможна предварительная
запись сигнала на магнитофон, а при передаче воспроизведение этого сигнала с
меньшей скоростью. При этом полоса частот сигнала пропорционально уменьшается,
но увеличивается время передачи сигнала Тс.
Известны
случаи, когда при передаче сигнала по телефонной линии скорость работы модема
приходится уменьшать с ростом помех в канале (т.е. при уменьшении динамического
диапазона канала).Вследствие этого возрастает время передачи сигнала.
.3
Преобразование непрерывных сигналов в дискретные
В
любую систему информация поступает в виде сигналов. Различные параметры
физических процессов с помощью датчиков преобразуются в электрические сигналы.
Как правило, ими являются непрерывно изменяющиеся ток или напряжение (рис.
1.19).
Хотя
поступающую информацию можно хранить, передавать и обрабатывать как в виде
непрерывных, так и в виде дискретных сигналов, на современном этапе развития
информационной техники предпочтение отдается дискретным сигналам; поэтому
сигналы, как правило, преобразуются в дискретные.
В
технической литературе используются два близких понятия: квантование и
дискретизация (квантование по времени и по уровню дискретизация по времени и по
уровню). Эти термины употребляются как синонимы. Однако для однозначности
терминологии разделим это понятия.
Под
дискретизацией будем понимать преобразование функции непрерывного времени в
функцию дискретного времени, представляемую совокупностью величин, называемых
координатами (или дискретными отчетами), по значениям которых исходная
непрерывная функция может быть восстановлена с заданной точностью. Роль
координат часто выполняют мгновенные значения функции, отсчитанные в
определенные (дискретные) моменты времени (рис. 1.20).
Возможность
передачи по каналу связи вместо непрерывной функции ее дискретных координат
позволяет передавать по одному каналу большое количество разных сигналов в
промежутках между координатами.
Дискретизация
сигналов позволяет также обрабатывать эти сигналы в реальном масштабе времени,
т.е. в промежутках между приемом очередных дискретных координат производить
обработку ранее принятых значений сигнала в компьютере.
Рис.
1.19 - Непрерывный сигнал
Рис.
1.20 - Дискретный сигнал
Под
квантованием будем понимать преобразование некоторой величины с непрерывной
шкалой значений в величину, имеющую дискретную шкалу значений. Это
преобразование сводится к замене любого мгновенного значения сигнала одним из
конечного множества разрешенных значений, называемых уровнями квантования (рис.
1.21).
Рис. 1.21 - Квантованный сигнал
Причины перехода к дискретному и квантованному выражению сигналов заключаются
в следующем:
Для конкретных задач управления или измерения интересующего нас параметра
обычно требуется значительно меньше информации, чем ее поступает с датчиков в
виде непрерывных сигналов времени. Например, передача информации о температуре
воздуха возможна с дискретностью от 20 минут до 2 часов без заметных потерь
информации. Сами значения температуры можно передавать не в виде непрерывных
величин, а квантованных через 1°С. Однако, если контролировать температуру
больного, то может потребоваться передача информации с дискретностью 5..10
минут и уровнем квантования 0,1°С.
Во многих случаях информация извлекается и передается с целью дальнейшей
обработки на ЭВМ. Рациональное выполение операций дискретизации и квантования
влияет на достоверность передачи информации.
1.3.1 Постановка задачи дискретизации
Непрерывная функция времени заменяется дискретными отсчетами
(координатами) через равные промежутки времени (рис. 1.22).
T
- период дискретизации. Обратная величина
-
частота дискретизации (
). По формуле (1.16) можно рассчитать спектральную
плотность исходного непрерывного сигнала (рис. 1.23).
Рис. 1.22 - Дискретный сигнал
Рис. 1.23 - Спектральная плотность непрерывного сигнала
Рис. 1.24 - Спектральная плотность дискретного сигнала
По формуле (1.16) можно также рассчитать спектральную плотность
дискретного сигнала. Учитывая полную симметричность прямого (1.16) и обратного
(1.17) преобразования Фурье (которые отличаются только знаком фазы), можно
утверждать, что дискретизация сигнала по времени приведет к образованию
периодической функции спектральной плотности (рис. 1.25). (Аналогично:
периодический по времени сигнал имеет дискретный спектр).
Чем меньше период дискретизации T т.е. шире раздвигаются периодические
компоненты в спектре. Предельный случай при T плотности непрерывного
непериодического сигнала.
Передавая дискретный сигнал по каналу связи, на приемном конце его
необходимо восстановить до первоначального непрерывного сигнала. Очевидно, это
можно сделать с помощью фильтра низких частот (ФНЧ) с прямоугольной частотной
характеристикой и полосой от нуля до w
При увеличении времени дискретизации T поненты в спектре будут сближаться
и возможно их перекрытие (рис. 1.25).
Рис. 1.25 - Спектр сигнала с увеличенным временем дискретизации
Сигнал с таким спектром невозможно восстановить на приемном конце без
потерь. Поэтому условием достоверного восстановления непрерывного сигнала из
дискретных отсчетов является:
(1.27)
где:
Fc, Wc - максимальная частота спектра непрерывного сигнала
Все эти формулы называются - условием Котельникова-Найквиста. Если период
дискретизации T дискретных отсчетов U(kTнал U(t) с помощью идеального фильтра
низких частот (ФНЧ) с прямоугольной частотной характеристикой:
(1.28)
Соотношение
(1.28) является аналитическим выражением теоремы Котельникова-Найквиста.
Множитель:
(1.29)
можно
представить в виде временной функции типа sin(x) / x со сдвигом kTd
Умножая
в соответствии с теоремой Котельникова-Найквиса каждый дискретный отсчет U(kTd)
на множитель (1.29), можно восстановить непрерывный сигнал (рис. 1.26).
Рис.
1.26 - Восстановление непрерывного сигнала
Учитывая
симметричность прямого и обратного преобразования Фурье, можно утверждать, что
множитель (1.29) - это отображение во временном базисе идеального ФНЧ с прямоугольной
частотной характеристикой. Т.е. это - временной отклик идеального ФНЧ на
ДЕЛЬТА-функцию, которой моделируются дискретные отсчеты.
Практическая
реализация идеального прямоугольного ФНЧ представляет значительные трудности.
Поэтому на практике восстановление непрерывного сигнала из дискретного можно
осуществить более простыми, но менее точными методами:
Запоминание
дискретных отсчетов (апроксимация полиномом нулевого порядка) - реализуется на
элементах "выборки-запоминания".
Рис. 1.27 - Аппроксимация полиномом нулевого порядка
Кусочно-линейная апроксимация полиномом первого порядка. Значение
апроксимирующей функции U'(t) в произвольный момент времени t определяется по
формуле:
U'(t) = U(t)
(1.30)
где:
Рис. 1.28 - Аппроксимация полиномом первого порядка
- Более высокую точность обеспечивает апроксимация полиномом, имеющим
порядок выше первого. Кривая такой апроксимирующей функции может состоять из
отрезков дуг окружностей, отрезков парабол и т.п.
.3.2 Квантование непрерывных сигналов по уровню
При квантовании по уровню непрерывное множество значений функции U(t)
заменяется множеством дискретных значений. Для этого в диапазоне непрерывных
значений функции U(t) выбирается конечное число дискретных значений этой
функции (дискретных уровней) и в процессе квантования значение функции U(t) в
каждый момент времени заменяется ближайшим дискретным значением. В результате
квантования образуется ступенчатая функция U. Квантование по уровню практически
может осуществляться двумя способами. При первом способе мгновенное значение
функции U(t) заменяется ближайшим меньшим дискретным значением (рис. 1.29).
Расстояние между соседними дискретными уровнями называется интервалом (или
шагом) квантования A. Различают равномерное квантование по уровню, при котором
шаг квантования A но, когда шаг квантования непостоянен. На практике
преимущественно применяется равномерное квантование в связи с простотой
технической реализации.
Вследствие квантования функции по уровню появляются методические
погрешности, т.к. действительное мгновенное значение функции U(t) заменяется
дискретным значением U ность D квантования (или шумом квантования), имеет
случайный характер.
При втором способе квантования мгновенное значение функции заменяется
ближайшим меньшим или большим дискретным значением, т.е. округляется до
ближайшего целого значения.
Рис. 1.29 - Квантование непрерывного сигнала
Алгоритм квантования с округлением аналогичен алгоритму округления чисел
в компьютерах: функция U(t) увеличивается на половину шага квантования 0,5A
квантования с отбрасыванием дробной части (рис. 1.30).
Рис. 1.30 - Квантование сигнала с округлением
При втором способе квантования абсолютное значение погрешности
квантования D амплитуда шума квантования: D квантования одинаковая и равна шагу
квантования A
.3.3 Выбор величины шага квантования
Выбор шага квантования определяется необходимой информативностью
передаваемых сигналов. Так для передачи по каналу связи информации о
температуре воздуха достаточно выбрать шаг квантования Ak=1°C для передачи информации о
температуре больного A=0,1°C
Проведение процедуры квантования приводит к появлению погрешности
квантования. Эта погрешность вызывает искажения передаваемых сигналов.
Абсолютная погрешность квантования не превышает шага квантования Ak и имеет
размерность передаваемого сигнала.
Относительная погрешность квантования:
(1.32)
не превышает величины:
является
безразмерной величиной и измеряется в "разах".
Например,
относительная погрешность квантования информации (сообщений) о температуре
воздуха составляет:
Относительные
величины принято выражать в дециБелах :
, (1.33)
или
Неперах:
. (1.34)
При этом относительная погрешность квантования сообщений о температуре
воздуха составляет:
Величина,
обратная относительной погрешности, называется динамическим диапазоном
передаваемых сообщений:
. (1.35)
Динамический
диапазон также можно выразить в дециБелах или Неперах:
.
Динамический
диапазон непрерывных сообщений (сигналов) определяется отношением максимального
сигнала к уровню шумов в непрерывном сигнале.
Например,
когда мы говорим о динамическом диапазоне акустических сигналов, за уровень
шума (или минимального акустического сигнала) принимается уровень шума в лесу в
безветренную погоду. При этом мощность акустического сигнала при спокойном
разговоре нескольких человек в 1000 раз больше или составляет 30дБ. Уровень
шума на проезжей части улицы в час пик оценивается в 1000000 раз больше
мощности шума в безветренном лесу или 60дБ. Шум моторов реактивного самолета по
мощности в 1Е12 раз больше минимального шума леса или 120дБ. Обычно этот
уровень называют порогом болевых ощущений для акустического аппарата человека
(уха).
Таким
образом, говоря об уровне акустического сигнала в дБ, мы сравниваем этот сигнал
с минимальным шумом. Максимальный динамический диапазон акустических сигналов,
воспринимаемых человеческим ухом - 120дБ.
Акустический
сигнал с таким диапазоном можно преобразовать в аналоговый электрический сигнал
(например, в напряжение) с помощью икрофона.
Однако,
передача такого сигнала через реальные каналы связи: проводной (телефонный),
радиоканал, запись и воспроизведение на магнитофон или другие носители
информации - происходит спотерей динамического диапазона.
Динамический
диапазон аналоговых каналов связи составляет от 20дБ до 60дБ. Это объясняется
наличием шумов в каналах связи.
Квантование
аналоговых сигналов на передающем конце и передача цифровых сигналов по каналам
связи - позволяет передавать сигналы с динамическим диапазоном 90дБ и более.
Например, запись музыкальных программ на лазерные Компакт-диски (CD).
.4
Количественная оценка информации
Всякая
информация получается потребителем после принятия сообщения, т.е. в результате
опыта. Сообщение, получаемое на приемной стороне, несет полезную информацию
лишь в том случае, если имеется неопределенность относительно состояния
источника сообщений.
Если
опыт имеет лишь один исход и не содержит никакой неопределенности, то
наблюдатель заранее будет знать исход этого опыта. В результате осуществления
такого опыта наблюдатель не получит никакой информации.
Пусть
опыт имеет два исхода Х1 и Х2 с вероятностями Р(Х1) и Р(Х2). Например,
результат контроля должен указать, что проверяемый параметр находится в
пределах нормы или за ее пределами. Передаваемое сообщение может принимать два
значения и содержит пре деленную информацию.
Если
контролируемая в опыте величина (напряжение, температура, вес и т.п.) может
принимать с определенными вероятностями, например 10 различных значений, то
предварительная неопределенность относительно исхода опыта будет больше, а
поступившее сообщение о конкретном исходе опыта дает более уточненную
характеристику состояния источника (т.е. больше информации).
В
общем случае источник может передавать "n" независимых и
несовместимых сообщений Х1, Х2,...Хn, с вероятностями P(X1), Р (Х2),... Р(Хn)
соответственно.
Естественно,
чем меньше априорная вероятность события, тем больше неопределенность о
возможности наступления этого события.
Поэтому
хотелось бы принять в качестве меры неопределенности отдельного сообщения, а
также передаваемой им информации, величину, обратную его априорной вероятности:
1/P(Xi).
Однако,
такая мера неудобна тем, что в случае, когда опыт имеет только один исход, т.е.
вероятность такого события равна единице, - количество информации, согласно
принятой мере, равно единице. В действительности результат такого опыта не дает
никакой нформации.
Более
удобной является логарифмическая мера количества информации:
(1.36)
Это выражение характеризует количество информации в сообщении Х
сообщения:
(1.37)
Эту величину, характеризующую неопределенность одного i-того сообщения,
принято называть частной энтропией.
Количество информации и неопределенность для всей совокупности случайных
сообщений можно получить усреднением по всем событиям:
(1.38)
(1.39)
Эти
зависимости выражают среднее на одно событие (сообщение) количество информации
и энтропии. Термин "энтропия" заимствован из термодинамики, где
аналогичное выражение характеризует среднюю неопределенность состояния системы
молекул вещества.
Несмотря
на совпадение зависимостей (1.38) и (1.39), энтропия и количество информации
принципиально различны. энтропия Н(Х), выражающая среднюю неопределенность
состояния источника сообщений, является объективной характеристикой источника
сообщений и может быть вычислена априорно (до получения сообщения).
Количество
информации I(X) определяется апостериорно (после получения сообщения). Н(Х) -
энтропия - это мера недостатка информации о состоянии системы. С поступлением
информации о состоянии системы энтропия (т.е. неопределенность) уменьшается.
Количество
получаемой информации I(X) равно численно энтропии Н(Х), которая имела место
относительно источника сообщения до передачи информации.
Информация
рассматривается как мера уничтожения, снятия неопределенности.
При
передаче сообщения за счет действия помех возможно получение искаженного
сигнала. Это приводит к неполному снятию неопределенности (а иногда и к
увеличению неопределенности). Поэтому количество информации I(X) численно может
не совпадать с приорной неопределенностью H(X).
Единицы
измерения количество информации и энтропии зависят от выбора основания
логарифма. При использовании десятичных логарифмов количество информации и
энтропия определяются в десятичных единицах - ДИТАХ.
При
анализе информационных процессов в ЭВМ, функционирующих на основе двоичной
системы счисления, удобно использовать двоичное основание логарифма, а
количество нформации и энтропия измеряются в двоичных единицах - БИТАХ.
При
использовании натуральных логарифмов единицей измерения является - НИТ.
В
случае равной вероятности сообщений количество передаваемой информации
определяется по формуле :
(1.40)
где: n = 1 / P(X) - количество передаваемых сообщений
.4.1 Свойство энтропии дискретных сообщений
-
Энтропия есть величина вещественная, неотрицательная и ограниченная (если
учесть, что
).
- Энтропия детерминированных сообщений равна нулю. Если заранее известно,
что вероятность события Р(Хi) = 1, а вероятности остальных событий Р(Хi)=0,
аостальные слогаемые равны нулю, поскольку предел lim (x * log x) при х Þ 0 также равен нулю.
Энтропия максимальна, если все события равновероятны. Рассмотрим на
примере:
Бросание кости с 6-ю гранями может привести к 6-ти исходам. Если все
варианты равновероятны, то:
(X) = log (6) = 2,585 (бит).
Допустим, за счет смещения центра тяжести вероятности выпадания сторон
равны:
(1) = 0,5 ; P(2) = P(3) = P(4) = P(5) = 0,11 ; P(6) = 0,06
Средняя энтропия всех исходов равна:
(X) = - [0,5 * log 0,5 + 4 * (0,11 * log 0,11) + 0,06 * log 0,06](X) =
2,344 (бит).
Энтропия равновероятных событий возрастает с увеличением количества
событий, что следует из формулы (1.40).
Энтропия двухальтернативных событий может изменяться в пределах от 0
(вероятность одного из событий равна Р(Х) до 1 (бит) - при равновероятных
событиях.
Задача: Определить минимальное количество взвешиваний, которое необходимо
произвести на уравновешивающих весах (аптечных), чтобы среди 27 внешне
неотличимых монет найти одну фальшивую, более легкую.
При случайном поиске монеты общая неопределенность одного опыта:
.
Одно
взвешивание имеет 3 исхода : левая чаша легче, правая чаша легче, весы
находятся в равновесии. Поэтому после одного взвешивания равномерного
количества монет неопределенность уменьшится на величину :
H(X') = log 3.
Из этих равенств следует, что для снятия полной неопределенности
потребуется 3 взвешивания.
.4.2 Энтропия сложных сообщений
Реально наблюдаемые случайные процессы могут быть независимыми или
взаимосвязаны.
Например, бросание кости в нескольких опытах - это независимые процессы -
в каждом опыте выпадание цифры "4" не зависит от того, какая цифра
выпала в предыдущем опыте.
Пример зависимых событий: при передаче телеграмм после согласной буквы
более вероятно появление гласной буквы, чем второй согласной.
Следующий пример зависимых событий: на трамвайной остановке возле нашего
дома останавливаются трамваи трех маршрутов. Условно назовем их "маршрут
1", "маршрут 2" и "маршрут 3". В результате
многократных наблюдений мы установили: при ожидании трамвая вероятность прихода
первым "маршрута 1" - Р(V1) = 0,15, вероятность прихода первым
"маршрута 2" - P(V2) = 0,3, а - "маршрута 3" - P(V3) =
0,55. Сумма всех вероятностей равна 1, потому что какой-нибудь маршрут приедет
(независимо от времени ожидания).
Допустим, при подходе к остановке отошел трамвай "маршрута 2".
Вероятность того, что следующим подойдет трамвай этого маршрута P(U2/V2), -
очень мала; а вероятности прихода трамваев других маршрутов увеличиваются.
Из наших рассуждений можно составить матрицу условных вероятностей
прихода во втором опыте (событие U) трамваев каждого маршрута, если известно,
какой трамвай приходил в первом опыте (обозначим первый опыт - событие V):
│ P(U1/V1) P(U2/V1) P(U3/V1) │(U/V) = │ P(U1/V2)
P(U2/V2) P(U3/V2) │ (1.41)
│ P(U1/V3) P(U2/V3) P(U3/V3) │ .
Сумма вероятностей каждой строки матрицы (1.41) равна 1, потому что
независимо от исхода первого опыта, во втором опыте какой-нибудь маршрут
обязательно приедет.
│ 0,05 0,3 0,65 │(U/V) = │ 0,2 0,15 0,65 │
│ 0,2 0,3 0,5 │ .
Кроме условных вероятностей можно составить матрицу вероятностей
совместного появления двух событий :
│ P(U1,V1) P(U2,V1) P(U3,V1) │(U,V) = │ P(U1,V2)
P(U2,V2) P(U3,V2) │ (1.42)
│ P(U1,V3) P(U2,V3) P(U3,V3) │ ,
где: P(U2,V1) - вероятность того, что в первом опыте - приедет трамвай
1-го маршрута, а во втором опыте - трамвай 2-го маршрута.
Вероятность совместного появления двух событий равна произведению
условной вероятности на безусловную вероятность события в первом опыте:
P(U2,V1) = P(V1) * P(U2/V1). (1.43)
Поэтому матрицу вероятностей совместного появления двух событий можно
представить в таком виде :
│ P(V1)*P(U1/V1) P(V1)*P(U2/V1) P(V1)*P(U3/V1) │(U,V) = │
P(V2)*P(U1/V2) P(V2)*P(U2/V2) P(V2)*P(U3/V2) │ (1.44)
│ P(V3)*P(U1/V3) P(V3)*P(U2/V3) P(V3)*P(U3/V3) │
Из этого следует, что сумма всех элементов матрицы (1.44) равна 1.
Энтропия (неопределенность) появления в первом опыте события V, а во
втором, связанном с ним события U, равна:
(1.45)
где:
H(V) - энтропия первого события;(U/V) - условная энтропия.
Основной
смысл условной энтропии H(U/V) состоит в том, что она показывает, на сколько
увеличивается энтропия второго события U, когда уже известна энтропия первого
события V.
.4.3
Свойства энтропии сложных сообщений
При
статистически независимых сообщениях U и V совместная энтропия равна сумме
энтропии сообщений :
(U,V)
= H(U) + H(V). (1.46)
Пример:
при двухкратном бросании кости выпадание в первом опыте "3", а во
втором "5" - является статистически независимым:
При полной статистической зависимости сообщений U и V совместная энтропия
равнабезусловной энтропии одного из сообщений:
(Uj/Vi) = 0 ; H(U/V) =0 ; H(U,V) = H(U) = H(V). (1.47)
Следствием первых двух свойств является то, что условная энтропия
ограничена пределами:
. (1.48)
Для
совместной энтропии справедливо соотношение (следствие предыдущих свойств):
. (1.49)
Пример:
для двух событий X и Y приведены вероятности совместных событий P(X,Y):
Определить:
энтропию сообщений X и Y;
энтропию
совместного события H(X,Y);
условные
энтропии H(X/Y), H(Y/X).
Решение:
(X1)
= 0,1 + 0,25 = 0,35 ;
P(X2) = 0,2 ;(X3) = 0,3 + 0,15 = 0,45 ;(Y1) = 0,1 + 0,2 + 0,3 = 0,6 ;(Y2)
= 0,25 + 0,15 = 0,4.
Энтропии отдельных событий:
Энтропия
совместного события:
Условные
энтропии:
H(Y/X) = H(X,Y) - H(X) = 2,228 - 1,512 = 0,716 (бит);
H(X/Y) = H(X,Y) - H(Y) = 2,228 - 0,971 = 1,257 (бит).
2. Базовые логические элементы
.1 Электронный ключ на биполярном транзисторе
Основным элементом вычислительных машин является электронный ключ, имеющий
два устойчивых состояния: "включен" - "выключен"; или
"высокий уровень" - "низкий уровень". Условимся называть
"низкий уровень" - логическим нулем, а "высокий уровень" -
логической единицей.
Электронный ключ может быть реализован на активных элементах: биполярных
или полевых транзисторах, на туннельных диодах, на тиристорах и др.
В интегральной схемотехнике наиболее широко используется электронный ключ
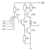
на биполярном транзисторе (рис. 2.1).
Рис. 2.1 - Насыщенный электронный ключ
Входной импульс напряжения Uвх положительной полярности подается на базу
транзистора VT через токоограничивающий резистор Rб. Выходное напряжение в виде
отрицательного импульса Uвых снимается с коллекторной нагрузки Rк.
Междуэлектродные емкости транзистора показаны в виде конденсаторов Сбэ, Сбк,
Скэ. Емкость нагрузки, а также паразитная емкость монтажа объединены в
конденсаторе Сн.
Транзисторный ключ (рис. 2.1) может находиться в одном из трех режимах:
режим отсечки, активный режим, режим насыщения. В режиме отсечки оба перехода
транзистора (база-эмиттер и базаколлектор) находятся в закрытом
(нетокопроводящем) состоянии. В активном режиме переход база-эмиттер открыт, а
переход база-коллектор - закрыт. В режиме насыщения - оба перехода открыты.
Очень редко в некоторых схемах используется инверсный режим, при котором
переход база-эмиттер закрыт, а переход база-коллектор открыт.
Рис. 2.2 - Входная Вольт-Амперная характеристика транзистора
На входной Вольт-Амперной характеристике (ВАХ) кремниевого биполярного
транзистора (рис. 2.2) выделим три области:
левее точки А - область отсечки; через переход база-эмиттер протекает
очень маленький (доли микроампер) тепловой ток не основных носителей I;
нелинейный участок между точками А и В - квадратичный участок (в
некоторых книгах он называется - экспоненциальный участок);
относительно линейный участок выше точки В, на котором ток базы резко
возрастает при увеличении напряжения Uбэ.
На выходной Вольт-Амперной характеристике (ВАХ) (рис.2.3) выделим рабочую
область, ограниченную сверху максимальным током коллектора (Iк макс), справа
ограниченную максимально допустимым напряжением коллектор-эмиттер (Uкэ макс), а
также ограниченную гиперболой максимально допустимой мощности рассеивания (Рк
макс).
Рис. 2.3 - Выходная Вольт-Амперная характеристика транзистора
В пределах рабочей области строим нагрузочную прямую, проходящую через
две точки: (рис. 2.3).
на горизонтальной оси через точку Uкэ = Ек;
на вертикальной оси через точку Iк = Ек / Rк.
На этой прямой выделим точку режима отсечки "О" и точку режима
насыщения "Н".
. (2.1)
Отрезок
нагрузочной прямой между точками "О" и "Н" соответствует
активному режиму работы транзистора.
На
входной Вольт-Амперной характеристике (рис. 2.2) режиму насыщения соответствует
участок выше точки "Н". В этой точке ток базы равен:
где:
h21 - коэффициент усиления транзистора по току
Между
точками "А" и "Н" (на рис. 2.2) находится участок активного
режима работы транзистора.
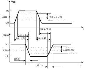
Рассмотрим
работу электронного ключа с режима отсечки (до момента времени t0 на рис. 2.4).
Рис.
2.4.1
Рис. 2.4.2
Рис. 2.4.3
Рис. 2.4.4
Рис. 2.4.5
На входе схемы напряжение равно нулю (рис. 2.4.1). На переходе
база-эмиттер напряжение также равно нулю (см. рис. 2.4.2);
Ток базы Iб (рис. 2.4.3) и ток коллектора Iк (рис. 2.4.4) близки к нулю
(если не считать начальный ток I).
В момент t0 появилось входное напряжение (рис. 2.4.1). Однако, напряжение
на переходе база-эмиттер (рис. 2.4.2) будет плавно нарастать до момента времени
t1 по экспоненте за счет заряда конденсаторов Сбэ и Сбк через резистор Rб.
В момент времени t1 напряжение на переходе база-эмиттер достигло 0,5
Вольт (рис. 2.4.2). При дальнейшем увеличении напряжения база-эмиттер до
величины примерно 0,7В (рис. 2.4.2) появляется ток базы (рис. 2.4.3) и ток
коллектора (рис. 2.4.4). От момента времени t1 до t2 транзистор работает в
активном режиме. Конденсатор Сбк включен в цепь отрицательной обратной связи
(см. рис.2.1). Такая схема называется "интегратор Миллера". Ток базы
и ток коллектора линейно возрастают до режима насыщения. Напряжение Uкэ (рис.
2.4.5) уменьшается от максимального значения в момент времени t1 (чуть меньшего
напряжения источника питания Ек) до минимального значения (Uкэ нас ў
0,2...0,4В) в момент времени t2.
В дальнейшем (до момента t3) ток коллектора Iк и напряжение Uкэ не
изменяются, а ток базы возрастает до максимального значения:
б вх = Uвх / Rб . (2.3)
Отношение:
Кнас = Iб вх / Iб нас (2.4)
называется коэффициент насыщения. Это отношение показывает во сколько раз
реальный входной ток базы (Iб вх) больше необходимого для насыщения тока базы -
Iб нас (см. формулу (2.2)).
В момент времени t3 заканчивается переходной процесс и электронный ключ
находится во втором состоянии. В режиме насыщения напряжение на базе Uбэ =
0,7...0,8В, а напряжение на коллекторе Uкэ = 0,2...0,4В.
В момент времени t4 заканчивается входной импульс. Однако накопившиеся в
конденсаторе Сбэ заряды будут постепенно разряжаться через переход база-эмиттер
с уменьшением тока базы до величины Iб нас (см. рис. 2.4.2 и рис. 2.4.3). При
этом ток коллекторак и напряжение Uкэ (см. рис. 2.4.4 и рис. 2.4.5) не
изменяются, т.е. транзистор продолжает оставаться в режиме насыщения. Интервал
времени между t4 и t5 называется временем рассасывания. Это время будет тем
больше, чем больше коэффициент насыщения (см. формулу (2.4)).
С момента времени t5 до момента времени t6 транзистор находится в
активном режиме с постепенным уменьшением тока базы (рис.2.4.3) и тока
коллектора (рис. 2.4.4).
При закрывании транзистора (с момента времени t5 до t7) возрастание
напряжения Uкэ замедляется за счет заряда конденсаторов Скэ и Сн (см. рис. 2.1)
от источника питания +Ек через резистор Rк.
В момент времени t7 можно считать переходной процесс завершенным,
электронный ключ возвращается в исходное состояние. Обычно время закрывания
электронного ключа (от момента t4 до t7) значительно больше времени открывания
электронного ключа (от t0 до t3).
При выборе элементов электронного ключа необходимо учитывать, что
амплитуда напряжения входного импульса равна амплитуде напряжения выходного
импульса (т.е. почти равна напряжению источника питания +Ек). С учетом формул
(2.1) - (2.4) можно записать:
(2.5)
(2.6)
Коэффициент
усиления по току h21 у транзисторов даже одной пачки может изменяться в
несколько
раз (например, от 40 до 120). Поэтому коэффициент
насыщения электронного ключа (Кнас), зависящий от параметров применяемого
транзистора, может изменяться в широких пределах. С ростом коэффициента
насыщения увеличивается время рассасывания электронного ключа. Следовательно,
быстродействие ключевых схем сильно зависит от параметров применяемых
транзисторов.
Для
повышения быстродействия ключевых схем желательно не доводить транзистор до
насыщения, а работать в активном режиме - при этом время рассасывания будет
равно нулю. На рис. 2.5 приведена схема ненасыщенного электронного ключа с
диодом Шотки (VD) в цепи обратной связи.
Диод
Шотки реализован на переходе металл-полупроводник (p-типа или n-типа). Такой
диод открывается при напряжении 0,1...0,2В.
Рис.
2.5 - Ненасыщенный электронный ключ с диодом Шотки
Работа
ненасыщенного ключа до момента времени t2 аналогична работе насыщенного ключа
(см. рис. 2.4). Однако, в режим насыщения такой ключ (рис. 2.5) не войдет,
потому что при напряжении Uбэ = 0,6...0,7 Вольт транзитстор почти открыт,
напряжение на переходе коллектор-эмиттер составляет: Uкэ = 0,4...0,5 В -
поэтому откроется диод Шотки VD и весь дополнительный входной ток потечет не в
базу транзистора, а через открытый диод Шотки и переход коллектор-эмиттер
транзистора VT.
Поэтому
транзистор находится в активном режиме и, по окончании входного импульса Uвх,
сразу переходит к этапу закрывания транзистора, минуя стадию рассасывания (рис.
2.4).
Необходимо
отметить, что напряжение Uкэ открытого ненасыщенного ключа (рис. 2.5) больше,
чем у насыщенного ключа, и составляет 0,4...0,7 Вольт.
Повышение
быстродействия ключевых схем достигается также уменьшением времени перезаряда
конденсаторов Сбэ, Сбк, Скэ и Сн (см. рис. 2.1) за счет увеличения токов в
схеме, т.е. за счет уменьшения номиналов резисторов Rк и Rб. При этом увеличение
быстродействия ключевых схем сопровождается пропорциональным увеличением
потребляемой мощности.
Максимальное
быстродействие, т.е. минимальное расстояние между соседними импульсами
определяется длительностью фронта нарастания импульса и длительностью фронта
спада импульса. Поэтому одним из путей повышения быстродействия является
уменьшение амплитуды импульсов, т.е. уменьшение перепада напряжения между
высоким логическим уровнем и низким логическим уровнем. Учитывая линейность
нарастания и спада напряжения на фронтах импульсов, уменьшение расстояния между
логическими уровнями приводит к уменьшению длительности фронтов импульсов (рис.
2.6), т.е. к повышению быстродействия.
Рис.
2.6 - Зависимость длительности фронтов импульсов от расстояния между
логическими уровнями
.2
Общие сведения о технологии изготовления интегральных микросхем
В
зависимости от технологии изготовления интегральные схемы (ИС) могут быть:
полупроводниковыми, пленочными или гибридными.
В
полупроводниковой ИС все элементы и межэлементные соединения выполнены в объеме
и на поверхности полупроводника.
В
пленочной ИС все элементы и межэлементные соединения выполнены только в виде
пленок проводящих и диэлектрических материалов. Различают тонкопленочные и
толстопленочные ИС.
К
тонкопленочным условно относят ИС с толщиной пленок до 1 мкм, а толстопленочным
- ИС с толщиной пленок свыше 1 мкм.
Качественные
различия определяются технологией изготовления пленок.
Элементы
тонкопленочных ИС наносятся на подложку, как правило, с помощью термовакуумного
осаждения или катодного распыления; а элементы толстопленочных ИС
изготавливаются преимущественно методом шелкографии с последующим вжиганием.
Гибридные
микросхемы содержат на подложке кроме пленочных элементов простые и сложные
компоненты (например, кристаллы полупроводниковых ИС).
Частным
случаем гибридной ИС является многокристальная ИС (совокупность нескольких
бескорпусных ИС на одной подложке).
Преимущества
полупроводниковых ИС перед гибридными таковы:
более
высокая надежность вследствие меньшего числа контактных соединений;
большая
механическая прочность благодаря меньшим (примерно на порядок) размерам
элементов;
меньшая
себестоимость изготовления полупроводниковых ИС вследствие более эффективного
использования преимуществ групповой технологии.
В
зависимости от функционального назначения ИС делятся на две основные категории
- аналоговые и цифровые.
Аналоговые
ИС (АИС) предназначены для преобразования и обработки сигналов, изменяющихся по
закону непрерывной функции.
Цифровые
ИС (ЦИС) преобразовывают и обрабатывают сигналы, выраженные в двоичном или
другом коде. Вариантом определения ЦИС является термин логическая ИС (ЛИС).
В полупроводниковых ИС в качестве активных элементов могут использоваться
биполярные и полевые транзисторы. Полупроводниковые ИС (особенно цифровые) с
биполярными транзисторами отличаются высоким быстродействием.
Полупроводниковые цифровые ИС на полевых транзистрах со структурой n-МОП
отличаются самой высокой плотностью упаковки и наименьшей стоимостью
изготовления. Цифровые ИС со структурой КМОП очень экономичны и обладают
высоким быстродействием.
.2.1 Материалы для изготовления полупроводниковых ИС
Для изготовления полупроводниковых ИС используются в большинстве случаев
пластины монокристаллического кремния p-типа или n-типа проводимости. В
качестве легирующих примесей, с помощью которых изменяют проводимость исходного
материала пластины, применяют соединения бора, сурьмы, фосфора, алюминия,
галлия, индия, мышьяка, золота и др.
Для создания межсоединений и контактных площадок используют алюминий,
медь или золото. Весьма перспективен как материал проводников - кристаллический
поликремний (который не обладает полупроводниковыми свойствами).
Как материал диэлектрических покрытий и изоляции элементов используют
двуокись кремния или нитрид кремния.
Применяемые материалы должны обладать очень высокой чистотой: содержание
молекул примесей в большинстве материалов, используемых при изготовлении
полупроводниковых микросхем, не должно превышать 1Е-5...1Е-9 от количества
молекул основного материала.
.2.2 Основные технологические операции изготовления полупроводниковых ИС
Механическая обработка кремния. От цилиндрического слитка
монокристаллического кремния (диаметром до 150 мм) отрезаются круглые пластины толщиной
250...600 мкм. (На одной такой пластине будут формироваться в едином
технологическом процессе десятки или сотни полупроводниковых микросхем).
Поверхность пластин шлифуется, толщина слоя шероховатости уменьшается до 1..2
мкм. Для окончательной доводки поверхности пластин применяется химическое
травление.
Эпитаксиальное наращивание. Термин "эпитаксия" обозначает
процесс ориентированного наращивания монокристаллической решетки кремния
пластины за счет осаждения слоев. При введении дополнительных примесей получают
эпитаксиальные слои с заданным типом проводимости. (Например, на пластине
кремния с проводимостью p-типа можно получить эпитаксиальную пленку с
проводимость n-типа). Эпитаксиальный слой, представляющий собой
монокристаллическое продолжение основного материала, не имеет механических
дефектов и напряжений. Эпитаксиальное наращивание производят в специальных
печах при температуре около 1200°С. Скорость увеличения толщины пленки -
несколько микрометров в час.
Наиболее широко используются эпитаксиальные пленки толщиной 1...10 мкм. У
быстродействующих цифровых ИС толщина пленки должна быть не более 1мкм.
Окисление поверхности пластины. Для защиты и маскирования поверхности
кремния при операциях диффузии применяется окисление пластин в атмосфере кислорода
или паров воды при температуре 1000...1300°С. Толщина наращиваемого окисла -
около 1 мкм.
Фотолитография. Комплекс фотолитографических процессов повторяется в
технологическом процессе изготовления полупроводниковых ИС неоднократно (от 3
до 14 раз и более). Каждый раз на окисленную пластину кремния наносится тонкий
слой (толщиной около 1 мкм) светочувствительной эмульсии - органического
фоторезиста, который засвечивается через фотошаблон от источника
ультрафиолетового излучения. После проявления фоторезиста слабым раствором
щелочи можно "вскрыть" необходимые "окна" на поверхности
окисла кремния. В этих окнах смесью фтористого аммония и плавиковой кислоты
двуокись кремния стравливается и тем самым селективно (выборочно) открывается
поверхность кремния для диффузии.
Диффузию примеси в кремний проводят в диффузионных печах при температуре
примерно 1200°С. Для получения проводимости n-типа применяют диффузианты:
фосфор, сурьму, мышьяк; для получения проводимости p-типа - бор, галлий, индий.
Создание межсоединений. Для создания "монтажа" между элементами
полупроводниковой ИС пластина кремния со сформированными элементами
(транзисторами, диодами, резисторами и др.) покрывается слоем осажденного
алюминия толщиной 0,5...2 мкм, который затем в ненужных местах стравливается
через соответствующие окна фоторезиста (после заключительной операции
фотолитографии). При этом на поверхности полупроводника остается рисунок
соединительных алюминиевых проводников, имеющих ширину около 10 мкм, а также
контактных площадок.
Электрические параметры ИС измеряются еще на неразрезанной пластине с
помощью контактных зондов. Неработающие ИС отмечаются краской.
Пластина разделяется на отдельные кристаллы. Отмаркированные неработающие
ИС бракуют сразу, остальные кристаллы осматривают под микроскопом.
Монтаж кристаллов на металлические основания корпусов осуществляется
пайкой с образованием золотой эвтектики. В стеклянных или пластмассовых
корпусах, в которых отсутствуют металлические пластины в основаниях корпусов,
кристаллы прикрепляются к несущей рамке легкоплавким стеклом в атмосфере
инертного газа при температуре не более 525°С. Затем производят монтаж выходных
контактных площадок на внутренние выводы корпуса.
Для надежной защиты от воздействия внешней среды при эксплуатации
кристаллы упаковывают в герметичные корпуса. Пластмассовый корпус (наиболее
дешевый) имеет пластмассовое тело, полученное путем опресовки кристалла и рамки
выводов.
2.2.3 Технологии типовых интегральных структур
При создании полупроводниковых ИС наиболее широко применяется
планарно-эпитаксиальная технология (она же используется для изготовления
современных дискретных транзисторов). Изоляция элементов, расположенных на
одном кристалле (транзисторы, диоды, резисторы и др.), осуществляется при
помощи обратносмещенных p-n переходов. Недостатками такого метода изоляции
структур считаются :
увеличенные паразитные емкости и токи утечки между отдельными элементами;
большая площадь элементов (с учетом площади изолирующих областей);
относительно невысокие пробивные напряжения и низкая радиационная
стойкость.
Однако структуры с p-n изоляцией наиболее просты в изготовлении и, как
следствие, самые дешевые.
В изопланарной технологии изоляция элементов (транзисторов, диодов и др.)
осуществляется травлением канавок между элементами с последующим термическим
окислением поверхности этих канавок. Слой двуокиси кремния (является хорошим
изолятором) образует как стенки, так и дно каждого интегрального элемента,
создавая диэлектрический карман (отсюда малые электрические утечки). Такая
технология позволяет получать более высоковольтные интегральные элементы при
меньших размерах.
Дальнейшим развитием изопланарной технологии является полипланарный
процесс, позволяющий значительно уменьшить размеры элементов.
Еще большую плотность размещения элементов позволяет получить технология
с использованием анизотропного травления канавок (травление вдоль
кристаллографических осей).
Интегральные диоды обычно создаются из транзисторных структур. В качестве
диодов могут быть использованы переходы база - эмиттер или база - коллектор. В
некоторых случаях переход база - эмиттер используется как стабилитрон (диод
Зенера).
Омические резисторы создаются в объеме полупроводника или напыляются на
поверхность кристалла в виде тонких пленок. Температурный коэффициент сопротивления
объемных полупроводниковых резисторов очень велик и имеет положительный знак.
Сопротивление таких резисторов ограничивается только размерами
полупроводниковой подложки и может достигать 40 кОм.
В качестве конденсаторов малого номинала можно использовать смещенный в
обратном направлении p-n переход. При этом удельная емкость может достигать 200
нФ/см¤ при пробивном напряжении в несколько сотен Вольт. Емкость p-n перехода
не линейно зависит от приложенного напряжения. Такие конденсаторы полярны, т.е.
не пригодны для работы в цепях переменного тока.
Большое разнообразие технологических процессов используется при
изготовлении полупроводниковых ИС на полевых транзисторах. Эти транзисторы
образованы тремя слоями : металл (затвор), окись кремния (изоляция затвора от
канала), полупроводник (области истока, канала и стока). Поэтому такие
структуры называются МОП ИС.
С целью повышения быстродействия МОП структур применяется технология с
использованием кремниевых затворов. Вместо слоя металла используется области
сильнолегированного кремния толщиной около 1 мкм.
Применение в составе МОП ИС полевых транзисторов с разным типом
проводимости (p-канальных и n-канальных) позволяет создавать цифровые ИС с
относительно высоким быстродействием (100...200 МГц и более) при очень малой
статической потребляемой мощности. Эти структуры называются КМОП (буква К - от
слова комплиментарный, дополнительный).
В числе перспективных технологических направлений продолжает оставаться
технология КМОП ИС, использующая кристаллографическую совместимость
монокристалла кремния и сапфира (кремний на сапфире - КНС). Такие ИС имеют
высокое быстродействие, но остаются очень дорогими.
Наибольшее быстродействие имеют ИС на основе арсенида галлия. Впятеро
большая подвижность электронов в монокристаллах этого двухэлементного
полупроводника (чем в кремнии) позволяет создавать в объеме арсенида галлия
структуры с пропорционально более высоким быстродействием. В цифровых ИС на
полевых транзисторах с барьером Шотки и со связью на барьере Шотки достигается
быстродействие до 10 ГГц. Основные трудности, связанные с внедрением в
производство ИС на основе арсенида галлия, связаны с обеспечением сохранения
параметров приборов при их производстве. Разброс параметров получается намного
больше, чем при использовании кремния.
Таблица 2.1 -
Количественная оценка сложности ИС
|
Степень интеграции
|
Вид ИС
|
Тип транзисторов
|
Количество элементов на
кристале
|
|
Малые интегральные схемы
МИС
|
Цифровые Аналоговые
|
Биполярные Полевые Бипол.,
Полевые
|
1…100 1…30
|
|
Среднии интегральные схемы
СИС
|
Цифровые Аналоговые
|
Биполярные Полевые Бипол.,
Полевые
|
100…500 100…10000 30…100
|
|
Большии интегральные схемы
БИС
|
Цифровые Аналоговые
|
Биполярные Полевые Бипол.,
Полевые
|
500…2000 1000…10000 100…300
|
|
Сверхбольшии интегральные
схемы СБИС
|
Цифровые Аналоговые
|
Биполярные Полевые Бипол.,
Полевые
|
Более2000 Более10000
Более300
|
Значительно расширяется использование ионной имплантации при изготовлении
МОП ИС (легирование каналов, резисторов, истока, стока) и прецизионных
биполярных ИС (легирование базы и резисторов). Ионная имплантация имеет ряд
преимуществ перед термодиффузионными способами введения легирующих примесей.
Благодаря лучевым методам достигается точное дозирование малых количеств
легирующих примесей - до отдельных атомов, - не достижимое другими известными
методами. При этом примеси вводятся на заданную глубину сквозь слой окисла или
полупроводника, а границы легированных областей не расплываются.
.3 Алгебра логики при анализе и синтезе логических схем
Анализ и синтез цифровых и логических цепей производится на основе
математического аппарата алгебры логики (или Булевой алгебры). Логические
переменные (т.е. входные и выходные сигналы логических схем) могут принимать
два значения: 0 и 1. Принято говорить: нулевой логический уровень и единичный
логический уровень (или: низкий логический уровень и высокий логический
уровень).
Над логическими переменными могут производиться три основных действия:
логическое отрицание (функция "НЕ"), логическое сложение (функция
"ИЛИ"), логическое умножение (функция "И"). Все остальные
более сложные логические функции могут быть реализованы как комбинация трех
основных функций.
Таблица 2.2 - Основные законы алгебры логии
|
Законы алгебры логики
|
В базисе "ИЛИ"
|
В базисе "И"
|
Переместительный
закон Сочетательный закон Распределительный закон Закон поглощения Закон
склеивания Закон отрицания (правило де Моргана) А+Б = Б+А (А+Б)+С =
А+(Б+С) А × (Б+С) = АБ+АБ

АБ = БА

Приведем еще один вид записи Закона отрицания (правила де Моргана):
=
;
=
(2.8)
Закон
отрицания справедлив для любого числа переменных:
________
_ _ _ _b c .... z = a + b + c + ... + z
=
.
.3.1
Функционально полная система логических элементов
Функционально
полная система логических элементов - это такой набор логических элементов,
используя который можно реализовать любую (сколь угодно сложную) логическую
функцию.
Поскольку
любая логическая функция есть комбинация основных простейших функций
("НЕ", "ИЛИ", "И"), то набор логических
элементов, реализующих эти функции, является функционально полным.
Обозначение
этих логических элементов на функциональных схемах приведено на рис. 2.7. Входы
элементов располагаются - слева, а выходы - справа. Кружочек возле вывода
элемента обозначает операцию отрицания (инверсию).
Рис.
2.7 - Обозначение логических элементов
Например,
логическую функцию:
(2.9)
можно
реализовать с помощью двух ячеек "НЕ" (они нужны для того, чтобы
получить инверсии входных переменных), двух логических схем "И" (схем
коньюнкции) и схемы "ИЛИ" (рис. 2.8)
Рис.
2.8 - Реализация логической функции
Функционально
полные системы могут состоять и из набора элементов, реализующих функции,
отличные от простейших. В частности, функционально полные системы могут
состоять из элементов только одного типа, например, реализующих функцию
"И-НЕ" либо функцию "ИЛИ-НЕ".
Функция "И-НЕ" (штрих Шеффера) означает следующее
преобразование:
,
может составить функционально полную систему.
Операция инвертирование ("НЕ") реализуется при подаче входного
сигнала на один из входов элемента Шеффера, а остальные входы могут быть
постоянно соединены с высоким логическим уровнем (или объединены все вместе с
входным сигналом). Функция "И" реализуется последовательным
соединением элемента Шеффера ("И-НЕ") и инвертора ("НЕ").
Операция "ИЛИ" реализуется в соответствии с правилом де Моргана (см.
рис. 2.10).
Правило де Моргана (последняя строка таблицы 2.2) может быть
проиллюстрировано элементами логических схем (см. рис. 2.9).
Рис. 2.9 - Правило де Моргана
Альтернативная запись правила де Моргана (2.8) поясняется на рис. 2.10.
Рис. 2.10 - Вариант реализации правила де Моргана
Логическая функция (2.9) также может быть реализована только на элементах
Шеффера "И-НЕ" (см. рис. 2.11)
Рис 2.11 - Реализация логической функции на элементах Шеффера
Функция "ИЛИ-НЕ" (стрелка Пирса) тоже может составить
функционально полную систему.
_____________= a + b + c +... .
Для получения инверсии одной переменной достаточно подать сигнал этой
переменной на один из входов, а остальные входы соединить с логическим нулем.
Функция "ИЛИ" может быть получена инвертированием выходного сигнала элемента
Пирса. Операция "И" реализуется в соответствии с правилом де Моргана
(см. рис 2.10).
Возможность реализации простейших логических функций свидетельствует о
функциональной полноте логических элементов Шеффера или Пирса.
.3.2 Базовый логический элемент - ТТЛ
Большинство логических ИС реализовано на элементах, выполняющих функции
"И-НЕ" либо "ИЛИ-НЕ". Поэтому логическая ИС содержит обычно
схему "И" либо "ИЛИ", выполненную на резисторах,
транзисторах или диодах, и транзисторный инвертор.
Наибольшее распространение получили логические элементы на основе ТТЛ
(транзисторно-транзисторная логика) структур (рис.2.12).
Рис. 2.12 - Базовый логический элемент ТТЛ
Многоэмиттерный транзистор (МЭТ) VT1 совместно с резистором R1 образует
логическую схему "И". На трех транзисторах (VT2...VT4) реализован
инвертор ("НЕ"). Многоэмиттерный транзистор (МЭТ) не имеет аналогов в
дискретной технике и представляет собой : выполненные на одном кристалле
несколько транзисторов с единой объединенной базой и общим для всех
транзисторов коллектором. По логике работы такой МЭТаналогичен диодной сборке
(рис. 2.13). Вообще-то в любом транзисторе можно выделить два p-n перехода,
т.е. два диода.
Рис. 2.13 - Логический элемент "И" на входе ТТЛ
При соединении хотя бы одного эмиттера VT1 с общим проводом, т.е. при
подаче хотя бы на один из входов x1...x4 низкого логического уровня, этот
переход эмиттер-база откроется, через него и резистор R1 потечет ток от
источника питания, напряжение на базе и коллекторе МЭТ будет низким, что
соответствует подаче на вход инвертора (транзисторы VT2...VT4) низкого
логического уровня.
Если на все входы (x1...x4) подать высокий логический уровень (т.е.
напряжение, близкое к напряжению источника питания), все переходы эмиттер-база
МЭТ закроются, и ток от источника питания через резистор R1 и переход
база-коллектор VT1 потечет ко входу сложного инвертора (на транзисторах
VT2...VT4). Это соответствует подаче на вход инвертора высокого логического
уровня.
Инвертор реализован на составном транзисторе VT2, VT4 (по схеме
Дарлингтона). Коллекторной нагрузкой инвертора является резистор R2. Для
уменьшения времени перезаряда паразитных конденсаторов нагрузки (Сн) через
резистор R2 при закрывания составного транзистора VT2 и VT4 - введен
дополнительный эмиттерный повторитель VT3. Кроме положительного эффекта
(увеличение примерно в h21 раз тока перезарядки паразитных конденсаторов)
введение эмиттерного повторителя породило ряд проблем.
При открытом транзисторе VT3 должны быть закрыты транзисторы VT2 и VT4
(или наоборот, т.е. один из транзисторов VT3 или VT4 должен быть закрыт).
Однако время открывания транзистора VT3 значительно меньше времени закрывания
VT2, VT4 (с учетом времени рассасывания носителей в базе). Поэтому при
открывании эмиттерного повторителя VT3 транзистор VT4 находится еще в стадии
рассасывания. Через два открытых транзистора VT3 и VT4 закорачивается источник
питания и течет очень большой сквозной ток. Для ограничения этого тока введен
дополнительный резистор R4. Номинал этого резистора примерно в h21 раз меньше
номинал резистора R2 нельзя потому, что он ограничивает ток перезаряда
паразитных конденсаторов Сн при закрывании VT2 и VT4 (уменьшая положительный
эффект от введения эмиттерного повторителя VT3).
Дополнительно введен также диод VD (рис. 2.12) для надежного запирания
эмиттерного повторителя VT3 при открывании транзисторов VT2 и VT4. У
транзисторов VT2, VT4, находящихся в режиме насыщения, напряжение Uбэ » 0,7 В, а напряжение Uкэ » 0,2 В. При этом напряжение на базе
VT3 (относительно общего провода) равно: Uбэvt4 + Uкэvt2=0.9В. А напряжение
эмиттера VT3 (относительно общего провода при отсутствии диода VD) равно: Uкэ =
0,2 В. Из этого следует, что (при отсутствии диода) напряжение между эмиттером
и базой VT3 не может быть меньше 0,7 В, т.е. транзистор VT3 невозможно закрыть.
При введении дополнительного диода VD это напряжение (0,7 В) разделяется между
переходом эмиттер-база VT3 и диодом. Как следует из рис. 2.2 при напряжении
0,35 В переход эмиттер-база и кремниевый диод находятся в предпороговом
(нетокопроводящем) состоянии.
При закрывании транзисторов VT2 и VT4 открывается эмиттерный повторитель
VT3. Но напряжение на выходе логического элемента будет меньше напряжения
источника питания (Ек = 5 Вольт) на величину падения напряжения на переходе
эмиттер-база VT3 и на диоде VD. Поэтому высокому (единичному) логическому
уровню на выходе инвертора соответствует напряжение:
вых = Ек - ( Iб * R2 ) - ( 2 * 0,7 ) » 3,5 В. (2.10)
.3.3 Статические параметры базового элемента ТТЛ
К основным статическим параметрам относятся:
напряжение логической единицы U1;
напряжение логического нуля U0;
пороговое напряжение элемента Uпор (входное напряжение, малые изменения
которого приводят к переходу выходного напряжения из одного логического
состояния в другое);
коэффициент усиления по напряжению в режиме аналогового усилителя Ku;
входной ток логической единицы I1вх;
входной ток логического нуля I0вх;
выходной ток логической единицы I1вых;
выходной ток логического нуля I0вых;
мощность потребления в состоянии логического нуля на выходе Р0;
мощность потребления в состоянии логической единицы на выходе Р1;
средняя мощность потребления
Рср = (Р0 + Р1)/2;
коэффициент разветвления по выходу (нагрузочная способность) Краз;
Основные статические параметры можно определить при анализе входной и
передаточной характеристик базового ТТЛ элемента. Некоторые статические
параметры задаются в ТУ заводом-изготовителем.
информационный сигнал энтропия вычислительный
Рис. 2.14 - Входная характеристика элемента ТТЛ серии К155
При нулевом напряжении на входе элемента ТТЛ (точка А на рис. 2.14)
протекает входной ток от источника питания Ек через резистор R1 и переход
база-эмиттер МЭТ (см. рис. 2.12):
. (2.11)
Напряжение
на базе МЭТ равно 0,7 В. Это напряжение приложено к переходу база-коллектор МЭТ
и к двум переходам база-эмиттер сложного инвертора. Поэтому все эти переходы
находятся в предпороговом (нетокопроводящем) состоянии.
При
увеличении входного напряжения входной ток уменьшается в соотвествии с
соотношением:
.
(2.11')
При
входном напряжении 1,1...1,2 В (точка В на рис. 2.14) напряжение на базе МЭТ
достигает величины 1,5...1,7 В. Этого напряжения достаточно для перехода в
токопроводящее состояние перехода база-коллектор МЭТ и двух переходов
база-эмиттер сложного инвертора. Поэтому ток, протекающий от источника питания
через резистор R1, начинает в базе разделяться между переходом база-эмиттер и
переходом база-коллектор МЭТ. Все меньшая его часть продолжает протекать на
вход элемента и большая часть протекает ко входу сложного инвертора, открывая
транзисторы VT2 и VT4.
При
напряжении на входе элемента, равном напряжению трех открытых p-n переходов
(база-коллектор МЭТ и двух переходов база-эмиттер сложного инвертора), что
соответствует точке С на рис. 2.14, входной ток равен нулю.
При
дальнейшем увеличении входного напряжения (правее точки С на рис 2.14)
закрывается переход база-эмиттер а переход база-коллектор МЭТ - открыт. Это
соответствует инверсному режиму работы МЭТ. Через транзистор протекает
небольшой ток I1вх около 40 мкА.
Основной
характеристикой базового логического элемента ТТЛ является статическая
передаточная характеристика (рис. 2.15).
Рис.
2.15 - Передаточная характеристика элемента ТТЛ
При
нулевом напряжении на входе элемента ТТЛ выходное напряжение соответствует
высокому логическому уровню U1вых (точка А на рис. 2.15), определяемому по
формуле (2.10). Увеличение входного напряжения до величины 1,1 Вольта
соответствует закрытому состоянию сложного инвертора и практически не изменяет
напряжение на выходе элемента.
При
напряжении на входе более 1,1 В (точка В на рис. 2.15) начинает открываться
транзистор VT2 (см. рис. 2.12), а транзистор VT4 остается закрытым, т.к. его
переход база-эмиттер шунтируется резистором R3. Увеличение тока через
транзистор VT2 вызывает увеличение падения напряжения на резисторах R2 и R3.
Выходное напряжение эмиттерного повторителя VT3 (т.е. выходное напряжение ТТЛ
элемента) уменьшается с ростом падения напряжения на R2 (участок В-С на рис.
2.15).
Увеличение
падения напряжения на R3 до 0,5..0,6 В приводит к открыванию транзистора VT4
(см. точку С на рис. 2.15). Все транзисторы переходят в активный режим. Малые
изменения входного напряжения (DUвх) вызывают значительное
уменьшение выходного напряжения (DUвых). На участке
C-F логический элемент работает как аналоговый усилитель с коэффициентом
усиления по напряжению:
. (2.12)
Большинство
реальных ТТЛ элементов имеют коэффициент усиления Ku в пределах от 5 до 20.
Правее
точки F, когда увеличение входного напряжения приводит к насыщению транзисторов
VT2 и VT4, дальнейшее изменение выходного напряжения происходить не может. Этот
уровень выходного напряжения называется логическим нулем ТТЛ элементов и
составляет : U0вых = 0,1...0,4 В.
Точка
D на рис. 2.15, лежащая на пересечении передаточной характеристики с
биссектрисой первого квадранта (т.е. с прямой, на которой: Uвых = Uвх),
определяет пороговый уровень напряжения Uпор (примерно 1,3..1,4 Вольта),
разделяющий низкий и высокий логические уровни.
Расстояния
между низким логическим уровнем ТТЛ (U0 = 0,4 В) и пороговым напряжением (Uпор
= 1,3 В), а также между высоким логическим уровнем ТТЛ (U1 > 3 В) и
пороговым напряжением называются запасом помехоустойчивости. Этот запас
определяет максимальное напряжение помехи на входе элемента, не изменяющее
логическое состояние выхода.
Если
на вход ТТЛ элемента не подается напряжение (т.е. вход остается свободным и
через него не течет входной ток), весь ток от источника питания Ек через
резистор R1 течет на вход сложного инвертора и открывает транзисторы VT2, VT4
(см. рис. 2.12).
Такой
режим соответствует логической "1" на входе. Однако оставлять
свободные входы - нежелательно, т.к. напряжение на входе элемента близко к
пороговому и небольшая наведенная помеха может переключить инвертор. Поэтому
свободные входы желательно подключать к шине источника питания.
.3.4
Динамические параметры базового элемента ТТЛ
К
основным динамическим параметрам относятся :
время
перехода из состояния "1" в "0" t(1-0);
время
перехода из состояния "0" в "1" t(0-1);
время
задержки включения tзд(1-0);
время
задержки выключения tзд(0-1);
время
задержки распространения при включении tзд.р(1-0);
время
задержки распространения при выключении . tзд.р(0-1);
·
среднее время
задержки распространения сигнала
tзд.р.ср. = (tзд.р(1-0) + tзд.р(0-1)) / 2;
- максимальная рабочая частота переключения fмакс, на которой
гарантируется в наихудших условиях срабатывание счетного триггера,
составленного из логических элементов данной серии.
·
динамическая
мощность потребления на максимальной рабочей частоте Рдин.
информационный сигнал энтропия вычислительный
Рис. 2.16 - Динамические параметры логического элемента
На рис. 2.16 приведены осциллограммы входного и выходного сигнала
логического элемента и указаны его основные динамические параметры.
Реально измеренные динамические параметры у ТТЛ элементов будут лучше,
чем указанные в паспорте, потому что завод-изготовитель гарантирует указанные
динамические параметры для всех элементов при самых худших условиях. В пределах
одной партии логических ИС динамические параметры могут отличаться в 1,5...2
раза за счет технологических допусков на параметры отдельных интегральных
элементов (транзисторов, диодов, резисторов и др.).
С повышением рабочей частоты увеличивается мощность потребления, т.к.
большие импульсные токи затрачиваются на перезаряд паразитных конденсаторов, а
также при каждом логическом переходе из "0" в "1" протекает
короткий импульс сквозного тока через открытые транзисторы VT3 и VT4.