Проектирование системы управления технологическим процессом с использованием возможностей контроллера KOYO DL06

  • Вид работы:
    Контрольная работа
  • Предмет:
    Информационное обеспечение, программирование
  • Язык:
    Русский
    ,
    Формат файла:
    MS Word
    1,02 Мб
  • Опубликовано:
    2015-01-15
Вы можете узнать стоимость помощи в написании студенческой работы.
Помощь в написании работы, которую точно примут!

Проектирование системы управления технологическим процессом с использованием возможностей контроллера KOYO DL06

Содержание

Введение

. Описание технологического процесса

.1 Структурная схема

.2 Алгоритм работы

.3 Таблица входных/выходных сигналов

. Выбор и краткое описание исполнительного оборудования и датчиков

. Схема подключения оборудования к Koyo d0-06dd1 и расчет стоимости системы

. Расчет стоимости системы на Siemens S7-200

. Обоснование и выбор базового ПЛК

. Проектирование управляющей программы для ПЛК

.1 Создание таблицы символов

.2 Разработка программы на языке релейной логики

. Создание человеко-машинного интерфейса (ЧМИ)

.1 Особенности среды разработки и способы загрузки проекта в сенсорную панель

.2 Структура ЧМИ и описание используемых объектов

.3 Таблица соответствия адресов памяти ПЛК и идентификаторов

объектов интерфейса

Заключение

Литература

Введение

Обычно системы управления являются сложными объектами, включающими большое число аналоговых элементов и устройств. При серийном производстве таких систем возникают значительные трудности индивидуальной настройки каждой отдельной системы управления. В итоге все выпускаемые системы отличаются друг от друга параметрами и требуют постоянных довольно сложных и трудоемких регулировок.

Названные и ряд других причин обусловили широкое распространение цифровых систем управления. В цифровых системах информация заключена не в таких параметрах сигналов, как величина напряжения или тока, а в числах, представленных обычно в двоичном коде. Для формирования, передачи и преобразования двоичных сигналов в цифровых системах управления используются отдельные элементы цифровой техники, т.е. регистры, счетчики, логические элементы, а также микропроцессорные комплекты, специализированные или универсальные цифровые вычислительные машины.

Применение цифровых систем позволяет устранить основные недостатки аналоговых систем управления. Вместе с тем, следует отметить, что широкое использование цифровых систем управления пока еще сдерживается их большой стоимостью и ограниченным быстродействием.

Очень важным является то, что математическое описание и анализ большинства современных цифровых систем управления базируются на методах анализа аналоговых систем.

Целью данной курсовой работы является проектирование системы управления технологическим процессом с использованием возможностей контроллера KOYO DL06. В качестве альтернативы будет рассмотрено построение аналогичной системы на основе контроллера SIEMENS S7-200.

1. Описание технологического процесса

.1 Структурная схема

Весь процесс перемещения контейнеров с помощью робота условно представить в виде следующей структурной схемы.

таблица программа интерфейс датчик

Рисунок 1.1 - Структурная схема технологического процесса перемещения контейнеров с помощью робота

На схеме для удобства описания процесса введены следующие условные обозначения:- Бак Х;- Бак Y;- Двигатель открытия крана бака Х;- Двигатель открытия крана бака Y;

1.2 Алгоритм работы

Старт работы системы.

Предполагается, что систему можно запустить путём нажатия кнопки «Пуск 1» или «Пуск 2», которые запускают полностью весь технологический процесс.

Рассмотрим последовательность процессов при старте и функционировании системы.

Пуск 1. Проверяется состояние тензо-весов, если весы пусты, тогда открывается бак X и тензо-весы начинают наполняться содержимым, как только вес будет равен 50 кг бак X закрывается, открывается бак Y и тензо-весы начинают наполняться вторым компонентом. Как только вес на тензо-весах будет равен 100 кг, прекращается подача содержимого Y. Шибер МЭО-16 переходит в положение нужное для подачи в бак находящийся на 2 этаже и начинает работать молоток, постоянно ударяя по баку в котором смешаны ингредиенты X и Y.

Стоп 1. Шибер МЭО-16 закрывается, затем останавливается молот.

Пуск 2. Происходят те же действия, что и при нажатии Пуск 1, только шибер МЭО-16 переведён в положение позволяющее нам отправлять ингредиент на 1 этаж. Так же запускается Шнек.

Стоп 2. Шибер МЭО-16 закрывается, шнек останавливается.

В случае нажатия Пуск 1 или Пуск 2, при котором тензо-весы показывают значение отличное от 0. Происходят те же действия, за исключением наполнения кампонентами.

Алгоритм работы системы.

Все вышеперечисленные условия и действия условно можно представить в виде блок схем, что существенно упростит определение требуемых входных и выходных сигналов и написание самой программы функционирования системы на языке релейной логики.

Стоит обратить внимание на то, что в блок схемах отображён только базовый алгоритм работы системы и более «тонкая» настройка функционирования будет проходить на программном уровне.


1.3 Таблица входных/выходных сигналов

На основании приведённых выше алгоритмов, можно определить, какие входные и выходные сигналы должны быть задействованы во время разработки системы.

Перечень входных дискретных сигналов, а также выходных дискретных сигналов с условными обозначениями и комментариями приведён в таблице 1.1.

Таблица 1.1. Таблица входных и выходных сигналов

№ контакта

Примечание

 Входы

 Выходы

Y1

Первый бак

Y2

Второй бак

Y3

Молоток

Y4

Открыть шибер

Y5

МЭО-16 открыть

Y6

МЭО-16 закрыть

Y7

Шнек

Y10


2. Выбор и краткое описание исполнительного оборудования и датчиков

Для реализации проекта был выбран контроллер KOYO DL06, а так же модули расширения. Далее приведено краткое описание контроллера, выбранного модуля расширения, а также использованных устройств с приведением схемы подключения к контроллеру для каждого их них.

Микроконтроллер KOYO DL06.

Возможности микроконтроллеров DL06.

Серия DL06 включает в себя восемь различных моделей. Все они имеют одинаковый внешний вид и одинаковые характеристики процессора. Процессор предлагает набор команд очень похожий на команды нового мощного процессора DL260, включая команды ASCII и MODBUS. Все микроконтроллеры DL06 имеют два коммуникационных порта, которые могут использоваться для программирования, подключения операторских панелей и работы с сетью. Модели с входами постоянного тока предусматривают возможность переключения четырех входных каналов в режим высокоскоростного ввода. Модели с выходами постоянного тока предусматривают возможность переключения первого и второго канала вывода в режим импульсного выхода. Более подробная информация по этим и другим функциям приводится в главе 4 «Спецификации и работа процессора».

Для реализации проекта используется модель D0-06DD1, которая имеет следующие спецификационные характеристики:

-       Тип дискретного входа: постоянный ток;

-       Тип дискретного выхода: постоянный ток - потребитель;

-       Внешнее питание: ~95-240 В

-       Высокоскоростной порт: есть

-       Импульсный выход: есть.

На рисунке ниже приведена разметка входов/выходов микроконтроллера с учётом условных обозначений.

Рисунок 2.1 - Вид корпуса микроконтроллера Koyo D0-06DD1

Подключение питания.

На рисунке ниже показано подключение внешнего источника питания к Koyo D0-06DD1.

Рисунок 2.2 - Схема подключения источник питания

Электродвигатель постоянного тока (24 V)

Такое электрическое устройство, как электродвигатель постоянного тока 24 V или 12 V, является широко используемым. Конструктивно оно довольно просто: достаточно подать напряжение к двум контактам, замкнуть цепь, и устройство начнет вращение.

Такое оборудование незаменимо, так как преобразует электрическую энергию в механическую энергию вращения (в нашем случае обеспечивает работу лент загрузки и выгрузки) за счет потребления постоянного тока. Если есть необходимость поменять направление движения на противоположное, достаточно изменить полярность проводов с питанием.

Магнитный пускатель

Магнитный пускатель, электрический аппарат низкого напряжения, предназначенный для дистанционного управления (пуска, остановки, изменения направления) и защиты асинхронных электродвигателей малой и средней мощности с короткозамкнутым ротором.

Тензовесы

Использование: изобретение относится к двухопорным тензометрическим весам и позволяет повысить точность взвешивания. Сущность изобретения: весы выполнены в виде весоизмерительного модуля, снабженного сменными лотками для различных взвешиваемых грузов.

Переключатель МЭО-16

Механизмы исполнительные электрические однооборотные постоянной скорости МЭО-16 предназначены для перемещения регулирующих органов в системах автоматического регулирования технологическими процессами в соответствии с командными сигналами, поступающими от регулирующих и управляющих устройств.

Шиберные задвижки с запорным элементом, выполненным в виде металлической пластины небольшой толщины, широко применяются в вакуумной технике. Это обусловлено возможностью изготовления шиберной задвижки практически любого сечения при минимальной длине, при этом в открытом состоянии задвижка не содержит никаких элементов, выступающих внутрь трубы. Благодаря этому такая задвижка создаёт минимальное сопротивление остаточному газу, что крайне важно для эффективного создания высокого вакуума.

Полный список технологического оборудования приведен в таблице 2.1.

Таблица 2.1. Полный список исполнительного оборудования

№ п/п

Оборудование

Кол

Примечание

1

Электродвигатель постоянного тока

3

Напряжение 24 V

2

Магнитный пускатель

3

Напряжение 400 V, частота 60 Гц

3

Тензовесы

1


4

МЭО-16

1

Напряжение 230 V

5

Шибер

1

Напряжение 230 V


3. Схема подключения оборудования к Koyo D0-06DD1 и расчет стоимости системы

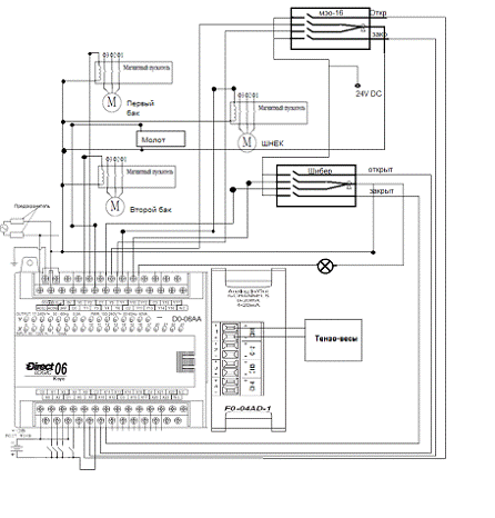
На рисунке ниже приведена микропроцессорная сеть системы на основе контроллера Koyo D0-06DD1.

Рисунок 3.1 - Микропроцессорная сеть для контроллера Koyo D0-06DD1

Одним из немаловажных критериев для проектирования цифровой системы автоматизированного управления является итоговая стоимость всего оборудования, на которую и будет ориентироваться заказчик.

Фактор суммарной стоимости необходимо учитывать также при сравнительном анализе использования контроллеров SIEMENS и KOYO. Составим таблицу, в которой и рассчитаем итоговую стоимость оборудования.

Таблица 3.1. Стоимость оборудования для системы на основе KOYO DL06

Наименование оборудования

Стоимость ($)

KOYO DL06DD1

409,63

F0-04AD-1

130.56

WEINTEK MT6070iH

334,17

Итого

874.36


4. Расчет стоимости системы на SIEMENS S7-200

Рассчитаем суммарную стоимость базового оборудования для микропроцессорной сети на основе контроллера SIEMENS S7-200 CPU224.

Результаты расчетов приведены в таблице 4.1.

Таблица 4.1. Стоимость оборудования для системы на основе SIEMENS S7-200 CPU224

Наименование оборудования

Стоимость ($)

SIEMENS S7-200 CPU 224

257

EM 231 (2 AI)

202

WEINTEK MT6070iH

334

Итого

793


Очевидно, что при прочих равных система автоматизированного управления на основе контроллера SIEMENS S7-200 обойдется немного дешевле, чем система на основе KOYO DL06.


5. Обоснование и выбор базового ПЛК

Выбор базового ПЛК зависит от целого ряда характеристик:

-       Количество входов/выходов;

-       Наличие аналоговых входов (если такие предусмотрены системой);

-       Возможность подключение модулей расширения и их максимально возможное количество;

-       Объем памяти;

-       Скорость выполнения команд;

-       Стоимость.

Если систематизировать перечисленные выше параметры для KOYO DL06 и SIEMENS S7-200, будет получена следующая таблица:

Таблица 5.1. Сравнение контроллеров KOYO DL06 и SIEMENS S7-200 CPU224

Характеристики

KOYO DL06

SIEMENS S7-200 CPU224

Число входов/выходов

20/16

14/10

Максимальное число входов/выходов

100/100

94/90

Максимальное число модулей раширения

4

7

Время выполнения одной команды

0,6

0,22

Объем памяти (Кбайт)

14,8

10

Стоимость ($)

260-390

257-390


Таким образом, мы видим, что, ПЛК KOYO DL06 отлично подходит для реализации нашей схемы и он ничуть не уступает контроллеру SIEMENS S7-200.

6. Проектирование управляющей программы для ПЛК


Современное производство характеризуется высокой интенсивностью и сложностью технологических процессов, обеспечивающих сокращение производственных затрат, повышение качества выпускаемой продукции и гибкое изменение ее номенклатуры. Управление подобными процессами возможно только на базе компьютеров. Это связано с тем, что только компьютеры позволяют реализовать сложные алгоритмы управления с возможностью относительно легко и быстро вносить изменения в управляющие программы, что придает производственным процессам большую гибкость.

Развитие микроэлектронной технологии обусловило промышленный выпуск и широкое применение микропроцессорных управляющих устройств - программируемых контроллеров. Это привело к переносу центра тяжести работ из области схемотехнического проектирования управляющих устройств в область алгоритмизации задач управления, выбору типа программируемого контроллера и разработке управляющей программы.

Далее рассмотрим программу на языке FBD для реализации технологического процесса.

.1 Создание таблицы символов

Для реализации проекта рассмотрим таблицу символов с обозначением контактов и адресами.

Таблица 6.1. Таблица символов

№ контакта

Примечание

Входы

AI1

Тензовесы

X1(C25)

Пуск 2

X2(C26)

Стоп 2

X3(C24)

Пуск 1

X4(С27)

Стоп 1

X5

МЭО-16 открыт

X6

X7

Шибер открыт

X10

Шибер закрыт

 Выходы

Y1

Первый бак

Y2

Второй бак

Y3

Молоток

Y4

Открыть шибер

Y5

МЭО-16 открыть

Y6

МЭО-16 закрыть

Y7

Шнек

Y10

Закрыть шибер


.2 Разработка программы на языке релейной логики

Этот язык программирования, изобретенный в США десятилетия назад, получил наиболее широкое распространение. Изначально изобретенный для замены логических схем, выполненных на релейной технике, язык релейно-контактных схем является базовым в США на сегодняшний день, и применяется в 95% всех приложений. Визуально этот язык напоминает последовательность цепей управления, в которой все входы должны быть установлены в значение «истина» для активации одного или нескольких выходов.

Язык релейно-контактных схем получил такое широкое распространение, потому что на нем могут писать практически все программисты в любой стране. Поскольку он напоминает знакомый всем формат электрических цепей, даже не специалист в области программирования, знакомый с электроникой может разобраться в программе для поиска ошибок в ней. На этом языке легко писать программы. Имея базовое представление о входных и выходных сигналах, можно начать писать код. Большинство других языков IEC требуют большей подготовки, например, прорисовки диаграмм всех потенциальных процессов. Наконец, программа, реализованная в виде релейно-контактных схем, может быть организована в виде папок или подпрограмм, которые загружаются в контроллер, позволяя проводить легкую сегментацию программы.

Рассмотрим программу для перемещения контейнеров с помощью робота на языке релейной логики.

7. Создание человеко-машинного интерфейса (ЧМИ)


Человеко-машинный интерфейс (ЧМИ) - широкое понятие, охватывающее инженерные решения, обеспечивающие взаимодействие оператора с управляемыми им машинами. Создание систем человеко-машинного интерфейс <#"787487.files/image008.gif">

Рисунок 7.1 ЧМИ в режиме конструктора

Рисунок 7.2 ЧМИ в режиме офф-лайн эмуляции

Список используемых элементов для построения ЧМИ:

.        Битовая кнопка (запуск и остановка процесса);

.        Битовый индикатор (датчики: движения контейнера, движения робота, работа руки, присутствие груза в роботе).

7.3 Таблица соответствия адресов памяти ПЛК и идентификаторов объектов интерфейса

Для правильного взаимодействия ПЛК и ЧМИ составим таблицу соответствия.

Таблица 7.1. Таблица соответствия адресов памяти ПЛК и идентификаторов объектов интерфейса

Объект интерфейса

Адрес

Примечание

BL_0

Y1

Первый бак

BL_1

Y2

Второй бак

BL_2

X7

Шибер открыт

BL_3

X5

МЭО-16 открыт

BL_4

Y7

Шнек

BL_5

Y3

Молоток

ND_0

V2010

Тензовесы

SL_0

V2010

Тензовесы

TS_0

C25

Пуск 2

TS_1

C26)

Стоп 2

TS_2

C24

TS_3

С27

Стоп 1


Таким образом, после составления таблицы взаимодействия ПЛК и объектов интерфейса, мы обеспечиваем правильную работу процесса перемещения контейнеров.

Заключение

В результате выполнения курсовой работы была спроектирована система управления технологическим процессом на контроллере KOYO DL06, а так же было проведено сравнение основных характеристик и схем подключения для аналогичной системы на контроллере SIEMENS S7-200.

Была разработана программа на языке релейной логики, реализующая процесс перемещения контейнеров с помощью робота.

Для этого были составлены:

-       Таблица входных и выходных сигналов системы;

-       Составлен алгоритм работы на основе технологического процесса;

-       Создана таблица символов;

-       Таблица соответствия адресов памяти ПЛК и идентификаторов объектов интерфейса;

-       Человеко-машинный интерфейс (ЧМИ);

-       Оценка стоимости системы.

В результате вышеперечисленных действий было выяснено, что использование микроконтроллерной сети на основе контроллера KOYO DL06 является оптимальной по характеристикам и наиболее экономически выгодной для решений поставленной задачи.

Литература

1.      Программируемый контроллер S7-200. Системное руководство, SIMATIC, 2004. - 538 с.

.        Руководство пользователя контроллера DL06 D0-06USER-M-RUS, PLC systems, 2012. - 439 c.

Похожие работы на - Проектирование системы управления технологическим процессом с использованием возможностей контроллера KOYO DL06

 

Не нашли материал для своей работы?
Поможем написать уникальную работу
Без плагиата!
Без нейросетей!