Релейная защита
ИСХОДНЫЕ ДАННЫЕ
Таблица 1.1 - Параметры электродвигателя и
нагрузки
|
Предпоследняя
цифра шифра
|
Номинальная
мощность ЭД Рдв, кВт
|
Кратность
пускового тока ЭД, kп
|
Количество
ЭД на секции, n
|
Уставка
РЗ прис. на шинах п/ст, tсз.пр, с
|
Время
перерыва питания, tпп, с
|
Коэффициент
самозапуска ЭД, Ксзп
|
Длина
кабельной линии Lкл, км
|
|
8
|
1250
|
5,2
|
2
|
1,2
|
2,5
|
2,7
|
0,80
|
Таблица 1.2 - Параметры трансформатора и
энергосистемы
|
Послед.
Цифра шифра
|
Тип
трансформатора
|
Uвн,
кВ
|
Uнн,
кВ
|
Sкз.макс,
МВА
|
Sкз.мин,
МВА
|
Длина
ВЛ, км
|
|
1
|
ТДН-10000/110
|
115
|
6,6
|
1500
|
1200
|
30
|
Рис.1 - Исходная схема
Рис.2 - Схема замещения
1. РАСЧЁТ КОРОТКИХ ЗАМЫКАНИЙ
Расчёт всех коротких замыканий будем
вести в относительных единицах. Задаёмся базисной мощностью SБ = 10000 МВА
замыкание релейная
напряжение ток
Расчёт короткого замыкания в точке
К-1
а) Максимальный режим (ЕС = 1,05)
б) Минимальный режим (ЕС =1,0)
Расчёт короткого замыкания в точке
К-2.
а) Максимальный режим (ЕС = 1,05)
б) Минимальный режим (ЕС = 1,0)
Расчёт короткого замыкания в
середине линии.
а) Максимальный режим (ЕС = 1,05)

б) Минимальный режим (ЕС = 1,0)
Расчёт короткого замыкания в точке
К-3
а) Максимальный режим (ЕС = 1,05)
Приводим ток кз к стороне ВН
б) Минимальный режим (ЕС = 1,0)
Приводим ток кз к стороне ВН
Расчёт короткого замыкания в точке
К-4
а) Максимальный режим (ЕС = 1,05)
Вычислим сопротивление кабельной
линии:
Приводим ток КЗ к высокой стороне
трансформатора
б) Минимальный режим (ЕС = 1,0)
Приводим ток кз к высокой стороне
трансформатора:
Рассчитаем сопротивления всех
элементов в именованных единицах.
Энергосистема:
а) максимальный режим
б) минимальный режим
Воздушная линия
а) максимальный режим:
б) минимальный режим:
Трансформатор
а) максимальный режим:
б) минимальный режим
Кабельная линия
а) максимальный режим:
б) минимальный режим:
. ЗАЩИТА ВОЗДУШНОЙ ЛИНИИ
Согласно ПУЭ на одиночных линиях с
односторонним питанием от многофазных замыканий устанавливают ступенчатые
токовые защиты. В данном задании достаточно предусмотреть установку двухступенчатой
токовой защиты. Первая ступень - токовая отсечка мгновенного действия, а вторая
- максимальная токовая защита МТЗ, согласованная по селективности с МТЗ
трансформатора (Т1 для линии W1). Ток срабатывания токовой отсечки будет
отстраиваться от тока к.з. за трансформатором.
Токовую отсечку также необходимо
отстроить от броска тока намагничивания силового трансформатора.
Ток срабатывания МТЗ линии
отстраивается от максимального тока нагрузки линии с учётом работы АВР
выключателя Q3.
Для повышения чувствительности МТЗ
при коротких замыканиях и улучшения отстройки её от токов нагрузки применяем
блокировку от реле минимального напряжения.
Отстройка от минимального рабочего
напряжения линии:
Напряжение срабатывания защиты
отстраивается от остаточного напряжения в месте установки защиты при КЗ за
трансформатором:
За напряжение срабатывания защиты
принимаем меньшее из 2-х полученных значений, т.е.
.
Выбор трансформатора тока
) Определяем
защищаемой
линии:
) По максимальному рабочему току и
номинальному напряжению защищаемой линии выбираем трансформатор тока ТФНД-110М
50/5, с
) Определяем расчётный первичный ток
) Определяем предельную кратность
) По кривым предельной кратности для
соответствующего трансформатора тока находим
) Определяем действительную
расчётную нагрузку:
Рассчитываем
для токовой
отсечки:
Выбираем реле РТ-40/100
Рассчитываем
для МТЗ:
Выбираем реле РТ-40/20
Рассчитываем напряжение срабатывания
реле:
Выбираем реле РН-53/50
Проверка токовой отсечки по
чувствительности:
Чувствительность отсечек без
выдержки времени на блоках линия - трансформатор проверяется при 2-хфазных кз в
конце линии:
Проверка МТЗ по чувствительности:
а) чувствительность защиты по
напряжению:
- максимальное значение напряжения
при к.з. в конце линии
б) чувствительность защиты по току:
. ЗАЩИТА СИЛОВОГО ТРАНСФОРМАТОРА
Расчет дифференциальной защиты
трансформатора
Рассчитаем параметры
дифференциальной токовой защиты для трансформатора ТРДН, мощностью 10 МВА и с
напряжением 115/6,6 кВ.
Трансформатор имеет встроенное
устройство РПН в нейтрали высшего напряжения в пределах ±16% номинального.
Расчёт производим в следующем
порядке:
) Определяем первичные токи на
стороне высшего и низшего напряжений защищаемого трансформатора,
соответствующие его номинальной мощности. По этим токам находим соответствующие
вторичные токи в плечах защиты, исходя из коэффициентов трансформации
трансформаторов тока и коэффициентов схемы. Расчёты сведены в таблицу 3.1
Таблица 3.1
|
Наименование
величины
|
Обозначение
и метод определения
|
Числовое
значение для сторон
|
|
|
230
кВ
|
10,5
кВ
|
|
Первичный
ток на сторонах защищаемого трансформатора соответствующей его номи-нальной
мощности, А
|
 
|
|
|
|
Схема
соединения трансформаторов тока
|
_
|
∆
|
Y
|
|
Коэффициент
трансформации трансформаторов тока
|
КI
|
100/5
|
1000/5
|
|
Вторичный
ток в плечах защиты, А
|
 
|
|
|
2) Определяем максимальный ток,
проходящий через защищаемый трансформатор при внешнем кз, приведённый к высокой
стороне трансформатора
а) Максимальный режим (Ес =1,05)
б) Минимальный режим (Ес =1,0)

Вычисление максимальных и
минимальных токов кз
Вычисление максимально возможного
тока кз
следует
производить при наименьшем сопротивлении питающей системы в максимальном её
режиме (
отнесённом
к Uср сети ВН) и сопротивлении
Приведение
к
нерегулируемой стороне НН следует производить не по среднему коэффициенту
трансформации трансформатора, а по минимальному, соответствующему крайнему
отрицательному положению РПН:
Вычисление минимального тока кз
следует
производить при наибольшем сопротивлении питающей системы в минимальном её
режиме (
) и
наибольшем сопротивлении рассматриваемого трансформатора (
):
Приведение
к
нерегулируемой стороне НН следует производить по коэффициенту трансформации
трансформатора
Таким образом получаем
) Определяем первичный расчётный ток
небаланса без учёта
(1*1*0,1+0,16)*650=169 А
где
- периодическая составляющая при
расчётном внешнем трёхфазном металлическом КЗ (сквозной ток КЗ через
трансформатор);
ε - относительное значение
полной погрешности трансформаторов тока, соответствующее установленному режиму
КЗ или качаний, при выборе трансформаторов тока по кривым предельных кратностей
при 10% погрешности принимается равным 0,1;
- коэффициент однотипности
трансформаторов тока;
если на
всех сторонах трансформатора имеется не более одного выключателя.
- коэффициент, учитывающий
переходный режим, для реле РНТ, ДЗТ может быть принят равным 1,0;
∆U - половина суммарного
диапазона регулирования напряжения на стороне высокого напряжения; ∆U=0,16
.
) Определяем предварительное
значение тока срабатывания защиты
по условию отстройки от
максимального тока небаланса без учёта
5) Производим отстройку от броска
тока намагничивания трансформатора
Предварительно принимаем большее из
2-х значений, т.е.
.
) Производим предварительную
проверку чувствительности защиты при повреждениях в зоне её действия
25,62>2
дифзащиту
будем выполнять на реле РНТ-565.
Таблица 3.2
|
Наименование
величины
|
Обозначение
и метод определения
|
Числовое
значение
|
|
Ток
срабатывания реле на основной стороне, А
|

|
|
Число витков обмотки НТТ реле для
основной стороны: расчётное и принятое

Число витков обмотки НТТ реле для
неосновной стороны: расчётное и принятое

|
5
|
|
|
|
Составляющая
первичного тока небаланса, , А
|
|
|
Первичный расчётный ток небаланса с
учётом составляющей,
, А
|
|
|
|
|
Ток
срабатывания защиты на основной стороне, А
|

|
|
|
Коэффициент
отстройки защиты (окончательное значение)
|

|
|
|
Ток
срабатывания защиты на основной стороне с учётом kОТС
|

|
|
Окончательно принятое число витков
обмотки НТТ реле для установки
5
Производим проверку по чувствительности
для полученного
Защита чувствительна.
На понижающих трансформаторах
мощностью 1 МВА и более в качестве защиты от токов в обмотках, обусловленных
внешними многофазными КЗ, должна быть предусмотрена максимальная токовая защита
с комбинированным пуском напряжения или без него, установленная со стороны
основного питания.
Ток срабатывания МТЗ трансформатора
без пуска по напряжению должен выбираться по нагрузке одной секции с учётом
увеличения нагрузки на трансформатор при действии АВР выключателя Q3 и
подключения нагрузки второй секции с самозапуском. Для защиты трансформатора Т1
ток срабатывания может быть определён по выражению:
Выбираем трансформатор тока
ТФНД-110М 200/5
Проверяем чувствительность защиты с
учётом схемы соединения трансформаторов тока при 2-хфазном к.з за
трансформатором.
Чувствительность токовой защиты
трансформатора как резервной проверяется при КЗ в конце линий, присоединённых к
шинам низшего напряжения.
Выбираем реле РТ-40/10 с Iс р =
3,95А.
. ЗАЩИТА ЭЛЕКТРОДВИГАТЕЛЕЙ
Согласно ПУЭ на электродвигателях
мощностью менее 2000 кВт применяют однорелейную двухфазную токовую защиту без
выдержки времени (отсечку), отстроенную по току от токов самозапуска и защиту
от перегрузки (МТЗ), отстроенную от токов самозапуска по времени.
Расчёт выполняем в следующем
порядке:
) Определяем номинальный и пусковой
токи двигателя
Выбираем трансформатор тока ТЛМ-6-У3
200/5
) Рассчитываем первичный ток
срабатывания токовой отсечки
где kн =1,8 - коэффициент надёжности
для реле РТ-80
) Определяем ток срабатывания реле
токовой отсечки
4) Определяем коэффициент
чувствительности токовой отсечки
) Определяем ток срабатывания МТЗ
6) Определяем ток срабатывания реле
Коэффициент чувствительности МТЗ не
определяется, т.к. МТЗ двигателя не предназначена для действия при коротком
замыкании.
Выбираем реле по току срабатывания
МТЗ: РТ-81/1 с Iср = 10,44А.
) Кратность отсечки к уставке
индукционного элемента
5. САМОЗАПУСК ЭЛЕКТРОДВИГАТЕЛЕЙ И
ЗАЩИТА МИНИМАЛЬНОГО НАПРЯЖЕНИЯ
Определяем расчётные сопротивления
цепи питания, приведённые к напряжению 6,6 кВ.
Определяем номинальный и пусковой
токи двигателя
Определяем пусковое сопротивление
электродвигателя, приведённое к напряжению 6,6 кВ
Суммарное сопротивление 2-х
электродвигателей
Определяем расчётное напряжение,
приведённое к стороне 6,6 кВ
Находим ток самозапуска
электродвигателей
Приводим полученный ток самозапуска
к стороне ВН трансформатора
Определяем остаточное напряжение на
зажимах электродвигателей
Вывод: самозапуск электродвигателей
обеспечивается
. АВТОМАТИЧЕСКОЕ ВКЛЮЧЕНИЕ РЕЗЕРВА
Устройства автоматического включения
резерва (АВР) применяются в распределительных сетях и на подстанциях, имеющих
два или более источников питания, но работающих по схеме одностороннего питания
[9]. Устройства АВР должны отвечать следующим требованиям:
Схема АВР должна приходить в
действие при исчезновении напряжения на шинах подстанции, по любой из двух причин:
. При аварийном, ошибочном или
самопроизвольном отключении выключателя рабочего питания, находящегося на
данной подстанции, например, выключателя Q1 или Q2 (см. рис.2.1).
. При исчезновении напряжения на
шинах или на линии, откуда питается рабочий источник. Для выполнения этого
требования в схеме АВР должен предусматриваться специальный пусковой орган,
состоящий из реле, реагирующих на снижение напряжения рабочего источника
питания, и реле, контролирующего наличие напряжения на резервном источнике питания.
Пусковой орган АВР включает в себя 2
реле: минимального и максимального напряжения. Рассчитаем напряжения
срабатывания этих реле:
Выбираем реле РН-53/50Д с Uср = 25 В
Выбираем реле РСН-14/100 с Uср = 66
В
Производим согласование действия АВР
с защитами присоединений:
Где
- ступень селективности, при
использовании реле типа ЭВ со шкалой 9 с
За время
принимаем
большее из 2-х времён, т.е. 3,2 с.
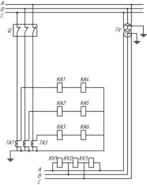
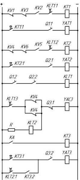
. СХЕМА ЗАЩИТЫ ВОЗДУШНОЙ ЛИНИИ

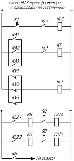
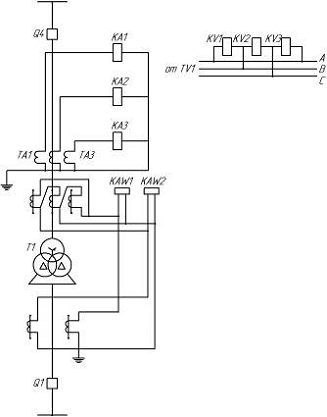
8. СХЕМА ЗАЩИТЫ ТРАНСФОРМАТОРА
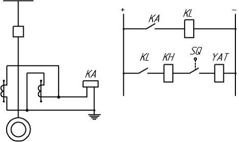
9. СХЕМА ЗАЩИТЫ ЭЛЕКТРОДВИГАТЕЛЯ
10. СХЕМА АВР