Исследование трехфазного мостового выпрямителя при активно-индуктивной нагрузке
Содержание
Задание
на курсовую работу. Исследование трёхфазного управляемого выпрямителя при
активно-индуктивной нагрузке
.Исследование
трёхфазного управляемого выпрямителя при работе на активную нагрузку при разных
углах и Lγ
2.
Исследование аномальных режимов управляемого выпрямителя
.
Полный отказ в работе двух плеч моста Т3 и Т4
.Включение
тиристора аномальным импульсом
.
Асимметрия импульсов управления. Исследование трехфазного управляемого
выпрямителя при нагрузке на противо - ЭДС
.
Расчёт напряжения источников питания
.
Нормальный режим управляемого выпрямителя с нагрузкой на противо - ЭДС
.
Аномальный режим управляемого выпрямителя с нагрузкой на противо -ЭДС
Вывод
Список
используемой литературы
выпрямитель трехфазный тиристор нагрузка
Задание
Исследование трехфазного мостового выпрямителя
при активно-индуктивной нагрузке
. Нормальный режим работы (сопротивление обмотки
возбуждения).
рассчитать и построить переходные процессы
(iв=f(t)) при заданных параметрах обмотки возбуждения и Lγ=0,1Lя
, α=0.
- рассчитать и построить регулировочные
характеристики при Lв=(0;102;103) Lя. Определить амплитуды, состав гармоник при
трех значениях α=0;60;75.
-рассчитать и построить внешние характеристики
при Lγ=(0;0,1;0,5)
Lя.
. Аномальный режим работы.
рассчитать и построить кривые токов и напряжений
при трех видах аномальных режимов в соответствии с плакатами №5, №6, №7 и
сравнить с кривыми нормального режима. Объяснить и описать их диагностику.
Исследование трехфазного мостового выпрямителя
при нагрузке на противо - ЭДС.
Нормальный режим работы.
рассчитать и построить кривые токов и напряжений
при двух значениях α=0; α≠0
и Iдв=Iн в соответствии с плакатом №9. Сравнить два режима по составу гармоник.
Простроить зависимости α=f(E) при
постоянном пусковом токе.
. Аномальный режим работы.
рассчитать и построить кривые токов и напряжений
при трех видах аномальных режимов в соответствии с плакатом №10. Объяснить
поведение кривых при аномальных режимах и описать их диагностику.
Данные двигателя (вариант №6)
Мощность - 24 кВт
Напряжение - 440 В
Номинальная частота вращения - 2120 об/мин
Максимальная частота вращения - 3500 об/мин
КПД - 90.5%
Сопротивление обмотки якоря Rя - 0.125 Ом
Индуктивность обмотки якоря Lя - 5.3 мГн
Сопротивление обмотки возбуждения Rв - 23.7 Ом
Индуктивность обмотки возбуждения Lв
= (0;
;
)Lя
Питание выпрямителя осуществляется
от сети напряжением U=380 B через трансформатор. Приведенная ко вторичной
обмотке индуктивность рассеивания L фазы Lγ составляет Lγ=
(0;0,1;0,5) Lя.
I. Исследование трёхфазного
мостового выпрямителя при активно-индуктивной нагрузке
1.Исследование трёхфазного управляемого
выпрямителя при работе на активную нагрузку при разных углах и Lγ
Особенностью работы выпрямителя на такую
нагрузку является то, что ток через индуктивность, в отличии от напряжения, не
может меняться мгновенно.
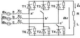
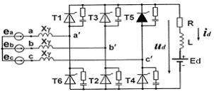
Рис.1 Принципиальная схема трехфазного мостового
управляемого выпрямителя при работе на активно-индуктивную нагрузку.
Рис.1.1 Кривые мгновенных линейных напряжений.
На рис.1.1 приведена схема
трехфазного мостового управляемого выпрямителя. Для рассмотрения работы этой
схемы, построим линейные напряжения
(рис 1.1). Угол управления
отсчитывается
от точек естественного отпирания вентилей. Импульсы управления подаются на те
тиристоры, потенциал анода которых в рассматриваемый момент времени имеет
наивысшее значение по отношению к потенциалу анода остальных тиристоров.
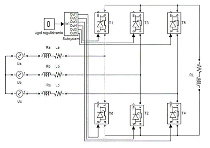
Рис.1.2 Расчетная схема мостового
управляемого выпрямителя с активно-индуктивной нагрузкой в пакете MatLab
(Simulink).
а)
б)
в)
Рис.1.3 Временные диаграммы токов и
напряжений схемы с активно-индуктивной нагрузкой, при угле управления
тиристорами 0º,
Lγ =0.001Гн, LB=0.053
Гн, и Rн=Rв (Ud=440 В)
а) кривая мгновенного значения
напряжения и её гармоник.
б) кривая мгновенного значения тока
и её гармоник.
в) Кривые мгновенных значений фазных
токов
При угле управления α = 0о на
тиристоры будет подаваться импульсы управления в момент естественной коммутации
вентилей. В таком случае при положительном потенциале точки а’ относительно
точки b’ к анодам тиристоров Т1 и Т6 будет приложен положительный потенциал, а
к их катодам - отрицательный, что приведет к их открываю. Ток будет протекать
по цепи a -La - a’ - T1 - Rн -Lн - T6 - b’ - Lв - b.
Далее точка b становиться более
положительна по сравнению с точкой с. Из-за этого разность потенциалов у
линейного напряжения uac становиться большей по сравнению с остальными
напряжениями. В этот момент подаются импульсы управления на тиристоры Т1 и Т2.
Возникает контур коммутации встречно току тиристора Т6. Ток Т6 снижается до
нуля и тиристор закрывается. После этого ток начинает протекать по контуру
a- La - a’ - T1 - Rн -Lн - T2 - c’ - Lc- c .
а)
б)
в)
Рис.1.4 Временные диаграммы токов и
напряжений схемы с активно-индуктивной нагрузкой, при угле управления
тиристорами 75º,
Lγ =0.001Гн, LB=0.053
Гн, и Rн=Rв (Ud=440 В)
а) кривая мгновенного значения
напряжения и её гармоник.
б) кривая мгновенного значения тока
и её гармоник.
в) Кривые мгновенных значений фазных
токов
Для рассмотренного случая (α =
75º,)
в момент времени, когда потенциал точки а’ больше потенциала точки b’ и ток
проводят тиристоры Т1, Т6 по цепи a - Ra - La - a’ - T1 - Rн -Lн - T6 - b’ - Lв
- Rв - b. В момент времени t1 (рис. 1.4а) когда потенциал точки а становиться
более положителен по отношению к потенциалу точки с, ток проводиться по
прежнему тиристорами Т1 и Т6. Это происходит благодаря накопленной
электромагнитной энергии в катушке индуктивности WL=
. В момент
времени t2 (рис. 1.4а), когда ubc становится более положительным по сравнению с
напряжением uab, к тиристору Т6 должно приложиться запирающее напряжение. Но в
катушке индуктивности чтобы поддержать течение тока в предыдущем направлении
возникает ЭДС самоиндукции, которая преодолевает линейное напряжение ubс до тех
пор пока на тиристор Т2 не подадут импульс управления, момент t3 (рис. 1.4а).
После этого возникнет контур коммутации в - Rв - Lв - в’ - T6 - T2 - с’ - Lс -
Rс - с, встречный току Т6, который впоследствии зарывается.
а)
б)
в)
Рис.1.5 Временные диаграммы токов и
напряжений схемы с активно-индуктивной нагрузкой, при угле управления тиристорами
0º,
Lγ =0.001Гн, LB=0. 53
Гн, и Rн=Rв (Ud=440 В)
а) кривая мгновенного значения
напряжения и её гармоник.
б) кривая мгновенного значения тока
и её гармоник.
в) Кривые мгновенных значений фазных
токов
Из рисунка 1.5 следует, что
выпрямленное напряжение имеет только четные гармоники кратные 6 (это 6, 12, 18)
и постоянную составляющую (нулевую гармонику). Сетевой ток содержи только
нечетные гармоники (это 1, 5, 7 ,11, 13 и др.). В результате гармонического
анализа, проведенного для различных углов управления, мы получили зависимости
величин гармоник тока сети и напряжения на нагрузке от угла α. Данные
проведённых исследований представлены в таблицах 1 и 2. Протекание высших
гармоник по обмоткам генераторов, питающих сеть, вызывает в них дополнительные
потери и нагрев. Дополнительные потери создаются так же в передающих линиях и
промежуточных трансформаторах. Падение напряжения от высших гармоник на линиях
передач и промежуточных трансформаторах вызывает искажение формы питающего
напряжения , что отрицательно сказывается на работе других потребителей.
Искажение формы питающего напряжения особенно ощутимо, когда мощность сети
соизмерима с мощностью силового преобразователя.
а)
б)
в)
Рис.1.6 Временные диаграммы токов и
напряжений схемы с активно-индуктивной нагрузкой, при угле управления
тиристорами 75º,
Lγ =0.001Гн, LB=5,3
Гн, и Rн=Rв (Ud=440 В)
а) кривая мгновенного значения
напряжения и её гармоник.
б) кривая мгновенного значения тока
и её гармоник.
в) Кривые мгновенных значений фазных
токов
На рис. 1.6 3 гармоника третья
гармоника напряжения больше, чем первая. Средне выпрямленное напряжение на
нагрузке = 117В Но благодаря большой индуктивности ток на нагрузке практически
не имеет пульсаций. При угле регулировании ›600 происходит рекуперация энергии
в сеть.
Таблица №1 Амплитуды гармоник (В),
входящих в состав выпрямленного напряжения.
|
|
|
Напряжение
на нагрузке
|
|
|
|
№
гармоники
|
Угол
|
0
|
6
|
12
|
18
|
24
|
|
|
0
|
439,62
|
33,34
|
10,03
|
4,47
|
3,99
|
|
|
60
|
219,87
|
134,62
|
66,56
|
44,35
|
32,92
|
|
Амплитуда
|
75
|
117,32
|
148,97
|
73,95
|
49,43
|
36,85
|
Таблица №2 Амплитуды гармоник (А), входящих в
состав тока фазы А.
|
|
|
Сетевой
ток
|
|
|
|
|
|
№
гармоники
|
Угол
|
1
|
5
|
7
|
11
|
13
|
|
|
0
|
20,24
|
3,9
|
2,71
|
1,58
|
1,25
|
|
|
60
|
9,82
|
1,96
|
1,57
|
0,97
|
0,92
|
|
|
75
|
5,21
|
1,03
|
0,97
|
0,55
|
0,62
|
|
|
|
|
Амплитуда
|
|
Рис.1.7 Внешняя характеристика управляемого
выпрямителя при разных индуктивностях рассеивания Lγ
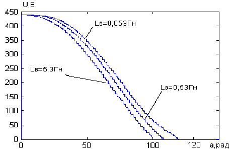
Рис.1.8 Регулировочная характеристика
управляемого выпрямителя с активно-индуктивной нагрузкой при Lв=0,053 Гн; 0,53
Гн; 5,3 Гн.
. Исследование аномальных режимов управляемого
выпрямителя
Под аномальным режимом работы выпрямителя
понимаются режимы, вызванные отказом в работе одного или двух вентилей моста, а
так же ложными (аномальными) импульсами их управления с углами, отличающимися
от заданного значения, которые попадают на управляющие электроды из-за
коммутационных процессов или по причине нарушений в работе СИФУ.
В начале исследования аномальных режимов
определимся условными положительными направлениями фазных токов. Положительные
направления фазных токов совпадают с направлениями от точек а`, b’, c’
соответственно к точкам a, b, c (см рис 1.9).
Рис 1.9 Схема управляемого выпрямителя с
активно-индуктивной нагрузкой
Отрицательные - имеют противоположенные
направления: от точек a, b, c к точкам a’, b’, c’. В дальнейшем будем
пользоваться этими условными направлениями фазных токов. В этом разделе сравним
два способа диагностики управляемых выпрямителей: 1) способ диагностики,
основанный на спектральном анализе кривой выходного напряжения
) способ, основанный на совместном анализе
кривых мгновенных значений фазных токов и выходного напряжения выпрямителя.
Наша задача состоит в определении вентилей или одного вентиля вышедшего из
строя.
. Полный отказ в работе двух плеч моста Т3 и Т4
а)
б)
Рис.2 Схема управляемого выпрямителя с
активно-индуктивной нагрузкой:
а) Нормальный режим
б) отключение тиристоров Т3, Т4
а)
б)
Рис.2.1 Кривые мгновенных значений выходного
напряжения (а) и фазных токов (б) управляемого выпрямителя при α1...6=0˚
и отключении тиристоров Т3, Т4
Способ диагностики, основанный на спектральном
анализе кривой выходного напряжения.
а)
б)
Рис.2.2 Кривые выходного напряжения и спектры их
гармоник управляемого выпрямителя с активно-индуктивной нагрузкой:
а - НОРМАЛЬНЫЙ РЕЖИМ при α1…6=0˚
б - АНОМАЛЬНЫЙ РЕЖИМ при α1…6=0˚
и отключении тиристоров Т3, Т4
При таком способе диагностики мы видим, что
кривая выходного напряжения и её гармоники при аномальном режиме отличается от
кривой выходного напряжения и её гармоник при нормальном режиме. Но мы не можем
определить какой именно тиристор вышел из строя.
. Включение тиристора аномальным импульсом
α1-6=400 α5=00
Рис.2.3 Схема управляемого выпрямителя с
активно-индуктивной нагрузкой при аномальном режиме
а)
б)
Рис.2.4 Кривые мгновенных значений выходного
напряжения (а) и фазных токов (б) управляемого выпрямителя при α1...6=40˚
и при аномальном импульсе α5=0.
Способ диагностики, основанный на спектральном
анализе кривой выходного напряжения
а)
б)
Рис.2.5 Кривые выходного напряжения и спектры их
гармоник управляемого выпрямителя с активно-индуктивной нагрузкой:
а - НОРМАЛЬНЫЙ РЕЖИМ при α1…6=40˚.
б - АНОМАЛЬНЫЙ РЕЖИМ при α1…6=40˚
и при аномальном импульсе α5=0.
При таком способе диагностики управляемого
выпрямителя мы можем по виду напряжения и её гармоник определить, что произошло
включение тиристора аномальным импульсом. Но мы не можем определить в каком
именно тиристоре это произошло.
Способ, основанный на совместном анализе кривых
мгновенных значений фазных токов и выходного напряжения выпрямителя.
Нормальный режим управляемого выпрямителя с
активно-индуктивной нагрузкой при α1…6=40˚
а)


б)
Рис.2.6 Кривые выходного напряжения (а), фазных
токов(б) и спектры их гармоник при нормальном режиме работы.
Таблица 3
|
Управляемый
выпрямитель с активно индуктивной нагрузкой Нормальный режим работы при α1-6=0˚
|
|
Частота,Гц
|
0
|
50
|
100
|
150
|
200
|
250
|
300
|
350
|
400
|
*
I
|
|
№гармоники
|
0
|
1
|
2
|
3
|
4
|
5
|
6
|
7
|
8
|
|
|
фаза
|
a
|
Iamv
|
0
|
15,92
|
0
|
0
|
0
|
3,23
|
0
|
2,3
|
0
|
11,26
|
|
b
|
Ibmv
|
0
|
15,92
|
0
|
0
|
0
|
3,23
|
0
|
2,3
|
0
|
11,26
|
|
c
|
Icmv
|
0
|
15,92
|
0
|
0
|
0
|
3,23
|
0
|
2,3
|
0
|
11,26
|
|
Udmv
|
343,17
|
0
|
0
|
0
|
0
|
0
|
99,37
|
0
|
0
|
|
Аномальный режим управляемого выпрямителя с
активно-индуктивной нагрузкой при α1,2,4,5,6=0˚
и при аномальном импульсе α5=0.
Рис.2.7 Кривые выходного напряжения (а), фазных
токов(б) и спектры их гармоник при аномальном режиме работы.
Таблица 4
|
Управляемый
выпрямитель с активно индуктивной нагрузкой Аномальный режим работы при α1-6=0˚ и
при аномальном импульсе α5=0.
|
|
Частота,Гц
|
0
|
50
|
100
|
150
|
200
|
250
|
300
|
350
|
400
|
*
I
|
|
№гармоники
|
0
|
1
|
2
|
3
|
4
|
5
|
6
|
7
|
8
|
|
|
фаза
|
a
|
Iamv
|
0
|
16,71
|
0
|
0
|
0
|
3,35
|
0
|
2,41
|
0
|
11,82
|
|
b
|
Ibmv
|
1,45
|
14,83
|
2,66
|
2,43
|
2,18
|
2,16
|
1,54
|
2,09
|
0,87
|
10,48
|
|
c
|
Icmv
|
1,47
|
17,63
|
2,3
|
2,3
|
1,75
|
1,61
|
1,22
|
0,77
|
12,47
|
|
Udmv
|
359,24
|
31,53
|
31,15
|
32,31
|
27,65
|
24,55
|
78,61
|
16,88
|
13,75
|
359,2
|
Главное при определении тиристора с аномальном
импульсом, определения всех линейных напряжений. Их можно определить если
имеются кривые мгновенных значений фазных токов в соответствующие промежутки
времени. При рассмотрении рис.10 видно, что в промежутке времени t1-t2 ток фазы
«b» равен нулю, а фазы «a» положителен и направлен от a’ к a, ток фаза «c»
отрицателен и направлен от c к c’. При таких направлениях фазных токов, ток
выпрямителя может протекать лишь при воздействии линейного напряжения Uca по
цепи c - Xγ - c’ - T5 - RL - T6 - a’ - Xγ - a через
тиристоры Т5 и Т6. При этом в момент t=t1 тиристор Т5 вступает в работу с углом
включения α=00. При этом мы видим,
что фазный ток Ia не искажается и состав его гармоник не меняется. Но фазный
ток Ib и Ic меняются по форме и в составе их гармоник появляются много
высокочастотных гармоник.
. Асимметрия импульсов управления
Рис.2.8 Схема управляемого выпрямителя с
нагрузкой на противо - ЭДС при аномальном режиме.
а)
б)
в)
Рис.2.9 Кривые мгновенных значений выходного
напряжения (а) и фазных токов (б) тока в нагрузке управляемого выпрямителя при α1...6=60˚,
ассиметричном импульсе α5=0, Еd=0.5Edn=209,35
В
Способ диагностики, основанный на спектральном
анализе кривой выходного напряжения.
а)
б)
Рис.3 Кривые выходного напряжения и спектры их
гармоник управляемого выпрямителя с активно-индуктивной нагрузкой:
а - НОРМАЛЬНЫЙ РЕЖИМ при α1…6=60˚.
б - АНОМАЛЬНЫЙ РЕЖИМ при α1…6=60˚
и при аномальном импульсе α5=0.
В этом случае, как и в предыдущих аномальных
режимах, линейные напряжения в нормальном режиме отличается от линейных
напряжений в аномальных режимах. И в этом случае невозможно определения
тиристора, на который подается импульс.
II. Исследование трехфазного мостового
выпрямителя при нагрузке на противо -ЭДС
Моделирование выпрямителя с нагрузкой на противо
-ЭДС имеет большое практическое значение. Прототипом такого вида нагрузки
являются двигатели постоянного тока. Эти двигатели в настоящее время
используются в трамваях, вагонах метро, электричках. Появление асинхронных и
синхронных двигателей не способствовало вытеснению двигателей постоянного тока,
т.к. замена всех двигателей требует больших денежных затрат, а так же система
управления постоянного гораздо проще, чем у двигателей переменного тока.
Тип и параметры двигателя, выполняющие роль
нагрузки, приведены в задании. Чтобы начать моделировать, необходимо рассчитать
номинальный ток якоря и величину противо -ЭДС, создаваемую двигателем в
номинальном режиме работы, а так же коэффициент трансформации, трансформатора,
выполняющего согласование нашего выпрямителя и промышленной сети.
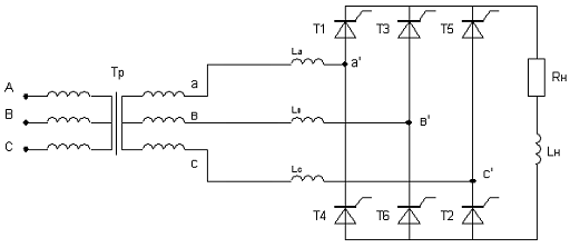
Рис.3.1 Силовая схема трёхфазного мостового
выпрямителя
с нагрузкой на противо -ЭДС.
1. Расчёт напряжения источников питания
подставляя число пульсаций m=6,
U2-действующее значение линейного напряжения, получим:
отсюда определяем амплитуду
необходимого напряжения для обеспечения питания двигателя заданным напряжением
Ud=440В
Для согласования управляемого
выпрямителя с промышленной сетью (U1m=311B) необходимо между сетью и
полупроводниковым преобразователем поставить трансформатор с коэффициентом
трансформации
Расчёт номинального тока двигателя и
номинальной величины противо-ЭДС.
Способ, основанный на совместном
анализе кривых мгновенных значений фазных токов и выходного напряжения
выпрямителя.
. Нормальный режим управляемого
выпрямителя с нагрузкой на противо - ЭДС при α1…6=0˚
а)


б)
Рис.3.2 Кривые выходного напряжения
(а), фазных токов(б) и спектры их гармоник при нормальном режиме работы.
|
Управляемый
выпрямитель с нагрузкой на противо - ЭДС Нормальный режим работы при α1-6=0˚
|
|
Частота,Гц
|
0
|
50
|
100
|
150
|
200
|
250
|
300
|
350
|
400
|
*
I
|
|
№гармоники
|
0
|
1
|
2
|
3
|
4
|
5
|
6
|
7
|
8
|
|
|
фаза
|
a
|
Iamv
|
0
|
20,62
|
0
|
0
|
0
|
4,09
|
0
|
2,9
|
0
|
18,6
|
|
b
|
Ibmv
|
0
|
20,62
|
0
|
0
|
0
|
4,09
|
0
|
2,9
|
0
|
18,6
|
|
c
|
Icmv
|
0
|
20,62
|
0
|
0
|
0
|
4,09
|
0
|
2,9
|
0
|
18,6
|
|
Udmv
|
218.23
|
0
|
0
|
0
|
0
|
0
|
12.61
|
0
|
0
|
|
Рис 3.6 Зависимость α=f(E)
. Аномальный режим управляемого выпрямителя с
нагрузкой на противо -ЭДС при α1,2,4,5,6=0˚
и отключении тиристоров Т3, Т4
рис 5 Кривые выходного напряжения (а), фазных
токов(б) и спектры их гармоник при нормальном режиме работы.
|
Управляемый
выпрямитель с нагрузкой на противо-ЭДС Аномальный режим работы при α1-6=0˚ и
отключении тиристоров Т3,Т4
|
|
Частота,Гц
|
0
|
50
|
100
|
150
|
200
|
250
|
300
|
350
|
400
|
*
I
|
|
№гармоники
|
0
|
1
|
2
|
3
|
4
|
5
|
6
|
7
|
8
|
|
|
фаза
|
a
|
Iamv
|
3,68
|
9,56
|
1,51
|
0,3
|
1,31
|
1,43
|
0,52
|
1,3
|
0,35
|
6,761
|
|
b
|
Ibmv
|
6,66
|
6,28
|
2,01
|
0,41
|
1,29
|
0,74
|
0,26
|
0,75
|
0,43
|
5,21
|
|
c
|
Icmv
|
2,98
|
4,84
|
2,28
|
0,38
|
1,26
|
0,82
|
0,27
|
0,75
|
0,45
|
4,26
|
|
Udmv
|
220,54
|
339,06
|
129,01
|
0,28
|
25,52
|
56,67
|
46,16
|
27,44
|
18,73
|
220,54
|
При рассмотрении рис.5 видно, что в промежутке
времени t1-t3 ток фазы «с» равен нулю, а фазы «b» положителен и направлен от b’
к b, ток фаза «а» отрицателен и направлен от а к a’. При таких направлениях
фазных токов, ток выпрямителя может протекать лишь при воздействии линейного
напряжения Uab по цепи а - Xγ - a’ - T1 - RL - T2 - b’ -
Xγ - b через тиристоры Т1 и Т2. Установив напряжения за
весь период видим, что отсутствуют напряжения Uaс, Ubc, Uba , отсюда следуют
что неисправны тиристоры Т3, Т4 (либо недодается сигнал управления, либо
тиристор вышел из строя). В момент времени t3 линейное напряжение Uab
становится отрицательным, но как мы видим на рисунке через тиристоры Т1, Т2 по
прежнему протекает ток, это объясняется наличием индуктивности в цепи нагрузки.
Т.к. ток в RL нагрузке не может изменится мгновенно, то он на встречу линейному
напряжению Uab . При этом происходит рекуперация энергии в сеть по цепи +eL-
T2- b’ - Xγ - b - ea - a - Xγ - a’ - T1 - R - -eL.
Вывод
Промоделировав тиристорный трёхфазный мостовой
управляемый выпрямитель на активно-индуктивную нагрузку и нагрузку на противо
-ЭДС видим, что при любой асимметрии появляются дополнительные гармоники
напряжения на нагрузке и фазных токов, что приводит к ухудшению экологии сети и
мощности. Поэтому необходимо максимально уменьшать асимметрию подачи импульсов
на тиристоры.
В начале исследования аномальных режимов мы
поставили задачу о нахождении самого наилучшего способа диагностики трехфазного
мостового управляемого выпрямителя и сделали выводы о том, что:
.Способ, основанный на оценке напряжения на
нагрузке и его гармоник служит для общей оценки состояния выпрямителя. И не
указывает конкретного места неисправности.
.Самым универсальным способом диагностики
управляемого выпрямителя является способ, основанный на совместном анализе
кривых мгновенных значений фазных токов и выходного напряжения выпрямителя. При
таком способе важно заосцилографировать кривые Ud,Ia,Ib,Ic в соответствии с
условными положениями кривых фазных токов и напряжения на нагрузке. Затем,
анализируя кривые тока и напряжения определить направление фазных токов и
линейных напряжений. В результате по кривой фазного напряжения при определении
нами линейного напряжения, легко определить угол включения того или иного
тиристора. Этот способ может использоваться при выходе одного тиристора или
полностью всех.
Список литературы
.
Учебное пособие «Полупроводниковые преобразователи» часть 1. В.Д. Кулик
.
Конспект лекций «Преобразовательная техника». В.Д. Кулик
.
Учебное пособие «Аномальные режимы работы полупроводниковых выпрямителей и их
диагностика» В.Д.Кулик , В.И. Королев